材料力学 湖大期末试题(含答案)
- 格式:doc
- 大小:1.32 MB
- 文档页数:10
σ一、填空(每题2分,共20分)3.为了求解静不定问题,必须研究构件的 变形 ,从而寻找出 补充方程 。
4.材料力学中求内力的基本方法是 截面法 。
5.矩形截面梁的弯曲剪力为F S ,横截面积为A ,则梁上的最大切应力为 A F S 23 。
7.第四强度理论认为 畸变能密度 是引起屈服的主要因素。
8.挠曲线的近似微分方程是 EI M dx w d =22 。
9.求解组合变形的基本步骤是:(1)对外力进行分析或简化,使之对应基本变形 ,(2)求解每一种基本变形的内力、应力及应变等,(3)将所得结果进行叠加。
10. 压杆稳定问题中,欧拉公式成立的条件是: 1λλ≥ 。
11.圆轴扭转时的强度条件为 []ττ≤=t W T max max ,刚度条件为 []ϕϕ'≤='pT max max。
13.莫尔强度理论的强度条件为 []]31}{σσσσc t - 。
14.进行应力分析时,单元体上切应力等于零的面称为 主平面,其上应力称为 主应力。
二、单项选择题 (每题2分,共20分)1. 所有脆性材料,它与塑性材料相比,其拉伸力学性能的最大特点是( C )。
A. 强度低,对应力集中不敏感; B. 相同拉力作用下变形小;C. 断裂前几乎没有塑性变形;D. 应力-应变关系严格遵循胡克定律。
2. 在美国“9.11”事件中,恐怖分子的飞机撞击国贸大厦后,该大厦起火燃烧,然后坍塌。
该大厦的破坏属于( A )A .强度坏;B .刚度坏;C .稳定性破坏;D .化学破坏。
3. 细长柱子的破坏一般是( C )A .强度坏;B .刚度坏;C .稳定性破坏;D .物理破坏。
4. 不会引起静定结构产生内力的因素是( D )A .集中力;B .集中力偶;C .分布力;D .温度变化。
5. “顺正逆负”的正负规定适用于( A )。
A .剪力;B .弯矩;C .轴力;D .扭矩。
6. 多余约束出现在( B )中。
στ三明学院《材料力学》期末考试卷4答案(考试时间:120分钟)使用班级: 学生数: 任课教师: 考试类型 闭卷题 序 一 二 三 四 五 六 总分 得 分 阅卷人一、填空(每题2分,共20分)1.为保证工程结构或机械的正常工作,构件应满足三个要求,即 强度要求,刚度要求及稳定性要求 。
3.为了求解静不定问题,必须研究构件的变形 ,从而寻找出 补充方程 。
5.矩形截面梁的弯曲剪力为FS ,横截面积为A ,则梁上的最大切应力为A F S 23。
6.用主应力表示的广义胡克定律是[]E )(3211σσμσε+-=,[]E )(1322σσμσε+-=,[]E )(2133σσμσε+-=。
8.挠曲线的近似微分方程是 EI M dx w d =22。
10.圆轴扭转时的强度条件为[]ττ≤=t W T max max ,刚度条件为 []ϕϕ'≤='p GI T max max 。
11.梁轴线弯曲变形后的曲率与弯矩成 正比 ,与抗弯刚度成 反比 。
12.莫尔强度理论的强度条件为 []]31}{σσσσc t - 。
15. 弹性系数E 、G 、μ之间的关系为 2(1)G E μ=+ 。
16. 轴向拉压变形中,横向应变与轴向应变的关系是 εμε'=- 。
二、单项选择题(每小题2分,共20分)1. 对于静不定问题,下列陈述中正确的是( C )。
A .未知力个数小于独立方程数;B .未知力个数等于独立方程数 ;C .未知力个数大于独立方程数。
D .未知力个数大于也可以等于独立方程数 2.求解温度应力和装配应力属于( B )。
A .静定问题;B .静不定问题;C .要根据具体情况而定;D .以上均不是。
3.圆轴受扭转变形时,最大剪应力发生在( B )。
A .圆轴心部;B .圆轴表面;C .心部和表面之间。
D .以上答案均不对4.在计算螺栓的挤压应力时,在公式bsbs bs A F =σ中,bsA 是(B )A .半圆柱面的面积;B .过直径的纵截面的面积;C .圆柱面的面积;D .以上答案都不对 5.空心圆轴外径为D ,内径为d ,在计算最大剪应力时需要确定抗扭截面系数t W ,以下正确的是( C )。
材料力学期末复习题一、填空题(共15分)1、 (5分)一般钢材的弹性模量E = 210 GPa ;铝材的弹性模量E = 70 GPa2、 (10分)图示实心圆锥杆受扭转外力偶作用,材料的剪切弹性模量为G ,该杆的τ1、(5(A )各向同性材料;(B )各向异性材料; (C )各向同性材料和各向异性材料。
(D 正确答案是 A 。
2、(5分)边长为d 的正方形截面杆(1)和(2)面,杆(2对于这两种情况的动荷系数d k 有下列结论:(A );)()(,)()(2max 1max 21d d d d k k σσ<< (B );)()(,)()(2max 1max 21d d d d k k σσ>< (C );)()(,)()(2max 1max 21d d d d k k σσ<> (D )2max 1max 21)()(,)()(d d d d k k σσ>>。
正确答案是 A 。
三、计算题(共75分)1、(25求:(1)直径比21/d d ; (2)扭转角比BC AB φφ/解:AC 轴的内力图:)(105);(10355Nm M Nm M BC AB ⨯=⨯=由最大剪应力相等: 8434.05/3/;16/1050016/10300321323313max==⨯=⨯==d d d d W M n n ππτ由;594.0)(213232;41221242411=••=•=⇒∴⋅=d d M M M d G d G a M GI l M n n n n BC AB P n ππφφφKNm2、(解:3、(15分)有一厚度为6mm 的钢板在板面的两个垂直方向受拉,拉应力分别为150Mpa 和55Mpa ,材料的E=2.1×105Mpa ,υ =0.25。
求钢板厚度的减小值。
解:钢板厚度的减小值应为横向应变所产生,该板受力后的应力状态为二向应力状态,由广义胡克定律知,其Z向应变为:0244.010)55150(101.225.0)(69-=⨯+⨯-=+-=y x z E σσνε则 mm t Z Z 146.0-=⨯=∆ε材料力学各章重点一、绪论1.各向同性假设认为,材料沿各个方向具有相同的 A 。
***学院期末考试试卷一、填空题(总分20分,每题2分)1、杆件在外力作用下,其内部各部分间产生的 ,称为内力。
2、杆件在轴向拉压时强度条件的表达式是 。
3、低碳钢拉伸时,其应力与应变曲线的四个特征阶段为 阶段, 阶段, 阶段, 阶段。
4、线应变指的是 的改变,而切应变指的是 的改变。
5.梁截面上弯矩正负号规定,当截面上的弯矩使其所在的微段梁凹向下时为 。
6.梁必须满足强度和刚度条件。
在建筑中,起控制做用的一般是 条件。
7、第一和第二强度理论适用于 材料,第三和第四强度理论适用于 材料。
8、求解组合变形的基本方法是 。
9、力作用于杆端方式的不同,只会使与杆端距离在较小的范围内受到影响,该原理被称为 。
10、欧拉公式是用来计算拉(压)杆的 ,它只适用于 杆。
二、 单项选择(总分20分,每题2分)1、用截面法可求出图示轴向拉压杆a-a 截面的内力12N P P =-,下面说法正确的是( ) A. N 其实是应力 B. N 是拉力C. N 是压力D. N 的作用线与杆件轴线重合2、构件的强度是指( )A. 在外力作用下构件抵抗变形的能力B. 在外力作用下构件保持原有平衡态的能力C. 在外力作用下构件抵抗破坏的能力D. 在外力作用下构件保持原有平稳态的能力 3、现有钢、铸铁两种杆材,其直径相同。
从承载能力与经济效益两个方面考虑,图示结构中两种合理选择方案是( )A. 1杆为钢,2杆为铸铁B. 1杆为铸铁,2杆为钢C. 2杆均为钢D. 2杆均为铸铁4、从拉压杆轴向伸长(缩短)量的计算公式EANll =∆可以看出,E 和A 值越大,l ∆越小,故( )。
A. E 为杆的抗拉(压)刚度。
B. 乘积EA 表示材料抵抗拉伸(压缩)变形的能力。
C. 乘积EA 为杆的抗拉(压)刚度D. 以上说法都不正确。
5、空心圆轴的外径为D ,内径为d ,α=d /D 。
其抗扭截面系数为( )。
A )1(163απ-=D W P B )1(1623απ-=D W PC )1(1633απ-=D W P D )1(1643απ-=D W P6、在没有荷载作用的一段梁上,( )A. 剪力图为一水平直线B.剪力图为一斜直线 C .没有内力 D.内力不确定7、在平行移轴公式21Z Z I I a A =+中,其中Z 轴和轴1Z 轴互相平行,则( )。
安徽大学20 12 —20 13 学年第 2 学期《 材料力学 》(B 卷)考试试题参考答案及评分标准 一、1、刚度、稳定性2、断面收缩率3、5/74、光滑连续条件5、四二、A C D C B三、1、支反力:A B MM F F l l==- AC 段剪力方程和弯矩方程为:11()(0)()(0)S M F x x a l Mx M x x a l=≤≤=≤≤ CB 段剪力方程和弯矩方程为:22()()()()S MF x a x l l Mx M x M a x l l=≤≤=-≤≤ 由此可绘出剪力图和弯矩图2、应力圆方程2222()()22x yx yxy αασσσσσττ+--+=+ 圆心坐标为,02x y σσ+⎛⎫ ⎪⎝⎭,半径R =单向受力状态下,圆心为,02x σ⎛⎫⎪⎝⎭,半径为2x σ,应力圆为:四:1:解:3根杆的受力及变形如图示:(1):平衡条件: 123230,00,20y N N N A N N F FF F F M F a F a =++-==⨯+⨯=∑∑(2):变形几何关系:1322l l l ∆+∆=∆(3):物理关系:1,2,3Ni ii F l l i EA ∆==(4):补充方程物理关系与几何关系联立:1322N N N F l F l F l EA EA EA+=得补充方程:1322N N N F F F += 上式与平衡条件联立,得:123511,,636N N N F F F F F F ===- 2、边界条件: 2200,0x ωθ=⎧=⎨=⎩ 2121,2l x ωωθθ=⎧=⎨=⎩ ()1=-F l x EI ω- 211=-2Flx Flx C EI EIθ++ 23111=-26Flx Flx C x D EI EIω+++ ()2=-2F l x EI ω- 2322=-26Flx Flx C EI EI θ++ 23222=-412Flx Flx C x D EI EIω+++ 以上式子联立并结合边界条件得1122320031624C D Fl C EI Fl D EI=⎧⎪=⎪⎪⎨=⎪⎪⎪=-⎩ 又因为最大挠度和转角均发生在C 端,所以 32max max 35,1616Fl Fl EI EI ωθ=-=- 3、在立柱任一截面上有187.2FN F kNM M Fa kN m ====⋅ 所以有[]max 23432N t F M F M A W d d σσππ=+=+≤ 得3362341810327.210 3.510Pa Pa d d ππ⎛⎫⨯⨯⨯⨯+≤⨯ ⎪⎝⎭解得128d mm ≥4、解:单独取一根立柱进行研究,如图所示: '2504FF kN =='42501000cr st F N F kN =⋅=⨯= 假设欧拉公式成立,则有34222()64cr EI Ed F l l ππμ==97d mm ==而:92.94123.7p Pl li d λμλλ=====>故假设是正确的,所以97d mm =。
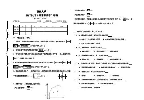
.福州大学《材料力学》期末考试卷1答案(考试时间:120分钟)使用班级: 学生数: 任课教师: 考试类型 闭卷题 序 一 二 三 四 五 六 总分 得 分 阅卷人一.填空题(22分)1. 为保证工程结构或机械的正常工作,构件应满足三个要求,即 强度要求、 刚度要求 及 稳定性要求 。
(每空1分,共3分)2.材料力学中求内力的基本方法是 截面法 。
(1分)3.进行应力分析时,单元体上剪切应力等于零的面称为 主平面 ,其上正应力称为 主应力 。
(每空1分,共2分)4.第一到第四强度理论用文字叙述依次是最大拉应力理论、最大拉应变理论、最大剪应力理论和形状改变能理论。
(每空1分,共4分)5. 图示正方形边长为a ,圆孔直径为D ,若在该正方形中间位置挖去此圆孔,则剩下部分图形的惯性矩y z I I ==441264a D π-。
(2分)6. 某材料的σε-曲线如图,则材料的 (1)屈服极限s σ=240MPa(2)强度极限b σ=400MPa (3)弹性模量E =20.4GPa(4)强度计算时,若取安全系数为2,那么塑性材料的许用 应力 []σ=120MPa ,脆性材料的许用应力 []σ=200MPa 。
(每空2分,共10分)二、选择题(每小题2分,共30分)( C )1. 对于静不定问题,下列陈述中正确的是 。
A 未知力个数小于独立方程数;B 未知力个数等于独立方程数 ;C 未知力个数大于独立方程数。
( B )2.求解温度应力和装配应力属于 。
A 静定问题;B 静不定问题;C 两者均不是。
( B )3.圆轴受扭转变形时,最大剪应力发生在 。
A 圆轴心部;B 圆轴表面;C 心部和表面之间。
( C )4. 在压杆稳定中,对于大柔度杆,为提高稳定性,下列办法中不能采用的是 。
A 选择合理的截面形状; B 改变压杆的约束条件; C 采用优质钢材。
( C )5.弯曲内力中,剪力的一阶导数等于 。
A 弯矩;B 弯矩的平方;C 载荷集度( C )6.对构件既有强度要求,又有刚度要求时,设计构件尺寸需要 。
一、判断题(正确打“√”,错误打“ ”,本题满分为 分) 、拉杆伸长后,横向会缩短,这是因为杆有横向应力的存在。
、圆截面杆件受扭时,横截面上的最大切应力发生在横截面离圆心最远处。
、两梁的跨度、承受载荷及支承相同,但材料和横截面面积不同,因而两梁的剪力图和弯矩图不一定相同。
、交变应力是指构件内的应力,它随时间作周期性变化,而作用在构件上的载荷可能是动载荷,也可能是静载荷。
、弹性体的应变能与加载次序无关,只与载荷的最终值有关。
( ) 、单元体上最大切应力作用面上必无正应力。
、平行移轴公式表示图形对任意两个相互平行轴的惯性矩和惯性积之间的关系。
( ) 、动载荷作用下,构件内的动应力与材料的弹性模量有关。
、构件由突加载荷所引起的应力,是由相应的静载荷所引起应力的两倍。
、包围一个点一定有一个单元体,该单元体各个面上只有正应力而无切应力。
二、选择题(每个 分,本题满分 分).应用拉压正应力公式A F N=σ的条件是( )。
、应力小于比例极限; 、外力的合力沿杆轴线;、应力小于弹性极限; 、应力小于屈服极限。
.梁拟用图示两种方式搁置,则两种情况下的最大弯曲正应力之比 )(m ax )(m ax b a σσ 为( )。
、 ; 、 ; 、 ; 、 。
、关于弹性体受力后某一方向的应力与应变关系有如下论述:正确的是 。
、有应力一定有应变,有应变不一定有应力; 、有应力不一定有应变,有应变不一定有应力; 、有应力不一定有应变,有应变一定有应力; 、有应力一定有应变,有应变一定有应力。
、火车运动时,其轮轴横截面边缘上危险点的应力有四种说法,正确的是 。
:脉动循环应力: :非对称的循环应力; :不变的弯曲应力; :对称循环应力、如图所示的铸铁制悬臂梁受集中力 作用,其合理的截面形状应为图( )、对钢制圆轴作扭转校核时,发现强度和刚度均比规定的要求低了 ,若安全因数不变,改用屈服极限提高了 的钢材,则圆轴的( )强度、刚度均足够; 、强度不够,刚度足够;强度足够,刚度不够; 、强度、刚度均不够。
材料力学期末复习题一、填空题(共15分)1、 (5分)一般钢材的弹性模量E = 210 GPa ;铝材的弹性模量E = 70 GPa2、 (10分)图示实心圆锥杆受扭转外力偶作用,材料的剪切弹性模量为G ,该杆的τ1、(5(A )各向同性材料;(B )各向异性材料; (C )各向同性材料和各向异性材料。
(D 正确答案是 A 。
2、(5分)边长为d 的正方形截面杆(1)和(2)面,杆(2对于这两种情况的动荷系数d k 有下列结论:(A );)()(,)()(2max 1max 21d d d d k k σσ<< (B );)()(,)()(2max 1max 21d d d d k k σσ>< (C );)()(,)()(2max 1max 21d d d d k k σσ<> (D )2max 1max 21)()(,)()(d d d d k k σσ>>。
正确答案是 A 。
三、计算题(共75分)1、(25求:(1)直径比21/d d ; (2)扭转角比BC AB φφ/解:AC 轴的内力图:)(105);(10355Nm M Nm M BC AB ⨯=⨯=由最大剪应力相等: 8434.05/3/;16/1050016/10300321323313max==⨯=⨯==d d d d W M n n ππτ由;594.0)(213232;41221242411=••=•=⇒∴⋅=d d M M M d G d G a M GI l M n n n n BC AB P n ππφφφKNm2、(解:3、(15分)有一厚度为6mm 的钢板在板面的两个垂直方向受拉,拉应力分别为150Mpa 和55Mpa ,材料的E=2.1×105Mpa ,υ =0.25。
求钢板厚度的减小值。
解:钢板厚度的减小值应为横向应变所产生,该板受力后的应力状态为二向应力状态,由广义胡克定律知,其Z向应变为:0244.010)55150(101.225.0)(69-=⨯+⨯-=+-=y x z E σσνε则 mm t Z Z 146.0-=⨯=∆ε材料力学各章重点一、绪论1.各向同性假设认为,材料沿各个方向具有相同的 A 。
材料力学期末考试试卷一、选择题(每题2分,共20分)1. 材料力学中,下列哪个不是基本力学性质?A. 弹性B. 塑性C. 脆性D. 磁性2. 材料在受到拉伸时,其内部应力与应变的关系通常用哪种曲线表示?A. 应力-应变曲线B. 弹性模量曲线C. 疲劳曲线D. 硬度曲线3. 在材料力学中,哪个参数表示材料抵抗变形的能力?A. 屈服强度B. 弹性模量C. 硬度D. 抗拉强度4. 某材料的弹性模量为210 GPa,其单位应为?A. N/m²B. MPaC. GPaD. Pa5. 材料力学中的泊松比定义为?A. 材料在受力时长度的增加量与其原始长度的比值B. 材料在受力时横截面的减小量与其原始横截面的比值C. 材料在受力时长度的减小量与其原始长度的比值D. 材料在受力时横截面的增加量与其原始横截面的比值...(此处省略其他选择题)二、简答题(每题10分,共30分)1. 简述材料力学中弹性模量和屈服强度的区别及其各自的重要性。
2. 描述材料在经历超过屈服点的应力后,其内部结构可能发生的变化。
3. 解释什么是材料的疲劳破坏,并简述其形成过程。
三、计算题(每题15分,共30分)1. 已知一直径为20mm的圆杆,在受到轴向拉力F=50kN时,求圆杆的应力和应变(假设材料为钢,弹性模量E=210 GPa)。
2. 某悬臂梁长3m,一端固定,另一端承受一集中力P=2kN。
若梁的截面为矩形,宽度b=0.1m,高度h=0.2m,材料的弹性模量E=200 GPa,求梁的挠度和最大弯矩。
四、论述题(每题20分,共20分)1. 论述材料力学在工程设计中的应用,以及如何通过材料力学原理来提高结构的安全性和可靠性。
试卷结束语:考生请注意,本试卷旨在检验你对材料力学基本概念、原理和计算方法的掌握程度。
请仔细审题,认真作答,祝你取得优异成绩。
材料力学期末考试题及答案AB卷一、选择题(每题5分,共40分)1. 材料力学中,下列哪个选项不属于材料力学的研究范畴?A. 材料的强度B. 材料的硬度C. 材料的韧性D. 材料的弹性模量答案:B2. 根据胡克定律,当应力超过材料的弹性极限时,以下哪个描述是正确的?A. 材料会发生永久变形B. 材料的应力与应变成正比C. 材料的应力与应变成反比D. 材料的弹性模量会增加答案:A3. 在拉伸试验中,材料的屈服强度是指:A. 材料开始发生塑性变形时的应力B. 材料发生断裂时的应力C. 材料达到最大应力时的应力D. 材料的弹性极限答案:A4. 根据材料力学,下列哪个选项是正确的?A. 应力是力与面积的比值B. 应变是位移与长度的比值C. 应力是位移与面积的比值D. 应变是力与长度的比值答案:A5. 在材料力学中,下列哪个选项是正确的?A. 剪切应力与剪切应变成正比B. 剪切应力与剪切应变成反比C. 剪切应力与剪切应变无关D. 剪切应力与剪切应变成指数关系答案:A6. 材料力学中,下列哪个选项是正确的?A. 材料的塑性变形是可逆的B. 材料的弹性变形是不可逆的C. 材料的塑性变形是不可逆的D. 材料的弹性变形是可逆的答案:C7. 根据材料力学,下列哪个选项是正确的?A. 材料的疲劳寿命与应力循环次数无关B. 材料的疲劳寿命与应力循环次数成正比C. 材料的疲劳寿命与应力循环次数成反比D. 材料的疲劳寿命与应力循环次数无关答案:B8. 在材料力学中,下列哪个选项是正确的?A. 材料的硬度与弹性模量无关B. 材料的硬度与弹性模量成正比C. 材料的硬度与弹性模量成反比D. 材料的硬度与弹性模量无关答案:B二、简答题(每题10分,共20分)1. 请简述材料力学中弹性模量的定义及其物理意义。
答案:弹性模量是材料力学中描述材料弹性特性的一个物理量,它表示材料在受到外力作用时,单位应力下产生的单位应变。
弹性模量的物理意义是衡量材料抵抗形变的能力,弹性模量越大,表示材料的刚度越高,形变越小。
材料力学期末复习题一、填空题(共15分)1、 (5分)一般钢材的弹性模量E = 210 GPa ;铝材的弹性模量E = 70 GPa2、 (10分)图示实心圆锥杆受扭转外力偶作用,材料的剪切弹性模量为G ,该杆的τ二、选择题(每小题5分,共10分)1、(5分))]1(2[υ+=E G 适用于:(A )各向同性材料;(B )各向异性材料;(C )各向同性材料和各向异性材料。
(D 正确答案是 A 。
2、(5分)边长为d 的正方形截面杆(1)和(2截面,杆(2对于这两种情况的动荷系数d k 有下列结论:(A );)()(,)()(2max 1max 21d d d d k k σσ<< (B );)()(,)()(2max 1max 21d d d d k k σσ>< (C );)()(,)()(2max 1max 21d d d d k k σσ<> (D )2max 1max 21)()(,)()(d d d d k k σσ>>。
正确答案是 A 。
三、计算题(共75分)1、(25求:(1)直径比21/d d ; (2)扭转角比BC AB φφ/解:AC 轴的内力图:)(105);(10355Nm M Nm M BC AB ⨯=⨯=由最大剪应力相等: 8434.05/3/;16/1050016/10300321323313max==⨯=⨯==d d d d W M n n ππτ(2)由;594.0)(213232;41221242411=••=•=⇒∴⋅=d d M M M d G d G a M GI l M n n n n BC AB P n ππφφφ2、(解:3、(15分)有一厚度为6mm 的钢板在板面的两个垂直方向受拉,拉应力分别为150Mpa 和55Mpa ,材料的E=2.1×105Mpa ,υ =0.25。
求钢板厚度的减小值。
一、判断题(正确打“√”,错误打“X ”,本题满分为10分) 1、拉杆伸长后,横向会缩短,这是因为杆有横向应力的存在。
( )2、圆截面杆件受扭时,横截面上的最大切应力发生在横截面离圆心最远处。
( )3、两梁的跨度、承受载荷及支承相同,但材料和横截面面积不同,因而两梁的剪力图和弯矩图不一定相同。
( )4、交变应力是指构件内的应力,它随时间作周期性变化,而作用在构件上的载荷可能是动载荷,也可能是静载荷。
( )5、弹性体的应变能与加载次序无关,只与载荷的最终值有关。
( )6、单元体上最大切应力作用面上必无正应力。
( )7、平行移轴公式表示图形对任意两个相互平行轴的惯性矩和惯性积之间的关系。
( ) 8、动载荷作用下,构件内的动应力与材料的弹性模量有关。
( )9、构件由突加载荷所引起的应力,是由相应的静载荷所引起应力的两倍。
( ) 10、包围一个点一定有一个单元体,该单元体各个面上只有正应力而无切应力。
( ) 二、选择题(每个2分,本题满分16分)1.应用拉压正应力公式A FN =σ的条件是( )。
A 、应力小于比例极限;B 、外力的合力沿杆轴线;C 、应力小于弹性极限;D 、应力小于屈服极限。
2.梁拟用图示两种方式搁置,则两种情况下的最大弯曲正应力之比 )(m ax )(m ax b a σσ 为( )。
A 、1/4; B 、1/16; C 、1/64; D、16。
3、关于弹性体受力后某一方向的应力与应变关系有如下论述:正确的是。
A 、有应力一定有应变,有应变不一定有应力; B 、有应力不一定有应变,有应变不一定有应力; C 、有应力不一定有应变,有应变一定有应力; D 、有应力一定有应变,有应变一定有应力。
4、火车运动时,其轮轴横截面边缘上危险点的应力有四种说法,正确的是。
A :脉动循环应力: B :非对称的循环应力; C :不变的弯曲应力;D :对称循环应力h4h(a) h4h(b)5、如图所示的铸铁制悬臂梁受集中力F 作用,其合理的截面形状应为图( b )6、对钢制圆轴作扭转校核时,发现强度和刚度均比规定的要求低了20%,若安全因数不变,改用屈服极限提高了30%的钢材,则圆轴的( c ) A 、 强度、刚度均足够;B 、强度不够,刚度足够; C 、强度足够,刚度不够;D 、强度、刚度均不够。
材料力学期末试卷1(带答案) XXX材料力学期末考试卷1考试时间:120分钟使用班级:学生数:任课教师:考试类型:闭卷一、填空题(22分)1.为保证工程结构或机械的正常工作,构件应满足三个要求,即强度要求、刚度要求及稳定性要求。
2.材料力学中求内力的基本方法是截面法。
3.进行应力分析时,单元体上剪切应力等于零的面称为主平面,其上正应力称为主应力。
4.第一到第四强度理论用文字叙述依次是最大拉应力理论、最大拉应变理论、最大剪应力理论和形状改变能理论。
5.图示正方形边长为a,圆孔直径为D,若在该正方形中间位置挖去此圆孔,则剩下部分图形的惯性矩Iy=Iz= (a^4-πD^4)/64.二、选择题(30分)1.对于静不定问题,下列陈述中正确的是:未知力个数大于独立方程数。
2.求解温度应力和装配应力属于静定问题。
3.圆轴受扭转变形时,最大剪应力发生在圆轴表面。
4.在压杆稳定中,对于大柔度杆,为提高稳定性,不能采用的办法是采用优质钢材。
5.弯曲内力中,剪力的一阶导数等于载荷集度。
6.对构件既有强度要求,又有刚度要求时,设计构件尺寸需要同时满足强度、刚度条件。
7.G=E/2(1+v)。
三、计算题(48分)1.一根长为4m,直径为50mm的圆杆,受到60kN的拉力,求它的伸长量。
(E=200GPa)答案:ΔL=2.4mm。
2.一根长为3m的悬臂梁,截面为矩形,宽度为b,高度为2b,受到集中力P作用于梁的自由端,求当P=10kN时,梁的最大挠度。
(E=200GPa,梁的截面惯性矩为I=(1/12) b^3)答案:δmax=15.625mm。
3.一根长为2m的悬臂梁,截面为圆形,直径为50mm,受到集中力P作用于梁的自由端,求当P=20kN时,梁的最大挠度。
(E=200GPa)答案:δmax=2.5mm。
4.一根长为3m的悬臂梁,截面为矩形,宽度为b,高度为2b,受到均布载荷q作用,求当q=10kN/m时,梁的最大挠度。
二、计算题:1.梁结构尺寸、受力如图所示,不计梁重,已知q=10kN/m,M=10kN·m,求A、B、C处的约束力。
2.铸铁T梁的载荷及横截面尺寸如图所示,C为截面形心。
已知I z=60125000mm4,y C=157.5mm,材料许用压应力[σc]=160MPa,许用拉应力[σt]=40MPa。
试求:①画梁的剪力图、弯矩图。
②按正应力强度条件校核梁的强度。
3.传动轴如图所示。
已知F r=2KN,F t=5KN,M=1KN·m,l=600mm,齿轮直径D=400mm,轴的[σ]=100MPa。
试求:①力偶M的大小;②作AB轴各基本变形的内力图。
③用第三强度理论设计轴AB的直径d。
4.图示外伸梁由铸铁制成,截面形状如图示。
已知I z=4500cm4,y1=7.14cm,y2=12.86cm,材料许用压应力[σc]=120MPa,许用拉应力[σt]=35MPa,a=1m。
试求:①画梁的剪力图、弯矩图。
②按正应力强度条件确定梁截荷P。
5.如图6所示,钢制直角拐轴,已知铅垂力F1,水平力F2,实心轴AB的直径d,长度l,拐臂的长度a。
试求:①作AB轴各基本变形的内力图。
②计算AB轴危险点的第三强度理论相当应力。
6.图所示结构,载荷P=50KkN,AB杆的直径d=40mm,长度l=1000mm,两端铰支。
已知材料E=200GPa,σp=200MPa,σs=235MPa,a=304MPa,b=1.12MPa,稳定安全系数n st=2.0,[σ]=140MPa。
试校核AB杆是否安全。
7.铸铁梁如图5,单位为mm,已知I z=10180cm4,材料许用压应力[σc]=160MPa,许用拉应力[σt]=40MPa,试求:①画梁的剪力图、弯矩图。
②按正应力强度条件确定梁截荷P。
8.图所示直径d=100mm的圆轴受轴向力F=700kN与力偶M=6kN·m的作用。
已知M=200GPa,μ=0.3,[σ]=140MPa。
华侨大学厦门工学院2011—2012学年第 二 学期期末考试《 材料力学 》考试试卷( A 卷)一、选择题(本大题共10小题,每小题2分,共20分) 1. 有A 、B 、C 三种材料,其拉伸应力—应变实验曲线如图1所示,曲线( B )材料的弹性模量E 大。
2. 梁的截面形状和尺寸如图2所示,则其关于z 轴抗弯截面系数为( B )。
(A ) 221166BH bH - (B ) 32166Bh BH H- (C ) 32166bh BH H - (D )32166BH Bh h - 3. 如图3所示两板用圆锥销钉联接,则圆锥销的受剪面积为( C )。
(A )241D π (B )241d π (C )224⎪⎭⎫ ⎝⎛+d D π (D )()D d h +344. 如图4所示悬臂梁,给出1、2、3、4点的应力状态,其中图( D )所示的应力状态是错的。
5. 扭转切应力公式ρτρpnI M =适用于( D )杆件。
(A )任意截面 (B )任意实心截面(C )任意材料的圆截面 (D )线弹性材料的圆截面第1页(共 8 页)-------------------------------------------------------------------------------------------------------------------------------------------------------------------------------------密-----------------封----------------线-------------------内-------------------不---------------------要-----------------------答-------------------题_________________________系______级________________________专业______班 姓名:_____________ 学号:____________________图3图4图1图26. 等截面直梁在弯曲变形时,挠曲线的曲率最大发生在( D )处。
材料力学期末复习题一、填空题(共15分)1、 (5分)一般钢材的弹性模量E = 210 GPa ;铝材的弹性模量E = 70 GPa2、 (10分)图示实心圆锥杆受扭转外力偶作用,材料的剪切弹性模量为G ,该杆的τ1、(5(A )各向同性材料;(B )各向异性材料; (C )各向同性材料和各向异性材料。
(D 正确答案是 A 。
2、(5分)边长为d 的正方形截面杆(1)和(2)面,杆(2对于这两种情况的动荷系数d k 有下列结论:(A );)()(,)()(2max 1max 21d d d d k k σσ<< (B );)()(,)()(2max 1max 21d d d d k k σσ>< (C );)()(,)()(2max 1max 21d d d d k k σσ<> (D )2max 1max 21)()(,)()(d d d d k k σσ>>。
正确答案是 A 。
三、计算题(共75分)1、(25求:(1)直径比21/d d ; (2)扭转角比BC AB φφ/解:AC 轴的内力图:)(105);(10355Nm M Nm M BC AB ⨯=⨯=由最大剪应力相等: 8434.05/3/;16/1050016/10300321323313max==⨯=⨯==d d d d W M n n ππτ由;594.0)(213232;41221242411=••=•=⇒∴⋅=d d M M M d G d G a M GI l M n n n n BC AB P n ππφφφKNm2、(解:3、(15分)有一厚度为6mm 的钢板在板面的两个垂直方向受拉,拉应力分别为150Mpa 和55Mpa ,材料的E=2.1×105Mpa ,υ =0.25。
求钢板厚度的减小值。
解:钢板厚度的减小值应为横向应变所产生,该板受力后的应力状态为二向应力状态,由广义胡克定律知,其Z向应变为:0244.010)55150(101.225.0)(69-=⨯+⨯-=+-=y x z E σσνε则 mm t Z Z 146.0-=⨯=∆ε材料力学各章重点一、绪论1.各向同性假设认为,材料沿各个方向具有相同的 A 。
湖南大学材料力学试卷一、选择题(在下面的四个答案中,只有一个答案是正确的,请将正确答案填在答题栏内。
每小题4分,共20分。
)(1)铸铁拉伸试验破坏由什么应力造成?破坏断面在什么方向?以下结论哪一个是正确的?(A )切应力造成,破坏断面在与轴线夹角45º方向; (B )切应力造成,破坏断面在横截面; (C )正应力造成,破坏断面在横截面;(D )正应力造成,破坏断面在与轴线夹角45º方向。
正确答案是 。
(2)对于图示四种横截面直杆受扭时,适用公式PI T ρτρ=的截面有四种答案:(注:除(D)外其余为空心截面)正确答案是 。
(3)已知梁的弯曲刚度EI 为常数,今欲使梁的挠曲线在x =l /3处出现一拐点,则比值M e1/M e2为:(A) M e1/M e2=2; (B)M e1/M e2=3;(C)M e1/M e2=1/2; (D)M e1/M e2=1/3。
正确答案是 。
(4)图示四种结构,各杆EA 相同。
在集中力F 作用下结构的应变能分别用V ε1、M e1M e2xlABTTTT(A)(B)(C)(D)V ε2、V ε3、V ε4表示。
下列结论中哪个是正确的?(A ) V ε1 > V ε2 > V ε3 > V ε4 ; (B ) V ε1< V ε2< V ε3< V ε4 ; (C ) V ε1 > V ε2 , V ε3 > V ε4 , V ε2 < V ε3 ; (D ) V ε1< V ε2 , V ε3< V ε4 ,V ε2< V ε3 。
正确答案是⎽⎽⎽⎽⎽⎽。
(5)由稳定条件[]F A ϕσ≤,可求[]F ,当A 增加一倍时,[]F 增加的规律有四种答案:(A) 增加一倍; (B) 增加二倍; (C)增加1/2倍; (D)[]F 与A 不成比例。
正确答案是 。
二、作图(15分)作图示梁的剪力图和弯矩图。
三、计算题(共65分) (1) (1) 圆轴受力如图所示,已知轴的直径为d ,长度为a 2,切变模量为G ,相对截面A(2)试求图示T a a 4aqaqa 2qF F F F l lllθθθθ(1)(3)(4)(3)一变形体A 四周和底边均与刚性边界光滑接触,上边受均布压力0σ。
已知材料的的弹性模量E ,泊松比ν,求竖向和水平方向上的应变和应力。
(15分)(4)图示圆轴直径mm 20=d ,受弯矩y M 与扭矩x M 共同作用。
测得轴表面上点A 沿轴线方向的线应变40106-⨯=ε,点B 沿与轴线成45o 方向的线应变445104-⨯=ε,GPa 200=E ,25.0=ν,MPa 170][=σ。
试求y M 与x M ,并用第四强度理论校核轴的强度。
(15分)xM y M yM x45xy zABAz By(5)平面刚架受载如图所示,已知:M ,a ,弯曲刚度为EI ,试用卡氏第二定理求截面A 的水平位移。
(15分)ACa BMaAxyσ050kN/m2m1mABC2003020142160z 45m 1059.2-⨯I =z C湖南大学材料力学试卷1答案及评分标准C A C C D试题二答案: 解:1.1.力计算正确的,给3分; 2.2.剪力图正确的,给6分; 3.3.弯矩图正确的,给6分。
试题三(1)答案:解:扭矩图:(3分)扭矩方程AB 段)12()(e -=a xM x T ),0(a x ∈(3分)BC 段 e )(M x T -= )2,(a a x ∈相对转角0d )12(d )( 0P e0 P=-==⎰⎰x a xGI M x GI x T aaABϕ(4分)F qa2qa22qa3qaxx4qa 23qa 29qa /22M eM eM eT x试题三(2)答案: 解:(4分)最大压应力在截面B 下边缘33max5251014210137 MPa 2.5910B y M y I σ---⨯⨯⨯===⨯(3分)最大拉应力在截面D 下边缘33max514.1101421077.3 MPa 2.5910D y M y I σ-+-⨯⨯⨯===⨯(3分)试题三(3)答案:解:0σσ-=y ,z x σσ=,0==z x εε (5分))]([1=+-=z y x x E σσνσε,得到10-==ννσσσz x (5分))121()]12([1)]([12000ννσννσνσσσνσε---=---=+-=E E E z x y y (5分)试题三(4)答案:解:由MPa 1200==E A εσ,MPa 64145=+==νεστEB B, (5分)得m N 2.94⋅==W M A y σ,m N 5.100 p ⋅==W M B x τ。
(5分)则][MPa 4.1633 224r στσσ<=+=A A ,满足强度条件。
(5分)试题三(5)答案:解::AB 1()M x M =, 1()Ax M x F ∂=∂ (5分):BC 22()Ax M x M F x =-, 22()Ax M x x F ∂=-∂ (5分)22AxMa EI δ=(向左) (5分)M14.1mkN ⋅25m kN ⋅A DBC xbδ2δδδδδaaδδ2δ2a湖南大学材料力学试卷(二)一、选择题(在下面的四个答案中,只有一个答案是正确的,请将正确答案填在答题栏内。
每小题4分,共20分。
)(1)对于没有明显屈服阶段的塑性材料,通常以 2.0σ表示屈服极限。
其定义有以下四个结论,正确的是哪一个?(A )产生2%的塑性应变所对应的应力值作为屈服极限; (B )产生0.02%的塑性应变所对应的应力值作为屈服极限; (C )产生0.2%的塑性应变所对应的应力值作为屈服极限; (D )产生0.2%的应变所对应的应力值作为屈服极限。
正确答案是 。
(2)对于受扭的圆轴,有如下结论:①最大切应力只出现在横截面上;②在横截面上和包含杆件轴线的纵向截面上均无正应力; ③圆轴内最大拉应力的值和最大切应力的值相等。
现有四种答案(A) ①、②对; (B) ①、③对; (C) ②、③对; (D) 全对。
正确答案是 。
(3)受力情况相同的3种等截面梁,如图(1),(2),(3)所示。
若用max 1()σ,max 2()σ,max 3()σ分别表示这3种梁内横截面上的最大正应力,则下列结论中哪个是正确的?(A)max 1max 2max 3()()()σσσ==;(B) max 1max 2max 3()()()σσσ<=; (C) max 1max 2max 3()()()σσσ=<;(D) max 1max 2max 3()()()σσσ<<。
正确答案是 。
M eM eld2d AB(4)圆形截面简支梁A ,B 套成,A ,B 层间不计摩擦,材料的弹性模量2B A E E =。
求在外力偶矩e M 作用下,A ,B 中最大正应力的比值maxmin A B σσ有4个答案:(A)16; (B)14; (C)18; (D)110。
正确答案是 。
(5)图示结构,利用对称性原理对其进行简化后,则是:(A )2次超静定; (B )内力1次超静定; (C )外力1次超静定; (D )静定的。
正确答案是 。
二、作图(15分)作图示梁的剪力图和弯矩图。
三、计算题(共(1)1,若使两段内单位长度的扭转角θ相等,则M 分)F Faaaqqaqa /2(2)图示薄钢片长度500 mm l =,厚度0.6 mm t =,在e M 作用下两端横截面的相对转角θ=60︒,已知材料的210 GPa E =。
试求钢片内的最大弯曲正应力。
(10分)(3)图示圆轴直径d ,材料弹性磨练模量E 和泊松比ν及扭转力偶矩e M 均已知。
试求表面点A 沿水平线成45方向的线应变 45ε。
(15分)(4)钢制封闭圆筒,在最大内压作用下测得圆筒表面任一点的4106.1-⨯=x ε。
已知200=E GPa ,28.0=ν,160][=σMPa ,试按第三强度理论校核圆筒的强度。
(15分)(5)图示圆截面折杆,两段杆的直径及材料相同,材料的弹性常数之间的关系为G E 5.2=。
支座C 处的弹簧系数为k 。
试求C 点的支反力。
(15分)tM θρl M eA45dM eM epOxy C kaa A湖南大学材料力学试卷2答案及评分标准C C C B D试题二答案: 解:4.1.力计算正确的,给3分; 5.2.剪力图正确的,给6分; 6.3.弯矩图正确的,给6分。
试题三(1)答案:解: 21θθ= (3分)41e132πd G M 42e2e132πd G M M += (4分)解得: 15e1e2=M M (3分)试题三(2)答案:解:已知l ρθ=,得0.5l ρθπ===0.48/3 (3分)又 1z MEI ρ=, max max z My I σ=(4分) 则93maxmax 100.310132 MPa0.48Ey σρ-2.1⨯⨯⨯=== (3分)试题三(3)答案:解: 33π1616πd M d Me ==τ (3分)(4分) F xxqaqa /22qa /2qa /2qa /22τσσ345A345π16d M e=- σ,345π16d M e -= σ (4分))1(π16][13454545ννσσε+=-=-d E M E e (4分)试题三(4)答案:解:4106.1)24(1)(1-⨯=-=-=ννσσεt pD t pD E E y x x (5分) 4106.1)21(4-⨯⨯-=νD tE p (5分)45.14528.021106.1102002106.1)21(22434r 3=⨯-⨯⨯⨯⨯=⨯⨯-==--νσE t pD MPa<][σ故安全。
(5分)试题三(5)答案:解:设C 处支反力为Cy F ,C 处位移为kF Cy(3分)32333=+⋅⋅⋅++-k F a GI a a F EI a F EI Fa Cy PCy Cy , (8分)⎥⎦⎤⎢⎣⎡+=33423ka EI FF Cy (4分)C kaa AF Cy。