各种轴载换算计算方法
- 格式:xls
- 大小:46.50 KB
- 文档页数:30
各种轴载换算计算方法在工程和物理学中,轴载是指沿着轴线方向的力。
轴载的大小通常用牛顿(N)作为单位。
在实际应用中,常常需要进行轴载的换算计算。
下面将介绍几种常见的轴载换算计算方法。
1.轴载与应力的换算:轴载的大小与物体的截面积和应力密切相关。
如果我们知道轴载和截面积,可以通过下面的公式将轴载转换为应力:应力=轴载/截面积同样地,如果我们知道应力和截面积,可以通过下面的公式将应力转换为轴载:轴载=应力x截面积2.轴载与力矩的换算:轴载和力矩之间也有一定的关系。
力矩是指力对于一个点产生的旋转效果。
如果我们知道轴载和力臂(即力对于旋转轴的垂直距离),可以通过下面的公式将轴载转换为力矩:力矩=轴载x力臂同样地,如果我们知道力矩和力臂,可以通过下面的公式将力矩转换为轴载:轴载=力矩/力臂3.轴载与转速的换算:在一些情况下,轴载和转速之间存在关系,如旋转机械、电机等。
如果我们知道轴载和转速,可以通过下面的公式将轴载转换为功率:功率=轴载x转速同样地,如果我们知道功率和转速,可以通过下面的公式将功率转换为轴载:轴载=功率/转速4.轴载与扭矩的换算:在一些情况下,轴载和扭矩之间存在关系,如旋转机械、发动机等。
如果我们知道轴载和扭矩臂(即力对于旋转轴的垂直距离),可以通过下面的公式将轴载转换为扭矩:扭矩=轴载x扭矩臂同样地,如果我们知道扭矩和扭矩臂,可以通过下面的公式将扭矩转换为轴载:轴载=扭矩/扭矩臂5.轴载与压力的换算:在一些情况下,轴载和压力之间存在关系,如轴承、接合面等。
如果我们知道轴载和接触面积,可以通过下面的公式将轴载转换为压力:压力=轴载/接触面积同样地,如果我们知道压力和接触面积,可以通过下面的公式将压力转换为轴载:轴载=压力x接触面积以上是一些常见的轴载换算计算方法,它们在工程和物理学领域中应用广泛。
在实际问题中,我们可以根据具体情况选择合适的换算方法进行计算,以满足设计或分析的要求。
三、标准轴载与轴载换算路面设计时使用累计当量轴次的概念。
但在道路上行驶的车辆类型很多,所以必需选定一种标准轴载,把不同类型轴载的作用次数。
根据道路汽车运输车辆的现状及发展趋势。
我国路面设计以双轮组单轴载100kn为标准轴载,以BZZ-100表示。
标准轴载的计算参数按下表确定。
标准轴载计算参数当把各种轴载换算为标准轴载时,为使换算前后轴载对路面的作用达到相同的效果,应该遵循两项原则:第一,换算以达到相同的临界状态为标准,即对同一种路面结构,甲轴载作用N1次后路面达到预定的临界状态,路面弯沉为L1,乙轴载作用路面达到相同临界状态作用次数为N2,弯沉为L2,此时甲乙两种轴载作用是等效的。
则应按此等效原则建立两种轴载作用次数之间的换算关系;第二,对某一种交通组成,不论以哪种轴载的标准进行轴载换算,由换算所得轴载作用次数计算的路面厚度是相同的。
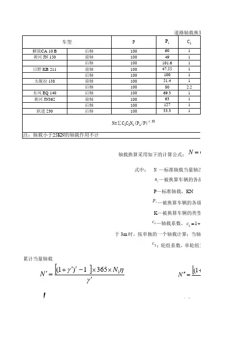
当以设计弯沉值为设计指标及沥青层层底拉应力验算时,凡轴载大于25kn的各级轴载(包括车辆的前、后轴)P i的次数n i,均按如下公式换算成标准轴载P的当量作用次数N。
式中:N——标准轴载的当量轴次,次/日;n i——被换算车辆的各级轴载作用次数,次/日;P——标准轴载,kn;P i——被换算车辆的各级轴载,kn;k——被换算车辆的类型数;C1——轴数系数,C1 =1+1.2(m-1),m是轴数。
当轴间距大于3m时,按单独的一个轴载计算,当轴间距小于3m时,应考虑轴数系数;C2——轮组系数,单轮组为6.4,双轮组为1,四轮组为0.38。
当进行半刚性基层层底拉应力验算时,凡轴载大于50 kn的各级轴载(包括车辆的前后轴)的作用次数n i,均按如下公式换算成标准轴载p的当量作用次数n’。
式中:C1’—轴数系数,C2’=1+2(m-1);c’2—轮组系数,单轮组为1.85,双轮组为1.0,四轮组为0.09。
上述轴载换算公式仅适用于单轴轴载小于130 kn的轴载换算。
对于城市道路的路面设计,请参照城市道路设计规范的有关规定进行轴载换算。
三、标准轴载与轴载换算路面设计时使用累计当量轴次的概念。
但在道路上行驶的车辆类型很多,所以必需选定一种标准轴载,把不同类型轴载的作用次数。
根据道路汽车运输车辆的现状及发展趋势。
我国路面设计以双轮组单轴载100kn为标准轴载,以BZZ-100表示。
标准轴载的计算参数按下表确定。
标准轴载计算参数当把各种轴载换算为标准轴载时,为使换算前后轴载对路面的作用达到相同的效果,应该遵循两项原则:第一,换算以达到相同的临界状态为标准,即对同一种路面结构,甲轴载作用N1次后路面达到预定的临界状态,路面弯沉为L1,乙轴载作用路面达到相同临界状态作用次数为N2,弯沉为L2,此时甲乙两种轴载作用是等效的。
则应按此等效原则建立两种轴载作用次数之间的换算关系;第二,对某一种交通组成,不论以哪种轴载的标准进行轴载换算,由换算所得轴载作用次数计算的路面厚度是相同的。
当以设计弯沉值为设计指标及沥青层层底拉应力验算时,凡轴载大于25kn的各级轴载(包括车辆的前、后轴)P i的次数n i,均按如下公式换算成标准轴载P的当量作用次数N。
式中:N——标准轴载的当量轴次,次/日;n i——被换算车辆的各级轴载作用次数,次/日;P——标准轴载,kn;P i——被换算车辆的各级轴载,kn;k——被换算车辆的类型数;C1——轴数系数,C1 =1+1.2(m-1),m是轴数。
当轴间距大于3m时,按单独的一个轴载计算,当轴间距小于3m时,应考虑轴数系数;C2——轮组系数,单轮组为6.4,双轮组为1,四轮组为0.38。
当进行半刚性基层层底拉应力验算时,凡轴载大于50 kn的各级轴载(包括车辆的前后轴)的作用次数n i,均按如下公式换算成标准轴载p的当量作用次数n’。
式中:C1’—轴数系数,C2’=1+2(m-1);c’2—轮组系数,单轮组为1.85,双轮组为1.0,四轮组为0.09。
上述轴载换算公式仅适用于单轴轴载小于130 kn的轴载换算。
对于城市道路的路面设计,请参照城市道路设计规范的有关规定进行轴载换算。
三、标准轴载与轴载换算路面设计时使用累计当量轴次的概念。
但在道路上行驶的车辆类型很多,所以必需选定一种标准轴载,把不同类型轴载的作用次数。
根据道路汽车运输车辆的现状及发展趋势。
我国路面设计以双轮组单轴载100kn为标准轴载,以BZZ-100表示。
标准轴载的计算参数按下表确定。
标准轴载计算参数当把各种轴载换算为标准轴载时,为使换算前后轴载对路面的作用达到相同的效果,应该遵循两项原则:第一,换算以达到相同的临界状态为标准,即对同一种路面结构,甲轴载作用N1次后路面达到预定的临界状态,路面弯沉为L1,乙轴载作用路面达到相同临界状态作用次数为N2,弯沉为L2,此时甲乙两种轴载作用是等效的。
则应按此等效原则建立两种轴载作用次数之间的换算关系;第二,对某一种交通组成,不论以哪种轴载的标准进行轴载换算,由换算所得轴载作用次数计算的路面厚度是相同的。
当以设计弯沉值为设计指标及沥青层层底拉应力验算时,凡轴载大于25kn的各级轴载(包括车辆的前、后轴)P i的次数n i,均按如下公式换算成标准轴载P的当量作用次数N。
式中:N——标准轴载的当量轴次,次/日;n i——被换算车辆的各级轴载作用次数,次/日;P——标准轴载,kn;P i——被换算车辆的各级轴载,kn;k——被换算车辆的类型数;C1——轴数系数,C1 =1+1.2(m-1),m是轴数。
当轴间距大于3m时,按单独的一个轴载计算,当轴间距小于3m时,应考虑轴数系数;C2——轮组系数,单轮组为6.4,双轮组为1,四轮组为0.38。
当进行半刚性基层层底拉应力验算时,凡轴载大于50 kn的各级轴载(包括车辆的前后轴)的作用次数n i,均按如下公式换算成标准轴载p的当量作用次数n’。
式中:C1’—轴数系数,C2’=1+2(m-1);c’2—轮组系数,单轮组为1.85,双轮组为1.0,四轮组为0.09。
上述轴载换算公式仅适用于单轴轴载小于130 kn的轴载换算。
对于城市道路的路面设计,请参照城市道路设计规范的有关规定进行轴载换算。
轴承能承受几吨怎么计算
1、吨。
推力球轴承52220内径100mm,外径150mm,厚度67mm,基本额定动负荷
147KN,基本额定静负荷410KN,按1KG=10N换算的话,147KN也就是说能承受17吨的压力。
2、额定动载荷--201000N=1吨额定静载荷--165000N=15吨。
本人产品数据。
3、问题六:机车轴重如何计算机车和车辆的轴重是由机车车辆的整备重量除于轴数得出的,如DF7系列的机车,机车整备重量是138吨,机车轴式是C0-C0,也就是6轴,138/6
=23吨,这个数就是轴重了。
4、那么:15306KG=1306吨那么:300/1306=1600156套轴承这些都是基于理论值来计算的,而实际生产的产品根本无法达到这个承载能力。
5、承受载荷最大的滚动体与滚道接触处的塑性变形量之和达到万分之一滚动体直径时,所能承受的负荷为额定静负荷C0。
相对来说,滚动轴承负荷能力要优势于滑动轴承负荷能力。
6、圆柱滚子轴承的轴向承载能力计算内、外圈带有挡边的圆柱滚子轴承,如NJ、NUP、
和NF型轴承,主要用于承受径向载荷,也能承受一定的单向轴向载荷,因此这些轴向可
作为固定支轴使用。
路基路面工程轴载换算例题在路基路面工程中,轴载换算是一个重要的计算问题。
轴载换算是指将不同类型的车辆轴载转换为等效的标准轴载,以便进行设计和评估。
下面我将从多个角度来回答关于轴载换算的例题。
假设我们有一个道路设计项目,需要将不同类型的车辆轴载转换为等效的标准轴载。
我们需要考虑的车辆类型有轿车、货车和客车,它们的轴载分别是10 kN、20 kN和15 kN。
首先,我们需要确定一个标准轴载,通常使用的是一个标准轴载等效单位,也称为ESAL(Equivalent Single Axle Load)。
ESAL是指一个等效的标准轴载,它对路面产生的破坏效果与实际车辆轴载相同。
假设我们选取的标准轴载是一个8.2 kN的标准轴载。
现在我们来计算每种车辆类型的等效标准轴载。
对于轿车,它的轴载是10 kN。
我们可以将其换算为等效的标准轴载。
计算公式如下:= 10 kN / 8.2 kN.≈ 1.22 ESAL.因此,轿车的等效标准轴载约为1.22 ESAL。
对于货车,它的轴载是20 kN。
同样地,我们可以将其换算为等效的标准轴载。
计算公式如下:等效标准轴载 = 实际轴载 / 标准轴载。
= 20 kN / 8.2 kN.≈ 2.44 ESAL.因此,货车的等效标准轴载约为2.44 ESAL。
对于客车,它的轴载是15 kN。
同样地,我们可以将其换算为等效的标准轴载。
计算公式如下:= 15 kN / 8.2 kN.≈ 1.83 ESAL.因此,客车的等效标准轴载约为1.83 ESAL。
通过以上计算,我们可以得到轿车、货车和客车的等效标准轴载分别为1.22 ESAL、2.44 ESAL和1.83 ESAL。
需要注意的是,以上计算仅仅是一个简单的例子,实际的轴载换算可能涉及更多的车辆类型和更复杂的计算公式。
此外,还需要考虑路面的设计寿命、材料的强度和路面结构等因素。
在实际的路基路面工程中,轴载换算是一个复杂而重要的计算问题。
轴的常用计算公式轴是机械制造中常用的零件,用于传递力和转动运动。
在轴的设计和计算过程中,需要考虑到轴的强度、刚度、稳定性等因素。
以下是轴的常用计算公式。
1.载荷计算公式轴的设计首先需要确定所承受的载荷,即轴上的力和扭矩。
载荷的计算通常可以通过两种方法进行:a.静态载荷计算:当轴上的载荷是恒定的时,可以使用静态载荷计算公式。
(1)载荷为力的情况:载荷=力(2)载荷为扭矩的情况:载荷=扭矩/半径b.动态载荷计算:当轴上的载荷是变化的时,需要使用动态载荷计算公式。
动态载荷计算通常是通过滚动轴承的基本额定寿命来确定。
2.强度计算公式轴的强度计算是为了保证轴在受到载荷时不会发生破坏。
强度计算通常分为以下几个方面:a.抗弯强度计算:轴在载荷作用下会发生弯曲,因此需要计算轴的抗弯强度。
抗弯强度=(载荷*轴长度)^2/(32*杨氏模量*断裂强度)b.抗剪强度计算:轴在载荷作用下会发生剪切,因此需要计算轴的抗剪强度。
抗剪强度=(0.5*载荷*轴长度)/(剪切模量*断裂强度)c.疲劳强度计算:轴在长时间连续使用的情况下容易产生疲劳破坏,因此需要计算轴的疲劳强度。
疲劳强度=载荷*(设计寿命/基本额定寿命)^33.转速计算公式轴在设计过程中还需要考虑到转速的影响。
高速旋转的轴会引起惯性力和离心力,因此需要计算轴的最大转速。
最大转速=(2*π*最大转速N*轴直径)/604.刚度计算公式轴的刚度计算是为了确定轴在线性范围内的弯曲和变形情况。
刚度通常分为轴的弯曲刚度和轴的扭转刚度。
a.弯曲刚度计算:轴的弯曲刚度通过扭矩和转动角度之间的关系来计算。
弯曲刚度=扭矩/弯曲角度b.扭转刚度计算:轴的扭转刚度通过扭矩和扭转角度之间的关系来计算。
扭转刚度=扭矩/扭转角度以上是轴的常用计算公式,根据实际情况和需求,还可以根据轴的形状、材料、壁厚等因素进行适当的修正和调整。
轴载换算方法
(轴载换算方法)
一、概述
轴载换算方法是指,从实际轴载所承受的重量中换算出轴载模量或轴载值,以得到更精确的轴载数据。
它往往会根据轴载模量、轴载值的结构特性和工程要求,对轴载进行不同的改变、延伸和加权,并同时考虑受力时及受力前面板的厚度。
二、基本原理
轴载换算方法的基本原理是:应用有关材料及结构的受力特性,将实际轴载值改变、延伸及加权,达到轴载接近精确值的目的。
具体来讲,轴载换算方法包括两种:第一种是改变轴载值,即与轴载大小相比,将轴载的范围拓展至轴载模量的范围;第二种是延伸轴载值,即改变轴载在特定材料上的作用程度,以达到更准确的轴载计算值。
三、常用换算方法
1、波形模量(Wave Modulus)
波形模量是指一个单元中受力扭转角的一个参数,用以描述轴承材料的受力特性,它可以应用于求解轴载问题,进而换算出轴载值和模量的准确数值。
2、叠加模量(Superposed Modulus)
叠加模量是指将多个单元受力条件叠加在一起,以获得较准确的轴载值和对应的模量。
3、变形模量(Deformation Modulus)
变形模量是指在受力下,被测量器件结构的模态值,用来计算出轴载值和模量。
4、位移模量(Displacement Modulus)
位移模量是指在受力作用下,结构位移的参数,可以用于换算出精确的轴载值和模量。
四、轴载换算的应用
轴载换算方法在工程领域及机械设计中应用普遍,可以用来估算轴载模量或轴载值,以及确定轴载的最佳搭配,从而确保结构的安全可靠性。
当量设计轴载换算系数
当量设计轴载换算系数
一、当量设计轴载换算系数
轴量设计和计算时,应根据蒙皮的材料、构件的组合工艺、联接和线条的变化及其他因素,考虑每种特殊情况的影响,采用当量设计轴荷换算系数去汇总各种影响因素,根据其影响程度确定合理的换算系数,以把复杂的蒙皮结构转换成简单梁柱框架等结构,以便设计和计算之用。
二、换算系数的确定
(1)当量构件确定:在当量设计时,应先确定轴量改用的构件,在轴量中不同构件的换算系数均不同,应根据不同的构件选择合适的换算系数。
(2)换算系数的选择:在当量计算时,应根据下列情况确定换算系数:
(1)材料抗弯和抗剪等特性:蒙皮构件的抗弯和抗剪性能应用来选择适当的换算系数,用以减少蒙皮轴量的负荷。
(2)构件的联接和变形:蒙皮构件的联接和变形应用来选择适当的换算系数,以此减少蒙皮轴量的负荷。
(3)构件数量:当量设计中,轴量更多时,换算系数应相应减小,以抑制蒙皮轴量,减少负荷的影响。
(3)换算系数的应用:当量计算系数根据不同的情况而变,具体取值应根据蒙皮结构的特殊情况而定,一般可取0.5~1.0这个范围的
值,在轴量计算中也可以根据实际情况取一定的换算系数,以改善蒙皮轴量承受的压力。
三、轴量计算
根据当量设计轴荷换算系数及其确定的具体值,可以计算出蒙皮结构的轴荷和受力情况。
首先,建立蒙皮结构的荷载图,然后,根据换算系数的取值,采用杆件状梁的轴量计算方法,计算出蒙皮结构中梁柱的轴量和受力情况。
具体交通条件下车辆轴载换算系数计算方法车辆轴载换算系数是指将车辆轴载与标准轴载进行换算的系数,其目的是为了对不同车辆的轴载进行比较和评估。
具体交通条件下车辆轴载换算系数的计算方法如下:1.数据采集:首先需要采集车辆在具体交通条件下的轴载数据。
可以使用静态或者动态的称重设备对车辆进行称重,得到各轴的载荷数据。
同时,还需要记录车辆的车型、轴数、车速等相关信息。
2.轴载计算:根据采集到的车辆载荷数据,可以计算得到每个轴的载荷值。
通常情况下,将受力最大的轴作为基准轴,其他轴的载荷值可以通过基准轴的载荷值与各个轴的轴距比例得到。
3.标准轴载确定:根据交通道路的设计标准和要求,确定相应的标准轴载。
常见的标准轴载包括80kN轴载、100kN轴载等。
标准轴载一般根据不同的交通道路类型和使用年限来确定。
4.轴载换算系数计算:根据采集到的车辆轴载和所选定的标准轴载,可以计算得到轴载换算系数。
轴载换算系数一般以百分数的形式表示,计算公式如下:轴载换算系数=(车辆轴载/标准轴载)*100%通过将车辆轴载除以标准轴载,并乘以100%,可以得到车辆的轴载换算系数。
该系数可以反映出车辆在具体交通条件下的轴载状态,方便进行车辆的比较和评估。
5.轴载换算系数的应用:轴载换算系数可以用于设计道路、评估车辆的道路适应性以及为道路交通管理和监测提供参考依据。
根据轴载换算系数,可以判断车辆是否过重或者过轻,从而采取相应的交通管理措施。
同时,还可以对不同车辆的轴载进行比较和评估,为交通规划和管理提供参考依据。
总之,具体交通条件下车辆轴载换算系数的计算方法是通过采集车辆载荷数据,计算得到轴载值,然后与所选定的标准轴载进行比较,得到轴载换算系数。
这一系数可以反映车辆在具体交通条件下的轴载状态,为交通规划和管理提供参考依据。