双轴加湿搅拌机技术要求书
- 格式:doc
- 大小:43.00 KB
- 文档页数:3
双轴搅拌机配件一批技术规格书一、设备使用的条件双轴搅拌机配件安装在灰库、渣仓双轴搅拌机内,灰库双轴搅拌机备件正常使用温度80℃,渣仓双轴搅拌机备件正常使用温度250℃,介质为粉煤灰和炉渣(颗粒粗,硬度高)和脱硫废水(氯离子约20000~40000mg/l)。
二、设备名称数量设备名称:双轴搅拌机配件数量:一批(详见供货范围)二、技术要求1、功能描述双轴搅拌机用于电厂锅炉粉煤灰在灰库双轴搅拌机内灰水混合均匀,减少灰库在卸湿灰过程中扬尘。
叶片应具备耐脱硫废水高浓度氯离子腐蚀和耐炉灰磨损性能。
2、相关要求2.1 双轴搅拌机叶片采用陶瓷叶片,陶瓷叶片氧化铝含量不低于95%;2.2 搅拌器叶片硬度(HRA)≥87,密度≥4.30g/cm3;2.3 搅拌器备件对不同介质具有优异的防腐性能,耐酸、氯化物、盐等腐蚀特性;2.4 主轴、从动轴、尾端轴材质不低于:45#号钢(实心);2.5 齿轮采用45#材料制造,淬火处理,内孔尺寸公差H8之性能要求。
2.6 投标方将根据招标方检修安排派出技术工程师协助招标方的施工人员现场进行安装指导,安装结束验收合格后技术指导人员方可离厂。
2.7 合同签订后15天内到货电厂仓库。
四、供货范围1、产品名称、型号规格、及数量:2、有关质量保证的各项文件至少应包括:五、设计、制造和检验标准双轴搅拌机叶片的设计、制造应符合现行使用的有关国家标准和部颁标准。
这些标准和规范(不限于)至少包括:GB/3297-1982 QBT/1933-1944GB/T1348-1988中QT700-2六、质保双轴搅拌机配件的质保期应为到货验收合格后12个月或安装使用12个月,以先到为准,设备在正常使用下因备件原因出现损坏等问题,由卖方负责,并更换新备件。
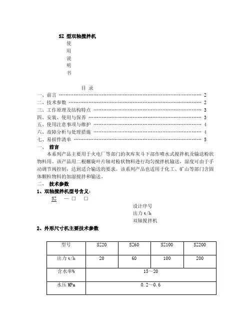
SZ 型双轴搅拌机使用说明书目录一、前言 (2)二、技术参数 (2)三、工作原理及结构特点 (3)四、安装、使用与保养 (3)五、使用注意事项与维护 (4)六、故障分析与处理措施 (4)七、易损件清单 (5)一、前言本系列产品主要用于火电厂等部门的灰库灰斗下部作喷水式搅拌机及输送粉状物料用。
该产品用二根螺旋叶片轴对粉状物料进行均匀搅拌机输送,湿度可由于手动调节阀控制,达到适合输送的要求。
该系列产品也适用于化工、矿山等部门含固体颗粒物料的加湿搅拌和输送。
二、技术参数1、双轴搅拌机型号含义:SZ —□□设计序号出力t/h双轴搅拌机2、外形尺寸机主要技术参数三、工作原理及结构特点1、工作原理该机装有一对大刚度的搅拌轴,轴上以一定螺旋角及螺距分布着多片扇形搅拌叶片,叶片上方装有数只喷嘴,喷水均匀;两根刚性搅拌轴反向旋转对均匀加湿的粉煤灰进行搅拌、螺旋输送。
2、结构特点◆系统密封性好,无飞灰外扬,并在进料口设置挡灰板,防止水雾反串;◆减速机采用摆线针轮减速机,结构紧凑,占地面积小,传动平稳,噪音低;◆搅拌均匀,搅拌叶片呈扇形,搅拌时于介质接触面积大;◆喷嘴多排设置,水量均匀并可调节;◆叶片耐磨性好,操作方便,运行可靠。
四、安装、使用与保养1、安装地脚见地脚图安装时各地脚铁板应在同一平面上,同时使出料端低0.5%,各地脚铁板找正紧固后与设备底座框架周边焊接固定,焊角高度不小于10mm.2、安装结束后再全面检查一下紧固件,检查无问题后启动开车检查,再进行空车试运行1~3小时,待一切正常后方可进行投料使用,并仔细观察一段时间,看是否有冲击、异常振动、噪音及漏油等异常情况。
3、使用双轴搅拌机应注意各机构的开关顺序,以保证设备的正常运转和理想的搅拌效果。
a)双轴搅拌机启动30秒后开启电动锁气器及给水阀(搅拌机不开机,电动锁气器禁止工作)。
b)当关机时,先关电动锁气器,再关给水阀,待物料输送完毕后,再切断搅拌机的电源(电动锁气器不关断,则搅拌机电源不能切断)。
XSJ型湿式双轴搅拌机使用说明书无锡市华源电站除灰设备有限公司目录一、概述二、技术性能三、结构及工作原理四、安装技术要求五、操作使用与保养六、易损件零件七、操作守则一、概述:双轴搅拌机是由两根带有搅拌叶片的轴,在同一槽体中加水后作相对旋转,驱使粉状物料从干状物料变成湿态便于运输。
二、技术性能:三、构造及工作原理:双轴搅拌机由传动部分和搅拌机机体组成。
传动部分:由电机、减速机、联轴器组成,或由电机、摆线针轮减速机、链传动组成。
搅拌机机体:由主动轴、从动轴、机壳、齿轮、喷水装置等组成。
传动过程:电动机通过弹性联轴器带动减速器,再通过十字联轴器带动主动轴,或由带电机的摆线针轮减速机带动主动链轮,再带动双轴机主轴上的从动轮轮,同时主动轴上的齿轮与从动轴上的齿轮啮合带动从动轴作相对旋转运动。
物料的传递过程:当物料由进料口进入机体后,喷水装置即刻喷水,使物料由干态变成湿态,通过叶片的搅拌输送,经出口输出。
四、安装技术要求:1. 两传动轴与机体中心线保持平行,其不平行度在全长范围不得大于0.3mm 。
2. 电动机与减速器输入轴必须保持同轴,其不同轴度不得大于0.2mm 。
3. 十字联轴器相联两轴保持同轴,其不同轴度不得大于0.2mm 。
4. 经全部检查无误后,拧紧地脚螺母,再用手转动电机风叶,应轻便均衡无阻,方可开车试运转。
5.基础布置见外形附图。
五、操作使用与保养:1. 起动顺序:主机启动——给料机启动——开启进料阀——开启水阀加水。
2. 停车顺序:关闭进料阀门−−−→−秒延时15关闭电动给料机−−→−秒15关闭水阀−−−→−-分钟53关闭主机3. 每次车装满料后主机必须多运行3-5分钟,每天交接班时最后一车装料时应加水继续空转3-5分钟,以便放空机内物料,防止物料在机体内壁上结块,造成主机阻力加大,放灰不畅,电机负荷加重,控制柜内电器跳闸自保。
4. 应定期检查机体内壁上是否结块,如有应及时清理,以免加速叶片磨损,主机负荷加重而影响使用。
SJ型湿式双轴搅拌机使用说明书杭州东健环境工程有限公司目录前言一、机器的的用途 (4)二、型号说明 (4)三.主要技术参数及外形尺寸表 (4)四、润滑 (5)五、机器的安装调整和试运转 (5)六、机器的操作规程 (6)七、机器的维护 (7)前言SJ型双轴湿式搅拌机是在原搅拌机基础上改进后又一种新型设备。
主要使用在火力发电厂的除尘器下,也可供化工冶金、矿山、建材等行业使用。
1、机器的的用途1.双轴湿式搅拌机采用两组螺旋叶片把干的煤粉灰加水搅拌,均匀输送到预定的地点,再装车运送到指定的灰场。
2.双轴湿式搅拌机的优点是:(1) 具有搅拌效率高,占地面积少。
螺旋叶片采用高耐磨特种合金。
(2) 通过控制加水量,以达到合适的湿度要求。
(3) 双轴湿式搅拌机采用摆线针轮减速器传动,转动平稳,噪音低。
(4) 双轴搅拌机从顶部进料、底部排料,结构合理。
(5) 各结合面之间的密封严密,运行平稳。
(6) 双轴搅拌机设有加湿喷水系统,保证喷水均匀,调节供水量来满足需要。
2、型号说明SJ—□公称出力(t/h)双轴搅拌3.主要技术参数及外形尺寸表双轴搅拌机尺寸表(SJ型)出力Q(t/h)40~60 80 100叶片直径(φ)φ600 φ700 φ800 L 2~3米2~3米2~3米L1 524 524 500L2 200 200 360H 260 310 355H1 460 510 555Hs2 404 450 500H3 600 630 680A 464 540 640B 1084 1270 1460C B+34 B+54 B+66M 702 780 885L3 980 980 950 L4 1780 1780 1560 L5 790 790 950 L6985985 1160N ×N 400×400 400×400 400×400 H ×H 480×480 480×480 480×480 G ×G 552×552 552×552 552×552 进料口 尺寸 (F 向) K 160 160 160 E 400 400 400 E1 400 600 700 出料口 尺寸 S 6 6 6 电机功率kw1115224、润滑1.驱动装置的减速机内的润滑要求,见该厂所出的减速机产品使用说明书的规定,定期加入润滑脂。
双轴加湿搅拌机技术要求书一、总则1、本技术规范书适用于丰鹤发电有限责任公司2×600MW机组之SJ-200型双轴加湿搅拌机,该型双轴加湿搅拌机现为靖江市扬一电力设备制造厂产品。
该批备件须保证与该型双轴加湿搅拌机完全适配。
2、本规范书提出的是双轴加湿搅拌机设计、制造上的最低要求。
并未对一切技术细节作出规定,也未充分引述有关标准和规范的条文,卖方应保证提供符合国家规范和本规范书有关条款的优质产品。
3、如果卖方没有以书面形式对本规范书的条文提出异议,则意味投标方提供的系统完全符合本技术规范书的要求。
4、在签署合同之后,买方有权因规范标准及应用条件发生变化而提出一些补充和修改要求,具体项目和内容由双方协商确定。
5、本技术规范书所使用的标准如与维修方所执行的标准发生矛盾时,按较高标准执行。
6、投标方应具有锅炉辅助设备制造专业资质,且注册资本不低于1000万元人民币。
7、投标方近三年内火电厂600MW以上机组双轴搅拌机整机销售业绩不得少于3个项目,投标时须提供相应项目合同原件;应提供准确的600MW以上机组电厂使用情况及业绩,包括电厂名称、机组容量、捞渣机型号、联系方式等。
二、技术参数及采购数量1、卖方所供货设备技术指标应不低于如下原双轴加湿搅拌机技术指标:、主要材质要求:主轴材质不低于:#45号钢(实心)叶片材质不低于:GH2018铁基合金齿轮、链轮性能:不低于采用GB/T1348-1988中QT700-2球墨铸铁材料制造,正火处理,内孔尺寸公差H8之性能要求3、采购数量双轴加湿搅拌机转动轴系:2套,包含主轴及全部叶片、驱动端及从动端齿轮链轮、传动链条、轴承底座及轴承等,安装施工并满足两台双轴加湿搅拌机所用。
三、主要技术标准及规范卖方应提供符合本技术规范和相关工业标准的功能齐全的优质产品,应符合现行使用的国家标准和部颁标准。
要求所供备件均是按高标准的生产工艺与流程进行生产,每道工序均严格把关,采用优质原材料,产品性能优、质量可靠、使用寿命长、与原设备能完全互换。
双轴加湿搅拌机使用说明书1、概述该系列调湿灰、渣双轴加湿搅拌机主要适用于火力发电厂灰、渣库(或灰、渣斗)卸灰渣系统或干灰、渣湿式输送系统。
作为灰、渣加湿的搅拌设备,可快速将干灰、渣制成含水率15-25%左右的松散、潮湿、不飞扬的灰、渣,装车、装船或皮带输送。
2、结构及工作原理双轴加湿搅拌机主要由搅拌机壳体、叶片轴2组、驱动装置、加水系统、电气控制系统(无特殊约定用户自理)等组成。
干灰(渣)进入搅拌机后,加水系统开始喷雾加湿,在双轴叶片组的搅拌下,干灰(渣)被制成含水率15-25%左右的湿灰(渣),达到松散、潮湿、不飞扬的程度。
同时,在叶片的旋转推动下,湿灰(渣)向排料口移动并排出。
a)型号说明JSJ —□________________ 干灰渣出力(t/h)双轴加湿搅拌机b)产品特点a. 喷雾装置设计、安装合理,使灰水混合达到最佳效果;b. 喷雾装置可将干灰下落时的飞灰封闭在机体内,不致向外飞扬;c. 轴及传动结构密封结构设计合理,检修方便;d. 使用高耐磨材料铸成的搅拌叶片,延长了机器的使用寿命;e. 叶片、轴承、齿轮便于更换;f. 本产品分为两种传动方式,一种为联轴器直联传动,另一种为驱动装置在机体侧面链传动,可视不同的场地布置情况由用户选择。
c)主要技术性能参数及外形尺寸主要技术性能参数表d)安装技术要求a. 安装时,要求机体与地面保持水平,不允许倾斜布置,其出料口向上倾斜误差不得超过10mm。
b. 两传动链轮要保持同一直线,其偏差不得大于0.2mm。
c. 搅拌机底座为框架结构,安装时应与基础(钢梁或预埋件)各部垫平,并在进料口垂直中心线位置处与基础焊牢,其余部位自由膨胀。
d. 减速机底座外侧槽钢与基础梁或预埋件焊牢。
e. 落料方管安装完毕,根据用户选用汽车的高度,如果落料管距车较高,用户可自行在落料口下方增加其长度(可用橡胶或化纤织物),使落料口距车近些,防止(水蒸气携带的)灰飞扬,但不得防耐通行。
目录一、概述二、设备结构及工作原理(附设备外形安装图)三、设备主要技术参数四、设备安装注意事项五、设备的操作及维护六、易损件一、概述双轴湿式搅拌机是通过二组带有螺旋叶片的轴相对转动,加水对粉状物料进行喷湿搅拌输送,使粉状物料达到可控湿度,此设备主要适用于火电站干灰库,电除尘下,作为干灰处理外运的设备。
二、设备的构造及工作原理(参见设备外形安装图)双轴湿式搅拌机主要由以下部分组成:1、主电机及摆线针轮减速机(传动机械);2、对啮合传动齿轮;3、前后止推轴承组件;4、主、被动螺旋搅拌轴;5、槽体;6、加湿器;7、进出料口;8、底座架;其工作原理:当干粉状物料由给料机定量通过进料口均匀进入槽体后,动力传动机械带动装有多组叶片的螺旋形主轴转动,通过对啮合传动齿轮带动被动螺旋轴与主轴作等速相对转动,从而使物料被搅和和并推进至槽体加湿段,在物料被推进至加湿段后,加湿器自动对干灰物料进行喷湿,进而至槽体后搅拌段进行充分搅和,当干灰物料达到可控湿度后由出料口卸出,进入下一道工序或装车外运。
三、设备主要技术参数:1、螺旋直径:Φ950 mm2、出力: 200 t/h3、主轴转速: 55 r/min4、配用减速机型号: BWY37-46A-17.55、配用电动机型号: Y250M-637KW;6P;380V;50HZ6、加湿器水压要求: 0.4~0.6Mpa7、含水率: 15%~20%8、设备总重: 9150㎏四、设备的安装注意事项:1、本设备一般为平装(或称卧装),一般倾斜度不得大于15。
,如有特殊要求,应预先与我厂联系。
2、本设备底座架应坐落于基础上,基础平面应平正,且应用基础螺栓与底座固定。
(或底座直接与基础平面预埋板用电焊焊牢),以免运行时引起设备的振动。
3、物料进入口上方应安装定量给料机,以免影响设备的搅拌效果。
4、湿灰出料口下方应装设插板门,以免该机卸料时的频繁启闭。
5、加湿器进水口应装设流量控制阀,在水压、不稳定的情况下可适当调节进水水量来达到搅拌的可控制湿度。
目录一、概述二、设备结构及工作原理(附设备外形安装图)三、设备主要技术参数四、设备安装注意事项五、设备的操作及维护六、易损件一、概述双轴湿式搅拌机是通过二组带有螺旋叶片的轴相对转动,加水对粉状物料进行喷湿搅拌输送,使粉状物料达到可控湿度,此设备主要适用于火电站干灰库,电除尘下,作为干灰处理外运的设备。
二、设备的构造及工作原理(参见设备外形安装图)双轴湿式搅拌机主要由以下部分组成:1、主电机及摆线针轮减速机(传动机械);2、对啮合传动齿轮;3、前后止推轴承组件;4、主、被动螺旋搅拌轴;5、槽体;6、加湿器;7、进出料口;8、底座架;其工作原理:当干粉状物料由给料机定量通过进料口均匀进入槽体后,动力传动机械带动装有多组叶片的螺旋形主轴转动,通过对啮合传动齿轮带动被动螺旋轴与主轴作等速相对转动,从而使物料被搅和和并推进至槽体加湿段,在物料被推进至加湿段后,加湿器自动对干灰物料进行喷湿,进而至槽体后搅拌段进行充分搅和,当干灰物料达到可控湿度后由出料口卸出,进入下一道工序或装车外运。
三、设备主要技术参数:1、螺旋直径:Φ950 mm2、出力: 200 t/h3、主轴转速: 55 r/min4、配用减速机型号: BWY37-46A-17.55、配用电动机型号: Y250M-637KW;6P;380V;50HZ6、加湿器水压要求: 0.4~0.6Mpa7、含水率: 15%~20%8、设备总重: 9150㎏四、设备的安装注意事项:1、本设备一般为平装(或称卧装),一般倾斜度不得大于15。
,如有特殊要求,应预先与我厂联系。
2、本设备底座架应坐落于基础上,基础平面应平正,且应用基础螺栓与底座固定。
(或底座直接与基础平面预埋板用电焊焊牢),以免运行时引起设备的振动。
3、物料进入口上方应安装定量给料机,以免影响设备的搅拌效果。
4、湿灰出料口下方应装设插板门,以免该机卸料时的频繁启闭。
5、加湿器进水口应装设流量控制阀,在水压、不稳定的情况下可适当调节进水水量来达到搅拌的可控制湿度。
JS100型双轴搅拌机JS100 Model Dual Spindle Mixer使用说明书Operation Instruction江苏国能环保设备有限公司Jiangsu Guoneng Environment Protection Equipment Co., Ltd.一、前言1. Foreword本系列产品主要用于火电厂等部门的灰库灰斗下部作喷水湿式搅拌及输送粉状物料用。
该产品用二根螺旋叶片轴对粉状物料进行均匀搅拌及输送,湿度可由手动调节阀控制,达到适合输送的要求。
该系列产品也适用于化工、矿山等部门含固体颗粒物料的加湿搅拌和输送The series products are mainly user for wet type spraying mixing and conveying powder materials at the bottom of dust bunker and dust hopper in thermal power plant, etc. The product applies two spiral blade spindles to blend and convey powder materials uniformly. The degree of wetness may be controlled by manual adjustable valve to meet the applicable requirement for conveying. The series products also are applied to humidifying mixing and conveying of solid particulate materials in chemical industry and mining, etc.二、技术参数2. Technical parameters2.1双轴搅拌机型号含义:2.1 Dual spindle mixer model and signification2.2外形尺寸及主要技术参数三、工作原理及结构特点3. Working principle and structure features3.1工作原理3.1 Working principle该机装有一对大刚度的搅拌轴,轴上以一定螺旋角及螺距分布着多片扇形搅拌叶片,叶片上方装有数只喷嘴,喷水均匀;两根刚性搅拌轴反向旋转对均匀加湿的粉煤灰进行搅拌、螺旋输送。
SZ型双轴搅拌机使用说明书书使用说明纽普兰气力输送有限公司镇江镇江纽普兰气力输送有限公司目录一、前言 (1)二、技术参数 (1)1.型号表示方法 (1)2.主要技术参数 (2)三、结构与工作原理 (2)1.结构简图 (2)2.工作原理 (3)四、安装与使用 (3)五、保养与维护 (6)六、故障原因与排除方法 (7)七、易损件清单 (7)双轴搅拌机-、前言我厂生产的SZ型双轴搅拌机系列,是引进国外先进技术而设计的新型产品,是目前国内先进的干灰调湿设备。
本系列产品主要用于火电厂等部门的灰库灰斗下部作喷水湿式搅拌及输送粉状物料用。
该产品用二根螺旋叶片轴对粉状物料进行均匀搅拌及输送,湿度可由手动调节阀控制,达到适合输送的要求。
该系列产品也适用于化工、矿山等部门含固体颗粒物料的加湿搅拌和输送。
二、技术参数1.型号表示方法SZ100CC:直联型传动形式出力,100t/h D:链传动双轴搅拌机代号2.主要技术参数型号SZ20SZ60SZ100SZ200出力t/h2060100200含水率%15~20水压MPa0.2~0.6主轴转速r/min23383442螺旋直径mmΦ520Φ590Φ690Φ754电机型号Y132M-4Y160L-4Y200L2-6Y225M-6电机功率kW7.5152230减速机型号BWY27-35-7.5BWY33-23-15BWY45-29-22BWY45-23-30三、结构与工作原理1.结构简图2.工作原理双轴搅拌机装有一对大刚度的搅拌轴,轴上以一定螺旋角及螺距分布着多片扇形搅拌叶片;箱体顶盖上装有数只喷嘴,喷水均匀;两根刚性搅拌轴反向旋转对均匀加湿的粉煤灰进行搅拌、螺旋输送。
双轴结构的优点是搅拌效率高。
搅拌机密封严密,无飞灰外扬。
减速机采用摆线针轮减速机,结构紧凑、占地面积小、传动平稳、噪音低。
叶片采用耐磨铸铁制成,耐磨性好。
搅拌机搅拌均匀,运行可靠,操作维修方便。
四、安装与使用1.现场检查。
双轴加湿搅拌机使用说明书1、概述该系列调湿灰、渣双轴加湿搅拌机主要适用于火力发电厂灰、渣库(或灰、渣斗)卸灰渣系统或干灰、渣湿式输送系统。
作为灰、渣加湿的搅拌设备,可快速将干灰、渣制成含水率 15-25% 左右的松散、潮湿、不飞扬的灰、渣,装车、装船或皮带输送。
2、结构及工作原理双轴加湿搅拌机主要由搅拌机壳体、叶片轴 2 组、驱动装置、加水系统、电气控制系统(无特殊约定用户自理)等组成。
干灰(渣)进入搅拌机后,加水系统开始喷雾加湿,在双轴叶片组的搅拌下,干灰(渣)被制成含水率15-25%左右的湿灰(渣),达到松散、潮湿、不飞扬的程度。
同时,在叶片的旋转推动下,湿灰(渣)向排料口移动并排出。
a)型号说明JSJ—□干灰渣出力(t/h)双轴加湿搅拌机b)产品特点a.喷雾装置设计、安装合理,使灰水混合达到最佳效果;b.喷雾装置可将干灰下落时的飞灰封闭在机体内,不致向外飞扬;c.轴及传动结构密封结构设计合理,检修方便;d.使用高耐磨材料铸成的搅拌叶片,延长了机器的使用寿命;e.叶片、轴承、齿轮便于更换;f.本产品分为两种传动方式,一种为联轴器直联传动,另一种为驱动装置在机体侧面链传动,可视不同的场地布置情况由用户选择。
c)主要技术性能参数及外形尺寸主要技术性能参数表参型号JSJ-40JSJ-60JSJ-80JSJ-100JSJ-200数处理量( t/h)40/5060/7080/100100/120200/240叶片转速( r/min )4242424251叶片直径( mm)400500600700900电机型号电机功率( kw )11111518.537加湿水水压( MPa)0.4-0.60.4-0.60.4-0.60.4-0.60.4-0.6湿灰含水率( %)15-2515-2515-2515-2515-25d)安装技术要求a.安装时,要求机体与地面保持水平,不允许倾斜布置,其出料口向上倾斜误差不得超过10mm。
双轴加湿搅拌机使用说明书1、概述该系列调湿灰、渣双轴加湿搅拌机主要适用于火力发电厂灰、渣库(或灰、渣斗)卸灰渣系统或干灰、渣湿式输送系统。
作为灰、渣加湿的搅拌设备,可快速将干灰、渣制成含水率15-25%左右的松散、潮湿、不飞扬的灰、渣,装车、装船或皮带输送。
2、结构及工作原理双轴加湿搅拌机主要由搅拌机壳体、叶片轴2组、驱动装置、加水系统、电气控制系统(无特殊约定用户自理)等组成。
干灰(渣)进入搅拌机后,加水系统开始喷雾加湿,在双轴叶片组的搅拌下,干灰(渣)被制成含水率15-25%左右的湿灰(渣),达到松散、潮湿、不飞扬的程度。
同时,在叶片的旋转推动下,湿灰(渣)向排料口移动并排出。
a)型号说明JSJ —□干灰渣出力(t/h)双轴加湿搅拌机b)产品特点a.喷雾装置设计、安装合理,使灰水混合达到最佳效果;b.喷雾装置可将干灰下落时的飞灰封闭在机体内,不致向外飞扬;c.轴及传动结构密封结构设计合理,检修方便;d.使用高耐磨材料铸成的搅拌叶片,延长了机器的使用寿命;e.叶片、轴承、齿轮便于更换;f.本产品分为两种传动方式,一种为联轴器直联传动,另一种为驱动装置在机体侧面链传动,可视不同的场地布置情况由用户选择。
c)主要技术性能参数及外形尺寸主要技术性能参数表a.安装时,要求机体与地面保持水平,不允许倾斜布置,其出料口向上倾斜误差不得超过10mm。
b.两传动链轮要保持同一直线,其偏差不得大于0.2mm。
c.搅拌机底座为框架结构,安装时应与基础(钢梁或预埋件)各部垫平,并在进料口垂直中心线位置处与基础焊牢,其余部位自由膨胀。
d.减速机底座外侧槽钢与基础梁或预埋件焊牢。
e.落料方管安装完毕,根据用户选用汽车的高度,如果落料管距车较高,用户可自行在落料口下方增加其长度(可用橡胶或化纤织物),使落料口距车近些,防止(水蒸气携带的)灰飞扬,但不得防耐通行。
e)系统配置与运行程序i.按系统流程,灰(渣)库(或斗)下部需配手动插板阀、气动阀(必须严密)、电动给料机(渣用流量调节阀)。
SZJ1200型双轴双速搅拌机使用说明书河南省新乡食品机械有限公司目录一、机器的用途 (1)二、规格与性能 (1)三、工作原理与结构特征 (1)四、润滑系统 (2)五、电器系统及操纵 (2)六、机器的安装调整与试运转 (2)七、机器的维修与保养 (3)八、安全注意事项 (3)一、机器的用途本机主要用于搅拌饺子馅、包子馅等馅类物料。
二、规格与性能1、电机型号YD160M-8/4功率5/7.5千瓦转速730/1450转/分2、减速机型号BW4-173、搅拌器转速低速42转/分高速84转/分4、料斗容量1200升5、外型尺寸(长*宽*高)单位(mm)1820*1300*17606、机器重量1500公斤三、工作原理与结构特征1、工作原理:用户根据自已的工艺要求,先后将肉、菜、水、添加剂等配料,放入料斗内,盖上上盖,按搅拌按钮,搅拌器旋转,进行搅拌,搅拌到符合工艺要求时为止,适当打开料斗前端的排料口,按排料按钮,馅料可自动排出。
2、结构特征:本机机架、料斗采用1Cr18不锈钢材料焊接而成,坚固耐用,美观大方。
传动系统采用双速三相异步电动机直联摆线针轮减速机,双轴,双电机传动,传动简单,故障少,效率高。
上盖打开后采用气动支杆支撑,操作方便,安全可靠,上盖后端加设安全支撑,当清洗、保养、维修时,打开上盖,逆时针旋转小波纹手轮,将安全支撑旋至图示位置。
盖上盖前,顺时针旋转小波纹手轮,将安全支撑旋至图示位置,安全可靠。
上盖后端还设有行程开关,当上盖开至45°左右时,行程开关切断电源,盖上上盖接通电源。
四、润滑系统1.滚动轴承采用ZL-3锂基润滑脂,每3个月更换一次。
2.链轮,链条每工作100小时加一次钙基润滑脂。
3.减速机连续使用半年更换一次(30号机油或40号机油均可)。
五、电器系统及操纵合上电源开关,为电器设备工作做好准备。
盖上上盖,按装在上盖后端的行程开关,接通控制线路电源,按下搅拌按钮,搅拌器工作,左侧搅拌器顺时针运转,右侧搅拌器逆时针运转。
双轴搅拌机制造与验收技术条件1.设备基本要求:-设备应具备良好的可靠性和稳定性,能够长时间稳定运行。
-设备应符合国家相关的安全、卫生、环保等标准和规范。
-设备的结构紧凑、占地面积小、使用和维护方便。
2.材料选用:-设备的主要部件应采用耐磨、耐腐蚀、耐高温的材料。
例如,搅拌桨、筒体等部件可以采用不锈钢材料。
-材料的选用应符合产品的特性和工艺要求,确保设备的使用寿命和稳定性。
3.设备性能要求:-设备应具备较高的混合均匀度,能够将各种物料快速有效地混合均匀。
混合均匀度的要求可以根据产品的工艺要求进行调整。
-设备应具备调速功能,能够满足不同物料和工艺要求的进料速度。
-设备应具备较低的能耗,尽可能减少能源浪费。
4.设备结构:-设备采用双轴结构,搅拌桨的形状和布局要合理,确保物料在桶体内的流动性和混合效果。
-设备应具备良好的密封性能,避免材料外泄和污染环境。
-设备应具备独立调节的温度控制装置,能够根据工艺要求进行温度调节。
5.安全性要求:-设备应具有多重安全保护装置,能够及时发现和处理设备故障,避免事故发生。
-设备的电气系统和控制面板应符合国家的相关标准和规范,确保操作人员的安全。
-设备应具有防爆、防火等功能,确保在特殊环境中的安全使用。
在验收阶段,需要对双轴搅拌机进行以下测试和评估:-设备的外观和结构是否完好,是否存在明显的缺陷和损坏。
-设备的各个部位是否灵活运转,转速是否稳定。
-设备在运转过程中是否存在异常声音和振动。
-设备的搅拌效果和均匀度是否达到要求。
-设备的电气系统是否稳定可靠,各种安全保护装置是否正常工作。
通过制造和验收的技术条件的要求,可以确保双轴搅拌机的质量和性能,提高设备的稳定性和可靠性,从而满足产品工艺要求,提高生产效率。
双轴搅拌加湿机使用说明书SJ100双轴搅拌加湿机1.1 结构特点及用途SJ100双轴搅拌加湿机通过叶轮给料阀给料、叶片输送、混合击打、加湿、卸灰的过程完成对粉尘的处理,叶片采用特制的耐磨材料,具有耐磨、防腐、使用寿命长等特点。
工作时,由叶轮给料机将料仓中的粉尘均匀的送到筒内,再由叶片把粉尘推入混料筒内,通过高速旋转的搅拌轴把灰与适量的水进行强制混合。
在搅拌过程中,筒壁搅拌轴之间保持一定的间隙将物料推向出料,具有结构紧凑、技术先进、稳定可靠易维修等特点。
电控箱对设备进行控制,达到控制搅拌、供水、稳定运行的目的。
双轴搅拌加湿机主要运用于工业窑炉及冶金、矿山等行业干式除尘及输灰系统中干灰和具有粘性粉尘的加湿卸放。
1.2 组成及工作流程SJ100双轴搅拌加湿机主要有驱动系统、物料混合系统、加湿系统等组成,进料口通常与手动插板阀、电锁给配套使用。
1.2.1 工作流程双轴搅拌加湿机启动运转→粉尘从进料口进入→加湿系统供水启动→检查从出料口排出的粉尘是否合格→合格→加湿机开始卸灰→不合格→调节加湿系统供水量→如此循环直至合格加湿机正常卸灰。
卸灰完毕,粉尘停止供料→加湿系统供水停止→加湿机停止工作。
1.3 主要技术参数1.4 电气控制安全注意事项(1)电控箱防止溅水,保护等级,应安装在干燥通风的地方。
(2)设备停止使用后,应及时切断设备电源,防止设备带电造成人身伤害事故。
(3)设备操作应由经过培训过专人负责,其他人员不得私自操作。
1.5 加湿系统加湿系统要求:水质洁净、水温常温、水源充足。
管路的长度、直径应符合本机要求。
长距离供水时,应选取较大管径,管路要独立支撑,不允许管理的重量加在加湿机上。
冬季的寒冷地区,主机停止工作前,必须排尽机内灰料,同时管应在低端安装排水阀,主机停止工作后,排空管路,以防止冻结损坏设备。
1.6 安装调试及使用注意事项设备安装完毕后,检查设备保证:机内无异物、各处螺栓紧固无松动,电机罩、齿轮罩、机盖、观察口盖无异常,电机的转向是否正确,各转动部分加以润滑液,确保机器转动灵活无噪音。
双轴搅拌桩施工技术要求(1)双轴搅拌桩成桩桩长较短,约为15~20m,设备功率较小,适合用于标惯<15击的软土、填土、松散的粉细砂等土层中。
(2)搅拌桩采用42.5级普通硅酸盐水泥,如无特别说明,水泥掺量(即消耗水泥重量和被加固土体重量的百分比)宜取13%~15%,水灰比宜采用0.50~0.6,土体容重统一取19.0kN/m3。
(3)施工时须量测平台高程,以控制桩底标高,施工时,桩底标高误差不大于5cm,桩底标高以两轴搅拌头片的中线为基准;桩位平面定位误差不大于5cm,桩体垂直偏差不大于1/100。
(4)施工前施工单位应根据设计要求、场地和地质条件、施工机械性能制定周密的施工组织设计和操作大纲,以确保水泥掺合的均匀性。
现场施工时第一批桩(不少于3根),须始终在监理人员检查下施工。
检查内容:水泥投放量、水灰比、比重、输浆泵泵送时间、搅拌头喷浆提升开始时间、到达地面时间、标高垂直度控制方法。
(5)搅拌桩施工应有连续性,不得出现24小时施工冷缝(施工组织设计预留除外)。
如因特殊原因出现施工冷缝,则接桩水泥掺量为20%,在接缝外补桩及作出明显标记,开挖前再需注浆补强。
(6)钻头喷浆搅拌提升速度不宜大于0.5m/min,钻头搅拌下沉速度不宜大于1.0m/min,钻头每转一圈的提升或下沉量以10mm~15mm为宜。
(7)喷浆速度应和提升速度相配合,确保额定浆量在桩身长度范围内均匀分布;当搅拌机预搅下沉至预定标高,水泥浆液到达出浆口后,应在水泥浆液与桩端土充分搅拌30s后再提升钻杆。
(8)施工中因故停浆时,应将搅拌头下沉至停浆点下0.5m处,待恢复供浆时再喷浆搅拌提升;停机超过3小时,宜先拆卸输管路,并妥加清洗。
(9)搅拌桩钻进时有困难时不得冲水,须用水泥浆液补入湿润液体,帮助钻头下沉。
(10)搅拌桩施工期间应严格进行每项工序的质量管理,每根桩都应有完整的施工记录,应有专人记录搅拌机钻头每米下沉或提升的时间。
双轴加湿搅拌机技术要求书
一、总则
1、本技术规范书适用于丰鹤发电有限责任公司2×600MW机组之SJ-200型双轴加湿搅拌机,该型双轴加湿搅拌机现为靖江市扬一电力设备制造厂产品。
该批备件须保证与该型双轴加湿搅拌机完全适配。
2、本规范书提出的是双轴加湿搅拌机设计、制造上的最低要求。
并未对一切技术细节作出规定,也未充分引述有关标准和规范的条文,卖方应保证提供符合国家规范和本规范书有关条款的优质产品。
3、如果卖方没有以书面形式对本规范书的条文提出异议,则意味投标方提供的系统完全符合本技术规范书的要求。
4、在签署合同之后,买方有权因规范标准及应用条件发生变化而提出一些补充和修改要求,具体项目和内容由双方协商确定。
5、本技术规范书所使用的标准如与维修方所执行的标准发生矛盾时,按较高标准执行。
6、投标方应具有锅炉辅助设备制造专业资质,且注册资本不低于1000万元人民币。
7、投标方近三年内火电厂600MW以上机组双轴搅拌机整机销售业绩不得少于3个项目,投标时须提供相应项目合同原件;应提供准确的600MW以上机组电厂使用情况及业绩,包括电厂名称、机组容量、捞渣机型号、联系方式等。
二、技术参数及采购数量
1、卖方所供货设备技术指标应不低于如下原双轴加湿搅拌机技术指标:
、
主
要
材
质
要
求
:
主
轴材质不低于:#45号钢(实心)
叶片材质不低于:GH2018铁基合金
齿轮、链轮性能:不低于采用GB/T1348-1988中QT700-2球墨铸铁材料
制造,正火处理,内孔尺寸公差H8之性能要求
3、采购数量
双轴加湿搅拌机转动轴系:2套,包含主轴及全部叶片、驱动端及从动端
齿轮链轮、传动链条、轴承底座及轴承等,安装施工并满足两台双轴加湿搅拌
机所用。
三、主要技术标准及规范
卖方应提供符合本技术规范和相关工业标准的功能齐全的优质产品,应符
合现行使用的国家标准和部颁标准。
要求所供备件均是按高标准的生产工艺与流程进行生产,每道工序均严格
把关,采用优质原材料,产品性能优、质量可靠、使用寿命长、与原设备能完
全互换。
四、质量保证
卖方应在设备出厂发运的同时提供有关质量保证的各项质量文件和技术
文件。
这些文件至少包括:产品检验合格证书;各项有关实验结果;质量控制
计划;质量检查计划;安装、使用、维护手册;本体设备及附属设备总图及主要的部件图;所供双轴加湿搅拌机附带使用说明书、出厂检验合格证、转动轴系各部材质检验分析报告,并加盖公司公章。
五、试验方法及检验规则:
根据行业标准进行性能试验,并向买方提供规范的试验报告及合格证明文件。
六、技术及售后服务:
1、卖方负责供货及提供相关资料。
2、设备验收不合格,由卖方负责免费更换,发生费用由卖方负责。
3、设备保证自安装运行后12个月内无问题,在12个月内因质量原因导致的产品损坏实行无偿更换,并赔偿损失。
4、质保期12个月,在质保期内因质量原因造成的故障或零部件损坏,维修方应及时无偿地予以解决或更换,相关售后服务人员应在24小时内到达现场,处理问题。