钢桥计算
- 格式:doc
- 大小:40.00 KB
- 文档页数:2
钢便桥设计与验算1、项目概况钢便桥拟采用18+36+21m全长共75m钢便桥采用下承式结构,车道净宽 4.0m,主梁采用贝雷架双排双层,横梁为标准件16Mn材质I28a,桥面采用定型桥面板,下部结构为钢管桩(φ529)群桩基础。
2、遵循的技术标准及规范2.1遵循的技术规范《公路桥涵设计通用规范》(JTG D60-2004)《公路桥梁施工技术规范》(JTG F50-2001)《钢结构设计规范》(GB S0017-2003)《装配式公路钢桥使用手册》《路桥施工计算手册》2.2技术标准2.2.1车辆荷载根据工程需要,该钢便桥只需通过混凝土罐车。
目前市场上上最大罐车为16m3。
空车重为16.6T混凝土重16*2.4=38.4T。
总重=16.6+38.4=55.0T。
16m3罐车车辆轴重2.2.2便桥断面2.2.3钢便桥限制速度5km/h 3、主要材料及技术参数 根据《公路桥涵钢结构及木结构设计规范》JTJ025-86,临时性结构容许应力按提高30-40%后使用,本表提高1.3计。
4、设计计算(中跨桁架) 4.1计算简图材料弹模(MP)屈服极限(MP) 容许弯曲拉应力(MP) 提高后容许弯曲应力(MP) 容许剪应力(MP) 提高后容许剪应力(MP) 参考资料 Q2352.1E+5235145188.585110.5设计规范 Q3452.1E+5345 210 273 120 156设计规范贝雷架 2.1E+5345240-245N/肢-按照钢便桥两端跨度需有较大纵横坡的实际需要,故每跨断开,只能作为简支架计算,不能作为连续梁来计算。
4.1.1中跨计算简图36.0m简支梁4.1.2边跨计算简图21.0m简支梁4.2荷载4.2.1恒载中跨上部结构采用装配式公路钢桥——贝雷双排双层。
横梁为I28a。
43.47kg/m。
单根重5*43.47=217.4kg=2.17KN;纵梁和桥面采用标准面板:宽2.0m,长6.0m,重1.8T。
2个钢桥算例算例1 绘出某高速铁路64米双线简支下承式钢桁梁桥下弦杆E 2E 3的内力影响线(拉为正,压为负),并计算恒载与ZK 活载(按两条线路在最不利位置承受100%的ZK 活载计算)共同作用下E 2E 3杆件内力。
(要求:计入动力系数与活载发展均衡系数)。
已知:每片主桁承受恒载p=18.0kN/m ;ZK 活载的换算均布活载见表1,中间值按线性内插;活载发展均衡系数)(611max i i a a -+=η;动力系数110.181μ⎫+=+≥⎪⎭,主桁杆件最大的a 值max 0.311a =。
表1 ZK 活载的换算均布活载(单位:kN/m ,每线列车)解答如下:(1) E 2E3影响线如下图:(2) 计算杆件E 2E 3的内力 ① E 2E 3影响线面积:133824l d ==⨯=;255840l d ==⨯=12244043.642211l l m H ⨯Ω===⨯ ② 恒载内力:18.043.64785.45p N p kN =⋅Ω=⨯=11m8×8=64mE 1 E 0 E 3E 2 A 1A 2A 33d+ 5d158dH③ 静活载内力:由l 1=24m ,α=3/8=0.375,查表得:换算均布荷载0.37575.67/m k kN = 静活载内力:0.37575.6743.643302.24k N k kN =⋅Ω=⨯=动力系数:110.18 1.00461μ⎫+=+=≥⎪⎭活载发展均衡系数:max 11785.451()1(0.311) 1.01266 1.00463302.24i i a a η=+-=+-=⨯ 计算恒载+双线ZK 活载作用下下弦杆件E 2E 3的内力为:(1)785.45 1.0046 1.01275.6743.644143.92p i k N N N kN ημ=++=+⨯⨯⨯=算例2 计算单线铁路简支下承式钢桁梁桥中横梁在恒载与ZKH 活载作用下的跨中弯矩及梁端剪力(要求:计入动力系数与活载发展均衡系数,不考虑横梁自重)。
141米钢便桥计算一、设计要求栈桥全长141米,桥面宽度6米,单跨(12*11+9)米,分12跨,桥面最重载荷为120吨。
该桥使用100型标准桁架片。
二、栈桥计算1,活载计算取单跨12m计算。
此跨可以近似看做一简梁,最大荷载120吨,当汽车重心与桥跨中心重合时,将近似产生最大弯矩M活M活=1200×12÷4=3600KN〃M当车在该跨同一端时,主梁将承受最大剪力。
算出活载剪力Q活=1200KN2,栈桥自重静载计算编组为上承式9排单层型。
此形式钢桥的自重约为q=22KN/m算出静载的弯矩M静=q×L2÷8=22×122÷8=396KN〃M算出静载剪力Q静=q×L÷2=22×12÷2=132KN3,结论冲击系数1.3,偏载系数1.2。
M max= M活×1.3×1.2+M静=3600×1.3×1.2 +396=6012KN〃MQ max= Q活×1.3×1.2 + Q静=1200×1.3×1.2 +132=2004KN查桁架内力表可知:9排单层型100型钢桥抗弯:M总=788×9=7092KN〃M>M max9排单层型100型钢桥抗剪:Q总=245×9=2205KN>Q max挠度计算:1,间隙挠度f0=16mm2,空载挠度f自=5ql4/384EI=1mm3, 活载挠度f活=fl3/48EI=10mm4,总挠度f max=16+1+10=27mm<L/300=40mm所以该单跨12米钢便桥采用9排单层型满足荷载设计要求,该钢桥满足要求。
2016-11-03。
一、受弯构件(一)在主平面内受弯的实腹式构件抗弯强度应符合下列规定1、翼缘板弯曲正应力满足下列要求:双向受弯的实腹式构件:f d ≥γ0(M y W y,eff +M z W z,eff )式中:γ0——结构重要性系数;M y 、M z ——计算截面的弯矩设计值;W y,eff 、W z,eff ——有效截面相对于y 轴和z 轴的截面模量,其中受拉翼缘应考虑剪力滞影响,受压翼缘应同时考虑剪力滞和局部稳定影响。
2、腹板剪应力应满足下列要求。
闭口截面腹板剪应力应按剪力流理论计算。
γ0τ≤f vd式中:γ0——结构重要性系数;τ——剪应力;f vd ——钢材的抗剪强度设计值。
3、平面内受弯实腹式构件腹板在正应力 σx 和剪应力 τ 共同作用时,应满足下列要求。
γ0√(σx f d )2+(τf vd)2≤1 式中:σx ——x 方向正应力;f d ——钢材的抗拉、抗压和抗弯强度设计值。
(二)受弯构件的整体稳定性应符合下列规定1、等截面实腹式受弯构件,应按下列规定验算整体稳定。
γ0(βm,yM y χLT,y M Rd,y +M z M Rd,z )≤1 γ0(M y M Rd,y +βm,z M z χLT,z M Rd,z)≤1 M Rd,y =W y,eff f dM Rd,z =W z,eff f dλLT,y =√W y,eff f y M cr,y ,λLT,z =√W z,eff f y M cr,z式中: M y 、M z ——构件最大弯矩;βm,y、βm,z——等效弯矩系数;χLT,y、χLT,z——M y和M z作用平面内的弯矩单独作用下,构件弯扭失稳模态的整体稳定折减系数;λ̅̅̅LT,y、λLT,z——弯扭相对长细比;W y,eff、W z,eff——有效截面相对于y轴和z轴的截面模量,其中受拉翼缘应考虑剪力滞影响,受压翼缘应同时考虑剪力滞和局部稳定影响。
M cr,y、M cr,z——M y和M z作用平面内的弯矩单独作用下,考虑约束影响的构件弯扭失稳模态的整体弯扭弹性屈曲弯矩,可采用有限元方法计算。
一、主桁内力计算1、主桁给定尺寸(1)本组主桁跨径为m 725.0)15(70=⨯-+,节间数为10个,则节间长度为7.2m ;(2)主桁高度采用与桁高11m ,节间长度8m 的标准尺寸换算的方式得出,本组设计的桁高计算式为m h 9.982.711=÷⨯=;主桁中心距统一采用5.75m ; (3)设端斜杆与下弦杆的夹角为θ,则2.7/9.9tan =θ,推出097.53)2.7/9.9arctan(==θ,且809.0sin =θ。
2、绘制主桁各杆件的内力影响线由于弦杆、斜杆、吊杆的影响线可以用统一的公式和方式绘出,因此这里只需给出统一的结论和某代表杆件的影响线即可,然后可根据公式算出每根杆件的影响线特征值(包括顶点位置,加载长度,面积等)。
结论如下: (1)主桁图式和各代表杆件的轴力影响线(2)每根杆件的特征值(见内力计算表)弦杆影响线面积计算公式为Hl l 221=Ω,顶点位置为}{L L L /,min 21=α 斜杆影响线面积计算公式为()()()()θθθsin 212sin 12sin 121212221dn m n dm n d m n +-=Ω+Ω=∑Ω-=Ω----=Ω顶点位置为为节间个数)n n (/121==αα吊杆影响线面积为d =Ω,顶点位置为5.0=α 支座影响线面积为2/l =Ω,顶点位置为0=α3、竖向荷载(1)给定资料如下:桥面m kN p /101=, 桥面系m kN p /29.62=, 主桁架m kN p /51.143= 联结系m kN p /74.24=, 检查设备m kN p /02.15=,螺栓(含螺母、垫圈))(02.04326p p p p ++=,焊缝)(015.04327p p p p ++=。
(2)每片主桁的均布恒载:m kN p p p p p p p p /69195.172/)(7654321=++++++= (3)恒载内力:∑Ω=p N p (见内力计算表) (4)换算均布活载k :根据加载长度和顶点位置查表(采用内插法)得出,然后除以2(按两片主桁考虑),再将其值列入内力计算表中。
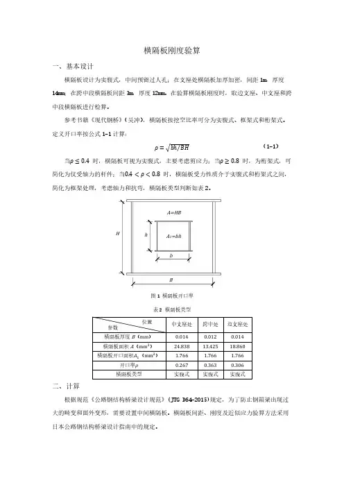
横隔板刚度验算一、基本设计横隔板设计为实腹式,中间预留过人孔;在支座处横隔板加厚加密,间距1m ,厚度14mm ;在跨中段横隔板间距3m ,厚度12mm 。
在验算横隔板刚度时,取边支座、中支座和跨中段横隔板进行检算。
参考书籍《现代钢桥》(吴冲),横隔板按挖空比率可分为实腹式、框架式和桁架式。
定义开口率按公式1-1计算:ρ=√bℎBH ⁄当ρ≤0.4 时,横隔板可视为实腹式,主要考虑剪应力;当ρ≥0.8 时,为桁架式,可简化为仅受轴力的杆件;当0.4<ρ<0.8 时,横隔板受力性质介于实腹式和桁架式之间,简化为框架处理,考虑轴力和抗弯,横隔板类型判断如表2。
图1 横隔板开口率 表2 横隔板类型中支座处 跨中处 边支座处 横隔板厚度B (mm ) 0.014 0.012 0.014 横隔板面积A (mm 2) 24.838 13.425 18.860 横隔板开口面积A 1(mm 2)1.766 1.766 1.766 开口率ρ 0.267 0.363 0.306 横隔板类型实腹式实腹式实腹式二、计算根据规范《公路钢结构桥梁设计规范》(JTG D64-2015)规定,为了防止钢箱梁出现过大的畸变和面外变形,需要设置中间横隔板。
横隔板间距、刚度及近似应力验算方法采用日本公路钢结构桥梁设计指南中的规定。
(1-1)BA=HBhbHA 1=bh位置参数1、 横隔板间距采用公式2-1计算:{L D ≤6m (L ≤50m ) L D ≤0.14L −1且≤20m (L >50m )式中:L ——桥梁等效跨径(m )。
2、 横隔板刚度为了抵抗箱梁的畸变,横隔板必须有足够的刚度。
横隔板最小刚度K 应该满足下式要求:K ≥20EI dwL d3 I dw={α12F u (1+2b 1B u )2+α22F l (1+2b 2B l )2+2F ℎ(α12−α1α2+α22)} α1=e e +f B u +B l 4H ,α2=f e +f B u +B l4He =I fl B l B u +2B l 12F ℎ,f =I fu B u 2B u +B l12F ℎ式中: L d ——两横隔板间距,按式(1-2)计算; I dw ——箱梁截面主扇性惯矩;E ——钢材的弹性模量;F u ——钢梁上顶板截面积(包括加劲肋); F l ——钢梁下底板截面积(包括加劲肋); F ℎ——一个腹板的截面积; I fu ——顶板对箱梁对称轴的惯性矩; I fl ——底板对箱梁对称轴的惯性矩; H ——腹板长度。
42米跨贝雷梁钢便桥计算资料一、设计概况根据现场提供资料,桥跨为40米,贝雷片每片长度为3米,因此本次设计按42米计算,设计荷载为60吨,桥面宽度为3.5米,便桥采用321型三排双层加强型贝雷片装配主梁,桁架上面采用I28a工字钢作横向连接(间距1米,共42根,3.5米/根),再在横梁上面设置I10工字钢作纵梁(共3根,桥长通长布置),使受力均匀,桥面采用10mm花纹钢板满铺。
二、贝雷桥的设计1、荷载(1)、静荷载321贝雷片每片自重270kg,横梁每米自重43kg,纵梁每米自重11.26kg,桥面采用15mm厚花纹钢板,按均布荷载,考虑加强弦杆螺栓和桁架销,取跨中恒载弯矩:梁端恒载剪力:(取单侧取8.5KN/m计算)(2)、活荷载计算跨径为42m,桥面净宽3.5m,本设计采用汽车600KN集中荷载进行验算。
跨中有最大弯矩;梁端剪力,按前后轮之间距离3.65米计,后后轮之间1.35米计,则:冲击系数:总荷载作用:(横向分配系数K取0.6计算)最大弯矩:梁端最大剪力:2、贝雷架结构验算根据规范要求,桥梁采用三排双层加强型,允许弯矩满足强度要求。
桁架加强桥梁三排双层加强型,允许剪力满足强度要求。
3、整体挠度计算对于钢桥的设计,为了使车辆能比较平稳的通过桥梁,因此“桥规”要求桥跨结构均应设预拱度。
另外要使钢桥能正常使用,不仅要对桁架进行强度验算,以确保结构具有足够的强度及安全储外,还要计算梁的变形(通常指竖向挠度),以确保结构具有足够的刚度。
因为桥梁如果发生过大的变形,将导致行车困难,加大车辆的冲击作用,引起桥梁剧烈振动。
简支梁容许挠跨比取,则容许最大挠度由活载引起的跨中挠度由静载引起的跨中挠度满足要求此处在计算钢梁的跨中挠度时,未计算由销、孔间隙引起的非弹性挠度变形,此部分变形与钢梁的使用时间及加工制作的精度有关。
三、桥台的设计与计算为防止洪水冲刷桥台,威胁到便桥安全,采取拉森Ⅳ型钢板桩做承台基础围护,钢板桩露出地面2米,埋入地面下13米,内填筑砂石,承台基础采用扩大基础,第一层基础结构尺寸为:3.80m×6.40m×0.5m,承台尺寸为:2.80m×5.40m×0.5m ,背墙厚度为0.8m,高度为3.68米。
第五章 整体分析验算5.1 一般规定5.1.1 局部受压稳定折减系数钢桥在验算受压稳定性时,一般结构在屈曲前后仍在小变形假设范围内处于弹性状态,即弹性屈曲。
对于局部受压的板件,由于构件的弹性屈曲,对构件材料的标准值有所影响。
在计算时,需要考虑弹性屈曲引起的局部稳定折减,局部稳定折减系数ρ应按下列规定计算[3]:()020.4=1110.4=112p λρλρελ⎧≤⎪⎪⎧⎨⎪>++⎨⎪⎪⎪⎩⎩时:时: (5-1)()00.80.4p ελ=- (5-2)1.05p p b t λ⎛== ⎝ (5-3) 式中:p λ——相对宽厚比; t ——加劲板的母板厚度;y f ——屈服强度; E——弹性模量;cr σ——加劲板弹性屈曲欧拉应力;p b ——加劲板局部稳定计算宽度,对开口刚性加劲肋,按加劲肋的间距 b i计算;对闭口刚性加劲肋,按加劲肋腹板间的间距计算;对柔性加劲肋,按腹板间距或腹板至悬臂端的宽度i b 计算;k ——加劲板的弹性屈曲系数,可参考规范《公路钢结构桥梁设计规范》附录B 计算,计算如下。
参考规范《公路钢结构桥梁设计规范》附录B 规定,加劲肋和加劲板对弹性屈曲系数k 有很大的影响。
对纵向加劲肋等间距布置且无横向加劲肋布置的顶板和底板,其弹性屈曲系数k 可由式5-4、5-5计算:*4l l k γγ≥=时: (5-4)()()(()2202*011211l l l l l n a k n b a k n b αγαααδγγααδ⎧++⎛⎫⎪==≤ ⎪⎪+⎝⎭⎪<⎨⎪⎛⎫==>⎪ ⎪+⎝⎭⎪⎩时: (5-5)式中:n ——受压板被纵向加劲肋分割的板元数,1l n n =+; l n ——等间距布置纵向加劲肋根数;a ——加劲板的计算长度(横隔板或刚性横向加劲肋的间距);b——加劲板的计算宽度(腹板或刚性纵向加劲肋的间距);α——加劲板的长宽比,按时5-6计算:abα=(5-6) l δ——单根纵向加劲肋的截面面积与母板的面积之比, 按式5-7计算:l l Abtδ= (5-7)t ——加劲板的厚度;l A ——单根纵向加劲肋的截面面积;l γ——纵向加劲肋相对刚度,按式5-8计算:l l EIbDγ= (5-8)l I ——单根纵向加劲肋对加劲板的抗弯惯性矩;D——单宽板刚度,按式5-9计算:()32121Et D ν=- (5-9) ν——泊松比; t ——加劲板的厚度;E——弹性模量。
42米跨贝雷梁钢便桥计算资料一、设计概况根据现场提供资料,桥跨为40米,贝雷片每片长度为3米,因此本次设计按42米计算,设计荷载为60吨,桥面宽度为3.5米,便桥采用321型三排双层加强型贝雷片装配主梁,桁架上面采用I28a工字钢作横向连接(间距1米,共42根,3.5米/根),再在横梁上面设置I10工字钢作纵梁(共3根,桥长通长布置),使受力均匀,桥面采用10mm花纹钢板满铺。
二、贝雷桥的设计1、荷载(1)、静荷载321贝雷片每片自重270kg,横梁每米自重43kg,纵梁每米自重11.26kg,桥面采用15mm厚花纹钢板,按均布荷载,考虑加强弦杆螺栓和桁架销,取跨中恒载弯矩:梁端恒载剪力:(取单侧取8.5KN/m计算)(2)、活荷载计算跨径为42m,桥面净宽3.5m,本设计采用汽车600KN集中荷载进行验算。
跨中有最大弯矩;梁端剪力,按前后轮之间距离3.65米计,后后轮之间1.35米计,则:冲击系数:总荷载作用:(横向分配系数K取0.6计算)最大弯矩:梁端最大剪力:2、贝雷架结构验算根据规范要求,桥梁采用三排双层加强型,允许弯矩满足强度要求。
桁架加强桥梁三排双层加强型,允许剪力满足强度要求。
3、整体挠度计算对于钢桥的设计,为了使车辆能比较平稳的通过桥梁,因此“桥规”要求桥跨结构均应设预拱度。
另外要使钢桥能正常使用,不仅要对桁架进行强度验算,以确保结构具有足够的强度及安全储外,还要计算梁的变形(通常指竖向挠度),以确保结构具有足够的刚度。
因为桥梁如果发生过大的变形,将导致行车困难,加大车辆的冲击作用,引起桥梁剧烈振动。
简支梁容许挠跨比取,则容许最大挠度由活载引起的跨中挠度由静载引起的跨中挠度满足要求此处在计算钢梁的跨中挠度时,未计算由销、孔间隙引起的非弹性挠度变形,此部分变形与钢梁的使用时间及加工制作的精度有关。
三、桥台的设计与计算为防止洪水冲刷桥台,威胁到便桥安全,采取拉森Ⅳ型钢板桩做承台基础围护,钢板桩露出地面2米,埋入地面下13米,内填筑砂石,承台基础采用扩大基础,第一层基础结构尺寸为:3.80m×6.40m×0.5m,承台尺寸为:2.80m×5.40m×0.5m ,背墙厚度为0.8m,高度为3.68米。
钢便桥计算书编制:______________复核:______________审批:______________目录一、荷载组成 (1)1、恒载 (1)2、活载 (1)二、钢便桥面板计算 (1)1、荷载分析及计算工况 (1)2、10m3砼罐车作用下面板计算 (2)3、泵车作用下面板计算 (2)三、I12.6工字钢纵向分配梁计算 (3)1、荷载分析 (3)2、10m3砼罐车作用下I12.6工字钢纵向分配梁计算 (4)3、I25a工字钢横向分配梁计算 (5)四、贝雷梁计算(非通航孔) (6)1、工况分析 (7)2、贝雷梁受最大剪力工况分析 (8)3、贝雷梁抗弯计算 (9)4、贝雷梁抗剪计算 (9)五、贝雷梁计算(通航孔) (9)1、贝雷梁受最大弯矩工况分析 (10)2、贝雷梁受最大剪力工况分析 (10)3、贝雷梁抗弯计算 (11)4、贝雷梁抗剪计算 (12)六、钢管桩顶横向承重梁计算 (12)1、工况分析 (12)2、钢管桩顶横向承重梁计算 (13)七、伸缩缝处纵桥向承重梁计算 (13)1、工况分析 (14)2、伸缩缝处纵桥向承重梁计算 (14)八、钢管桩计算 (14)1、钢管桩入土深度计算 (14)2、钢管桩抗拔计算 (15)3、钢管桩稳定性计算 (15)一、荷载组成1、恒载:(1)8mm厚钢板:62.8kg/㎡(2)I12.6工字钢:18.1kg/m(3)I25a工字钢:38.1kg/m(4)贝雷片:270kg/片2、活载(1)10m³砼罐车总重:500kN前轴压力:80kN后轴压力:2×210kN轮距:1.8m轴距:4.0m+1.4m中、后轮着地宽度及长度:0.6×0.2m(2)47m泵车支腿荷载泵车支腿宽9.975m,长10.53m,泵车自重40t(3)公路I级荷载(车辆荷载)施工过程中运输材料用车按照公路-Ⅰ级荷载(车辆荷载)进行计算。
二、钢便桥面板计算桥面板采用8mm厚钢板,下设I12.6工字钢,工字钢间距24cm,则桥面板净跨径为24-7.4=16.6cm,桥面板与工字钢焊接连接。
42m钢桁架铁路桥设计学院:土木工程学院班级:桥梁姓名:学号:指导老师:42m钢桁架桥课程设计一、设计目的:跨度L=42米单线铁路下承载式简支栓焊钢桁梁桥部分设计二、设计依据:1. 设计《规范》现行桥规,也可采用铁道部1986TB12-85《铁路桥涵设计规范》简称《老桥规》。
2. 结构基本尺寸计算跨度L=42m;桥跨全长L=42.10m;节间长度d=7.00m;主桁节间数n=6;主桁中心距B=5.75m;平纵联宽B0=5.30m;主桁高度H=12.00m;纵梁高度h=1.45m;纵梁中心距b=2.00m;3. 钢材及其基本容许应力:杆件及构件——16Mna;高强螺栓——40B;精制螺栓——ML3;螺母及垫圈——45号碳素钢;铸件——ZG25;辊轴——锻钢35钢材的基本容许应力参照1986年颁布的《铁路桥涵设计规范》。
4. 结构的连接方式:桁梁杆件及构件,采用工厂焊接,工地高强螺栓连接;人行道托架采用精制螺栓连接;焊缝的最小正边尺寸参照《桥规》;高强螺栓和精制螺栓的杆径为Φ22,孔径d=23mm;5. 设计活载等级——标准中活载6. 设计恒载主桁P3=16.8kN/m;联结系P4=2.85kN/m;桥面系P2=7.39kN/m;高强螺栓P6=(P2+P3+P4)×3%; 检查设备P5=1.00kN/m;桥面P1=10.00kN/m;焊缝P7=(P2+P3+P4)×1.5%。
计算主桁恒载时,按每线恒载P=P1+P2+P3+P4+P5+P6+P7。
三、设计内容:1. 主桁杆件内力计算,并将计算结果汇整于2号图上;2. 围绕E2节点主桁杆件截面选择及检算;3. 主桁E2节点设计及检算;4. 绘制主桁E2节点图(3号图)。
四、提交文件:1.设计说明书; 2. 2、3号图各一张要求:计算正确,书写条理清楚,语句通顺;结构图绘制正确,图纸采用的比例恰当,线条粗细均匀,尺寸标准清晰。
第一章设计依据一、设计规范中华人民功和国铁道部1986年《铁道桥涵设计规范》(TBJ2—85),以下简称《桥规》。
局部受压稳定折减一、计算轴心受压板段或板元的局部稳定折减系数ρ 应按下列规定计算:{λp ≤0.4时:ρ=1 λp >0.4时:ρ=12{1+1λp 2(1+ε0)−√[1+1λp 2(1ε0=0.8(λp −0.4)λp =√f y σcr =1.05(b p t )√f y E (1k)式中:λp ——相对宽厚比; t ——加劲板的母板厚度;f y ——屈服强度; E ——弹性模量;σcr ——加劲板弹性屈曲欧拉应力;b p ——加劲板局部稳定计算宽度,对开口刚性加劲肋,按加劲肋的间距 b i 计算;对闭口刚性加劲肋,按加劲肋腹板间的间距计算;对柔性加劲肋,按腹板间距或腹板至悬臂端的宽度b i 计算;k ——加劲板的弹性屈曲系数,可参考规范《公路钢结构桥梁设计规范》(JTGD64-2015)附录B 计算,计算如下。
对纵向加劲肋等间距布置且无横向加劲肋或设置刚性横向加劲肋的加劲板,其弹性屈曲系数k 可由下式计算:γl ≥γl ∗时:k =4 γl <γl ∗时:{k =(1+α2)2+nγl α2(1+nδl)(α=ab ≤α0)k =2(1+√1+nγl )(1+nδl )(α=a b >α0)式中:n ——受压板被纵向加劲肋分割的板元数,n =n l +1; n l ——等间距布置纵向加劲肋根数;a ——加劲板的计算长度(横隔板或刚性横向加劲肋的间距);b ——加劲板的计算宽度(腹板或刚性纵向加劲肋的间距); α——加劲板的长宽比,α=ab ;δl ——单根纵向加劲肋的截面面积与母板的面积之比, 按式2-4计算:δl =Albt ;t ——加劲板的厚度;A l ——单根纵向加劲肋的截面面积; γl ——纵向加劲肋相对刚度,按式2-4计算:γl =EI lbDI l ——单根纵向加劲肋对加劲板的抗弯惯性矩;D ——单宽板刚度,按式2-5计算:D =Et 312(1−v 2)v ——泊松比。
钢桥桥面板有效宽度计算题摘要:一、钢桥桥面板有效宽度的概念及意义二、影响桥面板有效宽度的因素1.荷载性质2.荷载位置3.板的支撑条件三、桥梁规范对桥面板荷载横向分布宽度的规定1.整体单向板2.悬臂板四、钢桥桥面板有效宽度计算方法1.直接承压部分的计算2.相邻部分板带的计算3.综合考虑荷载分布和板的结构参数正文:一、钢桥桥面板有效宽度的概念及意义钢桥桥面板有效宽度是指在荷载作用下,板的实际工作宽度。
它是桥梁设计中一个重要的参数,关系到桥梁结构的稳定性和安全性。
桥面板在局部分布荷载的作用下,不仅直接承压部分(例如宽度为a1)的板带参加工作,与其相邻的部分板带也会分担一部分荷载共同参与工作。
因此,在桥面板的计算中,就需要确定所谓板的有效工作宽度,或称荷载的有效分布宽度。
二、影响桥面板有效宽度的因素1.荷载性质:不同的荷载性质会影响桥面板的变形和应力分布,从而影响有效宽度。
2.荷载位置:荷载在板上的位置不同,会导致板的不同部位承受不同的荷载,进而影响有效宽度。
3.板的支撑条件:板的支撑条件会影响板的变形模式,从而影响有效宽度。
三、桥梁规范对桥面板荷载横向分布宽度的规定1.整体单向板:荷载在跨中、荷载在板的支承处、荷载靠近板的支承处时,规范规定应考虑板的横向分布宽度。
2.悬臂板:接近于2倍悬臂长度,也就是说,可近似地按45度角向悬臂板支承处分布。
四、钢桥桥面板有效宽度计算方法1.直接承压部分的计算:根据荷载类型和板的结构参数,计算直接承压部分的宽度。
2.相邻部分板带的计算:根据荷载分布和板的结构参数,计算相邻部分板带的宽度。
3.综合考虑荷载分布和板的结构参数:将直接承压部分和相邻部分板带的宽度综合考虑,得出桥面板的有效工作宽度。
在进行钢桥桥面板有效宽度计算时,需严格按照桥梁规范的要求,确保桥梁设计的合理性和安全性。
321型-60米(80吨)
6排单层编组,
上承式单车道钢桥计算
1.设计简介:
321型贝雷钢桥。
根据地理环境位置情况拟采用321型装配式贝雷钢桥部件组建上承型式钢桥;总长为60米,最大单跨度为9m,钢桥外宽6m,通行净宽5米,单向单车道;设计荷载:最大单车80吨。
根据通行荷载的特性及对通道净宽的要求,拟采用321型装配式公路钢桥上承式6排单层编组结构形式。
2.计算原理:
2.1 荷载重心在跨中时将对桥产生最大弯矩;荷载重心位置在桥梁端部
时将对钢桥产生最大剪力。
依据此原理,现针对性的予以验算。
2.2 由于是单向单车道设计,则每个车道为6排编组,即验证其中一
个车道主梁强度即可。
再由该钢桥最大跨为9米,则验算9米跨度强度是否符合要求即可!
2.3 设计荷载为:最大单车80吨。
3.参数选择:
321型6排单层编组钢桥自重约:
g静=10KN/m;
3.1、代入(80吨);
弯矩验算:当单车以对钢桥最不利方式行使,等效重心与主梁中心重合时,将对主梁产生最大弯矩。
M max=M静+ M活
M静=1/8g静l²=1/8×10 KN/m(钢桥自重)×(9m)²=101KN·m
M活=1/4g活l=1/4×800 KN(80吨车辆)×9m=1800KN·m
M max=M静+ M活
=101+ 1800
=1901KN·m
查表得知321型6排单层标准桁架容许抗弯为:
[M]=4728KN·m> M max;
弯矩安全系数:[M]/ M max=4728/1901=2.49
3.3、剪力验算:当单车重心与桥梁端部重合时,将对主梁端部产生最大剪力。
Q max=Q静+ Q活
Q静=1/2gl=1/2×10 KN/m×9m=45KN
Q活=800KN
Q max=Q静+ Q活·
=45+ 800
=845KN
查表得知321型6排单层标准桁架容许抗剪为:
[Q]=980KN > Q max;
剪力安全系数:[Q]/ Q max=980/845=1.16
4.结论:
∵[M]=4728KN·m> M max,[Q]=980KN > Q max,
∴该桥梁设计满足要求!。