21探究小车速度随时间变化的规律实验报告
- 格式:doc
- 大小:452.50 KB
- 文档页数:5
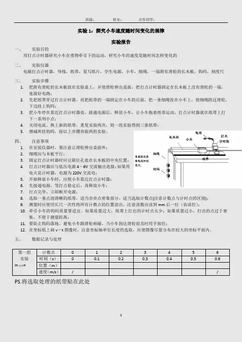
实验1:探究小车速度随时间变化的规律实验报告一、实验目的用打点计时器研究小车在重物牵引下的运动,研究小车的速度是随时间怎样变化的二、实验仪器电磁打点计时器,导线,纸带,复写纸片,学生电源,小车,细绳,一端附有滑轮的长木板,钩码,刻度尺三、实验步骤1.把附有滑轮的长木板放在实验桌上,并使滑轮伸出桌面,把打点计时器固定在长木板上没有滑轮的一端,连接好电路;2.先把纸带穿过打点计时器,再把纸带的一端固定在小车的后面。
把一条细绳拴在小车上,使细绳跨过滑轮,下边挂上钩码;3.把小车停在靠近打点计时器处,接通电源后,释放小车,让小车拖着纸带运动,打点计时器就在纸带上打下一系列小点;4.关闭电流。
换上新的纸带,重复实验两次,则一组实验得到三条纸带;5.增减所挂钩码,按以上步骤再做两组实验。
四、注意事项1.在安装仪器时,要注意让滑轮伸出桌面外;2.细绳应与木板平行;3.固定打点计时器时应让限位孔处在长木板的中央位置;4.打点计时器应与低压电源4~6V交流输出连接;如果用电火花计时器,电源为220V交流电;5.开始释放小车时,应使小车靠近打点计时器;6.先接通电源,等打点稳定后,再释放小车;7.打点完毕,立即断开电源;8.选取一条点迹清晰的纸带,适当舍弃点密集部分,适当选取计数点(注意计数点与计时点的区别);9.测量时应使用长尺一次性将所有计数点的位置读出,注意读数应读到mm后一位(估读位);10.牵引小车的钩码质量要适宜。
如果质量过大,纸带上打出的计时点太少;如果质量过小,打出的点过于密集,不便于测量距离;11.要防止钩码落地,避免小车跟滑轮相碰,当小车到达滑轮前及时用手按住;12.在坐标纸上画v-t图像时,注意坐标轴单位长度的选取,应使图像尽量分布在较大的坐标平面内。
五、数据记录与处理第一组实验m砝码=计数点0 1 2 3 4 5 6 时刻(s)0 0.1 0.2 0.3 0.4 0.5 0.6 位置(m)速度(m/s)/ /PS.将选取处理的纸带贴在此处方法一:图像法求出加速度a=___2/m s (保留两位有效数字) 方法二:逐差法6543212()()(3)X X X X X X a T ++-++=a =___2/m s (保留两位有效数字)六、误差分析:本实验中,容易带来偶然误差的环节比较多,例如纸带上的长度测量、作图时的描点连线、时间间隔段的选取等。
探究小车速度随时间变化的规律实验报告单1. 实验背景嘿,大家好!今天咱们要聊的是一项有趣的实验,目的是探究小车在不同时间段内的速度变化。
这似乎有点小复杂,但是一想到小车在轨道上飞驰的样子,我的心里就激动不已。
毕竟,谁不喜欢看小车蹦蹦跳跳、风驰电掣呢?有句话说得好,“一分耕耘,一分收获”,咱们这次可得好好观察,不然就白费了这番功夫。
1.1 实验目的这次实验的目的是想搞懂小车的速度是怎么随着时间变化的。
小车开得快慢不一,不同的时间段是不是会有不同的速度呢?我们就像小侦探一样,得搞明白这个问题,既能满足自己的好奇心,又能学到些有用的知识,真是一举两得!1.2 实验工具咱们实验用到的工具,一说出来你们肯定觉得超简单。
首先是小车,别小看这个小家伙,它可是咱们的主角!其次是轨道,看上去就是一条长长的条,方便小车“飞奔”。
还有一些用来测量时间的工具,比如说秒表,还有能记录数据的纸和笔。
不多不少,刚好够用,真是省事儿。
2. 实验过程开始实验时,我的心里忐忑不安,生怕小车不听话,结果搞得一塌糊涂。
但一切准备就绪后,按下秒表,观测小车的起步速度。
哒哒哒,秒表开始滴答了!刚开始的时候,小车缓缓启动,像个害羞的小朋友。
然后,随着我们不断增加电压,小车翩翩起舞,冲得飞快!这小车真是喜怒无常,时快时慢,有时候像离弦之箭,有时候又慢吞吞地走,简直让人哭笑不得。
我还记得那一刻,小车在第一个时间段的速度是最快的,像是跟风儿赛跑。
但是,当时间一久,它慢慢稳定下来,仿佛意识到了自己的角色。
“我不是赛车,我是小车。
”嘿嘿,我也想象着小车在心里吐槽呢!2.1 记录数据将小车的速度记录下来后,我发现数据简直也是个宝藏。
根据时间段的不同,速度竟然有着明显的变化。
像极了人生,有高有低,有起有伏。
有些时间段,小车就像拼命追赶的学生,速度杠杠的;而有些时候,又像在做梦,慢得让人生无可恋。
真是一场小车的“心路历程”!2.2 总结分析经过这些观察,我意识到,小车的速度变化其实还真是和许多因素息息相关。
探究小车速度随时间变化规律实验报告一、探究(实验)目的:探究小车在斜面上的运动规律,根据打点计时器打出的纸带研究小车运动位移随时间变化的规律和速度随时间的变化规律。
二、实验器材:小车、长木板、电火花计时器、纸带、刻度尺等三、实验步骤:1、将电火花计时器固定在长木板上没有挡板的一端,然后将固定打点计时器这端用物体垫高让长木板成为斜面。
2、将纸带连接到小车的尾部,然后将纸带的另一端穿越打点计时器的限位孔,接着将小车移动到靠近打点计时器处,等待施放。
3、调整好小车所处的位置,打开连接好打点计时器的电源并打开开关,待打点稳定后,施放小车,进而打点计时器在纸带上打出点迹。
4、打完纸带后立即关闭打点计时器的开关。
5、跟换纸带重复实验2-3次。
四、实验数据处理记载:1、从打出的纸带中选取点迹清晰,并基本在同一条直线上的纸带进行标号测量。
2、为了处理方便并尽量让能够处理的数据多点,我每隔一个打印点选取的计数点。
如下图:3、利用刻度尺测量需要的数据:以第一个计数点作为小车运动时的位置坐标的原点。
并打点计时器打下此点时作为计时起点。
并利用平均速度近似表示瞬时速度的思想求出除掉始末两计数点的其他各点的瞬时速度。
4、设计表格记录数据表一表二5、利用表格中的数据用计算机软件做出图像如下:一、小车位置坐标随时间变化的图像:由图像我们得出小车位置坐标随时间变化的规律符合:y=367.03x2+181.7x+0.0282 的函数关系,即在物理学上为:S=367.03t2+181.7t+0.0282 也就是说小车的位置坐标与时间呈现二次方关系。
二、小车速度随时间变化的图像由图像我们可以得出小车速度随时间变化的规律符合:y=730.98x+182.4 的函数关系,即在物理学上为:v=730.98t+182.4 也就是说小车的速度与时间呈现线性关系。
探究小车速度随时间变化规律实验报告一、探究(实验)目的:探究小车在斜面上的运动规律,根据打点计时器打出的纸带研究小车运动位移随时间变化的规律和速度随时间的变化规律。
二、实验器材:小车、长木板、电火花计时器、纸带、刻度尺等三、实验步骤:1、将电火花计时器固定在长木板上没有挡板的一端,然后将固定打点计时器这端用物体垫高让长木板成为斜面。
2、将纸带连接到小车的尾部,然后将纸带的另一端穿越打点计时器的限位孔,接着将小车移动到靠近打点计时器处,等待施放。
3、调整好小车所处的位置,打开连接好打点计时器的电源并打开开关,待打点稳定后,施放小车,进而打点计时器在纸带上打出点迹。
4、打完纸带后立即关闭打点计时器的开关。
5、跟换纸带重复实验2-3次。
四、实验数据处理记载:1、从打出的纸带中选取点迹清晰,并基本在同一条直线上的纸带进行标号测量。
2、为了处理方便并尽量让能够处理的数据多点,我每隔一个打印点选取的计数点。
如下图:3、利用刻度尺测量需要的数据:以第一个计数点作为小车运动时的位置坐标的原点。
并打点计时器打下此点时作为计时起点。
并利用平均速度近似表示瞬时速度的思想求出除掉始末两计数点的其他各点的瞬时速度。
4、设计表格记录数据 小车位置坐标随时间变化的数据记录表格时间(s) 0 0.04 0.08 0.12 0.16 0.2 0.24 0.28 0.32 0.36 0.4 0.44 0.48 0.52 0.56 0.6 位置坐标(mm ) 0 7.9 17 27 38.3 51.5 65 79.1 95.8 113 132 151 172 194 217 241小车速度随时间变化的数据记录表格时间(s) 0.04 0.08 0.12 0.16 0.2 0.24 0.28 0.32 0.36 0.4 0.44 0.48 0.52 0.56速度(mm/s ) 212.5 238.75 266.25 306.25 333.75 345 385 423.75 448.75 468.75 502.5 547.5 561.25 583.755、利用表格中的数据用计算机软件做出图像如下:一、小车位置坐标随时间变化的图像:由图像我们得出小车位置坐标随时间变化的规律符合:y=367.03x2+181.7x+0.0282 的函数关系,即在物理学上为:S=367.03t2+181.7t+0.0282 也就是说小车的位置坐标与时间呈现二次方关系。
厦门大同中学物理实验报告姓名班级座号指导教师得分实验名称:匀变速运动的实验探究一.实验目的1。
练习打点计时器的使用、纸带的数据处理和瞬时速度的测量方法;2.用打点计时器研究小车在重物牵引下的运动,探究小车速度随时间的变化规律;3.能用v-t图象探究小车速度随时间的变化规律。
二。
实验原理利用打出的纸带,计算出多个点的瞬时速度,分析速度和时间的关系。
1.计算打各计数点时小车的速度,应在计数点附近取一个很短的时间t∆,用t∆内的平均速度作为打该计数点小车的瞬时速度。
2.用描点法作出小车的v—t图象,图象的斜率表示加速度。
若v—t图象是一条倾斜的直线,说明小车的速度是均匀变化的。
三.实验仪器电源、导线、打点计时器、小车、4个25 g的钩码、一端带有滑轮的长木板、带小钩的细线、纸带、刻度尺、坐标纸等.四.实验步骤1.将打点计时器用配套的螺旋夹固定在长木板的一边, 连接好电路。
(如无螺旋夹时可在长木板上敲几个长钉紧靠打点计时器的前后借以固定;有的用大弹簧夹子把打点计时器紧夹在长木板边缘也可,但要注意不能影响打点计时器工作。
)2.将挂有重物的细绳跨过滑轮与小车相连接。
(调节滑轮的高度使细线与木板平行,小车能在木板上平稳滑行,操作时必须注意使细绳的拉力通过小车的重心,以免小车前进时小车转动或摇晃,可在系好细绳后试拉一下小车,观察车身是否作直线运动。
)3.将穿过打点计时器的纸带与小车厢连接。
(操作时要将纸带紧紧地夹在小车上,以免小车运动时纸带松开,可用弹簧夹子夹住,但不要使纸带破损,以免小车启动时把纸带拉断。
)4.使小车停靠在打点计时器处,先接通电源,后释放小车,让小车在水平长木板上运动,打点计时器同时开始工作,在纸带上打出一系列的点。
(操作时应试打几次,不要使点迹过分密集或过分疏散,若觉得太密集时可增加绕过滑轮线绳下所系的重物,反之则减小。
)5.打出纸带后,关闭电源,取下纸带,改变钩码的质量,重复上述步骤,多打出几条纸带(3—5条)。
物理探究小车速的随时间变化的规律实验
实验标题:物理探究小车速度随时间变化的规律实验
实验目的:
1. 观察小车在匀速运动时速度随时间的变化规律。
2. 测量小车的匀速运动速度。
3. 加深对匀变速直线运动概念的理解。
实验原理:
匀速运动是指物体在单位时间内所移动的路程相等,即速度不随时间变化。
匀速运动遵循以下规律:
v = s/t
其中,v为速度,s为位移,t为时间。
实验器材:
小车、计时器、尺子、电源等。
实验步骤:
1. 准备好小车,将其置于平整的实验台面上。
2. 通过电源为小车供电,使其以恒定的功率运行。
3. 在小车运动路线上,标记出若干等距离的位置点。
4. 小车通过起点时,启动计时器。
当小车经过各个标记点时,记录相应的时间。
5. 根据位移和时间的数据,计算小车在不同时间段内的平均速度。
6. 绘制小车速度随时间的变化曲线。
预期结果:
如果小车保持匀速运动,则速度随时间的变化曲线应当是一条平行于时间轴的直线。
曲线上任意两点之间的斜率都等于小车的运动速度。
思考题:
1. 如果小车的运动受到阻力的影响,速度曲线会有何变化?
2. 如何改变实验设置,使小车运动为匀变速直线运动?
实验注意事项:
1. 确保实验台面平整,避免小车运动受到干扰。
2. 准确标记位置点,并精确记录时间数据。
3. 实验过程中注意安全,避免发生危险。
通过这个实验,我们可以直观地观察到匀速运动的运动规律,并对相关物理概念有更加深入的理解。
探究小车速度随时间变化的规律实验
一、实验目的
本实验旨在研究小车速度随时间变化的规律,探讨小车初始速度对最终速度的影响,以及小车加速或减速时速度变化的趋势。
二、实验内容
实验用到的设备有:小车、拉杆、拉杆控制器、指南針、测速仪等。
1.准备小车并完成拉杆调节
首先,拿出小车,将拉杆和拉杆控制器安装在小车上,根据拉杆控制器上的指南針指示进行调节,确保小车的发动机正常运转。
2.测量小车的速度
将测速仪安装在小车上,重复测量小车的速度,记录下每次测量的速度值,记录发动机工作时间,以此来研究小车速度随时间变化的规律。
三、实验结论
1.小车初始速度越大,最终速度越快。
2.小车加速时,速度呈上升趋势;减速时,速度呈下降趋势。
1物理实验报告姓名班级I学号I I指导教师 得分实验名称: 探究小车速度随时间变化的规律一.实验目的1进一步练习打点计时器的使用、纸带的数据处理和瞬时速度的测量方法; 2•用打点计时器研究小车在重物牵引下的运动,探究小车速度随时间的变化规律; 3•能用v-t 图象探究小车速度随时间的变化规律。
二.实验原理利用打出的纸带,计算出多个点的瞬时速度,分析速 度和时间的关系。
1. 计算打各计数点时小车的速度,应在计数点附近取 一个很短的时间t ,用t 内的平均速度作为打该计数点 小车的瞬时速度2. 用描点法作出小车的v-t 图象,图象的斜率表示加速度。
若说明小车的速度是均匀变化的电源、导线、打点计时器、小车、4个25 g 的钩码、一端带有滑轮的长木板、带小钩的细 线、纸带、刻度尺、坐标纸等。
四. 实验步骤1. 将打点计时器用配套的螺旋夹固定在长木板的一边 ,连接好电路。
(如无螺旋夹时可在长木板上敲几个长钉紧靠打点计时器的前后借以固定;有的用大弹簧夹子把打点计时器紧夹在 长木板边缘也可,但要注意不能影响打点计时器工作。
)2. 将挂有重物的细绳跨过滑轮与小车相连接。
(调节滑轮的高度使细线与木板平行,小车能 在木板上平稳滑行,操作时必须注意使细绳的拉力通过小车的重心,以免小车前进时小车转动 或摇晃,可在系好细绳后试拉一下小车,观察车身是否作直线运动。
)3. 将穿过打点计时器的纸带与小车厢连接。
(操作时要将纸带紧紧地夹在小车上,以免小车 运动时纸带松开,可用弹簧夹子夹住,但不要使纸带破损,以免小车启动时把纸带拉断。
)卓由■■比•■理5v-t 图象是一条倾斜的直线,.实验仪器?X△X 31HH ——H _______________戊*■ ■ A—■—一厶一 一 ■ — —,1 [i 11丨丨1]111]|1111]1 II IHI|[卩丨叫t 1ipiirimliinnn i[0 1 123 —45fL7g一 012——-——[34. 使小车停靠在打点计时器处,先接通电源,后释放小车,让小车在水平长木板上运动,打点计时器同时开始工作,在纸带上打出一系列的点。
探究小车速度随时间变化的规律的实验报告1. 实验背景1.1 介绍实验目的大家好,今天咱们来聊聊小车的速度是怎么变化的,听起来有点高大上,其实就是看小车跑得快慢嘛!就像咱们平时开车,有时候走得飞快,有时候又慢得像乌龟。
这次实验的目的就是要搞明白,为什么小车在不同时间下,速度会有所不同。
1.2 实验的意义这可不仅仅是为了好玩哦,了解速度变化的规律,对于我们学习物理知识,提升科学素养可都是大有裨益的!想象一下,如果你能预测小车的速度变化,那就能提前做出反应,避免碰撞,简直就是安全驾驶的小高手!2. 实验材料与步骤2.1 实验材料首先,咱们需要准备的东西不多,一个小车、一个斜坡(最好是平滑的),还有一个计时器。
你还可以找个卷尺,测量一下小车的行驶距离,当然也少不了你那颗好奇的心!2.2 实验步骤好啦,接下来就让我们来进行实验吧!首先,把斜坡设置好,确保小车能顺利下滑。
然后,把小车放在斜坡的顶端,准备好计时器。
当小车开始下滑时,立刻开始计时,看看它跑了多远。
每隔一段时间(比如每秒钟),就记录一下它的位置和速度。
这样一来,咱们就能得出小车速度随时间变化的规律啦。
3. 实验结果与分析3.1 数据记录经过一番折腾,咱们终于得到了实验数据。
比如说,小车在0秒时的速度是0,1秒时的速度是5米每秒,2秒时的速度是10米每秒……哇!这速度变化得可真快,简直像坐上了火箭!通过这些数据,我们可以看出小车速度是逐渐增加的。
3.2 规律总结根据我们的实验结果,可以得出一个规律:小车的速度是随着时间逐渐增加的,这就是“加速度”的感觉啦!就像我们在生活中,有时候事情会随着时间推移而变得更加顺利,速度也会越来越快!这一发现不仅让我们对物理的认识更深,也让我们在生活中多了一些思考:有些事情,虽然一开始进展缓慢,但只要坚持,总会迎来蓬勃发展的那一天。
4. 实验的启示与反思4.1 启示通过这次实验,我们不仅仅是玩了个小车,更多的是理解了速度与时间的关系,知道了物理原理背后的乐趣。
小车速度实验报告篇一:探究小车速度随时间变化的实验报告探究小车速度随时间变化规律实验报告一、探究(实验)目的:探究小车在斜面上的运动规律,根据打点计时器打出的纸带研究小车运动位移随时间变化的规律和速度随时间的变化规律。
二、实验器材:小车、长木板、电火花计时器、纸带、刻度尺等三、实验步骤:1、将电火花计时器固定在长木板上没有挡板的一端,然后将固定打点计时器这端用物体垫高让长木板成为斜面。
2、将纸带连接到小车的尾部,然后将纸带的另一端穿越打点计时器的限位孔,接着将小车移动到靠近打点计时器处,等待施放。
3、调整好小车所处的位置,打开连接好打点计时器的电源并打开开关,待打点稳定后,施放小车,进而打点计时器在纸带上打出点迹。
4、打完纸带后立即关闭打点计时器的开关。
5、跟换纸带重复实验2-3次。
四、实验数据处理记载:1、从打出的纸带中选取点迹清晰,并基本在同一条直线上的纸带进行标号测量。
2、为了处理方便并尽量让能够处理的数据多点,我每隔一个打印点选取的计数点。
如下图:3、利用刻度尺测量需要的数据:以第一个计数点作为小车运动时的位置坐标的原点。
并打点计时器打下此点时作为计时起点。
并利用平均速度近似表示瞬时速度的思想求出除掉始末两计数点的其他各点的瞬时速度。
4、设计表格记录数据5、利用表格中的数据用计算机软件做出图像如下:一、小车位置坐标随时间变化的图像:由图像我们得出小车位置坐标随时间变化的规律符合:y=367.03x2+181.7x+0.0282的函数关系,即在物理学上为:S=367.03t2+181.7t+0.0282也就是说小车的位置坐标与时间呈现二次方关系。
二、小车速度随时间变化的图像由图像我们可以得出小车速度随时间变化的规律符合:y=730.98x+182.4的函数关系,即在物理学上为:v=730.98t+182.4也就是说小车的速度与时间呈现线性关系。
篇二:测量小车的平均速度实验报告称钩初级中学八年级物理实验报告篇三:探究小车速度与时间关系实验报告实验1:探究小车速度随时间变化的规律实验报告一、实验目的用打点计时器研究小车在重物牵引下的运动,研究小车的速度是随时间怎样变化的二、实验仪器电磁打点计时器,导线,纸带,复写纸片,学生电源,小车,细绳,一端附有滑轮的长木板,钩码,刻度尺三、实验步骤1. 把附有滑轮的长木板放在实验桌上,并使滑轮伸出桌面,把打点计时器固定在长木板上没有滑轮的一端,连接好电路;2. 先把纸带穿过打点计时器,再把纸带的一端固定在小车的后面。
探究小车速度随时间变化的规律实验报告探究小车速度随时间变化的规律实验报告引言:小车速度随时间变化的规律是物理学中一个重要的研究课题。
通过实验探究小车在不同条件下的速度变化规律,可以帮助我们更好地理解物体运动的本质和运动规律。
本实验旨在通过观察小车在不同斜度下的滑动情况,研究小车速度随时间变化的规律。
实验材料:1. 小车2. 斜面3. 计时器4. 直尺5. 测量器具实验步骤:1. 将斜面固定在桌子上,并确保斜面的倾斜度能够使小车顺利滑下。
2. 将小车放在斜面上,并确保小车的起始位置相同。
3. 使用计时器记录小车滑下斜面所需的时间。
4. 重复实验多次,取平均值作为数据的准确性保证。
5. 改变斜面的倾斜度,重复上述实验步骤,记录数据。
实验结果:根据实验数据,我们可以绘制出小车速度随时间变化的图表。
通过观察图表,我们可以得出以下结论:1. 随着时间的推移,小车的速度逐渐增加。
在实验中,我们可以观察到小车在滑下斜面的过程中,速度逐渐增大,直到达到一个稳定的值。
这表明小车的加速度在不断增加,直到达到平衡状态。
2. 斜面的倾斜度对小车速度的影响很大。
当斜面的倾斜度增加时,小车的速度也随之增加。
这是因为斜面的倾斜度增加会增加小车受到的重力分量,从而加速小车的下滑速度。
3. 小车速度随时间变化的规律是一个曲线。
在实验中,我们可以观察到小车速度随时间变化的图表呈现出一条曲线,而不是一条直线。
这是因为小车在滑下斜面的过程中,受到了摩擦力的影响,速度并不是线性增加的。
讨论与分析:通过本次实验,我们可以得出小车速度随时间变化的规律。
然而,实际情况中还存在一些其他因素的影响,例如空气阻力和摩擦力等。
这些因素会使得实验结果与理论结果有所偏差。
因此,在实际应用中需要综合考虑这些因素,进行更加精确的实验设计和数据分析。
结论:通过本次实验,我们探究了小车速度随时间变化的规律。
实验结果表明,小车的速度随着时间的推移逐渐增加,并受到斜面倾斜度的影响。
探究小车速度随时间变化的规律实验报告 小组 姓名实验目的:1.根据相关实验器材,设计实验并熟练操作。
2.会运用已学知识处理纸带,求各点瞬时速度。
3.会用表格法处理数据,并合理猜想。
4.巧用v —t 图象处理数据,观察规律。
实验要求:1.初步学习根据实验要求设计实验,完成某种规律的探究方法。
2.初步学会根据实验数据进行猜测探究、发现规律的探究方法。
3.认识数学化繁为简的工具作用,直观地运用物理图象展现规律,验证规律。
4.通过实验探究过程,进一步熟练打点计时器的应用,体验瞬时速度的求解方法。
实验器材:电源、导线、打点计时器、小车、4个25 g 的钩码、一端带有滑轮的长木板、带小钩的细线、纸带、刻度尺、坐标纸等。
实验步骤:1、把打点计时器固定在实验桌上(不许松动!),(是电磁式还是电火花式?)连接电源(通电检查!)。
2、把纸带穿过限位孔,复写纸压在纸带上(纸带在下复写纸在上!试拉检查!)。
3、先通电等待1~2s,后拖动或释放物体(先通电后拉动!控制快慢!)。
4、先切断电源,后取下纸带(先断电后取带!)。
5、再取2~3条纸带,重复2~4步2~3次.。
6、选取纸带(点迹清晰?漏点拖点?),测量点编号(注意先后!写下序号!),数点计时(点数不等于间隔数!)。
7、用刻度尺测量距离(最小分度?有效数字?),记录数据(如实地记录原始数据!),保留纸带(不能丢失!)。
8、整理实验器材(不要忘记!)。
实验数据处理方法:1、 纸带的选取:2、 采集数据的方法:3、 如何利用求平均速度来求得的小车的瞬时速度?数据处理:1、数据记录cmTx x T x v 221201021+==2、在坐标纸上画出小车运动的速度时间图像。
问题与练习:1、剪下的纸条长度表示0.1 s时间内位移大小,可近似认为速度1.0xv∆=。
v∝Δx,纸条长度可认为表示速度。
2、小车拖动纸带运动时打点计时器在纸带上打出的点如下图所示。
在纸带上从点迹清晰的某点开始取一个起点并记为0,然后每隔4个点取一个计数点,分别记为1、2、3、4、5,测出相邻的两个计数点间的距离分别为xo1=10mm、x12=14mm、x23=18mm、x34=22mm、x45=26mm。
探究小车速度随时间变化的规律实验结论1. 实验的背景和目的1.1 开场白大家好,今天咱们来聊聊一个挺有趣的话题——小车的速度变化。
提到小车,你可能会想到那种在公路上飞驰的赛车,或者是你童年时推的小玩具车。
没错,今天咱们就要亲自来研究一下这小车速度随时间的变化,看看它到底是怎么回事!1.2 实验的意义其实,速度这玩意儿可不简单。
它和时间、距离都紧密相连,像是拴在一起的三兄弟。
咱们通过实验,想搞清楚小车在不同时间段的表现如何,究竟是稳扎稳打,还是一开始飞快,后来慢下来,或者是慢热型,后劲十足。
好比说,有的人上班总是慢吞吞,结果到公司后突然加速,简直让人眼前一亮!2. 实验的步骤与过程2.1 准备工作先说说准备工作。
为了这个实验,我们准备了一个小车、一根平坦的轨道,还有一个计时器。
话说,光有小车可不行,还得有个靠谱的轨道,不然小车一头撞上去,后果不堪设想,就像我小时候骑自行车,一不小心就摔了个狗吃屎!2.2 实验开始实验一开始,我们先把小车放在起点,准备好计时器,哼哼,那一瞬间,心里真是小鹿乱撞,期待着小车的表现。
然后,我们轻轻一推,小车就开始“嗖”地一声跑了出去。
哎哟,我的天,这小车的速度可真是让人惊讶,刚开始就飞快,真是有些让人措手不及!我们记录下它每经过一个固定距离所需的时间,像是在盯着一场紧张刺激的赛跑。
3. 结果与分析3.1 观察结果通过一系列的实验数据,发现小车在起步的几秒钟内速度真是一个“飞天小女警”,但随着时间的推移,它的速度开始逐渐减慢。
这里就有意思了,有点像你追剧追得特别投入,结果到最后却发现剧情拖沓,心里一阵无奈。
不过,不用担心,这也是正常现象,毕竟小车不是赛车,它的动力有限嘛。
3.2 结论总结所以,通过这次实验,我们可以得出结论,小车的速度随时间变化的规律大致是:刚开始快,随后减速。
这个过程就像人生一样,前期拼命向前,后面总有点力不从心,但只要你坚持,总会有属于你自己的精彩瞬间!所以,虽然小车的速度会慢下来,但我们依然要给它点赞,毕竟它努力过,也曾给我们带来过不少乐趣。
小车速度随时间变化规律实验
实验内容:小车速度随时间变化规律
近日,我们在实验室进行了一次关于小车速度随时间变化规律的实验。
在实验前,我们使用做好的模型小车,检查了其工作状态。
体积小、便于移动,内部装有可编程控制器,可以让小车根据设定的参数自动完成巡逻任务。
在小车设备检查确认无误后,实验开始。
在实验现场,我们让小车行进100米,测量小车的速度随时间的变化。
在走完100米的时间内,小车的速度呈下降趋势,即小车从能够达到最大速度到100米终点,其速度衰减至零,即小车的速度随时间变化规律为减速运动,可以用一元一次函数来描述其速度与时间的关系。
实验室进行此次实验,目的在于了解做出来的小车能否正确地运行,并将小车运动过程数据记录下来,用以日后研究小车智能控制系统的发展。
实验过程是比较正常的,无特殊情况发生。
最终,我们证实,我们设计的模型小车能够按照定义的小车速度随时间变化规律进行准确行进,且无明显卡壳、掉电现象发生。
通过本次实验,我们深刻认识到,小车除功能要求可靠外,更需要关注小车运动规律,因为小车控制系统对于小车行驶规律有着相应的要求。
实验数据也可以作为研究机器人行驶规律的参考,可供后续有关研究与设计。
探究小车速度随时间变化的规律实验报告一、实验目的本实验旨在探究小车在运动过程中速度随时间的变化规律,通过测量和分析数据,得出小车的运动特点,并验证相关的物理理论。
二、实验原理当小车在光滑的平面上运动时,如果忽略摩擦力的影响,小车的运动可以近似看作匀变速直线运动。
根据匀变速直线运动的速度公式:$v = v_0 + at$(其中$v$是末速度,$v_0$是初速度,$a$是加速度,$t$是时间),通过测量小车在不同时间点的速度,我们可以分析出速度随时间的变化关系,进而求出加速度。
三、实验器材1、带有滑轮的长木板2、小车3、打点计时器4、纸带5、细绳6、钩码7、刻度尺8、电源四、实验步骤1、安装实验装置将长木板平放在实验桌上,并使滑轮伸出桌面,把打点计时器固定在长木板上没有滑轮的一端,连接好电源。
将纸带穿过打点计时器的限位孔,并将纸带的一端固定在小车的后面,另一端通过细绳跨过滑轮与钩码相连。
调整滑轮的高度,使细绳与长木板平行。
2、进行实验把小车放在长木板上靠近打点计时器的位置,先接通电源,再释放小车,让小车拖着纸带运动。
当小车到达木板的另一端时,立即关闭电源。
3、数据采集取下纸带,选择点迹清晰、间隔适当的一段纸带,每隔 4 个点取一个计数点,依次标为 A、B、C、D、E……用刻度尺测量相邻计数点间的距离,分别记作$x_1$、$x_2$、$x_3$、$x_4$……4、数据分析根据打点计时器打出的纸带,计算出各计数点的瞬时速度。
以时间为横坐标,速度为纵坐标,建立直角坐标系,描绘出速度随时间变化的图像。
五、数据处理与分析1、计算瞬时速度假设相邻两个计数点之间的时间间隔为 T,根据匀变速直线运动中间时刻的瞬时速度等于这段时间内的平均速度,可得计数点 B 的瞬时速度$v_B =\frac{x_2 x_1}{2T}$,同理可计算出其他计数点的瞬时速度。
2、绘制速度时间图像将计算出的各计数点的瞬时速度填入表格,并在直角坐标系中描点。
实验2:<探究小车速度随时间变化的规律>实验报告
高一( ) 姓名:
实验步骤和数据处理
(1)从每组实验的3条纸带中选择一条打点间隔合理、连续点较清晰的纸带;
(2)舍掉纸带开头比较密集的点,在便于测量的地方选定一个点为起始点,并标上“0”; (3)此后每数到第5个点为一个计数点,依次标上1、2、3……;
(4)用刻度尺测量出包含某个计数点在内的一段位移Δx ,Δx 所对应的时间Δt 应适当小些,这样得到的平均速度比较接近该计数点的瞬时速度。
将测量数据记入表中。
(5)测量2条不同钩码数对应的纸带,将测量数据记入表中。
(6)求出各计数点的瞬时速度,填入表中。
(7)以速度v 为纵轴,时间t 为横轴建立直角坐标系,取0号计数点为t=0时刻,根据实验中所得数据描点(t n , v n ),分析这些点的的分布规律,然后用一条曲线(含直线)“拟合”这些点,作出小车运动的v-t 图线,画曲线时要使它两侧的点数大致相同。
实验结论
小车的速度随时间 ; 纸带1所对应小车的加速度 a 1= m/s 2,
纸带2所对应小车的加速度 a 2= m/s 2。