亚德客型MK系列薄型气缸
- 格式:pdf
- 大小:5.97 MB
- 文档页数:1
神威气动 文档标题:亚德客标准气缸尺寸亚德客标准气缸尺寸的介绍:引导活塞在缸内进行直线往复运动的圆筒形金属机件。
空气在发动机气缸中通过膨胀将热能转化为机械能;气体在压缩机气缸中接受活塞压缩而提高压力。
涡轮机、旋转活塞式发动机等的壳体通常也称“气缸”。
气缸的应用领域:印刷(张力控制)、半导体(点焊机、芯片研磨)、自动化控制、机器人等等。
二、气缸种类:①单作用气缸:仅一端有活塞杆,从活塞一侧供气聚能产生气压,气压推动活塞产生推力伸出,靠弹簧或自重返回。
②双作用气缸:从活塞两侧交替供气,在一个或两个方向输出力。
③膜片式气缸:用膜片代替活塞,只在一个方向输出力,用弹簧复位。
它的密封性能好,但行程短。
④冲击气缸:这是一种新型元件。
它把压缩气体的压力能转换为活塞高速(10~20米/秒)运动的动能,借以做功。
⑤无杆气缸:没有活塞杆的气缸的总称。
有磁性气缸,缆索气缸两大类。
做往复摆动的气缸称摆动气缸,由叶片将内腔分隔为二,向两腔交替供气,输出轴做摆动运动,摆动角小于280°。
此外,还有回转气缸、气液阻尼缸和步进气缸等。
三、气缸结构:气缸是由缸筒、端盖、活塞、活塞杆和密封件等组成,其内部结构如图所示:2:端盖端盖上设有进排气通口,有的还在端盖内设有缓冲机构。
杆侧端盖上设有密封圈和防尘圈,以防止从活塞杆处向外漏气和防止外部灰尘混入缸内。
杆侧端盖上设有导向套,以提高气缸的导向精度,承受活塞杆上少量的横向负载,减小活塞杆伸出时的下弯量,延长气缸使用寿命。
导向套通常使用烧结含油合金、前倾铜铸件。
端盖过去常用可锻铸铁,为减轻重量并防锈,常使用铝合金压铸,微型缸有使用黄铜材料的。
3:活塞活塞是气缸中的受压力零件。
为防止活塞左右两腔相互窜气,设有活塞密封圈。
活塞上的耐磨环可提高气缸的导向性,减少活塞密封圈的磨耗,减少摩擦阻力。
耐磨环长使用聚氨酯、聚四氟乙烯、夹布合成树脂等材料。
活塞的宽度由密封圈尺寸和必要的滑动部分长度来决定。
神威气动 文档标题:亚德客气缸三维下载亚德客气缸三维下载的介绍:引导活塞在缸内进行直线往复运动的圆筒形金属机件。
空气在发动机气缸中通过膨胀将热能转化为机械能;气体在压缩机气缸中接受活塞压缩而提高压力。
涡轮机、旋转活塞式发动机等的壳体通常也称“气缸”。
气缸的应用领域:印刷(张力控制)、半导体(点焊机、芯片研磨)、自动化控制、机器人等等。
二、气缸种类:①单作用气缸:仅一端有活塞杆,从活塞一侧供气聚能产生气压,气压推动活塞产生推力伸出,靠弹簧或自重返回。
②双作用气缸:从活塞两侧交替供气,在一个或两个方向输出力。
③膜片式气缸:用膜片代替活塞,只在一个方向输出力,用弹簧复位。
它的密封性能好,但行程短。
④冲击气缸:这是一种新型元件。
它把压缩气体的压力能转换为活塞高速(10~20米/秒)运动的动能,借以做功。
⑤无杆气缸:没有活塞杆的气缸的总称。
有磁性气缸,缆索气缸两大类。
做往复摆动的气缸称摆动气缸,由叶片将内腔分隔为二,向两腔交替供气,输出轴做摆动运动,摆动角小于280°。
此外,还有回转气缸、气液阻尼缸和步进气缸等。
三、气缸结构:气缸是由缸筒、端盖、活塞、活塞杆和密封件等组成,其内部结构如图所示:2:端盖端盖上设有进排气通口,有的还在端盖内设有缓冲机构。
杆侧端盖上设有密封圈和防尘圈,以防止从活塞杆处向外漏气和防止外部灰尘混入缸内。
杆侧端盖上设有导向套,以提高气缸的导向精度,承受活塞杆上少量的横向负载,减小活塞杆伸出时的下弯量,延长气缸使用寿命。
导向套通常使用烧结含油合金、前倾铜铸件。
端盖过去常用可锻铸铁,为减轻重量并防锈,常使用铝合金压铸,微型缸有使用黄铜材料的。
3:活塞活塞是气缸中的受压力零件。
为防止活塞左右两腔相互窜气,设有活塞密封圈。
活塞上的耐磨环可提高气缸的导向性,减少活塞密封圈的磨耗,减少摩擦阻力。
耐磨环长使用聚氨酯、聚四氟乙烯、夹布合成树脂等材料。
活塞的宽度由密封圈尺寸和必要的滑动部分长度来决定。
产品名称:亚德客二联件GFC300-10选型手册
气压传动系统中,气动二联件是指空气过滤器和减压阀二大件无管连接而成的组件称为二联件。
二大件是多数气动系统中不可缺少的气源装置,安装在用气设备近处,是压缩空气质量的最后保证。
三大件的安装顺序依进气方向分别为空气过滤器、减压阀和油雾器。
空气过滤器和减压阀组合在一起可以称为气动二联件。
有些场合不能允许压缩空气中存在油雾,则需要使用油雾分离器将压缩空气中的油雾过滤掉。
1、气压传动标准件供应商:日本:SMC(中高端市场)、喜开理(CKD)、小金井(KOGANEI)等;中国:台湾亚德客(AirTAC)、华能、台湾新恭(SHAKO)、气立可(CHELIC)等;德国:费斯托(Festo)(高端市场)美国:博世力士乐(Bosch-Rexroth)、Park等。
英国:诺冠2、典型气动系统的组成:气动系统一般有方向控制阀、气动执行元件、各种气动辅助元件及气源净化元件组成。
3、压缩空气的压强一般为0.5~0.7MPa。
4、工厂内对于耗气量比较大或需要稳定气压的设备一般需要为设备单独添置储气罐。
5、常用的气动元件:1)气源处理组合单元:干燥机、干燥器、防湿气凝结管、空气过滤器、雾分离器、油雾分离器、除臭过滤器、自动排水器、电动式自动排水器、减压阀、过滤减压阀、缓慢启动电磁阀、电气比例阀、增压阀等2)气动控制元件:3通先到电磁阀、3通直动式电磁阀、3通气控阀、5通先导式电磁阀、5通气控阀、2通先导式电磁阀、2通直动式电磁阀、2通气控阀等3)气动执行元件:气动马达、喷枪、微型气缸CJ1、针形气缸CJP2/CJP、标准型气缸CJ2、自由安装型气缸CU、机械接合式无杆气缸MY1、磁偶式无杆气缸CY3B/CY3R、气动滑台MXH、导向轴承双缸气缸MXQ、带导杆气缸MGJ、双联/基本型气缸CXS、旋转夹紧气缸MK、止动气缸RSQ、行程可读出气缸CE1、叶片旋转气缸/齿轮齿条旋转气缸、摆动气缸CRQ2、伸摆气缸MRQ、气爪(平行式、支点式)/阔型气爪等4)电动执行元件5)真空元件:真空发生器、真空负压表、真空吸盘等;6)压力检测元件7)除静电元件8)辅助气动元件:空压机、储气罐、管接头6、熟悉气缸的型号1)(空间布局、动力特性、连接固定方式和配件信息等),熟悉标示和每个字母、数字的含义,并能快速查阅型录获得技术信息。
2)熟悉气缸的动力特性和空间布局。
像定位、夹紧等对于气缸输出力、速度和行程要求不高,或者要求停电不会造成安全事故隐患的场合,可考虑用单作用气缸,其他的情况一般采用双作用气缸;需要大动力时可用串联增压气缸,运动有精度要求时刻用带导杆气缸或滑台气缸。
亚德客气动元件概述气动执行元件气动控制元件气源处理元件气动辅助元件客制化产品气动执行元件SE、SI、SGC/SG系列属ISO15552标准,SC、SU、执行AIRTAC标准(125以上执行ISO6430标准)气缸基本构造与工作原理1234568910111213141 缓冲密封圈2 磁石3 缓冲头4 气缸本体5 滑动轴承6 防尘密封圈7 前端盖8 前气口9 感应开关10 活塞杆11 活塞密封件12 导向环13 后端盖14 缓冲节流阀3、缓冲结束1、活塞即将进入缓冲区2、缓冲开始6、活塞快速前进4、活塞开始前进5、活塞慢速前进缓冲节流气缸的缓冲气缸的密封:气缸密封性能的好坏,是影响气缸性能的重要因素。
按密封原理,可将密封圈分成压缩密封圈和气压密封圈两大类。
压缩密封是依靠安装时的预压缩力使密封圈产生弹性变形而达到密封作用的;气压密封是靠工作气压使密封圈的唇部变形来达到密封作用的。
无气压力时有气压力时压缩空气活塞密封圈(a)(b)材质中文名称使用温度使用场合TPU聚氨酯-40~80°C普通场合(较硬,耐磨)NBR丁腈橡胶-20~80°C普通场合(较软,耐油)FPM(VITON)氟橡胶-20~150°C耐高温序号名称1鱼眼接头2连接板(无)3Y/i 接头4浮动接头5LB轴向固定架6FA/FB法兰固定板7导向装置(无)8TC固定架系列9CB双耳固定架10CR单耳固定架11CA单耳固定架12磁感应开关气缸的安装附件MI/MIC系列MF/MFC系列MG/MGC系列PB/PBR系列MA/MAC/MAR系列MAL系列迷你圆筒气缸产品特点:气缸体积小,结构紧凑,重量轻,缸径小,反应快,可适用于较高频率的工作环境;除MAL系列缸体采用铝合金作硬质阳极氧化外,其它系列缸体均用高精度不锈钢管,强度高,抗腐蚀;前后盖与缸体连接采用铆合滚包结构(MAL采用螺纹及加厌氧胶连接),连接可靠多种后盖形式使气缸安装更方便产品特点简介型号缸径(mm)行程(mm)主要特点SMC替换MI 8~40600ISO6432,螺纹外径粗且外伸较长,不锈钢缸体和活塞杆C85MF20~40600JIS,螺纹外径粗且外伸较短,不锈钢缸体和S45C活塞杆CM2MG 20~63800JIS,不锈钢缸体和S45C活塞杆(SMC为铝合金缸体)CG1PB 4,6,10,12,16300JIS,螺纹外径粗且外伸较短,不锈钢缸体和活塞杆,4为黄铜PBR为316L缸体,PB4/6只可前盖安装,PBR自带安装孔PB:CJ2/CJ1(4)PBR:CJ2RMA 16~63500企标,不锈钢缸体和S45C活塞杆CM2RA2MAL20~401200企标,螺纹外径粗且外伸较短,铝合金缸体和S45C活塞杆,细螺纹连接MI/MIC系列MF/MFC系列MG/MGC系列PB/PBR系列MA/MAC/MAR系列MAL系列型号缸径(mm)行程(mm)可调行程(mm)主要特点SMC替换ACE 12~10030010~100ISO21287,结构紧凑,螺纹连接C55ACP 12~100400DIN,TPU防撞垫,螺纹连接-ACQ 12~100100JIS,TPU防撞垫,扣环固定CQ2SDA12~100130企标,NBR防撞垫,扣环固定-ACQ 系列SDA 系列ACP 系列薄型气缸ACE系列采用进口润滑脂,降低了低温低速时的爬行现象一旦加油润滑,中途不可停止可选用耐高温密封材料可保证气缸在150℃条件下正常工作缸筒与前端盖采用机械弹力扣环连接,组装拆卸容易,便于维修;后盖与本体均采用铆合式连接,更加可靠活塞上增加了耐磨环结构,使其导向精度和支撑能力大为提高气缸本体作硬质氧化、滚压处理运动阻力小,缸体更耐磨复动3000KM,单动300万次结构特点衍生产品大缸径系列(125,140,160 mm)行程10~300mm,防撞垫和密封O令均为NBR 长行程系列(32~100 mm)行程125~300 mm前盖导向套加长,32无带导杆系列TACQ(12~100 mm)不回转精度高12,16为±0.2°,20~100为±0.1°SDAT复动多位置型SDAW双轴复动多位置型多位置气缸多位置气缸SDAW(四位置)多位置气缸SDAT(三位置)薄型治具气缸MD 系列MK 系列型号缸径(mm)行程(mm)可调行程(mm)主要特点SMC替换MD 6~326010,20,30企业标准,后端盖扣环固定-MK 6~326010,20,30JIS,带导向杆防旋转CU MU6,8,1030-JIS,带导向凸台,定位准确CUJMU 系列多位置自由安装气缸HLH 系列型号缸径(mm)行程(mm)主要特点SMC替换HLH 6,10,16,2060侧滑轨,循环滚珠+直线导轨,高精度,中载荷MXH HLQ 6,8,12,16,20,25150循环滚珠+直线导轨,高精度,中载荷MXQ HLS150交叉滚柱+直线导轨,高精度,重载荷MXSHLS 系列进出气口(3面,默认底部)HLQ 系列定位销孔(滑块+本体)定位销孔(滑块+本体)滑台固定板循环滚珠式导轨组合缸体固定板循环滚珠式导轨组合缸体HLQ单轨(6/8) HLQ双轨(12/16/20/25)HLS(6/8/12/16/20/25)导轨安装结构外部挡块型式安装与使用说明气缸固定治具固定HFY 系列型号缸径(mm)使用频率主要特点SMC替换HFZ 6~40180 c.p.m 线性导轨设计,高精度,高刚性MHZ2HFY 6~32180 c.p.m 角度开闭使用范围广,自带节流阀MHC2HFP 6~32180 c.p.m(60)夹紧力大,夹持精度高-HFR10~3260 c.p.m180°开闭型,防尘设计MHY2HFZ 系列HFP 系列HFR 系列专利结构HFZ HFY安装与使用说明HRQ 系列型号缸径(mm)回转角度(°)重复精度主要特点SMC替换HRQ2,3,7,10,20,30,50,70,100,2000~190°0~200°(>70)调整螺丝:±0.2°油压缓冲器:±0.05°双活塞齿轮齿条式,运转平稳固定防撞垫+油压缓冲器MSQ本体采用铝挤型模具,表面喷细砂后硬阳处理前盖压铸成型,表面喷砂-烤漆处理。
神威气动 文档标题:德克斯气缸德克斯气缸的介绍:引导活塞在缸内进行直线往复运动的圆筒形金属机件。
空气在发动机气缸中通过膨胀将热能转化为机械能;气体在压缩机气缸中接受活塞压缩而提高压力。
涡轮机、旋转活塞式发动机等的壳体通常也称“气缸”。
气缸的应用领域:印刷(张力控制)、半导体(点焊机、芯片研磨)、自动化控制、机器人等等。
二、气缸种类:①单作用气缸:仅一端有活塞杆,从活塞一侧供气聚能产生气压,气压推动活塞产生推力伸出,靠弹簧或自重返回。
②双作用气缸:从活塞两侧交替供气,在一个或两个方向输出力。
③膜片式气缸:用膜片代替活塞,只在一个方向输出力,用弹簧复位。
它的密封性能好,但行程短。
④冲击气缸:这是一种新型元件。
它把压缩气体的压力能转换为活塞高速(10~20米/秒)运动的动能,借以做功。
⑤无杆气缸:没有活塞杆的气缸的总称。
有磁性气缸,缆索气缸两大类。
做往复摆动的气缸称摆动气缸,由叶片将内腔分隔为二,向两腔交替供气,输出轴做摆动运动,摆动角小于280°。
此外,还有回转气缸、气液阻尼缸和步进气缸等。
三、气缸结构:气缸是由缸筒、端盖、活塞、活塞杆和密封件等组成,其内部结构如图所示:2:端盖端盖上设有进排气通口,有的还在端盖内设有缓冲机构。
杆侧端盖上设有密封圈和防尘圈,以防止从活塞杆处向外漏气和防止外部灰尘混入缸内。
杆侧端盖上设有导向套,以提高气缸的导向精度,承受活塞杆上少量的横向负载,减小活塞杆伸出时的下弯量,延长气缸使用寿命。
导向套通常使用烧结含油合金、前倾铜铸件。
端盖过去常用可锻铸铁,为减轻重量并防锈,常使用铝合金压铸,微型缸有使用黄铜材料的。
3:活塞活塞是气缸中的受压力零件。
为防止活塞左右两腔相互窜气,设有活塞密封圈。
活塞上的耐磨环可提高气缸的导向性,减少活塞密封圈的磨耗,减少摩擦阻力。
耐磨环长使用聚氨酯、聚四氟乙烯、夹布合成树脂等材料。
活塞的宽度由密封圈尺寸和必要的滑动部分长度来决定。
滑动部分太短,易引起早期磨损和卡死。
以下为亚德客气缸型号大全,一起来看看吧。
亚德客是全球知名专业生产各类气动器材的大型企业集团,致力于向客户提供满足其需求的气动控制元件、气动执行元件、气源处理元件、气动辅助元件等各类气动器材、服务和解决方案,为客户创造长期的价值和潜在的增长。
亚德客始创于1988年,现辖三大生产基地和一家营销中心,亚德客生产基地厂房面积达37万8千平方米,全球员工总计超过4500人,专业研发技术人员300多人,亚德客气缸型号大全总投资亿美元,年生产能力达5,000万件套,产品畅销中国、东南亚、欧美等国家和地区。
亚德客在中国大陆地区拥有近百家直销分公司/营业部,亚德客气缸型号大全在全球更是有数千家经销商,主要位于欧洲、美洲及亚洲,形成了完善的销售网络和售后服务体系,可随时为客户提供便捷的服务。
亚德客以拓展集团生产和服务为未来发展的战略目标,坚持走人本优先、改革创新和集团化道路。
秉承“人本、共享、发展、责任”的企业核心价值观,亚德客始终如一地贯彻“以客为尊”的经营理念,始终如一地坚持“以技术创新为核心,亚德客气缸型号大全以市场需求为导向”的经营方针,藉以不断完善“建立共好、责任承担、赏罚分明、学习成长”的集团文化,努力奋斗,自强不息,长久致力于全球工业自动化的持续发展。
台湾亚德客工业股份有限公司(简称台亚)成立于1988年11月,前身系健良股份有限公司,1990年更名为台亚。
早期的台亚主要生产电磁阀,此后亚德客气缸型号大全陆续研发生产气缸、气源处理等产品。
目前,台亚产品以特殊规格气缸为主,拥有七大类十余系列数百个品种,年产量达到20万件套,主要供应台湾本地市场,满足客户需求及时效性。
1998年,台亚在同行中率先通过“ISO9000质量管理体系认证”;2004年,台亚取得“ISO14000环境体系认证”及“CE认证”。
长期以来,台亚秉持“质量第一、交货准时”的服务精神及理念满足客户需求,亚德客气缸型号大全不断引进先进设备、生产工艺提升产品质量与品质。
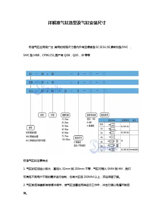
详解准气缸选型及气缸安装尺寸标准气缸应用很广泛,常用的规格尺寸国内外有亚德客型SC,SI,SU,SE,费斯托型DNC ,SMC型MBB,CP96,CS1,国产有QGB,QGS,JB等等标准气缸的主要特点1. 气缸的缸径由小到大,直径从32mm到250mm不等,气缸行程从5MM到4M,我们可满足不同用户不同的需求进行定制,也有大缸径250MM以上,欢迎详细了解。
2. 气缸前后端盖都有带缓冲调节,使气缸活塞在两端运行工作中,冲击力强以免撞坏前后端。
3. 气缸固定安装方式有各式各样,其目的是为了解决设备自动化的应用需求,下面会有详细的介绍气缸如何选型(气缸型号的选定)呢?先要根据气缸使用的主要功能、场所、安装要求及实地操作形式选定种类:标准气缸、迷你气缸、超薄气缸、双轴气缸、无杆气缸等等;要实际符合机械自动化设备使用的气缸内缸(缸径)及距离(行程)。
缸径:指的是缸筒内壁的直径,主要决定因素为气缸的负载及气源供气压力。
可以根据负载及系统正常工作压力计算出所需气缸推(拉)力;注意:在选用气缸时,其工作载荷应其在60%-80%之间为佳,在使用同等的气压情况下,内径越大,气缸的推力也越大。
行程:指的是将超过工件移动距离的小标准行程作为行程确定的依据。
如:实际使用时要求气缸将某工件移动的大距离为97mm,则安标准行程系列,超过97mm选用标准行程为100mm,还有认为这种方式:活塞杆伸出去与缩回后之间的误差间距,大多数以为气缸本身的外露也算是行程,其实这是错误的,不能计算为行程。
在国内常用的标准气缸的功能大致是差不多,主要是解决机械设备自动化的安装方式及所需要距离,下面小编整理出有关气缸的选型代表的方式,带您了解下气缸的基本知识及工作原理。
标准气缸外形尺寸表及基本概述及安装方式及安装参数法兰板安装有头部法兰安装(FA)和尾部法兰安装(FB),需要确认活塞杆的距离和法兰板BD,BF的安装尺寸,而尾部法兰安装(FB),同理只要保证法兰到气缸顶端的距离。
神威气动 文档标题:亚德客气缸型号一、亚德客气缸型号的介绍:引导活塞在缸内进行直线往复运动的圆筒形金属机件。
空气在发动机气缸中通过膨胀将热能转化为机械能;气体在压缩机气缸中接受活塞压缩而提高压力。
涡轮机、旋转活塞式发动机等的壳体通常也称“气缸”。
气缸的应用领域:印刷(张力控制)、半导体(点焊机、芯片研磨)、自动化控制、机器人等等。
二、气缸种类:①单作用气缸:仅一端有活塞杆,从活塞一侧供气聚能产生气压,气压推动活塞产生推力伸出,靠弹簧或自重返回。
②双作用气缸:从活塞两侧交替供气,在一个或两个方向输出力。
③膜片式气缸:用膜片代替活塞,只在一个方向输出力,用弹簧复位。
它的密封性能好,但行程短。
④冲击气缸:这是一种新型元件。
它把压缩气体的压力能转换为活塞高速(10~20米/秒)运动的动能,借以做功。
⑤无杆气缸:没有活塞杆的气缸的总称。
有磁性气缸,缆索气缸两大类。
做往复摆动的气缸称摆动气缸,由叶片将内腔分隔为二,向两腔交替供气,输出轴做摆动运动,摆动角小于280°。
此外,还有回转气缸、气液阻尼缸和步进气缸等。
三、气缸结构:气缸是由缸筒、端盖、活塞、活塞杆和密封件等组成,其内部结构如图所示:2:端盖端盖上设有进排气通口,有的还在端盖内设有缓冲机构。
杆侧端盖上设有密封圈和防尘圈,以防止从活塞杆处向外漏气和防止外部灰尘混入缸内。
杆侧端盖上设有导向套,以提高气缸的导向精度,承受活塞杆上少量的横向负载,减小活塞杆伸出时的下弯量,延长气缸使用寿命。
导向套通常使用烧结含油合金、前倾铜铸件。
端盖过去常用可锻铸铁,为减轻重量并防锈,常使用铝合金压铸,微型缸有使用黄铜材料的。
3:活塞活塞是气缸中的受压力零件。
为防止活塞左右两腔相互窜气,设有活塞密封圈。
活塞上的耐磨环可提高气缸的导向性,减少活塞密封圈的磨耗,减少摩擦阻力。
耐磨环长使用聚氨酯、聚四氟乙烯、夹布合成树脂等材料。
活塞的宽度由密封圈尺寸和必要的滑动部分长度来决定。