喷粉产品检验标准样本
- 格式:doc
- 大小:148.00 KB
- 文档页数:5
标准工时制作日期########卡尺千分尺卷尺目测制作审核作业项目页次1/2版本A 1.目的:明确客户外观判定标准,准确把握品质,以保证生产。
2.适用范围:所有项目所有量产的喷粉类产品外观判定标准3.检验规范3.1 检验条件,3.1.1 检验角度:成45度目视检验3.1.2 检验距离:距物品45—60CM3.1.3 检验环境:日常日光灯光源下检验3.1.4 检验工具:目视检验及使用样板对照。
3.2抽样依据3.2.1 抽样方案依据国标GB2828.1-2003抽样标准。
3.2.2外观按照正常一次抽样的一般II级抽样水准AQL=0.4验收4.外观标准:4.1.不可有结构不良,变形、裂纹、碰伤、漏底、掉漆等。
4.2.色差参照样品(⊿e <1.5)。
4.3.表面不可有脏污,油污、橘皮等问题。
4.4.不可使用指定以外的材质。
4.5.不可有刮手的利边或批峰。
4.6. 边缘切口平整,无缺口或凸出。
4.7.产品表面有异物(黑点),划伤,按右侧标准允/拒收。
4.8.喷粉件的颜色、表面效果必须和确认OK 的色样保持一致。
4.9.每批产品都需要邮件提供百格测试的图片 。
XY-GLOBAL喷分类产品检验通用标准零件名称粉喷类产品外观检验标准使用工具检验指导bowen标准工时制作日期########卡尺千分尺卷尺目测制作审核作业项目页次2/2版本A 5.表面异物判定标准产品表面有异物(黑点),划伤,用异物/划伤对比菲林片进行确认,判定标准如下表:备注说明:产品外观分为A/B/C/D 四个面,针对不同面设定不同的外观判定标准。
(产品的A/B/C/D 面需要与客户共同依据组装状况最终确定)零件名称粉喷类产品外观检验标准使用工具检验指导bowen。
文件编号JY-QP-GL-00-0制定部门管理部1目的:明确公司产品的表面喷涂质量标准,以使进料检验与判定有章可循2范围:公司所有喷涂工件,除客户有特殊要求外其余均适用。
3权责:3.1品管:负责委外喷涂的各项项目检验与判定;4定义:4.1A面:工件装配后经常看到的外表面(正面)4.2B面:工件组装后不经常看到,但在一定条件下能看到的(侧面);4.3C面:一般看不到,或只有在装配过程中才能看到的面(里面)5作业内容:5.1外观检验条件:5.1.1光灯,在220V 50HZ 40W的日光灯下或是自然光下,视力达1.2以上。
5.1.2双手带作业手套握持喷涂件,先东西方向水平放置目测产品,再上下旋转一定的角度目测,逐步检查每一面;产品在一个方向目测完后,将喷涂件以铅垂方向为轴,旋转90度,水平放置目测,再上下旋转一定的角度目测,逐步检查产品的每一面。
5.1.3目测距离:A级面为30cm,B等级面为50cm;C等级面为100cm。
5.2检验方式按光源标准要求区分产品的等级面,所有等级面涂膜应无基材露底、剥离等缺陷,所有表面应无划痕、颗粒、起泡、桔皮、针孔,积粉、喷流、色差、漏底、杂质、喷薄等不良等现象。
在眼睛距离等级面的标准处,以3m/min速度扫描检查。
5.3外观允收标准:NO. 缺陷种类规格值(mm)面积限度(平方毫米)检查工具100以下100-300 300以上A B C A B C A B C1 划伤长10,宽0.1以下023 0 34 1 45 游标尺点测规线测规卷尺长10,宽0.15以下0 1 2 0 2 3 1 3 4长15,宽0.1以下0 0 1 0 1 1 1 2 3宽0.15以上0 0 0 0 0 1 0 1 22 颗粒0.3以下 1 23 2 34 3 4 5游标尺点测规0.4以下0 1 2 1 2 3 2 3 40.5以下0 0 1 0 1 2 0 2 3文件编号JY-QP-GL-00-0制定部门管理部3 凹孔φ0.3以下 1 1 2 2 2 3 3 3 4游标尺点测规φ0.5以下0 0 1 1 1 2 2 2 3φ0.5以上0 0 0 0 0 1 0 0 24 杂质0.3以下 1 2 3 2 3 4 3 4 5游标尺点测规0.4以下0 1 1 1 2 3 1 3 40.4以上0 0 0 0 1 1 0 2 25 折弯压痕长2,宽0.2以下0 2 3 1 3 4 3 4 5游标尺长4,宽0.2以下 1 2 2 2 3 3 3 4 4长5以上0 1 1 1 2 2 2 3 3宽0.2以上0 0 1 1 0 2 0 2 36 色泽、脱落--- 除指定色板上下限外,不可掺杂色与脱落目测7 光泽--- 按设计指定并不可有不均现象目测8 油渍、污渍--- 不可有目测9 积粉、桔皮--- 不可有目测10 喷流--- 不可有目测备注:黑色粗线方框内的数值为判定标准,如“2”表示在规定的条件下,不允许超过2处。
喷粉检验标准
权责
质检部:负责对喷粉的各项产品检验与判定
喷粉车间:负责对喷粉过程的各项产品自检工作
检验方式与标准
1.目测,所有涂层应无基材露底,剥离等缺陷,所有涂面应无划痕,颗粒,起泡,桔皮,针孔,积粉,色差,杂质,喷薄等不良现象。
2.目测,产品表面喷粉要均匀,连续,色泽一致。
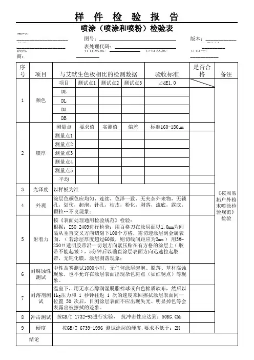
3.附着力,在试样上横向划10行间距为1MM的平行线,然后纵向划10行间距为1MM的平行线,要求交叉且垂直,形成100个1MM平方的面积,然后用胶带粘贴,在贴胶带时应使胶带与实验区紧密结合,不能有气泡或起皱,2—3分钟垂直于涂层方向迅速拉起,要求所有试样上的涂层与基材之间都应100%附着,不可有掉粉现象。
4.硬度,粉层的硬度不低于2H铅笔硬度,要求铅笔与工件保持45度,施用1KG的力,向前移动10MM选择不同的地方做5次,涂层表面应无明显掉粉现象。
5.厚度,在试样上一半喷涂,目测无涂层面与涂层面的外观,厚度应大于50微米。
1.目的:使公司生产及托外加工的喷粉件质量符合产品标准要求。
2.适用范围:本公司产品所使用的喷粉件。
3.定义:(无)。
4.权责:4.1开发部负责标准的制定、修改和换版。
4.2制造部负责按本标准规定进行加工制作。
4.3采购部负责按本标准规定要求进行托外加工。
4.4品管部负责按本标准规定进行检验、验收。
5.技术要求:5.1前处理要求5.1.1无特别规定时,工件的机械加工、成型、焊接和打孔应在处理前完成。
5.1.2碱洗后的工件,不应有油脂、乳浊液等污物,其表面应能被水完全润湿。
5.1.3酸洗后的工件,不应有目视可见的氧化物、锈迹和过腐蚀现象,其表面色泽均匀。
5.1.4磷化后的工件,颜色应为浅灰色或深灰色,膜层应结晶致密,连续和均匀。
5.2上挂要求5.2.1工件表面应为浅灰色或深灰色。
5.2.2磷化膜层表面应结晶致密,连续和均匀。
5.2.3表面不可有锈蚀或绿斑。
5.2.4表面不可严重挂灰及不应有未磷化的残余空白。
5.2.5表面不可挂有水迹和二次生锈。
5.2.6工件焊接位置须正,无焊渣、焊瘤等焊接缺陷。
5.2.7表面无喷粉无法覆盖的凹坑等材质不良现象。
5.2.8表面有轻微挂灰、水迹时,用湿布擦干净后上挂。
5.2.9 磷化膜耐腐性能,用硫酸铜点滴,观察液滴从天蓝变为浅黄色或淡红色的时间不低于20秒。
5.3喷粉质量5.3.1外观质量批准:审核:编写:发文部门:开发部、制造部、品管部负责部门:开发部A.涂层平整均匀,色泽基本一致;色差参照实物。
B.允许涂层不显眼处有未穿透的擦伤,其划痕总长不超过200mm.产品主要件主视面不能有划痕、划伤现象。
C.工件不允许有未烘干现象,烘烤后具有粉末本身的光泽度。
D.喷粉后工件表面不应见底材;不允许出现面积大于1mm2喷瘤或粉块,面积不大于1mm2喷瘤或粉块不得多于3处;且不得集中分布。
E.工件表面不允许有杂质、混色等。
F.喷粉件表面允许有少量小的气孔、气泡、针眼等现象。
不允许面积大于1mm2的气泡, 面积小于1mm2气泡不得多于3处.G.喷粉厚度:工件表面为60-80um,焊缝及死角处为80-120um.H.喷粉表面及焊缝不允许有锈斑、锈块、脱落现象。
喷粉件检验标准1 目的本标准定义XX冲压喷粉件产品外观品质的基本要求,并确立允收/拒收之准则。
2 适用范围本标准适用于XX生产的所有冲压件产品。
3 相关文件《壁挂炉产品外观检验标准》。
4 定义A级面(重要):客户经常看到的面,如面板,机箱的上表面、正面等。
B级面(次重要):不移动的情况下,客户偶尔能看到的面,如外壳的后面、侧面等。
C级面(次要):产品在移动或被打开时才能看到的面,如框架组件的底面,内部零件的表面等。
5 检测条件及方法5.1 所有检验均应在正常照明,并模拟最终使用条件下进行。
检测过程中不使用放大镜,所检验表面和人眼呈45?角。
A级面在检测时应转动,以获得最大反光效果。
B级面和C级面在检测期间不必转动。
光源=60W荧光灯零件表面人眼距离500毫米面停留10秒,B级面停留5秒,C级面停留3秒。
6 液体/干粉喷涂外观标准6.1允收总则6.1.1所有的等级面应当喷涂完好且满足颜色、光泽度、厚度、附着力等方面的要求。
6.1.2液体喷涂允许补漆,但补漆后的表面应满足喷涂面缺陷允收表中B 级面和C级面的允收标准。
6.1.3缺陷允收定义了1250平方毫米的区域内各类缺陷的最大允收数量。
对于较大的零件表面,可允收数量和该表面所含1250平方毫米区域数量成正比,但是,两个或两个以上缺陷不能相连。
6.2缺陷定义6.2.1杂质:喷涂面上的外来物。
6.2.2凹痕:基体材料压痕造成的喷涂面局部凹陷。
6.2.3掉漆:局部表面掉漆造成的缺陷。
6.2.4刮痕:浅底的沟槽。
6.2.5桔皮:喷涂面因涂料附着力差而导致起皱,象桔子皮样的外观。
6.2.6流痕:喷涂涂料过多且不均匀且干燥导致的流痕。
6.2.6变色:喷涂面颜色不一致。
6.2.7涂层过薄:涂层厚度不够。
6.2.8气泡:有气泡或无附着力的喷涂区域。
6.2.10污迹:由于基体材料缺陷或不干净而导致零件喷涂表面有污迹或颜色不规则。
6.3缺陷允收表(喷漆/喷涂面)每个面缺陷的总数不超过允收的界限,如下表所示:喷涂表面缺陷允收表允收标准缺陷类型 A级面 B级面 C级面每1250平方毫米区域内不得超过3个,缺陷最大尺杂质不允收寸:直径1毫米,高度0.25毫米,两个缺陷相距不允收小于50毫米凹痕不允收不允收允收掉漆不允收不允收允收不允收每1250平方毫米区域内不得超过4个,缺允收,但刮伤刮痕不允收陷最大尺寸:长6.5毫米,宽0.5毫米,补漆后表面不能穿过漆层完好允收,但刮伤不能穿过漆层桔皮不允收不允收不允收流痕不允收不允收允收变色不允收不允收允收气泡不允收不允收不允收污迹不允收不允收允收7 印刷产品外观标准7.1 允收总则 and tamping, clear template prior to placing the debris, and water wet template; control since the height of the concrete shall not exceed 1.5M; dense wall bushing with the same level of fine aggregate concrete for pouring concrete pouring, pouring top layered slopes and adjacent two layers of pouring interval must not exceed 1h. Strengthen the maintenance of waterproofing concrete, the baseboardafter the concrete has been poured, immediately cover it with plastic sheeting and strengthening conservation. Strengthen the construction quality control of construction joints, horizontal construction jointsfor Foundation slab, set plate sealing strip, the construction of water stop steel concrete compacting. In front of the poured concrete walls, the joint surfaces for cutting hair, remove floating particles, andrinse to keep moist. VI reinforcement Engineering (a) steel raw material requirements of the engineering design of main structure of steelprimary steel and grade of steel. Steel comes into play, should beaccompanied by the manufacturer's quality certificate, and Visual inspection by the engineering technology, materials, personnel,including specifications, diameter tolerance, have no cracks, pores, surface corrosion. In all of steel quality certificate complete Shi, by test room by batch sampling do retest, each bulk is unlikely to Yu 60t, each acceptance batch in the take sample a group, including 2 root pull, and 2 root bent try pieces, 5 root size, and weight try pieces, try pieces from any three root (or two disc) steel in the interception, each root steel Shang cut7.1.1所有的等级面应当印刷完好且满足颜色、光泽度、附着力等方面的要求。
喷粉件检验标准一喷涂件外观检查1. 喷涂后的产品包装必须按照包装作业要求进行包装保护,以保证件与件、层与层隔离保护,最终起到产品之防护之作用.2. 比对样板或色板(客供板)对涂层颜色进行对比,色差值⊿E要求:浅色漆一般为≤0.8,深色或带银粉漆一般为≤1.5,黑色为≤2.2(可用色差仪测试);3. 目视涂层产品表面喷涂要均匀、连续、色泽一致,无夹杂其他杂物,无缩孔、起泡、针孔、开裂、剥落、麻点、颗粒、流挂、露底、掉漆、掉粉等缺陷;非桔纹粉或无特殊纹理要求时不能出现桔皮现象.4 . 在零件内表面的深凹、且不易查看处.死角处(如D级面),允许有手工刷涂的涂层、以消除露底现象,但保证颜色与其他部位保持一致.二喷涂件膜厚测试1.用膜厚仪测试,一般漆层厚度为30-50um,砂纹粉涂层为60-80um,桔纹粉涂层为80-120um.参照具体要求.(若客户有特殊要求时依据客户要求执行).三. 喷涂件附着力测试1 . (百格测试)在试样上横向划10行间距为1㎜的平行线,然后在纵向划10行间距为1㎜的平行线,要求交叉且垂直,这样就形成100个面积为1 m ㎡的方格,然后用标准3M胶带粘贴,在贴胶带时应使胶带与试验区紧密结合,不能有气泡或起皱,2-3分钟后垂直于涂层方向迅速拉起,要求所有试样上的底漆与面漆与基体之间都应100%附着,不可有掉漆掉粉现象.四. 喷涂件抗冲击性测试1 .对喷有油漆的(试样片)喷涂面进行正冲试验,要求每一片试样上的漆层都有应达到50kg.cm.的冲击力.五. 喷涂件耐溶剂性测试1. 室温下,用无水乙醇润湿脱脂棉球或白色棉质软布,然后以1kg压力和1秒钟往返1次的速度来回擦拭涂层表面同一位置20次后,目测涂层表面应无失光、明显掉色、掉漆、掉粉等会表露出底材等迹象.六.喷涂件涂层硬度测试1 .涂层的硬度不低于2H铅笔硬度,要求铅笔与工件保持45º施加约1㎏的力,向前移动 10㎜,选择不同的地方做5次涂层表面应无明显掉漆、掉粉等迹象.七.喷涂件耐摩擦测试1. 以直径6.35mm的圆形橡皮放置于涂层表面并垂直加载约1.6kg,在25.4mm 的行程内以每分30次往返的速度摩擦20次。
喷粉产品检验标准 This manuscript was revised on November 28, 20201.目的规范喷粉产品外观及性能的通用检验规范,使QC检验人员准确地、更快地掌握喷粉产品的检验,保证产品品质。
2.范围本标准适用于公司喷粉车间所有喷粉制成品的质量检验。
3.职责品质部:依本标准进行检验与测试;生产部:依本标准进行产品生产;资材部(仓库):依本标准进行仓存。
4.作业程序检验场地:喷粉生产车间;检验工具:百格刀、软毛刷、3M胶带、直尺、铅笔、橡皮擦、%无水酒精、棉花棒、千分尺外观检验环境:5.缺陷分类严重缺陷(MAJ): 漏喷、涂层脱落、同一工件明显色差轻微缺陷(MIN):属外观轻微缺陷,非严重缺点或者主要缺点,不影响使用或装配;.外观面区域划分:①A级面(关键区域):此区域非常重要,它通常在产品的正面,是客户容易看到的区域,例如:扶手、挡风玻璃支架、顶篷支撑、箱子外表面等;②B级面(重要区域):此区域通常是指产品的侧面,客户可以看到,但不会非常关注,例如:刹车踏板、顶篷架(散件除外)、玻璃门把手、箱子内表面等;③C级面(非重要区域):此区域通常不能充分看到,一般是组装在产品内部或产品在下表面,例如:车架、轴承座、摇臂、箱子顶部、箱子底部等;6.检验标准材料定性:6.1.1用于制造喷粉件的粉体及前处理化学制剂应为研发部认可的材料;6.1.2供应商应向我司提交每一批次的材料出厂合格证及材料性能试验报告;6.1.3粉体应为户外用粉体,超过贮存期或潮湿的粉体不允许继续使用;6.1.4加入前处理槽内的各种化学制剂符合行业的相关标准;原材料检验:检验人员须核实原材料的出厂合格证及材料性能试验报告;工序检查:检验人员须对产品的生产过程进行严格控制,监控各工序的执行情况,监督作业员按照工艺标准进行操作,如有异常及时在现场进行处置。
铁件、铝件喷涂的工序依次为:打磨→上件→除锈→中和→除油→清洗1→清洗2→表调→磷化→清洗3→烘干→上挂→喷粉→固化→下挂→检验→包装→仓存;不锈钢喷涂的工序依次为:打磨→清洁→上挂→喷粉→固化→下挂→检验→包装→仓存。
1.目的规范喷粉产品外观及性能的通用检验规范,使QC检验人员准确地、更快地掌握喷粉产品的检验,保证产品品质。
2.范围本标准适用于公司喷粉车间所有喷粉制成品的质量检验。
3.职责3.1品质部:依本标准进行检验与测试;3.2生产部:依本标准进行产品生产;3.3资材部(仓库):依本标准进行仓存。
4.作业程序4.1检验场地:喷粉生产车间;4.2检验工具:百格刀、软毛刷、3M胶带、直尺、铅笔、橡皮擦、99.8%无水酒精、棉花棒、千分尺粉11 12 色差拒收拒收允收允收5.缺陷分类5.1严重缺陷(MAJ): 漏喷、涂层脱落、同一工件明显色差5.2轻微缺陷(MIN):;属外观轻微缺陷,非严重缺点或者主要缺点,不影响使用或装配5.3.外观面区域划分:①A级面(关键区域):此区域非常重要,它通常在产品的正面,是客户容易看到的区域,例如:扶手、挡风玻璃支架、顶篷支撑、箱子外表面等;:此区域通常是指产品的侧面,客户可以看到,但不会非常关注,级面(重要区域)B②例如:刹车踏板、顶篷架(散件除外)、玻璃门把手、箱子内表面等;③C级面(非重要区域):此区域通常不能充分看到,一般是组装在产品内部或产品在下表面,例如:车架、轴承座、摇臂、箱子顶部、箱子底部等;6.检验标准6.1材料定性:6.1.1用于制造喷粉件的粉体及前处理化学制剂应为研发部认可的材料;6.1.2供应商应向我司提交每一批次的材料出厂合格证及材料性能试验报告;6.1.3粉体应为户外用粉体,超过贮存期或潮湿的粉体不允许继续使用;6.1.4加入前处理槽内的各种化学制剂符合行业的相关标准;6.2原材料检验:检验人员须核实原材料的出厂合格证及材料性能试验报告;6.3工序检查:检验人员须对产品的生产过程进行严格控制,监控各工序的执行情况,监督作业员按照工艺标准进行操作,如有异常及时在现场进行处置。
铁件、铝件喷涂的工序依次为:打磨→上件→除锈→中和→除油→清洗1→清洗2→表调→磷化→清洗3→烘干→上挂→喷粉→固化→下挂→检验→包装→仓存;不锈钢喷涂的工序依次为:打磨→清洁→上挂→喷粉→固化→下挂→检验→包装→仓存。
喷粉附着力检验标准《喷粉附着力检验标准:为品质保驾护航》嘿,你知道吗?在工业的奇妙世界里,喷粉就像是给产品穿上了一件酷炫的外衣!但这件外衣要是质量不过关,那可就闹出大笑话啦!就好比一个人穿着随时会掉皮的衣服去参加重要场合,多尴尬呀!所以呀,喷粉附着力检验标准那可是超级重要的,不搞懂这个标准,产品的质量就像在风浪中摇曳的小船,随时可能翻船哦!一、“牢固派对:紧紧相依不分离”在这个牢固派对里呀,可不能有“叛徒”!“喷粉附着力就像是产品和涂层之间的爱情誓言,必须坚如磐石,不离不弃呀!”喷粉后的涂层要与产品表面紧密结合,不能轻易剥落。
这就好比是一对恩爱的夫妻,手牵手面对生活的风风雨雨,绝不松开彼此的手。
我们可以通过划格试验等方法来检验附着力是否达标,比如用划格器在涂层上划出小格子,然后用胶带粘贴,看看涂层会不会被粘下来。
要是轻易就被粘下来了,那可就太“不靠谱”啦,这产品肯定是过不了关的呀!二、“均匀狂欢:一马平川无瑕疵”涂层的均匀程度就像是一场狂欢派对,不能有“冷场”的地方呀!“这涂层得像阅兵式上的方阵一样,整齐划一,绝不能有厚薄不均的情况出现!”均匀的涂层不仅能让产品外观更加美观,还能保证附着力的一致性。
想象一下,如果涂层有的地方厚得像棉被,有的地方薄得像纱巾,那得多难看呀!我们可以通过肉眼观察、测厚仪测量等方法来确保涂层的均匀性,可不能让那些“厚薄不均大赏”的情况出现哦!三、“光滑盛宴:如丝般顺滑”这场光滑盛宴呀,那就是要追求极致的触感!“涂层得像丝绸一样光滑,让手指在上面滑过都能感受到一种愉悦!”光滑的涂层不仅能提升产品的质感,还能减少灰尘等杂质的附着。
就好像我们喜欢摸光滑的东西,而不是粗糙刺手的玩意儿。
可以用手去触摸感受涂层的光滑度,或者借助一些专业的仪器来检测表面粗糙度。
要是涂层摸起来坑坑洼洼的,那可就太掉档次啦!四、“颜色狂欢:色彩斑斓不失真”在颜色的狂欢中,可不能让色彩“跑偏”啦!“这涂层的颜色必须要像明星的妆容一样,精准无误,光彩照人!”颜色的准确性和稳定性是非常重要的,不能出现色差或者褪色的情况。
喷粉百格测试判定标准使用方法用百百格刀在测试试样本表面划10×10个(100个个)11mm×1mm小网格,每一一条划线线应深及油漆漆的底层;用用毛刷将测试区域的碎碎片刷干净。
用3M600号号胶纸或等同效力的的胶纸牢牢粘粘住被测试小网格,并用橡皮擦用用力擦拭胶带带,以加大胶胶带与被测区域的接接触面积及力力度;用手抓抓住胶带一一端,在垂直直方向(90°)迅速扯下下胶纸,同一一位置进进行2次相同同试验。
判定方法:规定利用3M600或6110的胶带黏黏贴于百格中中,快速拉起起3M胶带,其其面漆或电度度层被胶胶带黏起的数数量依照百格格的百分比比:ISO等级:0=ASTM等级:5B切口的边缘缘完全光滑,格子边缘缘没有任何剥剥落。
ISO等级:1=ASTM等级:4B在切口的相相交处有小片剥落,划划格区内实际际破损≤5%。
ISO等级:2=ASTM等级:3B切口的边缘缘和/或相交交处有被剥落落,其面积大大于5%~155%。
ISO等级:3=ASTM等级:2B沿切口边缘缘有部分剥落落或整大片片剥落,或部部分格子被整整片剥落。
剥剥落的面积超超过15%~35%。
ISO等级:4=ASTM等级:1B切口边缘大大片剥落/或或者一些方格格部分或全部部剥落,其其面积大于划划格区的35%%~65%。
ISO等级:5=ASTM等级:0B在划线的边边缘及交叉点处有成片片的油漆脱落落,且脱落总总面积大于65%。
依照客户要要求B数测试试是否通过过百格实验,一般手机业业界客户要求求在4B以上上。
正式的话是使用百格格刀,横向与纵小方格.如无百格纵向各划1刀及型成100各细小,利用美工刀也也可以,利用3M600或610的胶带带黏贴于百格格中,快速拉拉起3M胶带带,测刀利试脱脱落数量。
1.目的规范喷粉产品外观及性能的通用检验规范,使QC检验人员准确地、更快地掌握喷粉产品的检验,保证产品品质。
2.范围本标准适用于公司喷粉车间所有喷粉制成品的质量检验。
3.职责3.1品质部:依本标准进行检验与测试;3.2生产部:依本标准进行产品生产;3.3资材部(仓库):依本标准进行仓存。
4.作业程序4.1检验场地:喷粉生产车间;4.2检验工具:百格刀、软毛刷、3M胶带、直尺、铅笔、橡皮擦、99.8%无水酒精、棉花棒、千分尺4.3外观检验环境:5.缺陷分类5.1严重缺陷(MAJ):漏喷、涂层脱落、同一工件明显色差5.2轻微缺陷(MIN):属外观轻微缺陷,非严重缺点或者主要缺点,不影响使用或装配;5.3.外观面区域划分:①A级面(关键区域):此区域非常重要,它通常在产品的正面,是客户容易看到的区域,例如:扶手、挡风玻璃支架、顶篷支撑、箱子外表面等;②B级面(重要区域):此区域通常是指产品的侧面,客户可以看到,但不会非常关注,例如:刹车踏板、顶篷架(散件除外)、玻璃门把手、箱子内表面等;③C级面(非重要区域):此区域通常不能充分看到,一般是组装在产品内部或产品在下表面,例如:车架、轴承座、摇臂、箱子顶部、箱子底部等;6.检验标准6.1材料定性:6.1.1用于制造喷粉件的粉体及前处理化学制剂应为研发部认可的材料;6.1.2供应商应向我司提交每一批次的材料出厂合格证及材料性能试验报告;6.1.3粉体应为户外用粉体,超过贮存期或潮湿的粉体不允许继续使用;6.1.4加入前处理槽内的各种化学制剂符合行业的相关标准;6.2原材料检验:检验人员须核实原材料的出厂合格证及材料性能试验报告;6.3工序检查:检验人员须对产品的生产过程进行严格控制,监控各工序的执行情况,监督作业员按照工艺标准进行操作,如有异常及时在现场进行处置。
铁件、铝件喷涂的工序依次为:打磨→上件→除锈→中和→除油→清洗1→清洗2→表调→磷化→清洗3→烘干→上挂→喷粉→固化→下挂→检验→包装→仓存;不锈钢喷涂的工序依次为:打磨→清洁→上挂→喷粉→固化→下挂→检验→包装→仓存。
1.目
规范喷粉产品外观及性能通用检查规范,使QC检查人员精确地、更快地掌握喷粉产品检查,保证产品品质。
2.范畴
本原则合用于公司喷粉车间所有喷粉制成品质量检查。
3.职责
3.1品质部:依本原则进行检查与测试;
3.2生产部:依本原则进行产品生产;
3.3资材部(仓库):依本原则进行仓存。
4.作业程序
4.1检查场地:喷粉生产车间;
4.2检查工具:百格刀、软毛刷、3M胶带、直尺、铅笔、橡皮擦、99.8%无水酒精、棉花棒、
千分尺
4.3外观检查环境:
视力规定检查光源观测距离观测角度
矫正1.0以上640-870 Lux间不单一光源下或40W灯光下650mm 45º±15º
5.缺陷分类
5.1严重缺陷(MAJ):漏喷、涂层脱落、同一工件明显色差
5.2轻微缺陷(MIN):属外观轻微缺陷,非严重缺陷或者重要缺陷,不影响使用或装配;
5.3.外观面区域划分:
①A级面(核心区域):此区域非常重要,它普通在产品正面,是客户容易看到区域,例
如:扶手、挡风玻璃支架、顶篷支撑、箱子外表面等;
②B级面(重要区域):此区域普通是指产品侧面,客户可以看到,但不会非常关注,例
如:刹车踏板、顶篷架(散件除外)、玻璃门把手、箱子内表面等;
③C级面(非重要区域):此区域普通不能充分看到,普通是组装在产品内部或产品在下
表面,例如:车架、轴承座、摇臂、箱子顶部、箱子底部等;
6.检查原则
6.1材料定性:
6.1.1用于制造喷粉件粉体及前解决化学制剂应为研发部承认材料;
6.1.2供应商应向我司提交每一批次材料出厂合格证及材料性能实验报告;
6.1.3粉体应为户外用粉体,超过贮存期或潮湿粉体不容许继续使用;
6.1.4加入前解决槽内各种化学制剂符合行业有关原则;
6.2原材料检查:检查人员须核算原材料出厂合格证及材料性能实验报告;
6.3工序检查:
检查人员须对产品生产过程进行严格控制,监控各工序执行状况,监督作业员按照工艺原则进行操作,如有异常及时在现场进行处置。
铁件、铝件喷涂工序依次为:打磨→上件→除锈→中和→除油→清洗1→清洗2→表调→磷化→清洗3→烘干→上挂→喷粉→固化→下挂→检查→包装→仓存;不锈钢喷涂工序依次为:打磨→清洁→上挂→喷粉→固化→下挂→检查→包装→仓存。
工件有前解决工序,不可漏掉任何一道工序,各工序操作须严格参照工艺流程以及生产作业指引书中规范。
6.4外观检查:
6.4.1缺陷定义:
1)缩孔:涂层干燥后仍滞留若干大小不等、分布各异圆形小坑。
2)起泡:涂层局部粘附不良,引起涂膜浮起。
3)针孔:涂层表面上类似针刺形成微小孔。
4)剥落:涂层脱离材质现象。
5)粉化:涂层表面呈现出疏松附着细粉现象。
6)流挂:喷涂时涂料流动停止后形成堆积。
7)露底:局部无涂层或涂层覆盖不严(常用于内折弯处、切口截面处等部位)。
8)划痕:涂层表面划伤有手感,但不露底材。
9)凹痕:喷涂表面凹陷现象。
10)桔皮:喷涂涂料产生凹凸,像桔皮同样花纹。
11)色差:同一批次产品或产品不同部位存在颜色差别。
6.4.1 外观检查原则:
6.5 锈水检查:翻转各工件,成品中方管、圆管内不可遗留锈水。
有锈水则产品不合格须
重新进入烤房进行干燥解决。
6.6 附着力检测:
6.6.1 操作办法:
6.6.1.1 用刀口宽约10mm-12mm百格刀横向与纵向,在测试样本表面划10×10(100个) 正方
形小网格,以1mm为间隔,每一条划线应深及基材。
6.6.1.2用软毛刷向格阵图形两对角线轻轻地向后5次,向前5次刷测试样本表面。
6.6.1.3用3M胶带或等同效力胶纸牢牢粘住被测试小网格,并用橡皮擦用力擦拭胶带以
加大胶带与被测区域接触面积及力度。
6.6.1.4用手抓住胶带一端,在垂直方向(90°)迅速扯下胶纸,观测测试表面。
6.6.2 鉴定原则:普通损伤区域格子≤15%为合格,损伤区域格子在15%~35%时为NG,需
重复检查,损伤区域格子>35%时为NG,产品须重新返工。
6.7 硬度测试:
6.7.1 操作办法:用削尖3H铅笔,与涂膜面呈45度角,沿直尺向前推划15-30mm,用橡皮
擦把滑痕擦净后检查涂膜表面。
6.7.2 判断原则:没有丝毫底材显露时,产品合格。
6.8 耐溶剂性测试:
6.8.1 操作办法:用99.8%无水酒精沾湿棉花棒,用1Kg力来回擦拭涂膜面50回。
6.8.2 鉴定原则:产品外膜无任何剥落、变色、发涨现象则产品合格(可以容许光泽度
有少量变化)。
6.9 涂层厚度检查:
6.9.1 操作办法:用量程为0-25mm,分度值为0.01mm千分尺或内径千分尺测出产品表面
在喷涂先后厚度尺寸,求其厚度之差,除以2,就为喷涂层厚度。
6.9.2 鉴定原则:产品表面厚度为60~120µm,产品合格,里外均喷涂时(餐箱),产品
内侧厚度为60~100µm,产品合格。
7.检查规则:
7.1本原则采用抽样检查,产品经QC检查合格后才干作为合格品入库。
7.2检查项目:原材料检查、工序检查、外观检查、锈水检查、附着力检测、硬度测试、
耐溶剂性测试、涂层厚度检查。
7.3组批:检查以同一时间生产为一批。
8.包装、运送、贮存:
8.1.涂装后配件需集中堆放时应用拉伸膜、珍珠棉遮盖或缠绕包裹,并互相隔离,以防表
面互相摩擦;
8.2 箱体类产品应独立放置于栈板上,且栈板表面应无尖锐利物突起,板面应用软质材料铺垫。
8.3 产品距离前解决槽≥5m,产品在前解决槽周边储存时间不可超过24H,在生产车间储存时间不可超过48H;
8.4 搬运应使用手动叉车,车架堆放数目≤4PCS,1米以上类型柜体单次搬运数量为1个,集中搬运配件每次堆放高度不高于1.0米;
8.5 运送过程中产品应避免激烈振动、冲击,避免受重压和机械损伤。
8.6 贮存:产品贮存周边环境应无腐蚀性物质、摆放须整洁,应有明显标记。