喷粉产品检验标准
- 格式:doc
- 大小:52.50 KB
- 文档页数:4
上海泰极传动机械有限公司喷粉检验规程TGB01/QC8.2.4-0301版 1次修改编制:审批:分发号:受控状态:2009年12月01日发布2009年12月05日生效上海泰极传动机械有限公司喷粉检验规程文件编号:TGB01/QC8.2.4-03 1. 外观检验标准1.1所有面涂膜应无基材露底、剥离等缺陷,所有表面应无划痕、起泡、起皱、针孔,积粉等不良等现象。
1.2在眼睛距离等级面的标准处,以3m/min速度扫描检查。
2 涂层厚度标准项目户外粉检测方法产品表面厚度60~80 涂层测厚仪单位:µm使用涂层测厚仪测量注意事项:(1)在每次仪器投人使用时,以及在使用中每隔一定时间(至少每小时一次),都应在测量现场对仪器的校准进行核对,以保证仪器的性能正常。
(2)测量前,应除去试样表面上的任何外来物质,如灰尘、油脂和腐蚀产物等;但不能除去任何覆盖层材料。
(3)不要在靠近试样的边缘、孔洞、内转角等处进行测量(4)不要在试样的弯曲表面上进行测量(5)由于仪器的正常波动性,因而有必要在每一测量位置上取几个读数。
覆盖层厚度的局部差别可能也要求在任一给定的面积上进行多次测量3 性能标准3.1 喷涂色板制作A、在烘烤时,每一炉均需制作2件色板,以备性能测试需要。
取与制品同材质的金属板,尺寸80×120mm,与产品正常条件下加工,出炉后标识好粉号、固化条件、日期与时间,并由QE签名经确认后编号命名登记管理。
一件测试用,一件存档。
B、制程喷粉色板有效期限为二年,保存在室温下,保存环境为无任何光线照射。
3.2 非破坏性检验检验项目光泽:使用光泽计来判定,入射角度60°,±5%误差为检验合格。
色泽:颜色须符合图纸要求或与制作色板比较无明显差异。
3.3 破坏性检验3.3.1附着力测试:百格试验法:喷涂后,取一随炉色板,在涂膜面上,按间隔2mm纵横平行刻画11道,以适当的力度(划痕以露出基体为准)在喷涂面划成100个方格,再用3M强力透明胶带覆盖按紧,呈45度角,然后突然撕掉,此时检查方格内之物是否掉落,1格为百分之一,验收标准为1级,即在切口交叉处有少许涂层脱落,但交叉切割面积受影响不能明显大于5%为合格。
产品外观检验标准一.目的定义喷粉、油漆产品外观要求,并确立允收/拒收准则。
二.适用范围适用于公司外购和自制的所有喷粉和油漆产品。
三.表面定义3.1 A级面:经常能看到的表面。
如面板、机箱的上表面和直发客户的零件等;3.2 B级面:不移动的情况下偶尔能看到的表面。
如机箱的侧面和后面等;3.3 C级面:在移动或打开时才能看到的面。
如机箱的底面、内部零件的表面等。
四.检测条件检测时必须在40w荧光灯下进行,同时要与产品使用时的环境相仿。
检测过程中不能使用放大镜,所检测表面和人眼呈45°角。
A级面在检测时需移动,以获得最大反光效果;B级面和C级面在检测时不移动。
见下面的示意图。
500毫米四.外观标准4.1 允收总则4.1.1 所有的等级面应当喷涂完好且满足颜色、光泽度、厚度、附着力方面的要求;4.1.2 喷涂表面允许补漆,但补漆后的表面符合下面允收表中A级面、B级面和C级面的允收标准;4.1.3 缺陷允收定义了1250平方毫米区域内各类缺陷的最大允收数量。
对于大于1250平方毫米的零件表面的缺陷允收数量与之成正比例。
同时两个或两个以上的缺陷不能相连。
4.2 缺陷定义4.2.1 杂质:喷涂表明的外来物;4.2.2 凹痕:基本材料压痕造成的喷涂面局部凹陷;4.2.3 掉漆:局部表面喷涂物的缺少;4.2.4 刮痕:浅底的沟槽;4.2.5 橘皮:喷涂因涂料附着力差而导致起皱;4.2.6 流挂:喷涂涂料过多且不均匀使表面产生的流痕;4.2.7 气泡:表面有气泡或无附着力的喷涂区域。
4.2.8 污迹:由于基本材料缺陷或不干净而导致零件喷涂表面有污迹或颜色不规则。
4.3 缺陷允收表五.附着力标准5.1检测方法5.1.1 百格试验法:用百格刀或刀片划1×1mm的方格(必须露出基体),然后用3M胶带贴在划格区域,揭起胶带看方格脱落多少来判定喷涂附着力的方法;5.1.2 敲击法:用头部圆锥形状的小榔头或其他头部圆锥形状的硬金属物体成45°角度方向敲击喷涂表面,看喷涂物剥落的形状判定其附着力是否合格。
喷粉附着力检验标准《喷粉附着力检验标准:为品质保驾护航》嘿,你知道吗?在工业的奇妙世界里,喷粉就像是给产品穿上了一件酷炫的外衣!但这件外衣要是质量不过关,那可就闹出大笑话啦!就好比一个人穿着随时会掉皮的衣服去参加重要场合,多尴尬呀!所以呀,喷粉附着力检验标准那可是超级重要的,不搞懂这个标准,产品的质量就像在风浪中摇曳的小船,随时可能翻船哦!一、“牢固派对:紧紧相依不分离”在这个牢固派对里呀,可不能有“叛徒”!“喷粉附着力就像是产品和涂层之间的爱情誓言,必须坚如磐石,不离不弃呀!”喷粉后的涂层要与产品表面紧密结合,不能轻易剥落。
这就好比是一对恩爱的夫妻,手牵手面对生活的风风雨雨,绝不松开彼此的手。
我们可以通过划格试验等方法来检验附着力是否达标,比如用划格器在涂层上划出小格子,然后用胶带粘贴,看看涂层会不会被粘下来。
要是轻易就被粘下来了,那可就太“不靠谱”啦,这产品肯定是过不了关的呀!二、“均匀狂欢:一马平川无瑕疵”涂层的均匀程度就像是一场狂欢派对,不能有“冷场”的地方呀!“这涂层得像阅兵式上的方阵一样,整齐划一,绝不能有厚薄不均的情况出现!”均匀的涂层不仅能让产品外观更加美观,还能保证附着力的一致性。
想象一下,如果涂层有的地方厚得像棉被,有的地方薄得像纱巾,那得多难看呀!我们可以通过肉眼观察、测厚仪测量等方法来确保涂层的均匀性,可不能让那些“厚薄不均大赏”的情况出现哦!三、“光滑盛宴:如丝般顺滑”这场光滑盛宴呀,那就是要追求极致的触感!“涂层得像丝绸一样光滑,让手指在上面滑过都能感受到一种愉悦!”光滑的涂层不仅能提升产品的质感,还能减少灰尘等杂质的附着。
就好像我们喜欢摸光滑的东西,而不是粗糙刺手的玩意儿。
可以用手去触摸感受涂层的光滑度,或者借助一些专业的仪器来检测表面粗糙度。
要是涂层摸起来坑坑洼洼的,那可就太掉档次啦!四、“颜色狂欢:色彩斑斓不失真”在颜色的狂欢中,可不能让色彩“跑偏”啦!“这涂层的颜色必须要像明星的妆容一样,精准无误,光彩照人!”颜色的准确性和稳定性是非常重要的,不能出现色差或者褪色的情况。
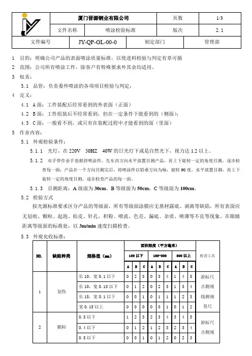
文件编号JY-QP-GL-00-0制定部门管理部1目的:明确公司产品的表面喷涂质量标准,以使进料检验与判定有章可循2范围:公司所有喷涂工件,除客户有特殊要求外其余均适用。
3权责:3.1品管:负责委外喷涂的各项项目检验与判定;4定义:4.1A面:工件装配后经常看到的外表面(正面)4.2B面:工件组装后不经常看到,但在一定条件下能看到的(侧面);4.3C面:一般看不到,或只有在装配过程中才能看到的面(里面)5作业内容:5.1外观检验条件:5.1.1光灯,在220V 50HZ 40W的日光灯下或是自然光下,视力达1.2以上。
5.1.2双手带作业手套握持喷涂件,先东西方向水平放置目测产品,再上下旋转一定的角度目测,逐步检查每一面;产品在一个方向目测完后,将喷涂件以铅垂方向为轴,旋转90度,水平放置目测,再上下旋转一定的角度目测,逐步检查产品的每一面。
5.1.3目测距离:A级面为30cm,B等级面为50cm;C等级面为100cm。
5.2检验方式按光源标准要求区分产品的等级面,所有等级面涂膜应无基材露底、剥离等缺陷,所有表面应无划痕、颗粒、起泡、桔皮、针孔,积粉、喷流、色差、漏底、杂质、喷薄等不良等现象。
在眼睛距离等级面的标准处,以3m/min速度扫描检查。
5.3外观允收标准:NO. 缺陷种类规格值(mm)面积限度(平方毫米)检查工具100以下100-300 300以上A B C A B C A B C1 划伤长10,宽0.1以下023 0 34 1 45 游标尺点测规线测规卷尺长10,宽0.15以下0 1 2 0 2 3 1 3 4长15,宽0.1以下0 0 1 0 1 1 1 2 3宽0.15以上0 0 0 0 0 1 0 1 22 颗粒0.3以下 1 23 2 34 3 4 5游标尺点测规0.4以下0 1 2 1 2 3 2 3 40.5以下0 0 1 0 1 2 0 2 3文件编号JY-QP-GL-00-0制定部门管理部3 凹孔φ0.3以下 1 1 2 2 2 3 3 3 4游标尺点测规φ0.5以下0 0 1 1 1 2 2 2 3φ0.5以上0 0 0 0 0 1 0 0 24 杂质0.3以下 1 2 3 2 3 4 3 4 5游标尺点测规0.4以下0 1 1 1 2 3 1 3 40.4以上0 0 0 0 1 1 0 2 25 折弯压痕长2,宽0.2以下0 2 3 1 3 4 3 4 5游标尺长4,宽0.2以下 1 2 2 2 3 3 3 4 4长5以上0 1 1 1 2 2 2 3 3宽0.2以上0 0 1 1 0 2 0 2 36 色泽、脱落--- 除指定色板上下限外,不可掺杂色与脱落目测7 光泽--- 按设计指定并不可有不均现象目测8 油渍、污渍--- 不可有目测9 积粉、桔皮--- 不可有目测10 喷流--- 不可有目测备注:黑色粗线方框内的数值为判定标准,如“2”表示在规定的条件下,不允许超过2处。
喷粉检验标准
权责
质检部:负责对喷粉的各项产品检验与判定
喷粉车间:负责对喷粉过程的各项产品自检工作
检验方式与标准
1.目测,所有涂层应无基材露底,剥离等缺陷,所有涂面应无划痕,颗粒,起泡,桔皮,针孔,积粉,色差,杂质,喷薄等不良现象。
2.目测,产品表面喷粉要均匀,连续,色泽一致。
3.附着力,在试样上横向划10行间距为1MM的平行线,然后纵向划10行间距为1MM的平行线,要求交叉且垂直,形成100个1MM平方的面积,然后用胶带粘贴,在贴胶带时应使胶带与实验区紧密结合,不能有气泡或起皱,2—3分钟垂直于涂层方向迅速拉起,要求所有试样上的涂层与基材之间都应100%附着,不可有掉粉现象。
4.硬度,粉层的硬度不低于2H铅笔硬度,要求铅笔与工件保持45度,施用1KG的力,向前移动10MM选择不同的地方做5次,涂层表面应无明显掉粉现象。
5.厚度,在试样上一半喷涂,目测无涂层面与涂层面的外观,厚度应大于50微米。
喷粉件检验要求
目的:规范喷粉件的检验标准及验收标准,确保所有喷粉件能够符合本厂使用要求。
范围:适合所有喷粉件。
检验要求:
其它要求:
1.工件或包装袋表面不能有油污或其他附着物(报纸印等)
2.包装袋不能套装及破损,不能用有颜色的绳绑工件。
3.不能将不同规格的产品混装在一起。
4.不能有搬运或周转过程中造成的产品质量变异、影响装配(如管口碰凹,法兰打歪)或失去功能(如工件压扁及折弯等)
5.不能出现损坏本厂信誉的质量事故,如喷粉后直接发给客户的产品内混有严重的工件问题(裂管、变形、其它材料不良),或严重喷粉不良(如附着力不行,影响产品功能的厚粉),及多次返工不良等(即同一问题多次返工或同一产品接连返工)
6. 来料判定不合格批在指定的时间内保质保量返工处理好,不得耽误总装车间的交货时间。
7. 总装车间生产过程中挑选出来的不良品要在指定的时间内需返工处理好,不得耽误。
8. 允许总装生产过程中有小许的划花或其它损耗(不得超过3‰),由喷粉车间负责返工处理。
9. 不合格来料如需总装车间帮忙返工,总装车间将按每天8小时20元收取计时费用,在喷粉车间工资总
额中扣除。
10.对于交货期紧迫的不合格来料,如不能及时派人来返工,总装车间有权自行处理。
费用由喷涂车间承
担。
编制:审核:。
油漆喷涂产品检验标准产品外观检验标准一、目的该标准旨在定义喷粉、油漆产品的外观要求,并确立允收/拒收标准。
二、适用范围该标准适用于公司外购和自制的所有喷粉和油漆产品。
三、表面定义1.A级面:常见表面,如面板、机箱上表面和直接向客户提供的零件等;2.B级面:不经常见到的表面,如机箱侧面和后面等;3.C级面:只有在移动或打开时才能看到的表面,如机箱底面、内部零件表面等。
四、检测条件1.检测时必须在40w荧光灯下进行,并与产品使用时的环境相仿;2.检测过程中不能使用放大镜,检测表面和人眼呈45°角;3.A级面在检测时需移动,以获得最大反光效果;4.B级面和C级面在检测时不移动,如示意图所示。
五、外观标准1.允收总则1.1 所有等级面应喷涂完好,且满足颜色、光泽度、厚度、附着力等方面的要求;1.2 喷涂表面允许补漆,但补漆后的表面应符合下列允收表中A级面、B级面和C级面的允收标准;1.3 缺陷允收定义了1250平方毫米区域内各类缺陷的最大允收数量。
对于大于1250平方毫米的零件表面,缺陷允收数量与之成正比例。
同时,两个或两个以上的缺陷不能相连。
2.缺陷定义2.1 杂质:喷涂表面的外来物;2.2 凹痕:基本材料压痕造成的喷涂面局部凹陷;2.3 掉漆:局部表面喷涂物的缺失;2.4 刮痕:浅底的沟槽;2.5 橘皮:喷涂因涂料附着力差而导致起皱;2.6 流挂:喷涂涂料过多且不均匀使表面产生的流痕;2.7 气泡:表面有气泡或无附着力的喷涂区域;2.8 污迹:由于基本材料缺陷或不干净而导致零件喷涂表面有污迹或颜色不规则。
3.缺陷允收表缺陷类型A级面B级面C级面杂质不允收≤3个,直径≤1毫米,高度≤0.25毫米,两个缺陷距允收离≥50毫米≤3个,直径≤1毫米,高度≤0.25毫米,两个缺陷距允收离≥50毫米凹陷不允收不允收允收掉漆不允收不允收允许补漆,但不得露底刮痕不允收不允收不允收橘皮不允收不允收不允收流挂不允收不允收不允收气泡不允收不允收不允收污迹不允收不允收不允收。
文件編号:DG-QA-039
1.目的
明确和规范公司冲压及钣金件的表面喷涂、烤漆、喷涂检验标准,以使进料检验有章可循;
2.适用范围
本标准结合钣金件及冲压件行业及喷涂类行业外观通用检查标准,适用于公司所使用的所有五金件经过喷涂、烤漆、喷粉表面处理的产品。
3.职责
本公司IQC人员负责对喷涂、烤漆、喷粉的冲压件及钣金件进行检验;
4. 表面等级
A 级面: 指该表面位于工件或组装后经常看到的外表面,或客户日常操作能近距离视角接触,并直接正视关注的产品表面和商标文字和图案丝印表面;
B 级面: 指该表面位于工件或组装背面,或不经常看到但在一定条件下能看到的面,或客户不明显关注的外观表面,或不易被客户直接视角接触正视的外部表面;
C 级面: 指该表面位于工件或组装不可视面,或客户一般不易观察并关注到的内外部表面,或只有在装配过程中才能看到的面,或经其他工件覆盖需拆卸才能被客户直接视角接触正视的内外部表面。
检验距离/时间:日光灯距离产品为600~900mmm(光效)
A 级面:检验者沿目视方向与待检表面之间的距离600 mm,目视时间约7 秒;
B 级面:检验者沿目视方向与待检表面之间的距离750 mm,目视时间约5 秒;
C 级面:检验者沿目视方向与待检表面之间的距离900 mm,目视时间约3 秒;
备注:当一个面并没有在图面中被定义时,按一般要求 B 级面作业。
5.外观检验项目和判定标准:
以上所有外观标准均依12寸铁门/平板面积为基准。
粉末喷涂检验标准
粉末喷涂是一种常见的表面涂装工艺,广泛应用于汽车、家具、机械设备等行业。
为了保证粉末喷涂产品的质量,需要对其进行严格的检验。
本文将介绍粉末喷涂的检验标准,以便相关人员进行有效的质量控制。
首先,对于粉末喷涂产品的外观质量,需要检查其表面是否平整光滑,无气泡、流挂、流块等缺陷。
同时,要求产品的颜色、光泽度、厚度等参数符合相关标准要求。
在检验过程中,可以使用目视检查、触摸检查、光泽度计等工具进行评估。
其次,对于粉末喷涂产品的附着力,需要进行划格试验、冲击试验等。
通过这
些试验可以评估产品的涂层附着力是否符合要求,以及在外部环境下是否能够承受一定的力学作用而不脱落。
另外,粉末喷涂产品的耐腐蚀性也是需要进行检验的重要指标。
在实际应用中,产品可能会受到酸碱、盐雾、湿热等环境的侵蚀,因此需要对其进行相应的耐腐蚀试验,以评估其在不同环境下的耐久性。
此外,粉末喷涂产品的机械性能也是需要重点关注的内容。
包括产品的硬度、
耐磨性、抗拉强度等指标,需要通过相应的测试方法进行评估,以确保产品在使用过程中能够满足相关的机械性能要求。
最后,对于粉末喷涂产品的环保性能,也需要进行相应的检验。
主要包括产品
中是否含有有害物质,以及在使用过程中是否会对环境造成污染等方面的评估。
总之,粉末喷涂产品的检验标准涉及到外观质量、附着力、耐腐蚀性、机械性能、环保性能等多个方面。
只有通过严格的检验,才能保证粉末喷涂产品的质量稳定可靠,从而满足不同行业的需求。
希望本文所介绍的检验标准能够对相关人员有所帮助,促进粉末喷涂产品质量的提升。
喷粉件检验标准1 目的本标准定义XX冲压喷粉件产品外观品质的基本要求,并确立允收/拒收之准则。
2 适用范围本标准适用于XX生产的所有冲压件产品。
3 相关文件《壁挂炉产品外观检验标准》。
4 定义A级面(重要):客户经常看到的面,如面板,机箱的上表面、正面等。
B级面(次重要):不移动的情况下,客户偶尔能看到的面,如外壳的后面、侧面等。
C级面(次要):产品在移动或被打开时才能看到的面,如框架组件的底面,内部零件的表面等。
5 检测条件及方法5.1 所有检验均应在正常照明,并模拟最终使用条件下进行。
检测过程中不使用放大镜,所检验表面和人眼呈45?角。
A级面在检测时应转动,以获得最大反光效果。
B级面和C级面在检测期间不必转动。
光源=60W荧光灯零件表面人眼距离500毫米面停留10秒,B级面停留5秒,C级面停留3秒。
6 液体/干粉喷涂外观标准6.1允收总则6.1.1所有的等级面应当喷涂完好且满足颜色、光泽度、厚度、附着力等方面的要求。
6.1.2液体喷涂允许补漆,但补漆后的表面应满足喷涂面缺陷允收表中B 级面和C级面的允收标准。
6.1.3缺陷允收定义了1250平方毫米的区域内各类缺陷的最大允收数量。
对于较大的零件表面,可允收数量和该表面所含1250平方毫米区域数量成正比,但是,两个或两个以上缺陷不能相连。
6.2缺陷定义6.2.1杂质:喷涂面上的外来物。
6.2.2凹痕:基体材料压痕造成的喷涂面局部凹陷。
6.2.3掉漆:局部表面掉漆造成的缺陷。
6.2.4刮痕:浅底的沟槽。
6.2.5桔皮:喷涂面因涂料附着力差而导致起皱,象桔子皮样的外观。
6.2.6流痕:喷涂涂料过多且不均匀且干燥导致的流痕。
6.2.6变色:喷涂面颜色不一致。
6.2.7涂层过薄:涂层厚度不够。
6.2.8气泡:有气泡或无附着力的喷涂区域。
6.2.10污迹:由于基体材料缺陷或不干净而导致零件喷涂表面有污迹或颜色不规则。
6.3缺陷允收表(喷漆/喷涂面)每个面缺陷的总数不超过允收的界限,如下表所示:喷涂表面缺陷允收表允收标准缺陷类型 A级面 B级面 C级面每1250平方毫米区域内不得超过3个,缺陷最大尺杂质不允收寸:直径1毫米,高度0.25毫米,两个缺陷相距不允收小于50毫米凹痕不允收不允收允收掉漆不允收不允收允收不允收每1250平方毫米区域内不得超过4个,缺允收,但刮伤刮痕不允收陷最大尺寸:长6.5毫米,宽0.5毫米,补漆后表面不能穿过漆层完好允收,但刮伤不能穿过漆层桔皮不允收不允收不允收流痕不允收不允收允收变色不允收不允收允收气泡不允收不允收不允收污迹不允收不允收允收7 印刷产品外观标准7.1 允收总则 and tamping, clear template prior to placing the debris, and water wet template; control since the height of the concrete shall not exceed 1.5M; dense wall bushing with the same level of fine aggregate concrete for pouring concrete pouring, pouring top layered slopes and adjacent two layers of pouring interval must not exceed 1h. Strengthen the maintenance of waterproofing concrete, the baseboardafter the concrete has been poured, immediately cover it with plastic sheeting and strengthening conservation. Strengthen the construction quality control of construction joints, horizontal construction jointsfor Foundation slab, set plate sealing strip, the construction of water stop steel concrete compacting. In front of the poured concrete walls, the joint surfaces for cutting hair, remove floating particles, andrinse to keep moist. VI reinforcement Engineering (a) steel raw material requirements of the engineering design of main structure of steelprimary steel and grade of steel. Steel comes into play, should beaccompanied by the manufacturer's quality certificate, and Visual inspection by the engineering technology, materials, personnel,including specifications, diameter tolerance, have no cracks, pores, surface corrosion. In all of steel quality certificate complete Shi, by test room by batch sampling do retest, each bulk is unlikely to Yu 60t, each acceptance batch in the take sample a group, including 2 root pull, and 2 root bent try pieces, 5 root size, and weight try pieces, try pieces from any three root (or two disc) steel in the interception, each root steel Shang cut7.1.1所有的等级面应当印刷完好且满足颜色、光泽度、附着力等方面的要求。
喷粉产品检验标准 This manuscript was revised on November 28, 20201.目的规范喷粉产品外观及性能的通用检验规范,使QC检验人员准确地、更快地掌握喷粉产品的检验,保证产品品质。
2.范围本标准适用于公司喷粉车间所有喷粉制成品的质量检验。
3.职责品质部:依本标准进行检验与测试;生产部:依本标准进行产品生产;资材部(仓库):依本标准进行仓存。
4.作业程序检验场地:喷粉生产车间;检验工具:百格刀、软毛刷、3M胶带、直尺、铅笔、橡皮擦、%无水酒精、棉花棒、千分尺外观检验环境:5.缺陷分类严重缺陷(MAJ): 漏喷、涂层脱落、同一工件明显色差轻微缺陷(MIN):属外观轻微缺陷,非严重缺点或者主要缺点,不影响使用或装配;.外观面区域划分:①A级面(关键区域):此区域非常重要,它通常在产品的正面,是客户容易看到的区域,例如:扶手、挡风玻璃支架、顶篷支撑、箱子外表面等;②B级面(重要区域):此区域通常是指产品的侧面,客户可以看到,但不会非常关注,例如:刹车踏板、顶篷架(散件除外)、玻璃门把手、箱子内表面等;③C级面(非重要区域):此区域通常不能充分看到,一般是组装在产品内部或产品在下表面,例如:车架、轴承座、摇臂、箱子顶部、箱子底部等;6.检验标准材料定性:6.1.1用于制造喷粉件的粉体及前处理化学制剂应为研发部认可的材料;6.1.2供应商应向我司提交每一批次的材料出厂合格证及材料性能试验报告;6.1.3粉体应为户外用粉体,超过贮存期或潮湿的粉体不允许继续使用;6.1.4加入前处理槽内的各种化学制剂符合行业的相关标准;原材料检验:检验人员须核实原材料的出厂合格证及材料性能试验报告;工序检查:检验人员须对产品的生产过程进行严格控制,监控各工序的执行情况,监督作业员按照工艺标准进行操作,如有异常及时在现场进行处置。
铁件、铝件喷涂的工序依次为:打磨→上件→除锈→中和→除油→清洗1→清洗2→表调→磷化→清洗3→烘干→上挂→喷粉→固化→下挂→检验→包装→仓存;不锈钢喷涂的工序依次为:打磨→清洁→上挂→喷粉→固化→下挂→检验→包装→仓存。
标准工时制作日期########卡尺千分尺卷尺目测制作审核作业项目页次1/2版本A 1.目的:明确客户外观判定标准,准确把握品质,以保证生产。
2.适用范围:所有项目所有量产的喷粉类产品外观判定标准3.检验规范3.1 检验条件,3.1.1 检验角度:成45度目视检验3.1.2 检验距离:距物品45—60CM3.1.3 检验环境:日常日光灯光源下检验3.1.4 检验工具:目视检验及使用样板对照。
3.2抽样依据3.2.1 抽样方案依据国标GB2828.1-2003抽样标准。
3.2.2外观按照正常一次抽样的一般II级抽样水准AQL=0.4验收4.外观标准:4.1.不可有结构不良,变形、裂纹、碰伤、漏底、掉漆等。
4.2.色差参照样品(⊿e <1.5)。
4.3.表面不可有脏污,油污、橘皮等问题。
4.4.不可使用指定以外的材质。
4.5.不可有刮手的利边或批峰。
4.6. 边缘切口平整,无缺口或凸出。
4.7.产品表面有异物(黑点),划伤,按右侧标准允/拒收。
4.8.喷粉件的颜色、表面效果必须和确认OK 的色样保持一致。
4.9.每批产品都需要邮件提供百格测试的图片 。
XY-GLOBAL喷分类产品检验通用标准零件名称粉喷类产品外观检验标准使用工具检验指导bowen标准工时制作日期########卡尺千分尺卷尺目测制作审核作业项目页次2/2版本A 5.表面异物判定标准产品表面有异物(黑点),划伤,用异物/划伤对比菲林片进行确认,判定标准如下表:备注说明:产品外观分为A/B/C/D 四个面,针对不同面设定不同的外观判定标准。
(产品的A/B/C/D 面需要与客户共同依据组装状况最终确定)零件名称粉喷类产品外观检验标准使用工具检验指导bowen。
1.目的
规范喷粉产品外观及性能的通用检验规范,使QC检验人员准确地、更快地掌握喷粉产品的检验,保证产品品质。
2.范围
本标准适用于公司喷粉车间所有喷粉制成品的质量检验。
3.职责
3.1品质部:依本标准进行检验与测试;
3.2生产部:依本标准进行产品生产;
3.3资材部(仓库):依本标准进行仓存。
4.作业程序
4.1检验场地:喷粉生产车间;
4.2检验工具:百格刀、软毛刷、3M胶带、直尺、铅笔、橡皮擦、99.8%无水酒精、棉花棒、
千分尺
4.3外观检验环境:
5.缺陷分类
5.1严重缺陷(MAJ):漏喷、涂层脱落、同一工件明显色差
5.2轻微缺陷(MIN):属外观轻微缺陷,非严重缺点或者主要缺点,不影响使用或装配;
5.3.外观面区域划分:
①A级面(关键区域):此区域非常重要,它通常在产品的正面,是客户容易看到的区域,
例如:扶手、挡风玻璃支架、顶篷支撑、箱子外表面等;
②B级面(重要区域):此区域通常是指产品的侧面,客户可以看到,但不会非常关注,例
如:刹车踏板、顶篷架(散件除外)、玻璃门把手、箱子内表面等;
③C级面(非重要区域):此区域通常不能充分看到,一般是组装在产品内部或产品在下表
面,例如:车架、轴承座、摇臂、箱子顶部、箱子底部等;
6.检验标准
6.1材料定性:
6.1.1用于制造喷粉件的粉体及前处理化学制剂应为研发部认可的材料;
6.1.2供应商应向我司提交每一批次的材料出厂合格证及材料性能试验报告;
6.1.3粉体应为户外用粉体,超过贮存期或潮湿的粉体不允许继续使用;
6.1.4加入前处理槽内的各种化学制剂符合行业的相关标准;
6.2原材料检验:检验人员须核实原材料的出厂合格证及材料性能试验报告;
6.3工序检查:
检验人员须对产品的生产过程进行严格控制,监控各工序的执行情况,监督作业员按照工艺标准进行操作,如有异常及时在现场进行处置。
铁件、铝件喷涂的工序依次为:打磨→上件→除锈→中和→除油→清洗1→清洗2→表调→磷化→清洗3→烘干→上挂→喷粉→固化→下挂→检验→包装→仓存;不锈钢喷涂的工序依次为:打磨→清洁→上挂→喷粉→固化→下挂→检验→包装→仓存。
工件有前处理工序的,不可遗漏任何一道工序,各工序的操作须严格参照工艺流程以及生产作业指导书中的规范。
6.4外观检验:
6.4.1缺陷定义:
1)缩孔:涂层干燥后仍滞留的若干大小不等、分布各异的圆形小坑。
2)起泡:涂层局部粘附不良,引起涂膜浮起。
3)针孔:涂层表面上类似针刺形成的微小孔。
4)剥落:涂层脱离材质现象。
5)粉化:涂层表面呈现出疏松附着细粉的现象。
6)流挂:喷涂时涂料流动停止后形成的堆积。
7)露底:局部无涂层或涂层覆盖不严(常见于内折弯处、切口截面处等部位)。
8)划痕:涂层表面的划伤有手感,但不露底材。
9)凹痕:喷涂表面的凹陷现象。
10)桔皮:喷涂涂料产生的凹凸,像桔皮一样的花纹。
11)色差:同一批次产品或产品的不同部位存在颜色差异。
6.4.1 外观检验标准:
6.5 锈水检查:翻转各工件,成品中方管、圆管内不可遗留锈水。
有锈水则产品不合格须重
新进入烤房进行干燥处理。
6.6 附着力检测:
6.6.1 操作方法:
6.6.1.1 用刀口宽约10mm-12mm的百格刀横向与纵向,在测试样本表面划10×10(100个)
的正方形小网格,以1mm为间隔,每一条划线应深及基材。
6.6.1.2用软毛刷向格阵图形的两对角线轻轻地向后5次,向前5次的刷测试样本表面。
用
3M胶带或等同效力的胶纸牢牢粘住被测试的小网格,并用橡皮擦用力擦拭胶带以加大胶带与被测区域的接触面积及力度。
6.6.1.4用手抓住胶带一端,在垂直方向(90°)迅速扯下胶纸,观察测试表面。
6.6.2 判定标准:一般损伤的区域格子≤15%为合格,损伤的区域格子在15%~35%时为NG,
需重复检验,损伤的区域格子>35%时为NG,产品须重新返工。
6.7 硬度测试:
6.7.1 操作方法:用削尖的3H铅笔,与涂膜面呈45度角,沿直尺向前推划15-30mm,用橡皮
擦把滑痕擦净后检查涂膜表面。
6.7.2 判断标准:没有丝毫底材显露时,产品合格。
6.8 耐溶剂性测试:
6.8.1 操作方法:用99.8%无水酒精沾湿棉花棒,用1Kg的力来回擦拭涂膜面50回。
6.8.2 判定标准:产品外膜无任何剥落、变色、发涨现象则产品合格(可以允许光泽度有
少许变化)。
6.9 涂层厚度检验:
6.9.1 操作方法:用量程为0-25mm,分度值为0.01mm千分尺或内径千分尺测出产品表面在
喷涂前后的厚度尺寸,求其厚度之差,除以2,就为喷涂层厚度。
6.9.2 判定标准:产品表面厚度为60~120µm,产品合格,里外均喷涂时(餐箱),产品内
侧厚度为60~100µm,产品合格。
7.检验规则:
7.1本标准采用抽样检验,产品经QC检验合格后才能作为合格品入库。
7.2检验项目:原材料检验、工序检查、外观检验、锈水检查、附着力检测、硬度测试、耐
溶剂性测试、涂层厚度检验。
7.3组批:检验以同一时间生产的为一批。
8.包装、运输、贮存:
8.1.涂装后的配件需集中堆放时应用拉伸膜、珍珠棉遮盖或缠绕包裹,并相互隔离,以防表
面互相摩擦;
8.2 箱体类产品应独立放置于栈板上,且栈板表面应无尖锐利物突起,板面应用软质材料铺
垫。
8.3 产品距离前处理槽≥5m,产品在前处理槽周围储存时间不可超过24H,在生产车间的储
存时间不可超过48H;
8.4 搬运应使用手动叉车,车架堆放数目≤4PCS,1米以上类型的柜体单次搬运数量为1个,
集中搬运的配件每次堆放的高度不高于1.0米;
8.5 运输过程中产品应避免剧烈振动、冲击,避免受重压和机械损伤。
8.6 贮存:产品贮存周边环境应无腐蚀性物质、摆放须整齐,应有明显的标识。