法兰垫片的类型、标识和选用!
- 格式:docx
- 大小:660.93 KB
- 文档页数:14
管道法兰及垫片的选用目前管道工程常用的连接方式有螺纹连接、焊接连接、法兰连接、承插连接、沟槽连接等形式。
低压管道PN≤2.5MPa中压管道PN=4—6.4MPa高压管道PN=10—100MPa超高压管道PN>100MPa是按照公称压力分。
公称压力:管子、管件等在基准温度下的耐压强度成为公称压力。
法兰连接法兰连接是将垫片放入一对固定在两个管口上的法兰的中间,用螺栓拉紧使其紧密结合起来的一种可拆卸的接头。
法兰种类:按法兰与管子的固定方式分为螺纹法兰、焊接法兰、松套法兰;按密封面形法兰种类式可分为光滑式、凹凸式、榫槽式、透镜式和梯形槽式。
螺纹法兰:主要用于镀锌水、煤气钢管的连接,其密封面为光滑式。
其公称压力常用的有0.6MPa、1.0 MPa、1.6MPa 三种。
焊接法兰:是管道连接中最常用的法兰,分为平焊法兰和对焊法兰两种。
1、平焊法兰:又叫搭焊法兰与管子焊接时将管子插入法兰孔内,在法兰内外部与管子进行搭接角焊。
其公称压力常用的有 0.6MPa、1.0 MPa、1.6MPa 和 2.5MPa 四种。
平焊法兰的密封面有光滑式和凹凸式。
2、对焊法兰:又叫高颈法兰,与平焊法兰的区别是带有一段锥形短管。
法兰与管子的结合实质上是短管与管子的对口焊接。
故称对焊法兰。
一般用于公称压力≥4.0 MPa 或温度大于 300℃的管道上。
对焊法兰有光滑式、凹凸式、榫槽式和梯形槽式四种。
密封面形式。
其中光滑式和凹凸式最为普遍。
松套法兰:也叫活套法兰或活动法兰。
分为平焊松套法兰、对焊松套法兰、卷边松套法兰。
这种法兰接口,就是利用钢环或管口卷边把法兰套在管端上,因此法兰可以在管端上活动,故称松套法兰。
1、平焊松套法兰:密封面一般有光滑式和榫槽式。
其公称压力常用的有 0.6MPa、1.0 MPa、1.6 MPa 和 2.5MPa 四种。
主要用于不锈钢管道、铜及铜合金管道、铝及铝合金管道以及塑料管道等。
2、对焊松套法兰:其密封面一般为凹凸式,用于公称压力较高的场合。
法兰垫片种类及优缺点法兰垫片是一种用于填充和密封两个连接部件之间空隙的垫片。
它可以防止液体、气体和粉尘的泄漏,确保连接部件的紧密密封。
由于不同的工作环境和需求,法兰垫片也有多种不同的类型。
在下文中,我们将介绍一些常见的法兰垫片种类以及它们的优缺点。
1.橡胶垫片橡胶垫片是最常见的一种法兰垫片。
它通常由橡胶或胶乳制成。
橡胶垫片具有以下优点:-良好的弹性和可塑性,适应不同的连接表面形状;-良好的耐磨性和耐化学腐蚀性;-能够在低温和高温环境下正常工作。
然而,橡胶垫片也有一些缺点:-难以在高温和高压环境下工作,容易失去弹性;-受到一些化学溶剂的侵蚀,导致老化和损耗;-需要定期检查和更换,以确保其正常工作和密封性能。
2.金属垫片金属垫片采用金属材料制成,如不锈钢、铜等。
它具有以下优点:-高强度和硬度,能够承受较高的压力和温度;-耐腐蚀性能好,适用于一些酸碱、盐类环境;-使用寿命长,不易老化和损耗。
然而,金属垫片也存在一些缺点:-费用较高,制造和加工成本比较昂贵;-不易适应不规则表面形状,需要进行调整和加工;-容易出现泄漏问题,需要与其他密封件结合使用。
3.亚铁氰酸酯垫片亚铁氰酸酯垫片是一种采用有机聚合物材料制成的密封元件。
它具有以下优点:-良好的封闭性能,能够有效防止介质泄漏;-耐高温和高压,适用于一些特殊的工作环境;-耐腐蚀性能好,适用于一些酸碱溶液。
然而,亚铁氰酸酯垫片也有一些缺点:-不适合长期使用在高温和高压环境中,易失去弹性和老化;-在一些有机溶剂中容易受到腐蚀,导致损坏;-在尺寸稳定性方面相对较差,需要定期检查和更换。
以上介绍的只是一些常见的法兰垫片种类及其优缺点,实际上还有许多其他类型的垫片,如橡胶金属垫片、石棉垫片、聚四氟乙烯垫片等。
选择合适的法兰垫片需要考虑工作环境、温度、压力和介质等因素。
在使用过程中,需要定期检查和维护垫片,以确保其正常工作和密封性能。
《钢制法兰、垫片、紧固件》标准摘要:一、钢制法兰标准概述二、法兰垫片类型及选用1.非金属平垫片2.金属垫片3.金属包石墨垫片4.缠绕式垫片三、紧固件标准及选用四、综合考虑因素正文:一、钢制法兰标准概述钢制法兰、垫片、紧固件是构成法兰接头的主要零件,其选配合理对于接头的密封性能至关重要。
钢制法兰标准,如HG/T 20592-2009、HG/T 20615-2009、HG/T 20623-2009等,规定了钢制管法兰的压力等级、尺寸、形状等技术要求,为选用提供了依据。
二、法兰垫片类型及选用1.非金属平垫片:适用于一般介质管道的法兰密封,如含油污水、给水、排水、热水、蒸汽、冷凝水、压缩空气等公用工程管道。
2.金属垫片:包括八角形和椭圆形垫、齿形式、透镜垫等,适用于不同类型的法兰密封面。
金属垫片有纯铁、极软钢、不锈钢、铝等多种材料,具有较高的密封性能和耐温性能。
3.金属包石墨垫片:由薄金属包覆环形石棉垫片而成,适用于较高温度和压力的阀门。
4.缠绕式垫片:由波形金属带和密封材料带混合缠绕而成,有钢带-石棉、钢带-聚四氟乙烯、钢带-柔性石墨等多种,适用于不同类型的法兰密封面。
三、紧固件标准及选用紧固件标准,如IFI第七版,包含了各种紧固件的尺寸、材料、机械性能等要求。
在选用紧固件时,应综合考虑法兰的压力等级、要求的预紧比压、垫片以及螺栓强度等级等因素。
四、综合考虑因素在选用钢制法兰、垫片、紧固件时,需要综合考虑各种因素,如压力等级、温度、介质、法兰类型等,以确保接头的密封性能和使用寿命。
同时,了解并掌握相关标准,如HG/T 20592-2009、HG/T 20615-2009、HG/T 20623-2009等,对于正确选用和施工具有重要意义。
总结:钢制法兰、垫片、紧固件的选用应根据具体工况和标准要求,综合考虑各种因素,以确保接头的密封性能和使用寿命。
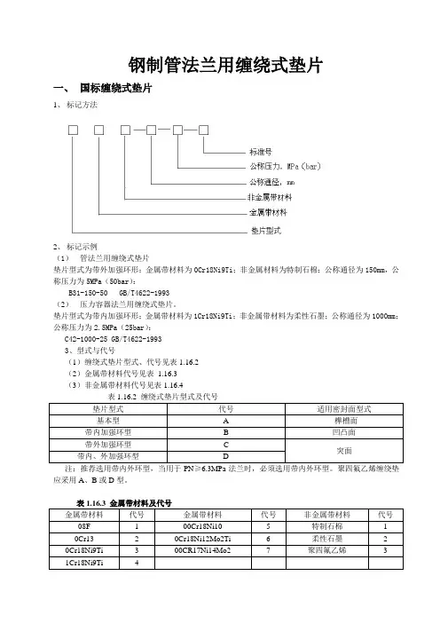
钢制管法兰用缠绕式垫片一、国标缠绕式垫片1、标记方法2、标记示例(1)管法兰用缠绕式垫片垫片型式为带外加强环形:金属带材料为0Cr18Ni9Ti;非金属材料为特制石棉;公称通径为150mm,公称压力为5MPa(50bar):B31-150-50 GB/T4622-1993(2)压力容器法兰用缠绕式垫片。
垫片型式为带内加强环形;金属带材料为1Cr18Ni9Ti;非金属带材料为柔性石墨;公称通径为1000mm;公称压力为2.5MPa(25bar):C42-1000-25 GB/T4622-19933、型式与代号(1)缠绕式垫片型式、代号见表1.16.2(2)金属带材料代号见表1.16.3(3)非金属带材料代号见表1.16.4注:推荐选用带内外环型,当用于PN≥6.3MPa法兰时,必须选用带内外环型。
聚四氟乙烯缠绕垫应采用A、B或D型。
二、化标(欧洲体系)缠绕式垫片1.标记内容(1)标准号(HG20610);(2)型式代号(见表1.16.2)(3)公称通径(mm)(4)公称压力(MPa)(5)材料代号(见表1.16.11)。
公称通径100mm、公称压力4.0MPa(bar)的C型缠绕垫,外环材料为低碳钢,金属带材料为0Cr18Ni9,非金属带材料为柔性石墨:HG20610 缠绕垫C 100-4.0 12203、极限偏差垫片的尺寸极限偏差见表1.16.14表1.16.14 垫片的尺寸极限偏差/mm三、化标(美洲体系)缠绕式垫片1.标记内容标记内容与HG20610-1997(欧洲体系)相同。
2.标记示例(1)公称通径100mm、公称压力2.0MPa(Class150)的C型缠绕垫,外环材料为低碳钢,金属带材料为0Cr18Ni9,非金属带材料为柔性石墨:HG20631 缠绕垫 C 100-2.0 1220(2)公称通径700mm、公称压力2.0MPa(Class150)的C型缠绕垫,外环材料为0Cr18Ni9,金属带材料为0Cr18Ni9,非金属带材料为特制石棉纸:HG20631 缠绕垫 D 700-5.0 2242(3)公称通径300mm、公称压力11.0MPa(Class600)法兰用A型缠绕垫,金属带材料为0Cr17Ni12Mo2,非金属带材料为聚四氟乙烯:HG20631 缠绕垫 A 300-11.0 03303.极限偏差垫片的尺寸极限偏差见表1.16.18。
管线法兰垫片选择
1.石棉橡胶垫片
适用于光滑式法兰密封面、凹凸式法兰密封面和榫槽式法兰密封面。
优点是耐腐蚀和热稳定性较好,塑性好面,用较小压紧力科保证密封。
缺点是强度较低,易粘在法兰密封面上。
石棉橡胶垫片有石棉板、防蚀石棉板,一般用石棉板、耐酸石棉板、耐油石棉板、夹金属丝石棉板等多种材料。
使用于较高温的中压阀门。
2.聚四氟乙烯垫片
一般用于榫槽式密封面,主要有聚四氟乙烯和夹玻璃纤维聚四氟乙烯两种材料。
适用于较低温度各种压力的强腐蚀性介质。
3.缠绕式垫片
由波形金属带和密封材料带混合缠绕而成。
有钢带-石棉、钢带-聚四氟乙烯、钢带-柔性石墨等多种。
一般用于凹凸式法兰密封面。
适用于较高温度的中压阀门。
4.金属包石墨垫片
由薄金属包覆环形石棉垫片而成。
一般用在凹凸式法兰密封面。
适用于较高温度和压力的阀门。
5.石墨垫片
由柔软石墨制成的平垫片,适用于高温、强腐蚀性介质。
6.金属垫片
主要有三种型式:八角形和椭圆形垫,适用于梯形槽式法兰密封面;齿形式是在金属平垫片密封面上加工出锥齿形波纹,适用于凹凸
式法兰密封面;透镜垫,适用于透镜式法兰密封面。
金属垫片有纯铁、极软钢、不锈钢、铝等多种材料。
金属垫片密封面的加工精度和表面粗糙度要求很高,螺栓压紧力很大,使用于高温高压阀门。
法兰垫片有那些类型如何进行标识和选用法兰垫片是一种常用于管道、阀门、泵等设备连接处的密封材料,用于防止介质泄漏。
根据不同的材料、结构和使用条件,法兰垫片可以分为多种类型。
在选用和标识法兰垫片时,需考虑介质、温度、压力、耐腐蚀性能等因素。
以下是法兰垫片的常见类型和选用标识的方法。
1.铁法兰垫片铁法兰垫片是一种常见的法兰垫片类型,可分为软铁垫片和不锈钢垫片两种。
软铁垫片通常用于低压、低温和非腐蚀介质的密封,而不锈钢垫片则适用于高温、高压和腐蚀介质的密封。
选用铁法兰垫片时,需考虑材料的耐腐蚀性、温度和压力等参数,并根据实际情况选择适当的型号和规格。
2.橡胶法兰垫片橡胶法兰垫片可分为天然橡胶垫片、丁腈橡胶垫片、丁晴橡胶垫片、硅橡胶垫片、氟橡胶垫片等多种类型。
这些垫片具有良好的耐油性、耐酸碱性和耐磨性,适用于介质温度较低且要求密封性较好的场合。
在选用橡胶法兰垫片时,需考虑介质的性质、温度和压力等参数,并参考垫片厂家提供的性能表和推荐标准进行选择。
3.金属法兰垫片金属法兰垫片主要由不锈钢、铜、铝等材料制成,广泛应用于高温、高压和腐蚀介质的密封。
金属法兰垫片具有良好的耐腐蚀性、耐温性和耐压性,可适应较为恶劣的工况环境。
选用金属法兰垫片时,需考虑介质的温度、压力、流速以及垫片的承载能力等因素,并根据实际情况选择适当的材料和结构。
4.石棉法兰垫片石棉法兰垫片是一种传统的法兰垫片材料,具有良好的耐压性、耐温性和密封性能。
然而,石棉材料存在对人体健康的潜在危害,目前在许多国家已不再推荐使用。
若使用石棉法兰垫片,需注意选择符合卫生安全标准的产品,并采取有效的防护措施。
在选用和标识法兰垫片时,通常需要考虑以下几方面的信息和参数:1.垫片材料:根据介质的性质和温度、压力等要求选择合适的材料,如橡胶、铁、金属等。
2.垫片结构:根据连接方式和泄漏要求选择合适的结构类型,如平垫、波纹、齿形等。
3.尺寸和规格:根据法兰连接口径和标准,选择适当的尺寸和规格,确保垫片与法兰配套。
法兰垫片的类型、标识和选用
垫片是法兰连接的主要密封件,因而正确选用垫片也是保证法兰连接不泄漏的关键。
根据制作材料的不同,垫片可以分为很多种类。
除了垫片的类型,垫片的标识和选型也很重要!
一、垫片的结构型式
工业上使用的平垫片一般由密封元件及内、外加强环组成,密封元件或称垫片本体是阻止泄漏的关键部分。
其常用的材料有非金属材料,如柔性石墨、聚四氟乙烯、纤维增强橡胶基复合板等。
此外,密封元
件材料也可以是刚性或柔性的金属,通常用于压力和温度较高的场合。
对于非金属材料的密封元件,通常插入金属材料予以增强,同时也方便了如石墨等易破碎材料密封元件的制造加工。
增强材料可以是金属薄板或丝网,金属薄板常常采用冲刺孔的方式以提高增强效果和增加弹性,并通过粘结剂和辊压将它们贴合在一起。
密封元件也可以可设一表面层或抗粘结处理层来增加密封效果和防止法兰密封面粘结。
外加强环或外环材料均为实体金属,其作用是:
帮助密封元件安装时对中;
防止密封元件过份压缩而破坏;防止垫片吹出和减少法兰转动等。
外加强环不与密封介质接触,因此不要求耐介质腐蚀,故常常由碳钢材料制成。
外加强环还可以与密封元件制成一体,例如金属齿形垫片、波齿复合垫片。
法兰垫片的类型、标识和选用法律顾问:赵建英律师垫片是法兰连接的主要密封件,因而正确选用垫片也是保证法兰连接不泄漏的关键。
根据制作材料的不同,垫片可以分为很多种类。
除了垫片的类型,垫片的标识和选型也很重要!一、垫片的结构型式工业上使用的平垫片一般由密封元件及内、外加强环组成,密封元件或称垫片本体是阻止泄漏的关键部分。
其常用的材料有非金属材料,如柔性石墨、聚四氟乙烯、纤维增强橡胶基复合板等。
此外,密封元件材料也可以是刚性或柔性的金属,通常用于压力和温度较高的场合。
对于非金属材料的密封元件,通常插入金属材料予以增强,同时也方便了如石墨等易破碎材料密封元件的制造加工。
增强材料可以是金属薄板或丝网,金属薄板常常采用冲刺孔的方式以提高增强效果和增加弹性,并通过粘结剂和辊压将它们贴合在一起。
密封元件也可以可设一表面层或抗粘结处理层来增加密封效果和防止法兰密封面粘结。
外加强环或外环材料均为实体金属,其作用是:•帮助密封元件安装时对中;•防止密封元件过份压缩而破坏;防止垫片吹出和减少法兰转动等。
•外加强环不与密封介质接触,因此不要求耐介质腐蚀,故常常由碳钢材料制成。
外加强环还可以与密封元件制成一体,例如金属齿形垫片、波齿复合垫片。
•内加强环或内环接触流体,其材料应能抵御密封介质的腐蚀。
内加强环的作用是:•防止密封元件与容器或管道法兰之间的空隙,以避免此空隙干扰流体的流动以及由此引起的流体对垫片的冲击。
二、法兰垫片的种类1、非金属平垫片——聚四氟乙烯包履垫片①垫片介绍聚四氟乙烯包履垫片是一种非金属复合型软垫片,一般由包封皮及嵌入物两部分组成。
包封皮主要起抗腐蚀作用,通常由聚四氟乙烯材料制成,嵌入物(填料)为带或不带金属加强筋的非金属材料,通常由石棉橡胶板制成。
聚四氟乙烯包履垫片主要适用于全平面型及突面型钢制管法兰连接,适用公称压力PN为0.6~5.0MPa、工作温度为0~150 ℃的腐蚀介质或对清洁度有较高要求的介质。
八种法兰密封垫,你都知道吗?它们的使用场合与范围介绍01工业橡胶天然橡胶适用于水、海水、空气、惰性气体、碱类、盐类水溶液等介质,但不耐矿物油和非极性溶剂,长期使用温度不超过90℃,低温性能优异,可在-60℃以上使用。
丁腈橡胶适用于石油类产品,如石油、润滑油、燃料油等,长期使用温度为120℃,如在热油中可耐150℃,低温为-10~-20℃。
氯丁橡胶适用于海水、弱酸、弱碱、盐溶液,耐氧和臭氧老化性能优异,耐油性次于丁腈橡胶而优于其他通用橡胶,长期使用温度低于90℃,最高使用温度不超过130℃,低温为-30~-50℃。
氟橡胶有多个品种,它们分别具有良好的耐酸、耐氧化性能以及耐油、耐溶剂性能。
可以在几乎所有的酸类介质以及一些油和溶剂中使用,长期使用温度低于200℃。
橡胶板材作为法兰垫片,多用于管道或经常拆卸的人孔、手孔,压力不超过1.568MPa。
因在各类垫片中,橡胶垫片最软,贴合性能好,在较小的预紧力下就能发挥密封效果。
正因如此,在承受内压时,因垫片偏厚或硬度偏低而容易被挤出。
橡胶板材在苯、酮、醚等有机溶剂中使用,易出现溶胀、增重、变软、发粘现象,导致密封失效。
一般溶胀度超过30%就不能使用。
在低压(尤其是0.6MPa以下)、真空情况下,采用橡胶垫较为适宜。
橡胶材料致密性好,透气率低。
例如氟橡胶,最适宜作真空容器的密封垫片,真空度最高可达1.3×10-7Pa。
橡胶垫在10-1~10-7Pa真空度范围使用时,需经烘焙和抽气处理。
02石棉橡胶板价格较其它垫片低,使用方便;最大问题是:垫片材料虽然加入了橡胶和一些填充剂,仍无法将那些串通的微小孔隙完全填满,存在微量渗透。
故在污染性极强的介质中,即使压力、温度不高也不能使用。
当用于一些高温油类介质时,通常在使用后期,由于橡胶和填充剂碳化,强度降低,材质变疏松,便在界面和垫片内部产生渗透,出现结焦和发烟现象。
另外,石棉橡胶板在高温下易粘结在法兰密封面上,给更换垫片带来了许多麻烦。
关于法兰垫片的规格与尺寸,我们要说的就是在不同的区域和位置上使用的规格也都是不一样的,具体就是看看您打算将它用在什么地方,用的是什么样的规格。
法兰垫片用于管道法兰连接中,为两片法兰之间的密封件,介质,压力和温度直接影响法兰垫片的选型,我们先一起来了解下法兰垫片标准尺寸有哪些,法兰垫片规格型号如何对照使用。
垫片的型式和代号
突面法兰用带对中环(C型)或带内环和对中环(D型)垫片尺寸
非金属垫片non-metallic gasket 用石棉、橡胶、合成树脂等非金属制成的垫片。
法兰垫
非金属包覆垫片non-metallic jacket gasket 外包一层合成树脂等的非金属垫片。
半金属垫片semimetallic gasket 用金属和非金属材料制成的垫片,如缠绕式垫片、金属包覆垫片。
a 缠绕式垫片spiral wound gasket 由V形或W形断面的金属带夹非金属带,螺旋缠绕而成的垫片。
1) 内环inner ring 设置在缠绕式垫片内圈的金属环。
2) 外环outer ring 设置在缠绕式垫片外圈的金属环。
b 金属包覆
金属垫片metallic gasket 用钢、铝、铜、镍或蒙乃尔合金等金属制成的垫片。
法兰垫片有那些类型如何进行标识和选用
垫片是法兰连接的主要密封件,因而正确选用垫片也是保证法兰连接不泄漏的关键。
根据制作材料的不同,垫片可以分为很多种类。
除了垫片的类型,垫片的标识和选型也很重要!1
垫片的结构型式
工业上使用的平垫片一般由密封元件及内、外加强环组成,密封元件或称垫片本体是阻止泄漏的关键部分。
其常用的材料有非金属材料,如柔性石墨、聚四氟乙烯、纤维增强橡胶基复合板等。
此外,密封元件材料也可以是刚性或柔性的金属,通常用于压力和温度较高的场合。
对于非金属材料的密封元件,通常插入金属材料予以增强,同时也方便了如石墨等易破碎材料密封元件的制造加工。
增强材料可以是金属薄板或丝网,金属薄板常常采用冲刺孔的方式以提高增强效果和增加弹性,并通过粘结剂和辊压将它们贴合在一起。
密封元件也可以可设一表面层或抗粘结处理层来增加密封效果和防止法兰密封面粘结。
外加强环或外环材料均为实体金属,其作用是:
帮助密封元件安装时对中;
防止密封元件过份压缩而破坏;防止垫片吹出和减少法兰转动等。
外加强环不与密封介质接触,因此不要求耐介质腐蚀,故常常由碳钢材料制成。
外加强环还可以与密封元件制成一体,例如金属齿形垫片、波齿复合垫片。
内加强环或内环接触流体,其材料应能抵御密封介质的腐蚀。
内加强环的作用是:
防止密封元件与容器或管道法兰之间的空隙,以避免此空隙干扰流体的流动以及由此引起的流体对垫片的冲击。
2
法兰垫片的种类。
一、非金属平垫片——HG/T20606-2009(欧系)HG/T20627-2009(美系)二、聚四氟乙烯包覆片——HG/T20607-2009(欧系)HG/T20628-2009(美系)三、金属包覆垫片——HG/T20609-2009(欧系)HG/T20630-2009(美系)四、缠绕式垫片——HG/T20610-2009(欧系)HG/T20631-2009(美系)五、齿形组合垫——HG/T20611-2009(欧系)HG/T20632-2009(美系)六、金属环垫——HG/T20612-2009(欧系)HG/T20633-2009(美系)一、非金属平垫片—HG/T20606-2009\HG/T20627-20091、垫片型式:全平面(FF)突面(RF)凹凸面(MFM)榫槽面(TG)突面带内包边(RF-E)。
2、垫片使用的材料3、垫片尺寸极限偏差FF型和RF型MFM型和TG型4、标记示例a、公称尺寸100㎜、公称压力25的突面法兰,用304不锈钢包边的XB450石棉橡胶板垫片:HG/T20606 垫片 RF-E 100-2.5 XB450/304b、公称尺寸500㎜、公称压力0.6MPa的全平面法兰用三元乙丙橡胶垫片:HG/T20606 垫片 FF 500-0.6 EPDMc、公称尺寸DN400,公称压力Class15的凹凸面法兰,选用厚度为3㎜的无机纤维橡胶压制板垫片:HG/T20627 垫片面性MFM 400-150 NAS(AAA/BBB)注:具体厂商(AAA)和牌号(BBB)钢制管法兰用垫片的几种类型二、聚四氟乙烯包覆垫—HG/T20607-2009\HG/T20628-20091、垫片型式:A型(剖切型)B型(机加工型)C型(折包型)2、垫片使用的材料包覆层:聚四氟乙烯——符合QB/T3625中规定的FSB-2和QB/T3626的规定。
嵌入层:石棉橡胶板或非石棉纤维橡胶板.3、垫片尺寸极限偏差垫片内径D1和外径D4尺寸公差及厚度的极限偏差4、垫片嵌入层常使用的材料5、标记示例a、公称尺寸DN200、公称压力PN10的钢制管法兰用剖切型聚四氟乙烯包覆垫片,嵌入层材料为丁氰橡胶板:HG/T20607 四氟包覆垫(NBR) A 200-10b、公称尺寸DN200、公称压力Class150的钢制管法兰用厚度T为2.5mm的剖切型聚四氟乙烯包覆垫片,嵌入层材料为丁氰橡胶板:HG/T20628 四氟包覆垫(NBR) A 200-150三、金属包覆垫片—— HG/T20609-2009\ HG/T20630-20091、垫片型式:Ⅰ型和Ⅱ型金属包覆垫片;2、垫片的包覆金属材料:3、填充材料:4、垫片尺寸的极限偏差5、标记示例:a、公称尺寸DN500、公称压力PN25、金属包覆层材料为0Cr18Ni9,填充材料为XB450石棉橡胶板的金属包覆垫片:HG/T20609 金属包覆垫片 500-25 304/XB450b、公称尺寸DN500、公称压力Class300、金属包覆层材料为0Cr18Ni9,填充材料为柔性石墨板的金属包覆垫片:HG/T20630 金属包覆垫片 500-300 304/FG四、缠绕式垫片——HG/T20610-2009\HG/T20631-20091、垫片型式:2、垫片材料3、垫片型式和材料代号垫片型式和材料代号(续)4垫片尺寸极限偏差表1——HG/T20610表2——HG/T206316、标记示例a、公称尺寸为DN100、公称压力PN40的钢制管法兰用带内环和对中环的缠绕式垫片(D型),对中环材料为碳钢,金属带材料为0Cr18Ni9,填料为柔性石墨带,内环材料为0Cr18Ni9,其标记为:HG/T20610 缠绕垫 D100-40 1222b、公称尺寸为DN1000、公称压力Class300的大直径钢制管法兰(B系列)用带内环和对中环的缠绕式垫片(D型),对中环材料为碳钢,金属带材料为0Cr18Ni9,填料为柔性石墨带,内环材料为0Cr18Ni9,其标记为:HG/T20631 缠绕垫 D1000 B-300 1222※标志:垫片在对中环上应有永久性标志(如打钢印等)。
垫片密封在现代工业中占有很重要的地位,密封失效造成的跑、冒、滴、漏严重地影响生产的连续性,密封的好坏直接关系到生产安全,因此垫片的发展越来越受到人们的重视。
垫片密封技术的发展是随着压力容器的发展而发展的,应用范围越来越广,随着现代化工业特别是石油化工业、原子能工业、大型电站的兴起,压力容器向高温、高压、高真空、深冷和大型化发展,也对垫片密封提出新的要求。
在垫片密封系统中,垫片的发展速度是最快的。
本文介绍几种常用垫片的发展概况,为垫片的密封选型和正确应用提供帮助。
垫片的类型现代工业中使用的垫片按其材料可分为非金属垫片(主要包括石棉橡胶板、聚四氟乙烯垫和柔性石墨垫,垫片形式多为平垫)、组合垫片(由两种非金属材料或一种金属和一种非金属材料组合而成的,主要包括缠绕式垫片、金属包垫以及最近发明的波形活压垫片等)和金属垫片(通常是由一种金属或合金通过机械加工而成的,主要包括平垫、椭圆形、八角形垫圈等)。
1.1非金属垫片1. 1.,石棉橡胶垫片石棉橡胶垫片是过去常使用的垫片之一,价格较其他垫片便宜,使用方便,一般用于压力不超过1. 6MPa、温度不超过200℃的场合。
它存在的不足是:垫片材料虽然加人了橡胶和一些填充剂,但仍然无法将那些串通的微小空隙填满,存在微量渗漏,故对于污染性极强的介质,即使压力、温度不高也不能使用;当用于一些高温油类介质时,通常在使用后期,由于橡胶和填充剂碳化,强度降低,材料变疏松,便在界面和垫片内部产生渗漏,出现结焦和发烟现象;另外,石棉橡胶板在高温下易粘结在法兰密封面上,给更换垫片带来了许多麻烦;石棉橡胶板还含有氯离子和硫化物,吸水后容易与金属法兰形成腐蚀原电池,尤其是耐油石棉橡胶板中硫磺含量高出普通石棉橡胶板几倍,故在非油性介质中不宜使用。
需要特别指出的是由于健康和环保的原因,石棉制品不符合国际环保公约和国际标准化组织的要求,石棉垫片在国际市场上已被禁用或淘汰,建议少用或不用。
1.1.2柔性石墨垫片柔性石墨垫片是取代石棉垫片的理想选择。
常用法兰垫片及金属缠绕垫介绍一、四氟垫片四氟垫片国外又叫PTFE垫片或Teflon(铁氟龙)垫片.由聚四氟乙烯棒、管、板经机械车削或裁切而成的平垫片、V形垫片、活塞环、球阀垫圈等具有耐腐蚀、抗老化和不导电等良好特性。
聚四氟乙烯pH值0-14(熔融的碱金属和高温、高压下的氟除外)。
其在-100℃~100℃之间能够具有良好的机械强度。
使用压力10Mpa。
在温度低于-185℃时,聚四氟乙烯垫片会变脆。
纯聚四氟乙烯垫片是一种洁净的密封产品,不会对其所接触的任何物质形成污染。
二、橡胶垫片橡胶垫片具有耐油、耐酸碱、耐寒热、耐老化等性能,可直接切割成各种形状的密封垫片,广泛应用于医药、电子、化工、抗静电、阻燃、食品等行业。
丁腈橡胶垫片NBR(Nitrile-Butadiene Rubber):是由丁二烯和丙烯腈经乳液共聚而成的聚合物。
丁腈橡胶垫片以其优异的耐油性(但不耐酮、酯和氯代烃等介质)而著称,同时还具有良好的耐磨性、耐老化性及气密性。
三、金属缠绕垫片金属缠绕垫片是目前应用广泛的一种密封垫片,为半金属密合垫中回弹性最佳的垫片,由V形或W形薄钢带与各种填充料交替缠绕而成,能耐高温、高压和适应超低温或真空下的条件使用,通过改变垫片的材料组合,可解决各种介质对垫片的化学腐蚀问题,其结构密度可依据不同的锁紧力要求来制作,为加强主体和准确定位,缠绕垫片设有金属内加强环和外定位环,利用内外钢环来控制其最大压紧度,对垫片接触的法兰密封面的表面精度要求不高。
金属缠绕垫片采用优质SUS304、SUS316(“V”形或“W”形) 金属带及其它合金材料与石墨、石棉、聚四氟乙烯、无石棉等软性材料相互交替重叠螺旋缠绕而成,在开始及末端用点焊方式将金属带固定。
金属缠绕垫片为半金属密合垫中回弹性最佳的垫片,金属缠绕垫片结构密度可依据不同的锁紧力要求来制作,并利用内外钢环来控制其最大压紧度,缠绕垫片接触的法兰密封面的表面精度要求不高。
金属缠绕垫片特别适用于负荷不均匀、接合力易松弛,温度与压力周期性变化、有冲击或震动的场合。
管法兰、垫片及紧固件选用
综上(自己总结):
一、概况说明
1、法兰标准有:GB、HG、SH、SY、JB、DIN多种标准;
GB/T9112-2000《钢制管法兰类型与参数》,GB9113.1-9123.4各种法兰系列;
HG20592-20635;
SH 3059-2001石油化工管道设计器材选用通则
2、压力等级有欧洲管法兰体系,即 PN0.25、0.6、1.0、1.6、2.5、
4.0、6.3、10.0、16.0MPa;
美洲管法兰体系,即:2.0、5.0、11、15、26、42MPa;
我国用欧洲体系;
3、钢管外径分国际通用系列,即英制系列,国内沿用即米制系列。
GB:国际标准系列,即英制系列为Ⅰ,国内沿用即米制系列为Ⅱ;HG:国际标准系列,即英制系列为A,国内沿用即米制系列为B。
系列制式不同,所接管道系列不同(即内径不同),但法兰对接尺寸是相同的。
二、油库管道法兰选用
1、输油管道法兰可选用:PN1.6、2.5、4.0MPa突面(凸面)带颈
对焊钢制法兰(GB9115-88),材料:Q235A,板材(GB3274)、锻造(GB700)或20号板材GB711,锻件(GB609)均可。
配金属
聚氟乙烯D型(内外环)缠绕式垫片(SH 3407),紧固件8,8
级或35CrMoA或25CrMoVA。
聚氟乙烯耐温200,柔性石墨耐温更高(600)没必要。
金属缠绕垫片不能用于有水线及榫槽面2、一般管道,如水、消防等可采用板式凸面平焊法兰(PL),密
封垫:石棉橡胶板垫、橡胶垫片、聚四氟乙烯垫片等等,紧固件8,8级或35CrMoA(-20度)或25CrMoVA。
3、型号表示:。
法兰垫片的类型、标识和选用!垫片是法兰连接的主要密封件,因而正确选用垫片也是保证法兰连接不泄漏的关键。
根据制作材料的不同,垫片可以分为很多种类。
除了垫片的类型,垫片的标识和选型也很重要!一、垫片的结构型式工业上使用的平垫片一般由密封元件及内、外加强环组成,密封元件或称垫片本体是阻止泄漏的关键部分。
其常用的材料有非金属材料,如柔性石墨、聚四氟乙烯、纤维增强橡胶基复合板等。
此外,密封元件材料也可以是刚性或柔性的金属,通常用于压力和温度较高的场合。
对于非金属材料的密封元件,通常插入金属材料予以增强,同时也方便了如石墨等易破碎材料密封元件的制造加工。
增强材料可以是金属薄板或丝网,金属薄板常常采用冲刺孔的方式以提高增强效果和增加弹性,并通过粘结剂和辊压将它们贴合在一起。
密封元件也可以可设一表面层或抗粘结处理层来增加密封效果和防止法兰密封面粘结。
外加强环或外环材料均为实体金属,其作用是:•帮助密封元件安装时对中;•防止密封元件过份压缩而破坏;防止垫片吹出和减少法兰转动等。
•外加强环不与密封介质接触,因此不要求耐介质腐蚀,故常常由碳钢材料制成。
外加强环还可以与密封元件制成一体,例如金属齿形垫片、波齿复合垫片。
•内加强环或内环接触流体,其材料应能抵御密封介质的腐蚀。
内加强环的作用是:•防止密封元件与容器或管道法兰之间的空隙,以避免此空隙干扰流体的流动以及由此引起的流体对垫片的冲击。
二、法兰垫片的种类1、非金属平垫片——聚四氟乙烯包履垫片①垫片介绍聚四氟乙烯包履垫片是一种非金属复合型软垫片,一般由包封皮及嵌入物两部分组成。
包封皮主要起抗腐蚀作用,通常由聚四氟乙烯材料制成,嵌入物(填料)为带或不带金属加强筋的非金属材料,通常由石棉橡胶板制成。
聚四氟乙烯包履垫片主要适用于全平面型及突面型钢制管法兰连接,适用公称压力PN为0.6~5.0MPa、工作温度为0~150 ℃的腐蚀介质或对清洁度有较高要求的介质。
②垫片的形式管法兰用聚四氟乙烯包履垫片按制造方式可分为三种型式:剖切型(S型)、机加工型(M型)、折包型(F型)。
对于机加工型包履垫片,其包封层内径可与法兰内径一致,以防止流体在法兰处产生涡流。
对于折包型包履垫片,它是由厚度为0.4~0.8mm的带状聚四氟乙烯薄膜,用热密封方法将两端热合后包在环状的芯材外面呈U形状,制造简便,适用于尺寸较大的法兰密封。
③标记—标记示例公称通径50mm、公称压力1.0MPa的剖切型聚四氟乙烯垫片:S-50-1.0 GB/T1304-1992公称通径50mm、公称压力1.0MPa的机加工型聚四氟乙烯垫片:M-50-1.0 GB/T1304-1992公称通径50mm、公称压力1.0MPa的折包型聚四氟乙烯垫片:F-50-1.0 GB/T1304-19922、金属复合垫片(1)金属缠绕式垫片金属缠绕式垫片是由金属带和非金属带螺旋复合绕制而成的一种半金属平垫片。
①金属缠绕式垫片的特性是:•压缩、回弹性能好;•具有多道密封和一定的自紧功能;•对于法兰压紧面的表面缺陷不太敏感,不粘接法兰密封面,容易对中,因而拆卸便捷;•可部分消除压力、温度变化和机械振动的影响;•能在高温、低压、高真空、冲击振动等循环交变的各种苛刻条件下,保持其优良的密封性能。
②形式缠绕式垫片按其结构不同可分为四种型式:基本型、带内环型、带定为环型、带内环和定为环型。
③垫片型式代号(GB/T4622.1-2003)④标记—标记示例带内环和定为环型:•定为环材料为低碳钢、金属带材料为0Cr18Ni9;•公称通径150mm;•公称压力4.0MPa(40bar);•垫片尺寸标准GB/T4622.2-2003;•其标记为:•缠绕垫D 1222-DN150-PN40 GB/T4622.2基本型:•金属带材料为0Cr18Ni9、填充带材料为柔性石墨;•公称通径150mm;•公称压力4.0MPa(40bar);•垫片尺寸标准GB/T4622.2-2003;•其标记为:•缠绕垫 A 0220-DN150-PN40 GB/T4622.2⑤缠绕式垫片的选择和使用方法:a、基本型垫片适用于榫槽面法兰b、内环型垫片适用于凹凸面法兰c、定为环型垫片适用于平面和突面法兰d、内环和定为环型垫片适用于平面和突面法兰(2)金属包履垫片①结构金属包履垫片是以非金属材料为芯材,切成所需形状,外面包以厚度为0.25~0.5mm的金属薄板组成的一种复合垫片。
根据包履状态,一般分为平面型和波纹型两种。
按结构型式分为平面型(F型)及波纹型(C型)两种。
压力容器法兰用金属包履垫片结构型式为平面型一种。
②金属板材标准和代号(JB/T4706-2000)③标记—标记示例公称通径50mm,公称压力2.0MPa的波纹型金属包履垫片:C-50-2.0 GB/T15601压力容器法兰用金属包履垫片的标记及示例:公称直径1000mm,公称压力2.50MPa,金属板材为0Cr18Ni9的包履垫片:垫片G-1000-2.50- JB/T4706-2000(3)金属冲齿板柔性石墨复合垫片①垫片介绍这种垫片又称柔性石墨金属增强复合垫片,它是由冲齿的金属齿板或冲孔金属芯板与柔性石墨粒子复合压成的一种密封垫片,它通常由柔性石墨复合增强板裁制而成。
根据需要,柔性石墨金属增强复合垫片可制成带不锈钢或碳钢内包边或内外包边。
②特点主要特点是:有良好的耐高、低温,耐腐蚀,耐辐射等性能,强度较高,能在高压工况下使用。
所需预紧力比使用金属垫片或金属缠绕垫片小。
由于柔性石墨具有可塑性和良好的充填性,使用这种垫片时对相配法兰密封面不需要进行精密加工,对法兰密封面上制有“水线”沟槽也能适应,相对来说比较经济。
柔性石墨复合垫片型式分为RF型、MFM型和TG型,分别适用于突面、凹凸面和榫槽面法兰。
根据需要,RF型垫片可带不锈钢或碳钢内包边,即为RF-E型。
③标记—标记示例公称通径100mm、公称压力2.5MPa、芯板材料为低碳钢的榫槽面法兰用柔性石墨金属增强复合垫片:HG/T 20608 石墨复合垫TG 100-2.5 St公称通径200mm、公称压力4.0MPa、芯板材料为0Cr18Ni9的突面法兰用内包边柔性石墨金属增强复合垫片:HG/T 20608 石墨复合垫RF-E 200-4.0 304(4)金属波齿复合垫片①垫片介绍由柔性石墨做成的金属波齿复合垫片是在机械加工成波齿状的金属板两面覆上柔性石墨的一种复合垫片,这种垫片既有金属的强度,又有波纹弹性的特点,最高温度650℃,最高压力可达26MPa。
②垫片类型柔性石墨金属波齿复合垫片按其结构不同分为三种型式:基本型、带定位换型、带隔条型。
垫片型式代号(GB/T19066.1-2003)③标记—标记方法:带定位环型:•金属骨架材料0Cr18Ni9;•公称通径150mm;•公称压力4.0MPa(40bar);•垫片尺寸标准GB/T19066.2。
金属骨架材料代号(GB/T19066.1-2003)波齿垫:B3-DN150-PN40 GB/T19066.23、金属垫片(1)金属环形垫片金属环形垫片是用金属材料加工成截面为八角形或椭圆形的实体金属垫片,具有径向自紧密封作用。
故金属环形垫片是靠与法兰梯槽的内外侧面(主要是外侧面)接触,并通过压紧而形成密封的。
八角形环形垫与法兰槽相配,主要表现为面接触。
同椭圆形环垫相比,虽然不易与法兰槽达到密合,但却能再次使用,并且因截面是直线构成,容易加工。
椭圆形环垫与法兰槽是线接触,密封性较好,但加工精度要求高,因而增加了制造成本,同时椭圆形环垫不能重复使用。
金属环垫适用的公称压力为2.0~42.0MPa。
(2)金属齿形垫片①垫片介绍金属齿形垫片是一种实体金属垫片,垫片的剖切面呈锯齿形,齿距t=1.5~2mm,齿高h=0.65~0.85mm,齿顶宽度C=0.2~0.3mm。
在密封面上车削若干个同心圆,其齿数为7~16,视垫片的规格大小而定。
②垫片的结构形式和优点金属齿形垫片的结构型式有基本型、带外环型、带内环型及带内外环型四种,比较常见的结构为基本型。
由于金属齿形垫片密封表面接触区的V形筋形成许多具有压差的空间线接触,所以密封可靠,使用周期长。
和一般金属垫片相比,这种垫片需要的压紧力较小。
其缺点是在每次更换垫片时,都要对两法兰密封面进行加工,因而费时费力。
另外,垫片使用后容易在法兰密封面上留下压痕,故一般用于较少拆卸的部位。
金属齿形垫片适用的公称压力为1.6~25.0MPa。
③标记示例公称通径100mm、公称压力6.3MPa、材料为0Cr19Ni9的凹凸面管法兰用金属齿形垫片:齿形垫 100-63 0Cr19Ni9 JB/T88-1994三、垫片尺寸的选用1、选用垫片的基本原则(1)选用或订购垫片时应了解以下基本数据:a、相配法兰的密封面型式和尺寸;b、法兰及垫片的公称通径;c、法兰及垫片的公称压力;d、流体介质的温度;e、流体介质的性质。
(2)选用垫片时还应考虑以下因素:a、有良好的压缩及回弹性能,能适应温度和压力的波动;b、有良好的可塑性,能与法兰密封面很好的贴合;c、对有应力腐蚀开裂倾向的某些金属(如奥氏体不锈耐酸钢)法兰,应保证垫片材料不含引起各种腐蚀的超量杂质,如控制垫片氯离子含量以对法兰腐蚀;d、不污染介质;e、对密封高度毒性的化学品,要求垫片应具有更大的安全性;对于输送易燃液体的管道系统,要求垫片用于法兰上的最高使用压力和最高使用温度在限制范围内;f、低温时不易硬化,收缩量小,高温时不易软化,抗蠕变性能好;g、加工性能好,安装及压紧方便;h、不粘接法兰密封面,拆卸容易。
2、标准垫片的选用。