iFix配置教程
- 格式:docx
- 大小:211.04 KB
- 文档页数:8
iFIX操作说明声明:本文中出现的文件所在目录、所选择的配置文件等,仅适用于化学水和除灰除渣系统的工控机。
一、安装iFIX在凝结水精处理、工业废水以及加药取样系统的工控机上,在F盘中均有iFIX安装文件。
双击setup.exe即可进行安装。
安装过程中一直选择―下一步‖和―是‖,除了以下几步:1、选择安装目录,默认一般为C:\Program Files\GE Fanuc\Proficy FIX,可更改为所要安装的磁盘目录,当然也可保持默认目录。
2、在安装的最后阶段,将弹出两个对话框询问是否要在线注册和阅读说明,均选择否即可。
二、iFIX的配置建议在重新安装iFIX之前,将原安装目录备份,然后在该备份目录上覆盖安装,这样可以省去一些配置的步骤。
在这种情况下,所要做的设置有:1、双击画面左侧的系统树下方的系统配置,在弹出的窗口下方有一排选项按钮2、如图所示:3、4、需要设置的,是其中的第四、五、六个按钮。
点击第四个按钮,进入SCADA设置界面。
点击I/O驱动器名称右侧的问号,在弹出窗口中选择OPC - OPC Client v7.34a,然后确定;同样选择数据库名称为DATABASE。
然后依次点击增加,确定,完成驱动器添加。
点击第五个按钮,进入任务配置界面。
点击文件名后面的问号,选择要添加的程序,点击增加。
一般需要添加的是HTC.EXE和LOGIN.EXE。
添加之后,选预览:iFIX操作说明上海东屋电器有限公司自控部中所添加的程序,点击右侧的向上箭头,将其上移至WORKSPACE.EXE上方。
这样,所选择的程序将随iFIX启动而启动。
点击第六个按钮,进入安全配置界面,如图:5、同样,下方有五个选项按钮。
点击第三个按钮,将用户基本安全选择为启用,确定。
然后点击第一个按钮,如图:在这里可以设置登陆账户及相应的权限。
如果要增加账户,点击增加;如果要修改已有账户,点击修改。
注意:GUEST和SYSTEM ADMINISTRATOR为系统默认账户,建议不要轻易修改。
IFix MB1串口驱动程序配置步骤
IFix4.0与西门子S7-200系列PLC通讯采用modbus RTU协议,需要首先安装iFix 驱动程序MB1,此驱动为Modbus协议的驱动。
安装完驱动后,有三种方法进入驱动程序界面,方法如下:
(图一)(图二)打开从“开始--程序--FIX DYNAMICS--MB1 POWERTOOL 驱动程序(第一种方法)。
打开驱动程序后的第一个界面。
打开从“开始--程序--Proficy HMI
SCADA-iFIX4.0--系统配置(第二、
三种方法)。
(图三)
第三种方法是双击打开
SCADA组态图标即可
打开图五的画面。
双击MB1图
标立即可打
开图二的画
面。
这是第二
种方法。
(图四)
(图五)(图六)点击问号按钮可添加MB1驱动器
选择MB1驱动器后,点击配置可打开图二的画面。
点击添加
通道按钮。
(图七)
通道的名
称
设置通道参数,包括端口
启用,通讯参数设置应与
PLC一致,协议选择RTU,
模式选择Master
点击添加
设备图标
可见下图。
(图八)
(图九)
(图十)
设备的名称
设备的站号
数据类型
点击数据块定义图标可见下图。
数据块的名称
数据块的定义访问区域。
最后别忘了要勾选启用该块。
iFix组态指导手册前提:计算机已安装iFix组态软件(下面按iFix4.0为例)一、新建工程计算机安装好iFix软件后,桌面上会出现如图iFix快捷方式,双击打开软件出现下图窗口:从上图中可以看出,iFix工程是默认存储在C盘软件安装目录底下的,点击上图中左上角图标,进入主界面工作台如图iFix进入工作台后会默认打开一张空白画面,如不需要,可将它关掉,按自己要求重新建立画面。
二、画面组态在上图中右键左侧树结构菜单中的“画面”即可新建画面如下图选择自定义画面,点击下一步在下图中选择默认选项继续点击下一步在下图中设置画面所需分辨率(按像素),举例建立了像素600*400的画面,点击下一步在下图中自行选择画面背景色(也可不选,以后可修改),继续点击下一步在下图中输入画面名称,点击下一步在下图中点击完成按钮,创建画面成功。
菜单和工具栏功能请参考帮助iFix电子书中的“创建画面”章节三、变量组态在工作台左侧树结构菜单中双击如图“系统配置应用”图标再点击上图中的图标,进行PLC设备驱动配置点击下图中“I/O驱动器名称”后面的问号按钮选择正确的设备驱动和通讯方式(这里以OPC为例)点击确定,再点击下图中添加按钮,再点击确定询问点击“是”保存并关闭该窗口在工作台左侧树结构菜单中双击如图“数据库管理器”图标,进入变量组态环境选择“打开本地节点”,点击确定根据编程师提供的地址表信息,建立相应的不同类型的变量(离散型、整数型、浮点型),在上图空白处双击鼠标,弹出下图根据编程师提供的变量地址表选择需要新建的变量类型,这里以“DI”数字量输入为例,点击确定在上图中输入所见变量的各项属性,选择正确的驱动器(这里显示为之前添加的OPC驱动)和I/O地址(编程师提供)点击保存,变量建立成功。
四、动画组态参考帮助iFix电子书中的“创建画面”章节五、报警组态参考帮助iFix电子书中的“实现报警和消息”章节六、趋势曲线参考帮助iFix电子书中的“历史数据趋势”章节七、报表参考帮助iFix电子书中的“精通iFix”中“报表”章节。
三、冗余主机设置1.更改计算机名,如:SVR1。
在“我的电脑”处点击鼠标右键-属性-计算机名-更改-输入更改名(如:SVR1)-确定2.更改IP 如;192.168.100.102在“网上邻居”处点击鼠标右键-属性-在“本地连接”处点击鼠标右键-属性―点击"Internet协议(TCP/IP)"―属性―点击”使用下面的IP地址”和”使用下面的DNS服务器地址”-输入IP地址如”192.168.100.102”和子网掩码”255.255.255.0”-确定-确定3.安装IFIX5.1(注意:授权)4.设置iFIX的SCU配置―本地启动―本地节点名(计算机名:SVR1)―本地逻辑节点名(注意:要和备用计算机一样) 如FIX―确定配置―网络―点击”TCP/IP”―在’远程节点名’输入FIX逻辑节点名)―配置―点击’启用逻辑节点名’―主节点:SVR1―备节点:SVR2―确定配置―SCADA―点击’启用’―SCADA名:输入”SVR2”(备用计算机名)―确定配置―报警―’报警网络服务’和’报警启动队列服务’是否都启用―确定时钟同步配置―任务―点击’%C:\Program Files\GE Fanuc\Proficy iFIX\WSACTASK.EXE’―在命令行:输入’大写S’―点击’修改’―确定5.保存文件―保存备机设置1.更改计算机名,如:SVR2。
在“我的电脑”处点击鼠标右键-属性-计算机名-更改-输入更改名(如:SVR2)-确定2.更改IP 如;192.168.100.103在“网上邻居”处点击鼠标右键-属性-在“本地连接”处点击鼠标右键-属性―点击"点击“Internet协议版本4(TCP/IPv4)―属性―点击”使用下面的IP地址”和”使用下面的DNS服务器地址”-输入IP地址如”192.168.100.103”和子网掩码”255.255.255.0”-确定-确定3.安装IFIX5.1(注意:授权)4.设置iFIX的SCU配置―本地启动―本地节点名(计算机名:SVR2)―本地逻辑节点名(注意:要和备用计算机一样) 如FIX―确定配置―网络―点击”TCP/IP”―在’远程节点名’输入FIX(逻辑节点名)―配置―点击’启用逻辑节点名’―主节点:SVR1―备节点:SVR2―确定配置―SCADA―点击’启用’―点击“节点:SVR2为备”在主SCADA名称(M):输入”SVR1”(主计算机名)―确定配置―报警―’报警网络服务’和’报警启动队列服务’是否都启用―确定时钟同步配置―任务―点击’%C:\Program Files\GE Fanuc\Proficy iFIX\WSACTASK.EXE’―在命令行:输入’大写S’―点击’修改’―确定5.保存文件―保存客服端1.更改计算机名,如:iClient1。
iFIX使用手册iFIX使用手册目录1、概述1.1 介绍1.2 系统要求1.3 安装iFIX2、iFIX界面2.1 主界面2.2 工作区域2.3 菜单栏2.4 工具栏3、创建项目3.1 新建项目3.2 添加设备驱动3.3 配置通信3.4 导入标签4、设备连接4.1 创建设备4.2 配置设备参数4.3 设备连接状态5、图形化编辑5.1 新建画面5.2 添加控件5.3 编辑控件属性5.4 设定动画效果6、组件库6.1 控件库6.2 字库6.3 符号库7、运行与调试7.1 运行画面7.2 监视标签值7.3 调试功能8、报警与事件8.1 设置报警条件 8.2 定义报警消息8.3 报警处理9、数据存储9.1 历史数据记录 9.2 手动数据录入9.3 数据备份与恢复10、安全与权限控制10.1 用户与用户组10.2 权限设置11、监控与诊断11.1 故障诊断11.2 监控性能12、高级功能12.1 定时任务12.2 脚本编程12.3 接口与对接附件:本文档没有附件。
法律名词及注释:1、设备驱动:用于与外部设备进行通信的软件模块。
2、通信:指计算机之间或计算机与外部设备之间进行数据交换的过程。
3、标签:在iFIX中用于显示变量值的标识符。
4、画面:iFIX中可视化界面的一个页面,用于显示相关设备状态或操作控制界面。
5、控件:用于iFIX画面中显示数据、接受操作或显示系统相关信息的元素。
6、动画效果:在iFIX中实现数据显示动态效果的功能。
7、报警条件:用于设定在某一条件满足时触发报警。
8、报警消息:触发报警时显示的相关信息。
9、权限控制:用于设定用户或用户组对系统功能与数据的访问权限。
10、故障诊断:通过对系统运行状态的监控,快速诊断并解决故障。
11、性能监控:用于监测系统运行状态、性能指标的功能。
(完整版)ifix教程⽬录1.IFix的安装 (1)1.1安装准备 (1)1.2安装 (1)2.基本功能和原理 (3)2.1基本功能 (3)2.2⼯作原理 (4)2.3 典型的系统结构 (4)3、新建⼯程 (5)4、iFix开发设计 (9)4.1 iFix⼯作台简介 (9)4.2 画⾯设计 (11)5、SCADA系统 (17)5.1数据库管理器 (17)5.2 I/O驱动的配置 (21)6、实现动画 (25)6.1 数据源 (25)6.2 动画设计 (26)6.3 共享阈值表 (28)6.4 使⽤标签组 (29)7、安全配置 (31)7.1 权限配置 (31)7.2 配置运⾏环境 (32)8、VBA脚本设计 (33)8.1 VBA编辑环境 (33)8.2 脚本编辑 (34)1.IFix的安装1.1安装准备安装IFix前请先安装好office软件,推荐使⽤office2010版本,Ifix5.1之前的版本不⽀持Windows7及以上的操作系统1.2安装安装过程中的选项如下选择典型安装为了⽅便在不同电脑间移植⼯程请⽤默认安装路径选SCADA服务器,节点名保持默认点跳过选择否结束安装安装结束后重启电脑2.基本功能和原理2.1基本功能iFIX执⾏基本功能以使特定的应⽤程序执⾏所赋予的任务。
它两个基本的功能是数据采集和数据管理。
下图表⽰了iFIX的基本功能。
数据采集是从现场获取数据并将它们加⼯成可利⽤形式的基本功能。
iFIX也可以向现场写数据,这样就建⽴了控制软件所需的双向连接。
iFIX不需要⽤特别的硬件获得数据。
它可以通过⼀个叫I/O 驱动器的软件接⼝同已存在的I/O设备直接通讯。
在⼤多数情况中,iFIX可以使⽤现场已装配的I/O 硬件来⼯作。
即使在现场设同⼀⽹络上使⽤不同⼚家⽣产的I/O设备,I/O驱动器都可以与它们⼀起正常的⼯作。
具体来说有以下功能:1)监视监视具有采集和显⽰实时⼯⼚数据给所有相关⼈员的能⼒。
iFix_SCADA教程来源:连邦IT服务平台编辑:黄燕飞发布时间:11-11-01iFix_SCADA:通过SCADA Server实时采集各系统的数据,即可在调度室实现操作控制;数据上传矿信息网后,可实现在办公终端监视生产过程,供决策部门和管理部门掌握生产最新动态一、配置SCADA冗余的前提条件:1、两个SCADA SERVER又同样的过程数据库2、相同的I/O DRIVER配置3、连接到相同的设备4、SCU配置成报警同步。
5、独立于IFIX软件外,两个SCADA服务器和客户端的机器在物理网络连接是通的。
二、客户端配置1、启动客户端IFIX软件,打开IFIX软件的SCU(系统配置程序),其画面如下:(确保禁用了SCADA支持)启动客户端IFIX软件2、打开系统配置的网络配置,打开的画面如图1:图1 打开系统配置的网络配置3、网络中选择网络连接的协议,如TCP/IP协议。
4、删除所有已经配置的远程节点5、在远程节点名中输入用户定义的逻辑节点的名称。
(在图中有标注)。
关于远程逻辑节点名的使用是这样的,假设我们取的远程的节点名称是PROD_1,二两个SCADA 服务器的名称分别是 SCADA10P(主)和SCADA10B(备),那么在数据连接,VBA脚本,调度,动画的数据源中引用格式是FIX32.PROD_1.TANKEVEL.F_CV而不是FIX32.SCADA10P_1.TANKEVEL.F_CV。
6、然后选择上图中的按纽,进入下面的画面如图2:图2 远程节点配置7、在上面的画面中的设置如下:首先选中“启用逻辑节点名(E)”复选框,在主节点名中输入主的SCADA服务器的物理节点名,在备节点名中输入备用SCADA服务器的物理节点名,最后单击画面的“确定”按纽关闭画面,返回到画面(一),单击画面(一)的“确定”按纽,返回到SCU配置画面。
8、打开下面的画面如图3:(SCU-配置-本地启动)图3 本地启动定义选中“本地节点别名”,单击“确定”按纽,返回到SCU配置画面。
iFIX 系统配置指南针对各种项目需求,为了帮助系统工程师和售前服务工程师更好地使用iFIX 及其组件配置企业级系统,本材料在各个方面给出了详尽的说明和例子,以便项目相关人员使用参考。
本材料所涉及的方面主要有如下几个主题:设备连接、iFIX 功能模块选取及数据库设计、网络设计、企业信息系统和资源调度系统集成及冗余系统设计。
第一章设备连接设备连接是一个工厂数据采集系统需要解决的首要问题,iFIX 可以提供与世界上各种知名设备的方便连接方式,同时提供通讯程序的开发工具包以使用户能将自行开发的非标设备连接到 iFIX 监控系统。
下面分几个方面阐述。
1.连接设备类型:iFIX 可以连接的设备种类有很多,主要类型有:DCS、PLC、控制器、远程模块、现场总线设备、条码阅读器、智能仪表、称重仪、其它计算机系统或特殊设备。
2.连接方式:iFIX 和设备的连接方式主要有如下几种:通过串行口连接,通过工业网络连接,通过标准以太网连接,其它方式如:电话拨号,微波设备,无线电传输,专线连接等。
3.使用的 iFIX 驱动程序:iFIX 驱动程序根据开发工具不同,分为 6.x 版本和7.x版本。
6.x版本的驱动程序使用驱动程序开发包 ITK 开发,可以在 WINDOWS95/98 和 WINDOWS NT 上运行。
6.x版本的驱动程序支持在同一台 PC 机上同时运行 8 个不同的驱动程序连接8 种不同设备。
驱动程序内置冗余功能,详见冗余系统描述。
7.x版本的驱动程序使用 ASDK或 OSDK ( OPC Toolkit)开发,只能在WINDOWS NT平台上运行。
7.x版本驱动程序提供 OLE Automation 界面,可以脱离 iFIX 单独运行,并能在 VB程序中引用其属性、方法。
此驱动程序采用 COM/DCOM技术,可以以 C/S结构安装运行。
即可以进行网络远程控制,如将 Client 部分安装在 iClient 上,通过网络控制 Server 部分的运行,进行远程驱动程序组态,控制运行及状态诊断。
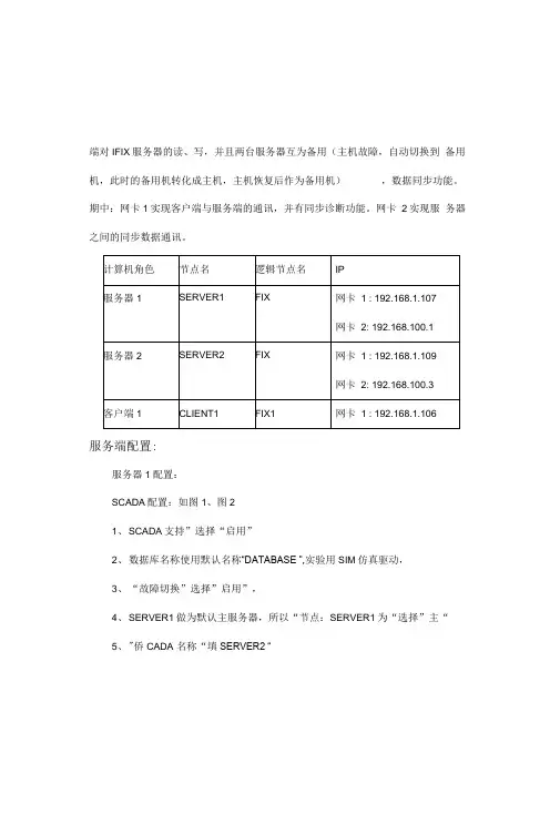
端对IFIX服务器的读、写,并且两台服务器互为备用(主机故障,自动切换到备用机,此时的备用机转化成主机,主机恢复后作为备用机),数据同步功能。
期中:网卡1实现客户端与服务端的通讯,并有同步诊断功能。
网卡2实现服务器之间的同步数据通讯。
服务端配置:服务器1配置:SCADA配置:如图1、图21、SCADA支持”选择“启用”2、数据库名称使用默认名称“DATABASE ”,实验用SIM仿真驱动,3、“故障切换”选择”启用”,4、SERVER1做为默认主服务器,所以“节点:SERVER1为“选择”主“5、"侨CADA 名称“填SERVER2 “6、点击“数据同步传输“进入摩所示窗口,选择网卡2,也就是图中的“备”端对IFIX服务器的读、写,并且两台服务器互为备用(主机故障,自动切换到备用机,此时的备用机转化成主机,主机恢复后作为备用机),数据同步功能。
期中:网卡1实现客户端与服务端的通讯,并有同步诊断功能。
网卡2实现服务器之间的同步数据通讯。
计算机角色服务器1节点名SERVER1逻辑节点名FIXIP网卡1 :192.168.1.107网卡2:192.168.100.1服务器2SERVER2FIX网卡1 :192.168.1.109网卡2:192.168.100.3客户端1CLIENT1FIX1网卡1 :192.168.1.106服务端配置:服务器1配置:SCADA配置:如图1、图21、SCADA支持”选择“启用”2、数据库名称使用默认名称“DATABASE ”,实验用SIM仿真驱动,3、“故障切换”选择”启用”,4、SERVER1做为默认主服务器,所以“节点:SERVER1为“选择”主“5、"侨CADA 名称“填8ERVER2 “6、点击“数据同步传输“进入陶所示窗口,选择网卡2,也就是图中的“备”端对IFIX服务器的读、写,并且两台服务器互为备用(主机故障,自动切换到备用机,此时的备用机转化成主机,主机恢复后作为备用机),数据同步功能。
Ifix 安装及SCU配置一、软件安装1、将ifix软件安装包解压到文件夹中*计劇"」就叫資貧同r Prcficy i=IX 5.5卜追宴Ftp細汙班,、\ 2、鼠标左键双击InstallFrontEnd文件,出现下图界面,点击"安装ifix5.5”选项3、如下图,选择“是”Intelligent Plotforms 安装J FIX 5.5Proficy*HMI/SCADASCADAX^CiuH 创n^tegn^kitorTi.irc 加*Mi* 栩M|.•CI infelig6wit.P«rtffcn«i he 吋港挣Pf 总g牌直呂•宾“育廉曽白对自吉却SW®・退出4、继续选择“是”5、点击下一步6、选择“我接受许可证协议中的条款“,然后点下一步7、选择“典型“,继续点击下一步&选择软件安装的位置,一般安装在默认文件夹中,也可以更改到其他文件夹(本例中不做改变),继续下一步9、点击安装10、软件安装中,耐心等待11、选择SCADA服务器,然后点下一步12、点击跳过13、选择“是14、选择"是",安装history for scada4 . 5Vrttjicy HMl/SCADA - U 7X 5.5ET ■f❷fid^***皿MF;]*■■ .ii ■ . > «.i,u ■ :-fc«1-BP*t. UWJ j OI”; +a«n ra !?*<¥?f-揪WE帚』先•卫. Z. 15、选择安装位置,一般选择默认,点击"next” S 0人”刘获| 4 i •+jl*W***Qa i^pC E^sr-iHg « ■!:■舉Aii|jS3*4dL ^H. ■^'■'HffXi p fMOfy^xz/j? - 畅灯f a i ■ » feflda^Cir tnW: r> diQdl- ri'-Kii..林■JP#18、选择“否19、安装完成,重启计算机生效二旧工程的导入及打开1、打开ifix,点击SCU,运行系统配置应用2、选择配置一一本地启动3、选择旧的SCU文件(即原来的组态文件,在备份工程下的local文件夹下),点击确定, 然后在“文件“中保存。
1.SCU-配置-本地启动中输入:
本地节点名:FIX
本地逻辑节点名:THISNODE
本地节点别名打勾
2.SCU-配置-网络中:
选择TCP/IP,
远程节点名输入THISNODE。
然后选择增加,然后点击配置,在“启用逻辑节点名”处打勾,在主节点处输入:FIX
1.SCU-配置-网络中:
选择TCP/IP,
远程节点名输入THISNODE。
然后选择增加,然后点击配置,在“启用逻辑节点名”处打勾,在主节点处输入:FIX
2.配置完成,更改host文件
在C:\WINDOWS\system32\drivers\etc下,用记事本打开,添加
服务器的IP地址服务器节点名服务器的机器名
例如:192.168.2.101 FIX XP-201412022027
更改完成后重启IFIX即可
3.网络测试
要测试网络通断,可以在命令窗口ping 服务器节点(ping FIX)如下图所示则网络通畅
三、画面组态
新建画面,在画面中连接数据标签如下操作
FIX数据库--THISNODE--变量名-F_CV 标签名添加完成。
项目建立过程(自我总结)点桌面ifix5。
0,出上画面,在点击运行系统配置应用,到下一画面。
文件中新建,然后在配置中—SCADSA,见下图启用SCADA支持,添加驱动名称,SIM与S7A。
确认,关闭。
在配置中继续——路径,只需要修改项目名称,在按更改项目键,下面相应的部分都能得到修改。
建议尽量修改路径,这样能使你所建立的项目同处在一个文件里(清晰可见)见下图:在配置中---网络一项,如果走CS架构就需要配置这个,我们用的单机版的就不用配置。
在配置中---任务配置,默认为前三项,添加WORKSPACE与HTC,前者相当与画面编辑平台,后者为趋势相关。
稍后注意启动时,加的HTC可能会报错。
文件-保存程序,保存时候选择的路径是。
见下图:在配置中---本地启动,在组态文件里一定要确认是你刚刚配置的FIX。
此项为当你建立快捷方式时所调用的具体项目(自我理解)。
文件-保存程序。
见下图:退出重新启动Ifix5.0 创建桌面快捷方式,但是此时应该注意SCU文件的路径与新建的存储路径应该是一致的。
见下图:在桌面上点击刚刚创建的快捷方式进入图像编辑画面,进入到编辑画面之后我们需要做的是先建立个S7通讯,也就是说画面与PLC连接的驱动。
点击S7A-继续:观察根目录颜色:按照上图设置完毕之后,File文件另存为项目保存路径的PDB文件夹中。
这样在以后备份程序时能整体的备份,包括画面-趋势-记录-驱动等。
此时,在Options里有个启动时的设置,在此配置是有个启动的起始路径和启动时候的存储S7A文件的文件名称。
设置这两个地方时候尤其要注意,文件名应该写先前在PDB文件夹中存储的名字,路径也应该是此PDB的路径地址。
见下图一、二所示,下图二是建立OPC驱动时候的界面。
要是名称与路径不对的话,在你建立数据库标签的时候就会出现下图三的情况-无法分配驱动映像表!图一图二图三建立数据库时候I/O地址格式:浮点数:pump:DB1.DBF 200 ,开关量:pump:DB1.DBX300.0 ,设置报警时也在数据库建立变量时一同编辑。
iFix_SCADA教程
来源:连邦IT服务平台编辑:黄燕飞发布时间:11-11-01
iFix_SCADA:通过SCADA Server实时采集各系统的数据,即可在调度室实现操作控制;数据上传矿信息网后,可实现在办公终端监视生产过程,供决策部门和管理部门掌握生产最新动态
一、配置SCADA冗余的前提条件:
1、两个SCADA SERVER又同样的过程数据库
2、相同的I/O DRIVER配置
3、连接到相同的设备
4、SCU配置成报警同步。
5、独立于IFIX软件外,两个SCADA服务器和客户端的机器在物理网络连接是通
的。
二、客户端配置
1、启动客户端IFIX软件,打开IFIX软件的SCU(系统配置程序),其画面如下:
(确保禁用了SCADA支持)
启动客户端IFIX软件
2、打开系统配置的网络配置,打开的画面如图1:
图1 打开系统配置的网络配置
3、网络中选择网络连接的协议,如TCP/IP协议。
4、删除所有已经配置的远程节点
5、在远程节点名中输入用户定义的逻辑节点的名称。
(在图中有标注)。
关于远程逻辑节点名的使用是这样的,假设我们取的远程的节点名称是PROD_1,二两个SCADA 服务器的名称分别是 SCADA10P(主)和SCADA10B(备),那么在数据连接,VBA脚本,调度,动画的数据源中引用格式是FIX32.PROD_1.TANKEVEL.F_CV而不是
FIX32.SCADA10P_1.TANKEVEL.F_CV。
6、然后选择上图中的按纽,进入下面的画面如图2:
图2 远程节点配置
7、在上面的画面中的设置如下:
首先选中“启用逻辑节点名(E)”复选框,在主节点名中输入主的SCADA服务器的物理节点名,在备节点名中输入备用SCADA服务器的物理节点名,最后单击画面的“确定”按纽关闭画面,返回到画面(一),单击画面(一)的“确定”按纽,返回到SCU配置画面。
8、打开下面的画面如图3:(SCU-配置-本地启动)
图3 本地启动定义
选中“本地节点别名”,单击“确定”按纽,返回到SCU配置画面。
9、保存SCU配置,退出SCU配置。
10、修改系统的HOST文件,该文件的目录是WNNT:
\SYSTEM32\drivers\etc\host.ini ,将两个SCADA服务器的IP地址、节点名称、机器名称信息添加到该文件当中,如:
192.168.0.1 taida1 taida1
192.168.0.2 taida2 taida2
修改完毕后,保存该文件,重新启动IFIX!
客户端配置完毕。
三、主SCADA SERVER配置
1、打开主SCADA SERVER的SCU系统配置,配置逻辑节点名和报警同步。
具体操作如图4:在SCU配置的“配置”菜单“本地启动”,弹出下面的画面。
图4 打开主SCADA SERVER的SCU系统配置
在本地节点名中输入节点名,该名称必须和客户端的SCU配置中社定的主SCADA 服务器的名称是一致的,该例子的主SCADA服务器的名称是SCADA10P,在本地逻辑节点名处输入远程节点名称,必须和客户端的远程节点名称是一致的,在本例子中的名称是PROD_1,
然后选中“本地节点别名”复选框,最后单击“确定”按纽,关闭“本地启动定义”对话框,返回到SCU配置画面。
2、单击SCU配置画面的按纽,弹出下面的画面如图5:
图5 单击SCU配置画面的按纽
在这个画面的SCADA邻居的SCADA名出输入备用的SCADA服务器的节点名,在该例子的名称为SCADA10B,单击“确定”,退出SCADA组态,返回到SCU配置画面,保存SCU设置,退出SCU配置,重新启动IFIX。
iFix_SCADA教程
来源:连邦IT服务平台编辑:黄燕飞发布时间:11-11-01
四、备用SCADA SERVER配置
1、打开备用的SCADA SERVER的SCU系统配置,配置逻辑节点名和报警同步。
具体操作如下:在SCU配置的“配置”菜单“本地启动”,弹出下面的画面如图6。
图6 打开备用的SCADA SERVER的SCU系统配置
在本地节点名中输入节点名,该名称必须和客户端的SCU配置中社定的主SCADA 服务器的名称是一致的,该例子的主SCADA服务器的名称是SCADA10B,在本地逻辑节点名处输入远程节点名称,必须和客户端的远程节点名称是一致的,在本例子中的名称是PROD_1,
然后选中“本地节点别名”复选框,最后单击“确定”按纽,关闭“本地启动定义”对话框,返回到SCU配置画面。
2、单击SCU配置画面的按纽,弹出下面的画面如图7:
图7 单击SCU配置画面的按纽
在这个画面的SCADA邻居的SCADA名出输入主的SCADA服务器的节点名,在该例子的名称为SCADA10B,单击“确定”,退出SCADA组态,返回到SCU配置画面,保存SCU设置,退出SCU配置,重新启动IFIX 。
在上述的配置完成后,将需要通讯的IFIX的节点的IP地址都添加到每个IFIX节点的HOST文件中去,其语句格式如下:
# IP ADDRESS IFIX NODE NAME HOST NAME机器名)
如:
169.254.90.73 SCADA10P ZLL
将所有的网络上的IP地址都添加到每个机器的HOST文件中去,保存该文件,到此为止,冗余配置完成!
2.
a.定义逻辑节点名。
b.在SCU中配置主、备SCADA服务器。
c.配置SCADA服务器对。
d.配置报警同步。
e.同步SCADA服务器的时钟。
f.如果安全启用的话,分配手动故障切换的权限。
3.配置网络冗余:
a.在SCU中配置网络冗余的网络路径。
b.如果使用TCP/IP,则修改hosts文件。
c.如果需要的话,通过禁用网络路径和平衡网络定时器值和故障切换时间值来优化系统性能。
4.使用网络状态服务器域和iFIX提供的网络诊断画面来监视和控制网络状态。
SCADA服务器的报警处理
在SCU中为双SCADA服务器配置网络和SCADA选项时,iFIX自动启动报警启动对列服务,在会话丢失和重建连接时该服务确保报警不会丢失。
启用在SCADA节点对之间的报警同步,需要为每个SCADA定义一个备份SCADA作为SCADA对。
例如,如果有两个SCADA节点(SCADA1和SCADA2),可以按照如下步骤启用报警同步:
1.在“本地启动”中,定义节点名。
2.在SCADA1的SCU中,从“配置”菜单中选择“SCADA”。
3.在“SCADA配置”对话框中的“SCADA名”域中输入“SCADA2”。
注意:SCADA2的逻辑节点名必须与SCADA1不同。
4.在SCADA2的SCU中,从“配置”菜单中选择“SCADA”。
5.在“SCADA配置”对话框中的“SCADA名”域中输入“SCADA1”。
6.确保在每台计算机的SCU网络配置中,主备SCADA节点的名字列在“远程节点配置”对话框的列表框中。
注意:不要将主和备份SCADA服务器按单独的远程节点添加。
7.确保两个节点的过程数据库是完全一致的,最简单的办法是比较两个数据库的序列号,如果它们不匹配,则合并两个数据库,然后将合并后的PDB文件拷贝到每台服务器上。
当一台SCADA服务器发生报警,该报警被送到显示节点中。
显示节点只从活动节点上接收报警,而无论该活动节点是主SCADA还是备份SCADA。
用户无法监视非活动SCADA节点产生的报警。
在显示节点,报警和消息使用逻辑名,并用方括号括起来,如下面的例子,逻辑节点名为LNN。
04/29/98 22:49:45.1 [LNN] AI-1 HI 72.00
然而,如果是数据库管理器或者由于网络问题产生的报警,报警文本显示的是物理节点名字。
当节点被配置成SCADA服务器对中的一个时,报警一览队列的长度需要被定义为非备份状态下的两倍。
例如,如果系统中产生500个报警,报警一览队列最好定义为1000。
如果报警一览队列溢出,将会看见报警在报警一览中显示,然后消失。