保护动作行为分析
- 格式:ppt
- 大小:2.14 MB
- 文档页数:39
FUJIAN DIAN LI YU DIANG ONG第28卷第2期2008年6月IS S N 1006-0170CN 35-1174/TM一起罕见的输电线路故障保护动作行为分析林霖华(莆田电业局,福建莆田351100)摘要:从保护原理、故障特点、保护整定等方面,对一起非同杆架设线路两相之间发生短路、且故障点分别位于线路近区和末端(均属极端情况)的特殊保护动作行为进行了分析。
关键词:线路故障;微机保护;动作行为;重合闸中图分类号:TM773文献标识码:B文章编号:1006-0170(2008)02-0044-04某次台风造成了福建省莆田市220kV 涵石II 路发生了一起罕见的线路故障。
涵石II 路笏石变侧保护动作,判断为AB 相故障,不重合三跳;涵石II 路涵江变侧保护动作,判断为A 相故障,不重合三跳;涵江变涵迳I 路保护动作,判断为B 相故障,但重合成功。
该线路故障十分罕见,保护动作异常复杂,不仅保护装置的成功动作检验了其保护的正确性,而且保护动作行为的分析有借鉴意义。
本文拟对这起特殊的保护动作行为进行分析,以资交流。
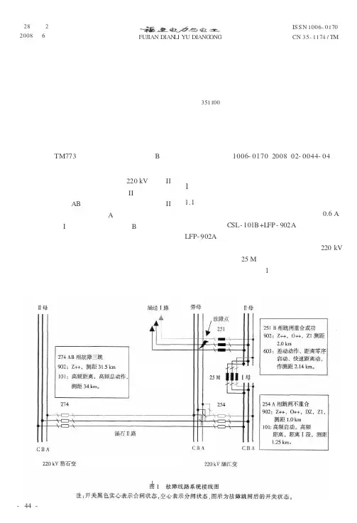
1故障概况1.1故障前情况故障发生前,涵石Ⅱ路三相二次电流为0.6A ,两侧均采用CSL-101B+L FP-902A 双高频保护,LFP-902A 保护的重合闸投入。
涵江变侧涵石Ⅱ路接Ⅱ母运行,涵迳Ⅰ路接Ⅰ母运行,涵江变220kV Ⅰ、Ⅱ母线经母联25M 联络运行;旁路母线挂接涵石Ⅱ路运行。
接线图如图1所示。
图故障线路系统接线图注:开关黑色实心表示合闸状态,空心表示分闸状态,图示为故障跳闸后的开关状态。
11.2故障跳闸情况涵江侧:涵石Ⅱ路254开关A 相单相跳闸,未重合;2.5s 后,非全相动作跳三相开关。
故障选相判断为A 相故障。
同时,涵迳Ⅰ路251开关B 相故障跳闸且重合成功。
笏石侧:涵石Ⅱ路274开关三相跳闸,未重合,故障选相判断为AB 相故障。
保护动作情况如图1方框内所示。
配电自动化及保护动作行为分析随着科技的不断进步和电力系统的快速发展,配电自动化已经成为电力行业中不可或缺的一部分。
同时,对于电力系统的保护动作行为分析也显得尤为重要。
本文将讨论配电自动化的概念、其在电力系统中的应用,以及如何分析保护动作行为,以确保电力系统的稳定和可靠性。
### 配电自动化概述
配电自动化是指采用先进的控制和监测技术,以提高电力系统的运行效率和可靠性。
它包括自动开关设备、远程监测和控制系统,以及智能保护装置。
配电自动化的主要目标是降低电力中断的风险,减少人为错误,提高电力系统的质量和可用性。
在现代电力系统中,配电自动化可以追踪电力负荷的变化,并根据需要调整电力分配,以确保系统在任何情况下都能正常运行。
它还可以在故障情况下迅速断开故障区域的电力供应,以最大程度地减少故障对整个系统的影响。
### 配电自动化的应用
#### 1. 自动开关设备
自动开关设备是配电自动化的核心。
对一起220KV线路故障保护动作行为的分析本文对一起220KV线路故障保护动作行为做了分析。
标签:微机保护保护算法精度速度1 概述2009年12月16日,石家庄电网某220KV变电站264线路发生A相线路瞬时性接地故障。
264RCS931BM电流差动保护、工频变化量阻抗保护动作,跳开264A相开关,重合闸动作,264A相开关重合,重合成功。
在此次故障中,PSL603GC保护只启动,没有保护动作出口。
保护动作情况兆通侧保护最快10ms动作。
RCS931BM型保护跳闸报告:10ms 电流差动保护跳A相11ms 工频变化量阻抗跳A相851ms 重合闸动作出口PSL603GC保护跳闸报告:1ms 差动保护启动859ms 重合闸动作出口2 分析由故障录波图可以看出,此次故障只持续了相当短的时间,南瑞的保护能正确动作,而南自的保护没有动作,可能的问题是出在两种装置的保护算法上存在的差异导致的此种结果的发生。
以下将分别列出两种保护的算法进行比较和分析:qRCS931BM装置主保护采用的是半波积分算法,当将半波积分当成一种保护算法时,不一定在短路10ms+TS时间后才开始计算,所以用半波积分算法,保护动作时间是非常快的。
而PSL603GC保护动作的算法为傅式全周算法,因此故障的持续时间非常短仅为10ms,因全周傅式算法有很好的滤波能力,但其数据窗需要一个周波加一个采样周期,响应时间较长,故对此次如此短的瞬间的故障响应能力不够导致保护只启动没有动作出口。
以下将详细分别介绍两种保护算法的原理:2.1 全周傅里叶算法傅式算法的基本思想来自傅里叶级数,它假定被采样信号时一个周期性的时间函数,除基波外还含有不衰减的直流分量和各次谐波。
设该周期信号为x(t),它表示为各次谐波分量的叠加,这表明一个周期函数x(t)的各次谐波可以看成振幅分别为XS和XC的正弦量和负弦量的叠加。
根据傅氏级数原理,当已知周期函数x(t)时,可以求其m次谐波分量的正弦和余弦系数式中:T为x(t)时的周期,继电保护中感兴趣的是基波分量(m=1)因此基波分量的正弦和余弦分量的系数为求上边的积分可以采用梯形和矩形法,设每一周采样N点,则一周内各采样点分别为n\n-1\n-2,对应的采样值就是在这些点上的x(t)函数值x(n)、x(n-1)、x(n-1),将上面积分式中的sinwt及coswt也进行离散化,于是有矩形法:可见它们就是非递归离散系统的一般表达式,此式可用于编程。
双母双分段接线中母联和分段失灵及死区故障时母差保护动作行为分析摘要:本文分析了双母双分段接线中出现母联和分段失灵或死区故障时母差保护的动作行为及其原因。
文章介绍了双母双分段接线的基本原理,母差保护的原理和作用,以及母差保护可能出现的动作行为和原因。
在此基础上,提出了对母差保护进行优化和调试的措施,包括保护设置优化、设备质量管理和保护动作记录和分析。
这些措施有助于提高保护系统的可靠性和稳定性,避免系统出现不必要的损失。
关键词:双母双分段接线、母差保护、动作行为分析、母联和分段失灵、死区故障、保护设置优化、设备质量管理、保护动作记录和分析引言双母双分段接线是电力系统中常用的一种接线方式,用于提高系统的可靠性和容错性。
在该接线方式中,系统被分成两个独立的回路,每个回路都有一个母联和若干个分段。
当一个分段或母联失灵时,系统可以切换到另一个回路,以保持系统的运行稳定。
然而,在双母双分段接线中出现母联和分段失灵或死区故障时,可能会导致系统运行不稳定或故障。
因此,需要使用母差保护来实现及时的保护动作。
本文将分析在双母双分段接线中出现母联和分段失灵或死区故障时母差保护的动作行为及其原因,以指导对保护系统进行优化和调试,提高系统的可靠性和稳定性。
一、双母双分段接线的基本原理双母双分段接线是一种将母线和断路器分段连接的方式,用于提高电力系统的可靠性和容错性。
在该接线方式中,系统被分成两个独立的回路,每个回路都有一个母联和若干个分段。
当一个分段或母联失灵时,系统可以切换到另一个回路,以保持系统的运行稳定。
在实际应用中,双母双分段接线主要用于高压电网和特高压换流站的重要部分,如变电站母线和换流变母线等。
该接线方式的优点包括:提高了系统的可靠性和容错性,减少了单点故障的风险,提高了系统的可维护性和可操作性。
双母双分段接线的主要构成部分包括:母线、分段、母联、断路器、隔离开关、接地开关等。
其中,母线和断路器是接线的核心部分,母联和隔离开关用于实现各分段的切换,接地开关用于实现设备的接地。
一起220kV母线差动保护动作行为分析作者:叶保璇来源:《沿海企业与科技》2009年第09期[摘要]微机母线差动保护在电力系统中得到了非常广泛的应用。
文章结合工程实例探讨分析220kV母线差动保护动作行为并提出改进措施。
[关键词]变电站;母线;差动保护;行为分析[作者简介]叶保璇,武汉大学电气工程学院在职工程硕士,海南电网文昌供电公司工程师,研究方向:继电保护调试、高压试验、变电检修,海南文昌,571300[中图分类号]TM773[文献标识码]A[文章编号]1007-7723(2009)09-0153-0002一、引言目前,微机母线差动保护在电力系统中得到了非常广泛的应用。
考虑到系统运行的需要和操作上的灵活可靠性,国内220kV变电站高压母线大部分采用双母线接线方式,其中,母联开关常常装设一组或两组电流互感器(简称CT)。
在母联开关与母联CT之间的地方,电力专业中常称之为“死区”。
根据实践统计,发生死区故障的几率相对较小。
正是因为小概率事件,才导致人们较少考虑到死区保护的重要性。
为引起人们对母联死区保护的足够重视,本文以一起事故事例,详细分析母联死区保护的成因的动作机理,并对这种保护提出改进措施。
某日17时54分,某一220kV变电站(记名为220kV G站)母线差动保护动作,切除220kV I母、220kVⅡ母所有线路开关及母联2012开关,导致220kV G站全站失压,与之有电气联系的6个1lOkV变电站同时失压。
该起失压事故共造成负荷损失约300MW。
二、事故前220kV G站的运行方式220kV G站双母线并列运行,母联2012开关处于合位,线路2701开关、线路2801开关、线路2901开关、#1主变变高2201开关、#3主变变高2203开关挂1M(I母)运行;线路2702开关、线路2802开关、线路2902开关、#2主变变高2202开关挂2iVf(Ⅱ母)运行。
母联CT装在Ⅱ母侧,其极性与Ⅱ母#元件一致。
一起220kV 电流互感器故障保护动作行为分析原敬磊,韩鹏,程强(国网山西省电力公司调度控制中心,山西太原030021)第1期(总第244期)2024年2月山西电力SHANXIELECTRICPOWERNo.1(Ser.244)Feb.2024摘要:介绍了一起220kV 光伏电站内电流互感器故障的动作案例,详细分析了保护动作行为情况,根据分析对一次设备故障点进行了推测定位,并进行了验证,以期能对电网系统现场故障分析、保护动作分析等有所帮助。
关键词:电流互感器;故障;继电保护;二次绕组中图分类号:TM772文献标志码:B文章编号:1671-0320(2024)01-0020-041事件概述某年某月某日17:50:07,某220kV 光伏电站外送线路故障跳闸,同时220kV 母线母差保护动作,跳开1号主变压器(以下简称“主变”)高压侧201开关,检查线路两侧开关、主变高压侧201开关,这些开关均在分位,天气雷雨。
光伏电站220kV 出线间隔一、二次设备如表1所示,220kV 光伏电站接线如图1所示(系统站做电源等效)。
表1光伏电站内220kV 一、二次设备一、二次设备名称211开关211电流互感器220kV 线路保护220kV 母线保护211断路器保护厂家及型号江苏如高LW58-252江苏思源赫兹LVQB-220W3南瑞继保PCS-931SA-G 北京四方CSC-150A-G 长园深瑞PRS-723A-G长园深瑞PRS-753A-G 长园深瑞BP-2CA-G图1220kV 光伏电站及线路接线图2保护动作行为分析2.1波形分析取光伏电站及对侧站故障录波器波形数据进行分析,以C 相电压降低为零时刻,保护动作时序如下:0ms 发生C 相接地故障;10ms 光伏电站220kV 母线保护BP2C 差动保护动作;11ms 光伏电站220kV 线路PCS931差动保护动作跳C 相;11ms 系统站220kV 线路PCS931差动保护动作跳C 相;11ms 光伏电站220kV 线路PRS753差动保护动作跳C 相;14ms 系统站220kV 线路PRS753差动保护动作跳C 相;19ms 光伏电站220kV 母线保护CSC150差动保护动作;45ms 系统站220kV 线路PRS753其他保护收稿日期:2023-05-13,修回日期:2023-09-21作者简介:原敬磊(1986),男,山西河津人,2012年毕业于华北电力大学电力系统及其自动化专业,硕士,高级工程师,从事电力系统分析与控制、继电保护调试研究、电网故障分析、新能源发电控制技术等工作;韩鹏(1983),男,山西长治人,2004年毕业于上海交通大学电力系统及其自动化专业,硕士,高级工程师,从事电力系统分析与控制、电网故障分析、新能源发电控制技术等工作;程强(1984),男,湖北襄阳人,2010年毕业于西安交通大学电力系统及其自动化专业,硕士,高级工程师,从事继电保护调试研究、电网故障分析等工作。
一起典型保护动作行为的分析新疆阿勒泰电力有限责任公司安运志孙玉莲刘敏张东[摘要] 某35千伏变电站35千伏双回出线其中一条线路故障,引起另一条线路断路器跳闸,分析其保护动作原因,并提出整改建议。
[关键词] 保护动作行为;原因分析;防范措施1设备基本概况某35千伏变电站二次设备改造后投入运行,此变电站运行维护单位由供电公司变更为配电运检工区负责运行、变电检修工区负责检修。
全站采用南京自动化的PSL-641U系列微机保护装置,该变电站全保护装置属新更换设备。
2故障经过及原因分析2.1故障经过某日,35kV北苇线(北侧)过流II段保护动作跳闸,35kV北阿二线(阿侧)电流II段保护动作跳闸。
事后经巡线发现该35千伏北苇线“T”接线路故障。
2.2故障前运行方式事故前阿勒泰电网按正常方式运行,北屯火电厂1#、2#、3#主变运行,鑫源二站4#、2#、3#机组运行,出力1.70兆瓦,鑫源六站2#发变组运行,机组出力0.9兆瓦,跳闸前,35kV北阿二线运行,负荷潮流指向阿变负荷3.1兆瓦;35kV北苇线—35kV阿苇线运行(原35kV北阿一线,中间破口后变为35kV北苇线、35kV阿苇线),负荷潮流指向35kV阿苇滩变—35kV阿变,负荷6.50兆瓦。
2.2故障原因分析在发生故障的第一时间,继保人员对可能导致故障发生的原因进行了分析:(1)保护定值整定有误,可能存在与35kV线路动作时间没有配合好;(2)电流互感器极性不对或存在PT断线。
为找出故障发生的真正原因以及对故障进行处理,继保人员对35kV中心变电站的保护动作数据以及报文进行了查看:17时27分11秒,装置显示“过流II段动作”。
而过流II段定值为7.15A (一次值286A/0.1S),时间为0.1S,投入了方向元件。
现场的一次接线形式为:图(一)当北苇线发生故障时,北侧2DL跳开,阿侧1DL启动,而北阿二线的阿侧4DL跳开。
现场两线均投入了过流方向。
一起距离保护动作行为分析及处理措施陈泽华(国网宜昌供电公司,湖北 宜昌 443003)【摘要】电源侧变电站的110KV母线AC相故障,造成相关馈电侧变电站两条110KV线路距离保护I段误动跳闸,通过分析计算找出阻抗动作原因,并提出避免此类问题的具体策略以及国内相关问题的研究动态。
【关键词】相间故障;距离保护中图分类号:TM58 文献标识码:A 文章编号:1006-8465(2015)12-0222-021 故障过程介绍2015年08月12日03:14,枝江110kV #4母AC相短路,110KV母差保护I母差动动作跳#4母所属元件,110kV母联枝31开关未能及时断开,母差中母联开关失灵动作,跳#4、#5母线所属元件,母线故障切除,此时母联开关跳开(变位时间387ms)。
在枝江110kV母线发生AC相故障时, 110kV江滕江52(江口侧)线路保护RCS -941A距离Ⅰ段在26ms动作跳闸, 110kV滕醇线滕51(滕家河侧)线路保护RCS -943AMV 距离Ⅰ段在260ms动作跳闸,电气联系如图1枝江变滕家河乙二醇江口图1 电气联系图2 现场检查情况保护装置检查(1)枝江变:110kV母差保护(WMH-800)报告显示:2015-08-12 03:14:20.631 I母A相差动保护出口 动作时间(ms):5跳闸元件:1#、3#、4#、7#、10#、13#、14#、16#2015-08-12 03:14:21.564 I母C相差动保护出口 动作时间(ms):5跳闸元件:1#、3#、4#、7#、10#、13#、14#、16#2015-08-12 03:14:20.844 A相母联失灵或死区保护出口 动作时间(ms):215跳闸元件:1#、2#、3#、4#、5#、6#、7#、8#、9#、10#、11#、12#、13#、14#、15#、16#、17#、18#、19#、20#、21#、22#、23#、24#2015-08-12 03:14:21.776 C相母联失灵或死区保护出口 动作时间(ms):215跳闸元件:1#、2#、3#、4#、5#、6#、7#、8#、9#、10#、11#、12#、13#、14#、15#、16#、17#、18#、19#、20#、21#、22#、23#、24#(2)滕家河变:110kV滕醇线滕51 开关保护(RCS-943AMV)报告显示:15-08-12 03:14:27:595 保护启动距离I段动作 260ms故障选相 AC短路位置 33.2KM故障电流2.93A(3)江口变:110kV江滕线江52开关保护(RCS-941A)报告显示:15-08-12 03:14:27: 718 保护启动距离I段动作 26ms故障测距结果 AC 67.3KM 3 初步分析3.1 枝江110KV母差动作分析:查看直流系统装置及后台监控,在110KV母差动作时段没有直流告警信息,从而排除直流系统问题。