采煤工艺设计与采煤工作面循环作业图表
- 格式:doc
- 大小:205.50 KB
- 文档页数:23
十三矿采煤专业主要工种工艺标准 'X5K/sMlj{'}E&I29q 'l x3-J生产技术科 *D6R1e2009年元月7e3B LNZ=N@no"&jAjk一、超前支护工艺标准UV)tqAK0SX二、支架工艺标准Z%* ` a T三、刮板输送机工艺标准T$,Q%,`\Q|四、采煤机司机工艺标准V;a C`dz\五、乳化液泵站工艺标准! J[y6g A六、电气设备工艺标准 mk^wrL *七、油脂管理工艺标准0I G9=_ &八、物料管理工艺标准 T1 S x J1lI8+.nT&sG~'bO tH十三矿采煤专业主要工种工艺标准EEk%) *F一、超前支护工艺标准g *"B;|OA]1. 超前支护必须使用单体液压支柱配铰接顶梁架设走向棚子,禁止使用工字钢代替铰接梁;支护高度和支护形式达到作业过程规定。
@Scy %|;2. 动压区超前段支护高度必须达到1.8米,宽度不小于2.2米。
Et!=Y z1N`3. 超前支护的支柱初撑力不低于11.5MPa,凡是支柱钻底超过100mm、两巷压力大、推进速度慢都必须加垫木柱鞋或尼龙柱鞋,所使用单体柱必须使用油丝绳进行连锁。
支柱编号管理,e-#D5Oy0&4. 采面上、下安全出口必须畅通,高度必须达到1.8米,出口人行道宽度大于700mm。
N&f;o239 d5. 上下短头支护分别使用二队四根3.6米常的gzg必须成对架设使用,一梁三柱,迈步前移,支柱初撑力大于11.5MPa。
`r= 'qa^6. 采面按《作业规程》规定必须做超前出口,并按规定进行支护。
2)]rD'R}l7. 两巷切顶排密集柱不少于三棵,切顶线以里的锚盘、钢带梁必须卸掉。
w aY L8in8. 风巷必须安设两道水幕,并在超前支护外40米`N} 1oPZ@二、支架工艺标准k dA8P UI1. 液压支架初撑力有表显示时不低于25MPa,若无表时以复升时活柱升不动为准。
炮采、普采工作面采煤工艺及安全操作炮采是一种落后的采煤工艺方式,但对复杂的地质条件适应性强,设备简单,所以,广泛使用于条件比较复杂的中小型煤矿。
一、炮采工艺方式炮采工作面的工艺过程有:破煤、装煤、运煤、支护和回柱放顶等。
(一)破煤爆破落煤的生产过程包括打眼、装药、填炮泥、联炮线、放炮等工序。
1、爆破应达到的要求爆破落煤应满足“两高”、“两少”、“五不”的要求“两高”:炮眼利用率高,保证工作面的循环进度;爆破自装率高,保证爆破后煤体松散适度,尽量减少人工攉煤量,同时要防止煤抛到采空区一侧,提高煤炭采出率。
“两少”:尽量增加每一次爆破的炮眼个数,以减少放炮次数,缩短爆破消耗的时间;合理布置炮眼和装药量,降低炸药和雷管消耗,提高经济效益。
“五不”:不崩坏顶板;不崩倒、崩坏支架;不崩翻刮板输送机;不爆底煤,减少工人起底煤的工作量;不出大块煤,减少工人二次破碎煤的工作量。
另外,对有瓦斯、煤尘爆炸危险的工作面进行爆破作业时的特殊安全要求如下:(1)有瓦斯、煤尘爆炸危险的工作面,必须使用取得产品许可证的煤矿许用炸药和煤矿许用雷管。
(2)放炮工必须由经过专门培训、取得爆破合格证的专职爆破工担任。
爆破作业只准爆破工1人操作。
(3)在爆破作业时,必须执行“一炮三检”和“3人联锁放炮制”。
(4)炮眼封泥必须使用水泡泥,水泡泥外剩余部分炮眼,应用粘土泡泥充填封实,严禁放半炮和出现放炮“打筒”现象。
(5)采煤工作面可以采用分组装药,但一组装药必须一次起爆,严禁在一个采煤工作面使用两台放炮器同时进行放炮。
为达到上述要求,就要根据顶板的稳定程度、煤层厚度和硬度及节理等情况,采用合理的炮眼排列、角度、深度及每眼装药量等。
2、合理的炮眼布置及爆破参数采煤工作面的炮眼布置包括有炮眼布置方式、炮眼深度、角度和炮眼间的距离等内容。
合理炮眼布置一般根据煤层的厚度、煤质的软硬、煤层的层理与节理以及煤层顶底板的情况来确定。
(1)采煤工作面的炮眼布置方式。
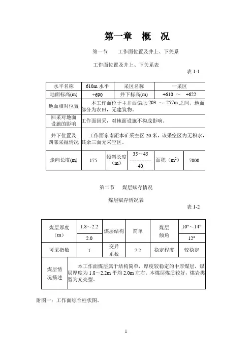
第一章概况第一节工作面位置及井上、下关系工作面位置及井上、下关系表表1-1第二节煤层赋存情况煤层赋存情况表表1-2附图一:工作面综合柱状图。
含煤岩系岩相柱状图插图:2-1煤层顶底板情况表第三节地质构造本工作面范围内煤层走向大致为东北、西南,倾向西北,煤层倾角为10~14°,平均12°左右。
本工作面回采范围内,无大的地质构造。
第四节水文情况本工作面水文地质情况较为简单,水源主要来自顶板极少量裂隙水和日常生产用水,预计正常涌水量0.5m3/h,最大涌水量1.5m3/h。
对工作面推采不构成影响,工作面回采期间,机巷、出口内要及时清挖水沟,以利于泄水畅通。
第五节影响回采的其它因素根据31255机巷与回风巷掘进工作面揭露看,工作面范围内,没有构造及陷落柱,不会对工作面的回采带来影响。
第六节储量及服务年限一、储量:1、工业储量:W=L1³L2³h³r=175³40³2.0³1.40=19600(t)式中:W-----工业储量,t;L1-----本工作面煤层走向长度,取130m;L2-----本工作面煤层倾向长度,取47m;h------平均煤厚,取2.0m;r------煤的容量,取1.40t/m32、可采储量:本面回采率参考值为95%,工业储量19600tW可=W³95%=19600³95%=18620(t)二、采煤工作面服务年限:工作面服务年限=可采推进长度/月设计推采长度=175÷(1.0³2³26=3.365(个月)第二章采煤方法第一节巷道布置一、采区设计、采区巷道设计概况一采区是青杠湾煤矿技术科2011年10月设计,现工作面正在施工切眼,预计2012年5月底切眼贯穿后安装形成31255采煤工作面。
该采区工作面采用沿走向长壁布置,在采区下部沿煤层布置轨道巷和运输巷。
二、工作面机巷工作面下部为机巷,沿煤层顶、底板(全煤)掘进,机巷靠工作面侧布置有SGB-320/17型刮板输送机运煤,功率17KW。
正规循环率工作面循环作业采煤循环循环方式工作面循环作业:即是完成破煤、装煤、运煤、支护、顶板管理等基本工序并周而复始地进行的作业过程。
在一般条件下综合机械化果煤的顶板管理工作大大简化,因此采煤机割煤、移支架、移输送机就成为综采工作面生产中的三个主要工序,沿工作面全长完成这三个工序,也就完成了一个循环。
采煤工作面正规循环作业概念:根据采煤工作面的生产过程,配备一定的工种及定员,在规定的时间内按质、按量、安全地完成既定任务,并保证周而复始地、不间断地进行采煤的作业方法。
采煤工作面正规循环作业标准:①有一个科学的切实可行的作业规程和循环图表,完成规定的正规循环率。
②完成作业规程中规定的产量、进度、效率、煤质、主要材料消耗、工作面煤炭采出率等指标。
③工作面工程质量合格,机电设备完好率不低于 80% ,事故率不超过 2%。
④安全生产,消灭死亡和重大事故。
正规循环率:一般指全月正规循环次数与全月工作日数乘作业规程规定的日循环次数之比,即:月正规循环率(%)=[全月正规循环次数/(全月工作日数×作业规程的日循环次数)]× 100%上式中:全月工作日数是指当月日历数减去外因素,如例假、检修、停电或其它影响的日数,不能累计逐日的影响时间而后算天数。
回采工作面的正规循环率,按照煤层的地质条件,工作面的机械装备,日进度等而决定。
双循环的工作面,月正规循环率一般不低于75 %;日进三循环或多循环的月正规循环率一般不低于70%;掘进工作面的正规循环率,一般不低于75%.式中:月正规循环数——是按正规循环标准的要求,逐日累计的统计数,不得用月末总进尺数反算.〈?xml:namespace prefix = o ns= ”urn:schemas—microsoft-com:office:office” />月工作日数——指全月日历日数减去因工作面外部因素影响的日数(如节假日、矿井检修、停电、重大运输和提升事故的影响等).凡工作面本身事故影响造成的停产日数,仍按工作日数计算.要求:采煤工作面按煤层的地质条件、机械装备条件等,条件好时正规循环率为80%—90%,条件差时为 70%-80% 。
任务三 采煤工作面布置图
一、概念
采煤工作面布置图也称采煤工作面回采工艺图或采煤方法图。
它是综合反应采煤工作面采、装、运、支、回及设备布置的设计图件。
在煤矿生产中,采煤工作面布置图是最基本的图件,它是采煤工作面验收和技术管理的主要依据。
因此,在采煤工艺设计和编制采煤工作面作业规程时,必须绘制采煤工作面布置图。
采煤工作面布置图常用比例为1:50、1:100、1:200。
某综采工作面布置图如图5-8所示。
图5-8 某采煤工作面布置图
二、采煤工作面布置图的图示内容
采煤工作面布置图主要反映以下内容:
(1)煤层的产状要素及厚度。
(2
)采煤工作面的长度、循环进度、最大控顶距、最小控顶距、端面距、。
一、采煤工艺1、采用走向长壁后退式综合机械化放顶煤采煤法工作面采用MG300/730-QWD型交流电牵引采煤机割煤,采煤机滚筒螺旋叶片与工作面运输机配合装煤,8901工作面前部刮板输送机SGZ764/630型刮板输送机。
后刮板输送机选用SGZ800/800型中双链铸焊封底式刮板输送机。
支架选用ZF7500/17/33四柱支撑掩护式正四连杆放顶煤支架支护顶板,全部跨落法处理采空区,2、落煤方法(斜切进刀示意图见附图4)采煤机采取端部自开缺口、斜切进刀的方式;斜切进刀段长度不少于25m,进刀深度0.6m。
采高2.8米;1)采取单向割煤;即煤机从上部进刀处上行割三角煤,再反刀由上向下割煤;割煤至下出口后反刀上行跑空刀并装煤,当煤机割至上出口后向下斜切进刀,放煤,放煤完毕再进行下一循环的割煤。
2)采煤机以2.0m/min的速度进行割煤,下行割煤时采用下滚筒割顶煤,上滚筒割底煤的方式;3)采煤机割煤时,煤机上下15m范围内严禁与其它操作平行作业。
3、、工艺流程采煤机在机尾部斜切进刀→采煤机割尾部三角煤→推前刮板运输机→采煤机向机头割煤→推前刮板运输机→采煤机割机头三角煤→采煤机向尾部跑空刀→移架→推前刮板运输机→放顶煤→拉后刮板输送机→采煤机割机尾三角煤以此循环。
4、工艺简述(1)进刀:采煤机采用端部斜切进刀方式,按从运输机机头到机尾的顺序逐一拉架不推移前溜。
采煤机跑空刀至工作面尾端头后,随机拉架暂停,自下端头至上推移前运输机,机组调换滚筒上下位置,反向斜切进刀,液压支架前粱插板随着煤机割后伸出,并打出护帮板,防止顶板长时间悬空造成冒顶,返回25m 完成进刀,调换滚筒上下位置,而后采煤机自上到下割至工作面下端头,支架前粱插板和护帮板落后采煤机10m自上端头至下打出。
(2)割煤:MG300/730-AWD电牵引采煤机割煤,ZF7500/17/33低位放顶煤液压支架放煤。
割煤:采煤机端部斜切进刀,单向割煤往返一次割一刀,返空刀时,滚筒配合铲煤板装煤,滚筒直径1.8m,截深0.6m,割煤高度2.8m,沿底板割煤,运行速度保持2m/min即可,割至距两端头10m处或煤质松软破碎及变硬时,速度应保持在1m/min左右。
采煤工作面正规循环作业规范一、工艺流程交接班——端头斜切进刀——割煤——拉架、移溜——端头支护、超前支护——采空区处理——清理——下循环二、各工艺操作标准(一)交接班交班人要交清当班的工作量、工程质量、存在安全隐患(问题)与下班的注意示项。
接班人要对照交接情况,对工作面进行整体验收,作业前要先处理上班遗留的安全隐患(问题)。
(二)端头斜切进刀机组割煤至机头(机尾)沿刮板输送机弯曲段斜切行走30米,待前后滚筒全部切入煤壁达0.8后,推移机头(机尾)将刮板输送机全部移直后,机组返刀割三角煤,割透后返向牵引割煤。
(三)割煤前滚筒割顶刀煤,后滚筒割底刀煤,严格按照设计采高进行切割,不得割顶或割底板。
(四)拉架、移溜拉架:采煤机割煤后,距后滚筒3-5米单架依次顺序随机移架,追机作业;架前来压,顶板破碎,拉架跟不上割煤时,必须停止割煤进行顶板控制。
移架做到快(移架速度快)、够(推移步距够)、正(操作正确)、匀(平衡操作)、平、紧(及时支护,紧跟随采煤机)、净(及时清除架前架内浮矸)。
推溜:采煤机过后,距后滚筒20米以上时,即可顺序推溜,推溜时必须多架支架同时操作,溜子不得出现急弯或弯度太大,并符合下列要求:1、推溜前认真检查推移梁与工作溜子溜槽的连接情况,煤帮的矸石、杂物清理后方可进行推溜。
2、推溜必须是同一方向,从机头向机尾或从机尾向机头,或由中间向两头推移刮板输送机,严禁从两头向中间推移。
3、推移后溜子必须成直线,其偏差不超过±150毫米,最大弯度不超过3度,并保证溜子平、直、稳。
4、推移工作面刮板输送机与拉架应保持不小于20米的距离,弯曲段不少于15米,以防溜槽脱节,哑铃销损坏。
5、移机头、机尾时,要由专人指挥,专人操作。
(五)端头支护、超前支护1、端头支护机尾端头支护:114#架外侧距煤柱侧帮部距离小于1.2m时,距帮200mm 支设一排单体支柱,柱距为800mm。
距煤柱距离大于1.2m,小于2.4m,支设一对“π”梁,距帮每增加0.6m,增设一对“π”梁,对梁内边线距支架0.3米。
目录第一章基本概述 (3)一采煤工作面位置及开采范围 (3)二采煤工作面与相邻煤层及相邻已采条带的关系 (3)三采煤工作面与地面相对位置关系 (3)第二章地质概述 (3)一煤层的赋存情况 (3)二顶底板和构造地质对煤的影响 (3)三水文地质情况 (4)四瓦斯,煤尘和自燃发火期 (4)第三章采煤方法 (4)一工作面的巷道布置图 (5)二采煤工艺的选择 (5)三采煤工艺 (6)第四章工作面主要生产系统 (8)一运煤系统(附图1) (8)二运料系统 (8)三通风系统 (8)四监测监控系统 (9)第五章工作面主要循环图表 (10)一采煤工作面剖面图(附图Ⅱ) (10)二采煤工作面作业循环图(附图Ⅲ) (12)三经济技术指标表 (13)四劳动组织人员配表 (14)第六章安全管理制度与安全技术措施 (15)第一节一般规定 (15)第二节技术措施 (17)第七章灾害事故防治措施 (19)第一节防水 (19)第二节通风 (20)第三节灭火 (21)第四节瓦斯防治 (23)第五节防尘 (24)第八章煤层管理措施 (25)第一节运输 (25)第二节机电 (27)第三节其他 (30)第一章基本概述一采煤工作面位置及开采范围西安矿工作面位于该矿第一水平,该工作面上以-40m煤层底板等高线的保护煤柱为界,下以-400m煤层底板等高线的边界保护煤柱为界。
左以工作面的运输斜巷为界,右以工作面的回风斜巷为界。
二采煤工作面与相邻煤层及相邻已采条带的关系相邻条带对本条带无影响。
三采煤工作面与地面相对位置关系地面无保护物。
第二章地质概述一煤层的赋存情况某矿综采工作面的长度为150m,工作面推进长度为1200m。
煤层倾角8°-10°左右,平均煤厚3.2m。
工作面生产能力为90万吨。
二顶底板和构造地质对煤的影响顶板为II类II级,底板稳定。
无大的地质构造对采矿造成影响。
三水文地质情况采区的正常涌水量为16m³/h。
课程设计大纲第一章概述一、采煤工作面位置及开采范围1.位置采煤工作面的位置主要指本工作面所处的水平、翼、采区(盘区或带区)、区段等;并应说明工作面的编号。
2.开采范围采煤工作面的开采范围是指开采的上下边界、始采和终采位置、沿走向(或倾斜)方向的推进长度及工作面的长度。
二、采煤工作面与相邻煤层及相邻已采采区的关系1.与相邻煤层的关系开采煤层群的矿井,应写明本采煤工作面所开采的煤层与上下煤层的层号、层间距、各煤层的厚度、开采情况及对本工作面的影响,若上下煤层工作面同采,应写明两工作面的错距。
2.与相邻已采采区的关系应写明本采煤工作面与相邻已采采区有无隔离煤柱以及煤柱的宽度;采空区内是否有积水和瓦斯,对本工作面采煤有何影响。
三、采煤工作面与地面相对位置的关系采煤工作面开采范围与地面相对位置的范围内有无建筑物、水体、铁路。
若有,则应附本工作面井上下对照图,并写明建筑物、水体或铁路对本工作面开采的影响和应采取的措施及建议。
第二章地质概况一、煤层赋存情况主要说明采煤工作面开采范围内煤层的走向、倾向、倾角及其变化规律;煤层的名称、结构及厚度;煤的硬度、强度、牌号、容重及其它一些物理力学指标和工业指标。
二、围岩的性质及其对采煤的影响主要说明伪顶的岩石性质及厚度;直接顶的岩性、厚度、结构及强度,层理、节理发育程度,直接顶的类别;基本顶(又称老顶)的岩性、厚度及强度,基本顶的级别;底板的岩性、厚度、结构及强度。
并应阐明围岩对采煤及顶板控制的影响,并附本工作面煤层综合柱状图。
三、地质构造及水文地质情况主要说明褶曲的要素(如核部、翼部、轴面、轴线、枢纽等)及类别;断层的要素(如断层面、断层线、交面线、断盘、断距等)及类别;陷落柱的井下特征(如形态、高度、陷落柱内的组成),与围岩的接触关系,陷落柱的范围等;岩浆侵入体的产状(岩墙或岩床)、岩性、构造及岩浆侵入煤层的变质作用等。
说明本工作面顶底板岩层含水情况,周围采空区积水情况及工作面最大、最小涌水量等。
采煤工艺设计与采煤工作面循环作业图表12目录绪论 (2)第一章采区巷道布置 (5)第一节采区储量与服务年限 (5)第二节采区内的再划分 (7)第三节确定采区内准备巷道布置及生产系统 (9)第二章采煤工艺设计 (14)第一节采煤工艺方式的确定 (14)第二节采煤工作面循环作业图表的编制 (19)设计总结 (20)参考文献 (22)附表3绪论一、设计目的(一) 初步应用<煤矿开采学>课程所学的知识,经过课程设计,加深对<煤矿开采学>课程的理解。
(二) 培养采矿工程专业学生的动手能力,对编写采矿技术文件,包括编写设计说明书及绘制设计图纸进行初步锻炼。
(三) 为毕业设计中编写毕业设计说明书及绘制毕业设计图纸打基础。
二、设计题目(一) 设计题目的一般条件某矿第一开采水平上山阶段某采区、盘区或者带区自上而下开采K1,K2和K3煤层,煤层厚度、煤层间距及顶底板岩性见综合柱状图。
该采区、盘区或带区走向长度2100米,区内各煤层埋藏平稳,埋深较浅,地质构造简单,无断层,K1煤层属简单结构煤层,硬度系数f=2,K2和K3煤层属中硬煤层,各煤层瓦斯涌出量较低,自然发火倾向较弱,涌水量也较小。
4设计矿井的地面标高为+30m,煤层露头为-30m。
第一开采水平为该采区服务的一条运输大巷布置在K3煤层底板下方25m处的稳定岩层中,为满足该采区生产系统所需的其余开拓巷道可根据采煤方法不同由设计者自行决定。
(二) 设计题目的煤层倾角条件1、设计题目的煤层倾角条件1煤层倾角条件1:煤层平均倾角为8°,阶段倾斜长度1200m。
2、设计题目的煤层倾角条件2煤层倾角条件2:煤层平均倾角为16°,阶段倾斜长度1000m。
三、课程设计内容(一) 采区、盘区或带区巷道布置设计;(二) 采煤工艺设计及编制循环图表。
四、进行方式学生按设计大纲要求,任选设计题目条件中的煤层倾角条件1或煤层倾角条件2,综合应用<煤矿开采学>所学的知识,每个人独立完成一份课程设计。
目录绪论 (2)第一章采区巷道布置 (5)第一节采区储量与服务年限 (5)第二节采区内的再划分 (7)第三节确定采区内准备巷道布置及生产系统 (9)第二章采煤工艺设计 (14)第一节采煤工艺方式的确定 (14)第二节采煤工作面循环作业图表的编制 (19)设计总结 (20)参考文献 (22)附表绪论一、设计目的(一)初步应用《煤矿开采学》课程所学的知识,通过课程设计,加深对《煤矿开采学》课程的理解。
(二)培养采矿工程专业学生的动手能力,对编写采矿技术文件,包括编写设计说明书及绘制设计图纸进行初步锻炼。
(三)为毕业设计中编写毕业设计说明书及绘制毕业设计图纸打基础。
二、设计题目(一)设计题目的一般条件某矿第一开采水平上山阶段某采区、盘区或者带区自上而下开采K1,K2和K3煤层,煤层厚度、煤层间距及顶底板岩性见综合柱状图。
该采区、盘区或带区走向长度2100米,区内各煤层埋藏平稳,埋深较浅,地质构造简单,无断层,K1煤层属简单结构煤层,硬度系数f=2,K2和K3煤层属中硬煤层,各煤层瓦斯涌出量较低,自然发火倾向较弱,涌水量也较小。
设计矿井的地面标高为+30m,煤层露头为-30m。
第一开采水平为该采区服务的一条运输大巷布置在K3煤层底板下方25m处的稳定岩层中,为满足该采区生产系统所需的其余开拓巷道可根据采煤方法不同由设计者自行决定。
(二)设计题目的煤层倾角条件1、设计题目的煤层倾角条件1煤层倾角条件1:煤层平均倾角为8°,阶段倾斜长度1200m。
2、设计题目的煤层倾角条件2煤层倾角条件2:煤层平均倾角为16°,阶段倾斜长度1000m。
三、课程设计内容(一)采区、盘区或带区巷道布置设计;(二)采煤工艺设计及编制循环图表。
四、进行方式学生按设计大纲要求,任选设计题目条件中的煤层倾角条件1或煤层倾角条件2,综合应用《煤矿开采学》所学的知识,每个人独立完成一份课程设计。
设计者之间可以讨论、借鉴,但不得相互抄袭,疑难问题可与指导教师共同研究解决。
本课程设计要对设计方案进行技术分析与开掘工程量和维护费用比较。
第一章采区巷道布置第一节区储量与服务年限1、采区生产能力选定为120万t/a2、采区的工业储量、设计可采储量促(1) 采区的工业储量Zg =H×L×(m1+m2+m3)×γ………………………(公式1-1)式中:Zg----采区工业储量,万t;H----采区倾斜长度,1000m;L----采区走向长度,2100m;γ----煤的容重,1.30t/m3;m1----K1煤层煤的厚度,为6.90米;m2----K2煤层煤的厚度,为3.00米;m3----K3煤层煤的厚度,为2.20米;Zg=1000×2100×(6.9+3.0+2.2)×1.3=3303.3万tZg1=1000×2100×6.9×1.3=1883.70万tZg2=1000×2100×3.0×1.3=819.00万tZg3=1000×2100×2.2×1.3=600.60万t(2) 设计可采储量ZK =(Zg-P)×C ………………………………………(公式1-2)式中:ZK----设计可采储量, 万t;Zg----工业储量,万t;P----永久煤柱损失量,万t;C----采区采出率,厚煤层不低于75%,中厚煤层不低于80%,薄煤层不低于85%,地方小煤矿不低于70%。
本设计条件下K1煤层取75%,K2和K3煤层取80%。
永久保护煤柱:(采区边界永久煤柱损失量和上山煤柱损失。
采区两边边界保护煤柱取10米,采取上部边界煤柱取20米,保护煤柱下部边界取30米保护煤柱;上山之间煤柱取20米保护煤柱,上山两侧煤柱各取30米保护煤柱)P1=[20×2100+30×2100+10×2×(1000-20-30) +30×2×(1000-20-30)+20×(1000-20-30)] ×6.9×1.3=179.4万tP2=(50×2100+100×950)×3.0×1.3=78.0万tP3=(50×2100+100×950) ×2.2×1.3=57.2万tZK1=( Zg1-P1)×C1=(1883.70-179.4)×0.75=1278.23万tZK2=( Zg2-P2)×C2=(819.00-57.2)×0.80=609.44万tZK3=( Zg3-P3)×C3=(600.60-57.2)×0.80=434.72万t设计可采储量为:ZK =ZK1+ZK2+ZK3=1278.23+609.44+434.72=2322.39万t(3)采区服务年限T= ZK/A×K ………………………………………………………(公式1-3)式中:T----采区服务年限,a;A----采区生产能力,120万t/a;ZK----设计可采储量,2322.39万t;K----储量备用系数,取1.4。
T1= ZK1/A×K=1278.23万t/(120万t ×1.4)=7.61aT2= ZK2/A×K=609.44万t/(120万t ×1.4)=3.63aT3= ZK3/A×K=434.72万t/(120万t ×1.4)= 2.59aT= T1+ T2+T3=13.83a ,取14年。
(4)、验算采区采出率1)、对于K1厚煤层:C1=(Zg1-p1)/Zg1………………………………………(公式1-4)式中:C1-----采区采出率,% ;Zg1 ---- K1煤层的工业储量,万t ;p1 ---- K1煤层的永久煤柱损失,万t ;C1=(Zg1-p1)/Zg1=(1883.70-179.4)/1883.70= 90.48% > 75%满足要求2)、对于K2中厚煤层:C2=(Zg3-p3)/Zg3………………………………………………………(公式1-5)式中:C2----采区采出率,% ;Zg2----K2煤层的工业储量,万t ;P2---- K2煤层的永久煤柱损失,万t ;C2=(Zg2-p2)/Zg2=(819.00-78.0)/ 819.00= 90.48%> 80%满足要求。
3)、对于K3中厚煤层:C3=(Zg3-p3)/Zg3………………………………………………………(公式1-6)式中:C3----采区采出率,% ;Zg3----K3煤层的工业储量,万t ;P3---- K3煤层的永久煤柱损失,万t ;C3=(Zg3-p3)/Zg3=(600.60-57.2)/600.60 =90.48% > 80%满足要求。
第二节采区内的再划分1、确定采煤工作面长度由于采用的煤层左右边界各有10m的边界煤柱,上部留有20m防水煤柱,下部留有30m护巷煤柱,故其煤层倾向共有1000-50=950m的长度,走向长度2100-30×2-20-10×2=2000m。
又由于区内各煤层埋藏平稳,埋深较浅,地质构造简单,无断层,瓦斯涌出量较低,自然发火倾向较弱,涌水量也较小,且现代采煤工作面有加长的趋势, 故该矿井设计为综合机械化程度高的现代化矿井,考虑到设备选型及技术方面的因素综采综采工作面长度为180-250m,巷道宽度为4m-4.5m,本采区选取 4.5m,且采区生产能力为120万t/a,一个工作面便可以满足生产要求。
K1采煤工作面采取放顶煤方式生产,合理的工作面长度应是在一个生产班内能将工作面内的顶煤全部放完。
据此原则,工作面长度可以用下列式表示:L=n(T/t)Bη=192m式中:L--------工作面长度,m;n--------同时放煤支架数;T--------每班工作时间,min;t---------每架支架放煤所需时间,min;B-------支架宽度,m;η-------每班工作时间利用率。
取:n=2, B=1.5m, T·η=320min , t= 5min故本采区采煤工作面长度定为192m。
2、确定采区内工作面数目回采工作面是沿倾斜方向布置,沿走向推进,采用走向长壁采煤法。
工作面数目:N=(L-S0)/(l+l) ……………………………(公式1-7)式中:L ----- 煤层倾斜方向长度(m);S 0---- 采区边界煤柱宽度(m); l ----- 工作面长度(m);l 0 ---- 回采巷道宽度,本处取4.5m 。
N=(1000-30-20)/(192+9) =4.73,取5。
故确定采区内工作面数目为5个。
3、工作面生产能力Q r = A/(T ×1.1) ……………………………………………………(公式1-8)式中:A----采区生产能力,120万t/a ;Q r ----工作面生产能力,万t ; T----每年正常工作日,330天。
故: Q r = A/(T ×1.1) =120/(330×1.1) =3305.78t 4、确定采区内同采工作面数及工作面接替顺序目前开采准备系统的发展方向是高产高效生产集中化,采用提高工作面单产,以一个工作面产量保证采区产量,所以定为采区内一个工作面生产。
以K1煤层为例,5个区段工作面接替顺序,采用下行开采顺序。
K1煤层工作面接替顺序:1101→1102→1103→1104→1105→1106→1107→1108→1109→1110注:箭头表示回采工作面的接替顺序。
第三节确定采区内准备巷道布置及生产系统1、完善采区开拓巷道为了减少煤柱损失提高采出率,利于灭灾并提高经济效益,根据所给地质条件及采矿工程设计规划,在第一开采水平中,把为该采区服务的运输大巷和回风大巷均布置在K煤层底板下方25m的稳定岩3层中,回风大巷布置在采区上部边界。
2、确定采区巷道布置方案及方案分析比较首先确定回采巷道布置方式,由于地质构造简单,煤层赋存条件好,涌水量较小,瓦斯涌出量较小,直接顶较厚且易跨落,同时为减少煤柱损失,提高采出率,降低巷道维护费用,采用沿空掘巷的方式。
因此采用工作面布置图所示工作面接替顺序,就能弥补沿空掘巷时工作面接替复杂的缺点。
确定采区巷道布置系统,采区内有3层煤,每一层都布置5个工作面,根据相关情况初步制定以下两个方案进行比较:方案一:两条岩石上山煤层底板15m处岩石中布置两条岩石上山,一条为运输在距K3上山,另一条为轨道上山,两上山层位有一定差距,使其分别联结两翼的区段;平巷不交叉;石门联系各煤层。