检测样品保存条件
- 格式:doc
- 大小:250.00 KB
- 文档页数:14
化工实验室样品存放标准国标实验室样品的代表性、有效性和完整性直接影响检验结果的准确性,对样品的管理要保证样品在整个检测过程中质量不变和保管期间不损坏、不丢失、不混淆、不变质。
从如下9个方面我们来分析实验室的样品存放标准:1、样品的采集样品应具有代表性。
以样品的结果说明总体的情况,对总体作出结论。
采样遵循如下原则:a)代表性:采时应特别注意克服和消除各种因素的影响,使样品最大限度地接近总体情况,保证样品对总体有充分的代表性。
b)可获性:某些情况下,样品可能不具备代表性,而是由其可获性所决定。
c)公证性:采样必须保证公正,由具有资格的人员(接受过采样培训且考核合格的人员 ) 进行。
必要时在现场与受检单位陪同人员一起签封,并做好现场采样记录。
填写样品采集记录表,双方签字确认。
2、样品的接收a)填写委托书无论抽检还是送检样品首先应由委托方填写“样品检验委托书,一般委托书一式二份,一份留检验机构存档,一份交委托方作为领取报告凭证。
b)审核委托书接收人员应审核样品检验委托书填写是否规范,是否有空项,手续是否齐备,资料是否完整,标准引用是否正确、适宜。
c)核查样品样品应与“ 样品检验委托书”填写内容一致。
样品包装应完好,如不完好应有文字记录。
送检样品数量应符合检验、复验、仲裁的要求,如送检样品仅为检验样品应有文字说明。
d)正式受理样品接收人员在“ 样品检验委托书”上签字并承诺出具报告日期。
3、样品的编号为保证检验样品溯源,原则上一份样品给予一个性编号(CNAS的要求是避免混淆,并不是要性编号,当然性编号肯定也满足要求)。
对于同一事件的若干样品可视为一份样品给予一个编号。
样品编号可由年份、样品类别代码和样品序号组成(或者其他的适合实验室的编号)。
为保证样品编号的性,一般由样品接收部门负责统一编制,或者有LIMS的实验室可以由系统生成。
4、样品的识别样品的识别包括性编号 (样品受理编号 ) 和样品不同试验状态 (未检、在检、检毕、留样 ) 标识。
样品的运输及保存1采样结束后应尽快将样品检验或送往留样室,需要复检的应送往实验室。
2疑似急性细菌性食物中毒样品应无菌采样后立即送检,一般不超过四小时;气温高时应将备检样品置冷藏设备内冷藏运送,不得加入防腐剂。
3需要冷藏的食品,应采用冷藏设备在0℃~5℃冷藏运输和保存,不具备冷藏条件时,食品可放在常温冷暗处,样品保存一般不超过36h。
(微生物项目常温不得超过4h)4采集的冷冻和易腐食品,应置冰箱或在包装容器内加适量的冷却剂或冷冻剂保存和运送,为保证途中样品不升温或不融化,必要时可于途中补加冷却剂或冷冻剂。
5食品标签标明存放、运输条件的食品,采集的样品存放、运输条件要与之相符,如酸奶标识说明要冷藏,样品的运送及复检样品的保存都要做到冷藏。
6需做微生物检测的样品,保存和运送的原则是应保证样品中微生物状态不发生变化。
微生物检测用的样本及不能冷藏保存的样本原则上不复检、不留样。
采用快速检测方法检测出的超标样品,应随即采用国标方法进行确认。
检测不合格的样品,要及时通知被采样单位和生产企业。
处理样品时,禁止将有毒有害液体样本直接倒入下水道。
7采集的样品注意应在保质期内,尽量抽取保质期于3个月以上的产品(保质期限不足3个月的除外)。
留样和需要确证的样品,按产品说明书要求存放,期限为检测结果出示后三个月。
对餐饮业要求凉菜48h留样。
8样本保存要保持样本原有状态,样本应尽量从原包装中采集,不要从已开启的包装内采集。
从散装或大包装内采集的样本如果是干燥的,应保存在干燥清洁的容器内,不要同有异味的样本一同保存。
9根据检验样本的性状及检验的目的不同而选择不同的容器保存样本,一个容器装量不可过多,尤其液态样本不可超过容量的80%,以防冻结时容器破裂。
装入样本后必须加盖,然后用胶布或封箱胶带固封,如是液态样本,在胶布或封箱胶带外还须用融化的石蜡加封,以防液体外泄。
如果选用塑料袋,则应用两层袋,分别封口,防止液体流出。
10特殊样本要在现场进行处理,如作霉菌检验的样本,要保持湿润,可放在1%甲醛溶液中保存,也可储存在5%乙醇溶液或稀乙酸溶液里。
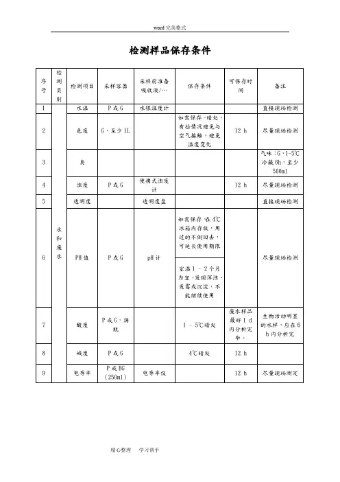
水质检测样本保存标准
水质检测样本的保存标准可以根据相关的行业标准或者实验室的要求来确定。
一般来说,以下是一些常见的水质检测样本保存标准:
1. 容器选择:样品应该存放在符合要求的容器中,如玻璃瓶、塑料瓶等,同时要确保容器是干净的,没有残留物或化学污染。
2. 温度控制:样品应尽快冷藏,以防止微生物的生长和化学反应的发生。
通常,建议将样品存放在4℃以下的冰箱中。
3. 光照控制:有些水质指标对光线敏感,应避免阳光直射。
可以用棕色玻璃瓶或铝箔包裹来保护样品免受光照。
4. 标签标识:每个样品都应有清晰的标签,标明样品的编号、采样时间、采样地点等信息,以防止混淆。
5. 保存期限:不同的指标可能有不同的保存期限要求,一般情况下,建议在采样后48小时内进行分析,以保证结果的准确性。
如果需要延长保存时间,可以将样品冷冻保存。
请注意,以上只是一些常见的水质检测样本保存标准,具体要根据相关的行业标准或实验室要求来执行。
对于特殊指标或特殊要求,请咨询专业的水质检测机构或实验室。
简述样品保存的原则。
简述样品保存的原则如下:(一)稳定待测成分食品中某些待测成分易挥发、分解或氧化,在运输和保存过程中应尽量保持其稳定不变。
根据后续的检测方法,可在采样后立即加入某些试剂或采取适当的措施,稳定这些待测成分,避免其挥发损失或发生化学变化。
例如,维生素B1、维生素B2、β-胡萝卜素、黄曲霉毒素B1等见光易分解,所以检测这些成分的食品样品,应在避光条件下保存。
检测亚硫酸盐的食品样品,采样后应加入氢氧化钠,防止在酸性条件下,亚硫酸盐生成亚硫酸而挥发损失。
维生素E易被氧化,在保存和处理过程中应加抗氧化剂(如抗坏血酸)保护。
(二)防止污染采集和保存食品样品的各种工具和容器不能含有待测成分及其他干扰分析的物质,避免使样品受到污染。
接触样品时应使用一次性手套,采集好的样品要密封加盖。
例如,分析食品中的金属成分,采样工具和盛放样品的容器均不应含有待测金属成分。
(三)防止腐败变质采集的食品样品应盛放在密封洁净的容器内,并根据食品种类选择适宜的温度或加入合适的制冷剂与防腐剂(如氯化汞、重铬酸钾和三氯甲烷等)保存,避免其理化性质发生改变。
特别是对肉类和水产品等样品,应低温冷藏,这样可以抑制酶的活性与微生物的生长繁殖,减缓食品中可能的生物化学反应,防止食品样品腐败变质。
但应注意,制冷剂或防腐剂的加入应以不影响分析结果为前提。
(四)稳定水分水分是食物成分的重要指标,食品的水分含量直接影响到食品中营养成分和有害物质的浓度与组成比例,对测定结果影响很大。
对许多食品而言,稳定水分,可以保持食品应有的感官性状。
对于含水量较高的食品样品,若不能尽快分析,可以先测定水分,将样品烘干后保存,检测结果应根据其中水分的含量,折算为原样品中待测成分的含量。
环境检测事业单位的样品收集与保存技巧在环境检测事业单位中,样品收集与保存是保证检测结果准确性和可靠性的重要环节。
正确的样品收集与保存技巧不仅能够确保检测结果的真实可靠,还能提高工作效率和降低成本。
本文将介绍环境检测事业单位的样品收集与保存技巧,以帮助相关工作人员更好地进行工作。
一、样品收集技巧在进行环境监测工作时,样品收集是首要任务。
以下是一些样品收集的技巧与要点。
1. 样品容器选择在样品收集时,应根据不同的检测项目选择合适的样品容器。
对于液体样品,一般采用瓶装容器,如采用玻璃瓶、塑料瓶等。
对于固体样品,可以选择使用袋装容器、罐装容器等。
确保选用的容器具有良好的密封性和耐腐蚀性,以防止样品中的污染物外泄。
2. 样品收集点选择样品收集需要根据监测项目的要求选择合适的采样点。
在选择采样点时,要注意避免干扰源的存在,如工业排放口、交通密集区等。
同时要关注环境特点,确保样品的代表性和可比性。
3. 采样器具的消毒在进行采样工作之前,需要对采样器具进行消毒处理,以避免交叉污染。
常见的消毒方法有高温消毒、酒精消毒、紫外线消毒等,具体方法可以根据采样器具的材质和检测项目的要求进行选择。
4. 样品采集技巧在进行样品采集时,需要严格按照标准操作程序进行操作,避免操作不规范带来的误差。
采样时要注意避免不必要的污染,避免采样器具与外部环境接触,避免手部接触样品等情况的发生。
二、样品保存技巧样品的正确保存是保证检测结果准确性和可靠性的重要环节。
以下是一些样品保存的技巧与要点。
1. 保存温度控制样品的保存温度是影响其稳定性和保持原有特性的重要因素。
不同的样品需要在不同的温度下进行保存,一般可根据检测项目的要求选择采用冷藏、冷冻、常温等保存方式。
同时,还需要注意避免样品温度的剧烈变化,以免影响样品的性质。
2. 包装密封在样品保存过程中,要确保样品的密封性,避免外部污染的侵入。
可以使用密封袋、密封瓶等容器进行包装,并采取适当的密封措施,如使用胶带密封口部,确保样品的保存完整性。
水质检测中样品取样与保存COD样品取样与保存1 .用洁净的玻璃瓶采集至少100mL样品。
(含悬浮物,COD定义是包含悬浮物的)2 .采样前需将样品池搅拌均匀,采集均质化含有固体颗粒物的样品,确保样品具有代表性。
3 .对采集好的样品应立刻进行分析;或加入硫酸保存,每升样品中加入2mL硫酸(PH<2),冷藏于0至4。
C可保存最多7天。
根据样品体积增加量修正测试结果。
氨氮样品取样与保存1 .用洁净的玻璃或聚乙烯容器采集至少100mL样品(需蒸播的样品建议取样100OmL)2 .对采集好的样品应立刻进行分析;或加入硫酸保存,每升样品中加入2mL浓硫酸(或使PH<2),冷藏于0至4。
C可保存最多7天,测试前先将水样加热至室温,将PH调至7o3 .对于加入硫酸的样品,根据样品体积增加量修正测试结果。
总磷样品取样与保存1 .样品采集时应使用1+1盐酸清洗、去离子水冲洗过的玻璃或塑料容器。
不要使用市售的含磷洗涤剂来清洗本测试中使用的玻璃仪器。
(注:含磷量较少的水样,不要使用塑料瓶,因磷酸盐易吸附在塑料瓶壁上。
)2 .采样后立即分析结果最可靠。
如果不能立即分析请使用硫酸(至少2mL浓硫酸/L水)将样品的PH值调整至≤1保存。
将样品置于4。
C的条件下进行保存,最长可以保存28天。
3 .测试分析前,请先将样品加热至室温,用5.0N氢氧化钠溶液中和样品酸性,将样品的PH值调整至7左右。
根据样品体积增加量修正测试结果。
总氮样品取样与保存1 .样品采集时应使用清洁的玻璃或塑料容器。
2 .采样后立即分析结果最可靠。
如不能立即分析,清使用硫酸(2mL浓硫酸/L水)将样品的PH值调整至2或者2以下保存。
将样品置于4。
C的条件下进行保存。
样品最长可以保存28天。
3 .测试分析前,请先将样品加热至室温,用5.0N氢氧化钠溶液中和样品酸性,将样品的PH值调整至中性。
根据样品体积增加量修正测试结果。
环保检测样品保存方法# 环保检测样品保存方法## 引言随着环境污染问题的日益加重,环保检测变得越来越重要。
在环保检测中,样品的采集和保存是至关重要的环节。
正确的样品保存方法可以确保样品的可靠性和准确性。
本文将介绍一些常见的环保检测样品的保存方法,旨在提供一些指导原则和建议。
## 水样保存方法水样是环保检测中最常见的样品之一。
为保证水样的保存质量,我们推荐以下几个步骤:1. 样品采集:在采集水样的过程中,应严格遵守相关的采样方法和流程。
保持采样容器的清洁,避免污染。
同时,注意采样点的选择,确保样品能够代表所需检测的区域。
对于溶解性物质的分析,应使用无机提取剂来降低采样误差。
2. 样品保存:水样保存的方法主要有两种,冷藏保存和冷冻保存。
冷藏保存一般适用于中性至弱碱性的水样,可使样品在2-8的环境中保存一段时间。
冷冻保存适用于脆弱的样品和需要长时间保存的样品,可将样品保存在-18以下的环境中。
3. 样品封存:在将水样保存起来之前,应使用合适的封存容器,如玻璃瓶或聚乙烯瓶。
对于有机物分析,应选择合适的封存容器并添加一定量的酸来抑制生物降解反应。
## 大气样品保存方法大气样品的采集和保存涉及到空气质量监测和气候变化等重要领域。
以下是一些大气样品保存的建议:1. 样品采集:大气样品的采集一般使用吸附管、平衡室或颗粒物采集器等装置。
在采样过程中,应注意避免样品受到污染和气候的影响。
对于大气中的颗粒物采集,应注意空气流量和颗粒物收集时间的控制。
2. 样品保存:大气样品需要在采集后尽快进行保存。
一般来说,采样后的空气样品应在24小时内进行分析,以避免样品中物质的变化。
对于气体样品,应将其保存在密封的容器中,避免气体的泄漏和污染。
## 土壤和废物样品保存方法土壤和废物样品的保存方法涉及到环境污染和土壤质量监测等方面。
以下是一些土壤和废物样品保存的建议:1. 样品采集:在采集土壤和废物样品时,应遵循标准的采样方法和流程。
样品存放管理制度一、总则为了规范样品的存放管理,确保样品的完整性和安全性,提高实验室的工作效率和质量,特制定本管理制度。
二、适用范围本管理制度适用于实验室内所有样品的存放管理工作。
三、职责分工1. 实验室主任负责制定和实施样品存放管理制度,监督各部门的样品存放工作,并定期对样品进行检查和清理。
2. 样品管理员负责具体的样品存放管理工作,包括接收、登记、存放、保管、归还等工作。
3. 实验室人员应当严格遵守本管理制度,做到对样品的存放、使用和归还等工作认真负责。
四、存放要求1. 样品的存放应当按照分类、顺序、编号等原则进行,并建立相应的档案和登记表。
2. 存放地点应当选择干燥、通风、阳光充足的地方,并保持清洁整齐。
3. 各种样品应当单独存放,并严格按照规定的要求进行标识和保管,不得混放、交叉污染。
4. 对于易挥发、易变质、易感染等特殊性质的样品,应当采取相应的措施加以保护和存储。
五、保管措施1. 样品管理员应当定期检查存放的样品,确保其完整性和安全性。
2. 在对样品进行检查和处理时,应当注意不要损坏样品或者造成交叉污染。
3. 对于过期、失效或者无用的样品,应当及时清理处理,不得滞留在实验室内。
4. 对于高值、重要的样品,应当加强保护和监管,并定期检查和核对。
六、归还要求1. 在使用样品后,应当及时归还到指定的存放地点,并按照规定进行登记。
2. 使用过程中损坏或者耗尽的样品应当如实记录,并在登记表上进行标识。
3. 对于需要专门处理的样品,应当按照规定的程序和要求进行处理,并在登记表上进行记录。
七、违纪处理对于违反本管理制度的行为,将按照规定的程序和要求进行处理,包括批评教育、警告处理、责令改正、停职检查、劝退处理等。
八、附则1. 本管理制度由实验室主任负责解释和修订。
2. 本管理制度自颁布之日起实施。
以上为样品存放管理制度的内容,希望各位员工认真学习和遵守,以确保实验室工作的顺利开展和高效运作。