实验一 用户电话接口实验报告
- 格式:doc
- 大小:2.17 MB
- 文档页数:44
《现代交换技术》实验课程评价表实验名称:班级:测评人:学号:综合评价表实验1 电话用户接口模块实验一、实验目的1.全面了解用户线接口电路功能(BORST)的作用及其实现方法;2.通过对用户模块电路PBL 387 10电路的学习与实验,进一步加深对BORST功能的理解。
二、电路工作原理(一)基础原理介绍用户电路也可称为用户线接口电路(Subscriber Line Interface Circuit—SLIC)。
任何交换机都具有用户线接口电路。
根据用户电话机的不同类型,用户线接口电路(SLIC)分为模拟用户接口电路和数字用户接口电路两种。
模拟用户线接口电路在实现上的最大压力是应能承受馈电、铃流和外界干扰等高压大电流的冲击,过去都是采用晶体管、变压器(或混合线圈)、继电器等分立元件构成。
在实际中,基于实现和应用上的考虑,通常将BORSHCT功能中过压保护由外接元器件完成,编解码器部分另单成一体,集成为编解码器(CODEC),其余功能由集成模拟SLIC完成。
在程控交换机中,向用户馈电,向用户振铃等功能都是在绳路中实现的,馈电电压一般是-60V,用户的馈电电流一般是20mA~30mA,铃流是25Hz,90V左右,而在程控交换机中,由于交换网络处理的是数字信息,无法向用户馈电、振铃等,所以向用户馈电、振铃等任务就由用户线接口电路来承担完成,再加上其它一些要求,程控交换机中的用户线接口电路一般要具有馈电(B),振铃(R)、监视(S)、编译码(C)、混合(H)、测试(T)、过压保护(O)等七项基本功能。
图1-1为模拟用户线接口功能框图。
模拟用户线接口电路的功能可以归纳为BORSCHT七种功能,具体含义是:(1)馈电(B-Battery feeling)向用户话机送直流电流。
通常要求馈电电压为-48伏或-24伏,环路电流不小于18m A.(2)过压保护(O—Overvoltage protection)防止过压过流冲击和损坏电路、设备。
接口技术实验报告接口技术实验报告导言:接口技术在现代科技发展中扮演着重要的角色。
它是不同系统之间进行数据交换和通信的桥梁,为各种设备和软件提供了互联互通的能力。
本实验旨在通过实际操作,深入了解接口技术的原理和应用。
一、实验目的本次实验的目的是探索接口技术在实际应用中的作用和效果。
通过搭建一个简单的接口系统,我们可以了解接口的基本原理、数据传输方式以及如何进行接口的配置和测试。
二、实验设备和材料本次实验所需的设备和材料包括:一台计算机、一个串口转USB线缆、一块开发板、一根网线。
三、实验步骤1. 连接计算机和开发板将串口转USB线缆的USB接口插入计算机的USB接口,然后将串口转USB线缆的串口接口插入开发板的串口接口上。
2. 配置串口参数打开计算机的设备管理器,找到串口转USB线缆所对应的串口号,记录下来。
然后打开开发板上的串口配置界面,将串口号设置为与计算机上一致。
3. 编写测试程序使用C语言编写一个简单的测试程序,通过串口与开发板进行通信。
程序中包括发送数据和接收数据的功能,可以进行双向通信测试。
4. 运行测试程序将编写好的测试程序下载到开发板上,然后在计算机上运行相应的接收程序。
通过观察计算机上的输出和开发板上的LED灯状态,判断数据的传输是否成功。
5. 测试结果分析根据实际测试结果,分析接口技术的稳定性和可靠性。
如果数据传输成功率较高,说明接口配置正确,接口技术应用良好。
四、实验结果与讨论通过本次实验,我们成功搭建了一个简单的接口系统,并进行了数据传输测试。
实验结果显示,接口技术在数据传输方面表现出较高的稳定性和可靠性。
通过合理的配置和编程,我们能够实现计算机与外部设备之间的数据交换和通信。
接口技术的应用范围非常广泛,涉及到计算机、通信、自动化控制等领域。
例如,USB接口被广泛应用于外部设备的连接,如打印机、扫描仪等;串口接口则常用于嵌入式系统和单片机的通信;网口接口则用于实现计算机之间的局域网通信等等。
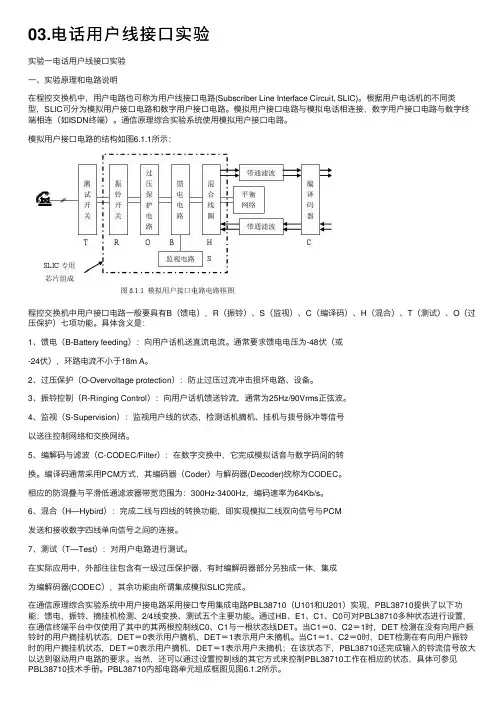
03.电话⽤户线接⼝实验实验⼀电话⽤户线接⼝实验⼀、实验原理和电路说明在程控交换机中,⽤户电路也可称为⽤户线接⼝电路(Subscriber Line Interface Circuit, SLIC)。
根据⽤户电话机的不同类型,SLIC可分为模拟⽤户接⼝电路和数字⽤户接⼝电路。
模拟⽤户接⼝电路与模拟电话相连接,数字⽤户接⼝电路与数字终端相连(如ISDN终端)。
通信原理综合实验系统使⽤模拟⽤户接⼝电路。
模拟⽤户接⼝电路的结构如图6.1.1所⽰:程控交换机中⽤户接⼝电路⼀般要具有B(馈电),R(振铃)、S(监视)、C(编译码)、H(混合)、T(测试)、O(过压保护)七项功能。
具体含义是:1、馈电(B-Battery feeding):向⽤户话机送直流电流。
通常要求馈电电压为-48伏(或-24伏),环路电流不⼩于18m A。
2、过压保护(O-Overvoltage protection):防⽌过压过流冲击损坏电路、设备。
3、振铃控制(R-Ringing Control):向⽤户话机馈送铃流,通常为25Hz/90Vrms正弦波。
4、监视(S-Supervision):监视⽤户线的状态,检测话机摘机、挂机与拨号脉冲等信号以送往控制⽹络和交换⽹络。
5、编解码与滤波(C-CODEC/Filter):在数字交换中,它完成模拟话⾳与数字码间的转换。
编译码通常采⽤PCM⽅式,其编码器(Coder)与解码器(Decoder)统称为CODEC。
相应的防混叠与平滑低通滤波器带宽范围为:300Hz-3400Hz,编码速率为64Kb/s。
6、混合(H—Hybird):完成⼆线与四线的转换功能,即实现模拟⼆线双向信号与PCM发送和接收数字四线单向信号之间的连接。
7、测试(T—Test):对⽤户电路进⾏测试。
在实际应⽤中,外部往往包含有⼀级过压保护器,有时编解码器部分另独成⼀体,集成为编解码器(CODEC),其余功能由所谓集成模拟SLIC完成。
用户电话接口实验报告接口实验报告贵州大学实验报告纸实验四综合实验一、实验目的1、了解8253定时器的硬件连接方法及时序关系,掌握8253工作方式以及编程方法。
2、了解8255芯片结构及接口方式,掌握8255输入、输出的编程方法。
3、掌握8088中断系统原理,掌握8259A扩展8088系统中断的方法及编程。
二、实验内容编程将8253定时器0设定为方式3,定时器1设定在方式2,每5秒产生一次中断请求(共八次),用8259实现中,CPU响应后,通过8255的A口读取一次开关状态(8位),存入内存单元中,读入8个数据后,再通过8255的B口送到LED依次输出显示(1亮,0灭)。
三、实验要求根据实验内容编写一个程序,(来自: 写论文网:用户电话接口实验报告)并在实验仪上调试和验证。
四、实验说明和电路原理图本实验需要用到CPU模块(F3区)、8253模块(C4区)、8255模块、8259模块(C5区)、频率发生器模块(E6区)、八位逻辑电平显示模块(B5区),8253电路原理图参见图4-1。
频率发生器电路原理图参见图4-2。
8255电路原理图参见图4-3。
8259电路原理图参见图4-4。
8253是一种可编程计数器/定时器,它是用软、硬技术结合的方法实现定时和计数控制。
其主要有以下特点:①有3个独立的16位计数器,每个计数器均以减法计数。
②每个计数器都可按二进制计数或十进制(BCD码)计数。
③每个计数器都可由程序设置6种工作方式。
④每个计数器计数速度可以达2MHz。
8259A是专用控制中断优先级而设计的集成电路,可对中断源的优先级排队、识别、及提供中断矢量。
单块8259A可编程实现8级中断管理,并可选择优先模式及中断请求方式。
另外由多片8259A级联,可构成多达64级的矢量中断系统。
贵州大学实验报告附1 页本实验用2号中断源IR2,接单次脉冲,中断方式为边沿触发方式。
程序每按一次按键产生一次中断,中断服务程序使输出状态反转一次。
手机通讯录实验报告及使用说明(附源代码)自查报告。
标题,手机通讯录实验报告及使用说明(附源代码)。
自查报告内容:在本次实验中,我使用了Java编程语言,开发了一个简单的手机通讯录应用程序。
该应用程序可以实现添加联系人、查找联系人、删除联系人等基本功能。
在开发过程中,我遵循了面向对象的编程思想,使用了类和对象的概念来组织和管理联系人信息。
在实验中,我首先设计了Contact类,用于表示一个联系人的信息,包括姓名、电话号码、邮箱等属性。
然后,我设计了AddressBook类,用于管理联系人信息,包括添加联系人、查找联系人、删除联系人等操作。
最后,我编写了一个简单的用户界面,用于与用户交互,实现对通讯录的操作。
在实验过程中,我遇到了一些问题,比如在删除联系人时没有进行足够的输入验证,导致程序出现了错误。
不过,通过调试和修改代码,我最终解决了这些问题,并且实现了一个稳定和可靠的手机通讯录应用程序。
使用说明:1. 添加联系人,在应用程序中选择“添加联系人”选项,然后输入联系人的姓名、电话号码、邮箱等信息,点击“确认”按钮即可完成添加。
2. 查找联系人,在应用程序中选择“查找联系人”选项,然后输入联系人的姓名或电话号码,点击“搜索”按钮即可查找到对应的联系人信息。
3. 删除联系人,在应用程序中选择“删除联系人”选项,然后输入要删除的联系人的姓名或电话号码,点击“确认”按钮即可删除该联系人。
4. 显示所有联系人,在应用程序中选择“显示所有联系人”选项,即可查看当前通讯录中的所有联系人信息。
源代码:```java。
public class Contact {。
private String name;private String phone;private String email;public Contact(String name, String phone, String email) {。
= name;this.phone = phone;this.email = email;}。
实验一用户电话接口实验一、实验目的1、掌握用户电话接口电路的主要功能2、了解实现用户接口电路功能芯片Am79R70的主要性能和特点二、实验内容1、掌握用户线接口电路的主要功能2、了解Am79R70的结构和工作原理3、了解电话接续的原理及其各种语音控制信号的波形三、实验仪器1、ZY1804I型光纤通信原理实验系统1台2、20MHz 双踪数字示波器1台3、电话机2部4、连接导线20根四、实验原理1、用户线接口电路功能及其作用在现代通信设备与程控交换中,由于交换网络不能通过铃流、馈电等电流,因而将过去在公用设备(如绳路)实现的一些功能放到“用户电路”来实现。
在程控交换机中,用户电路也可称为用户线接口电路(Subscriber Line Interface Circuit—SLIC)。
根据用户电话机的不同,用户接口电路可分为模拟用户电话接口电路和数字用户电话接口电路。
模拟用户电话接口电路与模拟电话相连,数字用户电话接口电路和数字终端相连(如ISDN),而在此实验箱中采用模拟用户电话接口电路。
模拟用户线接口电路在实现时最大的压力应是能承受馈电、铃流和外界干扰等高压大电流的冲击,过去都是采用晶体管、变压器、继电器等分立元件构成,但随着微电子技术的发展,各种集成的SLIC相继出现,他们大都采用半导体工艺或是薄膜、厚膜会合工艺,性能稳定,价格低廉,已实现了通用化。
在程控交换机中模拟用户接口电路一般要具有B(馈电),R (振铃),S(监视),C(编译码),H(混合),T(测试),O(过压保护)七项功能。
具体含义是:1、馈电(B-Battery feeding):向用户话机馈送直流电流。
通常要求馈电电压为-48V,环路电流不小于18mA。
2、过压保护(O-Overvoltage protection):防止过压过流冲击损坏电路和设备。
3、振铃控制(R-Ringing Control):向用户话机馈送铃流,通常为25Hz/75Vrms正弦波。
电子科技大学实验报告学号学生姓名:课程名称:接入网技术实验项目名称ADSL 接入技术实验一、实验目的掌握ADSL 接入的系统结构与工作原理,熟悉客户端的配置过程了解一个用户独享账户和多个用户共享ADSL 接入的过程;熟悉用户终端通过ADSL 桥接接入的接入原理和配置方法熟悉用户终端通过ADSL 路由接入的接入原理和配置方法。
二、实验内容ADSL 桥接方式接入配置与测试ADSL 路由方式接入配置与测试ADSL 业务与话音业务同时传输三、实验器材用户端设备:PC 机 4 台/组,以太网交换机 1 台,ADSL 接入设备 1 台(MT800);局端设备:程控交换机,DSLAM(MA5103),PPPoE 服务器,RADIUS 服务器、交换机等。
四、实验原理(简要描述)ADSL(Asymmetric Digital Subscriber Line,不对称数字用户线)是一种基于电话铜线的宽带接入技术,与传统的电话业务共享电话用户环路,采用先进的调制技术,在高于话带的频带上实现高速的双向数据传输.虽然ADSL 业务与POTS 业务共享同一电话线,但采用频分复用能实现数话同传:ADSL业务不经过程控交换机,除了占用电话线外,不占用电话网的其他资源,而是在局端通过分离器分离后直接进入数据网.ADSL 的系统结构如图ADSL 接入具有两种模式:即ADSL 桥接接入模式和ADSL 路由接入模式。
ADSL 用户的接入控制方式通常采用PPPoE 接入控制,对用户进行认证通常通过RADIUS 服务器完成。
在桥接接入模式下,ADSL 用户接入设备具有桥接功能,透明转发。
PC 接入用户作为需要运行PPPoE 客户软件进行拨号,每个PC 用户账户通过认证后由PPPoE 服务器分配IP 地址上网.在路由即如模式下,ADSL 用户接入设备具有路由层基本的NAT、DHCP 功能.此时,ADSL路由器作为接入PC 的网关,接入PC 的IP 地址由ADSL 路由器通过DHCP 分配(私网地址).同时,需要在ADSL 路由器上运行PPPoE 客户端软件进行虚拟拨号,认证通过后由PPPoE 服务器为其分配一个IP 地址。
电话调查实习报告1. 引言电话调查是一种常见的数据收集方法,旨在了解受访者的观点、态度和行为。
作为一名实习生,我参与了某公司的电话调查项目,并在此报告中总结了我的实习经历和所学到的经验。
2. 实习背景我所实习的公司是一家市场研究公司,为各类客户进行电话调查以收集市场相关信息。
在开始实习之前,我接受了公司的培训,学习了电话调查的技巧、注意事项和数据收集的标准流程。
3. 实习过程在实习期间,我负责进行一项针对手机用户的用户满意度调查。
根据公司提供的调查问卷,我以电话的形式与受访者进行交流。
在每次电话调查之前,我事先准备好了调查问卷、相关问题的解答和一些常见问题的针对性回答。
4. 难点与挑战在电话调查的过程中,我遇到了一些难点和挑战。
首先,部分受访者对电话调查持怀疑态度,拒绝回答问题或提出质疑。
在面对这种情况时,我学会了保持耐心,并用真诚和礼貌的语言解释调查的目的和重要性,尽量争取受访者的合作。
其次,在一些电话交流中,受访者可能表达不清晰,或是对某些问题感到困惑。
针对这种情况,我学会了倾听,并通过追问和解释帮助他们明确表达观点和意见。
5. 成果与收获通过这次电话调查实习,我不仅提高了自己的沟通和表达能力,还学会了如何处理各类潜在困难和挑战。
此外,我还深刻理解了市场调研的重要性,并意识到仅凭定性分析无法全面了解受访者的真实需求。
通过电话调查,我了解到许多受访者的实际需求和反馈,这对于公司进一步调整产品策略和改进用户体验非常有价值。
6. 改进与建议基于我的实习经历,我提出了一些建议,以改进电话调查的效果和受访者的参与意愿。
首先,公司可以进一步培训实习生,提高其针对不同情况的应对能力。
其次,公司可以考虑使用自动化调查系统,提高数据收集的效率,并减少对受访者的干扰。
最后,电话调查项目可以与其他数据收集方法相结合,如在线问卷调查或面对面访谈,以获取更全面的数据。
7. 总结电话调查实习为我提供了一个宝贵的学习机会,我通过这次实习提高了自己的沟通能力、解决问题的能力和分析思维能力。
实验报告课程名称:程控交换原理实验项目:交换系统组成与结构及电话用户接口模块实验姓名:专业:网络工程班级:学号:计算机科学与技术学院实验教学中心2014年 4 月8 日成绩:实验项目名称:实验一交换系统组成与结构及电话用户接口模块实验( 2 学时)一、实验目的1.了解交换系统的组成与结构,为以后的实验打基础。
2.全面了解用户线接口电路功能(BORST)的作用及其实现方法;3.通过对用户模块电路PBL 387 10电路的学习与实验,进一步加深对BORST功能的理解。
二、实验内容(一)1.熟悉本实验平台的组成与结构;2. 熟悉各组成模块的构成元器件及其完成的作用。
(二)1.查找芯片PBL 387 10的详细资料,了解其主要性能和特点。
2.熟悉用PBL 387 10组成的用户线接口电路。
三、实验步骤(一)1. 在关电情况下,交换网络接口上插上“空分交换模块(MT8816)”。
2.打开实验箱右侧的总电源开关,电源输入电路加电,电源指示灯(左上角的LED发光二极管)亮。
3.按一下薄膜开关的“复位”键,系统复位一次,液晶显示“欢迎使用……”。
4.按“开始”键,进入菜单的主要工作状态选择,分“人工交换”,“空分MT8816”,……等多种工作方式。
具体设置说明请参见实验5。
5.选择空分交换方式“空分MT8816”,“空分”指示灯亮。
6. 分别给电话A、B接上电话单机,正常呼叫。
注意液晶显示及其他一些指示灯的变化,熟悉信令程控交换与话音信号通信交换的全过程。
7.电话A默认电话号码为:48,.电话B默认电话号码为:49。
注:本实验平台上的跳线开关K301、K401、K501、K601默认设置:跳线1-2脚连。
(二)1.打开实验箱右侧的总电源开关,电源输入电路加电,电源指示灯(左上角的LED发光二极管)亮;2.电话A的J301接上电话单机;3. 用示波器分别观测TP301、TP302、TP303在摘挂机时的工作电平变化,具体如下:TP301、 TP302:电话A用户的二线模拟线上测试点。
用户线接口模块实验报告一、实验目的通过本次实验,学习用户线接口模块的相关知识,掌握其基本原理和使用方法。
加深对FPGA设计的了解,提高FPGA设计与应用的能力。
二、实验器材1、DE2-70开发板2、USB线三、实验原理用户线接口模块(User Interface)主要是为了在开发板上与用户进行互动,传输数据等功能而设计的。
本次实验使用的DE2-70开发板上提供大量的用户线接口,包括8个LED灯,10个按键,1个七段数码管,1个LCD模块和2个PS/2接口。
用户线接口模块主要由以下组成:1、开关用于实现用户与FPGA的交互。
2、LED灯用于输出FPGA的运行结果。
3、七段数码管用于显示数字和字母等。
4、LCD模块四、实验过程1、打开Quartus II软件,在主程序窗口中选择Tools -> Programmer。
在弹出的程序窗口中选择USB Blaster,并按“OK”。
2、在主程序窗口中的Project Navigator面板中,展开工程文件夹,然后打开“DE2_top.qpf”项目。
3、将USB线连接到计算机的USB接口和开发板的USB接口。
4、在主程序窗口中选择Programmer -> Auto Detect。
5、选择本次实验需要下载的文件,在面板右侧文件夹中单击“DE2_top.sof”。
然后单击右下角的“Program”按钮,等待下载完成。
6、将开发板接通电源,检查实验过程中使用的各种接口,比如LED灯,按键,七段数码管和LCD模块是否正常工作。
五、实验结果本次实验的主要目的是为了了解和掌握用户线接口模块的基本原理和使用方法。
我们首先了解了FPGA的作用和结构,并且掌握了如何在Quartus II软件中生成一个简单的FPGA设计。
然后,我们通过开发板上的LED灯、按键、七段数码管和LCD模块等用户线接口,学习了如何与FPGA进行交互,演示了一些常见应用,例如使用按键改变LED灯的状态、使用七段数码管显示数字等等。
接口测试报告一、背景介绍。
接口测试是软件测试的一个重要环节,它主要用于验证不同软件模块之间的通信和数据传输是否正常。
在软件开发过程中,接口测试是必不可少的一部分,通过接口测试可以有效地发现和解决系统中的问题,保证软件的稳定性和可靠性。
二、测试环境。
本次接口测试是在Windows 10操作系统下进行的,使用了Postman等工具进行接口测试。
测试过程中,我们模拟了不同的网络环境,包括局域网、互联网等,以确保接口在不同环境下的稳定性和兼容性。
三、测试目标。
本次接口测试的主要目标是验证系统接口的功能是否符合需求,包括接口的输入输出是否正确、接口的响应时间是否满足要求、接口的安全性和稳定性等方面。
四、测试内容。
1. 输入输出测试,验证接口的输入参数和输出结果是否符合预期,包括数据格式、数据类型、数据范围等。
2. 响应时间测试,测试接口的响应时间,确保接口在不同负载下的性能表现。
3. 安全性测试,测试接口的安全性,包括权限控制、数据加密、防止SQL注入等。
4. 稳定性测试,测试接口在长时间运行和高负载下的稳定性,确保接口不会因为异常情况而崩溃或出现错误。
五、测试结果。
经过一段时间的测试,我们得出了以下结论:1. 输入输出测试,接口的输入输出符合预期,数据格式正确,数据类型和数据范围也在合理范围内。
2. 响应时间测试,接口的响应时间在正常负载下表现良好,但在高负载下响应时间略有增加,需要进一步优化。
3. 安全性测试,接口的安全性得到了有效保障,权限控制和数据加密等措施都得到了有效实施。
4. 稳定性测试,接口在长时间运行和高负载下表现稳定,未出现异常情况。
六、测试建议。
根据测试结果,我们提出了以下改进建议:1. 优化接口的响应时间,进一步提高系统的性能。
2. 加强对接口的安全性监控,及时发现并解决潜在的安全问题。
3. 持续进行稳定性测试,确保系统在不同环境和负载下的稳定性和可靠性。
七、总结。
接口测试是软件开发过程中不可或缺的一部分,通过本次测试,我们发现了系统中一些存在的问题,并提出了相应的改进建议。
第1篇一、实验目的1. 理解接口的概念和作用。
2. 掌握接口的使用方法,包括接口的定义、实现和继承。
3. 通过实际应用,加深对接口的理解和应用能力。
二、实验环境1. 操作系统:Windows 102. 编程语言:Java3. 开发工具:Eclipse三、实验内容1. 接口的基本概念2. 接口的定义和实现3. 接口的继承和多态4. 接口的应用实例四、实验步骤1. 接口的基本概念(1)打开Eclipse,创建一个名为“InterfaceDemo”的Java项目。
(2)在项目中创建一个名为“Shape”的接口,包含一个抽象方法“draw()”。
```javapublic interface Shape {void draw();}```2. 接口的定义和实现(1)在项目中创建一个名为“Circle”的类,实现“Shape”接口。
```javapublic class Circle implements Shape {@Overridepublic void draw() {System.out.println("Drawing a circle.");}}```(2)在项目中创建一个名为“Rectangle”的类,实现“Shape”接口。
```javapublic class Rectangle implements Shape {@Overridepublic void draw() {System.out.println("Drawing a rectangle.");}}```3. 接口的继承和多态(1)在项目中创建一个名为“Triangle”的类,继承“Circle”类,并实现“Shape”接口。
```javapublic class Triangle extends Circle implements Shape {public void draw() {System.out.println("Drawing a triangle.");}}```(2)创建一个名为“Main”的类,用于测试接口的应用。
i o口扩展实验报告
《实验报告:i o口扩展》
在当今数字化时代,人们对于信息的获取和交流需求日益增长。
为了满足这一
需求,科学家们不断探索新的技术和方式来提高信息处理的效率和便利性。
在
这个背景下,i o口扩展作为一种新型的数据传输技术备受关注。
i o口扩展是一种通过i o口接口进行数据传输的技术。
它可以实现设备之间的
快速数据传输,同时还可以实现设备的即插即用。
这种技术的出现,为人们的
生活和工作带来了许多便利。
为了进一步探索i o口扩展的应用和性能,我们进行了一系列的实验。
首先,我们测试了i o口扩展在不同设备之间的数据传输速度。
结果显示,i o口扩展可
以实现高速稳定的数据传输,大大提高了设备之间的数据交换效率。
其次,我们测试了i o口扩展在设备连接和断开时的稳定性。
通过多次连接和断开实验,我们发现i o口扩展可以实现设备的即插即用,而且连接稳定性非常高,几乎不会出现连接失败的情况。
最后,我们还测试了i o口扩展在不同环境下的适用性。
结果显示,i o口扩展
可以适应各种环境,并且在恶劣环境下依然能够保持良好的性能。
综合以上实验结果,我们可以得出结论:i o口扩展作为一种新型的数据传输技术,具有高速稳定的数据传输能力,同时还具有良好的即插即用性和适应性。
它可以为人们的生活和工作带来更多的便利和效率。
总之,i o口扩展作为一种新型的数据传输技术,具有巨大的发展潜力。
我们相信,在不久的将来,它将会成为人们生活和工作中不可或缺的一部分。
用户接口模块实验报告用户接口模块实验报告一、引言随着信息技术的快速发展,人机交互界面的设计越来越受到重视。
用户接口模块是一种关键的设计元素,它直接影响着用户对软件或系统的使用体验。
本实验旨在通过设计和评估用户接口模块,探讨如何提高用户的满意度和效率。
二、设计过程1.需求分析在设计用户接口模块之前,我们首先进行了需求分析。
通过与用户的沟通和调研,我们了解到用户对于一个好的用户接口模块有以下几个基本要求:简洁明了、易于操作、功能齐全、美观大方。
2.界面设计根据需求分析的结果,我们开始进行界面设计。
我们首先确定了整体的布局和配色方案,以确保界面整体的美观性。
接着,我们按照模块的功能划分,设计了相应的按钮、输入框、下拉菜单等元素,并合理地安排它们的位置和大小。
在设计过程中,我们注重了用户的使用习惯和心理感受,力求使界面简洁明了、易于操作。
3.交互设计除了界面的设计外,交互设计也是用户接口模块设计中不可忽视的一部分。
我们采用了一些常见的交互设计原则,如一致性、可预测性和可见性等,以提高用户的操作效率和准确性。
我们还引入了一些交互反馈机制,如按钮点击后的颜色变化、鼠标悬停时的提示信息等,以增强用户对系统的控制感。
三、实验结果1.用户满意度评估为了评估用户对我们设计的用户接口模块的满意度,我们进行了一次问卷调查。
调查结果显示,大部分用户对我们的设计表示满意,认为界面简洁明了、操作方便。
同时,我们也收到了一些用户的反馈意见,如增加一些快捷键、改进一些按钮的位置等。
这些反馈将有助于我们进一步完善用户接口模块的设计。
2.使用效率评估除了用户满意度外,我们还对用户接口模块的使用效率进行了评估。
通过与之前的版本进行对比,我们发现我们设计的用户接口模块在用户完成任务的时间上有了明显的提升。
这主要得益于我们在交互设计中引入的一些机制,如快捷键、自动填充等。
四、改进方案根据用户的反馈意见和使用效果评估的结果,我们提出了以下改进方案:1.增加快捷键功能,以提高用户的操作效率。
成绩:实验报告课程名称:程控交换原理实验项目:用户接口电路姓名:专业:网络工程班级:学号:计算机科学与技术学院实验教学中心2014年 4 月15日一、实验目的1.了解交换系统的组成与结构,为以后的实验打基础。
2.全面了解用户线接口电路功能(BORST)的作用及其实现方法;3.通过对用户模块电路PBL 387 10电路的学习与实验,进一步加深对BORST功能的理解。
二、实验内容1.熟悉本实验平台的组成与结构;2. 熟悉各组成模块的构成元器件及其完成的作用。
三、实验步骤1.打开实验箱右侧的总电源开关,电源输入电路加电,电源指示灯(左上角的LED发光二极管)亮;2.电话A的J301接上电话单机;3. 用示波器分别观测TP301、TP302、TP303在摘挂机时的工作电平变化,具体如下:TP301、 TP302:电话A用户的二线模拟线上测试点。
TP301接入PBL38710芯片的TIPX端;TP302接入PBL38710芯片RINGX端;注意此部分测试与其它地方不一样,示波器的地线夹子接其中一个测试点,探头接另外一个测试点。
此时,双踪示波器的另一个测试探头地线夹子不可接其它地线测试点(GND),因为示波器两探头的地线是连通在一起的;TP303:电话用户模块用户摘挂机工作状态测量点。
用户电话摘机时,输出低电平;用户挂机时,输出高电平。
四、实验结果(一)对系统方框图做简述:信令处理器和记发器电路(中央处理器)它是U101(AVR单片机)及外围电路构成,在系统软件的作用下,完成键盘扫描和液晶显示、工作状态指示和接收计算机数据。
同时完成对话机状态的监视、信号音及铃流输出控制、电话号码的识别、交换命令发送等功能。
具体叙述如下:(1)用户状态检测电路:接收各个用户线接口电路输出的用户状态检测信号DETX(X是话路的序号),可以是A、B、C、D,例如DETA是第一话路的用户状态检测信号(下面文字说明中标号的X含义与此处相同),信号直接送入CPU的PE口,以识别主、被叫用户的摘挂机状态。
实验一用户电话接口实验一、实验目的1、掌握用户电话接口电路的主要功能2、了解实现用户接口电路功能芯片Am79R70的主要性能和特点二、实验内容1、掌握用户线接口电路的主要功能2、了解Am79R70的结构和工作原理3、了解电话接续的原理及其各种语音控制信号的波形三、实验仪器1、ZY1804I型光纤通信原理实验系统1台2、20MHz 双踪数字示波器1台3、电话机2部4、连接导线20根四、实验原理1、用户线接口电路功能及其作用在现代通信设备与程控交换中,由于交换网络不能通过铃流、馈电等电流,因而将过去在公用设备(如绳路)实现的一些功能放到“用户电路”来实现。
在程控交换机中,用户电路也可称为用户线接口电路(Subscriber Line Interface Circuit—SLIC)。
根据用户电话机的不同,用户接口电路可分为模拟用户电话接口电路和数字用户电话接口电路。
模拟用户电话接口电路与模拟电话相连,数字用户电话接口电路和数字终端相连(如ISDN),而在此实验箱中采用模拟用户电话接口电路。
模拟用户线接口电路在实现时最大的压力应是能承受馈电、铃流和外界干扰等高压大电流的冲击,过去都是采用晶体管、变压器、继电器等分立元件构成,但随着微电子技术的发展,各种集成的SLIC相继出现,他们大都采用半导体工艺或是薄膜、厚膜会合工艺,性能稳定,价格低廉,已实现了通用化。
在程控交换机中模拟用户接口电路一般要具有B(馈电),R (振铃),S(监视),C(编译码),H(混合),T(测试),O(过压保护)七项功能。
具体含义是:1、馈电(B-Battery feeding):向用户话机馈送直流电流。
通常要求馈电电压为-48V,环路电流不小于18mA。
2、过压保护(O-Overvoltage protection):防止过压过流冲击损坏电路和设备。
3、振铃控制(R-Ringing Control):向用户话机馈送铃流,通常为25Hz/75Vrms正弦波。
4、监视(S-Supervision):监视用户线的状态,检测话机摘机、挂机与拨号脉冲灯信号已送往控制网络和交换网络。
5、编解码与滤波(C-CODEC/Filter):在数字交换中,它完成模拟话音与数字码间的转换。
编译码通常采用PCM码的方式,其编码器(Coder)和译码器(Decoder)统称为CODEC。
相应的防混叠与平滑低通滤波器的带宽范围为:300Hz~3400Hz,编码速率为64Kb/s。
6、混合(H-Hybird):完成二线与四线的转换功能,即实现模拟二线双向信号与PCM发送和接收数字四线信号之间的分离。
7、测试(T-Test):对用户电路进行测试。
模拟用户接口电路的结构如图所示:图1-1 模拟用户接口电路框图2、用户线接口电路在本实验箱中,用户线接口电路芯片选用Legerity公司生产的模拟用户线接口芯片Am79R70。
Am79R70是一种功能较强的用户线接口芯片,它除了拥有用户接口电路常用的7种功能中的6种外,还拥有电流限制、挂机传输、极性反转、tip开路和环路检测等功能。
其内部电路结构原理框图如下:HPAHPBVBAT2VBAT1VCC VNEC BGND AGND/DGND B2EN RSGH RSGL RDC RDCR RINGIN /DETE1D1D2C3C2C1 RYOUT1 RYE RYOUT2 RDVTX RSN图1-2 Am79R70内部功能模块图其中Am79R70需要VCC,VEE,VBAT1,VBAT2四种电源电压。
其中VCC为+5V,VEE为-5V,此电压可由Am79R70内部的负电压调整可得。
VBAT2的电压幅度范围为-19~-48V,VBAT1的电压幅度范围为-40~-67V,标准值为-48V。
振铃、环路状态检测的功能主要通过控制字输入端C3,C2,C1及摘挂机检测输出端/DET来控制,当C3C2C1输入为001时,Am79R70处于振铃模式,当C3C2C1输入不是001时,Am79R70进入其他工作模式,同时使与其相连的话机振铃截止。
当C3C2C1输入为010时,话机处于通话状态。
Am79R70的/DET脚的输出可以指示用户的摘挂机状态,当用户摘机时,Am79R70的/DET脚输出低电平,挂机时输出高电平。
实验箱中电话间的通信及信号的控制主要由单片机和FPGA 来共同完成,我们称之为控制处理单元,其工作过程如下:当用户1摘机时,与它相连的Am79R70的/DET脚输出低电平,向控制处理单元指示用户1已经摘机,同时摘机指示灯亮。
此时控制处理单元向用户1的Am79R70的控制端C3C2C1输出010使其处于通话连接状态,同时对用户1的摘机的信息进行处理。
在通话连接状态下,用户的信息经过Am79R70的两线接口及信号传输模块可以直接输出到编解码芯片和收发器。
控制处理单元向用户1送拨号音,用户1听到此音后拨号。
控制处理单元根据用户1的所拨的号码定位到用户2,并向与用户2连接的Am79R70的控制端输出001,以使得用户2所连接的Am79R70处于振铃状态,同时向用户1发送回铃音或忙音。
在振铃状态下,Am79R70将铃流电路产生的RV通过RING脚输入到Am79R70内,经内部放大后通过两线接口模块输出到用户线,使得用户2的电话机振铃。
当用户2摘机后,它相连的Am79R70的/DET脚输出低电平,以向控制处理单元指示用户2已经摘机。
此时控制处理单元向用户2的Am79R70的控制端C3C2C1输出010使其处于通话连接状态,同时停止振铃。
这样,用户1和用户2就可以通过Am79R70进行通话。
3、用户接口电路原理图用户接口电路和电话接续实验将主要完成摘挂机监测、振号可以是以下几种类型的信号:3.1 电话通信中的话音信号。
3.2 来自电话模拟信号源模块的各种音信号(回铃、振铃、忙音信号)。
①拨号音:450Hz正弦波;②忙音:450Hz正弦波,通断间隔时间0.35S;③回铃音:450Hz的正弦波,每导通1秒后间断4秒;④ 25Hz振铃信:25Hz的低频周期信号,每导通1秒后间断4秒;控制处理模块主要通过对两部电话的状态检测来产生各种控制信号,如回铃信号、忙音信号、振铃信号,以完成两部电话之间的热线接续功能。
其中热线呼叫的流程图如下:YES NO呼叫NOYESNOYESNO应答挂机NOYES图1-4 电话呼叫控制流程图五、实验步骤1、用连接线连接中央控制器的D_IN和D_OUT,将中央控制器K1拨为“主”,分别接好两部电话机。
2、将PCM编译码模块的开关K301,K401,K402,K403和K404分别拨向下。
3、将拨码开关K703(A机号码)的值拨为“0001”,使A机号码为3201;拨码开关K704(B机号码)的值拨为“0010”,使B 机号码为3202。
注释:本实验箱要求为每一部电话设置一个电话号码,电话号码为3201到3215,电话号码前两位固定为32,后两位(电话地址)由拨码开关K703和K704人为输入,对应两个拨码开关所拨的二进制数值,例如预设A机电话号码为3201,则将拨码开关K703(A机号码)的值拨为“0001”。
多台实验箱组网通信时要求电话号码设置和终端地址设置不能重复。
4、打开交流电源。
中央控制器指示灯NS、FS亮,表明环路同步。
5、用示波器测量电话A模拟信号源测试钩25HZA和BHA(450HZ)的波形,其中25HZA为频率25HZ的方波,BHA(450HZ)为频率450HZ的正弦波,450HZ正弦波的峰-峰值为1V左右。
用示波器测量电话B模拟信号源测试钩25HZB和BHB(450HZ)的波形,其中25HZA为频率25HZ的方波,BHA(450HZ)为频率450HZ的正弦波,450HZ正弦波的峰-峰值为1V左右。
注释:25HZ的方波用合成振铃信号,450HZ的正弦波用来提供拨号音以及合成忙音信号和回铃信号,若其幅度过大,将会在电话接口回路中引起自激现象,严重影响电话话路的通话质量。
a、电话的摘机状态及拨号音测试将电话A模块的电话摘机,此时二极管LED309发光。
用示波器探头测量A电话模拟信号输入端测试钩VRATA的拨号音波形,观察其波形的特点,并进行分析。
将该电话挂机,可看见二极管LED309不发光。
b、电话振铃,回铃信号测试将电话A模块的电话摘机,听到拨号音后,拨打电话B模块的号码3202,此时观察拨号状态指示灯LED301、LED302、LED303和LED304(每拨一个数字,拨号状态将由对应的二进制码指示)。
如果电话B没有处于通话占用状态则将会听到响铃声,用示波器探头测量测试钩ZLB的波形,将其记录下来分析;用示波器探头测量测试钩HLA回铃信号的波形,观察其波形的特点,并进行分析;将电话A模块的电话挂机,同时将电话B模块的电话摘机,拨打电话A模块的电话,测量HLB和ZLA的波形,并对其进行分析。
注释:ZLA/ZLB是用来与25HZ低频信号合成振铃音的控制信号,表现为1秒通4秒断。
c、电话话音信号传输功能测试将电话A模块的电话摘机,拨打电话B模块的电话,并接通。
将电话进行按键,同时利用示波器探头来测量VTATA和VRATB、VTATB和VRATA的波形,对比电话A和电话B之间的接收和发送信号波形,观察不同按键时电话发送信号和接收信号的变化。
同时观察两个电话模块的拨号状态,此时显示灯将显示所按号码。
d、忙音信号测试将电话A模块的电话摘机,不拨电话号码,过约20s后,测量测试构VRATA的波形,并画出其波形。
将电话A模块的电话摘机,拨打电话B模块的电话,拨号期间间歇约5s,测量测试构VRATA的波形,并画出其波形。
接通两部电话,将电话A挂机,用示波器测量测试钩VRATB 的波形,并画出其波形。
e、多种信号音测试测量测试钩VRATA的波形,分别在振铃(即电话A摘机,电话B 挂机)、接通(两部电话通话)和忙音(接通后,电话B 挂机)三种状态下测量,记录下其波形。
6、关闭交流电源,拆除各个连线,将实验箱还原。
六、实验结果七、思考题答案1、电话接口电路的主要功能是什么,除了AM79R70之外,你还知道那些芯片可以实现用于接口电路的功能?2、测试钩VRATA 的波形在三种状态下分别不同,其三种波形分别是什么信号的波形?实验八半导体激光器P-I特性测试实验一、实验目的1、学习半导体激光器发光原理和光纤通信中激光光源工作原理2、了解半导体激光器平均输出光功率与注入驱动电流的关系3、掌握半导体激光器P(平均发送光功率)-I(注入电流)曲线的测试方法二、实验内容1、测量半导体激光器输出功率和注入电流,并画出P-I关系曲线2、根据P-I特性曲线,找出半导体激光器阈值电流,计算半导体激光器斜率效率三、实验仪器1、ZY1804I型光纤通信原理实验系统1台2、FC接口光功率计1台3、FC-FC单模光跳线1根4、万用表1台5、连接导线20根四、实验原理光源是把电信号变成光信号的器件,在光纤通信中占有重要的地位。