叉车保养计划表
- 格式:doc
- 大小:1.58 MB
- 文档页数:10
精心整理附件三:叉车保养细则
一、叉
常保
养细
则
养,每天下
班工作后,
由驾驶员
具体实施。
术保养时限
为发动机累
计工作满
200
小时
后,由驾驶
员统计并向
所属职能部
门上报一级
保养计划申
请书等待批
示,通过后
由驾驶员配
合汽修厂具
体实施;竣
工后由相关
人员进行验
收并出具验
收报告书。
四、叉车三级保养细则
2、用油脂枪压注润滑剂时,应压注到各部件的零件结合出挤出润滑剂为止。
3、在夏季或冬季应更换季节性润滑剂(机油等)。
六、电动推码车的保养事项。
设备维护保养计划1.目的保持厂基础设施、设备的良好状态,以保证使用过程效能,确保产品满足顾客的要求。
2.范围适用于本公司基础设施、设备的控制和管理。
3.职责3.1检验分室是设备维护保养的归口管理部门。
负责厂的基础设施、设备的管理。
3.2检验分室根据厂基础设施、设备的实际情况,负责建立管理档案,制订《设备操作规程》,对设施、设备实施全过程的管理。
3.33.44振动、4.11)2)3)5环境条5.1例行保5.1.11)2)检查各指示仪器,仪表,操作按钮和手柄以及紧急停止按钮是否正常。
3)检查各部位有无漏水,漏气,漏电的现象。
1)注意各仪器仪表的工作情况,及各部位有无异常的声响。
2)运行中注意安全部件是否正常。
3)遇异常情况要及时向相关部门负责人报告。
1)清洁设备外部,除去管道和容器内的生产用料,清洁各种零部件。
2)放尽系统内的剩水,检查润滑油的质量,油量视需要补给。
3)排除运行中发现的缺陷和故障。
5.2设备的维修保养设备的维修保养是合理使用设备的重要环节,必须用强制性的保养制度取代那些随坏随修,以修代保,进行频繁的大拆大卸的做法。
设备的维修保养就是在以预防为主的思想指导下,把设备保养作业项目按其周期长短分别组织在一起,分级定期执行,设备的定期保养分为:一级保养,二级保养,三级保养。
一级保养是各级技术保养的基础,各级技术管理部门必须十分重视一级保养工作的质量。
由专业维修工负责执行。
主要作业内容以清洁、润滑、紧固为主,检查操纵、指示用仪器、仪表、安全部位、各种阀门、润滑油油平面。
设备的二级保养以清洁、检查、调整、校验为中心内容。
由专业维修人员负责执行。
除执行一级保养作业项目,并检查运动部件的润滑油状况,清洗各类滤清器,检查安全机件的可靠性,消除隐患,调整易损零部件的配合状况,旋转运动部位的磨损程度,校验指示用仪器仪表和控制用仪器仪表、计量用仪器仪表,延长使用寿命,维护设备的技术性能。
三级保养以解体清洗、检查、调整为中心内容。
叉车运行培训计划表一、培训目的叉车是一种用于货物装卸、搬运的重要工具,有效的叉车操作可以提高工作效率、减少事故风险。
因此,本培训计划旨在提高叉车驾驶员的操作技能、安全意识,确保叉车运行的安全、高效。
二、培训对象叉车驾驶员、叉车操作人员三、培训内容1. 叉车的基本知识1.1 叉车的构造和工作原理1.2 叉车的种类和用途1.3 叉车的主要部件和操作元件2. 安全作业规程2.1 叉车的安全操作规定2.2 叉车的安全事故案例分析2.3 叉车的日常检查维护3. 叉车的操作技能3.1 叉车的起动、停车和转弯3.2 叉车货物的装卸与搬运3.3 叉车的堆高和装卸技巧四、培训方法本培训将采用理论教学和实际操作相结合的方式进行。
包括课堂讲解、模拟操作、实地演示等形式。
同时也可以利用多媒体教学和虚拟仿真技术进行辅助教学。
五、培训时间安排本培训计划为期5天,每天8小时,具体安排如下:第一天:叉车基本知识讲解第二天:安全作业规程和事故案例分析第三天:叉车的操作技能训练第四天:实际操作模拟和综合训练第五天:考核和总结六、培训考核为了确保培训效果,本培训计划将对学员进行考核,并对合格者颁发培训证书,考核内容包括理论知识考试和实际操作技能考核。
七、培训师资培训的授课教师将由具有叉车操作经验和教学能力的专业人员担任,确保培训内容的准确性和可操作性。
八、培训场地和设备培训将在设备齐全、安全环境的专业叉车培训场地进行,确保学员可以进行真实的叉车操作训练。
九、培训效果评估在培训结束后,将对学员进行问卷调查和满意度测评,以评估培训效果,收集学员的反馈意见,为今后的培训改进提供参考。
十、培训后的跟进培训结束后,将建立学员的档案,跟进学员的工作情况,提供必要的帮助和指导,确保培训效果得到有效落实。
十一、培训费用本培训计划的费用将由公司负责支付,学员只需全程参加并合格即可享受免费培训。
以上为叉车运行培训计划表具体内容,希望通过本次培训,能够提高叉车操作人员的技术水平,确保叉车运行的安全、高效。
设备维护保养计划1。
目的保持厂基础设施、设备的良好状态,以保证使用过程效能,确保产品满足顾客的要求。
2. 范围适用于本公司基础设施、设备的控制和管理。
3。
职责3。
1检验分室是设备维护保养的归口管理部门。
负责厂的基础设施、设备的管理.3.2检验分室根据厂基础设施、设备的实际情况,负责建立管理档案,制订《设备操作规程》,对设施、设备实施全过程的管理。
3.3检验分室负责所有的设施、设备保养及运行操作管理。
3.4维修组负责所有设施、设备的维修。
4 工作程序设备在使用过程中,随着运行工时的增加,各部机构和零件由于受到摩檫、腐蚀、磨损、振动、冲击、碰撞及事故等诸多因素的影响,技术性能逐渐变坏.4.1保养作业内容按照保养作业性质可分为:清洁,检查,紧固,润滑,调整,检验和补给作业。
检验作业由国家指定的检验部门执行,或由本司专职检验人员负责进行。
1)清洁、检查、补给、紧固、调整、润滑作业一般由设备操作人员执行。
2) 电气作业由专业人员执行作业一般由设备维修执行.3) 压力容器作业由专业人员执行。
5 保养制度本公司的设备保养制度是以预防为主,定运行工时进行保养的原则,分为例行保养,一级保养,二级保养,三级保养,季节性保养。
设备保养的分级和作业内容是根据实际使用中技术情况的变化;设备的结构;使用的条件;环境条件等确定.是根据零件磨损规律,老化规律,把程度相近的项目集中起来,在达到正常磨损,老化将被破坏前进行保养,保持设备整洁,发现和消除故障隐患,防止设备早期损坏,达到设备维持正常运行的目的.5。
1设备的例行保养设备的例行保养是各级保养的基础,直接关系到运行安全,能源的消耗,机件的使用寿命。
例行保养作业由设备操作人负责执行,其作业中心内容以清洁、补给、安全、检视为主,坚持开工之前、运行中、收工后的三检制度。
检查操纵机构、运行机件、安全保护装置的可靠性,维护整机和各总成部位的清洁,润滑必须润滑到位,紧固松动件等.5。
1。
设备维修保养规范(表格附后)1. 目的保持公司基础设备、生产设备的良好状态,以保证使用过程效能,确保产品满足顾客的要求。
2. 范围适用于本厂基础设备、生产设备的控制和管理。
3. 职责3.1生产部是设备维护保养的归属管理部门,负责厂内的基础设备、生产设备的管理。
3.2生产部根据厂内基础设备、生产设备的实际情况,负责建立管理档案,制订《设备操作规范》,对所有设备实施全过程的管理。
3.3生产部负责对所有的设备进行维修、保养及运行操作管理。
4. 工作程序设备在使用过程中,随着运行工时的增加,各部机构和零件由于受到摩檫、腐蚀、磨损、振动、冲击、碰撞及事故等诸多因素的影响,技术性能逐渐变坏。
4.1保养作业内容按照保养作业性质可分为:清洁,检查,紧固,润滑,调整,检验和补给作业。
检验作业由国家指定的检验部门执行,或由本司专职检验人员负责进行。
1) 清洁、检查、补给作业一般由设备操作人员执行。
2) 紧固、调整、润滑作业一般由机修工执行。
3) 压力容器作业由专业人员执行。
4) 电气作业由专业人员执行。
5. 保养制度本公司的设备保养制度是以预防为主,定运行工时进行保养的原则,分为例行保养,一级保养,二级保养,三级保养,季节性保养。
设备保养的分级和作业内容是根据实际使用中技术情况的变化;设备的结构;使用的条件;环境条件等确定。
是根据零件磨损规律,老化规律,把程度相近的项目集中起来,在达到正常磨损,老化将被破坏前进行保养,保持设备整洁,发现和消除故障隐患,防止设备早期损坏,达到设备维持正常运行的目的。
5.1设备的例行保养设备的例行保养是各级保养的基础,直接关系到运行安全,能源的消耗,机件的使用寿命。
例行保养作业由设备操作人负责执行,其作业中心内容以清洁、补给、安全、检视为主,坚持开工之前、运行中、收工后的三检制度。
检查操纵机构、运行机件、安全保护装置的可靠性,维护整机和各总成部位的清洁,润滑必须润滑到位,紧固松动件等。
叉车日常管理规范一、引言叉车作为一种重要的物流设备,广泛应用于仓储和物流行业。
为了确保叉车的安全运行和有效管理,制定叉车日常管理规范是必要的。
本文将详细介绍叉车日常管理的各项内容,包括叉车的检查和维护、操作规范、培训和考核、事故处理等,以确保叉车的正常运行和人员的安全。
二、叉车的检查和维护1. 定期检查:每天开始工作前,对叉车进行一次全面的检查,包括外观、车轮、刹车系统、灯光、油液、电池等方面。
2. 维护记录:建立叉车的维护记录,包括保养日期、保养人员、保养内容等,以便于追踪和记录维护情况。
3. 维护计划:制定叉车的维护计划,包括定期更换零部件、清洁和润滑等,确保叉车的正常运行。
三、叉车的操作规范1. 叉车驾驶员资质:叉车驾驶员应持有合法的叉车驾驶证,并经过专业培训和考核。
2. 安全装备:驾驶员应佩戴安全帽、安全鞋等必要的安全装备,并确保车辆上的安全设备完好。
3. 载重限制:根据叉车的额定载重能力,合理安排货物的装载和卸载,避免超载或者不平衡装载。
4. 行车规范:驾驶员应按照交通规则行驶,注意车辆的稳定性,避免急转弯和急刹车等危(wei)险操作。
5. 工作环境:确保叉车操作区域的通风良好,避免狭窄、湿滑或者堆放不规范的场所进行操作。
四、叉车驾驶员培训和考核1. 培训计划:制定叉车驾驶员培训计划,包括理论培训和实际控制培训,确保驾驶员具备必要的知识和技能。
2. 考核标准:制定叉车驾驶员的考核标准,包括理论考试和实际操作考核,确保驾驶员达到合格水平。
3. 培训记录:建立叉车驾驶员培训记录,包括培训日期、培训内容、培训人员等,以便于追踪和记录培训情况。
五、叉车事故处理1. 事故报告:任何叉车事故发生后,驾驶员应即将向上级报告,并填写事故报告表,详细记录事故经过和损失情况。
2. 事故调查:对叉车事故进行调查,确定事故原因,并采取相应的纠正措施,避免类似事故再次发生。
3. 事故记录:建立叉车事故记录,包括事故日期、事故原因、事故处理情况等,以便于事故的追踪和分析。
叉车维保计划书1. 引言本文档旨在设计一个有效的叉车维保计划,以确保叉车的正常运行和延长其使用寿命。
在现代仓储和物流行业中,叉车是不可或缺的工具,它们在货物搬运和堆放中起着重要的作用。
因此,合理的维护和保养叉车对于提高工作效率和降低成本非常重要。
本计划将介绍叉车的维护周期、保养方法、故障处理等内容。
2. 叉车维护周期叉车的维护周期对于保证叉车的正常运行至关重要。
根据叉车的使用情况和工作强度,制定一个科学合理的维护周期是必要的。
一般来说,叉车的维护可以分为三个周期。
2.1 日常维护日常维护是指日常使用中对叉车进行的简单维护操作,包括: - 清洁叉车:定期清洁叉车表面和内部,清除灰尘和杂物。
- 检查润滑油:检查并更换润滑油,确保润滑系统正常工作。
- 检查轮胎:检查轮胎的磨损情况,必要时更换轮胎。
- 检查电池:检查电池的充电情况,确保充电电量充足。
2.2 定期维护定期维护是指按照一定的时间间隔对叉车进行维护操作,包括:- 更换滤清器:定期更换叉车的空气滤清器和燃油滤清器。
- 更换刹车片:定期检查刹车片的磨损情况,必要时更换刹车片。
- 检查电线接头:定期检查电线接头情况,确保电气系统正常工作。
- 校准仪表:定期校准叉车的仪表,确保测量结果准确。
2.3 长期维护长期维护是指对叉车进行一些较为复杂的维护操作,包括: - 拆解清洗:定期将叉车拆解,清洗各个部件,以去除灰尘和杂物。
- 润滑维护:定期对叉车各个关键部位进行润滑维护,以确保部件的正常运转。
- 液压系统维护:定期更换液压油,清洗液压系统,确保液压系统正常工作。
- 电气系统维护:定期检查电气系统的线路、接头等,修复或更换损坏的部件。
3. 叉车保养方法保养叉车是指对叉车进行一系列的保养操作,以延长其使用寿命和保证其正常运行。
下面介绍一些常用的叉车保养方法。
3.1 外观保养外观保养是指对叉车外观进行清洁和保养,以保持良好的外观和防止腐蚀。
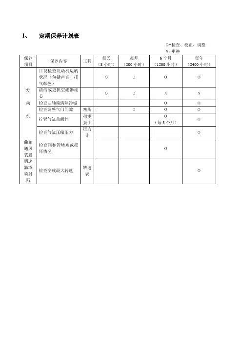
1、定期保养计划表
O-检查、校正、调整
Χ-更换
CPQD20/25/30/35HW11A除外。
车轮(前、后轮)
转向系统
电气系统
其它
2、定期更换关键安全零件
.有些零件虽经过定期的保养却仍然难以发现损伤或损坏,为了进一步改善安全性,应对下
表中给出的零件进行定期更换。
.若在更换时间到来前,这些零件就出现不正常应立即更换。
3、螺栓拧紧力矩一览表
·螺栓等级可在头部找到,若没有即为8.8级。
4、叉车用油一览表
注:1.已加注防锈防冻液的,即使寒冬也无需放掉。
需要时加足。
通常2~4年更换。
2.未加防锈防冻液,用户可根据需要按要求加注。
未加防冻液的,冬季必须放去冷却水。
3. QNW11A和HW15A分别为CPQD20/30/35H W11A和CPCD20/30/35H W15A的简写。
机器设备预防保养表汇编
1. 设备名称:注塑机
- 检查模具表面是否清洁,及时清理模具表面的残留物。
- 润滑注塑机的活动部件,如导轨、滑块等,确保运行顺畅。
- 定期检查注塑机的液压系统,更换液压油,并清洗油过滤器。
- 检查注塑机的电路系统,确保接线端子紧固,电气设备正常
运行。
2. 设备名称:数控车床
- 定期检查数控车床的导轨和丝杆,清洁并润滑,避免因摩擦
而导致零件损坏。
- 检查数控车床的刀具和夹持装置,确保刀具尖端锋利,夹持
装置牢固可靠。
- 定期校正数控车床的工作参数,确保加工精度和质量。
- 清理数控车床的冷却液箱和冷却系统,保持正常运行并预防
故障发生。
3. 设备名称:压力机
- 清洁并润滑压力机的导轨和连接部件,确保运行平稳。
- 定期检查压力机的离合器和制动系统,保证安全可靠。
- 定期更换压力机的润滑油和滤芯,清洗油路系统,防止油液
污染。
- 定期检查压力机的电气系统,确保开关、接线等部件正常运行。
以上是一些常见机械设备的预防保养表汇编,公司可以根据具体设备的特点和生产情况进行定制化的保养计划,确保设备运行稳定、延长使用寿命。
叉车日常保养记录表
叉车驾驶员:检查人:月份:202X年XX月
系统的工作是否正常。
说明:1、本表适用于每天叉车的日常保养和一级保养维护,在交接班后时使用,叉车二、三级保养另填写《维修保养记录表》
2、本表的检查列入绩效管理内容之一,本表系《叉车作业管理规定》之附件,请按
规定执行。
3、本表由叉车驾驶人员随车自带并妥善保管,按自己使用日期填写。
每月指派一名检查人应不定期按本表内容复核。
每月末交部门负责人。
叉车维修保养记录
叉车定期自行检查记录表
叉车编号: 检查日期: 检查人员:
注:每月定期至少实施一次。
叉车风险点告知卡。
叉车培训方案计划表一、培训目标1.1 增强叉车操作员的技能和意识,提高叉车操作的安全性和效率;1.2 了解叉车的基本结构和原理,掌握叉车的操作技巧;1.3 培养叉车操作员的责任心和安全意识。
二、培训内容2.1 叉车基本知识2.1.1 叉车的分类和结构2.1.2 叉车的原理和工作原理2.1.3 叉车的安全设备和操作系统2.2 叉车操作技能2.2.1 叉车的操纵和操作2.2.2 载货和卸货的技巧2.2.3 叉车的转弯和倒车技巧2.3 叉车维护保养2.3.1 叉车的日常检查和维护2.3.2 叉车的常见故障和处理方法2.3.3 叉车的安全操作规范2.4 紧急情况处理2.4.1 火灾和爆炸的应急处理2.4.2 叉车事故的紧急处理2.4.3 叉车故障的紧急处理三、培训方式3.1 理论培训3.1.1 课堂讲解:由叉车专业人员对叉车基本知识、操作技能、维护保养和紧急情况处理等进行系统讲解;3.1.2 视频教学:播放叉车操作和维护保养的视频,帮助学员更直观地了解叉车的操作方法和技巧;3.1.3 书面材料:提供叉车操作手册和安全操作规范等书面材料,供学员参考和学习。
3.2 实践培训3.2.1 叉车实操:选取安全操作场地,由专业教练员进行现场指导,让学员亲自操作叉车,熟练掌握叉车的操作技巧;3.2.2 模拟演练:组织叉车紧急情况模拟演练,让学员了解和掌握紧急情况处理的方法;3.2.3 现场示范:组织学员参观叉车维修保养现场,让他们了解叉车的设备维护和保养流程。
四、培训时长4.1 基础知识和技能培训:3天4.2 实操和模拟演练培训:2天4.3 维护保养和紧急情况处理培训:1天五、培训考核5.1 理论考核:以闭卷考试的形式考察学员对叉车基本知识和操作技能的掌握程度;5.2 实操考核:组织学员进行叉车操作考核,测试其在实际场地中操作叉车的能力;5.3 综合考核:结合学员的理论和实操表现,综合评定其是否具备独立操作叉车的能力。
叉车教学培训计划表模板培训目标:通过本次培训,学员将掌握叉车的基本操作技能、安全知识和维护保养方法,提高叉车操作水平,确保叉车安全运行。
培训对象:叉车驾驶员、仓储管理人员、生产车间工作人员等需要操作叉车的人员。
培训时间:3天培训地点:公司培训中心或厂区内指定场地培训人员:公司安全管理人员、专业叉车教练、相关部门负责人等培训内容:第一天上午1. 叉车基本构造和工作原理介绍2. 叉车的种类和用途3. 叉车的操作要求和安全注意事项下午1. 叉车操作实操(空载状态)2. 叉车的起步、加减速、转弯等基本操作技巧3. 叉车的停车与停车时的注意事项第二天上午1. 叉车操作实操(配重状态)2. 各种货物的装卸操作技巧3. 安全防护设施的使用方法下午1. 叉车操作实操(特殊情况处理)2. 突发状况下的紧急操作3. 叉车日常维护保养方法第三天上午1. 叉车日常维护保养实操2. 叉车安全检查标准和方法3. 叉车事故案例分析与解决方案探讨下午1. 叉车操作技能考核2. 培训总结与评估3. 颁发培训证书培训方式:理论教学结合实际操作演练,通过学员的亲身操作学习和教练员的现场指导,以及案例分析和讨论的方式,达到理论和实践相结合的效果。
同时要求学员在培训过程中积极参与,主动学习,做到学以致用。
培训评估:通过理论测试和实际操作考核的方式进行评估,学员需达到指定的通过标准才能颁发培训证书。
培训考核标准:1. 理论测试达到及格标准(60分以上)2. 实际操作考核达到标准要求(包括空载和配重状态下的操作技能、应急处理能力和维护保养能力)培训后续跟踪:培训结束后,公司将对叉车驾驶员的操作情况进行跟踪检查,并定期进行安全知识培训,确保叉车的安全运行和操作人员的安全。
以上为叉车教学培训计划表,希望对您有所帮助。
叉车培训计划安排表模板培训名称:叉车操作培训培训目的:提高叉车操作员的技能和安全意识,确保安全高效的叉车操作培训时间:2021年6月1日-6月5日培训地点:公司车间培训目标:1. 熟练掌握叉车的基本操作技能,包括启动、转向、变速、举升、降低和刹车等。
2. 提高叉车操作员的安全意识,学习并遵守相关安全规定和操作规程。
3. 学习并了解叉车的日常维护和保养知识,确保叉车的良好状态。
培训内容:1. 叉车基本操作技能培训- 叉车启动和停车- 叉车转向和变速- 叉车举升和降低- 叉车货物装卸操作2. 叉车安全知识培训- 叉车的安全操作规程- 叉车事故案例分析及预防方法- 叉车的平衡和稳定操作3. 叉车日常维护和保养培训- 叉车的日常检查和保养- 叉车的故障处理与维修- 叉车的安全操作规程培训安排:日期上午(8:30-11:30)下午(1:30-4:30)6月1日(周一)叉车基本操作技能培训叉车基本操作技能培训6月2日(周二)叉车基本操作技能培训叉车安全知识培训6月3日(周三)叉车安全知识培训叉车日常维护和保养培训6月4日(周四)叉车日常维护和保养培训叉车实操练习6月5日(周五)叉车实操练习叉车考核及培训总结培训方法:1. 授课讲解:专业叉车操作老师进行课程讲解,结合实际操作演示,让学员更直观地了解叉车的操作技能和安全知识。
2. 练习实操:利用模拟场地和实际操纵叉车的场地进行实操训练,让学员熟练掌握叉车的操作技能。
3. 案例分析:通过实际的叉车安全事故案例分析,让学员了解事故的成因和预防措施,提高安全意识。
4. 考核评估:对学员进行叉车操作技能和安全知识考核,确保培训效果。
培训评估:1. 学员考核:对学员的学习情况和考核成绩进行评估,及时发现和解决学员的问题。
2. 培训反馈:收集学员对培训的反馈意见,并进行总结分析,为今后的叉车培训提供参考。
培训考核标准:1. 对叉车的基本操作技能掌握情况进行考核,包括启动、转向、变速、举升、降低和刹车等操作技能。
叉车培训计划表一、培训计划目的和背景叉车作为一种常见的工业设备,在许多行业中都扮演着重要的角色。
然而,叉车的操作安全性较低,一旦操作不当就会导致严重的事故。
因此,对叉车操作人员进行专业的培训十分必要。
本培训计划旨在提高叉车操作人员的操作技能,加强其安全意识,减少操作事故的发生。
二、培训对象叉车操作人员,包括新员工和在职员工。
三、培训内容1. 叉车的基本知识- 叉车的组成结构和原理- 叉车的类别和规格- 叉车的操作原理和注意事项2. 叉车的安全操作- 叉车的安全驾驶技能- 叉车的平稳操作和角度控制- 叉车的货物装卸和运输技巧- 叉车的紧急情况处理方法3. 叉车的维护和保养- 叉车的日常维护和检修- 叉车的故障诊断和排除- 叉车的润滑和加油保养四、培训形式1. 理论教学- 通过课堂讲解、PPT演示等方式,对叉车的基本知识和安全操作进行详细讲解。
- 强调叉车的操作规范和安全注意事项。
2. 实际操作- 在实地进行叉车的实际操作训练,包括装卸货物、堆垛和运输等多种操作环节。
- 操作训练会结合实际场景,模拟日常工作中可能遇到的各种情况,提高叉车操作人员的应变能力。
3. 模拟考试- 定期进行叉车操作的模拟考试,对操作人员的实际操作能力进行评估和检验。
五、培训计划时间安排本次叉车培训计划将安排为连续的五天培训班,每天8小时的培训时间。
具体时间安排如下:- 第一天:理论教学,基础知识和安全操作讲解- 第二天:理论教学,实际操作技能训练- 第三天:理论教学,操作技能训练和综合练习- 第四天:实际操作训练和模拟考试- 第五天:模拟考试和结业典礼培训结束后,将对培训人员进行考核评定,合格者颁发叉车操作证书。
六、培训师资力量本次叉车培训将由具有丰富叉车操作和教学经验的专业培训师担任,保证培训内容的全面性和专业性。
七、培训场地和设备培训场地将会提供适当的叉车设备和模拟作业场景,确保培训人员能够接受全面的操作训练。
八、培训效果监测培训结束后,将对培训人员的叉车操作能力进行定期跟踪和监测,确保培训效果能够得到有效落实。