最新产品质量可追溯制度流程教学教材
- 格式:doc
- 大小:44.50 KB
- 文档页数:4
产品质量追溯管理制度一、总则为了有效管理产品质量追溯工作,确保产品质量和安全,提高产品管理水平,制定本制度。
二、范围本制度适用于公司生产的所有产品的质量追溯管理工作。
三、追溯目的1. 为了控制产品质量和确保产品安全,必须能够追溯产品的生产过程和原材料来源,发现质量问题的原因和责任人。
2. 为了保护消费者的合法权益,提高产品质量,确保产品符合法律法规的要求。
3. 为了提高公司生产经营管理水平,促进企业经营的可持续发展。
四、追溯计划1. 建立并完善产品生产过程和原材料的追溯档案和记录,包括产品研发、设计、生产、加工、包装、贮存等全过程。
2. 制定产品质量追溯计划,包括追溯目标、追溯范围、时间节点、责任人等内容,确保产品生产过程和原材料的全面追溯。
3. 根据产品的特点和市场需求,制定相应的追溯方案和追溯标准,包括追溯的方法、手段和技术。
4. 开展追溯实施和监督,定期检查追溯档案和追溯记录,确保追溯工作的质量和效果。
五、追溯责任1. 生产部门负责制定追溯计划和实施方案,确保产品生产过程和原材料的追溯工作。
2. 质检部门负责监督追溯工作的实施,定期检查追溯档案和追溯记录,发现质量问题及时处理。
3. 销售部门负责收集和整理产品质量投诉和召回问题,协助质检部门进行追溯调查和处理。
4. 追溯工作质量不合格的责任人,依据公司相关制度和政策予以追责。
六、追溯技术和手段1. 根据产品的特点和追溯需要,利用现代信息技术和手段,确定追溯的方法和技术。
2. 采用条码、RFID等技术,对产品进行标识和追踪,实现产品生产、流通和消费全过程的追溯管理。
3. 制定产品追溯信息系统,实现产品信息的查询和追溯,确保产品信息的真实、完整和可靠。
4. 建立追溯数据中心,集中管理产品追溯信息,为产品追溯调查和处理提供技术支持。
七、追溯过程1. 根据追溯计划和追溯标准,对产品生产过程和原材料来源进行追溯调查和核实。
2. 根据追溯结果,发现产品质量问题的原因和责任人,进行追责和整改。
北京城建集团有限责任公司质量管理制度之十一质量责任可追溯制度第一章总则第一条为规范北京城建集团建设工程质量管理,提升集团各单位质量责任意识,强化质量责任追究,保证建设工程质量,制定本制度。
第二条本制度依据《中华人民共和国建筑法》、《建设工程质量管理条例》、建办质[2014]44号《关于严格落实建筑工程质量终身责任承诺制的通知》、建质[2014]124号《关于印发<建筑工程五方责任主体项目负责人质量终身责任追究暂行办法>的通知》、《建筑工程施工质量验收统一标准》(GB50300)、《北京市建设工程质量条例》、京建法[2015]1号《北京市建设工程质量终身责任承诺制实施办法》、京建发[2018]295号《关于开展建设工程质量管理标准化工作的指导意见》、京建发〔2021〕29号《关于加强工程质量影像追溯管理的通知》等国家、行业、地方和集团建设工程现行相关规定,并结合集团工程项目管理实际情况制定。
第三条集团公司及全资、控股子公司工程项目应遵守本制度,参股子公司参照执行。
第二章建设前期的质量责任追溯第四条项目开工前,建设、勘察、设计、施工总承包、监理单位的法定代表人、项目负责人应根据行业主管部门要求签署《法定代表人授权书》(以下简称《授权书》)、《工程质量终身责任承诺书》(以下简称《承诺书》),并完成在相关机构和建设单位的备案。
建设、勘察、设计、施工总承包、监理单位为联合体时,组成联合体的单位应当联合签署《授权书》,明确该建设工程的项目负责人,并联合签署《承诺书》,同时联合体各方应签订关于工程施工及质量责任界限划分的告知书,明确联合体内各方的质量责任。
各单位法人及被授权的项目负责人,对该建设工程质量承担终身责任,并依据国家和当地有关法律法规及标准规范履行职责。
第五条为建设工程主体或者承重结构供应预拌混凝土、预制混凝土构件、钢筋的企业法定代表人,也应根据行业主管部门要求签署《承诺书》,并完成在相关机构和建设单位的备案。
(完整版)质量可追溯性管理程序质量可追溯性管理程序1. 引言本文档旨在阐述质量可追溯性的管理程序,确保产品或服务的质量能够追溯到原始数据和过程,以满足相关要求和标准。
2. 质量可追溯性的定义质量可追溯性是指能够在整个产品生命周期中,准确地追溯产品的质量特性、原材料和工艺过程的能力。
通过确保每个环节都有详细可信的数据记录,可以追踪产品的来源、生产过程和交付情况,以实现质量的控制和改进。
3. 管理程序概述为确保质量可追溯性,以下是管理程序的概述:3.1 过程规范制定适当的过程规范,明确规定产品质量的要求、流程和控制措施。
3.2 数据记录与存档建立完善的数据记录与存档系统,确保所有与产品或服务质量相关的数据都能够被准确记录和存储。
3.3 标识与追溯码为每个产品或服务分配唯一的标识符或追溯码,便于追踪产品的来源、批次信息和生产过程。
3.4 质量检验与审批在关键质量控制点进行质量检验和审批,确保产品或服务符合要求和标准。
3.5 报告与反馈制定相应的报告与反馈机制,及时汇报产品或服务的质量情况和改进建议。
4. 实施步骤为了有效实施质量可追溯性管理程序,以下是步骤指南:4.1 制定详细计划明确质量可追溯性管理的目标和时间表,制定详细的实施计划。
4.2 培训与意识提升对相关人员进行培训,提高他们对质量可追溯性的认识和意识。
4.3 实施与监控按照管理程序要求,逐步实施并监控质量可追溯性管理程序的各项措施。
4.4 检查与审计定期检查和审计质量可追溯性管理程序的执行情况,确保其有效性和符合性。
4.5 持续改进根据检查和审计结果,不断改进质量可追溯性管理程序,提升质量管理水平。
5. 结论质量可追溯性管理程序是确保产品或服务质量的重要手段,通过明确的规范和实施步骤,可以有效追溯产品的质量特性和生产过程。
通过持续改进,提升质量管理水平,为客户提供更优质的产品或服务。
以上是质量可追溯性管理程序的完整版文档。
产品可追溯性及摆放培训教材一、定义产品标识:识别产品特定名称、规格、型号和来源、批次等标志或标记。
状态标识:为正确区分和管理产品所处的生产及检验状态,并以适宜的方式标识,以标明产品当状态。
可追溯性:通过记载的标识,追溯产品历史、应用情况或所处场所的能力。
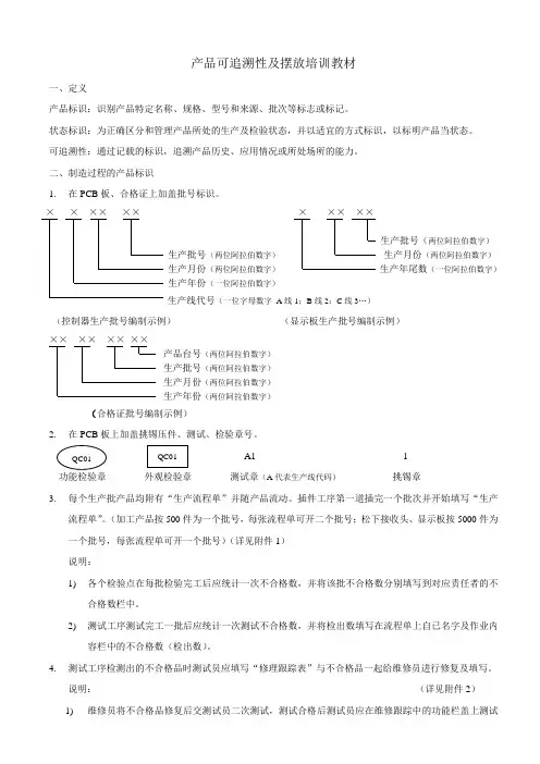
二、制造过程的产品标识1. 在PCB 板、合格证上加盖批号标识。
× × ×× ×× × ×× ××生产批号(两位阿拉伯数字) 生产批号(两位阿拉伯数字) 生产月份(两位阿拉伯数字) 生产月份(两位阿拉伯数字) 生产年尾数(一位阿拉伯数字) 生产年份(一位阿拉伯数字)生产线代号(一位字母数字 A 线1;B 线2;C 线3…)(控制器生产批号编制示例) (显示板生产批号编制示例)×× ×× ×× ××产品台号(两位阿拉伯数字)生产批号(两位阿拉伯数字)生产月份(两位阿拉伯数字)生产年份(两位阿拉伯数字)(合格证批号编制示例)2. 在PCB 板上加盖挑锡压件、测试、检验章号。
A1 1功能检验章 外观检验章 测试章(A 代表生产线代码) 挑锡章3. 每个生产批产品均附有“生产流程单”并随产品流动。
插件工序第一道插完一个批次并开始填写“生产流程单”。
(加工产品按500件为一个批号,每张流程单可开二个批号;松下接收头、显示板按5000件为一个批号,每张流程单可开一个批号)(详见附件1)说明:1) 各个检验点在每批检验完工后应统计一次不合格数,并将该批不合格数分别填写到对应责任者的不合格数栏中。
2) 测试工序测试完工一批后应统计一次测试不合格数,并将检出数填写在流程单上自已名字及作业内容栏中的不合格数(检出数)。
4. 测试工序检测出的不合格品时测试员应填写“修理跟踪表”与不合格品一起给维修员进行修复及填写。
产品追溯制度第一节产品质量可追溯性控制程序1目的以适宜的方法标识产品,确定产品的类别及检验状态, 有需要时实现追溯。
2范围产品接收、生产、交付使用的全过程,若顾客另有规定时,按顾客的规定处理。
3职责3.1生产部门负责产品标识与追溯的归口管理;3.2综合管理部负责检验状态的标识;3.3仓管人员负责对物资进货与贮存的标识;3.4各生产环节人员负责实施生产过程辖区内产品的标识与追溯;3.5出厂包装人员负责对成品的标识与追溯;3.6 销售人员负责对客户所有信息进行记录。
4定义4.1标识:利用标签、颜色等方式让操作人员清楚了解产品的规格以及检验状态。
4.2产品标识:是识别产品特定特性或状态的标志或标记,包括生产产品和运作过程中的采购产品、中间产品、最终产品和到交付客户使用的产品。
4.3产品的状态标识:在产品实现以及生产和服务运作过程中,为了区别不同状态的产品,对产品的测量状态(待检、合格、不合格、待判定)及加工状态(已加工、待加工)所作的标识。
5工作程序5.1产品追溯流程图(见后附)5.2产品标识及产品的状态标识5.2.1内容:产品属性:品名、规格型号、编号、加工日期、数量等;检验和测试状态:待验、合格、不合格等,检验测试人员、检验测试日期、批次等;加工状态:原材料、外购品、在制品、半成品、成品等。
5.2.2标识的方式:可采用挂牌、贴签、分区域等方式,并配合表格记录。
;5.2.3公司可追溯的标识分为三个环节进行,原材料的标识统一称为“原材料批号”;过程加工的标识统一称为“生产批号”;成品标识统一称为“出厂批次号”5.3采购品的标识5.3.1 原材料、外协外购产品到公司后,采购人员或需采购部门相关人员根据供方的送货单进行清点收货,进行初步验货;5.3.2验货后检验合格的入库在验货根据各部门对产品具体的标准要求和方法实施检验和试验;验货检验合格的入库在指定区域存放,分区域存放无法达到识别要求的,配合进行产品标识,标识内容包括:批次号、物料编号、物料名称、入库数量、入库日期、生产厂家等。
>
产品质量可追溯性管理制度
1 目的
对公司的产品生产的全过程,包括从原辅材料的接收、工序生产、成品入库,直至出厂,都保持相应的记录,以确保在需要时对产品质量的形成过程实现追溯;规定相应检验状态的标识种类和管理办法,确保合格的原料才能使用,合格的成品才能出厂。
2 适用范围
本程序适用于公司的产品,包括进货物资,生产过程,直至产品出厂全过程标识的控制。
3 产品质量追溯程序
各工序生产记录以及检验记录和统计报表都应明确填写产品编号、生产日期、生产批号、数量等,以便于追溯。
当需要对产品质量进行追溯时,根据成品包装标签上的生产批号、产品编号,可追溯到产品生产过程的全部资料。
【
各有关部门的相应人员应积极配合,提供相应依据,找出质量问题的原因,提出解决问题的建议。
采取现场调查,召开质量调查分析会等措施,汇总各部门的意见和建议,提出解决问题的报告,上报厂长批准后反馈给各相关部门处理解决。
4相关记录
原、辅收货单及使用台账
各有关生产记录和检验单
成品标签。
产品质量追溯操作规程一、引言产品质量是企业永恒的追求,而追溯机制则是确保产品质量的重要手段之一。
本文将详细介绍产品质量追溯的操作规程,以确保产品质量的可追溯性和管理的高效性。
二、适用范围本操作规程适用于公司内所有生产与销售的产品,包括但不限于xxx产品。
三、追溯流程为确保产品质量的追溯能够有效执行,以下是追溯流程的具体步骤:1. 信息采集:在产品的生产和销售过程中,相关人员需负责采集和记录产品的关键信息,包括原材料的来源和供应商、生产线的操作记录、质检结果及销售渠道。
2. 标识与记录:在每个生产环节中,负责人员应当将产品标识,确保每个产品都能够追溯到具体的生产批次和相关信息。
同时,应当建立符合标准的记录表格,详细记录关键信息。
3. 追踪与查询:当发生产品质量问题或用户投诉时,追溯团队应当及时启动追踪程序。
根据产品标识和记录表格,对涉事产品的生产和销售过程进行系统查询,并收集相关数据。
4. 数据分析:在获取相关数据后,追溯团队应当进行数据分析。
通过系统统计和对比不同批次的相关数据,寻找可能的问题源头,形成初步的追溯结果。
5. 核实与处理:根据初步追溯结果,追溯团队需进一步核实问题的原因,并采取相应的补救措施。
遵循公司相关政策和标准,对涉事产品进行合理处理和回溯。
6. 整改与预防:在解决质量问题后,公司应当对整个追溯过程进行总结和评估,提出改进意见,并在相应环节加强控制,以预防类似问题再次发生。
四、关键要求1. 标识清晰:每个产品都应当有独特的标识,以确保追溯的准确性和可行性。
2. 数据可靠:相关信息和记录需准确、完整,并确保其真实可信。
3. 记录保留:相关信息和记录应妥善保存,按照公司规定的周期保留,并确保其易于检索。
4. 团队协作:相关部门应形成追溯团队,明确追溯的职责和权限,并加强团队间的信息沟通与协作。
五、操作规范1. 培训与意识:公司应定期组织追溯操作培训,提高员工的追溯意识和操作能力。
2. 监督与审核:公司应建立追溯操作的监督与审核机制,确保操作的正确性和有效性。
产品质量可追溯性程序1 目的通过对生产和服务运作全过程中产品和产品状态的标识,达到防止混淆和误用及在需要时可追溯的目的。
2 范围适用于对采购产品、中间产品、最终产品和销售终端的产品标识及产品的状态标识。
3 引用标准无4 定义4.1 标识:利用标签、颜色等方式让操作人员清楚了解产品的规格以及检验状态动作。
4.2 产品标识:是识别产品特定特性或状态的标志或标记,包括生产产品和运作过程中的采购产品、中间产品、最终产品和到客户家里的产品。
4.3 产品的状态标识:在产品实现以及生产和服务运作过程中,为了区别不同状态的产品,对产品的测量状态(待检、合格、不合格、待判定)及加工状态(已加工、待加工)所作的标识。
5 职责5.1 品管部负责采购物料和最终产品的检验及试验状态的标识;负责相关标签、印章等的修订、制作和管理;相关部门配合执行。
5.2 制造部车间、仓库负责所属区域内产品的标识,负责不同产品状态的区域划分及所有标识的维护,负责区分过程产品的检验和试验状态的标识。
5.3 销售负责对客户所有的信息进行记录(包括出厂批次号)。
6 工作程序6.1 产品标识6.1.1 技术部、制造部在产品实现过程的相应技术文件中应标明产品标识的内容、标识方法和标识部位或区域;6.1.2 计划部下达任务的同时要明确产品批次标识或可追溯性要求。
6.1.3 公司可追溯的唯一标识分为三个环节进行,原材料的标识统一称为“原材料批号”;过程加工的标识统一称为“生产批号”;成品标识统一称为“出厂批次号”。
6.2 产品的状态标识6.2.1 状态分类:6.2.1.1 测量状态1)待检状态 2)合格 3)不合格 4)待判定6.2.1.2 加工状态1)已加工 2)待加工6.2.1.3 状态标识的形成可用印章、工序卡、标签、颜色、区域等方法进行。
6.3 产品的可追溯性6.3.1 当合格规定有可追溯性要求时,销售部、生产部、技质部、外贸部等与顾客商定追溯的起点与终点,并在合同上予以明确标识的表示方式。
产品质量追溯管理制度为保证本公司的食品安全质量,保证人民群众的生命健康,保护消费者的合法权益,依据《中华人民共和国食品安全法》和《中华人民共和国食品安全法实施条例》的有关规定,特制定本制度。
第一条该制度是本公司为加强食品安全的内部管理制度,本公司所有员工必须自觉遵守。
第二条通过建立产品质量追溯体系,以便准确及时的实现原料与产品间的追溯,查找到不合格品,确保出现不合格时能及时召回或阻止其转序、出公司。
通过追溯,可用查阅该批产品的相关记录和生产标识等手段分析不合格的原因,采取有效控制措施。
第三条按照以下程序对该公司的产品进行有效追溯。
(一)原材料标识:采购部门采购的原辅材料应建立进货查验记录制度:如实记录食品原料、食品添加剂、食品相关产品的名称、规格、数量、供货者的名称及联系方式、进货日期等内容。
在每次进货时,由品管部检验合格后,库管员填写‘物料卡’标注产品的名称、规格、进货日期等内容,建立台帐,方可入库,并如实记录‘原料进货记录’;办理原料出库时,应立即更改‘物料卡’,如实填写‘原料出库记录’。
(二)半成品标识:各车间在生产过程中对相关工序行标识,生产的单个产品必须包含打码日期及机台号,单箱产品应有相关人员的标识信息,当半成品料进入包装车间前,由原材料加工车间人员根据产品的名称、规格/型号、生产日期进行标识,如某工序不能对产品本身标识的情况,要做好相应的记录;(三)成品标识:车间按生产计划完成后,由质检科检验合格,库管员办理入库手续,填写‘物料卡’标注产品的名称、规格、生产日期等内容。
出库时,库管员做好相应记录,如实记录产品的名称、规格、数量、生产日期、生产批号、检验合格证号、购货者名称及联系方式等内容。
第四条当检验或销售的产品出现质量问题时追溯路径为:内部检验或客户信息反馈产品有质量问题——产品生产日期——产品批次——产品批量——成品出库记录——生产过程中的标识——产品包装记录——半成品料加工记录——原材料出库记录——原材料存放位置——原料来源。
产品质量追溯与反馈处理制度一、前言为确保公司产品的质量和信誉,加强对产品生产过程的监控和掌控,以及及时处理产品质量问题,订立本《产品质量追溯与反馈处理制度》。
二、适用范围本制度适用于我公司全部生产环节,包含原材料子采购、生产制造、质量监控、销售与售后服务等。
三、质量追溯管理1. 质量追溯责任1.1 生产部门负责人应指定专人负责质量追溯相关工作,确保其有效实施。
1.2 质量追溯人员应熟识质量追溯流程与方法,并具备必需的技能和知识。
1.3 各生产环节涉及的关键数据、批次信息和追溯需求应进行明确记录和存档。
2. 质量追溯流程2.1 产品质量问题发现后,生产部门负责人应立刻组织相关人员进行调查和追溯。
2.2 质量追溯团队应依照规定的流程和方法进行追溯活动,包含收集、整理、分析和判定。
2.3 完成质量追溯后,应及时将追溯结果报告提交给相关部门,并做好相关记录与存档。
3. 质量追溯要求3.1 全部涉及质量追溯的数据和信息应真实、准确、完整地记录和存档,包含但不限于原材料子批次、生产工艺、操作人员等。
3.2 追溯团队应依据实际情况订立合理的追溯深度和范围,确保追溯能够掩盖整个生产过程。
3.3 质量追溯活动中涉及到的数据与信息应依照相关法律法规和保密要求进行保护。
四、质量反馈处理1. 质量反馈渠道1.1 员工可以通过内部工作平台、匿名举报渠道或直接向上级管理人员供应质量反馈。
1.2 客户可以通过客户服务热线、邮件或售后服务中心等渠道供应质量反馈。
2. 质量反馈处理流程2.1 在接收到质量反馈后,相关部门应及时进行登记、分类和评估,确保反馈信息的真实性和有效性。
2.2 相关部门应依照事先订立的处理流程对质量反馈进行处理,并记录处理过程与结果。
2.3 对于重点质量问题,应立刻启动应急处理流程,快速采取措施进行矫正和改进。
3. 质量反馈处理要求3.1 质量反馈的处理应及时、准确、公正,并依法保护相关举报人的合法权益。
产品可追溯制度流程背景在现代社会中,产品质量和安全问题备受关注。
为了保证产品的质量和可追溯性,建立和实施产品可追溯制度是必要的。
产品可追溯制度通过追踪和记录产品从原材料到生产和销售的整个过程,确保产品的质量和安全。
目的本文档旨在给出产品可追溯制度的流程,以帮助组织建立有效的制度,确保产品质量和安全,并提供追溯能力以应对潜在的问题。
流程概述1. 确定追溯需求:明确产品追溯的目的和要求,例如追溯的信息范围、时间跨度和追溯的节点等。
2. 建立追溯框架:根据追溯需求,制定适用的追溯框架,包括追溯标识、追溯系统和追溯记录等。
3. 设计追溯系统:制定追溯系统的结构和功能,确保能够记录和管理追溯信息,包括原材料信息、生产过程记录、质量检验数据等。
4. 标识和记录追溯信息:在产品生命周期的各个环节进行标识和记录追溯信息,确保信息的完整性和准确性。
5. 追溯信息查询和分析:建立追溯信息查询和分析的能力,使得在需要进行追溯时能够迅速定位相关信息并进行溯源分析。
6. 追溯后续措施:根据追溯结果采取相应的后续措施,如责任追究、产品召回、质量改进等,确保问题得到解决和防止类似问题再次发生。
相关要点- 建立严格的原材料供应链管理,确保原材料的质量可追溯。
- 搭建统一的追溯系统,确保信息的交流和共享。
- 定期进行追溯系统的审核和改进,保证系统的有效性和健全性。
- 培训员工,提高其追溯意识和操作能力。
- 针对不同产品和行业的特点,制定相应的追溯流程和标准。
- 与相关部门和机构合作,共同推进产品可追溯制度的建立和实施。
结论通过建立和实施产品可追溯制度,组织能够确保产品的质量和安全,并在发生问题时能够及时追溯和解决。
在制定产品可追溯制度时,需要考虑到追溯需求、追溯框架和追溯系统等关键要素,并与相关利益方合作,共同推动制度的落地和执行。
产品质量追溯与处理制度一、背景与目的为了确保公司产品的质量和服务的稳定可靠,规范产品质量追溯与处理流程,有效管理产品质量问题的发生和处理,本制度应运而生。
二、适用范围本制度适用于公司全部产品的研发、生产、销售等相关岗位,全部员工必需遵守该制度。
三、产品质量追溯流程1.产品质量发现–当发现产品质量问题时,员工应立刻向所属部门负责人报告,并将问题进行认真描述。
2.问题记录与分析–相关部门应立刻记录产品质量问题,并组织专业团队进行分析,查明问题的原因和影响。
–分析结果应认真记录,包含问题描述、原因分析、影响范围、责任追溯等内容。
3.客户反馈–如产品质量问题已经交付给客户,相关部门应及时与客户沟通,了解客户对问题的反馈和影响。
–相关部门还应建立客户投诉反馈渠道,及时收集客户反馈并记录。
4.召开质量会议–依据产品质量问题的严重程度,相关部门应召开质量会议,邀请相关人员参加,共同讨论问题的原因和解决方法。
–会议记录应认真记录,包含参会人员、讨论内容、决策结果等。
5.订立矫正措施–质量会议决议矫正措施后,相关部门应及时订立具体的矫正措施方案。
–矫正措施方案应明确责任人、时间节点、实施步骤、预期效果等要素。
6.矫正措施执行–相关部门依照矫正措施方案的要求,督促责任人定时执行,确保问题能够得到有效解决。
7.评估与总结–矫正措施执行完毕后,相关部门应进行评估,并订立整改报告,对问题的解决情况进行总结。
四、责任与义务1.公司各级管理人员有责任保证产品质量追溯的及时和准确性,通过有效管理和监督,降低质量问题的发生率。
2.员工有义务乐观参加产品质量追溯工作,并及时向上级报告问题。
3.相关团队成员应搭配质量追溯工作,供应必需的信息和技术支持。
4.质量评估与矫正措施执行结果的监测,由特地指派的质量掌控团队负责。
5.若发现某一产品质量问题严重或频繁发生,公司将对相关部门进行严厉处理,包含但不限于追究责任、停止该产品生产等。
五、违规与惩罚1.对于未依照规定流程上报产品质量问题的员工,将予以相应的纪律处分。
(详细版)产品可追溯性管理程序1. 引言产品可追溯性是指能够追踪产品从原材料到最终产品的整个生产过程的能力。
本管理程序旨在确保我们的产品在整个生产过程中都能保持可追溯性,以便在必要时能够迅速定位和纠正问题,提高产品质量,满足客户需求。
2. 程序目的- 确保产品质量和安全性- 提高客户信任度- 符合相关法规和标准要求- 持续改进生产过程3. 范围本管理程序适用于公司所有产品生产线,包括原材料采购、生产加工、包装、储存、运输和销售等环节。
4. 职责- 质量管理部门:负责制定和更新可追溯性管理程序,监督和检查各环节的执行情况。
- 生产部门:负责实施生产过程中的可追溯性措施,确保产品标识清晰、准确。
- 采购部门:负责原材料的供应商管理,确保原材料的可追溯性。
- 物流部门:负责产品的运输和储存管理,确保产品在运输过程中的可追溯性。
5. 程序内容5.1 原材料采购- 采购部门应选择有良好信誉的供应商,并进行供应商评估。
- 要求供应商提供原材料的质量证明文件,确保原材料的可追溯性。
- 原材料进厂后,应进行验收和检验,确保原材料质量符合要求。
5.2 生产加工- 生产部门应根据生产计划和原材料批号,制定生产批次记录。
- 在生产过程中,应确保产品的标识清晰、准确,便于追溯。
- 生产设备应进行定期维护和校准,确保生产过程的稳定性。
5.3 包装- 包装部门应根据产品批号和规格,进行合理的包装设计。
- 确保包装上的标识清晰、准确,便于追溯。
5.4 储存和运输- 物流部门应根据产品的特性和要求,进行合理的储存和运输安排。
- 确保产品在储存和运输过程中的温度、湿度等条件符合要求。
- 运输过程中的记录应详细记录,以便追溯。
5.5 销售和售后服务- 销售部门应根据客户需求和产品批号,进行合理的销售安排。
- 售后部门应建立客户反馈和投诉处理机制,及时处理客户问题。
6. 文件和记录- 本管理程序应有详细的文件记录,包括相关法规和标准、可追溯性流程、操作指南等。
产品质量可追溯制度一、制度背景随着市场竞争的不断加剧,产品质量的重要性愈发凸显。
消费者对产品的质量要求也越来越高,质量不合格的产品不仅会影响企业的声誉,还可能导致严重的质量事故。
因此,建立一套完善的产品质量可追溯制度是企业必不可少的重要举措。
二、制度目的本制度的目的是为了确保产品的质量符合法律法规的要求,满足消费者的需求,提高企业的竞争力。
三、适用范围本制度适用于所有生产、加工、存储、运输和销售产品的企业。
四、质量追溯的原则1.责任追溯原则:产品质量的责任追溯由上至下,确保责任明确,追责到位。
2.全程追溯原则:对产品的每一个环节都进行质量追溯,确保产品质量的全程可控。
3.信息追溯原则:通过信息化手段记录产品的生产、质检、运输等环节的信息,实现可追溯。
4.事实追溯原则:通过事实数据真实可信的追溯历程,实现质量追踪。
五、制度要求1.建立健全质量管理体系,明确质量责任人和质量控制点。
2.制定质量追溯管理制度和操作规程,确保落实到位。
3.完善质量信息化系统,实现质量数据的记录和追溯。
4.加强质量培训,提高员工的质量意识和操作技能。
5.建立健全质量风险评估和控制机制,预防质量事故的发生。
6.定期开展质量追溯工作,及时发现并整改质量问题。
七、质量追溯流程1.原材料采购:对采购的原材料进行质量检验,并建立原材料台账,记录供应商信息和质量检验结果。
2.生产加工:生产过程中严格按照质量管理体系要求进行操作,对每个环节进行记录和检验。
3.质检监控:在生产完成后对产品进行质量检验,并记录检验结果。
4.包装装箱:对产品进行包装和装箱时,记录产品的批次和相关信息。
5.运输配送:对产品的运输过程进行监控,并记录产品的到达时间和条件。
6.售后服务:对售后服务过程进行记录,及时处理客户的投诉和建议。
八、质量追溯的作用1.提高产品质量:通过质量追溯制度可以及时发现和处理产品质量问题,提高产品的质量水平。
2.增强企业信誉:建立质量追溯制度可以增强企业的信誉和竞争力。
产品质量追溯管理制度1. 引言2. 概念与目的2.1 概念产品质量追溯管理制度是指企业为了确保产品质量、保证产品安全和提高产品管理水平而建立的一套完善的制度和流程。
它通过追溯产品的生产、加工、运输和销售过程,帮助企业及其供应链迅速发现并解决产品质量问题。
2.2 目的追踪产品质量通过建立追溯管理系统,企业能够准确追踪产品的生产和流程,及时发现和解决可能存在的质量问题。
保障产品安全质量追溯管理制度能够有效防止不合格产品混入市场,保护消费者的权益和安全。
提高管理水平通过有效的质量追溯管理制度,企业能够全面了解产品的生产过程和产能,进而提高生产和管理的水平。
3. 流程和实施步骤3.1 流程1. 指定责任人和团队企业应指定专门的质量追溯责任人和团队,负责制定和执行追溯管理制度。
2. 制定追溯计划责任人和团队应制定详细的追溯计划,包括追溯的范围、流程和时间表。
3. 建立追溯系统根据追溯计划,企业应建立相应的追溯系统,包括追溯数据的采集、存储和查询功能。
4. 追溯产品信息通过追溯系统,企业应追溯产品的信息,包括原材料来源、生产过程、流通渠道、销售记录等。
5. 发现和解决问题通过对产品信息的追溯,企业能够发现潜在的质量问题,并及时采取相应的措施进行解决。
6. 完善追溯制度企业应根据实际情况,不断改进和完善追溯管理制度,确保其能够有效地发挥作用。
3.2 实施步骤1. 审查现有质量管理制度企业应首先对现有的质量管理制度进行审查,了解其不足之处和存在的问题。
2. 制定追溯计划根据对现有制度的审查,企业应制定详细的追溯计划,包括目标、范围、流程和时间表等。
3. 建立追溯系统根据追溯计划,企业可以选择合适的追溯系统,可以是基于物联网技术的追溯平台,也可以是自主开发的追溯系统。
4. 培训员工企业应培训相关员工,使其了解质量追溯管理制度的重要性和相关操作方法。
5. 启动追溯系统在培训完成后,企业可以正式启动追溯系统,开始实施追溯管理制度。
( 安全管理 )单位:_________________________姓名:_________________________日期:_________________________精品文档 / Word文档 / 文字可改产品质量追溯管理办法(最新版)Safety management is an important part of production management. Safety and production are inthe implementation process产品质量追溯管理办法(最新版)为加强农产品质量追溯管理,依据《中华人民共和国农产品质量安全法》、《中华人民共和国食品安全法》和其他相关法律法规,制定本办法。
一、加强产地环境管理,推行产地编码指导建立产地编码,建立生产者农产品质量安全责任制度。
以农业企业和农民专业合作经济组织为主体,分散种植户为补充,建立有机农产品产地编码和生产者基础信息,从源头做到农产品身份可识别、可追溯。
二、推行良好农业规范及种植标准化,建立农产品质量保障体系按照标准化生产要求,大力推广良好农业规范及种植标准化,规范生产过程,建立健全各种生产档案,包括生产(经营)者编号、生产(经营)者名称,种植品种、肥料施用、农药施用、添加剂使用、收获和其他田间作业记录以及产品检测等相关信息,落实质量管理责任制,建立产品质量保障体系。
三、加大产地产品监测力度,建立合格产品准出制度加强产品监测,并建立产品合格把关制度,完善不合格产品的处理措施。
产品进入批发市场、储运各环节要有追溯记录。
四、规范包装标识,建立相应的备案制度对公司的产品,建立规范的包装标识。
包装标识须标明产品名称、产地编码、生产日期、保质期、生产者、产品认证情况等信息,并建立详细的备案管理,确保产品流向可追踪。
五、建立质量安全追溯与监管信息平台根据工作推进情况,建立相应的农产品质量安全追溯与监管管理系统,建立农产品生产档案数据库、农产品检测数据库、以及销售流向数据库,通过互联网,实现农产品质量安全全程可追溯管理。
产品质量可追溯制度
1目的
为了防止在产品的生产过程中混淆及误用产品,更好的分析不合格产品并采取纠正措施,以实现必要的产品可追溯性,确保产品能追溯至其原始状态。
2范围
适用于本厂采购、生产、交付的产品。
3定义
可追溯性是指通过记录来追溯产品的生产历史。
4职责
4.1供方:负责对提交给本厂的产品进行标识。
4.2供应科:
4.2.1负责监督供方对提交给本厂的产品进行标识。
4.2.2负责标识购进物品的产品属性。
4.3质检科:
4.3.1负责标识经检测后产品的合格状态。
4.3.2负责监督生产现场、仓库物品的标识情况。
4.3.3负责追溯产品的形成过程。
4.4生产车间:负责标识使用中的原料及生产过程中的产品。
5管理方法
5.1产品标识的内容:产品的名称、批号、数量、状态、检验人员、
检验时间等。
5.2标识的方式:可采用分区域挂牌、贴标签等方式。
5.3进厂原料的标识
5.3.1如供方所提交产品的标识已清楚的标明了产品的属性,且该原料容易区别、辨认,本厂可以不再对该物品进行标识。
否则仓库需采用分区域、张贴标签等方式对不同品种、规格、型号的材料进行标识。
5.3.2原料的检测状态的标识:原料在未检验之前需放入规定的区域,标明“待检”。
检验后合格品入库,按照5.1及5.2的要求进行标识。
不合格品放置在特定区域内并做好退货准备或相关处理工作。
5.4在制品的标识
5.4.1如在生产过程中产品本身的属性及批号等无法识别又要转入下道工序时,应对产品进行标识。
5.4.2在制品检测状态的标识:在未进行规定的检测之前须标明“待检”标识,并存放于规定的区域。
检测之后由质检人员在标识牌上标明产品的状态并签名,不合格品放入规定的区域存放、标识,由质检科进行后序的跟踪处理。
5.5成品的标识
5.5.1未进行检测的成品须标明“待检”标识,并存放于规定的待检区域。
检测之后由质检人员发放产品合格证,在合格证上需标明产品的名称、批号、规格、执行标准、检测人、生产单位等。
经检测后不合格品放入“不合格品”区域存放,由质检科进行后序的跟踪处理。
5.6标识的保持管理
5.6.1产品的标识不能因搬运、雨淋、管理不善而消失,以防止产品误用或不合格品流入下道工序,以保持其可追溯性。
5.6.2发现标识不清或无标识的产品,应立即向标识的责任部门或质检科报告,产品暂停流转、使用,直到重新检测、确认、标识后方可流转和使用。
5.6.3质检科负责对产品的监视和测量状态的标识进行管理,各相关职能部门应按照有关程序的规定作好标识,无状态标识的产品不得使用、转入下道工序或出厂。
5.6.4各相关职能部门对标识用标签、标识牌等应有专人保管,不得随意放置。
5.7可追溯性:本厂产品的追溯要求追溯产品所使用原料的名称、规格、型号、批号、相关作业人员及生产环境、生产过程工艺的控制情况。
因此,所有工序的生产应在生产过程控制记录上详细注明相关信息。
八年级上册生物单元测试卷易错题汇总一.单项选择题
1.水中的氧进入鲤鱼体内的途径是()
A.水﹣﹣口腔﹣﹣鳃﹣﹣血液B.水﹣﹣鼻腔﹣﹣鳃﹣﹣血液
C.水﹣﹣鳃﹣﹣血液﹣﹣口腔D.水﹣﹣口腔﹣﹣血液﹣﹣鳃
2.下列哪项不是节肢动物的特征()
A.身体由许多体节构成B.身体分为头、胸、腹三部分
C.体表有外骨骼D.足和触角分节
3.能正确表示动物与其气体交换部位的是()
①蚯蚓﹣﹣﹣体壁②鲫鱼﹣﹣﹣鳃③家鸽﹣﹣﹣肺和气囊④青蛙﹣﹣﹣鳃和皮肤⑤家兔﹣﹣﹣肺.
A.①③⑤B.①②④C.①②⑤D.②③⑤
4.水生软体动物完成气体交换的结构是()
A.鳃B.肺C.外套膜D.入水管和出水管5.河蚌是软体动物,它的运动器官是()
A.伪足B.腕足C.斧足D.腹足
6.蝗虫在生长过程中,必须蜕皮的原因是()
A.外骨骼不能生长B.外骨骼损坏,需形成新的外骨骼
C.表皮细胞老化,死亡D.蝗虫的形态发生改变
7.蝗虫的运动器官着生在()
A.头部B.胸部C.腹部D.胸部和腹部
8.我市是沿海城市,海洋生物资源丰富,下列属于海洋鱼类的是()
A.章鱼B.鲤鱼C.海豹D.海马
1.下列关于动物的生活环境及获取食物方式的叙述中,正确的是()
A.腔肠动物生活在水中,利用刺细胞帮助捕获猎物
B.寄生虫终生生活在寄主体表或体内,靠获取寄主体内的养料生存
C.软体动物生活在水中,靠入水管、出水管获取水里的食物颗粒
D.节肢动物生活在陆地上,利用口器获取食物
10.关于动物形态结构特点与功能的叙述,错误的是()
A.兔的牙齿有分化,提高了摄取食物和对食物的消化能力
B.蜥蜴的体表有角质的鳞片,可以防止体内水分的蒸发
C.鱼鳃内含有丰富的毛细血管,有利于鱼在水中呼吸
D.家鸽每呼吸一次,要在肺和气囊中各进行一次气体交换
11.爬行动物的主要特征不包括()
A.身体分为头、颈、躯干、四肢和尾五部分
B.体表都被有鳞片或甲
C.能生活在干燥的地面环境中
D.体温恒定,适应陆地生活
12.鳄鱼分布于亚热带到亚热带的河川、湖泊、海岸中,是迄今发现生活着的最早和最原始的动物之一,下列关于它的一些说法,正确的是()
A.鳄鱼是爬行类动物,它陆地上产卵,皮厚带有角质的鳞片
B.鳄鱼能生活在水中,它是鱼类
C.鳄鱼既能生活在水中,又能生活在陆地上,他是两栖类
D.鳄鱼是哺乳类,它用肺呼吸
13.下列关于动物形态结构特点与功能的叙述,错误的是()
A.沙蚕身体分节与躯体运动灵活相适应
B.节肢动物身体分头、胸、腹与飞行生活相适应
C.鲫鱼身体呈流线形与水生生活相适应
D.爬行动物具有角质的鳞或甲与陆地生活相适应。