机械(机床)振动标准与阀值
- 格式:xlsx
- 大小:15.70 KB
- 文档页数:86
不同类型机械设备振动限值1、GB/T6075.3一2011/ISO10816-3:2009机械振动在非旋转部件上测量评价机器的振动第3部分:额定功率大于15KW额定转速在120r/min至15000r/min之间的在现场测量的工业机器1)适用范图GB/T6075的本部分给出了现场测量时评估振动水平的准则,该准则适用于功率大于15KW、运行转速在120r/min至15000r/min的机组。
本部分所深盖的机器为:——功率不大于50MW的汽轮机;——汽轮机组功率大于50MW、但转速低于1500r/min或高于3600r/min(即不包括ISO10816-2中涵盖的机组);——旋转式压缩机;——功率不大于3MW的工业燃气轮机;——发电机;——各种类型的电动机;——鼓风机或风机。
注:本部分的振动准则通常仅适用于额定助率大于300KW的风机或非柔性支承的风机。
当条件允许时,准备推荐其他类型的风机,包括那些采用轻型薄金属板结构的风机。
在此以前,制造厂与用户可根据以前的运行经验结果来商定为双方所接受的振动分类,参见ISO1469400。
下列机器不属于本部分的范围:——助率大于50MW陆地安装的汽轮发电机组,其转速为1500r/min、1800r/min、3000r/min、3600r/min(见ISO10816-2)3——功率大于3MW的燃气轮机(见ISO10816-4);——水力发电厂和泵站机组(见ISD10816-5)——与往复式机器联接的机器(见ISO10816-6);——包含集成电动机的转子动力泵,例如,叶轮直接安装在电动机轴上或与其刚性连接(见ISO10816-7);——回转压缩机(例如螺杆压缩机)——往复式压缩机:——往复泵;——潜水电动泵;——风力涡轮机。
本部分的振动准则适用于额定工作转速内、稳定运行状况,在机器轴承、轴承座或机座上现场进行的宽频带振动测量。
它们涉及到验收试验及运行监测。
本部分的评价准则用于连续与非连续监测,情况。
机床振动频率测试标准
机床振动频率测试的标准可以根据具体的国家、行业或组织的要求而不同,以下是常见的几个国际标准和行业标准:
1. ISO 10816-1:机械振动评估的第1部分,规定了各种类型机械设备的整体振动水平的评价方法,包括机床。
该标准给出了不同类型的机械设备在不同运行状态下的振动限值。
2. ISO 28927-9:振动测量和评估的第9部分,适用于手持和推动机械设备的测量和评估。
该标准给出了手持和推动机械设备的振动限值。
3. DIN ISO 2631:人体对振动的感知和评估的标准,可以用于评估机床的振动对操作员的影响。
此外,许多行业组织和标准化机构也提供了相应的振动频率测试标准,如美国国家标准协会(ANSI)、欧洲标准委员会(CEN)和国际电工委员会(IEC)等。
这些标准可以从相关机构获取或购买。
对于具体的机床振动频率测试,应根据所在地区和行业的要求选择适合的标准进行测试。
“刚性连接”中,相对的连接件之间不得有位移,在大多数的紧固中都是这样的连接。
“挠性连接”中,相对的连接件既有约束或传递动力的关系,又可以有一定程度的相对位移。
如常见的联轴器,刚性联轴器将两个部分用螺栓紧固,这样的安装要求同心度极高,稍有误差,机械就会震动,而且寿命不长。
挠性联轴器就有措施,在联轴器的两部分之间,使用滑块、弹性柱销、木销或万向节等,即传递了动力,也满足了设备的使用要求。
刚性联轴器不具有补偿被联两轴轴线相对偏移的能力,也不具有缓冲减震性能;但结构简单,价格便宜。
只有在载荷平稳,转速稳定,能保证被联两轴轴线相对偏移极小的情况下,才可选用刚性联轴器。
属于刚性联轴器的有套筒联轴器、夹壳联轴器和凸缘联轴器等。
其它联轴器都是挠性联轴器了.企业设备振动故障诊断相对标准的建立及应用陈兆虎李兰儒张红摘要本文结合克拉玛依石化厂实际情况,从安全性、经济性出发,叙述建立适合现代企业设备管理维修的动设备振动故障诊断相对标准的方法,以及相对标准应用效果。
一、设备振动故障诊断标准1.标准的类型及理论依据标准有绝对标准和相对标准两大类型。
绝对标准就是人们常说的国际标准。
各种转动机械的振源主要来自结构设计,制造、安装质量,调试情况和环境本身。
振动的存在必然不同程度引起设备自身及其附属管线的结构疲劳和损伤。
美国齿轮制造协会(AGMA)提出在低频域(10Hz以下),以位移作为振动标准;中频域(10Hz~1kHz),以速度作为振动标准;而高频域(1kHz以上)则以加速度作为标准。
理论已经证明,振动部件的疲劳与振动速度成正比,振动所产生的能量与振动速度的平方成正比,能量传递的结果必然造成磨损或其它缺陷。
因此,在振动判断标准中,无论从疲劳损伤还是磨损等缺陷来说,以振动速度标准最为适宜。
)标准mm/s表1 电动机器振动(vrms2.振动速度标准(1)ISO 2373和DIN45665标准(表1)(2)国际标准ISO 2372、ISO 3945标准(表2)表2 ISO 2372、ISO 3945标准二、建立相对标准的观点和方法1.现用标准的不适用性前面介绍了通用振动诊断的绝对标准或判据。
机械设备振动标准设备振动测点的选择与标注11.1监测点选择对包括进行传递的地方。
测点最好选在振动能量向弹性基础或系统其他部分2回转质量的设备来说,建议把测点选在轴承处或机器的安装点处。
也可以选择其他的测点,但要能够反映设备的运行状态。
在轴承处测量时,一般建议测量三个,见图A V,轴线方向标注为H方向的振动。
水平方向标注为,铅垂方向标注为。
6-1择图6-1 监测点选在机器壳体上测量振动时,振动传感器定位的示意图图6-2 1.2 振动监测点的标注(1)卧式机器开始,朝着被驱动设这个数字序列从驱动器非驱动侧的轴承座赋予数字001)齿轮传动直到第一根轴线的最后一个轴承。
备,按数字次序排列,在多根轴线的(机器上,轴承座的次序从驱动器开始,按数字次序继续沿着第二根轴线到被驱动器往下排列,接着再沿着第三根轴线往下排列,直到机组的末端为止。
常见的几。
6-56-3种标注方法见图~图6-31 / 11振动监测点的标注图6-4振动监测点的标注图6-5 振动监测点的标注(2)立式机器遵循与卧式机器同样的约定。
1.3 现场机器测点标注方法标注大小与传感器,最简单的一种方法)漆机壳振动测点的标注可以用油标注(磁座大小相似;也可以在机壳上粘贴钢盘来标注振动测点,最好采用后一种方法,,直径30mm标注。
采用钢盘时,机壳要得到很好的处理。
钢盘规格为厚度5mm 用强度较好的粘接剂粘接,以保证良好的振动传递特性。
设备振动监测周期的确定 2振动监测周期设置过长,容易捕捉不到设备开始劣化信息,周期设置过短,又增加了监测的工作量和成本。
因此应根据设备的结构特点、传动方式、转速、功率以及故障模式等因素,合理选定振动监测周期。
当设备处于稳定运行期时,监测周期可以长一些;当设备出现缺陷和故障时,应缩短监测周期。
在确定设备监测周期时,应遵守以下原则;,1)安装设备或大规模维修后的设备运行初期,周期要短(如每天监测一次)待设备进入稳定运行期后,监测周期可以适当延长。
机械设备振动标准它是指导我们的状态监测行为的规范最终目标:我们要建立起自己的每台设备的标准(除了新安装的设备)。
⏹监测点选择、图形标注、现场标注。
⏹振动监测参数的选择:做一些调整:长度、频率范围⏹状态判断标准和报警的设置1 设备振动测点的选择与标注1.1监测点选择测点最好选在振动能量向弹性基础或系统其他部分进行传递的地方。
对包括回转质量的设备来说,建议把测点选在轴承处或机器的安装点处。
也可以选择其他的测点,但要能够反映设备的运行状态。
在轴承处测量时,一般建议测量三个方向的振动。
铅垂方向标注为V,水平方向标注为H,轴线方向标注为A,见图6-1。
图6-1 监测点选择图6-2在机器壳体上测量振动时,振动传感器定位的示意图1.2 振动监测点的标注(1)卧式机器这个数字序列从驱动器非驱动侧的轴承座赋予数字001开始,朝着被驱动设备,按数字次序排列,直到第一根轴线的最后一个轴承。
在多根轴线的(齿轮传动)机器上,轴承座的次序从驱动器开始,按数字次序继续沿着第二根轴线到被驱动器往下排列,接着再沿着第三根轴线往下排列,直到机组的末端为止。
常见的几种标注方法见图6-3~6-5。
图6-3 振动监测点的标注图6-4 振动监测点的标注图6-5 振动监测点的标注(2)立式机器遵循与卧式机器同样的约定。
1.3 现场机器测点标注方法机壳振动测点的标注可以用油漆标注,也可以在机壳上粘贴钢盘来标注振动测点,最好采用后一种方法标注。
采用钢盘时,机壳要得到很好的处理。
钢盘规格为厚度5mm,直径30mm,用强度较好的粘接剂粘接,以保证良好的振动传递特性。
2 设备振动监测周期的确定振动监测周期设置过长,容易捕捉不到设备开始劣化信息,周期设置过短,又增加了监测的工作量和成本。
因此应根据设备的结构特点、传动方式、转速、功率以及故障模式等因素,合理选定振动监测周期。
当设备处于稳定运行期时,监测周期可以长一些;当设备出现缺陷和故障时,应缩短监测周期。
机床振动标准一、振动频率机床振动频率应符合机床设计规定的要求。
通常情况下,数控机床的振动频率在10〜50HZ之间,高精度机床的振动频率更高。
如果振动频率过低或过高,都会对加工质量和机床寿命产生不良影响。
二、振动幅度振动幅度是衡量机床振动强度的主要指标。
一般来说,机床振动的振幅应在0.05mm以下,特殊情况下也不应超过0.Imm o振幅过大不仅会影响工件的表面质量,还会加速机床的磨损,影响机床的寿命。
三、振动方向机床振动的方向应符合机床设计规定的要求。
通常情况下,机床的振动方向包括垂直、水平、轴向等方向。
如果振动方向不正确,会影响工件的加工精度和表面质量,同时也会加速机床的磨损。
四、振动稳定性机床振动的稳定性应符合机床设计规定的要求。
在加工过程中,机床应保持稳定的振动状态,避免出现突然的振动或异常的振动。
如果振动稳定性不好,会影响工件的加工精度和表面质量,同时也会加速机床的磨损。
五、振动波形机床振动的波形应符合机床设计规定的要求。
通常情况下,机床的振动波形应为正弦波或近似正弦波。
如果波形失真或出现异常波形,会影响工件的加工精度和表面质量,同时也会加速机床的磨损。
六、振动原因机床振动的产生原因很多,主要包括以下几个方面:1.机床结构设计不合理;2.机床零部件加工精度不高;3.机床安装调试不当;4.切削过程中切削力过大;5.切削过程中切削速度过快;6.切削过程中进给速度过快;7.机床运转过程中温度变化大;8.机床润滑不良;9.机床维护不当等。
七、振动对加工质量的影响机床振动会对加工质量产生很大的影响,主要包括以下几个方面:1.影响工件的表面粗糙度;2.影响工件的尺寸精度;3.影响工件的形状精度;4.影响工件的定位精度;5.影响工件的重复精度等。
八、振动对机床寿命的影响机床振动会对机床寿命产生很大的影响,主要包括以下几个方面:1.加速机床零部件的磨损;2.降低机床的精度和使用寿命;3.增加机床的故障率等。
转动设备的振动值标准转动设备的振动值标准是指在设备运行过程中所产生的振动幅值和频率等参数的标准规定。
对于各类机械设备,振动是一种常见的现象,但过大的振动会对设备的正常运行和使用造成影响,甚至可能导致设备损坏。
因此,制定和遵守转动设备的振动值标准对于保障设备的安全运行和延长设备的使用寿命具有重要意义。
首先,振动值标准的制定是基于对设备运行状态的分析和评估的结果。
通过对设备在运行过程中产生的振动进行监测和分析,可以得出设备的振动特性,包括振动的幅值、频率、方向等参数。
在此基础上,可以制定出适用于该设备的振动值标准,以确保设备在正常运行状态下的振动处于安全范围内。
其次,振动值标准的制定需要考虑到设备的类型和用途。
不同类型的设备在运行过程中所产生的振动特性会有所不同,因此需要根据设备的具体情况来确定相应的振动值标准。
例如,对于汽车发动机来说,其振动值标准与工业设备的振动值标准会有所不同,因为二者的工作环境和使用要求不同。
另外,振动值标准的制定还需要考虑到设备的运行环境和工作条件。
在不同的环境和条件下,设备所产生的振动特性也会有所不同。
例如,在高温、高湿或者腐蚀性气体环境中工作的设备,其振动值标准需要相应地进行调整,以适应特殊的工作环境。
此外,振动值标准的制定还需要考虑到设备的安全和稳定性。
过大的振动会对设备的结构和零部件造成损坏,甚至可能导致设备的故障和事故。
因此,振动值标准的制定旨在保障设备在运行过程中的安全性和稳定性,以确保设备能够正常运行并具有较长的使用寿命。
总之,转动设备的振动值标准的制定是为了保障设备的安全运行和延长设备的使用寿命。
通过对设备的振动特性进行分析和评估,可以制定出适用于该设备的振动值标准,以确保设备的振动处于安全范围内。
振动值标准的制定需要考虑到设备的类型、用途、运行环境和工作条件,以及设备的安全和稳定性。
只有严格遵守振动值标准,才能有效地保障设备的安全运行和延长设备的使用寿命。
故障诊断的参考标准为了获得最佳的诊断效果,在机械设备诊断的过程中应该建立设备的故障报警门限参考标准,现将国际上通用的标准列出如下:1、ISO2372机械振动强烈度的范围,它将振动速度有效值从0.11mm/s(人体刚有振动的感觉)到71mm/s 的范围内分为15个量级,相邻两个烈度量级的比约为1:1.6,即相差4dB。
这是由于对于大多数机器的振动来说4dB之差意味着振动响应有了较大的变化。
有了振动烈度量级的划分就可以用它表示机器的运行质量。
为了便于实用,将机器运行质量分成四个等级: A级——机械设备正常运转时的振级,此时称机器的运行状态“良好”。
B级——已超过正常运转时的振级,但对机器的工作量尚无显著的影响,此种运行状态是“容许”的。
C级——机器的振动已经到了相当剧烈的强度,导致机器只能勉强维持工作,此时机器的运行状态称为“可容忍”的。
D级——机器的振动能已达到使机器不能运转工作,此种机器的振级是不允许的。
显然,不同的机械设备由于工作要求、结构特点、动力特性、功率容量、尺寸大小以及安装条件等方面的区分,其对应于各等级运行状态的振动烈度范围必然是各不相同的。
所以对各种机械设备是不能用同一标准来衡量的,但也不可能对每种机械设备专门制定一个标准。
为了便于实用,ISO2372将常用的机械设备分为六大类,令每一类的机械设备用同一标准来衡量其运行质量。
机械设备分类情况如下[14]:第一类:在其正常工作条件下与整机连接成整体的发动机和机器的零件(如15kw以下的发动机)。
第二类:设有专用基础的中等尺寸的机器(如15—75kw的发电机)及刚性固定在专用基础上的发动机和机器(300kw以下)。
第三类:安装在测振方向上相对较硬的、刚性的和重的基础上的具有旋转质量的大型原动机和其它大型机器。
第四类:安装在测振方向上相对较软的基础上具有旋转质量的大型原动机和其它大型机器(如透平发电机)。
第五类:安装在测振方向相对较硬的基础上具有不平衡损性力的往复式机器和机械驱动系统。
转动机械的振动标准及温升范围标准
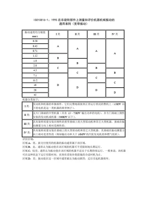
旋转机械振动标准:
本标准适用的旋转机械主要指离心鼓风机、压缩机、蒸汽涡轮机、燃气涡轮机、汽轮发电机
组、以及电动机和泵等。
旋转机械分类:
Ⅰ类:为固定的小机器或固定在整机上的小电机,功率小于15KW。
Ⅱ类:为没有专用基础的中型机器,功率为15~75KW。
刚性安装在专用基础上功
率小于300KW的机器。
Ⅲ类:为刚性或重型基础上的大型旋转机械。
Ⅳ类:为轻型结构基础上的大型旋转机械。
机械振动评价等级:
好:振动在良好限值以下,认为振动状态良好。
满意:振动在良好限值和报警值之间,认为机组振动状态是可接受的(合格),可长期运行。
不满意:振动在报警限值和停机限值之间,机组可短期运行,但必须加强监测并采取措施。
不允许:振动超过停机限值,应立即停机。
旋转机械轴承温升标准
轴承的正常温度因机器的热容量、散热量、转速及负载而不同,除设备说明书上特别要求以外,旋转机械运转达到稳定状态后应符合以下标准:
1、使用润滑脂的轴承,轴承温度≤55℃,最大不能超过80℃。
2、使用稀油润滑的轴承,轴承温度≤65℃,最大不能超过90℃。
以上标准是以输送常温介质为基础制定的,如果介质温度较高可根据实际情况相应变动。
机械振动标准机械振动标准机械振动是指机械系统在运行过程中产生的振动现象。
它是由于机械系统内部或外部的力的作用而引起的。
机械振动不仅会对机械设备本身造成损害,还会对周围环境和人员产生影响。
为了保证机械设备的正常运行和使用安全,制定了一系列的机械振动标准。
机械振动标准主要包括以下几个方面:1. 振动测量标准:机械振动的测量是评估机械设备振动状况的重要手段。
振动测量标准规定了振动测量的方法、仪器设备的选用和校准等要求。
例如,ISO 10816-1标准规定了用于评估旋转机械振动的测量方法和评价准则。
2. 振动限值标准:振动限值标准规定了机械设备在运行过程中允许的振动幅值上限。
通过限制振动幅值,可以有效地控制机械设备的振动水平,降低振动对设备和人员的危害。
不同类型的机械设备有不同的振动限值标准,例如,ISO 10816-3标准规定了用于评估离心泵、压缩机和风扇等设备振动的限值。
3. 振动评价标准:振动评价标准用于对机械设备的振动状况进行评估和判定。
通过对机械设备的振动进行评价,可以及时发现设备存在的问题,并采取相应的措施进行修复和维护。
常用的振动评价标准包括ISO 7919和ISO 10816等。
4. 振动控制标准:振动控制标准主要用于指导机械设备的设计和制造。
通过合理设计和制造,可以降低机械设备的振动水平,提高设备的可靠性和使用寿命。
常用的振动控制标准包括ISO 1940和ISO 2372等。
5. 振动修复标准:当机械设备发生故障或存在异常振动时,需要进行相应的修复。
振动修复标准规定了故障诊断和修复的方法、工艺和要求,以保证修复后的设备能够正常运行。
常用的振动修复标准包括ISO 13373和ISO 13381等。
机械振动标准的制定和执行对于保障机械设备的安全运行和提高设备可靠性具有重要意义。
通过遵守相关的振动标准,可以及时发现和解决机械设备存在的问题,降低设备故障率,延长设备使用寿命。
同时,也可以保护工作人员的身体健康,减少工作环境对人员的影响。
机械设备振动标准它是指导我们的状态监测行为的规范最终目标:我们要建立起自己的每台设备的标准(除了新安装的设备)。
⏹监测点选择、图形标注、现场标注。
⏹振动监测参数的选择:做一些调整:长度、频率范围⏹状态判断标准和报警的设置1 设备振动测点的选择与标注1.1监测点选择测点最好选在振动能量向弹性基础或系统其他部分进行传递的地方。
对包括回转质量的设备来说,建议把测点选在轴承处或机器的安装点处。
也可以选择其他的测点,但要能够反映设备的运行状态。
在轴承处测量时,一般建议测量三个方向的振动。
铅垂方向标注为V,水平方向标注为H,轴线方向标注为A,见图6-1。
图6-1 监测点选择图6-2在机器壳体上测量振动时,振动传感器定位的示意图1.2 振动监测点的标注(1)卧式机器这个数字序列从驱动器非驱动侧的轴承座赋予数字001开始,朝着被驱动设备,按数字次序排列,直到第一根轴线的最后一个轴承。
在多根轴线的(齿轮传动)机器上,轴承座的次序从驱动器开始,按数字次序继续沿着第二根轴线到被驱动器往下排列,接着再沿着第三根轴线往下排列,直到机组的末端为止。
常见的几种标注方法见图6-3~6-5。
图6-3 振动监测点的标注图6-4 振动监测点的标注图6-5 振动监测点的标注(2)立式机器遵循与卧式机器同样的约定。
1.3 现场机器测点标注方法机壳振动测点的标注可以用油漆标注,也可以在机壳上粘贴钢盘来标注振动测点,最好采用后一种方法标注。
采用钢盘时,机壳要得到很好的处理。
钢盘规格为厚度5mm,直径30mm,用强度较好的粘接剂粘接,以保证良好的振动传递特性。
2 设备振动监测周期的确定振动监测周期设置过长,容易捕捉不到设备开始劣化信息,周期设置过短,又增加了监测的工作量和成本。
因此应根据设备的结构特点、传动方式、转速、功率以及故障模式等因素,合理选定振动监测周期。
当设备处于稳定运行期时,监测周期可以长一些;当设备出现缺陷和故障时,应缩短监测周期。
此文档下载后即可编辑机械设备振动标准它是指导我们的状态监测行为的规范最终目标:我们要建立起自己的每台设备的标准(除了新安装的设备)。
⏹监测点选择、图形标注、现场标注。
⏹振动监测参数的选择:做一些调整:长度、频率范围⏹状态判断标准和报警的设置1 设备振动测点的选择与标注1.1监测点选择测点最好选在振动能量向弹性基础或系统其他部分进行传递的地方。
对包括回转质量的设备来说,建议把测点选在轴承处或机器的安装点处。
也可以选择其他的测点,但要能够反映设备的运行状态。
在轴承处测量时,一般建议测量三个方向的振动。
铅垂方向标注为V,水平方向标注为H,轴线方向标注为A,见图6-1。
图6-1 监测点选择图6-2在机器壳体上测量振动时,振动传感器定位的示意图1.2 振动监测点的标注(1)卧式机器这个数字序列从驱动器非驱动侧的轴承座赋予数字001开始,朝着被驱动设备,按数字次序排列,直到第一根轴线的最后一个轴承。
在多根轴线的(齿轮传动)机器上,轴承座的次序从驱动器开始,按数字次序继续沿着第二根轴线到被驱动器往下排列,接着再沿着第三根轴线往下排列,直到机组的末端为止。
常见的几种标注方法见图6-3~6-5。
图6-3 振动监测点的标注图6-4 振动监测点的标注图6-5 振动监测点的标注(2)立式机器遵循与卧式机器同样的约定。
1.3 现场机器测点标注方法机壳振动测点的标注可以用油漆标注,也可以在机壳上粘贴钢盘来标注振动测点,最好采用后一种方法标注。
采用钢盘时,机壳要得到很好的处理。
钢盘规格为厚度5mm,直径30mm,用强度较好的粘接剂粘接,以保证良好的振动传递特性。
2 设备振动监测周期的确定振动监测周期设置过长,容易捕捉不到设备开始劣化信息,周期设置过短,又增加了监测的工作量和成本。
因此应根据设备的结构特点、传动方式、转速、功率以及故障模式等因素,合理选定振动监测周期。
当设备处于稳定运行期时,监测周期可以长一些;当设备出现缺陷和故障时,应缩短监测周期。
精心整理机械设备振动监测参数及标准一、振动诊断标准的制定依据1、振动诊断标准的参数类型通常,我们用来描述振动的参数有三个:位移、速度、加速度。
一般动时的预防损伤曲线,如下图所示。
(因此,在3、振动诊断标准的分类根据标准制定方法的不同,振动诊断标准通常分为三类。
1)绝对判断标准它是根据对某类设备长期使用、观察、维修与测试后的经验总结,并在规定了正确的方法后制定的,在使用时必须掌握标准的适用范围和测定方法。
目前应用较广的振动标准有:ISO 2372 《机器振动的评价标准基础》ISO 3945 《振动烈度的现场测定与评定》机器振动烈度:在机器表面的重要位置上沿垂向、纵向、横向(轴承沿轴向、径向)所测得的振动速度的最大有效值。
对于振动速度为V(t)=V p cosωt的间谐振动,其振动速度有效值用下式计算:V rm=√1/T∫T V2(t)dt式中,T—间谐振动的周期,T=2π/ω实际上,振动速度V=20~30mm/s的有效值可用具有平方检波特性的电子仪器测量并直接显示。
因此,在应用时是很方便的。
ISO 2732中规定了转速为600~12000rpm的机器在10~200H Z的频率范围内机械振动烈度的范围,它将振动速度有效值从0.11mm/s(人体刚有振动的感觉)到71mm/s的范围内分为15个两级。
相邻两个烈度量级之比约为1量。
但是,也不可能对每种机械设备专门制定一个标准。
为了便于实用,ISO 2372将常用机械设备分为6大类,使每一类的机械设备用同一标准衡量其运行质量。
第一类——在正常条件下,发动机与机器连接成一整体的设备(15Kw 以下的发动机)。
第二类——设有专用基础的中等尺寸的设备(15~75KW的发动机,如螺杆压缩机)及刚性固定在专用基础上的发动机及设备(300KW以下,如闪底泵)。
第三类——安装在测振方向上相对较硬的、刚性的和重的较大旋转质量的大型原动机和其他大型设备(如主风机)。
要求各单位在离心泵的振动监测过程中,参照上表序号4、7、10数据。
机械设备振动标准它是指导我们的状态监测行为的规范最终目标:我们要建立起自己的每台设备的标准(除了新安装的设备)。
⏹监测点选择、图形标注、现场标注。
⏹振动监测参数的选择:做一些调整:长度、频率范围⏹状态判断标准和报警的设置1 设备振动测点的选择与标注1.1监测点选择测点最好选在振动能量向弹性基础或系统其他部分进行传递的地方。
对包括回转质量的设备来说,建议把测点选在轴承处或机器的安装点处。
也可以选择其他的测点,但要能够反映设备的运行状态。
在轴承处测量时,一般建议测量三个方向的振动。
铅垂方向标注为V,水平方向标注为H,轴线方向标注为A,见图6-1。
图6-1 监测点选择图6-2在机器壳体上测量振动时,振动传感器定位的示意图1.2 振动监测点的标注(1)卧式机器这个数字序列从驱动器非驱动侧的轴承座赋予数字001开始,朝着被驱动设备,按数字次序排列,直到第一根轴线的最后一个轴承。
在多根轴线的(齿轮传动)机器上,轴承座的次序从驱动器开始,按数字次序继续沿着第二根轴线到被驱动器往下排列,接着再沿着第三根轴线往下排列,直到机组的末端为止。
常见的几种标注方法见图6-3~6-5。
图6-3 振动监测点的标注图6-4 振动监测点的标注图6-5 振动监测点的标注(2)立式机器遵循与卧式机器同样的约定。
1.3 现场机器测点标注方法机壳振动测点的标注可以用油漆标注,也可以在机壳上粘贴钢盘来标注振动测点,最好采用后一种方法标注。
采用钢盘时,机壳要得到很好的处理。
钢盘规格为厚度5mm,直径30mm,用强度较好的粘接剂粘接,以保证良好的振动传递特性。
2 设备振动监测周期的确定振动监测周期设置过长,容易捕捉不到设备开始劣化信息,周期设置过短,又增加了监测的工作量和成本。
因此应根据设备的结构特点、传动方式、转速、功率以及故障模式等因素,合理选定振动监测周期。
当设备处于稳定运行期时,监测周期可以长一些;当设备出现缺陷和故障时,应缩短监测周期。
设备振动评定标准一、ISO2372振动标准国际标准ISO2372规定了转速为10~200r/s的机器在10~1000Hz的频率范围内机械振动烈度的范围,根据振动烈度量级将机器运行质量划分为四个等级。
A级---机械设备正常运转时的振级,此时称机器的运行状态“良好”;B级---已超过正常运转时的振级,但对机器的工作尚无显著的影响,此种运行状态是“容许”的;C级---机器的振动已达到相当剧烈的程度,致使机器职能勉强维持工作,此时机器的运行状态称为“可容忍”的;D级---机器的振级已大到使机器不能运转、工作,此种机器的振级是“不允许”的。
另外为便于实用,ISO2372将常用的机械设备分为六大类,另每一类的机械设备用同一标准来衡量运行质量。
第一类:在其正常工作条件下与整机连接成一整体的的发动机和机器的发动机和机器的零件(如15KW以下发电机)。
第二类:没有专用基础的中等尺寸的机器(如15~75KW的发电机)及刚性固定在专用基础上的发动机和机器(300KW以下)。
第三类:安装在测振方向上相对较硬的、刚性的和重的基础上的具有旋转质量的大型原动机和其它大型机器。
第四类:安装在测振方向上相对较软的基础上具有旋转质量的大型原动机和其它大型机器(如透平发电机)。
第五类:安装在测振方向上相对较硬的基础上具有不平衡惯性力的往复式机器和机器驱动系统。
第六类:安装在测振方向上相对较软的基础上具有不平衡惯性力的往复式机器和机器驱动系统。
ISO2372推荐的各类机器的振动标准备注:1、A级-优秀,B级-良好,C级-及格,D级-不允许2、一类指小型设备第二类没有专用基础的中等尺寸的机器(如15~75KW的发电机)及刚性固定在专用基础上的发动机和机器(300KW以下)。
第三类:安装在测振方向上相对较硬的、刚性的和重的基础上的具有旋转质量的大型原动机和其它大型机器。
二、ISO3945振动标准ISO3945标准关于大型旋转机械包括电动机、发电机、汽轮机、燃气轮机、涡轮压缩机、涡轮泵和风机的机械振动———现场振动烈度的测量和评定。