标准公差数值表
- 格式:doc
- 大小:114.50 KB
- 文档页数:5
基本尺寸/mm5 6 7 8 9 10 11 12 13 14 15 16 17 18大于至UMMM— 3+4+6+10+14+25+40+60+0.1+0.14+0.25+0.4+0.63 6 +5+8+12+18+30+48+75+0.12+0.18+0.3+0.48+0.75+1.2+1.86 10 +6+9+15+22+36+58+90+0.15+0.22+0.36+0.58+0.9+1.5+2.210 18 +8+11+18+27+43+70+110+0.18+0.27+0.43+0.7+1.18+2.718 30 +9+13+21+33+52+84+130+0.21+0.33+0.52+0.84+1.3+2.1+3.330 50 +11+16+25+39+62+100+160+0.25+0.39+0.62+1+1.6+2.5+3.950 80 +13+19+30+46+74+120+190+0.3+0.46+0.74+1.2+1.9+3+4.680 120 +15+22+35+54+87+140+220+0.35+0.54+0.87+1.4+2.2+3.5+5.4120 180 +18+25+40+63+100+160+250+0.4+0.63+1+1.6+2.5+4+6.3180 250 +20+29+46+72+115+182+290+0.46+0.72+1.15+1.85+2.9+4.6+7.2250 315 +23+32+52+81+130+210+320+0.52+0.18+1.3+2.1+3.2+5.2+8.1315 400 +25+36+57+89+140+230+360+0.57+0.89+1.4+2.3+3.6+5.7+8.9400 500 +27+40+63+97+155+250+400+0.63+0.97+1.55+2.5+4+6.3+9.7500 630 +32+44+70+110+175+280+440+0.7+1.1+1.75+2.8+4.4+7+11630 800 +36+50+80+125+200+320+500+0.8+1.25+2+3.2+5+8+12.5800 1 000 +40+56+90+140+230+360+560+0.9+1.4+2.3+3.6+5.6+9+141 000 1 250 +47+66+105+165+260+420+660+1.05+1.65+2.6+4.2+6.6+10.5+16.51 250 1 600 +55+78+125+195+310+500+780+1.25+1.95+3.1+5+7.8+12.5+19.51 6002 000 +65+92+150+230+370+600+920+1.5+2.3+3.7+6+9.2+15+232 000 2 500 +78+110+175+280+440+700+1 100+1.75+2.8+4.4+7+11+17.5+282 5003 150 +96+135+210+330+540+860+1 350+2.1+3.3+5.4+8.6+13.5+2133注:1.IT14至IT18只用于大于1mm的基本尺寸。
基孔制标准公差数值表注:1.IT14至IT18只用于大于1mm的基本尺寸。
2.黑框中的数值,即基本尺寸大于500~3 150mm,IT1至IT5的偏差值,为试用的。
基轴制制标准公差数值表±2.5 ±4 ±6 ±8GB/T1804-20001.线形尺寸的极限偏差数值2.倒圆半径和倒角高度尺寸的极限偏差数值最粗v -- ±0.5 ±1 ±1.5 ±2.5 ±4 ±6倒圆半径和倒角高度尺寸的极限偏差(GB/T1804-2000) mm公差等级基本尺寸分段0.5~3 >3~6 >6~30 >30精密 f ±0.2 ±0.5 ±1 ±2中等m粗糙 e ±0.4 ±1 ±2 ±4最粗v角度尺寸的极限偏差数值(GB/T1804-2000)公差等级基本尺寸分段~10 >10~50 >50~120 >120~400 >400精密 f ±1o ±30′ ±20′ ±10′ ±5′中等m粗糙 e ±1o30′ ±1o ±30′ ±20′ ±10′最粗v ±3o ±2o ±1o ±30′ ±20′未注形位公差按GB/T1184-K直线度和平面度未注公差值(GB/T1184-1996)(mm)公差等级基本长度范围≤10 >10~30 >30~100 >100~300 >300~1000 >1000~3000 H 0.03 0.05 0.1 0.2 0.3 0.4K 0.05 0.1 0.2 0.4 0.6 0.8L 0.1 0.2 0.4 0.8 1.2 1.6垂直度未注公差值(GB/T1184-1996)(mm)公差等级基本长度范围≤100 >100~300 >300~1000 >1000~3000H 0.2 0.3 0.4 0.5K 0.4 0.6 0.8 1L 0.4 1 1.5 2对称度未注公差值(GB/T1184-1996)(mm)公差等级基本长度范围≤100 >100~300 >300~1000 >1000~3000H 0.5K 0.6 0.8 1L 0.6 1 1.5 2圆跳动的未注公差值(GB/T1184-1996)(mm)公差等级圆跳动公差值H 0.1K 0.2L 0.33.表面粗糙度零件的表面都应该注明粗糙度的等级。
标准公差表根据国际标准,以下为基本尺寸0-500mm,4-18级精度标线性和角度尺寸未注公差根据国际标准,以下为线性尺寸未注公差的公差表。
这个未注公差适用于金属切削加工的尺寸,也适用于一般的冲压加工尺寸。
这些极限偏差适 用于:•线性尺寸:例如外尺寸、内尺寸、阶梯尺寸、直径、半径、距离、倒圆半径和倒角高度;•角度尺寸:包括通常不标出角度值的角度尺寸,例如直角(90°);•机加工组装件的线性和角度尺寸。
这些极限偏差不适用于:• 已有其他一般公差标准规定的线性和角度尺寸; • 括号内的参考尺寸;•矩形框格内的理论正确尺寸。
级)3°20'角度尺寸的长度按角度的短边长度确定,对于圆锥角按圆锥素线长度确定。
形状位置公差零件在加工过程中,由于机床-夹具-刀具系统存在几何误差,以及加工中出现受力变形、热变形、振动和磨损等影响,使被加工零件的几何要素不可避免地产生误差。
这些误差包括尺寸偏差、形状误差(包括宏观几何误差、波度和表面粗糙度)及位置误差。
形状公差形状公差是指单一实际要素的形状所允许的变动全量。
形状公差用形状公差带表达。
形状公差带包括公差带形状、方向、位置和大小等四要素。
形状公差项目有:直线度、平面度、圆度、圆柱度、线轮廓度、面轮廓度等6项。
位置公差位置公差是指关联实际要素的位置对基准所允许的变动全量。
定向公差定向公差是指关联实际要素对基准在方向上允许的变动全量。
这类公差包括平行度、垂直度、倾斜度3项。
定位公差定位公差是关联实际要素对基准在位置上允许的变动全量。
这类公差包括同轴度、对称度、位置度3项。
跳动公差跳动公差是以特定的检测方式为依据而给定的公差项目。
跳动公差可分为圆跳动与全跳动。
零件的形位公差共14项,其中形状公差6个,位置公差8个,列于下表。
分类项目符号简要描述形状公差直线度直线度是表示零件上的直线要素实际形状保持理想直线的状况。
也就是通常所说的平直程度。
直线度公差是实际分类项目符号简要描述位置公差定向平行度平行度是表示零件上被测实际要素相对于基准保持等距离的状况。
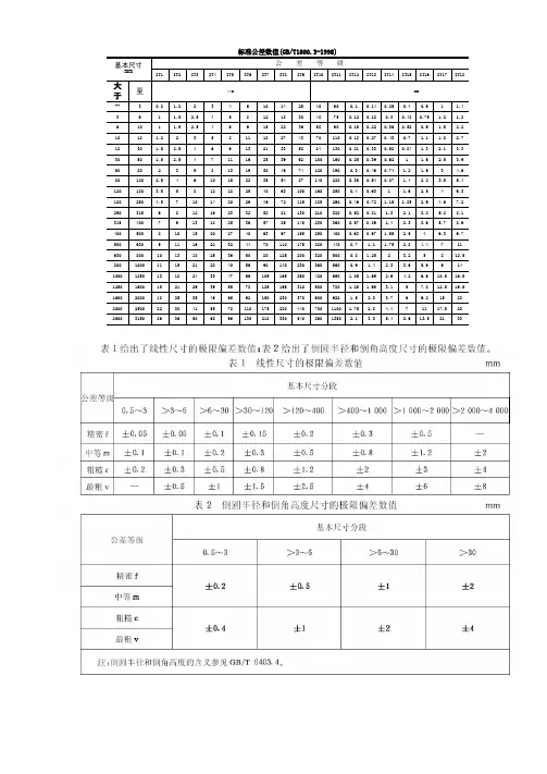
最新的标准公差等级表GB/T1804-2000 线形尺寸的极限偏差数值公差等级基本尺寸分段0.5~3 >3~6 >6~30 >30~120 >120~400 >400~1000 >1000~2000 >2000~4000精密f ±0.05 ±0.05 ±0.1 ±0.15 ±0.2 ±0.3 ±0.5中等m ±0.1 ±0.1 ±0.2 ±0.3 ±0.5 ±0.8 ±1.2 ±2粗糙c ±0.2 ±0.3 ±0.5 ±0.8 ±1.2 ±2 ±3 ±4最粗v ±0.5 ±1 ±1.5 ±2.5 ±4 ±6 ±8(GB/T1804-2000)倒圆半径和倒角高度尺寸的极限偏差数值公差等级基本尺寸分段0.5~3 >3~6 >6~30 >30精密f ±0.2 ±0.5 ±1 ±2中等m粗糙c ±0.4 ±1 ±2 ±4最粗v注:倒圆半径和倒角高度的含义参见GB/T6403.4(GB/1804-2000)角度尺寸的极限偏差数值公差等级长度分段~10 >10~50 >50~120 >120~400 >400精密f ±1° ±30′ ±20′ ±10′ ±5′中等m粗糙c ±1°30′ ±1° ±30′ ±15′ ±10′最粗v ±3° ±2° ±1° ±30′ ±20′(GB/T1184-1996)直线度和平面度的未注公差值公差等级基本长度范围≤10 >10~30 >30~100 >100~300 >300~1000 >1000~3000H 0.02 0.05 0.1 0.2 0.3 0.4K 0.05 0.1 0.2 0.4 0.6 0.8L 0.1 0.2 0.4 0.8 1.2 1.6(GB/T1184-1996)垂直度未注公差值公差等级基本长度范围≤100 >100~300 >300~1000 >1000~3000H 0.2 0.3 0.4 0.5K 0.4 0.6 0.8 1L 0.6 1 1.5 2(GB/T1184-1996)对称度未注公差值公差等级基本长度范围≤100 >100~300 >300~1000 >1000~3000H 0.5K 0.6 0.8 1L 0.6 1 1.5 2未注尺寸公差按GB/T1804-m线性尺寸的极限偏差数值(GB/T1804-2000)(mm)公差等级基本尺寸分段0.5~3 >3~6 >6~30 >30~120 >120~400 >400~1000 >1000~2000精密 f ±0.05 ±0.05 ±0.1 ±0.15 ±0.2 ±0.3 ±0.5中等 m ±0.1 ±0.1 ±0.2 ±0.3±0.5 ±0.8 ±1.2粗糙 e ±0.2 ±0.3 ±0.5 ±0.8±1.2 ±2 ±3最粗 v -- ±0.5 ±1 ±1.5 ±2.5 ±4 ±6。
标准公差表线性和角度尺寸未注公差根据国际标准,以下为线性尺寸未注公差的公差表。
这个未注公差适用于金属切削加工的尺寸,也适用于一般的冲压加工尺寸。
这些极限偏差适用于:•线性尺寸:例如外尺寸、内尺寸、阶梯尺寸、直径、半径、距离、倒圆半径和倒角高度;•角度尺寸:包括通常不标出角度值的角度尺寸,例如直角(90°);•机加工组装件的线性和角度尺寸。
这些极限偏差不适用于:•已有其他一般公差标准规定的线性和角度尺寸;•括号内的参考尺寸;•矩形框格内的理论正确尺寸。
形状位置公差零件在加工过程中,由于机床-夹具-刀具系统存在几何误差,以及加工中出现受力变形、热变形、振动和磨损等影响,使被加工零件的几何要素不可避免地产生误差。
这些误差包括尺寸偏差、形状误差(包括宏观几何误差、波度和表面粗糙度)及位置误差。
形状公差形状公差是指单一实际要素的形状所允许的变动全量。
形状公差用形状公差带表达。
形状公差带包括公差带形状、方向、位置和大小等四要素。
形状公差项目有:直线度、平面度、圆度、圆柱度、线轮廓度、面轮廓度等6项。
位置公差位置公差是指关联实际要素的位置对基准所允许的变动全量。
定向公差定向公差是指关联实际要素对基准在方向上允许的变动全量。
这类公差包括平行度、垂直度、倾斜度3项。
定位公差定位公差是关联实际要素对基准在位置上允许的变动全量。
这类公差包括同轴度、对称度、位置度3项。
跳动公差跳动公差是以特定的检测方式为依据而给定的公差项目。
跳动公差可分为圆跳动与全跳动。
零件的形位公差共14项,其中形状公差6个,位置公差8个,列于下表。
分类项目符号简要描述形状公差直线度直线度是表示零件上的直线要素实际形状保持理想直线的状况。
也就是通常所说的平直程度。
直线度公差是实际线对理想直线所允许的最大变动量。
也就是在图样上所给定的,用以限制实际线加工误差所允许的变动范围。
平面度平面度是表示零件的平面要素实际形状,保持理想平面的状况。
也就是通常所说的平整程度。
根据国际标准,以下为基本尺寸0-500mm, 4-18级精度标准公差表。
注:基本尺寸小于1mm时,无IT14至IT18。
根据国际标准,以下线性尺寸未注公差的公差表。
这个线性尺寸未注公差适用于金属切削加工的尺寸,也适用于一般的冲压加工尺寸。
这些极限偏差适用于非配合尺寸。
根据德国标准DIN50150,以下是常用范围的钢材抗拉强度与维氏硬度、布氏硬度、洛氏硬度的对照表。
如果您要查的抗拉强度>1000N/mm2,或者维氏硬度>310HV,或者布氏硬度>300HB,或者洛氏硬度>32HRC,请查本表第二页
如果您要查的抗拉强度<1000N/mm2,或者维氏硬度<310HV,或者布氏硬度<300HB,或者洛氏硬度<32HRC,请查本表第一页。
标准公差数值表
基孔制标准公差数值表
基本尺寸
/ 5 6 7 8 9 10 11 12 13 14 15 16 17 18 mm
大至于 ,, ,,
+4 +6 +10 +14 +25 +40 +60 +0.1 +0.14 +0.25 +0.4 +0.6 — 3 0 0 0 0 0 0 0 0 0 0 0 0
+5 +8 +12 +18 +30 +48 +75 +0.12 +0.18 +0.3 +0.48 +0.75 +1.2 +1.8 3 6 0 0 0 0 0 0 0 0 0 0 0 0 0 0
+6 +9 +15 +22 +36 +58 +90 +0.15 +0.22 +0.36 +0.58 +0.9 +1.5 +2.2 6 10 0 0 0 0 0 0 0 0 0 0 0 0 0 0
+8 +11 +18 +27 +43 +70 +110 +0.18 +0.27 +0.43 +0.7 +1.1 8 +2.7 10 18 0 0 0 0 0 0 0 0 0 0 0 0 0 0
+9 +13 +21 +33 +52 +84 +130 +0.21 +0.33 +0.52 +0.84 +1.3 +2.1 +3.3 18 30 0 0 0 0 0 0 0 0 0 0 0 0 0 0
+11 +16 +25 +39 +62 +100 +160 +0.25 +0.39 +0.62 +1 +1.6 +2.5 +3.9 30 50 0 0 0 0 0 0 0 0 0 0 0 0 0 0
+13 +19 +30 +46 +74 +120 +190 +0.3 +0.46 +0.74 +1.2 +1.9 +3 +4.6 50 80 0 0 0 0 0 0 0 0 0 0 0 0 0 0
+15 +22 +35 +54 +87 +140 +220 +0.35 +0.54 +0.87 +1.4 +2.2 +3.5 +5.4 80 120 0 0 0 0 0 0 0 0 0 0 0 0 0 0
+18 +25 +40 +63 +100 +160 +250 +0.4 +0.63 +1 +1.6 +2.5 +4 +6.3 120 180 0 0 0 0 0 0 0 0 0 0 0 0 0 0
+20 +29 +46 +72 +115 +182 +290 +0.46 +0.72 +1.15 +1.85 +2.9 +4.6
+7.2 180 250 0 0 0 0 0 0 0 0 0 0 0 0 0 0
+23 +32 +52 +81 +130 +210 +320 +0.52 +0.18 +1.3 +2.1 +3.2 +5.2 +8.1 250 315 0 0 0 0 0 0 0 0 0 0 0 0 0 0
+25 +36 +57 +89 +140 +230 +360 +0.57 +0.89 +1.4 +2.3 +3.6 +5.7 +8.9 315 400 0 0 0 0 0 0 0 0 0 0 0 0 0 0
+27 +40 +63 +97 +155 +250 +400 +0.63 +0.97 +1.55 +2.5 +4 +6.3 +9.7 400 500 0 0 0 0 0 0 0 0 0 0 0 0 0 0
+32 +44 +70 +110 +175 +280 +440 +0.7 +1.1 +1.75 +2.8 +4.4 +7 +11 500 630 0 0 0 0 0 0 0 0 0 0 0 0 0 0
+36 +50 +80 +125 +200 +320 +500 +0.8 +1.25 +2 +3.2 +5 +8 +12.5 630 800 0 0 0 0 0 0 0 0 0 0 0 0 0 0
+40 +56 +90 +140 +230 +360 +560 +0.9 +1.4 +2.3 +3.6 +5.6 +9 +14 800 1 000 0 0 0 0 0 0 0 0 0 0 0 0 0 0
+47 +66 +105 +165 +260 +420 +660 +1.05 +1.65 +2.6 +4.2 +6.6 +10.5
+16.5 1 000 1 250 0 0 0 0 0 0 0 0 0 0 0 0 0 0
+55 +78 +125 +195 +310 +500 +780 +1.25 +1.95 +3.1 +5 +7.8 +12.5
+19.5 1 250 1 600 0 0 0 0 0 0 0 0 0 0 0 0 0 0
+65 +92 +150 +230 +370 +600 +920 +1.5 +2.3 +3.7 +6 +9.2 +15 +23 1 600 2 000 0 0 0 0 0 0 0 0 0 0 0 0 0 0
+78 +110 +175 +280 +440 +700 +1 100 +1.75 +2.8 +4.4 +7 +11 +17.5 +28 2 000 2 500 0 0 0 0 0 0 0 0 0 0 0 0 0 0
+96 +135 +210 +330 +540 +860 +1 350 +2.1 +3.3 +5.4 +8.6 +13.5 +21 33 2 500 3 150 0 0 0 0 0 0 0 0 0 0 0 0 0 0
注:1(IT14至IT18只用于大于1mm的基本尺寸。
2(黑框中的数值,即基本尺寸大于500,3 150mm,IT1至IT5的偏差值,为试用的。
基轴制制标准公差数值表
GB/T1804,2000
1.线形尺寸的极限偏差数值
基本尺寸分段
0.5,3 ,3,6 ,6,30 ,30,120 ,120,400 ,400,1000 ,1000,2000 ,2000,4000 公精密
f ?0.05 ?0.05 ?0.1 ?0.15 ?0.2 ?0.3 ?0.5 - 差中等
m ?0.1 ?0.1 ?0.2 ?0.3 ?0.5 ?0.8 ?1.2 ?2 等粗糙
c ?0.2 ?0.3 ?0.5 ?0.8 ?1.2 ?2 ?3 ?4 级最粗v -
?0.5 ?1 ?1.5 ?2.5 ?4 ?6 ?8
2.倒圆半径和倒角高度尺寸的极限偏差数值
基本尺寸分段 0.5,3 ,3,6 ,6,30 ,30
公精密f ?0.2 ?0.5 ?1 ?2 差中等m 等粗糙c ?0.4 ?1 ?2 ?4 级最粗v
3.角度尺寸的极限偏差数值
基本尺寸分段 ,10 ,10,50 ,50,120 ,120,400 ,400
公精密f/中等m ?1? ?20′ ?30′ ?10′ ?5′
差粗糙c ?15′ ?1?30′ ?1?′ ?30′ ?10′
等最粗v v ?3? ?2? ?1? ?30′ ?20′ 级
注:长度指构成角度的短边长度或圆锥角的素线长度
4.(GB/T1184,1996)直线度和平面度的未注公差值
基本尺寸分段 ,10 ,10,30 ,30,100 ,100,300 ,300,1000 ,1000,3000 公 , 0.2 0.02 0.05 0.1 0.3 0.4 差 , 0.4 0.05 0.1 0.2 0.6 0.8 等
, 0.8 0.1 0.2 0.4 1.2 1.6 级
注:尺寸分段指相应有直线度要求的边的长度或构成平面的较长的一边或圆的直径( 5. (GB/T1184,1996)垂直度未注公差值
基本尺寸分段 ,100,300 ,300,1000 ,1000,3000 ?100 公 0.3 , 0.2 0.4 0.5 差 0.6 , 0.4 0.8 1 等
, 0.6 1 1.5 2 级
注:指构成直角的两边以较长的一边做碁准,短的一边做为被测要素(
6.(GB/T1184,1996)对称度未注公差值
基本尺寸分段 ,100,300 ,300,1000 ,1000,3000 ?100
公 , 0.5
差
, 0.6 0.8 1 等
1 级 , 0.6 1.5 2
注:指构成对称要求的两边以较长的一边做碁准,短的一边做为被测要素(。