(完整版)工程定位测量控制点交接记录
- 格式:doc
- 大小:278.51 KB
- 文档页数:1
工程测量控制点移交记录
经2020年6月3日现场测绘放控制桩如下:
上列控制基准点共计 4 个,现移交给总承包单位作为施工测量控制基准,请使用单位使用前进行复核。
控制点移交后由总包单位进行妥善保管及管理,本地块一切分包队伍如使用控制点必须经总包统一指挥。
移交后建设单位不再无偿提供控制点,如需要增加或重新施放控制点,建设单位需根据市场价格进行有偿服务,费用由申请方承担。
交点方: 负责人:
接点方: 负责人:
监理方: 负责人:
年 月 日。
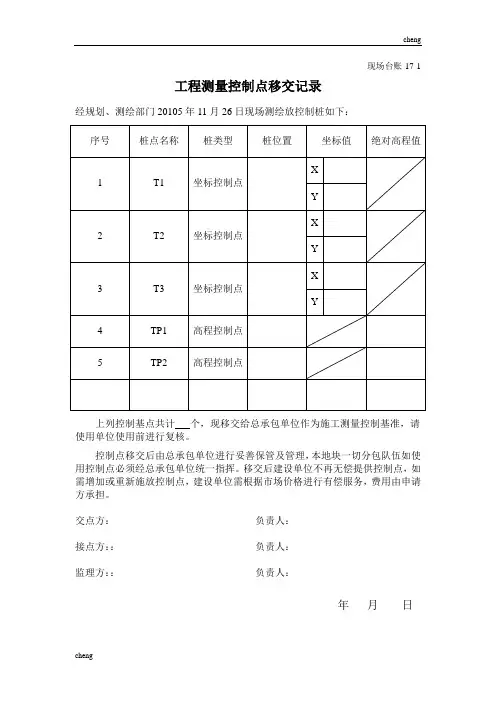
现场台账-17-1工程测量控制点移交记录经规划、测绘部门20105年11月26日现场测绘放控制桩如下:上列控制基点共计个,现移交给总承包单位作为施工测量控制基准,请使用单位使用前进行复核。
控制点移交后由总承包单位进行妥善保管及管理,本地块一切分包队伍如使用控制点必须经总承包单位统一指挥。
移交后建设单位不再无偿提供控制点,如需增加或重新施放控制点,建设单位需根据市场价格进行有偿服务,费用由申请方承担。
交点方:负责人:接点方::负责人:监理方::负责人:年月日现场台账-17-1水产地块工程测量控制点移交记录经规划、测绘部门2015年11月26日现场测绘放坐标、高程控制桩,其中坐标控制桩3个,高程控制桩2个。
现移交给总承包单位作为施工测量控制基准,请使用单位使用前进行复核。
控制点移交后由总承包单位进行妥善保管及管理,本地块一切分包队伍如使用控制点必须经总承包单位统一指挥。
移交后建设单位不再无偿提供控制点,如需增加或重新施放控制点,建设单位需根据市场价格进行有偿服务,费用由申请方承担。
后附:控制桩测量报告交点方:负责人:接点方:负责人:监理方:负责人:年月日现场台账-17-1水产地块地界红线桩点移交记录经规划、测绘部门2015年11月19日现场测绘放地界红线桩点1-10号点。
现移交给总承包单位作为地界控制及场地围合使用,请使用单位使用前进行复核。
红线桩点移交后由总承包单位进行妥善保管及管理,本地块一切分包队伍如使用该点必须经总承包单位统一指挥。
移交后建设单位不再无偿提供红线桩点,如需增加或重新施放该点,建设单位需根据市场价格进行有偿服务,费用由申请方承担。
后附:水产地块出让宗地平面界址点示意图及成果表交点方:负责人:接点方:负责人:监理方:负责人:年月日鞠躬尽瘁,死而后已。
——诸葛亮。
工程测量控制点移交记录经规划、测绘部门20105年11月26日现场测绘放控制桩如下:上列控制基点共计个,现移交给总承包单位作为施工测量控制基准,请使用单位使用前进行复核。
控制点移交后由总承包单位进行妥善保管及管理,本地块一切分包队伍如使用控制点必须经总承包单位统一指挥。
移交后建设单位不再无偿提供控制点,如需增加或重新施放控制点,建设单位需根据市场价格进行有偿服务,费用由申请方承担。
交点方:负责人:接点方::负责人:监理方::负责人:年月日水产地块工程测量控制点移交记录经规划、测绘部门2015年11月26日现场测绘放坐标、高程控制桩,其中坐标控制桩3个,高程控制桩2个。
现移交给总承包单位作为施工测量控制基准,请使用单位使用前进行复核。
控制点移交后由总承包单位进行妥善保管及管理,本地块一切分包队伍如使用控制点必须经总承包单位统一指挥。
移交后建设单位不再无偿提供控制点,如需增加或重新施放控制点,建设单位需根据市场价格进行有偿服务,费用由申请方承担。
后附:控制桩测量报告交点方:负责人:接点方:负责人:监理方:负责人:年月日水产地块地界红线桩点移交记录经规划、测绘部门2015年11月19日现场测绘放地界红线桩点1-10号点。
现移交给总承包单位作为地界控制及场地围合使用,请使用单位使用前进行复核。
红线桩点移交后由总承包单位进行妥善保管及管理,本地块一切分包队伍如使用该点必须经总承包单位统一指挥。
移交后建设单位不再无偿提供红线桩点,如需增加或重新施放该点,建设单位需根据市场价格进行有偿服务,费用由申请方承担。
后附:水产地块出让宗地平面界址点示意图及成果表交点方:负责人:接点方:负责人:监理方:负责人:年月日。
工程测量控制点移交记录经规划、测绘部门20105年11月26日现场测绘放控制桩如下:上列控制基点共计个,现移交给总承包单位作为施工测量控制基准,请使用单位使用前进行复核。
控制点移交后由总承包单位进行妥善保管及管理,本地块一切分包队伍如使用控制点必须经总承包单位统一指挥。
移交后建设单位不再无偿提供控制点,如需增加或重新施放控制点,建设单位需根据市场价格进行有偿服务,费用由申请方承担。
交点方:负责人:接点方::负责人:监理方::负责人:年月日水产地块工程测量控制点移交记录经规划、测绘部门2015年11月26日现场测绘放坐标、高程控制桩,其中坐标控制桩3个,高程控制桩2个。
现移交给总承包单位作为施工测量控制基准,请使用单位使用前进行复核。
控制点移交后由总承包单位进行妥善保管及管理,本地块一切分包队伍如使用控制点必须经总承包单位统一指挥。
移交后建设单位不再无偿提供控制点,如需增加或重新施放控制点,建设单位需根据市场价格进行有偿服务,费用由申请方承担。
后附:控制桩测量报告交点方:负责人:接点方:负责人:监理方:负责人:年月日水产地块地界红线桩点移交记录经规划、测绘部门2015年11月19日现场测绘放地界红线桩点1-10号点。
现移交给总承包单位作为地界控制及场地围合使用,请使用单位使用前进行复核。
红线桩点移交后由总承包单位进行妥善保管及管理,本地块一切分包队伍如使用该点必须经总承包单位统一指挥。
移交后建设单位不再无偿提供红线桩点,如需增加或重新施放该点,建设单位需根据市场价格进行有偿服务,费用由申请方承担。
后附:水产地块出让宗地平面界址点示意图及成果表交点方:负责人:接点方:负责人:监理方:负责人:年月日。
现场台账-17-1工程测量控制点移交记录经规划、测绘部门20105年11月26日现场测绘放控制桩如下:上列控制基点共计个,现移交给总承包单位作为施工测量控制基准,请使用单位使用前进行复核。
控制点移交后由总承包单位进行妥善保管及管理,本地块一切分包队伍如使用控制点必须经总承包单位统一指挥。
移交后建设单位不再无偿提供控制点,如需增加或重新施放控制点,建设单位需根据市场价格进行有偿服务,费用由申请方承担。
交点方:负责人:接点方::负责人:监理方::负责人:年月现场台账-17-1水产地块工程测量控制点移交记录经规划、测绘部门2015年11月26日现场测绘放坐标、高程控制桩,其中坐标控制桩3个,高程控制桩2个。
现移交给总承包单位作为施工测量控制基准,请使用单位使用前进行复核。
控制点移交后由总承包单位进行妥善保管及管理,本地块一切分包队伍如使用控制点必须经总承包单位统一指挥。
移交后建设单位不再无偿提供控制点,如需增加或重新施放控制点,建设单位需根据市场价格进行有偿服务,费用由申请方承担。
后附:控制桩测量报告交点方:负责人:接点方:负责人:监理方:负责人:年月日现场台账-17-1水产地块地界红线桩点移交记录经规划、测绘部门2015年11月19日现场测绘放地界红线桩点1-10号点。
现移交给总承包单位作为地界控制及场地围合使用,请使用单位使用前进行复核。
红线桩点移交后由总承包单位进行妥善保管及管理,本地块一切分包队伍如使用该点必须经总承包单位统一指挥。
移交后建设单位不再无偿提供红线桩点,如需增加或重新施放该点,建设单位需根据市场价格进行有偿服务,费用由申请方承担。
后附:水产地块出让宗地平面界址点示意图及成果表交点方:负责人:接点方:负责人:监理方:负责人:年月日。
精品文档工程测量控制点交桩记录单
工程名称:工程地点:
序
桩点名称桩类
桩位置坐标值备注
号型
GPS** 南路人X 2306061.306高程为 Z=29.167m ,
1KZ1北京 54 坐标系,中央子午线点行道上
Y407320.411为 111 度。
6 度带投影
GPS** 环路人X2306239.417高程为 Z=29.176m ,
2G2北京 54 坐标系,中央子午线点行道上
Y407317.627为 111 度。
6 度带投影
GPS** 环路人X2306264.870高程为 Z=28.513m ,
3KZ2北京 54 坐标系,中央子午线点行道上
Y407409.252为 111 度。
6 度带投影
上列桩基共 3 个,现提交给施工单位做施工测量控制基点,使用前应予以复核。
其它说明:1、我方只向委托方交桩。
2、交桩后一周内,委托方必须进行检测,否则桩位移动或破坏,我方概不负
责。
3、如有疑问请及时联系。
4、本表一式是四份原件,建设方,监理方,施工方,档案馆各留一份。
5、控制点概图见附件。
交桩单位:(单位名称)2017 年 1 月 15 日
复核情况:
各点位记录准确,各项数据及位置无偏差,无丢失,精度符合设计及施工要求。
接桩单位:(单位名称)年月日
交桩过程会签栏
交桩人:接桩人 :
现场监理:业主项目部经理:
年月日
.。