普通车床操作技能考核方案
- 格式:doc
- 大小:36.50 KB
- 文档页数:2
高明职业技术学校实训考试
2006~2007普通车床初级技能考试试卷(B)
适用班级:06数控(2)班
姓名学号成绩
一、考试题图:
(考试时间:180分钟)
二、评分原则
1、试题采用100分制进行检验评分,60分为合格。
2、在计总分时,考件质量分占80%,安全、文明生产分占10%,设备的使用与维护及工艺卡填写分占10%,质量分原则上须达到60%,即总分48分,才能得到安全文明生产及工具、设备的使用与维护分。
3、尺寸及形位公差合格得该项全部质量配分。
4、考虑到机床和测量的因素,使用万能量具测量尺寸和形状、位置、精度,超差在0.005mm内不扣分,超差在0.005~0.01之间扣该项的一半质量配分,超差在0.01以上不得分该项质量配分。
5、表面粗糙度合格得该项质量配分。
Ra值大一级扣该项一半配分,Ra值大两级不得该项质量配分。
6、外形严重不符的,为不合格考件。
7、严重违反安全文明规程,违反设备操作规程,发生较重人身设备事故的,不得该项配分,直至取消考试资格。
8、规定时间内全部完成加工的不扣分,每超时3分钟从总分中扣1分,总超时25分钟停止作业。
高明职业技术学校实训考试
普通车床技能考试试卷(A)
评分记录表
工件编号姓名学号
一、普通车床技能考试总成绩表
二、工具、设备的使用与维护及工艺卡填写评分记录表
三、安全及其它评分记录表
四、考件质量评分表。
普通车床操作技能考核方案(一)考核范围考核用普通车床加工工件能力,在规定时间内完成规定零件的加工,零件包含所学表面的加工。
(二)考核内容和要求1、考核办法实行限时限任务,时间为2-3小时为宜。
考生抽签决定上机床操作的时间和机位,每位考生考前按考题图样及加工要求叙述加工工序。
考生成绩视其加工的工件质量及文明生产情况进行评分。
总分以考试成绩加平时成绩之和为准。
2、考前准备考生分别抽取上机床操作时间段,各自检查机床运行情况和工卡量具配备状况5分钟,尔后按图样加工。
3、考核监考人员发出开考指令方可开始进行加工,其间若有严重违反操作规程,导致危险存在,须立即停止其考试,并取消考试资格。
考核期间考核员对考生文明操作及时工卡量具等使用情况进行打分。
4、结束考试时间到,每位考生上交工件,或者考生提前做好工件并上交,则考试结束,所有工件统一编号作标记,交由考核员盲审评分。
与文明操作分值相加,即为最终考核成绩。
(三)评分标准能在规定时间内完成相应工件加工。
尺寸和表面质量符合图样要求,工件成绩在70分及以上,并且能文明操作,则为优。
若能完成工件加工,尺寸和表面质量基本符合图样要求,成绩在50分及以上,并且基本符合文明操作要求,则为良,工件未完成或者尺寸超差过大,或者有较严重违反操作规程者,为不合格。
(四)考试时间:23日早上3、4节和12月27日5、6节。
(五)考试地点:数控车间附:普通车床操作技能考核样图毛坯Φ45×80mm.技术要求:1、未注倒角0.5×45º,未注公差IT12。
2、不得用油石、砂布等工具对加工表面进行修饰。
车工试题轴件时间材料120分钟45#图号:1。
车工技能考核标准1.职业概况1.1 职业名称:车工。
1.2 职业定义:操作车床,进行工件旋转表面切削加工的人员。
1.3 职业等级:本职业共设五个等级,分别为:初级(国家职业资格五级)、中级(国家职业资格四级)、高级(国家职业资格三级)、技师(国家职业资格二级)、高级技师(国家职业资格一级)。
1.4 职业环境:室内,常温。
1.5 职业能力特征:具有较强的计算能力和空间感、形体知觉及色觉,手指、手臂灵活,动作协调。
1.6 基本文化程度:初中毕业。
1.7 培训要求1.7.1 培训期限全日制职业学校教育,根据其培养目标和教学计划确定。
晋级培训期限:初级不少于500标准学时;中级不少于400 标准学时;高级不少于300标准学时;技师不少于300 标准学时;高级技师不少于200 标准学时。
1.7.2 培训教师培训初、中、高级车工的教师应具有本职业技师以上职业资格证书或相关专业中级以上专业技术职务任职资格;培训技师的教师应具有本职业高级技师职业资格证书或相关专业高级专业技术职务任职资格;培训高级技师的教师应具有本职业高级技师职业资格证书2 年以上或相关专业高级专业技术职务任职资格。
1.7.3 培训场地设备满足教学需要的标准教室,并具有车床及必要的刀具、夹具、量具和车床辅助设备等。
1.8 鉴定要求1.8.1 适用对象:从事或准备从事本职业的人员。
1.8.2 申报条件:——中级(具备以下条件之一者)(1)取得本职业初级职业资格证书后,连续从事本职业工作3 年以上,经本职业中级正规培训达规定标准学时数,并取得毕(结)业证书。
(2)取得本职业初级职业资格证书后,连续从事本职业工作5 年以上。
(3)连续从事本职业工作7 年以上。
(4)取得经劳动保障行政部门审核认定的、以中级技能为培养目标的中等以上职业学校本职业(专业)毕业证书。
1.8.3 鉴定方式分为理论知识考试和技能操作考核。
理论知识考试采用闭卷笔试方式,技能操作考核采用现场实际操作方式。
车工岗位绩效考核方案1、背景车工岗位是目前制造业中常见的岗位,其岗位绩效的评价是企业考核员工的依据之一。
为了更好地评价车工岗位员工的工作表现,制定一套科学合理的考核方案是必不可少的。
2、考核指标车工岗位员工的绩效考核指标应包括以下几个方面:2.1、车床操作能力车工岗位员工的操作能力直接关系到产品的质量和产量,是车工岗位员工必须具备的基本技能。
考核时可以依据车工岗位员工完成的工件的质量、数量、加工难度等指标进行评价。
2.2、工艺操作规范车工岗位员工需要根据工艺要求进行加工操作,考核时要对车工岗位员工的操作规范进行评价,具体可以依据操作规范的准确度、标准化程度、流程操作规范等指标进行评价。
2.3、学习与培训能力企业需要不断提高车工岗位员工的业务水平,培养新能力和新技能。
因此,考核车工岗位员工的学习与培训能力可以从学习新工艺的速度、应用新技术的效果、专业知识的掌握程度等方面进行评价。
2.4、安全生产意识在操作车床时,车工岗位员工必须遵守安全操作规范,对个人的安全和设备的安全负责任。
因此,考核车工岗位员工的安全生产意识可以从安全规范的遵守程度、发现和解决安全隐患的能力等方面进行评价。
3、考核流程考核车工岗位员工的绩效应遵循以下流程:3.1、制定考核计划考核计划制定前,需要先确认考核内容、考核指标、考核方式和考核形式等方面的要求。
确定考核计划后,要及时向所需考核人员宣传考核目的、考核流程和考核标准。
3.2、实施考核过程考核过程中需要由组织人员对考核人员进行现场监管和辅导,同时还需让考核人员正式记录指标数据和考核结果数据,最终进行数据归档。
3.3、制订考核报告依据考核指标和考核情况,组织人员需制订考核报告。
考核报告应包括个人考核情况、考核结果,以及评价报告中发现的优点、问题和建议等方面的内容,最终需要向相关管理人员提供。
4、考核结果的处理考核的结果是企业决策重要参考依据,考核结果可以用于评优晋升、确定绩效奖金等。
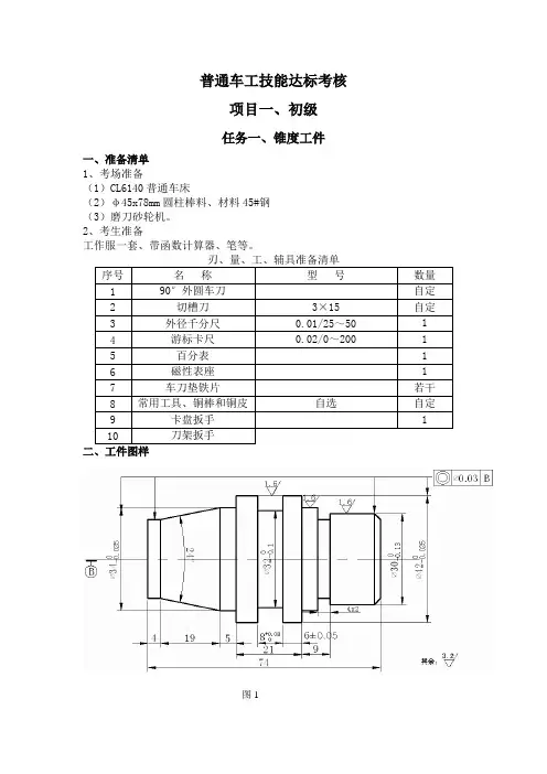
普通车工技能达标考核项目一、初级任务一、锥度工件一、准备清单1、考场准备(1)CL6140普通车床(2)φ45x78mm圆柱棒料、材料45#钢(3)磨刀砂轮机。
2、考生准备工作服一套、带函数计算器、笔等。
序号名称型号数量1 90°外圆车刀自定2 切槽刀3×15自定3 外径千分尺0.01/25~50 14 游标卡尺0.02/0~200 15 百分表 16 磁性表座 17 车刀垫铁片若干8 常用工具、铜棒和铜皮自选自定9 卡盘扳手 110 刀架扳手图1三、加工步骤1、刀具安装。
2、工件装夹。
3、车削工件右边至φ42外圆,车削长度46mm。
4、车削φ34外圆,车削长度25mm。
5、车削φ30外圆,车削长度22mm。
6、车削4x2mm槽。
7、车削φ32槽。
8、掉头,装夹位置是φ42外圆。
9、车削φ34外圆,车削长度28mm。
10、车削最左边的外圆。
11、调整小托盘,车削24°锥度。
四、注意事项1、刀具的刀尖高度必须与工件的中心高度相同,否则会导致工件端面切不到的情况。
2、切槽的时候转速必须打低,进刀速度要慢,否则会导致刀具爆废。
3、粗加工的时候进给速度要尽量快,提高效率,但是精加工的时候进给速度必须慢,否则工件表面粗糙度不能保证。
4、重点保证工件的尺寸。
五、工件加工质量评分表1、普通车床技能考试总成绩表六、相关知识同轴度:同轴度:是定位公差,理论正确位置即为基准轴线.由于被测轴线对基准轴线的不同点可能在空间各个方向上出现,故其公差带为一以基准轴线为轴线的圆柱体,公差值为该圆柱体的直径,在公差值前总加注符号“φ”.同轴度公差:是用来控制理论上应同轴的被测轴线与基准轴线的不同轴程度。
同轴度误差:被测轴线相对基准轴线位置的变化量.简单理解就是:零件上要求在同一直线上的两根轴线,它们之间发生了多大程度的偏离,两轴的偏离通常是三种情况(基准轴线为理想的直线)的综合——被测轴线弯曲、被测轴线倾斜和被测轴线偏移。
车间员工技能比赛方案一、比赛目的为了提高车间员工的技能水平,激发员工的工作热情和创新精神,增强员工的团队合作意识和竞争意识,提高车间的生产效率和产品质量,特举办本次车间员工技能比赛。
二、比赛原则1、公平、公正、公开原则:比赛规则明确,评判标准统一,比赛过程透明,确保所有参赛员工在公平的环境中竞争。
2、实用性原则:比赛项目紧密结合车间生产实际,突出实际操作技能和解决实际问题的能力。
3、创新性原则:鼓励员工在比赛中展现创新思维和方法,推动车间技术进步和管理创新。
三、参赛对象车间全体员工四、比赛项目1、机械加工技能比赛(1)数控车床操作:根据给定的图纸和工艺要求,在规定时间内完成零件的加工。
(2)普通车床操作:使用普通车床加工指定零件,考察员工的操作熟练程度和精度控制能力。
(3)铣床操作:按照图纸要求,在铣床上完成零件的加工。
2、焊接技能比赛(1)手工电弧焊:进行平板对接、T 型接头等焊接,检验焊缝外观质量和内部缺陷。
(2)气体保护焊:完成指定结构的焊接,评估焊接速度、焊缝成型和焊接强度。
3、电气维修技能比赛(1)电机故障排查与维修:在规定时间内找出电机故障并进行修复,使其正常运转。
(2)电气控制系统故障诊断与排除:对复杂的电气控制系统进行故障诊断和排除,恢复系统正常运行。
4、质量检测技能比赛(1)尺寸测量:使用量具准确测量零件的尺寸,判断其是否符合公差要求。
(2)外观缺陷检测:快速准确地识别零件表面的缺陷,如划痕、裂纹等。
五、比赛流程1、报名阶段(1)发布比赛通知,明确比赛项目、参赛条件、报名方式和截止日期。
(2)员工自愿报名,填写报名表格,提交至车间办公室。
2、培训阶段(1)针对比赛项目,组织赛前培训,邀请经验丰富的技术人员进行讲解和示范。
(2)提供相关学习资料和练习机会,帮助参赛员工熟悉比赛要求和操作规范。
3、预赛阶段(1)根据报名情况,分组进行预赛。
(2)预赛采用实际操作的方式,每个项目按照一定比例选拔出优秀选手进入决赛。
案例3工学一体化课程考核方案—-零件普通车床加工一、考核目的本考核旨在通过对学生进行零件普通车床加工的能力测评,来评价其对工程制图、车床操作、工艺设计等方面的学习掌握情况,促进学生综合应用工学知识能力的提升。
二、考核内容1. 工程制图能力考核•能正确阅读和理解零件工程制图•能准确标注零件尺寸、加工精度等要求2. 车床操作技能考核•能熟练使用普通车床进行常见零件的加工•能掌握车刀的选择、刀具刃磨、车削速度等操作技巧3. 工艺设计能力考核•能合理设计零件的加工工艺路线•能根据工程要求进行切削参数的选取三、考核流程1. 理论考核•进行工程制图理论考核,测试学生对工程制图的理解和掌握情况2. 操作考核•学生进行实际车床加工操作,按照要求进行零件加工,考核其操作技能和工艺设计能力3. 综合评定•结合理论考核和操作考核结果,综合评定学生的综合能力水平四、考核标准1. 工程制图能力考核•准确阅读和理解工程制图:满分10分•准确标注零件尺寸、加工精度:满分10分2. 车床操作技能考核•车床操作:满分20分•刀具使用:满分10分3. 工艺设计能力考核•设计工艺路线:满分10分•切削参数选取:满分10分五、考核通过与否综合考核总分满分为80分,通过60分及格,未通过者需进行补考。
六、考核材料和设备1. 考核材料•零件工程制图•车床及相关刀具2. 考核设备•刀具磨削设备•尺规、千分尺等测量工具七、考核安排考核时间:某某某月某某某日考核地点:某某某实验室八、考核人员1. 考核组组长•某某某教授2. 考核组成员•某某某老师•某某某老师九、考核注意事项1.考核前学生需熟悉零件工程制图,做好准备工作2.考核过程中需严格遵守操作规程,确保安全3.考核结束后,对考核结果进行公开、公正评定以上为零件普通车床加工课程考核方案,敬请学生们做好充分的准备,参与考核。
特殊应用场合一:在线考核针对在线考核场景,可以增加以下条款:1.考核材料及设备应提前邮寄或配送至学生所在地,确保学生能够如实参与考核。
车床实训实施方案一、实训目的。
车床是机械加工中常用的设备,掌握车床操作技能对于机械类专业的学生来说至关重要。
因此,本实训方案的目的是通过系统的实训课程,帮助学生掌握车床的操作技能,提高他们的实际动手能力和解决问题的能力。
二、实训内容。
1. 理论知识学习。
在进行车床实训之前,学生需要通过课堂学习掌握车床的基本原理、结构、工作原理、操作规程等理论知识,为实际操作打下坚实的基础。
2. 实际操作演练。
学生将进行车床的实际操作演练,包括开机操作、刀具安装、工件夹持、车削加工等环节,通过反复的实际操作,提高他们的操作技能和工艺水平。
3. 故障排除。
在实训过程中,学生将学习车床常见故障的排除方法,培养他们解决实际问题的能力,提高他们的综合素质。
三、实训流程。
1. 理论学习阶段。
学生将在教室内进行车床理论知识的学习,包括课堂讲解、教材阅读、视频学习等形式,让学生对车床的工作原理和操作规程有一个清晰的认识。
2. 实际操作阶段。
学生将进入实训车间进行实际的操作演练,根据教师的指导,逐步完成车床的各项操作,包括开机操作、刀具更换、工件夹持、车削加工等环节,让学生在实际操作中掌握技能。
3. 故障排除阶段。
教师将设置一些常见的车床故障,在学生实际操作时模拟出故障情况,让学生通过观察、分析、排除故障,培养他们解决实际问题的能力。
四、实训要求。
1. 学生要认真学习理论知识,对车床的原理和操作规程有清晰的认识。
2. 学生要严格遵守实训车间的规章制度,做好安全防护工作,保证实训过程的安全。
3. 学生要认真对待实际操作,按照教师的指导,逐步掌握车床的操作技能。
4. 学生要积极参与故障排除环节,通过实际操作提高自己的综合素质和解决问题的能力。
五、实训效果评估。
1. 考核方式。
实训结束后,学生将进行理论知识考核和实际操作考核,通过考核评定学生的实训成绩。
2. 考核标准。
理论知识考核主要考察学生对车床理论知识的掌握程度;实际操作考核主要考察学生对车床操作技能的掌握程度;故障排除考核主要考察学生解决实际问题的能力。
普通车床技能获取标准和考核方案
一、考核对象
数控专业学生。
二、考核时间
第一学年第二学期
三、负责人
王润川
四、考核目标
通过学习使学员能够掌握车削加工方法、掌握普通车床操作技能。
培养正确使用普通车床的能力。
培养独立分析零件的加工工艺,独立操作典型普通机床的能力。
初步掌握车床结构,能正确使用常用的刀具及量具,独立完成零件的加工,掌握一定的基本操作技能。
了解其他普通机床加工的一般知识。
五、考核标准
1、掌握机械制图、金属材料和测量的基本知识;
2、掌握普通车床的基本机械结构;
3、掌握钳工、普通机床等金属的加工方法;
4、掌握典型表面车削加工的工艺过程;
5、熟练掌握调整车床和使用工夹量具;
6、独立安装外圆车刀,独立完成中等精度零件的车削加工;
7、对学员实习件的加工误差来源分析,提高学员对本工种的了解和认识;
8、了解数控机床的基本知识与基本操作;
9、达到普通车工资格标准。
六、资格证书
组织学员参加相应工种职业技能鉴定考试,成绩合格者至少取得普通车工资格证书。
七、考核方式
考核采取平时成绩和闭卷考试及实践操作相结合,主要考查学员对所学基本理论知识的理解和实际操作能力的掌握,注重锻炼学员独立分析问题和解决问题的能力,成绩合格发给培训结业证书。
同时辅导学员参加职业技能等级证书考试,成绩合格由劳动部门颁发普通车工、钳工职业资格证书中至少一个资格证书。
考核成绩不合格的不予推荐就业。
柳职2011年第一学期技能大比武钳工技能竞赛规程一、大赛名称:柳职2011年第一学期技能大比武钳工技能竞赛二、大赛目的通过此项目竞赛:1、检验我校数控专业学生的工艺实施能力、钳工水平以及质量、效率、成本和安全意识,推进我校专业教学改革,坚持走专业建设可持续发展之路、培养满足企业需求的技能型人才。
同时选拔出比较突出的学生,为明年的全市及全省学生技能大赛做好准备。
2、促进学校数控专业钳工实训教学水平的提高。
三、大赛地点校数控实训车间钳工室四、竞赛内容和方式1、竞赛的内容竞赛的内容涉及钳工加工工艺制定、锯削、打排孔、生产效率、安全意识、操作规范、职业素养等。
参赛选手在规定时间内,根据零件图纸要求,以现场操作的方式,利用台虎钳和其他工具,完成零件的加工。
2、竞赛的方式本次技能竞赛以实操方式进行。
11数控1、11数控2,每班选拔5名学生参赛,男女不限。
竞赛选手在210分钟内(利用课余时间组织进行),利用现场提供的设备、台转及量具,完成毛胚的加工。
竞赛分个人比赛方式,项目内容必须由每名选手各自独立完成,个人比赛成绩计入团队总分。
五、竞赛规则1、比赛使用夹具、工具、钻头、量具等由学校提供,各参赛选手使用的台虎钳在比赛前抽签使用;2、参赛选手在比赛前10分钟开始检录抽题,比赛前5分钟进入比赛工位,确认现场条件无误,比赛时间到方可开始操作;3、比赛连续进行,包括锯条折断、工艺设计、零件加工、清洁整理时间;竞赛过程中,选手休息、如厕时间都计算在比赛时间内,就餐时间有选手提出申请,监考老师记暂停比赛计时,选手待就餐结束应即刻回到比赛场地继续比赛;4、比赛过程中,参赛选手须严格遵守相关操作规程,确保设备及人身安全,并接受监考老师的监督和警示;若因选手个人因素造成设备故障或严重违章操作,监考老师有权决定终止比赛,直至取消比赛资格;若因非选手个人因素造成的设备故障,由监考老师视具体情况做出裁决(暂停比赛计时或调整至最后一批次参加比赛);5、参赛选手若提前结束比赛,应向监考老师举手示意,比赛终止时间由监考老师记录,参赛选手结束比赛后不得再进行任何操作;6、比赛结束,参赛选手需清理现场,并将现场设备、设施恢复到初始状态,经裁判员确认后方可离开赛场。
附件二、单元二、车工实训一、要求:1、了解车床的主要型号,及主要组成部分。
2、了解车床的传动路线及安全操作规程。
3、能掌握刀具的安装和工件的一般安装。
4、能掌握游标卡尺及千分尺的正确测量。
5、能车削一般的零件。
如锤柄的车削加工及三潭印月加工。
6、了解车刀的主要材料性能,及刀头的主要组成部分。
7、了解车削用量的选择及切削三要素。
二、概述:车削是机械加工中的主要加工方法,是技能实训的主要组成部分。
车削是在车床上,利用刀具和工件间的相对运动,从工件表面切除多余金属,获得一定技术要求的零件过程。
车削加工的范围很广,就其加工内容,能车端面、内外圆柱面、内外圆锥面、切槽、滚花、套螺纹、钻孔、攻丝、铰孔、镗孔、车内外螺纹、成型面和盘绕弹簧等。
一般情况下,车床加工零件的精度为IT10~IT8表面粗糙度Ra=6.3~1.6μm。
项目一1、了解车床的主要型号、主要结构及主要组成部分。
2、使学生能熟悉掌握操作车床,手柄的调速。
及进给量的转换。
3、安全操作规程的讲解,开车前的检查;开车前的注意事项;实习结束时的事项;以上安排在1.5小时。
教学手段:1、由指导人员讲课及示范操作演示后,在由学生到指定车床进行操作练习。
2、视学生操练情况再进入下一步。
项目二1、工件的装夹及校正,在三爪卡盘上安装工件。
2、刀具的正确安装,刀尖与工件轴线(中心)等高。
3、车削端面及车削外圆,要求初步掌握公差在0.10之间。
教学手段:1、准备工作:材料Φ22×150 A3钢一段,高速钢900刀,量具150钢直尺,游标尺,千分尺0~25各一把。
2、图(一)1 2D Φ20 Φ18L 15 Φ20+-0.103 加工步骤:1)用三爪卡盘夹住工件,伸30~40之间。
2)用900刀装在方刀架上,并要对准轴线等。
3)车外圆分粗车n=360~410 ƒ=0.10 a p=0.5~1加工留精车余0.2~0.3。
4)精车刀尖要锋利,n=50~57 ƒ=0.08~0.10 a p=0.2~0.3达图。
技能节活动普通车工比武计划书一、比赛工种二、项目负责人三、参赛班级和人数四、赛前训练指导方案分散辅导五、比赛工作人员和场地比赛工作人员:场地:车工场地六、比赛时间安排预赛:决赛:七、制定竞赛内容、要求、评分标准和器材准备、评比人员1、竞赛内容:见所附《技能节活动普通车工比武工件图》及《技能节活动普通车工预赛工件图》2、考试要求:(1)严格按照本计划书所列参赛者名单组织比赛,冒考、作弊、缺考均作零分处理。
(2)考试开始前10 分钟进入考场抽签、准备工量具,抽签后将所抽编号交于监考老师登记;监考老师宣布考试开始方可进行操作。
(3)考试开始30 分钟后,不允许考生进入考场。
(4)进入考场,只准携带考试必备用品参加考试。
随身携带的电子记事本、寻呼机、移动电话(应处于关闭状态)与其它物品一起放到考场内的存包处。
(5)考试过程中,不得喧哗,不准串岗、交头接耳、打手式做暗号,不准替他人加工工件;如有疑问,可向监考老师提出。
(6)工件完成后交于监考老师贴标签收回。
(7)监考老师宣布考试结束,停止操作、工件统一上交。
(8)考生不得将考试场地中的工件、工量具带出考场。
3、评分标准见所附《技能节活动普通车工比武评分表》及《技能节活动普通车工预赛评分表》4、器材准备(1)学生考试所需工量具:Φ40X100,Φ60X30,90度外圆车刀,45度外圆车刀,切槽刀,内孔车刀,游标卡尺,0~25mm千分尺,25~50mm千分尺,莫氏四号套筒(2)评比人员所需测量量具:游标卡尺,0~25mm千分尺,25~50mm千分尺,百分表,莫氏四号套筒5、评比人员6、其他考生签到于《技能节活动普通车工比赛签名》成绩登记于《技能节活动普通车工成绩登记》年月日班级________姓名________得分________评分标准:1、直径尺寸合格得该项全配分,超差50%以内得该项一半配分;超差50%以上该项不得分。
2、长度尺寸合格得该项全配分,超差50%以内得该项一半配分;超差50%以上该项不得分。
河南省商务学校《普通车工》专业技能考核方案一、考核对象专业所有在校学生.二、考核时间考核采用现成实际操作及相关问题回答形式,考生为一人一工位。
考核时间共180分钟。
三、考评人员杨尚华四、考核项目1、车床基本知识及基本操作方法a、车工安全操作知识。
b、机床保养。
2、外圆的加工a、掌握工件的正确装夹。
b、正确选择和安装刀具。
c、掌握端面、台阶轴的车削及检验方法。
e、掌握沟槽轴的车削及检验方法。
f、掌握工件对称轴的车削及检验方法。
g、掌握圆锥面车削方法3、螺纹的加工a、掌握车削螺纹的方法。
b、掌握用螺纹规检查方法。
4、槽类零件的加工a、掌握车削外沟槽的方法。
b、掌握车削内沟槽的方法。
c、掌握切断的方法5、孔的加工a、掌握在车床、钻床上进行钻孔及铰孔的操作要领和工艺特点。
b、外圆的加工五、考试细则考前30分钟,先进行机床的检查,刀具清点。
如车刀头,刀尖有无裂纹破裂,机床有无异常,量具是否准确。
应在开考前报告监考老师,若不报告监考老师,视为破坏刀具,量具,机床处理。
开考后,应根据图纸和工具清单,合理利用设备,量具,刀具,发现缺少或错发在开考20分钟内提出,监考员给予更换补发。
超过20分钟允许补发但给予扣分。
备注:(1)考试时间为200分钟。
考生超时在20分钟之内,可以酌情扣分;超时20分钟仍未完成全部加工内容,该考生成绩为不及格。
(2)加工过程中,若出现违规操作或因操作不当引起重大设备事故,该考生成绩为不及格。
七、考试成绩管理及补考要求所有考核成绩,经考核组负责人签字后方生效。
考评员将签名的成绩册交系部,有系部上交教务处,并有教务处统一管理。
对不合格的考生下学期给予一次补考机会。
《车工》阶段性考核标准1.职业概况1.1职业名称车工。
1.2职业定义操作车床,进行工件旋转表面切削加工的人员。
2.基本要求2.1职业道德2.1.1职业道德基本知识2.1.2职业守则(1)遵守国家法律、法规和有关规定;(2)具有高度的责任心、爱岗敬业、团结合作;(3)严格执行相关标准、工作程序与规范、工艺文件和安全操作规程;(4)学习新知识新技能、勇于开拓和创新;(5)爱护设备、系统及工具、夹具、量具;(6)着装整洁,符合规定;保持工作环境清洁有序,文明生产。
2.2基础知识2.2.1基础理论知识(1)识图知识。
(2)公差与配合。
(3)常用金属材料及热处理知识。
(4)常用非金属材料知识。
2.2.2机械加工基础知识(1)机械传动知识。
(2)机械加工常用设备知识(分类、用途)。
(3)金属切削常用刀具知识。
(4)典型零件(主轴、箱体、齿轮等)的加工工艺。
(5)设备润滑及切削液的使用知识。
(6)工具、夹具、量具使用与维护知识。
2.2.3钳工基础知识(1)划线知识。
(2)钳工操作知识(錾、锉、锯、钻、绞孔、攻螺纹、套螺纹)。
2.2.4电工知识(1)通用设备常用电器的种类及用途。
(2)电力拖动及控制原理基础知识。
(3)安全用电知识。
2.2.5安全文明生产(1)安全操作与劳动保护知识(2)文明生产知识(3)环境保护知识2.2.6质量管理知识(1)企业的质量方针(2)岗位质量要求(3)岗位质量保证措施与责任。
普通车床操作技能考核方案
(一)考核范围
考核用普通车床加工工件能力,在规定时间内完成规定零件的加工,零件包含所学表面的加工。
(二)考核内容和要求
1、考核办法
实行限时限任务,时间为2-3小时为宜。
考生抽签决定上机床操作的时间和机位,每位考生考前按考题图样及加工要求叙述加工工序。
考生成绩视其加工的工件质量及文明生产情况进行评分。
总分以考试成绩加平时成绩之和为准。
2、考前准备
考生分别抽取上机床操作时间段,各自检查机床运行情况和工卡量具配备状况5分钟,尔后按图样加工。
3、考核
监考人员发出开考指令方可开始进行加工,其间若有严重违反操作规程,导致危险存在,须立即停止其考试,并取消考试资格。
考核期间考核员对考生文明操作及时工卡量具等使用情况进行打分。
4、结束
考试时间到,每位考生上交工件,或者考生提前做好工件并上交,则考试结束,所有工件统一编号作标记,交由考核员盲审评分。
与文明操作分值相加,即为最终考核成绩。
(三)评分标准
能在规定时间内完成相应工件加工。
尺寸和表面质量符合图样要求,工件成绩在70分及以上,并且能文明操作,则为优。
若能完成工件加工,尺寸和表面质量基本符合图样要求,成绩在50分及以上,并且基本符合文明操作要求,则为良,工件未完成或者尺寸超差过大,或者有较严重违反操作规程者,为不合格。
(四)考试时间:23日早上3、4节和12月27日5、6节。
(五)考试地点:数控车间
附:
普通车床操作技能考核样图
毛坯Φ45×80mm.
技术要求:
1、未注倒角0.5×45º,未注公差IT12。
2、不得用油石、砂布等工具对加工表面进行修饰。
车工试题轴件
时间材料
120分钟45#
图号:1。