办公楼建筑设计-案例分析与设计规划(多层综合办公楼设计任务书分析及实例分析)
- 格式:ppt
- 大小:27.43 MB
- 文档页数:1
第 1 章绪论对于综合楼写字楼,大多数人会认为都是类似的,无个性、无创新的建筑。
但是,随着社会的进步、经济的不断发、人民生活水平的提高和家庭、社会对办公投资的加大,越来越多的人开始关注并重视办公硬件设施,尤其是办公规模、规划布局、建筑形象、结构设计。
所以,一个设计新颖、功能齐全、使用方便、形象完好的写字楼不仅能够给人们带来舒适的工作环境,还可以给人以新的认识,可以提高各公司和企事业名气,代表公司形象,甚至可以成为一个公司的门面。
写字楼建筑设计时根据写字楼的使用功能和标准对平面布置进行了合理安排。
该综合楼写字楼的结构设计局部完成了该房屋的结构平面布置,以一榀横向框架为例对框架进行了竖向恒荷载、竖向活荷载、风荷载作用下的内力计算、内力组合及承载力计算,并且设计了独立根底。
根据以上设计绘制了相应的建筑施工图和结构施工图。
目前,我国建筑中仍以钢筋混凝土结构为主,钢筋混凝土造价较低,材料来源丰富,且可以浇筑成各种复杂断面形状,节省钢材,承载力也不低,经过合理设计可以获得较好的抗震性能。
框架结构体系的主要特点是平面布置比拟灵活,能提供较大的室内空间,对于写字楼类楼房是最常用的结构体系。
随着中国经济的进一步开展和城市化的拓展,写字楼的建设进入了一个崭新的开展时期,国内目前对办公建筑的研究主要有办公建筑的工程性探索和建筑表皮的研究,如?建筑师?杂志第110期专门以“建筑表皮〞为主题展开讨论;还有其他专业杂志上也有不少关于建筑表皮的文章,多数是对建筑表皮形式内容的探索。
但通过对这些文章的研读,使我们了解了建筑表皮无论是对办公建筑的室内环境还是能耗,都起着至关重要的作用。
而国外对办公建筑的研究较早,特别是对建筑表皮的研究,其中比拟有名的是托马斯、赫尔佐格、雅格等。
慕尼黑工业大学的托马斯、赫尔佐格教授是德国著名的建筑师和建筑教授,他以关注技术、注重生态而享誉国际建筑界。
从以上现状来看,作为一个土木工程专业毕业的本科生,毕业设计是大学阶段尤为重要的一个环节,它是对我们大学阶段所学知识的一次综合运用。
现代综合办公楼的建筑设计分析摘要:综合办公楼是办公中心,活动中心和指挥中心。
综合办公楼的设计不仅满足了工厂的生产和办公需求,也是突出企业文化的重要建筑。
本文分析了综合办公楼的建筑设计,为综合办公楼的建筑设计提供参考。
对于相关领域科研工作者和同行业工作人员具有十分重要的参考意义。
关键词:综合办公楼;建筑设计;综合性引言办公楼是人们日常生活中的工作场所。
在设计时,要注意环境,功能布局合理,使用户能够感受到设计者的意图,能够有效地发挥办公楼的主要功能。
如今,大力推进企业文化建设,企业更加注重综合办公楼的设计。
建筑师如何根据工厂的需要设计,满足工作办公室的要求,突出企业文化,并符合发展计划。
性办公楼也成为综合办公楼设计的重点研究和实践的主题。
在现代综合办公楼中,在建筑设计中,需要诸如总体布局优化,平面功能划分和空间分隔以及节能设计等项目,以确保综合办公楼设计满足工厂的要求。
1 综合办公楼总体布局优化设计建筑平面图,立面图和剖面图设计是根据建筑用地条件,建筑物使用功能和周围城市环境特点进行设计思考的。
建筑走道组合采用单层内部走廊布局,并设置两个双层楼梯。
考虑到楼层很多,根据规格设置了两部电梯。
在建筑物的立面上,将使用大面积玻璃幕墙或窗扇来满足办公室的照明要求并增加视觉透明度。
为了增强立面效果,竖井墙被加合。
与此同时,入口将突出显示,给人一种强烈,稳重的感觉。
1.1 优化办公楼的选择综合办公楼是一座综合性建筑,为工厂和其他项目提供服务,为工作和发展服务。
综合办公楼的办公楼和指挥中心必须建成便利的交通和通讯。
办公楼建筑面积也应尽量减少对正常生产和物料运输的影响。
为了营造良好的办公环境,我们必须尽力营造良好的办公环境。
避免噪音源和污染源。
此外,综合办公楼还负责接待客户并提供商务谈判场所。
因此,综合办公楼通常设计在方便和宽敞的位置,如入口和广场。
1.2 环境对办公楼位置的影响综合办公楼体现了公司的内部文化,是外汇活动的主要场所。
大型政府综合性办公空间项目,办公综合体案例分析!开放与尊重政务服务中心由四栋塔楼和连接塔楼的裙房围合而成,建筑面积10.2万平方米。
汇集了二十多家市级委办局,为全市居民、企业提供包括民生、社保、税务、公安、出入境、公共资源交易、投资建设、市场准入、社会综合管理等一站式服务。
设计者回望的视线和思考已从之初的设计本体抽离开,更为关注的是于当下快速变化的时代背景之下,城市公共职能的管理者和公民空间以及被服务对象之间的决策、激发、引导、契合关系,活动对象由此获得的身体与精神层面的愉悦感和被尊重感,藉民生活动推动城市的活力。
原点 | Origin作为大型政府综合性公共职能空间项目,过程、周期与落地性会有很大的不确定和不可控因素,有时甚至是“吃力不讨好”,你们的感受是什么?A: 从时间上讲,确实是我们历时最久的一个项目,投入的精力也很大,有些是成果里看不到的。
你说的“讨不讨好”的逻辑大概是基于从结果去倒推。
其实过程的价值会更大,这是每个人的价值观和建筑观的问题。
设计离不开时代大背景特征,各种不确定性也是时代变化的映射,比如说随着网络和社交媒体的变化带来的工作生活方式变化以及政府机构改革的变革,早期规划的分类、数量、工作流程都会被打乱重置。
包括专业上的建筑防火规范、防排烟规范的更新带来的连锁反应都不是设计之初可以预料到的。
如何让城市空间与社会、自然发生良性互动,改善人与人之间关系,使更多的市民从建筑中获得尊重和尊严,设计能改变的哪怕只是一小点,也是有价值和“讨好”的。
光线 | Light从完成情况看,项目比较注重光线的梳理和铺陈,这与空间表达有怎样的关系?A:光线经常被人片面理解为光影和明暗,其实光定义的是形状、颜色、距离、大小等信息,光线体现秩序,光线带来的情绪和身体感知,否则John.Lobell那本著名的《Between Silence and Light》,就变成了“Shade and Light”。
办公楼整体布局和建筑规划设计方案1. 引言办公楼是一个企业的核心办公场所,其整体布局和建筑规划设计方案对于提高办公效率、员工舒适度和企业形象具有重要意义。
本文将重点讨论办公楼整体布局和建筑规划设计方案的相关要点。
2. 办公楼整体布局方案2.1 办公空间布局办公楼的办公空间布局是关键要素之一。
根据企业的需求和文化特点,应将办公空间划分为各个功能区域,如开放办公区、会议室、休闲区、储藏室等。
合理的办公空间布局能够提高工作效率和员工的工作满意度。
2.2 办公楼通道设计办公楼的通道设计应该考虑到员工的移动便捷性和消防安全。
通道应设立在合适的位置,以最大限度减少员工行走的时间,并注意通道的宽度和高度,确保员工的安全和便利。
2.3 办公楼设备布置办公楼的设备布置需要充分考虑人们的使用惯和工作需求。
电源插座和网络接口应该布置在员工容易接触到的地方,以便于员工使用各种电子设备。
同时,要合理安置空调、照明和通风设备,提供良好的工作环境。
3. 办公楼建筑规划设计方案3.1 建筑外观设计办公楼的建筑外观设计应该符合企业的形象定位和品牌形象。
建筑的外观设计可以采用现代化的风格,以凸显企业的创新和时尚。
3.2 环保设计办公楼的建筑规划设计方案应该注重环保性能。
在建筑材料的选择上,应优先选用可再生、可循环利用的材料,以减少资源消耗和环境污染。
同时,要合理设计能耗系统,如采用节能照明、高效空调系统等。
3.3 空间灵活性设计办公楼的建筑规划设计方案应具备空间灵活性,以适应企业的发展和变化。
空间可以通过可移动的隔断墙来划分,以便随着企业的变动而调整空间使用。
4. 总结办公楼整体布局和建筑规划设计方案对于提升企业形象和员工工作效率至关重要。
在布局方案上,合理划分办公空间、关注通道设计和设备布置是关键点。
在建筑规划设计方案上,外观设计、环保性能和空间灵活性都需要充分考虑。
通过制定合理的方案,可为企业提供一个舒适、高效的办公环境,为企业的发展注入新的活力。
现代多层办公建筑综合体的规划设计要点分析经济的快速发展加速了人们生活、办公的节奏,办公建筑是人们办公的最主要地点。
办公建筑规划设计合理与否对于实现办公功能,实现以人为本的建设理念有着十分重要的意义。
办公建筑综合体是现今乃至今后一段时间办公建筑设计发展的重要趋势,通过做好办公建筑综合体设计,激发建筑的生命力,使得办公建筑综合体能够发挥出整体效应,更好的为办公服务。
文章在分析多层办公建筑综合体设计特点的基础上对如何做好多层办公建筑综合体的规划设计进行分析阐述。
标签:多层建筑;综合体;规划设计前言多层办公建筑是办公建筑中的组成結构之一,做好多层办公建筑综合体的规划和设计,充分发挥多层办公建筑综合体的结构特点,使得多层办公建筑综合体的功能得以良好的实现是多层办公建筑综合体规划设计的重点。
文章在分析多层办公建筑综合体结构功能特点的基础上对多层办公建筑综合体规划设计的要点难点进行了介绍。
1 多层办公建筑综合体的设计要点在多层办公建筑综合体的规划设计中要注意以下几点:(1)做好对于多层办公建筑综合体中的公共使用、服务空间的合理营造,在这一过程中要积极营造以中庭空间为主、其他使用空间相结合的平面布局结构,从而有利于促进人与人之间的公共交流,在多层办公建筑综合体中的卫生间、电梯间、设备间等的多层办公建筑综合体中的功能性结构应尽量将其集中化进行设计布局,从而使得多层办公建筑综合体中的使用空间、交通空间、设备空间等各功能区域布局明确,便于下一步的综合体内部隔间的设计。
(2)在多层办公建筑综合体的设计过程中,需要从综合体的使用者的角度进行出发来进行规划设计,在办公人员隔间的设计上需要将办公人员私密小隔间与敞开式办公平面格局相结合的方式,既实现了办公的需求同时也为工作人员提供了一种轻松舒畅的平面工作空间。
(3)做好多层办公建筑综合体内部空间中新型建筑材料的使用。
(4)多层办公建筑综合体的结构差异要与周边的交通相互协调。
随着经济的快速发展,对于多层办公建筑综合体的办公功能也提出了新的需求,总体来说,多层办公建筑综合体的发展有着以下一些特点:(1)多层办公建筑综合体内部的办公、餐饮、休闲等各项功能围绕着中庭布局的设计模式,更好的实现综合体内的各项功能的协调统一。
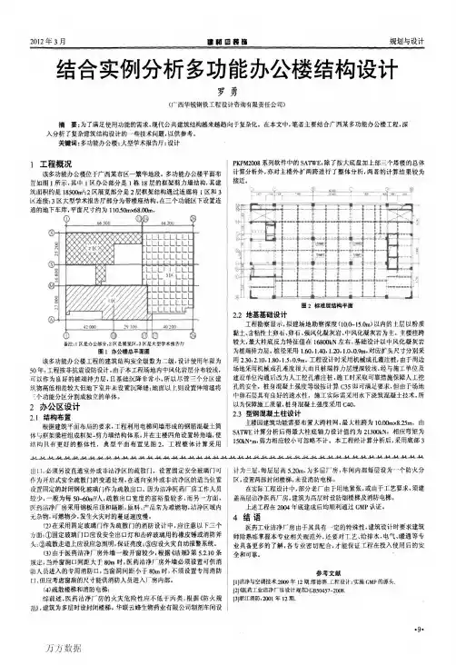
办公楼的建筑设计(精选5篇)办公楼的建筑设计范文第1篇【关键词】工程办公楼建筑设计分析基础本工程为五层框架结构,建筑物总高度为17.25m,抗震设防烈度为7度,设计基本地震加速度为0.15g,设计地震分组为第一组,建筑抗震设防类别为丙类,框架结构抗震等级为三级,结构安全等级为二级,结构正常使用年限为50年。
室内设计标高为±0.000,相对于肯定标高0.450m,室内外高差为450mm。
建筑物的耐火等级为二级。
图纸中标高以米计,尺寸以毫米计。
由于建筑物总长度为54.6m,没有超过了《混凝土规范》GB50010—2023第9.1.1条伸缩缝最大间距为55m要求,在结构设计计算中,首先进行结构选型和结构布置,确定承重体系。
1 设计要点1.1 建筑平面设计(1)依据建筑功能要求,确定柱网的尺寸,然后,再逐肯定出各房间的开间和进深;(2)依据交通、防火与疏散的要求,确定楼梯间的位置和尺寸;(3)确定墙体所用的材料和厚度,以及门窗的型号与尺寸。
1.2 建筑立面设计(1)确定门窗的立面形式。
门窗的立面形式肯定要与立面整体效果相协调;(2)与平面图对比,核对雨水管、雨棚等的位置及做法;(3)确定墙体立面装饰材料做法、颜色以及分格艺术处理的认真尺寸。
1.3 建筑剖面设计(1)分析建筑物空间组合情况,确定其最合适的剖切位置。
一般要求剖到楼梯及有高处与低处错落的部位;(2)进一步核实外墙窗台、过梁、圈梁、楼板等在外墙高度上的关系,确定选用那种类型的窗台、过梁、圈梁、楼板及其形状和材料;(3)依据平面图计算确定的尺寸,核对楼梯在高度方向上的梯段的尺寸,确定平台梁的尺寸。
2 方案设计本方重要特点:突出“以人为本”,努力制造功能合理,经济适用,安全舒适,环境美妙,充足现代人工作的办公楼,方案可实施性较强。
2.1 建筑平面设计平面上力求简单、规定、对称,整个建筑平面为“一”字形,既有利于自然采光和自然通风,同时又有利于抗震。
城市办公楼综合体建筑设计任务书成都理工大学旅游与城乡规划学院建筑学专业2009级指导教师:肖瑜李艳菊一、建筑设计步骤和方法1、资料分析明确任务,包括了解设计的内容和要求:熟悉设计资料;进一步收集和阅读有关资料。
(1)建筑耐火等级:使设计者了解设计对象的质量标准。
查阅防火规范,以便确定平面设计中应解决的问题。
(2)自然气侯条件:根据设计地区的气侯条件,确定排水、防水、防潮处理,考虑取暖、隔热、通风等要求以及建筑色彩的确定。
(3)地震烈度:根据该地区地震烈度,确定相应的抗震设防。
2、设计研究在掌握设计基本资料的基础上,应用所学原理及系统理论方法,采取先原则后具体、先有构思后做设计、先分析后动手、由浅入深的方法顺序交叉的进行设计。
(1)根据设计任务书,明确目标,拟定原则,蕴酿构思。
(2)总平面设计对所给地形进行分析,按照任务书所提的要求,合理进行功能区划,对人流、车流、疏散广场、绿地的规划与分析。
处理好建筑与环境的关系,并满足城市规划及防火规范要求。
(3)建筑平面及空间设计熟悉了解该类建筑的特点和功能要求,根据任务书所提供的要求,进一步研究其功能分区,从总体布局上运用建筑设计构图原理,处理好该建筑的型体,立面细节处理。
要适合于当地的特点,并能体现该建筑的个性。
(4)建筑结构选型设计:重点了解常用结构类型的空间结构形态及其结构体系的特征与适用范围,熟练掌握结构选型的基本方法。
(5)建筑构造设计了解和熟悉有关构造的特点以及对建筑方案的影响;熟悉各类墙体以及屋盖的特点,根据使用功能和自然条件的要求,正确选择构造方案。
熟悉全国统一编制及地区部委或的建筑构配件标准图集,设计中尽可能参考和选用并对其设计方案中局部具有特点的构造能自行设计。
(6)设备设计掌握建筑设备的相关知识,了解配电房、水泵房、电梯设备间、消防控制室等相关设计知识。
(7)方案设计平面设计①根据基本资料,设计依据及参观调研结果,确定建筑平面功能分区及内部联系。
例析现代多层办公楼建筑设计一、工程概况某办公楼工程基地净面积(规划退红线后)为20080m2,总建筑面积约17980m2,容积率为0.895。
在此基地进行首期项目建筑设计,主要功能以满足业主办公、产品开发、物流调配及业务洽谈等日常工作的需求而设计。
本工程地势平坦,周边自然环境颇佳,地块北面临景色优美的海滩。
二、现代企业办公楼设计的理性解读主题化、个性化、人性化、配套化及生态化是办公楼建筑设计发展的趋势,是建筑师必须面对并能激发创作灵感的重要课题。
首先应当指出,追求主题化、个性化并非意味着建筑师的作品从此有理由单一的为了标新立异、凸现自我而与周边环境格格不入。
相反,建筑师的作品应当更多地关注基地周边乃至整个区域的协调发展,从而避免建筑作品在整个区域中显得很别扭,甚至对基地周边原本良好的自然环境资源造成难以弥补的破坏。
其次,强调办公环境的优劣不仅仅是指基地周边具备良好的自然环境资源,而能否给使用者创造一个宜人工作、生活、休息及交流空间是至关重要的。
工作、就餐、休息、娱乐及交流诸多空间各得其所。
功能配套,环境优美,对于业主的高效运转以及增强员工的凝聚力和归属感是不容忽视的要素。
建筑师针对地段的自然特质、建筑与周边环境的关系、建筑使用者与内外空间的互动这三个特点进行了理性的分析与研究,运用简洁、克制的设计手法塑造现代办公建筑形象。
三、理性的设计所谓理性就是接受现实客观存在并做出合理反映的态度。
没有理性的开始多半会导致后继过程的失控。
办公楼的设计首先应当充分结合地块实际状况和项目所在区域特点,进行怎样的定位。
如何将建筑物安置在基地环境中,会直接影响到建筑物的美学品质。
办公楼的办公形态主观需求,已从聚集化、标准化向分散化、个性化转变。
有条件时,办公建筑的容积率宜控制在1以内,办公建筑的层数则可控制在6层以下,整体规划的布局能够做到相对灵活,各功能的空间处理、区内建筑物之间的栋距能够完全滿足规范要求,且区景宽阔,园林绿化和景观面积大,交通流线和建筑物通风采光良好。
对综合办公楼的建筑设计的相关解析发布时间:2021-07-23T09:28:26.367Z 来源:《房地产世界》2021年5期作者:王飞[导读] 随着城市规模的扩大与发展,综合型办公楼建筑设计已经成为建筑设计的重点内容,也是工程项目设计的重要组成部分。
同时也为办公建筑行业提供了很多发展空间,从设计的角度上使管理模式、使用寿命、建设规模和标准都发生了一些变化。
本文浅谈对综合办公楼建筑设计要点,并对设计要点进行分析与思考,从结构设计、建筑设计、节能设计等多个角度为综合办公楼提供稳定性发展。
王飞南通华荣建设集团有限公司南京建筑设计分公司江苏南京 210000摘要:随着城市规模的扩大与发展,综合型办公楼建筑设计已经成为建筑设计的重点内容,也是工程项目设计的重要组成部分。
同时也为办公建筑行业提供了很多发展空间,从设计的角度上使管理模式、使用寿命、建设规模和标准都发生了一些变化。
本文浅谈对综合办公楼建筑设计要点,并对设计要点进行分析与思考,从结构设计、建筑设计、节能设计等多个角度为综合办公楼提供稳定性发展。
关键词:综合办公楼;建筑设计;设计研究一、综合办公楼建筑设计从总平面布置在进行综合办公楼建筑设计时首先应对综合办公楼建筑设计进行平面规划,应结合周边设施设计出入口并对广场、周围环境等因素进行综合考虑,还需要合理安排综合办公楼建筑与周围设施的联系,尽可能让综合办公楼建筑周围设施齐全。
从空间、体形、平面布置、结构、建筑群体等角度进行设计,以此满足综合办公楼的总平面布置需。
在进行综合办公楼建筑设计总平面布置时可以参考规范性建筑。
例如。
某综合办公楼工程总建筑面积3.1万平方米,建筑总高度30.4米,框架剪力墙结构,是一座在城市中心建设的办公楼、楼层高24层,工程建筑设计采用“日”字形平面布置。
工程外立面体现了商业化风格的独特外墙设计,有效做到办公区与生产区与城市建设的联系,并将竖向空间的高低错落布置都在建筑外墙体现中。