护理药理学第三十二章肾上腺皮质激素类药物
- 格式:ppt
- 大小:1.18 MB
- 文档页数:12
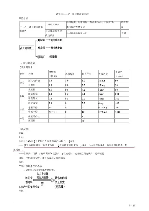
药理学——肾上腺皮质激素类药考情分析1.药理作用、作用机制、药动学特点、临床应用、熟练掌糖皮质激素二十八、肾上腺皮质激不良反应及禁忌证握素类药 2.促皮质素和盐了解药理作用和临床应用皮质激素一、糖皮质激素【常用药物】类别药物糖代谢水盐代谢抗炎作用等效剂量半衰期(比值)( min)短效氢化可的松 1.0 1.0 1.020 mg90可的松0.80.80.825 mg30泼尼松 3.50.6 4.0 5 mg60中效泼尼松龙 4.00.6 4.0 5 mg200甲泼尼龙 5.00.5 5.0 4 mg180曲安西龙 5.00 5.0 4 mg180长效地塞米松300250.75 mg200倍他米松30~ 350250.75 mg>300外用氟氢可的松12氟轻松40【药动学】吸收:分布:入血后 90%与 [ 血浆蛋白及皮质激素转运蛋白] 结合——肝肾功能障碍时:血浆蛋白和[ 皮质激素转运蛋白] 减少,结合型药物减少,游离型药物增多,药效增强。
——雌激素:可使[ 皮质激素转运蛋白] 合成增加,使游离型药物减少,药效减弱。
口服、注射均可吸收,亦可从皮肤、黏膜吸收代谢:严重肝功能不全的患者——只宜用氢化可的松或泼尼松龙。
排泄:——肝肾功能不良时,半衰期延长。
——苯巴比妥、苯妥英钠和利福平等肝药酶诱导剂与皮质激素合用时,则加快其分解,故需增加用量。
【药理作用】→【生理功能】(1)抗炎作用(2)免疫抑制(3)抗毒(4)抗血液系统疾病(5)抗休克(6)兴奋中枢神经系统(7)抗过敏,对下丘脑和垂体的负反馈影响“应激反应 ! ”“回光返照 ! ”(1)抗炎作用特点:1)对各种原因引起的炎症都有效2)对炎症各期都有效3)抗炎不抗菌——用于严重的感染,但不能抗感染应用:1)急性炎症(早期):减少渗出,缓解红/ 肿 / 热/ 痛。
2)慢性炎症(晚期):减轻瘢痕和粘连。
抗炎机制1)抑制炎症相关因子的基因转录;如: PG↓、白三烯(LTS)↓、 NO↓、缓激肽↓、炎性细胞因子↓2)促进抗炎因子的基因表达;如:脂皮素↑3)抑制炎症相关受体基因的表达;——强大!彻底!完全!(2)免疫抑制小剂量主要抑制细胞免疫,大剂量可抑制体液免疫。
第三十二章肾上腺皮质激素类药糖皮质激素类药氢化可的松、泼尼松、地塞米松的体内过程特点、药理作用、主要作用机制、临床应用、不良反应及其禁忌证糖皮质激素类【体内过程特点】1.吸收:口服或注射都可吸收。
2.分布:入血后与皮质激素结合球蛋白(CBG)特异性结合。
CBG在肝脏合成。
肝病时——结合减少,游离增多——激素的不良反应增大。
3.代谢:肝脏代谢。
分类药物血浆半衰期生物半衰期短效可的松氢化可的松90min8~12h中效泼尼松泼尼松龙3~4h12~36h长效地塞米松倍他米松>5h36~72h【生理作用】--升糖、解蛋、移脂、保钠1.糖代谢—升高血糖;2.蛋白质代谢—抑制合成,分解加快,负氮平衡;3.脂肪代谢----促进分解,脂肪重新分布,向心性肥胖;4.水和电解质代谢----保钠排钾排水。
【药理作用】一句话:一抗炎、二抗免、三抗毒、四抗休、五血液、六其他1.抗炎作用(1)抗炎强大、迅速、凡炎皆抗,对感染性、非感染性(过敏性、机械性、化学性)炎症均有效——“万能灵药”。
(2)对炎症不同阶段均有抑制作用:①早期——渗出减少,改善症状;②后期:延缓肉芽组织生成,防止粘连及瘢痕形成,减轻后遗症。
【抗炎实质】实质:提高了机体对炎症的反应性;不足——降低了机体的防御机能。
激素的抗炎是“穿着石棉衣站在火里”——不怕火烧——但不救火、也不灭火。
【注意!】感染扩散、创面愈合延迟。
(3)抗炎机制——略。
①抑制磷脂酶A2(PLA2),减少前列腺素(PGs)和白三烯(LTs)等炎性介质合成;②抑制细胞黏附分子表达和有关细胞因子基因的转录;③稳定肥大细胞膜和溶酶体膜,减少组胺释放;④抑制肉芽组织形成,防止粘连及瘢痕形成。
2.免疫抑制作用(抗免疫)不同剂量作用有异——【记忆】“小细大体。
”大剂量:抑制体液免疫。
3.抗毒作用——不是抗病毒!TANG对抗毒素对机体的刺激性反应,缓解毒血症症状。
抗毒机制:抑制NO(一氧化氮)合酶,降低NO水平。