温州市就业失业登记证申请表
- 格式:doc
- 大小:35.00 KB
- 文档页数:3
就业失业登记证申请表一、引言就业失业登记证是用于记录持证人在不同时期就业和失业状况的重要证件,对于保障公民的劳动权益,促进就业,具有重要的意义。
本文将详细介绍就业失业登记证的申请流程及所需材料。
二、申请流程1、准备材料:在申请就业失业登记证前,申请人需要准备以下材料:(1)原件及复印件;(2)户口本原件及复印件;(3)近期免冠照片;(4)所在社区开具的居住证明。
2、填写申请表:申请人需在所在社区或街道劳动保障服务机构领取就业失业登记证申请表,并按照要求填写完整。
3、审核材料:申请人将填写完整的申请表及所需材料提交给所在社区或街道劳动保障服务机构进行初审,初审通过后,报送至县级以上公共就业人才服务机构进行复审。
4、领取证件:经审核通过后,申请人可在规定时间内领取就业失业登记证。
三、注意事项1、申请人需如实填写申请表及提供真实材料,如发现有虚假信息,将承担相应的法律责任。
2、申请人在领取就业失业登记证后,需妥善保管,如遗失或损坏,应及时向发证机构申请补发。
3、就业失业登记证的年审:每年持证人需在发证机构进行年审,以确保信息的准确性。
四、结语就业失业登记证是保障公民劳动权益的重要证件,持证人在就业、失业过程中可以享受国家的优惠政策。
因此,了解如何申请就业失业登记证及注意事项,对于有就业需求的公民来说,具有重要意义。
通过申请流程的规范化和透明化,也可以有效防止虚假信息的产生,保护公民的合法权益。
就业失业登记证审批表一、引言在当今社会,就业问题一直是最为的社会议题之一。
就业失业登记证是保障劳动者权益,提供就业服务的重要依据。
本文将详细解析就业失业登记证审批表的各项内容及填写规范,帮助大家更好地理解和掌握。
二、就业失业登记证审批表概述就业失业登记证审批表是用于记录和证明劳动者就业和失业状态的重要文件。
该表格由劳动部门统一印制和发放,并由用人单位和劳动者按规定填写。
通过填写该表格,可以有效地跟踪和掌握劳动者的就业情况,为提供精准的就业服务提供依据。
《就业失业登记证》申请表登记日期: 年月日姓性民出生名别族年月照户籍所县乡(镇、街道) 在地片农业非农业户籍常住区镇(街道) 路号性质地址联系身份证号码电话登记人是否属就业就业失业员类别援助对象登记证号学历及变更情况日期毕业于何校何专业学历备注职业资格、专业技术职务及变更情况日期职业资格、专业技术职务名称与等级备注乡镇核劳发动单保位障意事见务所注:一、人员类别指:1、国有企业职工2、城镇劳动力3、城镇新成长劳动力4、高校毕业生5、退役军人6、进城务工农村劳动力7、其他。
二、申请人需提供的材料:1、身份证、户口薄复印(一式两份,劳保所,就业局各一份);2、《就业失业登记证》申请表(一式两份,劳保所,就业局各一份);3、免冠二寸彩照三张;三、学历和职业资格、专业技术职务及变更情况填写后,请附相关证件复印件。
就业登记情况(此表由受理机构指导填写)登记时间就业单位名称实现/终止就业日期经办机构经办人自主就业类型经办人和备注经办机构失业登记情况(此表由受理机构指导填写)失业登记失业登记/注销失业登记类型失业/退出失业日期时间登记原因经办人和备注经办机构就业援助对象认定情况(此表由受理机构指导填写)就业援助对象类型公示时间经办人和经办机构申请人声明本申请表格所填内容正确无误,所提交的证明文件和照片真实无假。
本人明白,不如实填报或提交虚假的资料属违法行为,将会被取消申请资格,并被追究法律责任。
申请人签名:年月日《再就业优惠证》、《江西省就业失业登记证》换证登记《再就业优惠证》原证类别《江西省就业失业登记证》原证证件编号原证发证原证发证日期单位享受社会保险从年月起已享受社会保险补贴补贴情况经办人和经办单位备注申请人申声明本申请表格所填内容正确无误,所提交的证明文件和照片真实无假。
本人明白,不如实填报或提交虚假的资料属违法行为,将会被取消申请资格,并被追究法律责任。
申请人签名:年月日。
《就业失业登记证》申请表登记日期:年月日
注:—、人员类别是指:1、国有企业职工2、城镇劳动力3、城镇新城长劳动力4、高校毕业生5、退役军人6、进城务工劳动力7、其他。
二、申请人需提供的材料:
1、身份证、户口薄复印件(一式二份,乡镇劳保所、县就业局各一份);
2、《就业失业登记证》申请表(一式二份,,双面打印,乡镇劳保所、县就业局各一份);
3、免冠二寸彩色照片三张;
4、户籍所在居委会(农村进城的在常住地居委会)出具的证明材料;
5、相关就业、失业证明材料。
三、学历和职业资格、专业技术职务情况填写后,请附相关证件复印件。
就业登记情况
(此表由受理机构指导填写)
失业登记情况
(此表由受理机构指导填写)
就业援助对象认定情况(此表由受理机构指导填写)。
中华人民共和国《就业创业证》申请表
登记日期:年月日
创业(就业)人员、返乡农民工。
请选择一项填写。
二、就业困难人员:是指已登记失业的城镇“4050”人员、残疾人员、低保人员、失地人员、“零就业家庭”成员、失业一年以上、“双困”高校毕业生。
请选择一项填写。
三、申请人需提供的材料:(所有复印件统一用A4纸)
1、申请表一式两份,并提供身份证原件或社会保障卡供审核;
2、如果是就业困难人员还须提供相关有效证明材料各两份,
4、近期免冠二寸证件照片3张,本表自行打印、复印无效。
咨询电话:4618123。
失业登记申请表
填表日期:年月日失业扩展编号:姓名性别
档案出生年月
出生年月
曾用名民族文化程度婚否
身体状况政治面貌户口性质
身份证号码户口所在地
家庭住址街道办事处社区缴费基数银行卡号
主要工作简历工作时间工作单位及部门离职原因年月至年月
年月至年月
年月至年月
年月至年月
家庭
成员
姓名性别年龄与本人关系工作单位
培训专业缴
费
情
况
视同缴费累计年限
城镇职工缴费累计年限
农民工缴费累计年限
享受失业保险金待遇期限
从年月至年月止共个月,农合一次性个月,失业保险金每月元;其中:前次失业尚未领取个月。
原单
位意见
(签章)
经办人:
失业
保险
机构
审查
意见
(签章)
经办人:
审核人:
失业人员签字:联系电话:年月日备注
特别提示:1、单位与职工解除、终止劳动关系,应于15日内办理失业登记手续。
2、此表一式二份。
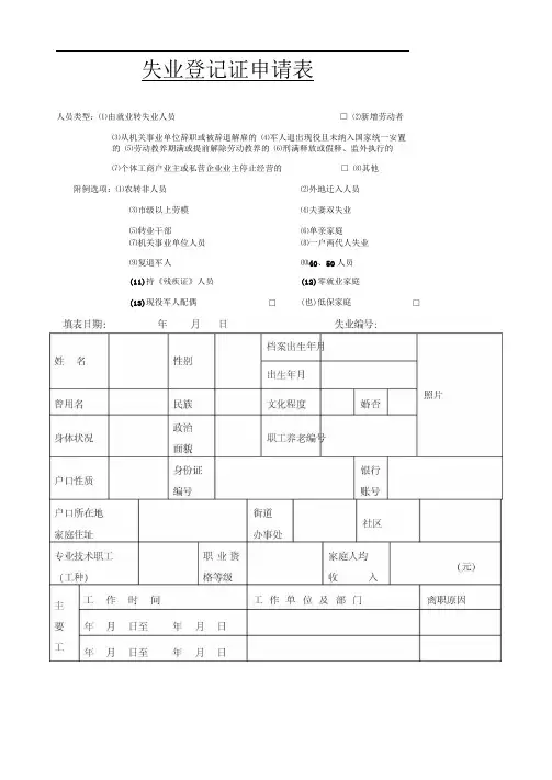
失业登记证申请表
人员类型:⑴由就业转失业人员
⑶从机关事业单位辞职或被辞退解雇的 ⑷军人退出现役且未纳入国家统一安置的 ⑸劳动教养期满或提前解除劳动教养的 ⑹刑满释放或假释、监外执行的
⑺机关事业单位人员
⑻一户两代人失业
⑼复退军人
⑺个体工商户业主或私营企业业主停止经营的
□ ⑻其他
附例选项:⑴农转非人员
⑵外地迁入人员 ⑶市级以上劳模 ⑷夫妻双失业 ⑸转业干部
⑹单亲家庭
(11)持《残疾证》人员 (12)零就业家庭
(13)现役军人配偶
(也)低保家庭 □
□
□ ⑵新增劳动者
⑽40、50人员
特别提示:
1、单位与职工解除、终止劳动关系,应于7日内办理失业登记手续;
2、此表一式两份,请用16开纸反正面打印,失业人员签字处必须本人签字。
失业保险金申领登记表
根据市人力资源和社会保障局烟人社发〔2011〕64号文件规定,现将有关失业职工挂
档注意事项说明如下:
1、失业人员在领失业金期间挂档缴费只缴纳养老保险费,医疗保险费由失业基金统一支付,失业金领取结束后继续挂档缴费的人员养老、医疗保险费全部由个人承担;
2、请谨慎填写上述各栏,一经确定,原则上不再更改。
其中挂档意向栏目,选择是应即时办理挂档手续,逾期办理或经失业科和代理所同意更改挂档意向的(由“不挂档”更改为“挂档”),自办理挂档手续的次月起开始接续养老保险,中断部分不可补缴;
3、办理挂档后必须按时缴费,不能拖欠,如特殊原因终止托管,必须及时报告并办理相关手续,因拖欠或未告知造成的未及时续费或中断社保发生的后果由个人负责。
4、此表一式两份,用16开纸打印,且必须由失业人员本人填写,并承担相应的责任。
就业失业登记申请申请人信息:
姓名:
性别:
出生年月:
身份证号码:
手机号码:
家庭住址:
就业信息:
现单位名称:
单位地址:
职位:
入职时间:
失业信息:
上一家单位名称:
单位地址:
离职原因:
离职时间:
自述:
请您简要陈述您的工作经历和就业现状,包括求职过程、就业状况以及失业经历。
申请理由:
请简要说明为何申请就业失业登记,以及您希望通过此申请获得的帮助和支持。
其他申请:
请您在此列明其他相关申请事项,如失业保险、再就业培训等。
附件清单:
请在此列出您所提供的相关附件清单,如身份证复印件、户口本复印件、房屋租赁合同等。
申请人声明:
我谨此申请就业失业登记,并保证所提供的信息真实有效。
如有任何虚假陈述或隐瞒情况,愿承担相应的法律责任。
申请人签名:日期:。