小熊加湿器使用说明书
- 格式:docx
- 大小:923.71 KB
- 文档页数:8
加湿器使用说明书使用产品前,请仔细阅读本使用说明书!本产品仅限家庭或类似场所使用。
一、产品简介感谢您选用“小熊”牌加湿器!我公司生产的加湿器系列产品,是我公司自主研发的最新高端品种。
外观简约、大气,制作工艺精致,水箱缺水自动断电保护,LED夜光显示,触摸控制,过滤、净化、加湿、热雾一体化设计,使用方便,操作简单,安全可靠。
二、部件及安装图备注:产品图片仅供参考,具体以实物为准。
功能介绍;1.电源键:电源键处于常亮状态、开启电源键可选择其他功能,电源键在开启状态长按2秒为打开本体下方,底盖上方的LED 灯,再次长按两秒为关闭LED 灯,电源键待机状态的颜色为暗蓝,启动后为高蓝色2. 雾量键:可分为:小档、大档共2种档位循环选择,对应档位颜色分别为:小档暗蓝、大档高蓝。
3. 热雾键:选择热雾键可对人体提供适宜的加湿水温,颜色为:黄色。
(提示:开机默认下为:冷雾模式,如需加热,则按一下热雾键,注:在缺水状态下,该功能处于待机状态中,停止加热)4.缺水报警:当水槽中的水低于目标水位时,此时机器将会启动报警,连续响五秒,并且电源键的灯光由“蓝色”转变为“红色”,表示水箱中没有水或及时加水。
益于人体及清洁功能介绍:1. 滤芯净化功能:能够软化、净化水质,提供抑菌作用。
2. 活性炭滤芯功能:提供除臭、去异味、载体、净化、回收等功能。
3. 离子树脂滤芯功能:离子树脂又分为阳离子、阴离子树脂,阳离子树脂能够软化水质,阳离子同阴离子同时使用能够将水净化成纯净水。
4. 复合滤芯:能够软化水质、净化水质、起到积尘降尘、过滤效果,延长震荡片工作寿命。
5. 活性碳滤网功能:用于去除甲醛、过滤二手烟、去异味6.香薰盒:提供加香精的容器。
装配图解:1.水箱:三、 性能特点1. 时尚外观、精致工艺、高端大气、触摸式LED 灯光按键设计。
2. 采用全电子触摸式操作控制程序,操作简单、精美时尚。
3. 具有缺水断电保护功能、安全可靠。
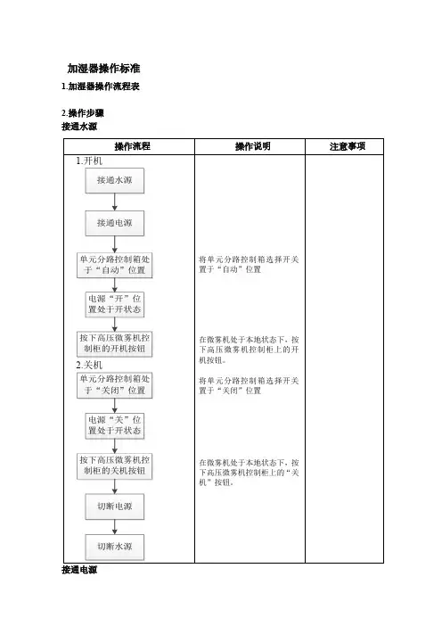
加湿器操作标准1.加湿器操作流程表
2.操作步骤
接通水源
接通电源
2.1开机
(1)将单元分路控制箱选择开关置于“自动”位置,电源“开”关置于开的状态。
(2)在微雾机处于本地状态下,按下高压微雾机控制柜上的开机按钮。
2.2关机
(1)将单元分路控制箱选择开关置于“关闭”位置,电源“关”关置于开的状态。
(2)在微雾机处于本地状态下,按下高压微雾机控制柜上的“关机”按钮。
切断电源 关闭水源
警告:在进行“本地”/“远程”切换时,必须先将微雾主机停机方可进行。
2.3报警仅查看/报警复位
在主机故障(异常)时,触摸屏的主画面会显示“主机异常”并闪烁,按一下触摸屏主画面上的“报警查看”。
当出现报警后,在报警查看画面里会显示日期、时间还有比较详细的报警消息,直接报告汇报领导和联系厂家进行相应处理。
问题解决后按下“报警复位”,重新开机运行。
2.4维护及维护时间复位
当机组每次换油500小时后,主机会出现“换油时间到”指示灯闪烁,在报警画面上的消息框利会显示“柱塞泵需要患有了”。
对主机进行关机并排放废油,加入新的液压润滑油(40#或者46#润滑液压油)。
完成换油后,再按下“维护时间复位”,将之前的累计时间清零
注意:有为不能低于油视镜的1/3,加油不能高于2/3
2.5湿度控制
在单元分路控制箱上有湿度显示屏,根据所需湿度调节湿度。
按住设定按钮,并根据实际情况同时按加/减进行湿度设定。
加湿器使用说明书使用产品前,请仔细阅读本使用说明书!本产品仅限家庭或类似场所使用。
一、产品简介感谢您选用“小熊"牌加湿器!我公司生产的加湿器系列产品,是我公司自主研发的最新高端品种.外观简约、大气,制作工艺精致,水箱缺水自动断电保护,LED夜光显示,触摸控制,过滤、净化、加湿、热雾一体化设计,使用方便,操作简单,安全可靠。
二、部件及安装图功能介绍;1.电源键:电源键处于常亮状态、开启电源键可选择其他功能,电源键在开启状态长按2秒为打开本体下方,底盖上方的LED 灯,再次长按两秒为关闭LED 灯,电源键待机状态的颜色为暗蓝,启动后为高蓝色 2. 雾量键:可分为:小档、大档共2种档位循环选择,对应档位颜色分别为:小档暗蓝、大档高蓝.3. 热雾键:选择热雾键可对人体提供适宜的加湿水温,颜色为:黄色。
(提示:开机默认下为:冷雾模式,如需加热,则按一下热雾键,注:在缺水状态下,该功能处于待机状态中,停止加热)4.缺水报警:当水槽中的水低于目标水位时,此时机器将会启动报警,连续响五秒,并且电源键的灯光由“蓝色”转变为“红色”,表示水箱中没有水或及时加水。
益于人体及清洁功能介绍:1. 滤芯净化功能:能够软化、净化水质,提供抑菌作用。
2. 活性炭滤芯功能:提供除臭、去异味、载体、净化、回收等功能.3. 离子树脂滤芯功能:离子树脂又分为阳离子、阴离子树脂,阳离子树脂能够软化水质,阳离子同阴离子同时使用能够将水净化成纯净水。
4. 复合滤芯:能够软化水质、净化水质、起到积尘降尘、过滤效果,延长震荡片工作寿命。
5. 活性碳滤网功能:用于去除甲醛、过滤二手烟、去异味6.香薰盒:提供加香精的容器。
装配图解:1.水箱:2。
香薰使用方法:三、性能特点1.时尚外观、精致工艺、高端大气、触摸式LED灯光按键设计.2.采用全电子触摸式操作控制程序,操作简单、精美时尚。
3.具有缺水断电保护功能、安全可靠。
4.4L大容量水箱。
加湿器使用说明使用说明1、初次使用加湿器应在室温下放置半小时后在开机使用2、加湿器适宜的工作环境为:温度5-40℃,相对湿度小于80%3、使用温度低于40℃的清洁水(建议使用纯净水)4、长时间未使用仪器应先将水箱、水槽清洗干净。
操作步骤1、从机座上取下水箱,旋转打开水箱盖,将水箱注满水,旋紧水箱盖,平稳的放置在机座上。
2、将喷嘴放在水箱上部的槽内3、接通电源,打开电源开关(无水时严禁开机),电源指示灯亮,加湿器开始喷雾4、调节雾量调节旋钮,选择大小合适的雾量5、刚开机使用的几分钟内,如有少量的雾从周围溢出属于正常现象。
日常维护及保养一些地方水质较硬,钙,镁离子含量高,加之部分地区使用漂白粉等净水剂,在使用加湿器时,一部分钙镁离子会随水雾一起喷出,弥散在物体表面和地面上,干燥后形成像“白粉”一样的水碱,一部分沉淀在换能器及水槽表面,形成水垢,这是水质不纯造成的。
如果在换能器表面上结出水垢,会影响加湿器的加湿效果。
1、保持加湿器清洁的方法使用纯净水加湿,每周清洗换能器、水箱、机▽座。
经常更换水箱中的陈水,保持加湿器洁净,加湿器长时间不用时,水箱及水槽中勿存水。
收藏时请将各部分清洗、擦干或晾干水分后装入包装箱。
2、清洗换能器及机座的方法将清洗剂倒入机座内,然后加入40℃左右的温水,使清洗剂全部溶解,浸泡15分钟,然后用小毛刷清洗换能器表面,直至除去水垢,也可同时清洗机座,用清水清洗机座及换能器表面。
常见故障机排除恒温恒湿培养箱控制箱一、概述此控制器采用温度自适应控制技术进行温度控制,可以用来模拟自然环境(温度、湿度)二、面板显示图一图二图三三、按键、指示灯说明键参数设定键:进入各个参数设定的状态,确定并存储各个参数;键 返回键:正常运行状态时,可以点击查询当前运行状态和各个设定参数,在设定状态时,可以返回至上一个参数设定值。
键 增加键:当运行结束时,长按该键4秒,控制器将从第一段重新开始运行键 减小键 长按该键4秒,控制器进入或退出掉电保护状态(控制器提示“记键 退出键 在任何菜单中,点击该键可以直接退出至正常状态,正常状态时,点击该键可以开启或关闭背光。
加湿器使用说明书欧阳光明(2021.03.07)使用产品前,请仔细阅读本使用说明书!本产品仅限家庭或类似场所使用。
一、产品简介感谢您选用“小熊”牌加湿器!我公司生产的加湿器系列产品,是我公司自主研发的最新高端品种。
外观简约、大气,制作工艺精致,水箱缺水自动断电保护,LED夜光显示,触摸控制,过滤、净化、加湿、热雾一体化设计,使用方便,操作简单,安全可靠。
二、部件及安装图备注:产品图片仅供参考,具体以实物为准。
功能介绍;1.电源键:电源键处于常亮状态、开启电源键可选择其他功能,电源键在开启状态长按2秒为打开本体下方,底盖上方的LED 灯,再次长按两秒为关闭LED 灯,电源键待机状态的颜色为暗蓝,启动后为高蓝色2.雾量键:可分为:小档、大档共2种档位循环选择,对应档位颜色分别为:小档暗蓝、大档高蓝。
3.热雾键:选择热雾键可对人体提供适宜的加湿水温,颜色为:黄色。
(提示:开机默认下为:冷雾模式,如需加热,则按一下热雾键,注:在缺水状态下,该功能处于待机状态中,停止加热)4.缺水报警:当水槽中的水低于目标水位时,此时机器将会启动报警,连续响五秒,并且电源键的灯光由“蓝色”转变为“红色”,表示水箱中没有水或及时加水。
益于人体及清洁功能介绍:1.滤芯净化功能:能够软化、净化水质,提供抑菌作用。
2.活性炭滤芯功能:提供除臭、去异味、载体、净化、回收等功能。
3.离子树脂滤芯功能:离子树脂又分为阳离子、阴离子树脂,阳离子树脂能够软化水质,阳离子同阴离子同时使用能够将水净化成纯净水。
4.复合滤芯:能够软化水质、净化水质、起到积尘降尘、过滤效果,延长震荡片工作寿命。
5.活性碳滤网功能:用于去除甲醛、过滤二手烟、去异味6.香薰盒:提供加香精的容器。
装配图解:1.水箱:三、性能特点1. 时尚外观、精致工艺、高端大气、触摸式LED 灯光按键设计。
2. 采用全电子触摸式操作控制程序,操作简单、精美时尚。
3. 具有缺水断电保护功能、安全可靠。
加湿器使用说明书使用产品前,请仔细阅读本使用说明书!本产品仅限家庭或类似场所使用。
一、产品简介感谢您选用“小熊”牌加湿器!我公司生产的加湿器系列产品,是我公司自主研发的最新高端品种。
外观简约、大气,制作工艺精致,水箱缺水自动断电保护,LED夜光显示,触摸控制,过滤、净化、加湿、热雾一体化设计,使用方便,操作简单,安全可靠。
二、部件及安装图备注:产品图片仅供参考,具体以实物为准。
功能介绍;1.电源键:电源键处于常亮状态、开启电源键可选择其他功能,电源键在开启状态长按2秒为打开本体下方,底盖上方的LED灯,再次长按两秒为关闭LED 灯,电源键待机状态的颜色为暗蓝,启动后为高蓝色2. 雾量键:可分为:小档、大档共2种档位循环选择,对应档位颜色分别为:小档暗蓝、大档高蓝。
3. 热雾键:选择热雾键可对人体提供适宜的加湿水温,颜色为:黄色。
(提示:开机默认下为:冷雾模式,如需加热,则按一下热雾键,注:在缺水状态下,该功能处于待机状态中,停止加热)4.缺水报警:当水槽中的水低于目标水位时,此时机器将会启动报警,连续响五秒,并且电源键的灯光由“蓝色”转变为“红色”,表示水箱中没有水或及时加水。
益于人体及清洁功能介绍:1. 滤芯净化功能:能够软化、净化水质,提供抑菌作用。
2. 活性炭滤芯功能:提供除臭、去异味、载体、净化、回收等功能。
3. 离子树脂滤芯功能:离子树脂又分为阳离子、阴离子树脂,阳离子树脂能够软化水质,阳离子同阴离子同时使用能够将水净化成纯净水。
4. 复合滤芯:能够软化水质、净化水质、起到积尘降尘、过滤效果,延长震荡片工作寿命。
5. 活性碳滤网功能:用于去除甲醛、过滤二手烟、去异味6.香薰盒:提供加香精的容器。
装配图解:1.水箱:三、 性能特点1. 时尚外观、精致工艺、高端大气、触摸式LED 灯光按键设计。
2. 采用全电子触摸式操作控制程序,操作简单、精美时尚。
3. 具有缺水断电保护功能、安全可靠。
加湿器的使用说明1.介绍加湿器是一种家用电器,用于增加室内空气的湿度。
当室内的湿度过低时,会导致干燥的空气造成眼睛、皮肤和呼吸道的不适,加湿器则可以帮助提高室内空气中的湿度,为用户带来更加舒适的环境。
2.安全注意事项-在使用加湿器前,确保电源插座的线路和插头没有受损并且严格按照产品说明书进行正确接地。
- 维持加湿器与其他物品的距离,确保至少有30cm以上的空间,以防水分渗透到其他电器上,引起短路和其他意外。
-不要将加湿器的电线插入任何夹醒或损坏的插座中,以防止触电。
3.使用步骤-在使用加湿器之前,请确保加湿器有足够的水。
检查加湿器的水箱是否干净,如果有污垢或积垢,请清洗干净后再加水。
-使用加湿器之前,请先读取产品的说明书,并根据说明书的指引调整相应的设置,如湿度设置、加湿量设置等。
-按照加湿器说明书的指导,打开加湿器的电源,确保加湿器正常运行。
-如果加湿器具有可调节湿度设置的功能,在开始加湿之前,请根据个人需要调整加湿器的湿度设置。
一般来说,室内湿度40%~60%为最为舒适的范围。
-当加湿器开始工作时,可以根据需要将喷雾口朝向需要加湿的区域,确保加湿器的湿雾直接进入空气中。
-建议在室内空气的循环良好的情况下使用加湿器,并避免将加湿器与空调直接对着使用,以免造成过度加湿或湿度不均匀。
4.维护与清洁-为保证加湿器的正常运行和延长使用寿命,建议定期清洁加湿器。
根据产品说明书的指引,拆除和清洗加湿器中的雾化器件和水箱。
-使用软布擦拭外壳,清洗水箱和雾化器并用清水冲洗干净。
确保没有残留的水垢和污垢。
-在清洁加湿器时,请务必断电,并确保插头已拔出电源插座。
清洗过程中请注意避免将电器部分浸入水中,以免发生故障或触电事故。
-在使用加湿器过程中,如果有异味、霉变或变质现象,请停止使用,将雾化器和水箱清洁干净后再继续使用。
-定期更换加湿器中的滤芯或过滤网。
不同型号的加湿器可能有不同的更换周期,请根据产品说明书进行更换。
小熊加湿器使用方法
1.将机器水平放置在适宜的场所。
2.取下出气口,挽起水箱,将水箱反转(逆时针方向)旋下进水口。
(参照下图)
注意:请加入40°C一下清洁的自来水或纯净水。
3.注入纯净水或清洁的自来水。
(注意:水温不要超过40°C),注满水后将盖子旋紧并擦去四周的水滴,再放于本体上。
4.接入交流220V/50Hz电源,顺时针转动旋钮开关,听到“哒”一声后机器痛点,此时状态指示灯亮“红色”,表示水槽处于缺水状态,加湿器不可以正常工作,转“绿色”灯亮时,表示水槽内已注满水,加湿器可以正常工作。
5.此时可根据您的实际需要,旋转雾量调节旋钮调节出雾量的大小。
6.水箱无水或缺水时,内设的安全装置会自动断开雾化电路和风机,此时出气口无雾喷出,同时红色指示灯亮。
7.若需继续使用,请切断电源,重新向水箱注水。
8.移动加湿器前,请先停止使用,关掉电源开关,并拔掉电源插头,整机一同移动。
工作状态中请不要移动加湿器,以免导致加湿器不正常工作,使加湿器出现故障。
9.加湿器工作至缺水状态时,指示灯会红与绿交替闪烁;当缺水时,红灯亮起,加湿器停止工作。
加湿器使用说明书欧阳家百(2021.03.07)使用产品前,请仔细阅读本使用说明书!本产品仅限家庭或类似场所使用。
一、产品简介感谢您选用“小熊”牌加湿器!我公司生产的加湿器系列产品,是我公司自主研发的最新高端品种。
外观简约、大气,制作工艺精致,水箱缺水自动断电保护,LED夜光显示,触摸控制,过滤、净化、加湿、热雾一体化设计,使用方便,操作简单,安全可靠。
二、部件及安装图备注:产品图片仅供参考,具体以实物为准。
功能介绍;1.电源键:电源键处于常亮状态、开启电源键可选择其他功能,电源键在开启状态长按2秒为打开本体下方,底盖上方的LED 灯,再次长按两秒为关闭LED灯,电源键待机状态的颜色为暗蓝,启动后为高蓝色2.雾量键:可分为:小档、大档共2种档位循环选择,对应档位颜色分别为:小档暗蓝、大档高蓝。
3.热雾键:选择热雾键可对人体提供适宜的加湿水温,颜色为:黄色。
(提示:开机默认下为:冷雾模式,如需加热,则按一下热雾键,注:在缺水状态下,该功能处于待机状态中,停止加热)4.缺水报警:当水槽中的水低于目标水位时,此时机器将会启动报警,连续响五秒,并且电源键的灯光由“蓝色”转变为“红色”,表示水箱中没有水或及时加水。
益于人体及清洁功能介绍:1.滤芯净化功能:能够软化、净化水质,提供抑菌作用。
2.活性炭滤芯功能:提供除臭、去异味、载体、净化、回收等功能。
3.离子树脂滤芯功能:离子树脂又分为阳离子、阴离子树脂,阳离子树脂能够软化水质,阳离子同阴离子同时使用能够将水净化成纯净水。
4.复合滤芯:能够软化水质、净化水质、起到积尘降尘、过滤效果,延长震荡片工作寿命。
5.活性碳滤网功能:用于去除甲醛、过滤二手烟、去异味6.香薰盒:提供加香精的容器。
装配图解:1.水箱:三、性能特点1. 时尚外观、精致工艺、高端大气、触摸式LED 灯光按键设计。
2. 采用全电子触摸式操作控制程序,操作简单、精美时尚。
3. 具有缺水断电保护功能、安全可靠。
小熊加湿器打开的方法
小熊加湿器打开的方法取决于具体型号和操作方式。
通常,可以根据以下步骤打开小熊加湿器:
1. 找到小熊加湿器的电源开关,通常位于设备的侧面或底部。
有些型号可能没有明确的开关,而是通过按下设备顶部的按键来打开。
2. 如果有水箱,先打开水箱盖,然后将水箱从设备上取下。
有些型号的水箱可能是可拆卸的,可以直接取下,而其他型号可能需要按特定方式旋转或解锁水箱。
3. 将水箱倒置,打开水箱盖。
根据设备的标记或指示线,向水箱中注入清水。
注意不要超过最大水位线,以防溢出。
4. 将水箱放回设备上,确保它完全安装并扎紧。
5. 关闭水箱盖,确保密封。
某些型号可能需要按下或旋转水箱盖以确保密封。
6. 执行设备上的开机操作。
通过按下电源开关或顶部按键来启动加湿器。
7. 一旦加湿器启动,您可以调整湿度设置或风速设置(如果适用)来满足个人偏好。
请注意,每款小熊加湿器可能有不同的设计和操作方式,请仔细阅读设备的用户手册或相关指导以获得准确的使用方法。
加湿器使用说明书使用产品前,请仔细阅读本使用说明书!本产品仅限家庭或类似场所使用。
一、产品简介感谢您选用“小熊”牌加湿器!我公司生产的加湿器系列产品,是我公司自主研发的最新高端品种。
外观简约、大气,制作工艺精致,水箱缺水自动断电保护,LED夜光显示,触摸控制,过滤、净化、加湿、热雾一体化设计,使用方便,操作简单,安全可靠。
二、部件及安装图备注:产品图片仅供参考,具体以实物为准。
功能介绍;1.电源键:电源键处于常亮状态、开启电源键可选择其他功能,电源键在开启状态长按2秒为打开本体下方,底盖上方的LED 灯,再次长按两秒为关闭LED 灯,电源键待机状态的颜色为暗蓝,启动后为高蓝色2. 雾量键:可分为:小档、大档共2种档位循环选择,对应档位颜色分别为:小档暗蓝、大档高蓝。
3. 热雾键:选择热雾键可对人体提供适宜的加湿水温,颜色为:黄色。
(提示:开机默认下为:冷雾模式,如需加热,则按一下热雾键,注:在缺水状态下,该功能处于待机状态中,停止加热)4.缺水报警:当水槽中的水低于目标水位时,此时机器将会启动报警,连续响五秒,并且电源键的灯光由“蓝色”转变为“红色”,表示水箱中没有水或及时加水。
益于人体及清洁功能介绍:1. 滤芯净化功能:能够软化、净化水质,提供抑菌作用。
2. 活性炭滤芯功能:提供除臭、去异味、载体、净化、回收等功能。
3. 离子树脂滤芯功能:离子树脂又分为阳离子、阴离子树脂,阳离子树脂能够软化水质,阳离子同阴离子同时使用能够将水净化成纯净水。
4. 复合滤芯:能够软化水质、净化水质、起到积尘降尘、过滤效果,延长震荡片工作寿命。
5. 活性碳滤网功能:用于去除甲醛、过滤二手烟、去异味6.香薰盒:提供加香精的容器。
装配图解:1.水箱:三、 性能特点1. 时尚外观、精致工艺、高端大气、触摸式LED 灯光按键设计。
2. 采用全电子触摸式操作控制程序,操作简单、精美时尚。
3. 具有缺水断电保护功能、安全可靠。
加湿器使用说明书使用产品前,请仔细阅读本使用说明书!本产品仅限家庭或类似场所使用。
一、产品简介感谢您选用“小熊”牌加湿器!我公司生产的加湿器系列产品,是我公司自主研发的最新高端品种。
外观简约、大气,制作工艺精致,水箱缺水自动断电保护,LED夜光显示,触摸控制,过滤、净化、加湿、热雾一体化设计,使用方便,操作简单,安全可靠。
二、部件及安装图备注:产品图片仅供参考,具体以实物为准。
功能介绍;1.电源键:电源键处于常亮状态、开启电源键可选择其他功能,电源键在开启状态长按2秒为打开本体下方,底盖上方的LED 灯,再次长按两秒为关闭LED灯,电源键待机状态的颜色为暗蓝,启动后为高蓝色2. 雾量键:可分为:小档、大档共2种档位循环选择,对应档位颜色分别为:小档暗蓝、大档高蓝。
3. 热雾键:选择热雾键可对人体提供适宜的加湿水温,颜色为:黄色。
(提示:开机默认下为:冷雾模式,如需加热,则按一下热雾键,注:在缺水状态下,该功能处于待机状态中,停止加热)4.缺水报警:当水槽中的水低于目标水位时,此时机器将会启动报警,连续响五秒,并且电源键的灯光由“蓝色”转变为“红色”,表示水箱中没有水或及时加水。
益于人体及清洁功能介绍:1. 滤芯净化功能:能够软化、净化水质,提供抑菌作用。
2. 活性炭滤芯功能:提供除臭、去异味、载体、净化、回收等功能。
3. 离子树脂滤芯功能:离子树脂又分为阳离子、阴离子树脂,阳离子树脂能够软化水质,阳离子同阴离子同时使用能够将水净化成纯净水。
4. 复合滤芯:能够软化水质、净化水质、起到积尘降尘、过滤效果,延长震荡片工作寿命。
5. 活性碳滤网功能:用于去除甲醛、过滤二手烟、去异味6.香薰盒:提供加香精的容器。
装配图解:1.水箱:三、 性能特点1. 时尚外观、精致工艺、高端大气、触摸式LED 灯光按键设计。
2. 采用全电子触摸式操作控制程序,操作简单、精美时尚。
3. 具有缺水断电保护功能、安全可靠。
加湿器使用说明书欧阳引擎(2021.01.01)使用产品前,请仔细阅读本使用说明书!本产品仅限家庭或类似场所使用。
一、产品简介感谢您选用“小熊”牌加湿器!我公司生产的加湿器系列产品,是我公司自主研发的最新高端品种。
外观简约、大气,制作工艺精致,水箱缺水自动断电保护,LED夜光显示,触摸控制,过滤、净化、加湿、热雾一体化设计,使用方便,操作简单,安全可靠。
二、部件及安装图备注:产品图片仅供参考,具体以实物为准。
功能介绍;1.电源键:电源键处于常亮状态、开启电源键可选择其他功能,电源键在开启状态长按2秒为打开本体下方,底盖上方的LED灯,再次长按两秒为关闭LED灯,电源键待机状态的颜色为暗蓝,启动后为高蓝色2.雾量键:可分为:小档、大档共2种档位循环选择,对应档位颜色分别为:小档暗蓝、大档高蓝。
3.热雾键:选择热雾键可对人体提供适宜的加湿水温,颜色为:黄色。
(提示:开机默认下为:冷雾模式,如需加热,则按一下热雾键,注:在缺水状态下,该功能处于待机状态中,停止加热)4.缺水报警:当水槽中的水低于目标水位时,此时机器将会启动报警,连续响五秒,并且电源键的灯光由“蓝色”转变为“红色”,表示水箱中没有水或及时加水。
益于人体及清洁功能介绍:1.滤芯净化功能:能够软化、净化水质,提供抑菌作用。
2.活性炭滤芯功能:提供除臭、去异味、载体、净化、回收等功能。
3.离子树脂滤芯功能:离子树脂又分为阳离子、阴离子树脂,阳离子树脂能够软化水质,阳离子同阴离子同时使用能够将水净化成纯净水。
4.复合滤芯:能够软化水质、净化水质、起到积尘降尘、过滤效果,延长震荡片工作寿命。
5.活性碳滤网功能:用于去除甲醛、过滤二手烟、去异味6.香薰盒:提供加香精的容器。
装配图解:1.水箱:三、性能特点1. 时尚外观、精致工艺、高端大气、触摸式LED 灯光按键设计。
2. 采用全电子触摸式操作控制程序,操作简单、精美时尚。
3. 具有缺水断电保护功能、安全可靠。
加湿器使用说明书使用产品前,请仔细阅读本使用说明书!本产品仅限家庭或类似场所使用。
一、产品简介感谢您选用“小熊”牌加湿器!我公司生产的加湿器系列产品,是我公司自主研发的最新高端品种。
外观简约、大气,制作工艺精致,水箱缺水自动断电保护,LED夜光显示,触摸控制,过滤、净化、加湿、热雾一体化设计,使用方便,操作简单,安全可靠。
二、部件及安装图备注:产品图片仅供参考,具体以实物为准。
功能介绍;1.电源键:电源键处于常亮状态、开启电源键可选择其他功能,电源键在开启状态长按2秒为打开本体下方,底盖上方的LED灯,再次长按两秒为关闭LED灯,电源键待机状态的颜色为暗蓝,启动后为高蓝色2.雾量键:可分为:小档、大档共2种档位循环选择,对应档位颜色分别为:小档暗蓝、大档高蓝。
3.热雾键:选择热雾键可对人体提供适宜的加湿水温,颜色为:黄色。
(提示:开机默认下为:冷雾模式,如需加热,则按一下热雾键,注:在缺水状态下,该功能处于待机状态中,停止加热)4.缺水报警:当水槽中的水低于目标水位时,此时机器将会启动报警,连续响五秒,并且电源键的灯光由“蓝色”转变为“红色”,表示水箱中没有水或及时加水。
益于人体及清洁功能介绍:1.滤芯净化功能:能够软化、净化水质,提供抑菌作用。
2.活性炭滤芯功能:提供除臭、去异味、载体、净化、回收等功能。
3.离子树脂滤芯功能:离子树脂又分为阳离子、阴离子树脂,阳离子树脂能够软化水质,阳离子同阴离子同时使用能够将水净化成纯净水。
4.复合滤芯:能够软化水质、净化水质、起到积尘降尘、过滤效果,延长震荡片工作寿命。
5. 活性碳滤网功能:用于去除甲醛、过滤二手烟、去异味6. 香薰盒:提供加香精的容器。
装配图解:1.水箱:三、性能特点1.时尚外观、精致工艺、高端大气、触摸式LED灯光按键设计。
2.采用全电子触摸式操作控制程序,操作简单、精美时尚。
3.具有缺水断电保护功能、安全可靠。
4.4L大容量水箱。
5.水质软化功能。
小熊加湿器的操作方法小熊加湿器是一款便捷实用的家用电器。
它具有增湿、消除异味、净化空气等功能,经过科学设计和合理布局,为我们的居室提供了舒适的湿度环境。
下面将详细介绍小熊加湿器的操作方法。
首先,在使用小熊加湿器之前,我们需要准备好所需的材料和设置好空间环境。
材料包括小熊加湿器本体、加湿器使用说明书、加湿器专用水杯以及适量的清水。
设置空间环境时,我们需要选择一个相对空旷、通风良好的地方以确保加湿器的正常使用。
在准备工作完成后,我们可以开始使用小熊加湿器了。
首先,我们需要打开加湿器的上盖,将加湿器本体放置在平稳的桌面或地面上。
然后,将专用水杯从加湿器本体上取下,用清水将水杯加满水,注意不要超过水杯的容量线。
接着,将加满水的水杯重新安装到加湿器本体上,确保安装牢固,不漏水。
接下来,我们需要设置加湿器的参数。
小熊加湿器通常有多种工作模式可供选择,包括连续加湿模式、定时加湿模式、节能模式等。
我们可以根据实际需求选择适合的工作模式。
此外,加湿器还具有控制加湿量的功能,我们可以根据室内环境的湿度情况进行相应的调节。
在设置好参数后,按下加湿器上的电源开关按钮,加湿器就会开始工作了。
在使用小熊加湿器的过程中,我们还需要注意一些细节和注意事项。
首先,加湿器在加湿的过程中会产生水蒸汽,因此我们需要确保周围的物体、电器等不会被水蒸汽烫伤或受到其他伤害。
其次,加湿器需要定期清洗和维护,以保持良好的工作状态。
我们可以根据加湿器使用说明书中的清洗指南进行操作。
此外,加湿器在使用过程中如果出现故障或异常现象,我们应该及时停止使用并联系售后服务。
最后,当我们需要停止使用小熊加湿器时,我们可以按下加湿器上的电源开关按钮,加湿器就会停止加湿并自动关机。
接着,我们可以将加湿器上的水杯取下并倒掉里面的水,然后进行清洗和维护。
总之,小熊加湿器是一款非常实用的家用电器,通过简单的操作,我们可以获得舒适的湿度环境。
在操作时,我们需要注意安全,设置合适的参数以及进行定期的清洗和维护。
加湿器使用说明书
使用产品前,请仔细阅读本使用说明书!
本产品仅限家庭或类似场所使用。
一、产品简介
感谢您选用“小熊”牌加湿器!
我公司生产的加湿器系列产品,是我公司自主研发的最新高端品种。
外观简约、大气,制作工艺精致,水箱缺水自动断电保护,LED夜光显示,触摸控制,过滤、净化、加湿、热雾一体化设计,使用方便,操作简单,安全可靠。
二、部件及安装图
功能介绍;
1.
电源键:电源键处于常亮状态、开启电源键可选择其他功能,电源键在开启状态长按2秒为打开本体下方,底盖上方的
LED 灯,再次长按两秒为关闭LED 灯,电源键待机状态的颜色为暗蓝,启动后为高蓝色
2. 雾量键:可分为:小档、大档共2种档位循环选择,对应档位颜色分别为:小档暗蓝、大档高蓝。
3.
热雾键:选择热雾键可对人体提供适宜的加湿水温,颜色为:黄色。
(提示:开机默认下为:冷雾模式,如需加热,则按一下热雾键,注:在缺水状态下,该功能处于待机状态中,停止加热)
4.
缺水报警:当水槽中的水低于目标水位时,此时机器将会启动报警,连续响五秒,并且电源键的灯光由“蓝色”转变为“红色”,表示水箱中没有水或及时加水。
益于人体及清洁功能介绍:
1. 滤芯净化功能:能够软化、净化水质,提供抑菌作用。
2. 活性炭滤芯功能:提供除臭、去异味、载体、净化、回收等功能。
3. 离子树脂滤芯功能:离子树脂又分为阳离子、阴离子树脂,阳离子树脂能够软化水质,阳离子同阴离子同时使用能够将水净化成纯净水。
4. 复合滤芯:能够软化水质、净化水质、起到积尘降尘、过滤效果,延长震荡片工作寿命。
5. 活性碳滤网功能:用于去除甲醛、过滤二手烟、去异味
6.
香薰盒:提供加香精的容器。
装配图解:
1.水箱:
三、性能特点
1.时尚外观、精致工艺、高端大气、触摸式LED灯光按键设计。
2.采用全电子触摸式操作控制程序,操作简单、精美时尚。
3.具有缺水断电保护功能、安全可靠。
4.4L大容量水箱。
5.水质软化功能。
6.冷热雾加湿功能。
7.香薰功能。
8.活性碳滤芯功能。
9.离子树脂滤芯功能。
10.具有加湿、加热于一体的人性化设计功能。
11.采用具有恒温特性的PTC发热体,安全节能。
12.水箱采用高强度的银离子抗菌母粒。
四、使用方法
1.将机器水平放置在适宜的场所。
2.取下出气口,挽起水箱,将水箱反转、(逆时针方向)旋下进水口。
(如下图所示)
A.逆时针旋下进水口
B.加水
C.接通电源
注意:请加入40摄氏度以下清洁的自来水或纯净水。
3.注入纯净水或清洁的自来水。
(注意:水温不要超过40摄氏度)注满水后将盖旋紧并擦去四周的水滴,
再放于本体上。
4.将出气嘴扣入顶盖上,之后将两个部件按图所示装正,然后接通电源。
5.接入交流220V/50Hz的电源,听到鸣蜂器响一声、电源键灯亮,表示此时已接通电源。
6.此时只需启动“电源键”,整机就进入加湿工作状态,这时可根据您个人需求来调节雾量的大小,以
及选择所需要的功能选项(整机开机默认为:雾量默认为小档)。
7.移动加湿器前,请先停止使用,关掉电源开关,并拔掉电源插头,整机一同移动。
工作状态中请不要
移动加湿器,以免导致加湿器不正常工作,使加湿器出现故障。
8.加湿器工作至缺水状态时,电源按钮的颜色会变成红色,并会持续闪烁5秒,然后整机进入待机状态。
五、清洁与保养
1.清洗前,请务必关闭电源,拔下插头。
2.水箱清洗先旋下进水口,用软布拭去箱内的水垢,再用清水冲洗。
3.若要清洗触摸屏等区域时,请使用干净柔软的帕巾进行拭擦,切勿使用粗糙且湿润的软布进行拭擦以免刮花或有水珠进入里面影响其功能。
4.若水槽或雾化片以及PTC表面有水垢,可倒入柠檬酸进行清洗、PTC清洗水垢,可倒入适量比例的除垢剂和水1/50(柠檬酸和除垢剂可以到超市或网上进行购买),水温40℃最佳,浸洗5-10分钟,然后用棉签或毛刷进行拭擦,并用清水清洗干净。
(提示:建议一个星期清洗一次,切不可使用铁丝与类似的坚硬物清除水垢,以致PTC表面喷涂层遭受脱层),(如下图所示!)
5.将软布在低于40摄氏度的温水漂洗后,拭去表面的污渍,出气口可直接用干净水冲洗干净并用软布擦干,切不可使用铁丝球,尼龙制抹布等擦拭机体,以免表面刮伤受损。
6.请勿使用稀释剂,甲笨,酸性洗涤剂,灯油,酒精或化学抹布擦拭以免变色、变质或丝印图案破坏影响美观。
7.长期不用时,清洗干净,晾干后按原包装顺序将各部件装入包装箱内,并置于干燥的地方妥善保管。
清洁与保养
●清洗本产品前,必须拔掉电源线插头,停止工作,否则可能会发生短路或触电等危险。
●清洁本体以及显示面板整个部分时,请用干净帕巾擦拭,严禁将本体用水清洗,切忌本体浸入水
中,防止本体进
水,发生短路等危
险。
C.用棉签拭擦
A.倒入柠檬酸B.倒入除垢剂
六、 注意事项
1. 使用时详细阅读本手册操作指示,并妥善保管以供日后参考。
2. 请严格遵守以下指示,无视该指示或操作失误,都可能会造成重大事故或者其他伤害的
发生,因此,请遵循以下指示
1) 使用电源是AC220V 、50Hz ,使用前请检查电压标准是否相符。
2) 使用本产品时必须确定插座接触良好,不可使用延长线。
3) 请在平稳的桌面或地面使用,以免本产品倾斜、摔落,造成加湿器的水溢出或损坏。
4) 绝不能使用坚硬器具去触碰震荡换能片,只能用棉签或毛刷清洗。
5) 不能使用化学溶剂、汽油、煤油、抛光粉的布去擦拭表面。
6) 不要随意使用洗涤剂来清洗,最好用洁净的清水。
7) 在浴缸、喷头或游泳池周围不得使用本加湿器,以免触电或造成火灾。
8) 为了避免触电意外,请勿将加湿器放置水中或其他液体中清洗。
9) 在长时间不使用、清洗或移动加湿器时,请先拔掉电源线。
10) 请勿在阳光直射或靠近发热物体的地方使用本产品。
11) 请勿将手或其他物品放在加湿器上,避免损坏或翻倒,请勿让幼儿单独使用本产品,
请放置于幼儿触摸不到的地方。
12) 注水和清洁时不能通电,请勿在机座内无水的状态下开机工作。
13) 请勿用湿手插拔电源插头,打雷时,请勿接触电源线和插头,以免造成触电事故。
14) 产品破损或无法正常运作时,请立即切断电源,拔出插头,切勿自行拆卸或随意组装,
以免造成危险。
●除本体以及显示面板的整个部分外,产品其他各部分均可用清水清洗干净并用干净抺布擦拭抹干。
●请不要用金属制刷子、尼龙刷子、去污粉、稀释剂、挥发油等清洁用品清洗本产品,否则可能毁损产品表面结构或影响加湿效果。
●水箱内部清洗可加入适量的洗衣粉液和40℃的温水,将出水口进行密封,浸泡10-15分钟,再用清水冲洗干净,水箱外面可直接用湿润的抹布进行拭擦干净。
●清洗滤网以及香薰盒时,请先将底部的进风网格抽出,定期两个月用清水清洗滤网,香薰盒尽量使用洗洁精或肥皂进行定期一个月的清洗。
●请务必使用碗盘用的软性洗洁剂、软布料或海绵清洁保养本产品。
●请以干燥柔软布料擦拭电源线上的污垢。
●请将本机存放在干燥通风处。
注意事项
●请勿使用交流220V以外的电源,否则可能有触电或发生火灾等危险。
●请勿损伤、改装、用力弯曲、拉拔、挤压、捆扎电源线,请勿在电源线上压放重物,否则会损坏电源线,可能导致触电或火灾等危险。
●本产品请放置于稳固平台上使用,否则可能导致产品翻倒、发生触电、漏电、短路、火灾等危险。
●接通电源前,请确保所有的排线是否已连接好,有无松脱或者开裂的现象。
不使用本产品或清洁前,请先关闭电源及拨掉插头,否
则可能发生触电、漏电、火灾等危险。
●本产品工作时,务必与插座等带电体保持一定的距离,使插头处于不可触及的范围,并远离易燃易爆物品,否则可能导致触电或火灾等危险。
●请勿让儿童或没意识行为的人使用,请置于儿童无法触摸的地方,以防儿童发生触电或其他受伤等危险。
●平时不使用本产品时,请将插头从插座上拔下,否则可能导致烫伤、发生触电、漏电、短路、火灾等危险。
●当拔电源插头时,请握住插头部分,切勿强行拉扯电源线,否则可能会导致触电或者短路等危险。
●请勿用湿手插拔电源线,否则可能导致短路、触电等危险。
●除专业修理技术人员外,请勿对机器进行拆卸、修理、改装,否则可能导致起火、漏电等危险。
●整机在工作时,如触摸面板上有产生水珠,请勿使用铁丝球,尼龙制抹布擦拭表面水珠,以免影响其外观性。
●本产品在开启热雾功能工作时,请勿拿掉水箱观看水槽内的剩余水量或直接用手感应水温,以免被烫伤,更别放置于儿童或没有意识行为的人易触碰到的地方,以防止发生伤害。
七、常见问题分析
故障原因及处理办法
备注:经以上现象分析后仍无法排除故障,请与本公司维修点或经销商联系,严禁非专业人员对本机自行拆装。
八、产品规格。