最新甘特图和网络图
- 格式:pdf
- 大小:2.52 MB
- 文档页数:16
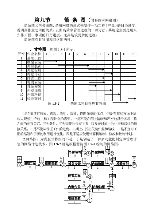
第九节箭条图(甘特图和网络图)箭条图又叫矢线图,是用网络的形式来安排一项工程(产品)的日历进度,说明其作业之间的关系,以期高效率管理进度的一种方法。
其用途主要是用来安排工程、事项的日历进度,尤其是较复杂的进度。
箭条图有甘特图和网络图两种。
甘特图具有形象、直观、简明、易懂、作图简单的优点,但是在某些方面不适应大规模生产施工和工程计划的需要。
一是不能在图上清晰和严密地显示多项工作之间的相互关联、互为条件、互为因果的依存关系,以及在时间上的先行和后续的衔接关系;二是不能从保证工作的进度、工期上,找出关键作业和路线;三是不宜对工期的缩短和资源的利用进行优化;四是不适应使用计算机编制、修改和控制计划。
2.网络图。
为克服甘特图的不足,于是创造了一种多功能的制定和管理计2图1.9-2 根据图1.9-1绘制的网络图二、网络图及其用途网络图又称网络计划技术,它是安排和编制最佳日程计划,有效实施进度管理的一种科学管理方法。
其用途主要有:1.制定详细的实施计划;2.可以在计划阶段对方案进行仔细推敲,从而保证计划的严密性;3.进入计划实施阶段后,对于情况的变化和计划的变更都可以作适当的调整;4.能够具体而迅速地了解某项工作延误对总体工作的影响,从而及早采取措施,计划规模越大,越能反映出该方法的作用。
三、网络图的绘制规则1.符号及含义。
方向、时序和编号是网络图的三要素,网络图的结构和表示方法如下:⑴作业名称或代号,一般标注在箭条的上面或左边。
⑵节点和编号。
节点表示作业的开始和/编号表示工序的顺序,且只能由小指向大; ⑶矢线。
表示具体的作业、工作任务。
箭尾的节点表示本作业的开始,箭头的节点表示本作业的结束和/或下一作业的开始;实矢线表示确实存在的作业,而虚矢线表示虚拟工序(实际不存在的),只表示作业间的相互关系。
⑷作业时间。
表示作业需要的时间,一般标在矢线下面或右边。
⑸粗实线。
表示工时无法压缩工序的路线,是整个工程的关键作业路线。
施工组织设计横道图、网络图引言概述:施工组织设计是建筑工程管理中的重要环节,它直接影响到工程的进度、质量和成本。
横道图和网络图是施工组织设计中常用的工具,能够帮助项目管理者合理安排施工任务,优化资源配置,提高施工效率。
本文将详细介绍施工组织设计中的横道图和网络图。
一、横道图1.1 横道图的概念横道图是一种以时间为横轴、工程活动为纵轴的图表,用于展示工程活动的先后顺序、持续时间和交叉关系。
通过横道图,施工管理者可以清晰地了解工程活动的执行顺序,合理安排施工进度。
1.2 横道图的制作步骤制作横道图的步骤包括确定工程活动、估算活动持续时间、确定活动关系、绘制横道图。
在确定工程活动时,需要考虑活动的先后关系和依赖关系;在估算活动持续时间时,要综合考虑资源、技术和环境等因素;在确定活动关系时,要分清楚活动的逻辑关系,如先后、并行、依赖等;最后,根据以上步骤绘制横道图,清晰展示工程活动的执行顺序和持续时间。
1.3 横道图的优势横道图能够直观展示工程活动的关系和时间,帮助管理者合理安排施工进度;同时,横道图还能够及时发现工程活动的瓶颈和冲突,有利于及时调整施工计划,保证工程顺利进行;此外,横道图还可以帮助管理者预测工程进度和成本,提前做好准备。
二、网络图2.1 网络图的概念网络图是一种以节点和弧线表示工程活动及其关系的图表,用于展示工程活动的逻辑关系和时间顺序。
通过网络图,施工管理者可以清晰地了解工程活动的先后顺序和依赖关系,帮助合理安排施工进度。
2.2 网络图的制作方法制作网络图的方法包括确定活动、绘制网络图、确定关键路径。
在确定活动时,需要考虑活动的前后关系和依赖关系;在绘制网络图时,要根据活动的先后关系和持续时间绘制节点和弧线;最后,根据网络图确定关键路径,即影响工程总工期的关键活动序列,有助于管理者重点关注和管理。
2.3 网络图的优势网络图能够清晰展示工程活动的逻辑关系和时间顺序,帮助管理者合理安排施工进度;同时,网络图还能够帮助管理者快速识别关键路径,有利于及时调整施工计划,保证工程按时完工;此外,网络图还能够帮助管理者优化资源配置,提高施工效率。
表3-3 带成本和工期的工作依赖关系表表3-4 TCF项目进度及成本计划综合表第三章CS2法TCF项目管理过程化表3-5 进度及成本控制计划表第三章 CS2法TCF 项目管理过程化200004000060000800001000001200002004年7月23日2004年7月30日2004年8月6日2004年8月13日2004年8月20日2004年8月27日2004年9月3日2004年9月10日2004年9月17日2004年9月24日2004年10月1日2004年10月8日2004年10月15日2004年10月22日2004年10月29日2004年11月5日2004年11月12日2004年11月19日2004年11月26日2004年12月3日2004年12月10日2004年12月17日2004年12月24日2004年12月31日2005年1月7日2005年1月14日2005年1月21日2005年1月28日2005年2月4日2005年2月11日时间成本图3-3 项目成本趋势图 Figure 3-3 Project Cost Tren3.5.4 用Project软件进行项目管理Project2000 软件也是比较好用的项目管理工具。
输入工作的工期,前置任务等数据后,它可以自动生成甘特图,如图3-6,以及网络图,资源分配表等。
如果在工作中把实际的工作进度,成本使用进度等数据输入跟踪表,就可以生成更多的过程报表。
表3-6 时间价值量计算表20000400006000080000100000120000最早结束日期E F2004-7-172004-7-182004-7-202004-8-22004-8-42004-8-72004-8-112004-8-172004-8-222004-8-262004-8-272004-8-302004-9-12004-9-52004-9-62004-9-162004-9-202004-9-212004-9-292004-10-12004-10-42004-10-52004-10-112004-10-162004-10-232004-11-72004-11-102004-11-192004-11-192005-1-92005-2-62005-2-13时间成本图3-4 根据最早完成时间的成本趋势图Figure 3-4 Cost Tren According to the Early Finis Time图3-6 TCF项目甘特图(局部1)Figure 3-6 Gantt Chart for TCF Project (part A)图3-6 TCF项目甘特图(局部2)Figure 3-6 Gantt Chart for TCF Project (part B)。
甘特图与网络图甘特图(Gantt chart)又叫横道图条状图(Bar chart)。
它是在第一次世界大战时期发明的,以亨利·L·甘特先生的名字命名,他制定了一个完整地用条形图表进度的标志系统。
甘特图内在思想简单,即以图示的方式通过活动列表和时间刻度形象地表示出任何特定项目的活动顺序与持续时间。
基本是一条线条图,横轴表示时间,纵轴表示活动(项目),线条表示在整个期间上计划和实际的活动完成情况。
它直观地表明任务计划在什么时候进行,及实际进展与计划要求的对比。
管理者由此可便利地弄清一项任务(项目)还剩下哪些工作要做,并可评估工作进度.甘特图优点1.图形化概要,通用技术,易于理解2.中小型项目一般不超过30项活动;3.有专业软件支持,无须担心复杂计算和分析。
甘特图局限1.事实上仅仅部分地反映了项目管理的三重约束(时间、成本和范围),因为它主要关注进程管理(时间);2.软件的不足,尽管能够通过项目管理软件描绘出项目活动的内在关系,但是如果关系过多,纷繁芜杂的线图必将增加甘特图的阅读难度。
网络图网络图(Network planning)是一种图解模型,形状如同网络,故称为网络图。
网络图是由作业、事件和路线三个因素组成的。
网络图是用箭线和节点将某项工作的流程表示出来的图形。
根据绘图表达方法的不同,分为双代号表示法(以箭线表示工作)和单代号表示法(以节点表示工作);根据表达的逻辑关系和时间参数肯定与否,又可分为肯定型和非肯定型两大类;根据计划目标的多少,可以分为单目标网络模型和多目标网络模型。
网络图的形式如图所示。
其组成元素为箭线,节点和线路。
节点和箭线在不同的网络图形中有不同的含义,在单代号网络图中,节点表示工作,箭线表示关系,而在双代号网络图中,箭线表示工作及走向,节点表示工作的开始和结束。
线路是指从起点到节点的一条通路,工期最长的一条线路称为关键线路,关键线路上工作的时间必须保证,否则会出现工期的延误。
项目管理网络图项目管理网络图(Project Management Network Diagram)是项目管理中的一种工具,用于可视化项目的活动顺序和依赖关系。
它通过图形化的方式展示了项目中各个活动的开始时间、结束时间以及它们之间的逻辑关系,帮助项目团队成员更好地理解项目进度和任务分配。
项目管理网络图通常由两种图形组成:箭线图(Arrow Diagramming Method,ADM)和甘特图(Gantt Chart)。
箭线图是一种以箭头表示活动、节点表示事件的图形化方法,它能清晰地显示活动之间的前后关系。
甘特图则以条形图的形式展示了项目的时间计划和进度。
在项目管理网络图中,每个活动都被标识为一个节点,节点之间的箭线表示活动之间的依赖关系。
活动的开始时间和结束时间可以通过节点的位置和箭线的长度来确定。
项目管理网络图还可以显示每个活动的持续时间、关键路径和关键活动。
关键路径是项目中最长的路径,决定了整个项目的最短完成时间。
关键活动是在关键路径上的活动,如果这些活动延迟,整个项目的进度将受到影响。
通过项目管理网络图,项目团队可以识别和重点关注关键路径和关键活动,以确保项目按时完成。
项目管理网络图还可以帮助项目团队识别并解决潜在的风险和问题。
通过分析网络图,团队可以确定活动之间的依赖关系是否合理,是否存在资源冲突或关键活动的风险。
这样可以及时采取措施,避免项目延期或出现其他问题。
除了项目团队,项目管理网络图还可以与利益相关者共享,以增加他们对项目进展和计划的理解。
通过可视化项目进度和关键路径,利益相关者可以更好地了解项目的风险和挑战,并提供必要的支持和资源。
总结起来,项目管理网络图是一种重要的项目管理工具,它通过可视化项目活动的顺序和依赖关系,帮助项目团队成员理解项目进度和任务分配。
通过识别关键路径和关键活动,团队可以重点关注项目进展和风险。
通过与利益相关者共享,可以增加他们对项目的理解和支持。
⽢特图的兄弟篇——⽹络计划技术(PERTCPM)在项⽬管理中,我们通常习惯⽤⽢特图来编制项⽬进度计划。
⽢特图简单明了、形象直观,能够描述每⼀个项⽬或任务的开始与结束时间,但在⾯对⼤型和复杂的项⽬建设与监理时,应⽤就受到了限制。
这主要是由于⽢特图不能清楚的反应各项⼯作之间的逻辑关系,因⽽难以判断某项⼯作延误对整体⼯期的影响;当实际进度与计划有偏差时也难以调整。
这时,我们就需要应⽤⽹络计划技术。
⽹络计划技术同⽢特图⼀样,是⼀种项⽬计划与控制的技术/⼯具,是由⼆战时期[德]阿尔贝特·施佩尔最先发明使⽤的。
关键路径法(Program Evaluation and Review Technique,CPM)与计划评审法(Critical Path Method,PERT)是其两个重要的组成部分。
⽹络计划技术与⽢特图的差别简单的说,⽹络图可以纵览全局,突出重点,掌握动态,便于统筹;⽢特图则便于管理单项⼯作的开⼯与起⽌⽇期。
⽹络计划技术的要点⽹络计划技术主要是通过⽹络图来显⽰项⽬活动的逻辑关系与前后顺序,通过对关键路线上的关键任务控制,来实现项⽬整体的进度控制。
项⽬⽹络图⽰例(图⽚源于⽹络)1 将项⽬作业活动图⽰化:将项⽬任务分解、合成⽹络图。
分解,是指对将项⽬拆解成“圆圈”中的⼯作包(可利⽤前⼀篇讲到的WBS⽅法);合成,是指⽤“箭头”将各⼯作串联/并联起来。
⽹络图可展⽰各项⼯作之间的逻辑关系。
⽹络图是⽹络计划技术的基础⼯作。
2 估计作业时间与项⽬⼯期:箭头上⽅的数字,即为预估作业时间/⼯期。
包括所有与⼈、事、物相关的时间计算,如等待时间、准备时间、⼯作时间、衔接时间、机动时间等。
3 标出关键路线:⼀般,耗时最长的的线路,即为关键路线,因为其决定了整个项⽬的作业时间。
途中关键路线即为A—B—C—D—G—H—J—K。
在关键路线上的作业完成的快慢,直接影响着整个计划的是否可以按时竣⼯,因此这种作业被称为关键作业。
第九节箭条图(甘特图和网络图)箭条图又叫矢线图,是用网络的形式来安排一项工程(产品)的日历进度,说明其作业之间的关系,以期高效率管理进度的一种方法。
其用途主要是用来安排工程、事项的日历进度,尤其是较复杂的进度。
箭条图有甘特图和网络图两种。
甘特图具有形象、直观、简明、易懂、作图简单的优点,但是在某些方面不适应大规模生产施工和工程计划的需要。
一是不能在图上清晰和严密地显示多项工作之间的相互关联、互为条件、互为因果的依存关系,以及在时间上的先行和后续的衔接关系;二是不能从保证工作的进度、工期上,找出关键作业和路线;三是不宜对工期的缩短和资源的利用进行优化;四是不适应使用计算机编制、修改和控制计划。
2.网络图。
为克服甘特图的不足,于是创造了一种多功能的制定和管理计划的网络计划技图1.9-2 根据图1.9-1绘制的网络图二、网络图及其用途网络图又称网络计划技术,它是安排和编制最佳日程计划,有效实施进度管理的一种科学管理方法。
其用途主要有:121.制定详细的实施计划;2.可以在计划阶段对方案进行仔细推敲,从而保证计划的严密性;3.进入计划实施阶段后,对于情况的变化和计划的变更都可以作适当的调整;4.能够具体而迅速地了解某项工作延误对总体工作的影响,从而及早采取措施,计划规模越大,越能反映出该方法的作用。
三、网络图的绘制规则1.符号及含义。
方向、时序和编号是网络图的三要素,网络图的结构和表示方法如下:⑴作业名称或代号,一般标注在箭条的上面或左边。
⑵节点和编号。
节点表示作业的开始和/编号表示工序的顺序,且只能由小指向大; ⑶矢线。
表示具体的作业、工作任务。
箭尾的节点表示本作业的开始,箭头的节点表示本作业的结束和/或下一作业的开始;实矢线表示确实存在的作业,而虚矢线表示虚拟工序(实际不存在的),只表示作业间的相互关系。
⑷作业时间。
表示作业需要的时间,一般标在矢线下面或右边。
⑸粗实线。
表示工时无法压缩工序的路线,是整个工程的关键作业路线。
网络工程课程设计甘特图一、教学目标本课程的教学目标是使学生掌握网络工程的基本概念、原理和技术,培养学生进行网络系统设计和分析的能力,使学生了解网络工程的发展趋势和应用前景。
具体来说,知识目标包括:1.理解网络工程的基本概念和原理;2.掌握网络体系结构、网络协议和网络设备;3.熟悉网络工程的设计和分析方法;4.了解网络工程的发展趋势和应用前景。
技能目标包括:1.能够使用网络工程工具进行网络设计和分析;2.能够编写简单的网络工程程序;3.能够进行网络设备的配置和维护;4.能够进行网络系统的故障排除和优化。
情感态度价值观目标包括:1.培养学生对网络工程的兴趣和热情;2.培养学生团队合作和沟通的能力;3.培养学生的创新精神和终身学习的意识。
二、教学内容根据课程目标,教学内容主要包括网络工程的基本概念、原理和技术,网络体系结构、网络协议和网络设备,网络工程的设计和分析方法,以及网络工程的发展趋势和应用前景。
具体来说,教学大纲如下:1.网络工程概述:网络工程的基本概念和原理,网络工程的发展历程和现状;2.网络体系结构:OSI模型和TCP/IP模型,网络协议的分类和作用;3.网络设备:交换机、路由器、防火墙等设备的工作原理和配置方法;4.网络工程设计:网络拓扑结构、网络协议选择、网络设备选型、网络性能分析;5.网络工程分析:网络流量分析、网络故障排除、网络性能优化;6.网络工程应用:云计算、大数据、物联网等应用场景和解决方案。
三、教学方法为了激发学生的学习兴趣和主动性,本课程将采用多种教学方法,包括讲授法、讨论法、案例分析法和实验法等。
1.讲授法:通过教师的讲解,使学生掌握网络工程的基本概念和原理;2.讨论法:通过小组讨论,培养学生的团队合作和沟通的能力;3.案例分析法:通过分析实际案例,使学生了解网络工程的应用场景和解决方案;4.实验法:通过实验操作,使学生掌握网络设备的配置和维护方法。
四、教学资源为了支持教学内容和教学方法的实施,丰富学生的学习体验,我们将选择和准备以下教学资源:1.教材:选用权威、实用的网络工程教材,如《网络工程设计与实践》;2.参考书:提供相关的网络工程参考书籍,如《计算机网络自顶向下方法》;3.多媒体资料:制作精美的PPT课件,提供网络工程的实验视频和案例分析;4.实验设备:配备网络实验设备,如交换机、路由器、防火墙等,供学生进行实验操作。
网络图(新版)随着科技的不断进步,网络已经成为我们生活中不可或缺的一部分。
它连接着世界的每一个角落,让我们可以随时随地获取信息、交流思想、分享资源。
而网络图,作为网络结构和配置的直观表现,更是网络管理中不可或缺的工具。
新版网络图,以其更直观、更全面、更易用的特点,为网络管理带来了新的变革。
它不仅能够清晰地展示网络的整体结构,还能够实时反映网络的状态和性能,为网络管理人员提供及时、准确的信息支持。
新版网络图的设计,充分考虑了用户的实际需求。
它采用了更加简洁明了的界面设计,使得用户可以轻松地浏览和理解网络结构。
同时,它还提供了丰富的自定义功能,用户可以根据自己的需要,调整网络图的显示方式,如选择不同的视图、设置不同的颜色和图标等。
新版网络图的功能也得到了极大的提升。
它不仅能够展示网络设备的物理连接,还能够展示网络设备的逻辑连接,如VLAN、路由等。
同时,它还提供了丰富的网络性能监控功能,如流量监控、故障诊断等,帮助用户及时发现和解决网络问题。
新版网络图的安全性和可靠性也得到了极大的提升。
它采用了更加安全的数据传输协议,确保网络图数据的安全传输。
同时,它还提供了完善的数据备份和恢复功能,确保网络图数据的安全性和完整性。
新版网络图以其更直观、更全面、更易用的特点,为网络管理带来了新的变革。
它不仅能够清晰地展示网络的整体结构,还能够实时反映网络的状态和性能,为网络管理人员提供及时、准确的信息支持。
同时,它还提供了丰富的自定义功能和强大的网络性能监控功能,满足用户的多样化需求。
相信新版网络图将为网络管理带来更加便捷、高效、安全的体验。
网络图(新版)新版网络图,作为网络管理和维护的重要工具,以其独特的优势和特点,为用户提供了更加便捷、高效的网络管理体验。
它不仅能够直观地展示网络的整体结构,还能够实时反映网络的状态和性能,帮助用户及时发现和解决网络问题。
新版网络图的设计理念,是以用户为中心,充分考虑用户的实际需求。