场地设计习题
- 格式:doc
- 大小:15.09 MB
- 文档页数:20
2023年一级注册建筑师之设计前期与场地设计练习题(一)及答案单选题(共30题)1、住宅建筑日照标准对大寒日的有效日照时间带(h)的规定,正确的是( )。
A.8时至16时B.9时至15时C.8时至15时D.9时至16时【答案】 A2、我国建筑工程项目的色彩选择中,常用的表色体系(含色标)是:( )A.CIE(国际照明委员会)表色体系B.日本色彩研究所表色体系C.孟塞尔表色体系D.奥司特瓦尔特表色体【答案】 C3、在建筑场地的抗震危险地段可以考虑建造下列何种建筑?( )A.特殊设防类建筑(甲类建筑)B.重点设防类建筑(乙类建筑)C.标准设防类建筑(丙类建筑)D.适度设防类建筑(丁类建筑)【答案】 D4、居住区建筑容积率是哪个比值?( )A.B.C.D.【答案】 C5、因各种原因消防车不能按规定靠近体育建筑物时,应采取措施满足对火灾扑救的需要。
下列哪项是错误的?( )A.消防车在平台下部空间靠近建筑主体B.消防车直接开入建筑内部C.消防车到达平台上部以接近建筑主体D.平台上部设自动喷水灭火系统【答案】 D6、下列哪一项不属于地下水深井资料内容?( )A.蓄水层深度、厚度B.井的深度与口径C.流量、流向、渗透性D.水质分析【答案】 B7、下列关于建设项目环境影响评价报批内容、评价审批和手续方面的叙述中,正确的是哪一项?()A.可能造成轻度环境影响的,应当编制环境影响报告表B.报批的环境影响报告书中不应附有对有关单位、专家和公众的意见采纳或不采纳的建议C.设计单位和个人都可为建设单位推荐或指定进行环境评价的机构D.预审、审核、审批环境影响评价文件的被审建设单位,需向各种审查单位交纳一定的审查费用【答案】 A8、我国纬度低于25°地区居住区规划中,影响住宅建筑间距的主要因素是()。
A.消防、防灾B.日照C.通风、视线干扰D.管线敷设需要【答案】 C9、有关居住区内道路边缘至建筑物的最小距离的叙述,错误的是( )。
场地设计总复习题-答案重点题目一.单选题﹡1.根据广场的性质划分,城市广场可分为(D )。
A.市政广场、纪念广场、交通广场、商业广场等四类B.市政广场、交通广场、商业广场、娱乐广场、集散广场等五类C.市政广场、交通广场、商业广场、娱乐广场、纪念广场、宗教广场、集散广场七类D.市政广场、交通广场、商业广场、休息及娱乐广场、纪念广场、宗教广场等六类﹡3.只有一个双车道汽车疏散出口的地下汽车库,其最大允许停车位是(A )辆。
A.100 B.90 C.80 D.70﹡8.关于规划总用地范围的周界问题下列何项是错误的(C )。
A.自然分界线;B.道路中心线;C.道路红线;D.双方用地的交界处划分﹡12.初步设计说明书中,下列哪一项面积指标一般不列入“总指标”( B )。
A.总建筑占地面积B.总使用面积C.总用地面积D.总建筑面积﹡15、沿街建筑物长度超过多少时,应设不小于( B )面积的消防通道。
A.160m,3m×3m B.160m,4m×4m C.180m,4m×3m D.120m,4m×4m ﹡18、当高层建筑的沿街长度超过( A )米时,应在适中位置设置穿过高层建筑的消防车道。
A.150m B.220m C.160m D.210m﹡29.厂区围墙与厂内建筑之间的间距不宜小于(C)米,且围墙两侧的建筑之间还应满足相应的防火间距要求。
A、1B、3C、5D、10二.多项选择题﹡ 1. 投资估算划分为(ABCD) 阶段:A规划阶段B评审阶段C项目建议书阶段D可行性研究阶段﹡ 2.公共建筑的群体组合方式(ABCD) 。
A对称式B自由式C庭院式D综合式F自由式﹡ 4.住宅群体组合主要有以下(ABCD)基本形式。
A行列式B周边式C点群式D混合式F自由式﹡6.医院选址应符合下列要求(ABCD)。
A 交通方便、面临两条城市道路;B 便于利用城市基础设施、环境安静,远离污染源、地形力求规整;C 远离易燃易爆物品的生产和贮存区;D 远离高压线及其设施、不应邻近少年儿童活动密集场所。
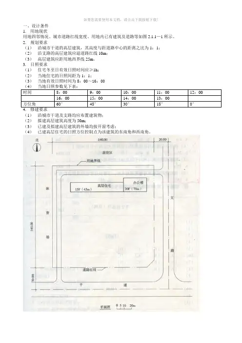
场地设计习题一、设计条件 1. 用地现状用地四邻情况、城市道路红线宽度、用地内已有建筑及道路等如图—1所示。
2. 规划要求沿城市干道的高层建筑,其高度与距道路中心的距离之比为1:1;沿支路的高层建筑应退道路红线10m;高层建筑应距用地西界线25m。
3. 日照要求住宅冬至日有效日照时间应≥1h;当地住宅的日照间距为1:1;当地有效日照时间为8:00~16:00 当地日照参数见下表:时间 8:00 9:00 10:00 11:00 16:00 15:00 14:00 13:00 方位角 60° 45° 30° 15° 4. 修建要求沿城市干道及支路均应布置建筑物;拟建高层建筑高度为50m;已建及拟建高层建筑的外墙均按开窗考虑;已建高层住宅的日照方位控制点为该建筑的东南角和西南角。
12:00 0°1二、设计条件平面图—1所示的地产是私人出售的,卖方还拥有该地块东面的地产。
卖方对出售的地产在使用上要求买方不得在共同的用地界线以内建造房屋,并有下列限制: 1. 前院后退: 2. 边院后退: 3. 后院后退:4. 公用设施用地宽度:在上述后退距离及公用设施用地内均不得修建建筑物。
停车场可设在四周用地界线的以内。
任务要求在平面图—1内:1. 用虚线画出所有的控制线,并标明该线的不同性质及尺寸。
2. 用实线画出并标明可作为停车场的用地控制线,但可不标注尺寸。
3. 用方格网线画出最大可建用地范围。
2三、设计条件某平坦场地入图—1所示,其南面和东面为已建办公楼和住宅,业主拟在用地内修建多层住宅低层别墅。
城市规划部门对建设的要求如下:1. 建筑控制线:西面和北面分别后退道路红线和用地界线5m;东面和南面后退用地界线3m。
2. 距小河中心线5m范围内和距古亭8m范围内不得作为建筑用地。
3. 当地日照间距:多层住宅为1:1:2,低层别墅为1:1:7。
不考虑古亭的日照间距。
2019一级注册建筑师《场地设计(作图题)》习题(13)含答案2019一级注册建筑师《场地设计(作图题)》习题(13)1.设计条件(1)某超级市场(以下简称超市)停车场用地见图30-4-5。
(2)停车场机动车出入口由城市道路引入(可穿越城市绿带),出入口宽度不小于7m,距城市道路交叉口不小于50m。
(3)停车场南侧需设一个通向超市入口广场的人行出入口,其通道宽度不小于6m。
(4)停车场四周需留出2m宽的绿化带(超市班车、残疾人车位及出入口处可不设)。
(5)停车方式采用垂直式、平行式均可。
车行道应贯通,宽度不小于7m,但当超市班车垂直式停放时其车行道宽度应不小于15m。
(6)通行超市班车的车行道内侧转弯半径不小于8m。
(7)停车场内应尽可能多布置停车位(含超市班车停车位3个、残疾人停车位4个),停车位大小及布置要求见图30-4-4。
2.任务要求(1)根据设计条件绘制停车场平面布置图和停车场机动车出入口及人行出入口。
(2)注明相关尺寸、标明各停车带(可不绘车位线)的停车数量及停车场的停车总数。
3.作图选择题(根据作图选择一个正确答案)(1)停车场内停车位总数(含残疾人车位及超市班车车位)为:(6分)A.45~48个B.49~52个C.53~57个D.58~62个(2)残疾人停车位位于停车场的:(6分)A.东侧B.南侧C.西侧D.北侧(3)超市班车停车位位于停车场的:(4分)A.东侧B.南侧C.西侧D.中部(4)停车场机动车出入口数量为:(4分)A.1个B.2个C.3个D.4个1.作图(图30-4-11)2.选择题答案(1)C(2)B(3)A(4)B。
2019一级建筑师《场地设计作图题》练习题(3)含答案
2019一级建筑师《场地设计作图题》练习题(3)
某场地位于海边且现状地形不准改变。
在满足下列条件的情况下可进行建设:
1.建筑距离溪流中心线不少于6m;
2.距海岸线10m的区域内不准用于建筑用地;
3.坡度大于10%的区域为非建筑区;
4.现状树木必须保留;
5.洪水淹没线为等高线11m。
设计任务
1.绘出可建建筑的用地的界线,并简要说明。
2.用网格线表示出可建建筑的区域。
解题要点
根据给定的自然条件(如溪流、坡度、植被)和各种限制条件确定可建建筑用地的范围。
作图提示
1.从溪流中心线后退和海岸线后退开始,应分别以垂直于溪流中心或海岸线量取若干点,再连成平滑曲线作为溪流或海岸的平行线,作为定位线确定建筑界线。
2.利用地形图确定坡度小于10%(即水平距离大于3m时)的地段的界线。
3.保留现状树木。
4.用网格线表示出可建建筑区域。
参考评分标准。
2019一级注册建筑师《场地设计(作图题)》习题(2)含答案2019一级注册建筑师《场地设计(作图题)》习题(2)地形设计1.设计条件某坡地内拟平整台地一处,相关尺寸、标高及坡度如下图所示。
2.任务要求(1)画出用地范围内的等高线(等高距为0.5m),并标注各等高线和a、b、c、d、e诸点的标高值。
(2)回答下列问题:1)a点的标高为( )m。
A.97.5B.97.0C.96.52)b点的标高为( )m。
A.97.5B.97.0C.96.53)c点的标高为( )m。
A.97.5B.97.0C.96.54)d点的标高为( )m。
A.97.5B.97.0C.96.55)e点的标高为( )m。
A.97.5B.97.0C.96.5地形设计本题考核点包括:等高距和等高线间距的定义;二者与坡度的关系。
关键在于对等高距、等高线间距和坡度三者的定义与关系,要有清晰的概念。
1.绘图答案如下图所示。
2.问题答案:(1)C;(2)C;(3)B;(4)B;(5)A3.作图及选择题提示如下:(1)根据已知等高距和坡度,可知等高线间距应为0.5m÷10%=5.0m。
(2)由用地的北界(标高99.5),以0.5m等高线间距向南(低处)依次画出99.0、98.5、98.0、97.5、97.0诸条等高线。
其中98.5等高线与台地北缘重合,其下的等高线在内侧止于变坡线,96.5标高则位于变坡线的脚点。
(3)同理,由台地南缘(系挡土墙,标高98.0等高线与其重合),以0.5m等高线间距向南(低处)依次画出97.5、97.0等高线。
其两端止于变坡线,其中前者通过e点,后者与用地南界局部重合。
(4)连接二条变坡线上的同值标高点,即可得该用地内连续的等高线图形。
(5)b点距c点5m,且位于东西坡向的下方,故其标高应为96.5,ah连线实为96.5等高线;c、d点均在南北坡向的97.0等高线上,故同值。
一级注册建筑师之设计前期与场地设计练习题库附带答案单选题(共20题)1. 下列控制界限中,属于防洪堤墙、排洪沟与截洪沟、防洪闸等城市防洪设施用地的是()。
下列控制界限中,属于防洪堤墙、排洪沟与截洪沟、防洪闸等城市防洪设施用地的是()。
A.城市绿地B.城市紫线C.城市黄线D.城市蓝线【答案】 C2. 建筑耐久年限是以下列哪项确定的?( )建筑耐久年限是以下列哪项确定的?( )A.主体结构B.内外建筑装修C.暖、通、电信设备D.水、电、气管线【答案】 A3. 下列哪项建筑的抗震设防等级不属于乙类?( )下列哪项建筑的抗震设防等级不属于乙类?( )A.航天科学研究楼B.伤寒等病毒科学实验楼C.大型电影院、大型剧场D.人数较多的幼儿园或低层小学教育楼【答案】 B4. 下列关于城市居住区内道路设置的规定中哪项不妥?( )下列关于城市居住区内道路设置的规定中哪项不妥?( )A.小区内主要道路至少应有两个出入口B.居住区内道路与城市道路相接时,其交角宜大于等于75。
C.当居住区道路坡度较大时,应设缓冲段与城市道路相接D.居住区内主要道路至少三个方向应与城市道路相连【答案】 D5. 在总体布局时,关于汽车库的设置,下列说法中不妥的是()。
在总体布局时,关于汽车库的设置,下列说法中不妥的是()。
A.汽车库不应与甲、乙类厂房、库房组合建造B.汽车库不应与托儿所、幼儿园、养老院组合建造C.当病房楼与汽车库有完全的防火分隔时,病房楼的地下室可设置汽车库D.地下汽车库内可设有少量修理车位【答案】 D6. 与市政管线相接的工程管线,其平面位置和竖向标高应采用何种系统来表示?()与市政管线相接的工程管线,其平面位置和竖向标高应采用何种系统来表示?()A.全国统一的坐标系统和高程系统B.全省统一的坐标系统和高程系统C.城市统一的坐标系统和高程系统D.施工坐标系统和黄海高程系统【答案】 C7. 建筑的“全生命周期”是指()。
建筑的“全生命周期”是指()。
2018一级注册建筑师《场地设计》经典习题(14)含答案2018一级注册建筑师《场地设计》经典习题(14)1、一座二级耐火的三层办公楼,只设一座楼梯的必要条件是下列哪两条?I.每层建筑面积不大于200m;Ⅱ.每层建筑面积不大于500m;Ⅱ.二、三层人数之和不超过50;Ⅱ,二、三层人数之和不超过100。
A.I、ⅡB.I、ⅡC.Ⅱ、ⅡD.Ⅱ、Ⅱ正确答案:D2、依据现行《建筑设计防火规范》的规定,消防应急照明灯具和灯光疏散指示标志的备用电源的连续供电时间最少为__ B __。
A.20minB.30minC.45minD.60min3、关于将幼儿生活用房设在地下室或半地下室的做法,规范规定是( )。
A.必要时可以B.不宜C.不应D.严禁正确答案:D4、根据《建筑设计防火规范》中消防应急照明和消防疏散指示标志的设计规定,沿疏散走道设置的灯光疏散指示标志,间距___ B __大于20米。
A.可以B.不C. 宜5、建筑内的安全出口和疏散门应分散布置,且建筑内每个防火分区或一个防火分区的每个楼层、每个住宅单元每层相邻两个安全出口以及每个房间相邻两个疏散门最近边缘之间的水平距离不应小于C m。
A、3B、4C、5D、66、建筑的楼梯间宜通至屋面,通向屋面的门或窗应向开B 启;自动扶梯和电梯安全不应计作疏散设施。
A、内B、外C、左D、右7、液氧储罐与其泵房的间距不宜小于 B m。
A、2B、3C、4D、58、室外疏散楼梯栏杆扶手的高度不应小于 C m,楼梯的净宽度不应小于B m。
A、0.8B、0.9C、1.0D、1.19、下列哪一项不是确定公共建筑通道宽度与长度的主要因素?A.空间感受B.功能需要C.通道两侧门洞的数量D.防火规定正确答案:C10、下列内容中的哪一项不是初步设计文件的应有组成部分?A.主要设备及材料表B.设计说明书C.设计图纸D.工程预算书正确答案:D11、高层建筑、公共娱乐场所、百货商场等在进行室内装修时应采用的装修材料是BA.可燃材料B.难燃材料和不燃材料C.易燃材料D.钢筋混凝土12、以下哪类公共建筑不适合采用全空气式集中空调系统?A.影剧院B.体育馆C.展览馆D.宾馆客房正确答案:D13、根据《建筑设计防火规范》中消防电源及其配电的设计规定,室外消防用水量大于35L/s的可燃材料堆场、可燃气体储罐区和甲、乙类液体储罐应按___B ___负荷供电。
一、设计条件1.用地现状用地四邻情况、城市道路红线宽度、用地内已有建筑及道路等如图2.1.1—1所示。
2.规划要求(1)沿城市干道的高层建筑,其高度与距道路中心的距离之比为1:1;(2)沿支路的高层建筑应退道路红线10m;(3)高层建筑应距用地西界线25m。
3.日照要求(1)住宅冬至日有效日照时间应≥1h;(2)当地住宅的日照间距为1:1;(3)当地有效日照时间为8:00~16:00时间8:00 9:00 10:00 11:00 12:00 16:00 15:00 14:00 13:00方位角60°45°30°15°0°(1)沿城市干道及支路均应布置建筑物;(2)拟建高层建筑高度为50m;(3)已建及拟建高层建筑的外墙均按开窗考虑;(4)已建高层住宅的日照方位控制点为该建筑的东南角和西南角。
二、设计条件平面图2.1.2—1所示的地产是私人出售的,卖方还拥有该地块东面的地产。
卖方对出售的地产在使用上要求买方不得在共同的用地界线15.9m(50英尺)以内建造房屋,并有下列限制:1.前院后退:19.0m(60英尺)2.边院后退:(40英尺)3.后院后退:(50英尺)4.公用设施用地宽度:19.0m(60英尺)在上述后退距离及公用设施用地内均不得修建建筑物。
停车场可设在四周用地界线的6.3m(20英尺)以内。
任务要求在平面图2.1.2—1内:1.用虚线画出所有的控制线,并标明该线的不同性质及尺寸。
2.用实线画出并标明可作为停车场的用地控制线,但可不标注尺寸。
3.用方格网线画出最大可建用地范围。
三、设计条件某平坦场地入图2.1.4—1所示,其南面和东面为已建办公楼和住宅,业主拟在用地内修建多层住宅低层别墅。
城市规划部门对建设的要求如下:1.建筑控制线:西面和北面分别后退道路红线和用地界线5m;东面和南面后退用地界线3m。
2.距小河中心线5m范围内和距古亭8m范围内不得作为建筑用地。
注册一级建造师考试设计前期与场地设计(习题卷9)第1部分:单项选择题,共100题,每题只有一个正确答案,多选或少选均不得分。
1.[单选题]居住区内小区级道路的路面宽度一般应为下列何值?( )A)20mB)6~9mC)3.5mD)2.5m答案:B解析:2.[单选题]在综合医院设计中,传染病房达到多少床位时,必须单独建造病房并与周围的建筑保持一定的距离?( )A)4床以上B)10床以上C)12床以上D)20床以上答案:D解析:《综合医院建筑设计规范》第3.5.1条规定,20床以下的一般传染病房,宜设在病房楼的首层,并设专用出入口,但其上一层不得设置产科和儿科护理单元;20床以上,或兼收烈性传染病者,必须单独建造病房,并与周围的建筑保持一定距离。
3.[单选题]在方案设计阶段,建筑专业应向其他专业提供的资料中,不包括以下哪项?( )A)由建设单位提供的设计依据文件B)主管部门的审批意见C)总平面与单体平面、立面和剖面D)简要设计说明答案:B解析:4.[单选题]人行道中的盲道设计,下列规定中哪项是正确的?( )A)盲道砖可采用条形触感条或圆点形触感点,二者任选其一B)盲道砖表面触感部分的上表面应与人行道砖表面相平C)盲道砖是供视残者用,故对色彩无要求D)盲道应连续,中途不得有障碍物,宜避开井盖铺设答案:D解析:5.[单选题]埋设给水管、雨水管、污水管管线遇到矛盾时,正确的处理方法是( )。
A)雨水管避让给水管和污水管B)给水管避让雨水管和污水管C)污水管避让给水管和雨水管D)雨水管和污水管避让给水管答案:B解析:《城市工程管线综合规划规范》第2.1.4条规定,压力管线让重力自流管线;小管经管线让大管径管线。
给水管是小管径管线,也是压力管线,而雨水管和污水管都是重力自流管线,管径均大于给水管。
因此给水管应避让雨水管和污水管。
6.[单选题]居住区的集贸市场停车场的机动车停车位控制指标为( )。
(单位:车位/100㎡建筑面积)A)0.45B)1.7C)0.3D)1.0答案:C解析:根据《城市居住区规划设计规范》(GB50180-93,2002年版)第6.0.5.1条规定,配建公共停车场(库)的停车位控制指标要求,集贸市场停车场指标为0.3车位/100㎡建筑面积。
2022-2023年一级注册建筑师之设计前期与场地设计练习题附答案详解单选题(共20题)1. 下列基地内道路设计说法中,错误的是()。
下列基地内道路设计说法中,错误的是()。
A.人行道路的宽度不应小于1.5mB.不得利用道路边设置汽车停车位C.单车道路宽度不应小于4m,双车道路宽度不应小于7mD.车行道路改变方向时,应满足车辆最小转弯半径的要求【答案】 B2. 下列哪条不属于项目建议书内有关环保的主要内容?()下列哪条不属于项目建议书内有关环保的主要内容?()A.所在地区环境现状B.建成后可能造成的环境影响分析C.当地环保部门的意见和要求D.当地交通部门的意见和要求【答案】 D3. 砌筑型护坡的坡比值宜为( )。
砌筑型护坡的坡比值宜为( )。
A.2.0~3.0B.1.8~2.0C.1.2~1.5D.0.5~1.0【答案】 D4. 以下关于工程项目进度计划的说法,错误的是()。
以下关于工程项目进度计划的说法,错误的是()。
A.施工企业的施工生产计划属企业计划的范畴B.编制项目施工进度计划属于工程项目管理的范畴C.项目施工进度计划应符合施工企业施工生产计划的总体安排D.必须采用工作量表编制方法【答案】 D5. 位于8度地震区某小区内,拟建一批六层住宅,在结构体系的选择上,下列论述中哪项是不正确的?( )位于8度地震区某小区内,拟建一批六层住宅,在结构体系的选择上,下列论述中哪项是不正确的?( )A.不可采用无抗震墙的钢筋混凝土板柱结构B.可采用砌体墙和钢筋混凝土墙的混合结构C.不可采用内框架结构D.底部框架一抗震墙体系中,其底部的抗震墙不应采用砌体抗震墙【答案】 B6. 不符合地下建筑顶板上做种植设计要求的是:( )不符合地下建筑顶板上做种植设计要求的是:( )A.覆土厚度大于800mm时,可不设保温层B.做下沉式种植时,应设自流排水系统C.高于周界地面时,可不设排水系统D.绿化宜为永久性绿化【答案】 C7. 住宅基地内室内外高差为1m时,其无障碍坡道坡度不应超过下列何值?( )住宅基地内室内外高差为1m时,其无障碍坡道坡度不应超过下列何值?( )A.1:20B.1:16C.1:12D.1:10【答案】 B8. 关于铁路旅客车站站前广场设计原则,下列哪条是错误的?()关于铁路旅客车站站前广场设计原则,下列哪条是错误的?()A.站前广场应分区布置,旅客、车辆、行包三种流线应短捷,避免交叉B.人行通道、车行道应与城市道路相衔接C.站前广场的地面、路面宜采用柔性地面,并符合排水要求D.特大型和大型旅客车站宜设立体站前广场【答案】 C9. 城市公共设施建设用地适宜的规划坡度最大值为:( )城市公共设施建设用地适宜的规划坡度最大值为:( )A.8%B.15%C.20%D.25%【答案】 C10. 下列有关医院建筑分级与住院病床指标的叙述中,哪项是错误的?( ) 下列有关医院建筑分级与住院病床指标的叙述中,哪项是错误的?( )A.三级医院的总床位不少于500个B.二级医院的总床位不少于250个C.三级医院每床的建筑面积不少于60㎡D.二级医院每床的建筑面积不少于45㎡【答案】 B11. 居住区中的住宅用地一般占居住区总用地的比例为:( )居住区中的住宅用地一般占居住区总用地的比例为:( )A.30%~35%B.40%~45%C.50%~60%D.70%~80%【答案】 C12. 下列住宅区内公共绿地总指标的说法中哪项错误?( )下列住宅区内公共绿地总指标的说法中哪项错误?( )A.组团不少于0.5㎡/人B.小区不少于1.0㎡/人C.居住区不少于1.5㎡/人D.旧区改建可酌情降低,但不应低于相应指标的50%【答案】 D13. 基地内建筑面积大于3000㎡且只有一条环通的基地道路与城市道路相连接时,基地道路的宽度不应小于多少?( )基地内建筑面积大于3000㎡且只有一条环通的基地道路与城市道路相连接时,基地道路的宽度不应小于多少?( )A.5mB.6mC.7mD.8m【答案】 C14. 山坡地分全阳坡、半阳坡及背阳坡,半阳坡是指:( )山坡地分全阳坡、半阳坡及背阳坡,半阳坡是指:( )A.南、北B.东、西C.西北、东北D.西南、东南【答案】 B15. 关于居住区内的绿地,下列论述( )不正确。
习题1
设计条件:拟在山坡上建一座纪念碑,如图所示,其场地周围雨水完全依靠地形调整要求:
1.地形调整在本场内进行,排水应顺应地势;
2.山坡上的雨水不应流入广场;
3.原有树木保留,并力求土方量工程节省;
4.场地四周作1:2边坡,广场内不得积水
5.排水渠宽度为、深度为,沟底纵坡忽略不计,设计等高距为.。
任务要求:
1.回答下列问题:
(1)广场的设计标高为()m。
最北边的设计等高线与广场北侧的距离为()m。
场地内共有()根设计等高线。
2.确定广场的设计标高(用地内坡度忽略不计)
3.绘出修整后的边坡和排水渠的设计等高线。
图1
习题2
某用地界限及地形如图所示,要求在用地中平整出一块30×30m的平地作为建设场地,其条件为:1、建设场地边与用地界线平行。
2、土方最省
3、建设场地周围做1:2护坡,护坡边不得超越用地界线。
任务要求
1、画出建设场地并标出标高
2、画出建设场地四周1:2护坡
图2
习题3
设计条件:在已有的斜坡上拟建一个设计坡度为3%的建设用地。
所有填方和挖方的边坡坡度为1:3砌筑,设计等高线为1m。
任务要求:
1.回答下列问题:
(1)设计地面比地形高时为(),低时为()A 填方、挖方;B 挖方、填方
(2)用地东侧和西侧的等高线与对应的用地边缘相互()A 平行;B 不平行
(3)用地北侧有()条等高线。
A 2;B3;C4;D5
(4)设计等高线与地形等高线衔接处为()A 相交的直线;B 平顺的曲线2.绘出修整后的地面、边坡和排水渠的设计等高线
北。
2021年一级注册建筑师《场地设计作图题》考点习题汇总场地分析[问答题]设计条件1.某居住小区建设用地内拟建由住宅和商业裙房组成的商住楼,用地范围如图所示。
2.用地范围内有35kV架空高压电力线路穿过,其走廊宽度12m。
3.拟建商住楼的建筑层数9层,高度为30.4m,其中商业裙房的建筑层数2层,高度为10m。
4.所有多、高层住宅日照均按日照间距控制,当地的日照间距系数为1.5。
5.所有拟建多层建筑后退道路红线和用地界线≥5m,高层建筑后退道路红线和用地界线≥8m。
6.原有建筑和拟建建筑的耐火等级均不低于二级。
任务要求1.进行拟建住宅和商业裙房用地的最大可建范围分析。
2.分别用两种图示表示出拟建住宅和商业裙房的可建范围。
裙房最大可建范围(用表示),标注相关尺寸。
拟建住宅最大可建范围(用表示),标注相关尺寸。
选择题1.北侧已建住宅南面外墙与拟建商业裙房最大可建范围线的间距为( )。
A.19.50mB.22.50mC.28.50mD.34.50m2.北侧已建住宅南面外墙与拟建住宅最大可建范围线的间距为( )。
A.22.50mB.28.81mC.34.36mD.45.60m3.东侧已建住宅西面外墙与拟建住宅最大可建范围线的间距为( )。
A.4mB.6mC.9mD.13m4.南侧已建住宅北面外墙与拟建住宅最大可建范围线的实际间距为( )。
A.21mB.25mC.27mD.30m参考答案:解题要点1.正确理解与掌握建筑防火、日照、通风间距与城乡规划控线要求,以及适用情况。
2.满足低层、多层与高层民用建筑设计防火规范要求。
3.掌握建筑对高压线的退让距离。
作图提示1.首先画出规划退线后的用地范围,注意9层商住楼的裙房部分可按多层后退5m,而上部住宅属于高层主体,需按高层后退8m。
2.分析用地南侧已建住宅对拟建住宅可建范围的影响:a.防火间距满足要求;b.日照间距,⑤号已建住宅高68m,减去裙房高度10m,拟建住宅的日照间距需要87m,在用地范围内不能再建住宅;而⑥号住宅其实对拟建住宅的日照并没有影响,因为拟建住宅在10m裙房上面,其可建范围南边界距离南侧已建住宅北外墙应为1.5×(18m-10m)=12m,小于规划退线要求。
二级建筑师考试《场地与建筑设计》练习题单选题1.公共建筑设计的功能问题中, 下列哪一条不属于重要的核心问题( D )。
A.功能分区B.人流疏散C.空间组成D.通风采光2.二级踏步不允许出现在以下哪一种部位( C )。
1.下列哪一项不属于公共建筑交通联系部分的基本空间形式( D )。
A.水平交通B.垂直交通C.枢纽交通D.对外交通2.自动扶梯的坡度一般为( C )。
A.20°B.25°C.30°D.35°3.下列哪项一般不在建筑初步设计的立面图中标注或表示( C )。
A.变形缝和主要装饰及材料做法等B.平面、剖面未能表示的屋顶、檐口、女儿墙、窗台等标高或高度C.平面图上表示不出的窗编号D.关系密切、相互间有影响的相邻建筑部分立面提示: 见《建筑工程设计文件编制深度的规定》2.3.2条, 初步设计图纸不需表示窗编号。
4.50汽车库、修车库的平面布置,以下哪一条错误( B )。
A.汽车库可设在高层、多层民用建筑的底层或贴邻建造B.直接在人员密集的公共场所和托儿所、幼儿园、病房的上面、下面或贴邻建造汽车库时, 必须用防火墙隔开C.当病房楼与汽车库有完全的防火分隔时, 其地下可设汽车库D.汽车库内设修理车位时, 停车部位与修理车位之间, 应设防火隔墙提示: 见《车库防火规范》4.1.2。
托儿所、幼儿园不能与汽车库贴邻建造。
5.以下哪项不符合施工图设计文件编制深度的要求( A )。
A.能据以进行施工准备B.能据以编制施工图预算C.能据以安排材料、设备定货和非标准设备的制作D.能据以进行工程验收提示: 见《建筑工程设计文件编制深度的规定》第3页, 1.0.6条。
施工准备只要依据初步设计。
6.住宅户内通往起居室、卧室的过道净宽不应小于( B )m。
A.0.9B.1.0C.l.1D.1.27.按照我国现行《住宅设计规范》, 下列说法哪条是错误的( C )。
A.低层住宅为1层至3层B.多层住宅为4层至6层C.小高层住宅为7层至11层D.高层住宅为10层及以上提示: 见《住宅设计规范》1.0.3条。
2021年设计前期与场地设计练习题和答案(Part4)共1种题型,共40题单选题(共40题)1.住宅设计中无直接采光的餐厅,过厅等,其使用面积不宜大于:() A:10㎡B:11㎡C:12㎡D:15㎡【答案】:A【解析】:《住宅设计规范》5.2.4无直接采光的餐厅、过厅等,其使用面积不宜大于10m。
2.居住区无护栏水体的近岸2m范围内及园桥、汀步附近2m范围内,水深不应大于:()A:0.5mB:0.8mC:1.2mD:1.5m【答案】:A【解析】:《住宅建筑规范》第4.4.3条规定,人工景观水体的补充水严禁使用自来水。
无护栏水体的近岸2m范围内及园桥、汀步附近2m 范围内,水深不应大于0.5m。
3.地下管线穿过公共绿地时,下列做法何者正确?()A:宜横贯公共绿地B:为缩短路线宜斜穿公共绿地C:宜从公共绿地边缘通过D:深埋敷设【答案】:C【解析】:《城市居住区规划设计规范》第10.0.2.8条规定,地下管线不宜横穿公共绿地和庭院绿地。
4.根据基本建设程序,在投资建设项目之前,首先应做的工作是以下()项。
A:进行实地考察,确定建设地点,做征地拆迁的准备工作B:提出项目建议书C:进行投资估算和资金筹措D:对项目进行初步设计【答案】:B【解析】:我国现行的基本建设程序包括的主要阶段依次有:①项目建议书阶段;②可行性研究阶段;③设计工作阶段;④建设准备阶段;⑤建设实施阶段;⑥生产准备阶段;⑦竣工验收阶段。
5.关于托儿所、幼儿园的选址要求,以下哪项错误?()A:必须设置各班专用活动场地,还应设有全园共用的室外游戏场地B:服务半径800m为宜C:基地远离各种污染源D:应设有集中绿化园地,并严禁种植有毒、带刺植物【答案】:B【解析】:参见《幼儿园建筑设计规范》。
4.1.3幼儿园建筑与有危险发生的建筑物之间的距离必须符合有关规范的规定;严禁与有传染、污染的建筑物及其场所毗邻;应符合有关卫生防护标准的要求。
4.2.3幼儿园应设室外活动场地,并应满足以下要求:1.宜设班专用室外活动场地,每班室外活动场地面积不宜小于60㎡。
一级注册建筑师之设计前期与场地设计练习题附答案详解单选题(共20题)1. 选址时要了解水文地质情况,以下哪项不属于此范围?( )A.地表水情况B.地下水情况C.滞水层情况D.降水情况【答案】 D2. 关于地下管线布置原则,下列说法中哪项不妥?( )A.地下管线的走向宜与建筑主体或道路相平行或垂直B.管线应从建筑物向道路方向由深至浅埋设C.管线布置应短捷,尽量减少转弯D.管线与管线、管线与道路应尽量减少交叉【答案】 B3. 下列哪项内容不属于城市规划管理部门协调审查的范围?( )A.允许开发界限B.建筑限高C.建筑物沿街立面D.燃气调压设施面积【答案】 D4. 下列设置高层建筑燃油、燃气锅炉房的表述,错误的是()。
A.宜在建筑外设置B.当受条件限制需设置在民用建筑内时,不应布置在人员密集场所的上一层、下一层或贴邻C.当受条件限制时可设置在建筑物的首层或地下一层靠外墙部位D.当常压或负压燃气锅炉房距安全出口的距离大于4m时,可设置在屋顶上【答案】 D5. 下列有关场地挡土墙处理的叙述,错误的是:( )A.挡土墙的高度宜为1.5~3.0mB.高度大于2.0m的挡土墙,其下缘与建筑间的水平距离不应小于2.0mC.在条件许可时挡土墙宜以4.0m高度退台处理D.挡土墙退台时宽度不应小于1.0m【答案】 C6. 甲方已委托建筑师进行一商业项目建筑设计,由于甲方缺乏经验迟迟未能提交设计任务书,建筑师此时采用以下哪项做法较为合适?()A.等待甲方确定明确意见,下达设计任务书要求后启动设计工作B.催促甲方尽快提出设计任务书,以便进入实质性设计阶段C.根据甲方最新设想,不厌其烦地进行方案设计,直到甲方满意为止D.与甲方沟通,提出建议,使其尽快理清思路,协助甲方策划形成设计任务书【答案】 D7. 商业步行区附近应有相应规模的机动车、非机动车停车场、库,其距步行区进出口的距离应满足?()A.不宜大于100mB.不宜大于150mC.不宜小于100mD.不宜小于150m【答案】 A8. 尽头式消防车回车场,错误的是()。
一、设计条件1.用地现状用地四邻情况、城市道路红线宽度、用地内已有建筑及道路等如图—1所示。
2.规划要求(1)沿城市干道的高层建筑,其高度与距道路中心的距离之比为1:1;(2)沿支路的高层建筑应退道路红线10m;(3)高层建筑应距用地西界线25m。
3.日照要求(1)住宅冬至日有效日照时间应≥1h;(2)当地住宅的日照间距为1:1;(3)当地有效日照时间为8:00~16:00时间8:009:0010:0011:0012:00 16:0015:0014:0013:00方位角60°45°30°15°0°(1)沿城市干道及支路均应布置建筑物;(2)拟建高层建筑高度为50m;(3)已建及拟建高层建筑的外墙均按开窗考虑;(4)已建高层住宅的日照方位控制点为该建筑的东南角和西南角。
平面图—1所示的地产是私人出售的,卖方还拥有该地块东面的地产。
卖方对出售的地产在使用上要求买方不得在共同的用地界线(50英尺)以内建造房屋,并有下列限制:1.前院后退:(60英尺)2.边院后退:(40英尺)3.后院后退:(50英尺)4.公用设施用地宽度:(60英尺)在上述后退距离及公用设施用地内均不得修建建筑物。
停车场可设在四周用地界线的(20英尺)以内。
任务要求在平面图—1内:1.用虚线画出所有的控制线,并标明该线的不同性质及尺寸。
2.用实线画出并标明可作为停车场的用地控制线,但可不标注尺寸。
3.用方格网线画出最大可建用地范围。
某平坦场地入图—1所示,其南面和东面为已建办公楼和住宅,业主拟在用地内修建多层住宅低层别墅。
城市规划部门对建设的要求如下:1.建筑控制线:西面和北面分别后退道路红线和用地界线5m;东面和南面后退用地界线3m。
2.距小河中心线5m范围内和距古亭8m范围内不得作为建筑用地。
3.当地日照间距:多层住宅为1:1:2,低层别墅为1:1:7。
不考虑古亭的日照间距。
任务要求1.在用地平面图上,绘出拟建多层住宅和低层别墅的最大可建范围,并标注尺寸。
2.多层住宅可建范围用出拟建教学楼和图书馆的最大可建范围,教学楼可建区用\\\\\\\表示,图书馆可建区用2.拟建教学楼和图书馆与已建建筑的间距应满足相应《建筑设计防火规范》、《高层民用建筑设计防火规范》和《中小学校建筑设计规范》的要求。
五、设计条件1.在某居住小区内,拟建住宅的用地界线及周边现状如图—1所示。
2.规划要求住宅可建范围线退用地界线5m。
3.该地区的日照间距系数为。
4.新建住宅应考虑与已有建筑的防火间距(住宅的耐火等级为二级,建筑相对面均按开窗考虑)。
任务要求1.绘出多层及高层住宅的最大可建范围,分别用出综合楼最大可建范围,并用算出综合楼最大可建建筑面积;3.作图及面积计算均以轴线为准。
六、设计条件1.某城市沿湖滨路有一用地,拟在其内规划建设场地㎡,其余留作城市广场,见图—1。
2.湖中已建城市雕塑一座,为城市干道的对景,要求在A、B点不得有视线遮挡。
3.洪水淹没线以上为高出湖面1m的台地。
任务要求1.建设场地应为左右对称完整的两块,面积共为㎡,用粗实线画出范围。
2.已有古树均不得破坏。
七、设计条件1.欲在某用地内新建3层和10层住宅,场地现状如图—1所示。
用地南侧为古城墙,其余三侧为城市道路。
东南角有古亭一座(长×宽=20m×20m,高10m,三级耐火等级)。
2.规划要求(1)新建建筑应后退红线5m。
(2)当地日照间距系数为。
(3)多层和高层建筑须分别距古城墙30m和45m(4)多层和高层建筑须分别距古亭12m和20m。
任务要求1.画出新建3层住宅(高10m,耐火等级二级)的可建范围(用\\\\\\\表示)。
2.画出新建10层住宅(高30m,耐火等级二级)的可建范围(用出二者可建范围面积之差。
八、设计条件1.某医院进行改建,用地状况如图—1所示。
其内保留门诊楼一栋(长×宽×高=72m×24m×16m)。
2.建筑控制线退干道红线12m,退支路红线和用地红线均为9m。
3.拟建病房楼距传染病房楼和水源点均应≥30m。
病房楼高度拟定为26m.4.当地日照间距系数为。
5.建筑物均按二级耐火等级和对面开窗考虑。
任务要求1.作图(1)先确定并绘出传染病房楼(长×宽×高=72m×24m×16m)的位置。
(2)再画出拟建病房楼的最大可建范围,并标注相关的间距尺寸。
十、设计条件某用地地形图如图—1所示,已知等高距为2m。
任务要求1.回答问题:(1)地形坡度等于10%时,等高线的间距为[ ]。
A.地形坡度等于25%时,等高线的间距为[ ]。
将用地按0%~10%、10%~25%的标准,进行坡度分类。
3.在用地平面图上绘出0%~10%的可建建筑范围,并用□线表示;绘出10%~25%的占地范围,并用D。
(6)二个排水井的位置为[ ]m和F 和F 和B 和F十三、设计条件1.已建高层建筑与城市道路间为建筑用地,其剖面及尺寸如图—1所示。
2.已建高层建筑位于场地南侧。
3.拟建建筑高45m,其中10m高度以下为商场(退道路红线5m),10~27m高度内为办公,27~45m高度为住宅,均退道路红线17m。
4.城市规划要求,沿街建筑高度不得超过以道路中心为原点的45°控制线。
5.当地住宅的日照间距为1:1(从楼面算起)。
6.与已建高层建筑之间还应满足防火间距的要求(按相对外墙均开窗考虑)。
任务要求1.在已给的剖面图上画出场地的最大可建范围断面,住宅用时注出与已建高层建筑及道路红线之间的有关间距尺寸和高度尺寸。
十四、设计条件1.某场地剖面见图—1,拟在已建办公楼北侧新建办公楼和住宅楼各一栋,新建办公楼及住宅楼剖面见图—2。
2.已建及新建建筑均为等长条形建筑,建筑方位均为正南北,并按行列式排列。
3.当地住宅日照间距系数为1:。
任务要求1.在满足消防及日照条件下布置新建建筑,并要求三幢建筑占地最少。
2.标注场地剖面中各建筑物的水平距离。
十五、设计条件某场地南侧为30m高的板式高层住宅,北侧为24m高的办公楼(建筑耐火等级均为二级),二者间距为55m,如图—1所示。
当地的日照间距系数为。
任务要求1.在上述两栋建筑之间的用地内,布置剖面内容和尺寸如图—1所示的新建筑一座(建筑耐火等级为二级),并要求绘出与南侧住宅距离最近和最远两种可能情况。
2.回答问题(1)新进驻与南侧住宅允许的最近距离为[ ](2) 新建筑与南侧住宅距离最近时,与北侧办公楼的距离为[ ](3) 新建筑与南侧住宅允许的最远距离为[ ](4) 新建筑与南侧住宅距离最远时,与北侧办公楼的距离为[ ]十六、设计条件某场地剖面见图—1,业主要求在A、B点之间设置一条由地面进入地下车库的汽车坡道,坡道设计要满足下述条件:1.符合小型汽车坡道的坡度要求;2.土方量最省;3.填挖方平衡;4.坡道断面按直线考虑。
任务要求1.画出汽车坡道的剖面;2.标注坡道剖面线与原台地剖面线交点至±的垂直距离;3.标注坡道的各段纵坡坡度和水平长度。
十七、设计条件1.某市拟建室外停车场一座,有A、B两处空地可供选择,位置如图—1所示。
2.要求布置停车位48~50个,一律采用垂直方式停车,停车位尺寸为3m×6m。
其中残疾人车位不少于4个,停车位尺寸相同,但一侧应设宽轮椅通道,其后端与人行到路相接。
3.停车场内车行道宽7m,并要求贯通。
4.停车场入口处设6m×6m管理室一栋。
任务要求1.在两块空地中选择一处做停车布置,并绘出管理室的位置。
2.绘出停车场内歌停车带,布置残疾人车位。
标明其长、宽尺寸及车位数(可不绘车位线)。
3.沿用地界线周边应至少留出3m绿化带,当背靠背布置车带时,其间也应留出1m宽绿化带。
绿化带用斜线标示,并注明宽度。
树冠范围内不得停车。
十八、设计条件1.拟建停车场的用地界线及四邻现状如图—1所示。
2.停车位尺寸为3m×6m,采用垂直停车方式(应布置尽量多的停车位)。
行车道宽7m,必须贯通。
3.沿用地四界内侧布置2m宽的绿化带,其中四角绿地的尺寸为9m×8m,如图—1所示。
两车车尾相对布置时,中间设1m宽的绿化带。
4.入口设于场地北侧,宽度7m,与公园出入口及公交站台的距离应符合规范要求。
5.入口处设管理用房一栋,平面尺寸为5m×6m。
任务要求1.绘出停车场平面布置及通向城市道路的出入口。
标注各停车带的停车数及相关尺寸(可不画停车位),并标明停车总数。
2.回答问题(1)停车总数为[ ]辆(2) 停车场出入口距用地西侧界线的距离为[ ]m。
十九、设计条件1.某修养所用地北面临街,南面临湖,东、西面为外单位用地。
地形、方位、风向、地界及城市道路标高等见图—1中的场地平面图。
2.规划要求:建筑物应距道路红线以上;距两侧用地界线以上,距保留树木树干以上。
3.修养主楼及附楼、食堂、沿街商店、网球场、停车场的平面尺寸及层数见图—1中的单体平面图。
任务要求(暂不考虑残疾人的使用要求)1.确定修养主楼及附楼的位置(两者可拼接或用连廊连接),应保证客房有良好的朝向、自然通风及景观。
2.确定食堂的位置,应与修养主楼用连廊连接并形成一个杂物院(不小于×)。
3.确定沿街商店的位置,应可同时对内对外营业。
4.确定停车场的位置,应接近场地入口和修养主楼入口。
5.确定场地入口的位置(只允许设一个),应接近修养主楼入口,并使通往杂物院的服务车流与停车场的车流互不干扰。
6.确定网球场的合理位置。
7.布置内部道路(宽),应满足内部和消防的要求。
8.结合已有湖面、树木、布置亭、桥(形式不限)及小路(约宽),形成一座游园。
9.标出场地入口,修养主楼南、北入口外的室外设计标高,以及修养主楼室内的±0。
000设计标高(北入口处室内外高差为)。
二十、设计条件在城市主干道的西北侧拟建一组纪念性建筑群。
其用地环境如图—1所示:有山丘一座,并于临河、山腰及山顶形成三处台地。
山下为河,河上有桥。
任务要求:1.根据已知建筑单体布置一组纪念建筑群。
建筑单体平面如图—1所示,其中纪念阁的平台内设有给水池。
2.根据地形和设计意图,加绘登山石阶道、广场、道路(尺寸及形状不限)。
3.设主入口一处,应从城市道路引入,并在附近布置20辆车位的小轿车停车场一座(车位尺寸3m×6m,行车道宽7m,采用垂直停车方式)。
4.根据已知游船码头尺寸和水位线,以及参观路线确定码头的位置。
5.标注主要场地的设计标高三处(碑廊外地面、纪念阁平台、纪念馆外广场)。
6.应尽量不破坏自然地形,保持原有环境。
7.应考虑建筑群体从城市道路及河面方向观看的景观效果。