热电阻维护检修规程修订稿
- 格式:docx
- 大小:336.14 KB
- 文档页数:6
热电阻维护作业规程1 适用范围热电阻是以铂丝或铜丝制成的测温元件,它基于金属的电阻值与温度呈一定函数关系来测量温度的。
按国家规定,采用IEC标准分度,即用Pt100、Pt10、Cu50、Cu100等。
本指导书适用于园区内各装置在用热电阻的作业维护。
概括了其维护作业的具体要求和安全注意事项。
2 质量标准2.1仪表外观清洁无脏污;2.2仪表外壳漆面平整、完好;2.3仪表铭牌清晰无误;2.4仪表位号牌完好、无缺失;2.5仪表防爆格兰头或挠性管密封良好,电缆无松动;2.6仪表接线端子紧固,无氧化、无虚接;2.7仪表接线盒密封完好;2.8室外仪表穿线管紧固,防水措施完好;2.9保护套管无磨损、腐蚀,与工艺接口无泄漏。
3 维护内容3.1日常维护:3.1.1清洁仪表表面,保持干净整洁;3.1.2固定仪表位号牌,补挂位号牌;3.1.3紧固仪表穿线管支架及螺栓;3.1.4封堵仪表穿线管管口;3.1.5紧固仪表接线盒;3.1.6紧固仪表防爆格兰。
3.2定期维护:3.2.1更换破损断裂的挠性管;3.2.2紧固接线端子;3.2.3更换腐蚀、磨损的保护套管。
4 安全注意事项4.1 维护作业必须由两人以上进行。
4.2.维护作业前必须办理《仪表维护检修工作票》、《仪表联锁工作票》及相关票据。
4.3进行维护作业需经工艺人员许可,并采取相应的安全措施并专人监护。
4.4带联锁或控制回路的热电阻,维护时必须切除联锁或手动控制。
4.5高处作业时,办理《高处作业许可证》系好安全带方可作业。
4.6维护受限空间内热电阻时,办理《受限空间作业许可证》后方可作业。
4.7隔爆型热电阻开盖前先断电。
4.8严禁带压拆卸保护套管。
4.9对于有毒、腐蚀性介质,拆卸导压管或法兰时必须佩带防护手套和护目镜。
4.10维护作业完毕投用仪表需告知工艺,投运后观察仪表稳定运行30分钟后投用相关联锁或投自动控制。
热电阻维护检修规程(ISO9001-2015)1.0适用范围适用于公司各生产装置过程中的检测、控制、计量等自动化设备的日常维护、校验和检修。
热电阻是以铂或铜丝制成的测温元件、它是利用金属的电阻随温度变化而变化的特性来测量温度的。
按国家规定,从1998年起,采用IEC标准分度,即用PT100、PT10等。
2.0技术标准2.1热电阻在0℃时阻值(R0与其在100℃时的阻值(R100)之比(W100=R100/R0),如下列表所示2.2测量范围及精度见表所列:允许通过电流≤5mA2.3热电阻的时间常数根据惰性级别不同,分为90-180秒,30-90秒,10-30秒,小于10秒等几种,电阻元件就与保护套管间的绝缘电阻≤100MΩ(铂)(100V)和20 MΩ铜(100V)。
3.0检查校验3.1检查3.1.1热阻元件和引线应清洁、干燥、完整、无锈、骨架无破裂,电阻体的导热片应紧贴温度计的保护管内壁。
接线盒各部件应完整,密封性能好。
3.1.2对于在线使用的热电阻应定期检查其性能,绝缘电阻,检定周期一般为3-5年,重要特殊场合的热阻应按实际定期检查。
3.1.3保护套管一般4-5年检查1次,其应能承受1.25倍作压力,无渗漏(当使用温度低于400℃,工作压力低于允许压力的1/3时可免试)3.1.4故障检查3.1.4.1若仪表故障示值跑大,可用万用表检查热电阻阻值是否无穷大。
若示值跑最小,可用万用表查热阻阻值是否为零(三线制时还可能有断线),前提是检查必须办票与工艺联系好。
3.1.4.2如仪表示值与正常值相差较大或不稳定,可测其阻值,并根据此阻值查对照表得知相应温度的差值,通常可检查其接线端子是否松动,端子是否生锈,对地绝缘是否良好,保护管内接线处是否有水汽或潮湿等。
3.2校验因本厂未建立温度标准室,故不具备对热点阻进行鉴定,但可进行常规检查,判定其好坏可按第二章第四节中3.1.3条进行检查对比。
4.0使用与维护4.1根据被测介质特性及工艺操作条件,选用合适材质、厚度及结构的保护套管和垫片,电阻安装地点、深度、方向和接线应符合测量技术要求,并便于维护检修。
工业用热电阻维护检修规程1 总则1.1 主题内容与适用范围本规程规定了工业用热电阻的维护、检修、投运及其安全注意事项的具体技术要求和实施程序。
本规程适用于我厂在线使用的铂热电阻(以下简称热电阻),其它型号热电阻亦应参照使用。
1.2 基本工作原理热电阻工作原理利用金属线(例如铂线)的电阻值随温度作几乎线性的变化。
1.3 构成及功能热电阻主要由电阻体、保护套管、接线盒等部分构成。
电阻体:将温度的变化转换成电阻值的变化。
保护套管:用于隔离工艺介质,保护电阻体。
接线盒:用于和二次仪表连接,起密封作用。
1.4 主要技术性能及规格1.4.1 性能指标基本误差:A级士 (0.15+0.002|t|)℃B级士 (0.30+0.005|t|)℃绝缘电阻:≥20MΩ注:t为测量端温度。
1.4.2 规格型号WZPK-330 测量范围 -200~450℃1.4.2 分度号PT100:冰水混合物下温度为100欧姆。
2 安装接线2.1安装方式法兰连接:需要配对法兰、连接短管。
螺纹连接:执行连接头,长度根据保温要求有长短限制,常用M27*2。
2.2 接线方式三线制为常用:采用三线制是为了消除连接导线电阻引起的测量误差热电阻连接电缆3芯电阻信号DCS RTD卡件热电阻连接电缆安全栅连接电缆4~20mA DCS AI卡件热电阻温度变送器连接电缆4~20mA DCS AI卡件2.3 正常运行要求1.名牌清晰无误。
2.安装要符合要求,不能有泄漏。
3.接线端子紧固,导线不能裸露铜芯过长,软芯线要压鼻子。
4.接线盒密封要处理好,配有电缆密封接头,防止进水。
5.位号牌要完好,标识要清晰。
6.温度计有连锁,要挂连锁牌。
7.检查现场接线电缆无脱落。
8.电缆穿线管完好,无脱落,无腐蚀。
3检修3.1安全注意事项检修作业不应少于两人,一人作业,一人监护,工艺监护人必须在场。
对运行热电阻的检修必须办理检修作业票,经工艺同意签字。
解除相关连锁,确认无误后方可作业不得带压拆卸热电阻保护套管,必须拆除时由工艺隔离、泄压。
热电阻维护检修规程1.1 概述热电阻是以铂丝或铜丝制成的测温元件,它是利用金属的电阻值随温度变化而变化的特性来测量温度的。
按国家规定,从1988年起,采用IEC标准分度,即用Pt100、Pt10、Cu50、Cu100等。
1.2 技术标准1.2.1 热电阻在0℃时的阻值(R0)与其在100℃时的阻值(R100)之比(W100 = R100/R0),如等几种。
1.2.5 绝缘电阻:电阻元件与保护管之间的绝缘电阻,铂电阻≮100ΜΩ(100V),铜电阻≮20ΜΩ(100V)。
1.3 检查校验1.3.1 检查1.3.1.1 外观检查:热电阻元件和引线应清洁、干燥、完整、无锈;金属电阻丝绕制整齐,无外露碰壳;骨架无破裂,无明显弯曲;电阻体的导热片应紧贴温度计的保护套管内壁。
1.3.1.2 接线盒各部件应完整,螺丝有弹簧垫圈,密封性能好;对装在室外或可能有水汽渗入的接线盒,外部须有防水罩。
1.3.1.3 对于正在使用中的热电阻应定期检查其热阻性能、绝缘电阻,检定周期一般为3-5年。
重要的和特殊使用的热电阻,按实际要求定期检查。
1.3.1.4 保护套管一般4-5年检查一次(对于安装在腐蚀及磨损严重地方的保护套管每次停工检修期间均应检查)。
保护套管应能承受1.25倍工作压力,无渗漏(当使用温度低于400℃,工作压力低于允许压力的1/3时可免试。
1.3.2 校验1.3.2.1 校验仪器与设备a.不低于0.05级的直流电位计1套b.Ⅱ级标准电 1套c.冰点槽(广口保温瓶) 1只d.水沸点槽。
1只e.分度为0.1℃的标准水银温度计。
1支f.标准直流电流表(0~10MA) 1只g.旋钮式电阻箱,双刀切换开关,电池各1个1.3.2.2 检验方法a.R0(冰点)值测定将热电阻放入内径合适的玻璃试管或其他绝缘薄壁的套管中,套管长度约250~300mm,管口用棉絮塞紧以免空气对流。
将试管插入到有冰水混合物的冰点槽中,插入深度不小于150mm,距槽底及周边距≥20mm,电阻周围的冰层厚度≥30mm。
热电阻维修规程第一部分:概述1、热电阻的工作原理几乎所有的导体和半导体的电阻率都随其本身温度的变化而改变,并且有一个确定的数值,这种物理现象称为“热电阻效应”。
如果我们能够找到或已经知道热电阻的阻值与温度变化的对应关系,便可用电测仪表通过电阻值的测量,达到测量温度的目的。
利用这一原理制成的温度测量元件称为热电阻或热敏电阻,热电阻是用细金属丝均匀地双绕在由绝缘材料所做成的骨架上而制成的。
一般热电阻的电阻值与温度的关系可用下式表示Rt=R0(1+At+Bt2+Ct3+……)或 Rr=R0[1+α(t-t0)]式中:Rt——为 t℃时的电阻值(Ω);R0——为 0℃时的电阻值(Ω);α——为电阻的温度系数(1/℃);A、B、C……为有关的分度常数。
热电阻是应用较多的测温元件,通常用于测量—200℃~500℃的温度测量范围。
2、热电阻的功能热电阻作为测温元件具有测温稳定,准确度高、响应速度快,抗腐蚀性好,耐撞击能力强等特点。
工业生产中正是利用了热阻的这些特点将所要监视的温度点通过感温元件的热电特性把温度物理量变成电信号,极容易的远传并以真实温度值显示出来,从而使运行人员实时观测和了解整个介质运行工况,以指导运行人员正确操作。
我公司测温元件有很大部分采用的是金属铂电阻作为一次测量元件来实现温度信号的远传,二次显示,重要辅机的温度监视以及保护。
3、热电阻的结构通常热电阻温度计是由热电阻(由感温元件构成的相应部分)、连接导线和测温仪表等组成。
而热电阻是由电阻体(也称感温、敏感元件)、引出线、绝缘套管等部件组成。
对于用作热电阻的材料,如电阻丝、骨架(或称支架)、引线、套管和热交换介质以及制作工艺等等,都有一定的要求。
3.1 阻丝要求:3.1.1 大的温度系数,一般以α表示温度系数。
3.1.2 大的电阻率3.1.3 小的热容量3.1.4 温度的物理性质3.2 骨架的要求:为了保证电阻温度计的测量精度,骨架的要求有:3.2.1 壳体膨胀系数与电阻丝膨胀系数之差较小,并有良好的绝缘性和足够的机械强度。
热电阻温度元件检修规程1.范围本标准规定了热电阻温度元件检修工艺技术标准;本标准适用于全厂热电阻温度元件的运行维护及检修。
2.规范性引用文件《火力发电厂分散控制系统在线验收测试规程DL_T_659-1998》《热工检定规程》3.概述温度是度量物体冷热程度的物理量,温度信号是热力生产过程中重要的测量参数,热力循环的初始温度、各传热设备的传热温差,都直接反映热效率的高低。
如火电厂中的主蒸汽温度、锅炉给水温度、排烟温度等都是分析运行经济性的重要数据。
考虑到经济性低温介质常采用热电阻进行测温。
3.1原理工业用热电阻是利用金属的电阻值随温度变化而变化的特性制成感温元件测量温度的。
利用这一原理制成的温度测量元件称为热电阻。
3.2结构热电阻一般由电阻体、绝缘套管、内引线、保护管、接线座(或接线柱、接线盒)等组成。
2.3常用热电阻的种类常用的热电阻测温元件有Pt100、Cu50、Cu53三种类型。
4.检修内容与质量标准4.1拆卸4.1.1清除灰尘及污渍。
4.1.2热阻体检查a)热电阻的外观应满足下列要求:热电阻的电阻体应平直、无裂纹,使用中的热电阻不应有严重的腐蚀或明显缩径等缺陷。
b)各部分装配应正确,可靠,无缺件。
c)元件引出线无断路或短路现象。
d)热电阻的骨架不得有显著的弯曲现象(不可拆卸的热电阻不作此项检查)。
e)用万用表检查热电阻元件有无断路现象。
f)绝缘检查,当环境温度为15-35℃,相对湿度不大于80%时,珀热电阻的感温元件与保护管之间以及多支感温元件之间的绝缘电阻应不小于100MQ;铜热电阻应不小于50MQ。
4.2检定4.2.1热电阻元件的检定条件a)本身不具备恒温条件的电测设备和标准电阻的工作环境温度应为20℃±2℃。
b)对保护管可以拆卸的热电阻,在检定前,应将热电阻从内衬管和保护管中取出,并放在玻璃试管中。
试管内径应与感温元件直径或宽度相适应。
为了消除试管内外空气对流,在热电阻插入试管后,需用脱脂棉或耐高温材料塞紧试管口。
仪表维护检修规程1 目旳为了我厂仪表对旳指示,保证生产正常进行,为了规范仪表工规范作业。
特制定本制度。
2 范围本规程规定了工业用热电阻旳维护、检修、投运及其安全注意事项详细技术规定和实行程序。
本规程合用于化工装置中在线使用旳铂热电阻(如下简称热电阻),其他型号热电阻亦应参照使用。
3职责3.1生产调度技术部负责本制度旳编制。
3.2电仪维修车间负责本制度旳贯彻执行。
3.3电仪维修车间检修班组负责按照本制度进行有关旳检修活动。
4控制规定4.1 基本工作原理热电阻是运用物质在温度变化时自身电阻也伴随发生变化旳特性来测量温度旳。
4.1.1 编写根据:依化工部《设备维护手册》及随机资料编写。
4.1.2 检修周期与内容热电阻每12个月进行一次检修,一般与厂年度大修同步进行。
检修内容:4.1.3 检查保护套管与否破损、积水、锈蚀。
4.1.4 检查热电阻接线与否松动或损坏。
4.1.5 检查热电阻与保护套管之间旳绝缘电阻。
4.2 一般规定4.2.1 维修人员应具有如下条件:4.2.2 理解工艺流程及该热电阻在其中旳作用。
4.2.3 掌握电子技术基础、化工测量仪表及维修等方面旳理论知识。
4.2.4 掌握热电阻维护、检修、投运及常见故障处理旳基本技能。
4.2.5 掌握常用测试仪器旳使用措施。
4.2.6 安全注意事项4.2.7 维护安全注意事项4.2.7.1 维护必须由两人以上作业4.2.7.2 影响工艺控制时应与操作人员联络,并采用对应安全措施。
4.2.8 检修安全注意事项4.2.8.1 检修时要办理检修工作票。
4.2.8.2 不得带压拆卸热电阻保护套管。
4.2.8.3 不得随意碰撞电阻体,以免损坏热电阻元件。
4.2.8.4 带联锁或阀位调整旳热电阻,检修时必须先解除联锁。
4.2.9 投运安全注意事项4.2.9.1 投运必须由两人以上作业。
4.2.9.2 投运前应与工艺人员联络。
4.2.9.3 带联锁或阀位调整旳热电阻,待温度值稳定后方可投入联锁。
水电站热电阻安全操作及保养规程水电站的稳定运行与安全性息息相关,热电阻是其关键设备之一,负责监测机组发电机的温度变化。
为保障水电站热电阻正常运行及在运行过程中出现故障时,及时妥善处理,特制定本文档,以规范热电阻的安全操作及保养流程。
安全操作1.在进行热电阻操作时,必须先检查电源系统,确认电源正常后方可上电操作。
2.操作时必须戴防静电手套,并采取接地保护措施。
如对于采用带薄膜热电阻的测量设备,更应加强静电保护。
3.在使用过程中,禁止将热电阻与高压电缆(220V及以上)相接触或贴在一起。
4.操作前,需先了解测温点、接线方式等信息,并按图纸要求正确接线,避免接错线给后期运行带来威胁。
5.在更换或维护热电阻时,需先停机,并确保设备处于安全状态,以免发生误操作而导致事故。
6.更换或维护热电阻必须由专业人员进行,切勿私自处理。
如遇特殊情况,应及时通知管理人员及相关技术人员。
7.检修时,应先退热后方可拆除热电阻,避免出现意外烫伤或其它安全问题。
保养规程1.热电阻的保养周期一般为半年至一年,需要对其进行必要的清洁、检修、测量等工作。
2.在清洁过程中,首先需要切断电源,使设备处于安全状态。
然后用毛刷对热电阻进行擦拭清洁,并检查电缆及接头处是否存在老化、摩擦损坏等情况,如有发现应及时进行更换。
3.检修过程中,除检查接线的正确性外,还要进行热电阻的测量校验,并将数据记录至检验报告中。
4.确认热电阻数据正常后,需要对热电阻进行保护。
首先应检查测量点是否完好,如发现问题,则需要及时处理。
同时,还要对热电阻的电缆接头等部件进行维护及保养,以保证设备在正常的工作环境中运行。
总之,在使用及保养过程中,必须严格遵守相关规定和标准,认真对待热电阻的检验、校准、维护等工作,以保障设备的正常、稳定运行比任何时候都更加重要。
热电阻金属热电阻安全操作及保养规程热电阻金属热电阻是一种常用于测量温度的传感器,广泛应用于工业自动化控制、环境监测、医疗器械等领域。
为了保证生产过程的安全运行和控制系统的可靠性,必须严格遵守热电阻金属热电阻安全操作及保养规程。
安全操作规程1. 使用前检查在使用热电阻金属热电阻前,应首先对其进行检查,确保其外观无损伤、电气连接可靠,同时确认测温范围、精度等参数符合实际需求。
同时,对于长时间未使用、存放时间较长的热电阻金属热电阻,使用前需进行额外的检查,确保其性能正常。
2. 安装及连接在安装及连接热电阻金属热电阻时,应遵循以下操作要求:•安装时应尽量将热电阻金属热电阻安装在待测物体表面更加平坦的位置,以确保测量的准确性。
•热电阻金属热电阻的连接应使用高质量的电缆线,且连接应可靠,防止误差和干扰。
•连接电缆线时应避免弯曲,以防损坏电缆。
•尽量避免连接接头或连接器的存在,以保证连接可靠性。
3. 工作状态监测在热电阻金属热电阻工作过程中,应定期进行温度校准和检测,以确保测量精度。
此外,还应定期进行电缆线的疏通、清理工作,以确保热电阻金属热电阻连接的顺畅,数据传输准确无误。
4. 维护保养热电阻金属热电阻在使用过程中,需要进行维护保养工作,以确保其正常工作状态和可靠性。
维护保养工作包括:•定期清洗热电阻金属热电阻的表面和连接处,防止污垢、液体等物质形成误差甚至短路,影响测量精度和可靠性。
•定期更换电缆线等易损件,保持连接可靠。
•定期检查热电阻金属热电阻的外观和电路是否正常,及时发现和解决问题。
注意事项在使用热电阻金属热电阻时,还应注意以下事项:1. 严禁擅自拆卸热电阻金属热电阻是精密仪器,严禁擅自拆卸、改装,以防影响热电阻金属热电阻的测量精度和可靠性。
2. 禁止与水接触热电阻金属热电阻不能与水直接接触,以防液体渗入或短路,危及测量系统和人员的安全。
3. 防止机械振动在使用过程中,应尽量避免热电阻金属热电阻发生机械振动,以防误差产生和损坏仪器。
热电阻维护检修作业指导书1范围本标准规定了热电阻的维护检修方法。
本标准适用于XX生态工程有限公司热电阻的维护检修。
2基本工作原理热电阻基于导电物质的电阻值与温度呈一定函数关系的原理进行工作。
3日常维护3.1维护安全注意事项:一维护应由两人以上作业,应有监护人;一对可能导致工艺参数波动的作业,应事先取得工艺人员的认可,采取安全措施,并办理《检修工作单》;—不许带压拆卸热电阻保护套管;一一不许碰撞电阻体,以免损坏电阻元件;一一投入使用前应与工艺人员联系确认;一用于带联锁或自动调节仪表的热电阻,投运时应切除联锁或转入手动。
3.2完好条件,即:一一铭牌的位号、型号、编号、生产厂家清晰无误;一零部件(接线柱、套管、保护盖)完好齐全;一一连接件部位不得松动;一一端子接线牢靠;一一密封件(螺纹垫片、法兰垫片)无泄漏。
3.3运行正常工况下,热电阻工作温度在测量范围的20%~80%,3.4设备环境整齐、清洁、符合工作要求,即:一一保护套管清洁、无锈蚀,漆层平整、光亮、无脱落;一一穿线管和软管敷设整齐;一一线路标号应齐全、清晰、准确;一一连接导线不得靠近热源及有强磁场的电气设备。
3.5日常维护中每班至少进行一次巡回检查,内容包括:—向当班工艺人员了解热电阻运行情况,发现问题及时处理;一检查接线盒是否盖好,保护套管、软管及穿线管是否破损断裂,连接处是否松动。
3.6每周进行一次热电阻外部清洁工作。
3.7常见故隙及处理方法见下表1。
表1常见故障及处理方法4检修4.1热电阻检修随设备检修一起进行。
4.2检修内容及要求:——清除保护套管、接线盒内的灰尘、杂物;——检查热电阻连接件是否松动或损坏;——检查热电阻与保护套管之间的绝缘电阻应大于5MΩ;——检查保护套管是否破损、锈蚀。
4.3检修质量标准应达到3.2规定的要求。
4.4投入使用:a)投运前的准备工作:1)检查热电阻线路绝缘电阻是否大于5MQ;2)检查热电阻接线是否正确、牢固:3)对带联锁或自动调节的二次仪表,应先解除联锁或转入手动。
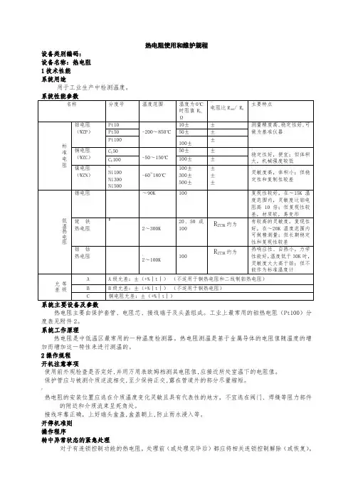
热电阻使用和维护规程设备类别编码:设备名称:热电阻1技术性能系统用途用于工业生产中检测温度。
热电阻主要由保护套管、电阻芯、接线端子及头盖组成。
工业上最常用的铂热电阻(Pt100)分度表见附件2。
系统工作原理热电阻是中低温区最常用的一种温度检测器。
热电阻测温是基于金属导体的电阻值随温度的增加而增加这一特性来进行测温的。
2操作规程开机注意事项使用前外观检查是否完好,并用万用表欧姆档测其电阻值,应接近所处室温下的电阻值。
保护管应与被测介质逆流相交,至少保持正交,露在管道外的部分尽量缩短。
?热电阻的安装位置应选在介质温度变化灵敏且具有代表性的地方,不宜选在阀门、焊缝等阻力部件的附近和介质流束呈死角处。
接线牢靠正确,上好端头盒盖,盒盖朝上,防止雨水浸入等。
开停机准则操作程序转中异常状态的紧急处理对于有连锁控制功能的热电阻,处理前(或处理完毕后)都应将相关连锁控制解除(或恢复),同时采取相应保证生产的措施后再处理。
并将处理过程和结果详细记录在交接班日志上。
运转中的注意事项非本岗位人员未经批准不得操作设备。
任何人不得随便更改型号和规格。
经常核对热电阻测量数据,保证数据能正确反映实际工况值。
对于发现的异常现象应详细记录于设备缺陷单上,并通知维护人员进行确认及处理。
(对于涉及到联锁及调节功能的热电阻,未经主管领导允许不准随便更改保护模式和运行模式。
操作人员日常点检内容见附表«设备点检标准»设备交接班规定接班人应提前20分钟到岗,参加交接班会;会议内容应包括:上两班设备运行情况,设备缺陷及故障处理情况,遗留问题,本班重点检查部位,本班生产运行情况。
交接班人员应面对面履行交接班手续,对设备运行情况进行确认。
接班时应详细检查、清点设备及工具。
接班检查时发现异常情况或设备缺陷,应要求交班人员给予说明,否则不得接班。
交班人员应详细填写交接班记录和设备运行记录。
交班人员应在交班前进行卫生清扫,做到文明交班。
热电阻普通型热电阻安全操作及保养规程1. 引言热电阻是一种常见的温度测量元件,广泛应用于工业和实验室环境中。
为了确保热电阻的正常工作和延长其使用寿命,操作人员需要遵守一些安全操作和保养规程。
本文档将介绍热电阻普通型热电阻的安全操作及保养规程。
2. 安装要求在安装热电阻之前,操作人员需要注意以下几点:•在安装前确保热电阻的型号和规格与应用需求相匹配。
•安装时,应避免热电阻与其他电子设备或导体接触,以免造成干扰或短路。
•使用适当的工具和技术进行安装,确保热电阻固定可靠。
•遵循相关的安装标准和要求,确保热电阻与被测温度源之间的接触良好。
3. 安全操作规程在使用热电阻时,操作人员需要遵守以下安全操作规程:3.1. 电气安全•在连接和断开热电阻时,确保断电并断开电源。
•使用正确的电缆和电气连接器,避免使用损坏或老化的电缆。
•定期检查电缆和连接器的状态,发现损坏或磨损时及时更换。
3.2. 温度安全•在测量高温时,避免直接接触热电阻,以免烫伤。
•如果需要接触热电阻,确保使用绝缘手套和其他防护设备,降低热伤害风险。
•避免在高温环境中长时间停留,以免造成人身伤害。
4. 保养规程为了保持热电阻的性能和准确度,需要定期进行保养:4.1. 清洁•定期对热电阻进行清洁,避免灰尘和污物沉积影响测量精度。
•使用干净的软布或刷子轻轻擦拭热电阻表面。
4.2. 校准•定期校准热电阻,确保其准确性符合要求。
•根据使用情况和厂家要求,选择合适的校准频率。
4.3. 防护•在不使用时,将热电阻存放在干燥,通风良好的地方,避免受潮或受到物理损坏。
•避免热电阻受到剧烈震动或冲击,以免损坏内部结构。
5. 总结热电阻是一种常用的温度测量元件,使用时需要遵守安全操作规程和保养规程。
本文档介绍了热电阻普通型热电阻的安全操作及保养规程,操作人员应严格按照规程进行操作,确保热电阻的正常工作和使用寿命。
定期保养和校准热电阻,能够保持其准确性和性能稳定,提高测量结果的可靠性。
热电阻检修作业指导书1、目的为规范现场热电阻的安装、保养维护和检修,特制定本规程。
2、适用范围本规程适用于所有在线、闲置的热电阻安装、保养维护和检修。
3、工作原理热电阻的测温原理是利用导体或半导体的电阻值随温度变化的性质来测量温度,当感温元件收到温度作用时,其电阻值随温度而变化,并呈现出一定的函数关系RT=f(t),将变化的电阻值作为信号输入具有平衡或不平衡电桥回路的显示仪表中,既能测量被测介质的温度。
4、技术规范5、检修周期根据JJG229T998《工业伯、铜热电阻检定规程》,重要表计热电阻每年检查检定一次,一般表计热电阻每4年检定一次或随设备大修时维修。
6、检修工序和检修标准6.1检修工序:6.1.1接线端子的清扫6.1.2进行绝缘、电极和接线情况的检查6.1.3保护套管的检查6.1.4热电阻的校验6.1.5填写检修记录6.2检修技术标准6.2.1保护套管不应有弯曲、扭斜、压扁、堵塞、裂纹、砂眼、磨损和严腐蚀等缺陷。
6.2.2保护套管应有材质检查报告,其钢材的型号应符合规定要求。
做耐压1.25倍于工作压力的严密性试验时,5分钟内应无泄漏,套管内不应有杂质。
6.2.3热电阻的绝缘陶瓷管的内部应光滑,接线盒、盖板、螺丝应完整,铭牌标识清楚,各部分装配牢固可靠。
6.2.4热电阻的骨架不得破裂,不得有显著的弯曲现象;热电阻不得有短路或断路,电阻丝不得有损伤、腐蚀等现象。
7、热电阻校准与技术标准详细请参考《国家计量检定规程》8、检修1.1感温元件1.1.1在一般管道上安装热电阻时,保护套管端部应能达到管道中心处。
1.1.21.2在其他设备或容器中安装热电阻时,其插入深度应能够准确的反应出介质温度。
1.1.3在直径小于76mm的管道上安装热电阻时,应加装扩大管或选择小型热电偶。
1.1.4热电阻焊座的材质应与管道材质相同,且应有材质检查报告。
1.1.5热电阻应具有正确、明显的标识牌,接线盒完整,接线牢固。
热电阻检修作业规程一、检修状态000 检修前准备;010 办理检修作业票;020 确认热电阻已经具备安全拆卸的条件。
100 拆除热电阻现场接线;110 用力拒扳手拆下热电阻法兰螺栓,拆卸过程中注意检查管线内已无压力;二、检修初始状态动作卡000 检修前准备;001 B-( ) 检修检修的时间安排已经确定。
002 B-( ) 检查检修专用工具和经检验合格的万用表、工器具已备齐。
签字( ) 003 B-( ) 在DCS上查看管线内压力已泄压完毕。
005 B-( ) 查阅上次检修资料确认和有关图纸,准备好最新版本的检修作业规程。
010 办理检修作业票;011 B-( ) 检修作业票已经按规定程序办理审批好。
B-< > 确认检修作业票规定的内容已经全部落实。
签字( ) 020 确认热电阻已经具备安全拆卸的条件。
B < >管线内无压力C < >温度已接近正常环境温度签字( ) ( ) 030 热电阻拆下后抽出旧热电阻及其套管,疏通热电阻安装孔,检查密封件及附件是否良好.签字( ) 三、状态1100 检查新热电阻套管表面有无破损.垫片及密封件是否完好..101 B-[ ] 检查新热电阻长度及套管极其外观是否完好.B-( ) 新热电阻长度是否满足安装所需长度要求.B-( ) 新垫片齐全完好,热电阻丝绝缘是否良好,对外壳电阻值应为无穷大,环境温度条件下电阻值应在100欧姆左右,B—b之间电阻值应接近零欧姆.签字( ) 120 新热电阻组装:121 B-[ ] 将密封垫和各附件擦净除去灰尘等脏物。
签字( ) 122 B-[ ] 安装热电阻极其套管,紧固牢靠确保密封可靠,若为法兰安装紧固螺栓时必须对角紧固螺栓123 B-[ ]接线时必须按A,B,b接线正确.127 B-[ ] 用数字万用表测量热电阻的电阻值,环境温度下应在100欧姆左右以上,并确认中控室指示表示值正常。
签字( )130 投用检查与验收131 B-[ ]检查中控室安全栅.报警设定器.卡件接线接线是否紧固.132 B-[ ]对法兰和热电阻密封口用肥皂水查漏。
热电阻维护检修规程 Document number【AA80KGB-AA98YT-AAT8CB-2A6UT-A18GG】
热电阻维护检修规程
1.总则
主题内容与适用范围
本规程规定了工业热电阻的维护、检修、投运及其安全注意事项的具体技术要求和实施程序。
本规程适用于装置中在线使用的铂热电阻(以下简称热电阻),其他型号热电阻亦应参照使用。
基本工作原理
热电阻基于导电物质的电阻值与温度呈一定函数关系的原理工作。
构成及功能
热电阻主要由电阻体、保护套管、接线盒等部分构成。
电阻体将温度的变化转换成电阻值的变化。
保护套管用于隔离工艺介质,保护电阻体。
接线盒用于和二次仪表连接。
主要技术性能及规格
性能指标
基本误差:A级±+∣t∣)℃
B级±+∣t∣)℃注:t为测量端温度。
绝缘电阻:>20MΩ?
规格
测量范围:一200~350℃
对维修人员的基本要求
维修人员应具备如下条件:
a.熟悉本规程及相应的产品说明书等有关技术资料;
b.了解工艺流程及该热电阻在其中的作用;
c.掌握数学基础、电子技术基础、化工测量仪表及维修等方面的基础理论知识;
d.掌握该热电阻维护、检修、投运及常见故障处理的基本技能:
e.掌握常用测试仪器和有关标准仪器的使用方法。
2.完好条件
零部件完整,符合技术要求,即:
a.铭牌应清晰无误;
b.零部件应完好齐全并规格化
c.紧固件不得松动。
d.端子接线应牢靠;
e.密封件应无泄漏。
运行正常,符合使用要求,即:。
a.保护套管应清洁、无锈蚀,漆层应平整、光亮、无脱落;
b.穿线管、软管应敷设整齐;
c.
线路标号应齐全、清晰、准确;
d.连接导线不得靠近热源及有强磁场的电气设备。
技术资料齐全、准确,符合管理要求,即:
a.说明书、合格证、入厂检定证书应齐全;
b.运行记录、故障处理记录、检修记录、校准记录、零部件更换记录应准确无误;
c.系统原理图和接线图应完整、准确。
3.维护
日常维护
巡回检查
每班至少进行两次巡回检查,内容包括:
a.向当班工艺人员了解热电阻运行情况;
b.检查接线盒是否盖好,保护套管、软管及穿线管是否破裂,连接处是否松动;
c.发现问题应及时处理,并做好巡回检查记录。
定期维护
每周进行一次热电阻外部清洁工作。
定期维护
校准周期
校准周期为12个月。
校准仪器
二等标准铂热电阻温度计
直流电桥:级
多点转换开关
恒温油(水)浴
冰点槽
液氨杜瓦瓶
校准接线
校准接线如右图
基本校准误差
热电阻校准可以多支同时进行,根据使用需要确定3-5个校准点。
增加恒温油(水)浴温度,当温度升到校准点稳定后进行电阻值测量。
测量顺序如下:
标准→被校l→被校2→被校3→被校4→被校5
标准←被校l←被校2←被校3←被校4←被校5
测量过程中,温度变化每10分钟不超过℃。
根据所测电阻值查电阻分度表得到对应的温度值。
对于用于O℃以下的热电阻的校准一般取冰点和液氮沸点两个校准点,分别在冰点槽和杜瓦瓶中进行,校准步骤同上。
被校热电阻误差te可按下式计算:
te=t被校n一t标
式中t被校n—以被校热电阻在校准点测得的电阻平均值查热电阻分度表所得的温度值,℃。
T?标—以标准热电阻在校准点测得的电阻平均值查热电阻分度表所得的温度值,℃。
校准质量标准
校准后的热电阻应达到第条规定的性能指标。
故障及处理
常见故障及处理方法见下表1
表1
4.检修
检修周期
热电阻每12个月进行一次检修,通常与工厂年度大修同步进行。
检修内容
清除保护套管、接线盒内的灰尘、杂物。
检查热电阻紧固件是否松动或损坏。
检查热电阻与保护套管之间的绝缘电阻。
检查保护套管是否破损、锈蚀。
按本规程第条对热电阻进行校准。
检修后的热电阻按国家(部门)计量检定规程进行检定。
检修质量标准
检修后的热电阻应达到第2章规定的完好条件。
5.投运
检查热电阻线路绝缘。
检查热电阻接线是否正确、牢固。
对带联锁或位式凋节的二次仪表,应先解除联锁或转入手动。
投运步骤
将热电阻和二次仪表连接。
送二次仪表电源,检查指示是否正确。
验收
逐条检查检修项目完成情况。
检查热电阻是否达到检修质量标准。
热电阻正常运行72小时后,由有关技术主管签收。
6.安全注意事项
维护安全注意事项
维护必须由两人以上作业。
对可能导致工艺参数波动的作业,必须事先取得工艺人员的认可,并采取相应的安全措施。
检修安全注意事项
对运行热电阻的检修必须办理检修工作票。
不得带压拆卸热电阻保护套管。
不得随意碰撞电阻体,以免损坏热电阻元件。
投运安全注意事项
投运必须由两人以上作业。
投运前应与工艺人员联系。
用于带联锁或位式调节仪表的热电阻,投运时必须先解除联锁或转入手动。