机械制造基础第七章习题及答案上课讲义
- 格式:doc
- 大小:149.50 KB
- 文档页数:5
机械基础第7章习题答案机械基础第7章习题答案机械基础是工科学生必修的一门课程,通过学习机械基础,我们可以了解机械原理、机械设计和机械制造等方面的知识。
在学习过程中,习题是不可或缺的一部分,通过解答习题可以帮助我们巩固所学的知识。
本文将为大家提供机械基础第7章习题的答案。
1. 机械基础第7章习题1:题目:一个质量为2kg的物体以10m/s的速度水平向右运动,受到一个力为6N的水平方向的恒力作用,求物体在2s后的速度。
解答:根据牛顿第二定律,物体的加速度等于物体所受力的大小与物体质量的比值。
所以,物体的加速度为6N/2kg=3m/s²。
根据物体的初速度、加速度和时间的关系,可以得到物体的速度公式:v = u + at,其中v为物体的最终速度,u为物体的初速度,a为物体的加速度,t为时间。
代入已知条件,可以得到物体在2s后的速度:v = 10m/s + 3m/s² × 2s = 16m/s。
所以,物体在2s后的速度为16m/s。
2. 机械基础第7章习题2:题目:一个质量为5kg的物体以初速度为2m/s的速度沿着斜坡下滑,斜坡的角度为30°,斜坡上有一个与物体相反方向的摩擦力,摩擦力的大小为4N,求物体在滑行过程中的加速度。
解答:首先,将斜坡的角度转换为弧度制:30° × π/180 = π/6 rad。
根据物体在斜坡上的受力分析,可以得到物体在斜坡上的重力分力和摩擦力的合力方向与物体的加速度方向相反。
物体在斜坡上的重力分力为:mg × sin(π/6) = 5kg × 9.8m/s² × sin(π/6) ≈24.5N。
所以,物体在滑行过程中的合力为:24.5N - 4N = 20.5N。
根据牛顿第二定律,物体的加速度等于物体所受合力的大小与物体质量的比值。
所以,物体的加速度为20.5N/5kg = 4.1m/s²。
1. 单项选择1- 1 重要的轴类零件的毛坯通常应选择(①铸件②锻件③棒料④管材1-2普通机床床身的毛坯多采用(①铸件②锻件③焊接件1- 3基准重合原则是指使用被加工表面的(②设计②工序③测量④装配1- 4箱体类零件常采用(①一面一孔②一面两孔)作为统一精基准。
③两面一孔④两面两孔第七章练习题)°④冲压件)基准作为精基准1- 5 经济加工精度是在()条件下所能保证的加工精度和表面粗糙度。
①最不利②最佳状态③最小成本④正常加工1- 6 铜合金7级精度外圆表面加工通常采用()的加工路线。
①粗车② 粗车-半精车③ 粗车-半精车-精车④ 粗车-半精车-精磨1- 7 淬火钢7级精度外圆表面常采用的加工路线是()。
①粗车一半精车一精车② 粗车一半精车一精车一金刚石车③ 粗车一半精车一粗磨④ 粗车一半精车一粗磨一精磨1- 8 铸铁箱体上620H7孔常采用的加工路线是()。
① 粗镯一半精镯一精镯② 粗镯一半精镯一皎③ 粗镯一半精镯一粗磨④ 粗镯一半精镯一粗磨一精磨1- 9 为改善材料切削性能而进行的热处理工序(如退火、正火等),通常安排在(进行。
①切削加工之前②磨削加工之前③切削加工之后④粗加工后、精加工前1- 10 工序余量公差等于()。
①上道工序尺寸公差与本道工序尺寸公差之和②上道工序尺寸公差与本道工序尺寸公差之差③上道工序尺寸公差与本道工序尺寸公差之和的二分之一④上道工序尺寸公差与本道工序尺寸公差之差的二分之一①增环的上偏差之和减去减环的上偏差之和1- 11直线尺寸链采用极值算法时,其封闭环的下偏差等于(-可编辑修改-② 增环的上偏差之和减去减环的下偏差之和 ③ 增环的下偏差之和减去减环的上偏差之和 ④ 增环的下偏差之和减去减环的下偏差之和1- 12 直线尺寸链采用概率算法时,若各组成环均接近正态分布,则封闭环的公差等于 ( )。
② 各组成环中公差的最小值 ④各组成环公差平方和的平方根1-13 用近似概率算法计算封闭环公差时, k 值常取为()①0.6〜0.8 ②0.8〜1③1〜1.2 ④1.2〜1.41-15 工艺路线优化问题实质上是( )问题。
第七章习题及答案7—1试述生产过程、工序、工步、走刀、安装、工位的概念。
答:制造机械产品时,将原材料转变为成品的全过程称为生产过程。
工序是指一个(或一组)工人在一个工作地点或一台机床,对同一个或同时对几个工件进行加工所连续完成的那一部分工艺过程。
工步是指在一个工序中,当加工表面不变、加工工具不变的情况下所连续完成的那部分工艺过程.在一个工步内,如果被加工表面需切去的金属层很厚,一次切削无法完成,则应分几次切削,每进行一次切削就是一次走刀。
安装是指工件在加工之前,在机床或夹具上占据正确的位置(即为定位),然后加以夹紧的过程称为装夹。
工件经过一次装夹完成的工序称为安装.工件在机床上所占据的每一个待加工位置称为工位。
7-2什么是机械加工工艺过程?什么是机械加工工艺规程?答:机械加工工艺规程(简称工艺规程)是将机械加工工艺过程的各项内容写成文件,用来指导生产、组织和管理生产的技术文件。
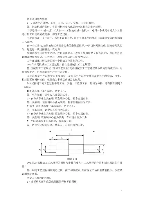
工艺过程是生产过程中的主要部分,是指在生产过程中直接改变毛坯的形状、尺寸、相对位置和材料性能,使其成为半成品或成品的过程.7-3试指明下列工艺过程中的工序、安装、工位及工步。
坯料为棒料,零件图如图题7—3所示。
1)卧式车床上车左端面,钻中心孔。
答:车左端面、钻中心孔分别为工步。
2)在卧式车床上夹右端,顶左端中心孔,粗车左端台阶。
答:夹右端,顶左端中心孔为装夹,粗车左端台阶为工步。
3)调头,在卧式车床上车右端面,钻中心孔。
答:车右端面、钻中心孔分别为工序。
4)在卧式车床上夹左端,顶右端中心孔,粗车右端台阶。
答:夹左端,顶右端中心孔为装夹。
车右端台阶为工步。
5)在卧式车床上用两顶尖,精车各台阶。
答:两顶尖定位为装夹,精车左、右端台阶为工步。
图题7-37-4拟定机械加工工艺规程的原则与步骤有哪些?工艺规程的作用和制定原则各有哪些?答:制定工艺规程的原则是优质、高产和低成本,即在保证产品质量的前提下,争取最好的经济效益。
制定工艺规程的步骤:1)分析研究部件或总成装配图样和零件图样;2)选择毛坯;3)拟定工艺路线;4)确定各工序的加工余量,计算工序尺寸及公差;5)确定各工序所采用的设备及工艺装备;6)确定各工序的切削用量和时间定额;7)确定各主要工序的技术要求及检验方法;8)填写工艺文件。
1.切削层为切削部分切过工件的一个循环所切除的工件材料层。
()
选择一项:
错
2.背吃刀量指工件上已加工表面和待加工表面间的水平距离。
()
选择一项:
错
3.切削速度指切削加工时,切削刃选定点相对于工件的主运动的瞬时速度。
()选择一项:
对
4.刀具耐用度为刀具两次刃磨之间的切削时间。
()
选择一项:
对
5.切削热主要产生于刀具与切屑、刀具与工件之间的摩擦。
()
选择一项:
错
6.基面通过切削刃上选定点并垂直于()。
选择一项:
B. 主运动方向
7.能够反映前刀面倾斜程度的刀具标注角度为()。
选择一项:
B. 前角
8.哪一个阶段刀具磨损的速率最慢()?
选择一项:
C. 正常磨损
9.粗加工中等硬度的钢材时,一般会产生()切屑。
选择一项:
A. 节状
10.切削脆性材料时,容易产生()切屑。
选择一项:
B. 崩碎。
工程材料基础第七章金属材料主要性能7-6名词解释晶格:表示原子排列规则的空间格子晶胞:组成晶格的最基本几何单位晶格常数:晶胞中各棱边长度(埃)晶粒:由一个晶核长成的小颗粒晶体晶界:晶粒与晶粒之间的界面过冷度:理论结晶温度与实际结晶温度之间的温度差,过冷现象:金属实际结晶温度一般低于他的理论结晶温度重结晶:把金属从一种固体晶态转变为另一种固体晶态的过程合金:以一种金属元素为基础,加入其他金属或非金属元素,经融合而形成具有金属特性的物质组元:组成合金的元素相:凡化学成分和晶格结构相同,并与其它界面分开的均匀组织固溶体:溶质原子溶入溶剂,晶格类型保持溶剂类型金属化合物:合金各组元之间发生化学作用形成的具有金属特征的新物质7-18铁碳图的应用1在铸造中应用(1)确定钢和铸铁浇铸温度(2)判断其流动性好坏和收缩大小2 在锻造中应用确保钢在奥氏体区适当温度范围内变形3 在热处理工艺依据7-30随着碳质量分数的增加,碳钢力学性能的变化?钢的特性主要取决于碳与铁含量的比重。
一般来说,碳含量越少,钢越柔韧,低于一定比例就变成生铁了,含量越高,同时柔韧度也随之降低,变得越来越脆。
其塑性降低,锻造性变差。
7-34牌号表示Q235AF 屈服强度数值为235Mpa的A级沸腾钢20:含碳量为0.2%的优质碳素结构钢45:含碳量为0.45%的优质碳素结构钢Q345:屈服强度为345Mpa的低合金高强度结构钢40cr:平均碳的质量分数为0.4%,铬的平均质量分数小于1.5%的合金结构钢10si2MnA:平均碳质量分数为0.1%,硅质量分数为2%,锰的质量分数小于1.5%的高级优质合金结构钢T10A:含碳量为1.0%的高级优质碳合金工具钢9SiCr:含碳量为0.9%硅,铬质量分数小于1.5%的合金工具钢W18Cr4V:含碳量大于1.0%,钨质量分数为18%,铬质量分数为4%,矾质量分数小于1.5%的合金工具钢12Cr18Ni9:含碳量为0.12%,铬质量分数为18%,镍质量分数为9%的不锈钢重点:过冷度越大,晶粒越细从内部看,结晶就是液体到固体的过程冲击韧性:金属抵抗冲击载荷的能力常见晶格:体心立方,面心立方,密排立方力学性能:强度,硬度,塑性和韧性工艺性能:锻造,铸造,焊接和热处理,切削加工性能晶粒粗细与冷却速度和孕育与否有关耐磨=硬度结晶过程=形核+长大液态金属结晶时,冷却速度越快,过冷度越大晶粒越多比较晶体和非晶体①均是固态结构②晶体原子按一定顺序呈有规则的排列,各项异性,非晶体检测无序③晶体具有一定熔点共析>珠光体共晶>莱氏体钢的热处理调质处理:淬火高温回火。
7-1何谓蜗杆传动的主平面?在主平面内,蜗杆传动的参数有何意义?答:通过蜗杆轴线并垂直于蜗轮轴线的中间平面称为主平面。
在主平面内,蜗杆蜗轮的啮合关系相当于齿条与齿轮的传动。
在蜗杆传动的设计计算中,均取主平面的参数和几何尺寸为基准,并沿用齿轮传动的计算关系。
主平面内蜗杆的参数为轴面参数,蜗轮的参数为端面参数。
7-2 何谓蜗杆传动的滑动速度?它对效率有何影响?答:蜗杆传动时,蜗杆齿面啮合点相对蜗轮齿面的啮合点间的相对速度称为蜗杆传动的滑动速度。
滑动速度越大,传动的效率越低。
7-3 蜗杆热平衡计算的前提条件是什么?但热平衡不满足要求时,可采取什么措施?答:热平衡计算的前提条件是:使蜗杆传动单位时间内产生的热量与散发热量相等。
当热平衡条件不满足时,可采取以下措施:1.在箱体外表面铸出或焊上散热片,以增加散热面积;2.在蜗杆轴端安装风扇,加速空气流动,提高散热能力;3.在箱体油池中安装蛇形冷却水管,利用循环水冷却;4.用压力喷油的方法进行循环润滑,并达到散热目的。
7-4答案略。
7-5图示为一提升机构传动简图,已知电动机轴的转向(图中n1)及重物的运行方向(图中v)。
试确定:(1)蜗杆的旋向;(2)各啮合点上的受力方向。
习题7-5图答:(1)蜗杆为右旋。
(2)各传动件的转动方向如图所示。
锥齿轮啮合处,圆周力的方向垂直向外;蜗轮处,根据所需蜗轮到转动方向,圆周力的方向与转向相同,如图;蜗轮所受圆周力的方向为蜗杆轴向力的反向,利用“左右手定则”,判断出蜗杆旋向为右旋。
7-6 图示为蜗杆-斜齿轮传动,为使轴Ⅱ上的轴向力抵消一部分,斜齿轮3的旋向应如何?画出蜗轮及斜齿轮3上轴向力的方向。
答:斜齿轮3的旋向应为左旋。
蜗轮轴向力水平向左,齿轮3的轴向力水平向右习题7-6答案习题7-6图本资料由百万课件网收集9-1 仔细观察自行车,写出下列各处采用什么联接,(1)车架各部分;(2)脚踏轴与曲拐;(3)曲拐与链轮;(4)曲拐与中轴;(5)车轮轴与车架。
第七章铸铁及其热处理习题解答7-1 铸造生产中,为什么铸铁的碳、硅含量低时易形成白口? 而同一铸铁件上,为什么其表层或薄壁处易形成白口?答:因为碳、硅是促进石墨化的元素,当它们含量含量低时石墨化不易进行,所以容易形成白口。
同一铸件上表层和薄壁的冷却速度比较快,不利于石墨化,故易形成白口。
7-2 在铸铁的石墨化过程中,如果第一、第二阶段完全石墨化,而第三阶段分别为完全、部分或未石墨化时,问它们各获得哪种基体组织的铸铁?答:第三阶段石墨化完全进行时,获得铁素体基体铸铁;部分进行时为铁素体+珠光体基体铸铁;未进行石墨化时为珠光体基体铸铁。
7-3 机床的床身、床脚和箱体为什么大都采用灰铸铁铸造?能否用钢板焊接制造?试将两者的使用性和经济性作简要比较。
答:1、因为灰铸铁的性能适合制造这些零件:抗压性能比抗拉性能好,铸造性能优良,减摩性好,减振性强,切削加工性良好,缺口敏感性较低。
2、能用钢板焊接制造,但钢板的减摩性、减振性不如灰铸铁。
在使用性和经济性上,灰铸铁成本低,易于铸造结构复杂的零件,并且其尺寸不受限制,这些都是用钢板制造不能达到的。
7-4 有一壁厚为20~30mm的铸件,要求抗拉强度为150MPa,应选用何种牌号的灰铸铁制造?答:根据强度要求和壁厚,应选用HT200。
7-5 生产中出现下列不正常现象,应采取什么措施予以防止或改善?(1) 灰铸铁精密床身铸造后即进行切削,在切削加工后发现变形量超差;(2) 灰铸铁件薄壁处出现白口组织,造成切削加工困难。
答:(1) 应在切削前进行去应力退火,消除铸造应力。
去应力退火通常是将铸件缓慢加热到500~560℃,保温一段时间(每l0mm厚度保温1h),然后随炉冷至150~200℃后出炉。
(2)应进行消除白口组织退火。
退火方法是把铸件加热到850~950℃,保温1~3h,使共晶渗碳体发生分解,即进行第一阶段的石墨化,然后又在随炉冷却中进行第二和第三阶段石墨化,析出二次石墨和共析石墨,到500~400℃再出炉空冷。
七、标准结构及标准零、组件7.1 螺纹∙∙∙∙∙∙∙∙∙∙∙∙∙∙∙∙∙∙∙∙∙∙∙∙∙∙∙∙∙∙∙∙∙∙∙∙∙∙∙∙∙∙∙∙∙∙∙∙∙∙∙∙∙∙∙∙∙∙∙∙∙∙∙∙∙∙∙∙∙∙∙第77~77页习题7.2 螺纹连接和螺纹紧固件连接∙∙∙∙∙∙∙∙∙∙∙∙∙∙∙∙∙∙∙∙∙∙∙∙∙∙∙∙∙∙∙第78~79页习题7.3 齿轮、键、销∙∙∙∙∙∙∙∙∙∙∙∙∙∙∙∙∙∙∙∙∙∙∙∙∙∙∙∙∙∙∙∙∙∙∙∙∙∙∙∙∙∙∙∙∙∙∙∙∙∙∙∙∙∙∙第80~80页习题2345题号:题号:67891011121314题号:17.4 轴承和弹簧∙∙∙∙∙∙∙∙∙∙∙∙∙∙∙∙∙∙∙∙∙∙∙∙∙∙∙∙∙∙∙∙∙∙∙∙∙∙∙∙∙∙∙∙∙∙∙∙∙∙∙∙∙∙∙∙∙∙∙∙∙∙第80~80页习题题号:1516171.已知下列螺纹代号,试识别其意义并填表。
2.根据给定的螺纹要素,标注螺纹的尺寸。
(1)普通螺纹,大径30mm,螺距1.5mm,单线,(2) 非螺纹密封的管螺纹,尺寸代号3/4。
右旋,中径及顶径公差代号6g,短旋合长度。
(3) 梯形螺纹,大径20mm,导程8mm,双线,右旋。
(4) 用螺纹密封的管螺纹,尺寸代号1/2。
3.将图中错处圈出,将正确的画在右边(包括尺寸)。
(1) M16(2) M24×1.5。
4.画出下列螺纹孔的两视图。
(1)M20。
孔为通孔,螺纹(2) M20。
孔为通孔,螺纹(3) M12×1.5。
螺纹盲孔,螺纹深攻到底,主、俯视图都全剖。
攻到30mm,主视图全剖。
18mm,钻孔深24mm,主视图全剖。
5.将下列两图的错处圈出,并将正确的画在下面。
(1) (2)6.将下图的错处圈出,并将正确的画在右面。
7.已知螺栓GB/T 5780 M16×L、垫圈GB/T 97.1 16、螺母GB/T 41 M16,板厚t1=t2=15mm。
用比例画法作螺栓连接的三视图(主视图全剖,俯、左视图画外形)。
机械基础第2版习题答案第7章第七单元支承零部件练习题一、名词解释1.轴轴是支承传动件(如齿轮、蜗杆、带轮、链轮等)的零件。
2.曲轴曲轴是指将回转运动转变为往复直线运动(或将往复直线运动转变为回转运动)的轴。
3.软轴软轴是由几层紧贴在一起的钢丝构成,可将扭矩(扭转及旋转)灵活地传递到任意位置的轴。
4.心轴心轴是指工作时仅承受弯矩作用而不传递转矩的轴。
5.转轴转轴是指工作时既承受弯矩又承受转矩的轴。
6.传动轴传动轴是指工作时仅传递转矩而不承受弯矩的轴。
7.轴承轴承是用来支承轴或轴上回转零件的部件。
8.滑动轴承滑动轴承是工作时轴承和轴颈的支承面间形成直接或间接滑动摩擦的轴承。
9.滚动轴承滚动轴承是将运转的轴与轴座之间的滑动摩擦变为滚动摩擦,从而减少摩擦损失的一种精密的机械元件。
二、填空题1.支承零部件主要包括轴和轴承,它们是组成机器不可缺少的重要零部件。
2.轴是支承传动件的零件,轴上被支承的部位称为轴颈,轴的功用是支承回转零部件,并使回转零部件具有确定的位置,传递运动和扭矩。
3.轴承是支承轴颈的支座,轴承的功用是保持轴的旋转精度,减少轴与支承件之间的摩擦磨损。
4.轴按其形状进行分类,可分为直轴、曲轴和软轴(或挠性轴、钢丝软轴)三类。
5.轴的结构包括轴颈、轴头、轴身三部分。
6.根据轴承工作时摩擦性质的不同,轴承分为滑动轴承和滚动轴承两大类。
7.滑动轴承根据承受载荷方向的不同,可分为向心滑动轴承和推力滑动轴承两大类。
8.滑动轴承通常由轴承座、轴瓦(或轴套)、润滑装置和密封装置等组成。
9.常用的轴瓦分为整体式轴瓦和剖分式轴瓦两种结构。
10.滑动轴承的失效形式主要有磨粒磨损、刮伤、胶合(咬粘)、疲劳、腐蚀等。
11.滚动轴承一般由内圈、外圈、滚动体和保持架组成。
12.常见的滚动体有球、短圆柱滚子、长圆柱滚子、球面滚子、圆锥滚子、螺旋滚子、滚针等多种。
13.滚动轴承的分类方法很多,按滚动轴承所能承受的载荷方向或公称接触角进行分类,可分为向心滚动轴承和推力滚动轴承。
机械加工练习一、填空1. 在切削加工中,刀具与工件间的相对运动称为切削运动,包括主运动和供给运动。
一般消耗功率最大的是主运动。
2.最常用刀具材料是高速钢和硬质合金,形状复杂的整体刀具应采用高速钢。
3. 周铣平面时,有两种铣削方式:顺铣和逆铣。
生产中,普通铣床多采用逆铣。
4.硬质合金刀具材料的选用:YG类硬质合金主要用于加工铸铁和有色金属;YT类硬质合金用于加工塑性材料。
5.齿轮齿形的加工方法主要有滚齿、插齿和铣齿;加工双联齿轮、内齿轮、齿条应采用插齿,加工斜齿圆柱齿轮应采用滚齿。
6.加工铸铁件通常选用YG类硬质合金,加工钢件通常选用YT类硬质合金。
7.切削用量包括切削速度、进给量、背吃刀量,是影响工件加工质量、刀具磨损和生产率的重要因素,应合理选择。
其选择的一般原则是粗加工时,选择较大背吃刀量、进给量,适当的切削速度;精加工时选择较小的背吃刀量、进给量,尽可能提高切削速度。
8.车刀的5个角度主要是前角、后角、刃倾角、主偏角、副偏角。
9.根据形态特征,切屑可分为带状、粒状、节状、崩碎切屑四种。
其中,切削过程平稳的是带状切屑,但需要采取断屑措施。
10.切削加工过程中,积屑瘤对的影响主要体现在保护刀具,增大前角,增大切削厚度、影响尺寸精度,加速刀具磨损、影响已加工表面等方面。
因此,在精(粗,精)加工时应避免积屑瘤的产生。
11.切削液在切削加工生产中普遍采用,其主要作用是降低切削力和切削温度。
12.机床常用机械传动副有带传动,齿轮传动,蜗轮蜗杆传动,齿轮齿条传动,丝杠螺母传动五种。
13.普通机床的变速机构常由塔轮变速机构、滑动齿轮变速机构、离合器变速机构三种基本机构组成。
14.机械加工工艺过程由工序、安装、工位、工步、进给等组成。
15.完全定位是指工件6个自由度全部被限制的定位;不完全定位是指工件6个自由度没有被全部限制的定位。
16.基准重合指的是选用设计基准作为定位基准;基准统一指的是多个加工工序采用东一个定位基准。
一、判断题(每题10分,共50分)
题目1
未回答
满分10.00
未标记标记题目
题干
切削层为切削部分切过工件的一个循环所切除的工件材料层。
()
选择一项:
对
错
反馈
解析:切削层为切削部分切过工件的一个单程所切除的工件材料层。
正确的答案是“错”。
题目2
未回答
满分10.00
未标记标记题目
题干
背吃刀量指工件上已加工表面和待加工表面间的水平距离。
()
选择一项:
对
错
反馈
解析:背吃刀量是指工件上已加工表面和待加工表面间的垂直距离。
正确的答案是“错”。
题目3
未回答
满分10.00
未标记标记题目
题干
切削速度指切削加工时,切削刃选定点相对于工件的主运动的瞬时速度。
()
选择一项:
对
错
反馈
解析:切削速度指切削加工时,切削刃选定点相对于工件的主运动的瞬时速度。
正确的答案是“对”。
WORD格式可编写第七章练习题1.单项选择1-1 重要的轴类零件的毛坯平时应选择()。
①铸件②锻件③棒料④管材1-2 一般机床床身的毛坯多采用()。
①铸件②锻件③焊接件④冲压件1-3 基准重合原则是指派用被加工表面的()基准作为精基准。
②设计②工序③测量④装置1-4 箱体类零件常采用()作为一致精基准。
①一面一孔②一面两孔③两面一孔④两面两孔1-5 经济加工精度是在()条件下所能保证的加工精度和表面粗糙度。
①最不利②最正确状态③最小成本④正常加工1-6 铜合金 7 级精度外圆表面加工平时采用()的加工路线。
①粗车②粗车- 半精车③粗车 - 半精车 - 精车④粗车 - 半精车 - 精磨1-7 淬火钢 7 级精度外圆表面常采用的加工路线是()。
①粗车—半精车—精车②粗车—半精车—精车—金刚石车③粗车—半精车—粗磨④粗车—半精车—粗磨—精磨1-8 铸铁箱体上φ 120H7孔常采用的加工路线是()。
①粗镗—半精镗—精镗②粗镗—半精镗—铰③粗镗—半精镗—粗磨④粗镗—半精镗—粗磨—精磨1-9 为改进资料切削性能而进行的热办理工序(如退火、正火等),平时安排在()进行。
①切削加工从前②磨削加工从前③切削加工此后④粗加工后、精加工前1-10 工序余量公差等于() 。
①上道工序尺寸公差与本道工序尺寸公差之和②上道工序尺寸公差与本道工序尺寸公差之差③上道工序尺寸公差与本道工序尺寸公差之和的二分之一④上道工序尺寸公差与本道工序尺寸公差之差的二分之一1-11 直线尺寸链采用极值算法时,其封闭环的下误差等于()。
①增环的上误差之和减去减环的上误差之和专业知识整理分享WORD格式可编写②增环的上误差之和减去减环的下误差之和③增环的下误差之和减去减环的上误差之和④增环的下误差之和减去减环的下误差之和直线尺寸链采用概率算法时,若各组成环均凑近正态分布,则封闭环的公差等于 1-12()。
①各组成环中公差最大值②各组成环中公差的最小值③各组成环公差之和④各组成环公差平方和的平方根1-13 用近似概率算法计算封闭环公差时,k 值常取为()。
第七章习题及答案7-1试述生产过程、工序、工步、走刀、安装、工位的概念。
答:制造机械产品时,将原材料转变为成品的全过程称为生产过程。
工序是指一个(或一组)工人在一个工作地点或一台机床,对同一个或同时对几个工件进行加工所连续完成的那一部分工艺过程。
工步是指在一个工序中,当加工表面不变、加工工具不变的情况下所连续完成的那部分工艺过程。
在一个工步内,如果被加工表面需切去的金属层很厚,一次切削无法完成,则应分几次切削,每进行一次切削就是一次走刀。
安装是指工件在加工之前,在机床或夹具上占据正确的位置(即为定位),然后加以夹紧的过程称为装夹。
工件经过一次装夹完成的工序称为安装。
工件在机床上所占据的每一个待加工位置称为工位。
7-2什么是机械加工工艺过程?什么是机械加工工艺规程?答:机械加工工艺规程(简称工艺规程)是将机械加工工艺过程的各项内容写成文件,用来指导生产、组织和管理生产的技术文件。
工艺过程是生产过程中的主要部分,是指在生产过程中直接改变毛坯的形状、尺寸、相对位置和材料性能,使其成为半成品或成品的过程。
7-3试指明下列工艺过程中的工序、安装、工位及工步。
坯料为棒料,零件图如图题7-3所示。
1)卧式车床上车左端面,钻中心孔。
答:车左端面、钻中心孔分别为工步。
2)在卧式车床上夹右端,顶左端中心孔,粗车左端台阶。
答:夹右端,顶左端中心孔为装夹,粗车左端台阶为工步。
3)调头,在卧式车床上车右端面,钻中心孔。
答:车右端面、钻中心孔分别为工序。
4)在卧式车床上夹左端,顶右端中心孔,粗车右端台阶。
答:夹左端,顶右端中心孔为装夹。
车右端台阶为工步。
5)在卧式车床上用两顶尖,精车各台阶。
答:两顶尖定位为装夹,精车左、右端台阶为工步。
图题7-37-4拟定机械加工工艺规程的原则与步骤有哪些?工艺规程的作用和制定原则各有哪些?答:制定工艺规程的原则是优质、高产和低成本,即在保证产品质量的前提下,争取最好的经济效益。
制定工艺规程的步骤:1)分析研究部件或总成装配图样和零件图样;2)选择毛坯;3)拟定工艺路线;4)确定各工序的加工余量,计算工序尺寸及公差;5)确定各工序所采用的设备及工艺装备;6)确定各工序的切削用量和时间定额;7)确定各主要工序的技术要求及检验方法;8)填写工艺文件。
机械加工工艺规程的作用:1)机械加工工艺规程是指导生产的主要技术文件。
机械加工工艺规程是保证产品质量和提高经济效益的指导性文件,企业有关人员都必须严格执行。
2)机械加工工艺规程是组织生产和计划管理的重要依据。
工艺规程是生产加工、检验验收、工时考核、生产调度的主要依据,它对产品的生产周期、质量和生产率都有着直接影响。
3)新建或扩建工厂(车间)的依据。
在具体制定时,还应遵循下列原则:1)技术上的先进性;2)经济上的合理性;3)良好的劳动条件及避免环境污染。
7-5机械加工工艺过程卡和机械加工工序卡片的主要区别是什么?各应用于什么场合?答:工艺过程卡以工序为单位,列出零件加工所经过的工艺路线,是编制其他工艺文件的基础,也是生产技术准备、编制作业计划和组织生产的依据。
在单件小批生产中,通常不编制其他较详细的工艺文件,可用它指导工人操作。
工序卡片是用来指导生产的一种详细的工艺文件。
它详细地说明该工序中的每个工步的加工内容、工艺参数、操作要求、所用设备和工艺装备等。
一般都有工序简图,注明该工序的加工表面和应达到的尺寸公差、形位公差和表面粗糙度值。
它主要用于大批量生产。
7-6如何衡量零件结构工艺性的好坏?试举例说明。
答:零件的结构工艺性涉及面很广,在制定机械加工工艺规程时,主要分析工件的切削加工工艺性。
(1)便于装夹。
如图(a)所示零件的结构,拟选用顶尖和鸡心夹头装夹,不便于装夹。
若改为图(b)所示结构,则可以方便地装置夹头。
(a)改正前(b)改正后(2)便于加工。
零件的结构应尽量采用标准系列值,同时需注意退刀和进刀,易于保证加工精度要求,减少加工面积等。
A结构工艺性差 B结构工艺性好A结构孔离箱壁太近,且箱壁高度尺寸大,需加长钻头才能钻孔,加工过程中容易引偏。
B结构的(a)中加长了箱耳,不需加长钻头;若结构上允许将箱耳设计在某一端,如B结构的(b)中,则不需加长箱耳便可方便地加工。
(3)便于测量。
设计零件结构时,应考虑测量的可能性与方便性。
如图所示,要求测量孔中心线与基准面A的平行度。
图(a)所示的结构,底面凸台偏置一侧,导致平行度难以测量;图(b)中增加一对称的工艺凸台,测量就方便多了。
(a)改进前的结构(b)改进后的结构7-7机械零件毛坯的选择原则是什么?答:1)保证使用要求。
在确定毛坯类型时,必须首先考虑对其提出的使用要求,包括对零件形状、尺寸、精度和表面质量的要求,以及工作条件对零件性能的要求。
2)满足经济性。
选择毛坯时,在保证使用要求的前提下,对几个可供选择的方案应从经济上进行分析,选择成本低廉的方案。
3)考虑实际生产条件。
选择毛坯时,既要考虑现有的生产条件,如毛坯制造的实际工艺水平、设备状况,又要考虑毛坯是否可以专业化协作生产。
4)充分考虑利用新技术、新工艺、新材料的可能。
7-8试述设计基准、定位基准、工序基准的概念,并举例说明。
答:在零件设计过程中,确定某些点、线、面的位置时所依据的那些点、线、面称为设计基准。
用于标注尺寸和表面间相互位置关系,是标注设计尺寸的起点。
在工序图上,为了标注本工序被加工表面加工后的尺寸、形状、位置所采用的基准称为工序基准。
工序基准应尽量与设计基准重合。
在加工中,用来确定工件在机床或夹具上的位置的基准称为定位基准。
它是工件上与夹具定位元件直接接触的点、线或面。
7-9根据什么原则选择粗基准和精基准?答:粗基准的选择原则:1)应选不加工面为粗基准。
2)对于具有较多加工表面的工件,应合理分配各加工表面的加工量。
3)为了工件定位准确,夹紧可靠,作为粗基准的表面,应尽量平整,没有浇口、冒口或飞边等表面缺陷。
4)粗基准要避免重复使用。
精基准的选择原则:1)基准重合原则;2)基准统一原则;3)自为基准原则;4)互为基准反复加工原则。
7-10何谓经济加工精度?选择加工方法时应考虑的主要问题有哪些?所谓经济加工精度是指在正常的工作条件下(包括完好的机床设备、必要的工艺装备、标准的工人技术等级、标准耗时和生产费用)所能达到的加工精度。
由于获得同一精度和表面粗糙度的加工方法往往有几种,选择时主要根据表面的形状、尺寸大小、精度和粗糙度、零件的材料性质、生产类型以及具体的生产条件等来确定。
7-11何谓工序集中?何谓工序分散?各有何特点?答:在安排了零件的加工工步、顺序之后,要考虑每个工序完成多少加工内容。
即要进一步考虑这些加工内容是分散在几道工序内、在不同的机床上进行,还是把某些加工内容集中在一道工序内、在一台设备上完成。
前者称为工序分散,后者称为工序集中。
工序集中有如下一些特点:1)减少装夹次数,工件在一次装夹中加工多个表面,其表面间的位置误差小,便于保证各表面之间的位置公差。
2)便于采用高生产率的机床和工艺设备。
3)减少了设备数量以及操作工人和占地面积,有利于生产组织和计划工作。
4)机床设备结构复杂,同时工作的刀具数目增多,降低了机床工作的可靠性,增加了机床停机、换刀的时间损失。
工序分散的特点与工序集中相反,其特点如下:1)由于工序简单,所用的机床设备和工艺装备也比较简单,调整方便,调整时间短,对工人的技术水平要求较低。
2)有利于产品的更新换代,生产准备周期短。
3)所需机床设备数量多,操作工人多,占地面积也较大。
4)可采用最有利的切削用量,减少机动时间。
7-12机械加工工序的安排原则是什么?答:1)先加工基准表面,后加工其他表面。
用作精基准的表面,要先加工出来,然后以精基准定位加工其他表面。
在精加工阶段之前,有时还需对精基准进行修复,确保定位精度。
2)先安排粗加工,后安排精加工。
整个零件的加工工序应是粗加工在先,半精加工次之,最后安排精加工和光整加工。
3)先加工主要表面,后加工次要表面。
先安排主要表面的加工(即零件的工作表面、装配基面),后进行次要表面的加工(即键槽、螺纹孔等)。
因为主要表面加工工序较多,容易出废品,应放在前阶段进行,以减少工时浪费,次要表面的加工一般安排在主要表面的半精加工之后,也有放在精加工后进行的。
4)先加工表面,后加工孔。
对于表面和孔都需要加工的工件,如箱体、支架等类零件,平面所占轮廓尺寸较大,应先加工与孔有位置精度要求的平面,再用它作为精基准,加工零件上的各种孔,有利于保证孔与平面的位置精度。
mm 、长度为68mm、表面粗糙7-13在大批量生产条件下,加工一批直径为450005.0—度为0.16μm的轴,材料为45钢,试安排其加工路线。
答:下料→车两端面,钻中心孔→粗车外圆→调质→修研中心孔→半精车外圆,倒角→磨削→检验。
7-14什么是时间定额?单件时间定额包括哪些方面?答:所谓时间定额,是指在一定生产条件下,规定生产一件产品或完成一道工序所消耗的时间。
单件时间定额包括以下几个部分:基本时间T j;辅助时间T f;布置工作地时间T b;休息与生理需要时间T x;准备和终结时间。
7-15提高机械加工生产率的工艺措施有哪些?答:缩短基本时间;缩短辅助时间;缩短布置工作地时间;缩短准备和终结时间。