机械制造基础第七章答案_New
- 格式:doc
- 大小:4.40 MB
- 文档页数:6
1.切削层为切削部分切过工件的一个循环所切除的工件材料层。
()
选择一项:
错
2.背吃刀量指工件上已加工表面和待加工表面间的水平距离。
()
选择一项:
错
3.切削速度指切削加工时,切削刃选定点相对于工件的主运动的瞬时速度。
()选择一项:
对
4.刀具耐用度为刀具两次刃磨之间的切削时间。
()
选择一项:
对
5.切削热主要产生于刀具与切屑、刀具与工件之间的摩擦。
()
选择一项:
错
6.基面通过切削刃上选定点并垂直于()。
选择一项:
B. 主运动方向
7.能够反映前刀面倾斜程度的刀具标注角度为()。
选择一项:
B. 前角
8.哪一个阶段刀具磨损的速率最慢()?
选择一项:
C. 正常磨损
9.粗加工中等硬度的钢材时,一般会产生()切屑。
选择一项:
A. 节状
10.切削脆性材料时,容易产生()切屑。
选择一项:
B. 崩碎。
第七章习题及答案7-1试述生产过程、工序、工步、走刀、安装、工位的概念。
答:制造机械产品时,将原材料转变为成品的全过程称为生产过程。
工序是指一个(或一组)工人在一个工作地点或一台机床,对同一个或同时对几个工件进行加工所连续完成的那一部分工艺过程。
工步是指在一个工序中,当加工表面不变、加工工具不变的情况下所连续完成的那部分工艺过程。
在一个工步内,如果被加工表面需切去的金属层很厚,一次切削无法完成,则应分几次切削,每进行一次切削就是一次走刀。
安装是指工件在加工之前,在机床或夹具上占据正确的位置(即为定位),然后加以夹紧的过程称为装夹。
工件经过一次装夹完成的工序称为安装。
工件在机床上所占据的每一个待加工位置称为工位。
7-2什么是机械加工工艺过程?什么是机械加工工艺规程?答:机械加工工艺规程(简称工艺规程)是将机械加工工艺过程的各项内容写成文件,用来指导生产、组织和管理生产的技术文件。
工艺过程是生产过程中的主要部分,是指在生产过程中直接改变毛坯的形状、尺寸、相对位置和材料性能,使其成为半成品或成品的过程。
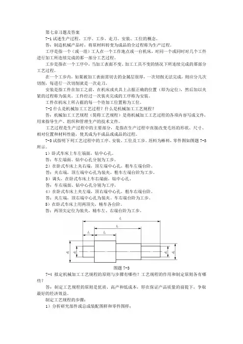
7-3试指明下列工艺过程中的工序、安装、工位及工步。
坯料为棒料,零件图如图题7-3所示。
1)卧式车床上车左端面,钻中心孔。
答:车左端面、钻中心孔分别为工步。
2)在卧式车床上夹右端,顶左端中心孔,粗车左端台阶。
答:夹右端,顶左端中心孔为装夹,粗车左端台阶为工步。
3)调头,在卧式车床上车右端面,钻中心孔。
答:车右端面、钻中心孔分别为工序。
4)在卧式车床上夹左端,顶右端中心孔,粗车右端台阶。
答:夹左端,顶右端中心孔为装夹。
车右端台阶为工步。
5)在卧式车床上用两顶尖,精车各台阶。
答:两顶尖定位为装夹,精车左、右端台阶为工步。
图题7-37-4拟定机械加工工艺规程的原则与步骤有哪些?工艺规程的作用和制定原则各有哪些?答:制定工艺规程的原则是优质、高产和低成本,即在保证产品质量的前提下,争取最好的经济效益。
制定工艺规程的步骤:1)分析研究部件或总成装配图样和零件图样;2)选择毛坯;3)拟定工艺路线;4)确定各工序的加工余量,计算工序尺寸及公差;5)确定各工序所采用的设备及工艺装备;6)确定各工序的切削用量和时间定额;7)确定各主要工序的技术要求及检验方法;8)填写工艺文件。
第七章铸铁及其热处理习题解答7-1 铸造生产中,为什么铸铁的碳、硅含量低时易形成白口? 而同一铸铁件上,为什么其表层或薄壁处易形成白口?答:因为碳、硅是促进石墨化的元素,当它们含量含量低时石墨化不易进行,所以容易形成白口。
同一铸件上表层和薄壁的冷却速度比较快,不利于石墨化,故易形成白口。
7-2 在铸铁的石墨化过程中,如果第一、第二阶段完全石墨化,而第三阶段分别为完全、部分或未石墨化时,问它们各获得哪种基体组织的铸铁?答:第三阶段石墨化完全进行时,获得铁素体基体铸铁;部分进行时为铁素体+珠光体基体铸铁;未进行石墨化时为珠光体基体铸铁。
7-3 机床的床身、床脚和箱体为什么大都采用灰铸铁铸造?能否用钢板焊接制造?试将两者的使用性和经济性作简要比较。
答:1、因为灰铸铁的性能适合制造这些零件:抗压性能比抗拉性能好,铸造性能优良,减摩性好,减振性强,切削加工性良好,缺口敏感性较低。
2、能用钢板焊接制造,但钢板的减摩性、减振性不如灰铸铁。
在使用性和经济性上,灰铸铁成本低,易于铸造结构复杂的零件,并且其尺寸不受限制,这些都是用钢板制造不能达到的。
7-4 有一壁厚为20~30mm的铸件,要求抗拉强度为150MPa,应选用何种牌号的灰铸铁制造?答:根据强度要求和壁厚,应选用HT200。
7-5 生产中出现下列不正常现象,应采取什么措施予以防止或改善?(1) 灰铸铁精密床身铸造后即进行切削,在切削加工后发现变形量超差;(2) 灰铸铁件薄壁处出现白口组织,造成切削加工困难。
答:(1) 应在切削前进行去应力退火,消除铸造应力。
去应力退火通常是将铸件缓慢加热到500~560℃,保温一段时间(每l0mm厚度保温1h),然后随炉冷至150~200℃后出炉。
(2)应进行消除白口组织退火。
退火方法是把铸件加热到850~950℃,保温1~3h,使共晶渗碳体发生分解,即进行第一阶段的石墨化,然后又在随炉冷却中进行第二和第三阶段石墨化,析出二次石墨和共析石墨,到500~400℃再出炉空冷。
七、标准结构及标准零、组件7.1 螺纹∙∙∙∙∙∙∙∙∙∙∙∙∙∙∙∙∙∙∙∙∙∙∙∙∙∙∙∙∙∙∙∙∙∙∙∙∙∙∙∙∙∙∙∙∙∙∙∙∙∙∙∙∙∙∙∙∙∙∙∙∙∙∙∙∙∙∙∙∙∙∙第77~77页习题7.2 螺纹连接和螺纹紧固件连接∙∙∙∙∙∙∙∙∙∙∙∙∙∙∙∙∙∙∙∙∙∙∙∙∙∙∙∙∙∙∙第78~79页习题7.3 齿轮、键、销∙∙∙∙∙∙∙∙∙∙∙∙∙∙∙∙∙∙∙∙∙∙∙∙∙∙∙∙∙∙∙∙∙∙∙∙∙∙∙∙∙∙∙∙∙∙∙∙∙∙∙∙∙∙∙第80~80页习题2345题号:题号:67891011121314题号:17.4 轴承和弹簧∙∙∙∙∙∙∙∙∙∙∙∙∙∙∙∙∙∙∙∙∙∙∙∙∙∙∙∙∙∙∙∙∙∙∙∙∙∙∙∙∙∙∙∙∙∙∙∙∙∙∙∙∙∙∙∙∙∙∙∙∙∙第80~80页习题题号:1516171.已知下列螺纹代号,试识别其意义并填表。
2.根据给定的螺纹要素,标注螺纹的尺寸。
(1)普通螺纹,大径30mm,螺距1.5mm,单线,(2) 非螺纹密封的管螺纹,尺寸代号3/4。
右旋,中径及顶径公差代号6g,短旋合长度。
(3) 梯形螺纹,大径20mm,导程8mm,双线,右旋。
(4) 用螺纹密封的管螺纹,尺寸代号1/2。
3.将图中错处圈出,将正确的画在右边(包括尺寸)。
(1) M16(2) M24×1.5。
4.画出下列螺纹孔的两视图。
(1)M20。
孔为通孔,螺纹(2) M20。
孔为通孔,螺纹(3) M12×1.5。
螺纹盲孔,螺纹深攻到底,主、俯视图都全剖。
攻到30mm,主视图全剖。
18mm,钻孔深24mm,主视图全剖。
5.将下列两图的错处圈出,并将正确的画在下面。
(1) (2)6.将下图的错处圈出,并将正确的画在右面。
7.已知螺栓GB/T 5780 M16×L、垫圈GB/T 97.1 16、螺母GB/T 41 M16,板厚t1=t2=15mm。
用比例画法作螺栓连接的三视图(主视图全剖,俯、左视图画外形)。
2021年国家开放大学电大《机械制造基础》章节测试题参考答案第一章常用工程材料的基本知识边学边练1.金属材料在外力作用下,对变形和破裂的抵抗能力称为()a.硬度b.韧性c.塑性d.强度2.适于测试硬质合金、表面淬火刚及薄片金属的硬度的测试方法是()。
a.洛氏硬度b.以上方法都可以c.维氏硬度d.布氏硬度3.材料的冲击韧度越大,其韧性就()。
a.越差b.难以确定c.无影响d.越好4.金属材料在做疲劳试验时,试样所承受的载荷为()。
a.冲击载荷b.交变载荷c.静载荷d.无规律载荷5.()是α-Fe 中溶入一种或多种溶质元素构成的固溶体。
a.铁素体b.渗碳体c.奥氏体d.珠光体6.珠光体是一种()。
a.机械混合物b.金属化合物c.固溶体d.单相组织金属7.自位支承(浮动支承)其作用增加与工件接触的支承点数目,但()。
a. 0.25%b. 1.4%c. 0.6%d. 2.11%8.灰铸铁中的碳主要是以()形式存在。
a.团絮状石墨b.蠕虫状石墨c.球状石墨9.黄铜是由()合成。
a.铜和锌b.铜和镍c.铜和铝d.铜和硅本章测验一、单选题(每题10 分,共50 分)1.拉伸实验中,试样所受的力为()。
A.冲击载荷B.循环载荷C.交变载荷D.静载荷2.常用的塑性判断依据是()。
A.伸长率和断面收缩率B.断面收缩率和塑性C.塑性和韧性D.伸长率和塑性3.用金刚石圆锥体作为压头可以用来测试()。
A.维氏硬度B.洛氏硬度C.布氏硬度D.以上都可以4.金属疲劳的判断依据是()。
A.抗拉强度B.塑性C.疲劳强度D.强度5.牌号为45 号钢属于()。
A.普通碳素结构钢B.碳素工具钢C.铸造碳钢D.优质碳素结构钢二、判断题(每题10 分,共50 分)6.通常材料的力学性能是选材的主要指标。
(√)7.抗拉强度是表示金属材料抵抗最大均匀塑性变形或断裂的能力。
(√)8.冲击韧性是指金属材料在静载荷作用下抵抗破坏的能力。
(×)9.碳钢的含碳量一般不超过1.5%。
第七章练习题1.单项选择1- 1重要的轴类雲件的毛坯通常应选择()。
①铸件②锻件③棒料④管材1- 2普通机床床身的毛坯多采用()。
①铸件②锻件③焊接件④冲压件1- 3基准重合原则是指使用被加工表面的()基准作为精基准。
②设计②工序③测呈④装配1- 4箱体类雲件常采用()作为统一精基准。
①一面一孔②一面两孔③两面一孔④两面两孔1- 5经济加工精康是在()条件下所能保证的加工精度和表面粗糙度。
①最不利②最佳状态③最小成本④正常加工1- 6铜合全7级精度外圆表面加工通常采用()的加工路线。
①粗车②組车-半精车③粗车-半精车-精车④粗车-半精车-精磨1- 7淬火钢7级精度外圜表面常采用的加工路线是()。
①粗车卡精车一■精车②粗车卡精车—精车—金刚石车③粗车卡精车一粗磨④粗车卡精车一粗磨一精磨1- 8铸铁箱体上<pl20H7孔常采用的加工路线是()。
①粗锂精锂一精锂②粗锤卡精锂一狡③粗锂卡精锂一粗磨④粗锤卡精锂一粗磨一精磨1- 9为改善材料切削性能而进行的热处理工序(如退火、正火等),通常安排在()进行。
①切削加工之前②磨削加工之前③切削加工之后④粗加工后、精加工前1- 10 工^余呈公差等于()。
①上道工序尺寸公差与本道工序尺寸公差之和②上道工序尺寸公差与本道工序尺寸公差之差③上道工序尺寸公差与本道工序尺寸公差之和的二分之一④上道工序尺寸公差与本道工序尺寸公差之差的二分之一1- 11直线尺寸链采用极值算法时,其封闭环的下偏差等于()0①増环的上偏差之和减去减环的上偏差之和②增环的上偏差之和减去减环的下偏差之和③增环的下偏差之和减去减环的上偏差之和④増环的下偏差之和减去减环的下偏差之和1-12直线尺寸链采用概率算法时,若各组成环均接近正态分布,则封闭环的公差等于().①各组成环中公差最大值②各组成环中公差的最小值③各组成环公差之和④各组成环公差平方和的平方根1-13 用近似概率算法计算封闭环公差时,k值常取为()。
机械加工练习一、填空1. 在切削加工中,刀具与工件间的相对运动称为切削运动,包括主运动和供给运动。
一般消耗功率最大的是主运动。
2.最常用刀具材料是高速钢和硬质合金,形状复杂的整体刀具应采用高速钢。
3. 周铣平面时,有两种铣削方式:顺铣和逆铣。
生产中,普通铣床多采用逆铣。
4.硬质合金刀具材料的选用:YG类硬质合金主要用于加工铸铁和有色金属;YT类硬质合金用于加工塑性材料。
5.齿轮齿形的加工方法主要有滚齿、插齿和铣齿;加工双联齿轮、内齿轮、齿条应采用插齿,加工斜齿圆柱齿轮应采用滚齿。
6.加工铸铁件通常选用YG类硬质合金,加工钢件通常选用YT类硬质合金。
7.切削用量包括切削速度、进给量、背吃刀量,是影响工件加工质量、刀具磨损和生产率的重要因素,应合理选择。
其选择的一般原则是粗加工时,选择较大背吃刀量、进给量,适当的切削速度;精加工时选择较小的背吃刀量、进给量,尽可能提高切削速度。
8.车刀的5个角度主要是前角、后角、刃倾角、主偏角、副偏角。
9.根据形态特征,切屑可分为带状、粒状、节状、崩碎切屑四种。
其中,切削过程平稳的是带状切屑,但需要采取断屑措施。
10.切削加工过程中,积屑瘤对的影响主要体现在保护刀具,增大前角,增大切削厚度、影响尺寸精度,加速刀具磨损、影响已加工表面等方面。
因此,在精(粗,精)加工时应避免积屑瘤的产生。
11.切削液在切削加工生产中普遍采用,其主要作用是降低切削力和切削温度。
12.机床常用机械传动副有带传动,齿轮传动,蜗轮蜗杆传动,齿轮齿条传动,丝杠螺母传动五种。
13.普通机床的变速机构常由塔轮变速机构、滑动齿轮变速机构、离合器变速机构三种基本机构组成。
14.机械加工工艺过程由工序、安装、工位、工步、进给等组成。
15.完全定位是指工件6个自由度全部被限制的定位;不完全定位是指工件6个自由度没有被全部限制的定位。
16.基准重合指的是选用设计基准作为定位基准;基准统一指的是多个加工工序采用东一个定位基准。
第7章练习题1. 单项选择1-1 柔性制造系统(FMS)特别适合于()生产。
①单件②多品种、中小批量③少品种、中小批量④大批量1-2 先进制造技术首先由美国于20世纪()提出。
①70年代中②80年代初③80年代末④90年代中1-3 AMT是制造技术和()结合而产生的一个完整的技术群。
①现代管理科学②现代高技术③计算机技术④测控技术1-4 当前精密加工所达到的精度是()。
①10~1μm ②1~0.1μm ③0.1~0.01μm ④0.01~0.001μm1-5 在超精密切削加工中,最常用的刀具材料是()。
①高速钢②硬质合金③陶瓷④金刚石1-6 金刚石或CBN砂轮修锐的目的是使磨粒()。
②平整②变细③变尖④突出1-7 光刻加工主要用于()。
①加工超硬材料②加工工程陶瓷③制作集成电路④制作微型模具1-8 电火花加工设备关键装置之一是()。
①直流电源②稳压电源③高压电源④脉冲电源1-9 电解磨削属于()。
①溶解加工②熔化加工③机械加工④复合加工1-10 激光打孔时,为保证加工孔的质量,要求加工面()。
①位于焦点和透镜之间②与焦点位置一致③位于焦点之外④距焦点距离等于焦距1-11 电子束特别适合于加工半导体材料,其主要原因是电子束加工()。
①加工效率高②工件变形小③在真空条件下进行④可控性好1-12 超声波加工设备中变幅杆的功能是()。
①增大振动幅值②减小振动幅值③改变振动方向④改变振动频率2. 多项选择2-1 在激烈的市场竞争中,企业赢得市场的基本要素包括()和服务。
①时间(T)②质量(Q)③成本(C)④资金(F)2-2 现代机械制造技术的先进性主要表现在()少污染等几方面。
①质量优②效率高③全自动④消耗低2-3 柔性制造系统(FMS)的组成部分有()。
①CAD系统②数控机床(加工中心)③自动物流系统④计算机控制系统2-4 AMT包括()等几部分。
①主体技术群②客体技术群③支撑技术群④制造技术基础设施2-5 面向制造的设计技术群主要内容包括()等。
第7章练习题答案1. 单项选择1-1 答案:②多品种、中小批量1-2 答案:③80年代末1-3 答案:②现代高技术1-4 答案:③0.1~0.01μm1-5 答案:④金刚石1-6 答案:④突出1-7 答案:③制作集成电路1-8 答案:④脉冲电源1-9 答案:④复合加工1-10 答案:②与焦点位置一致1-11 答案:③在真空条件下进行1-12 答案:①增大振动幅值2. 多项选择2-1 答案:①时间(T)②质量(Q)③成本(C)2-2 答案:①质量优②效率高④消耗低2-3 答案:②数控机床(加工中心)③自动物流系统④算机控制系统2-4 答案:①主体技术群③支撑技术群④制造技术基础设施2-5 答案:①产品、工艺过程和工厂设计②快速原形制造③并行工程2-6 答案:③金刚石④CBN2-7 答案:①高精度③高灵敏度④高稳定性2-8 答案:①电火花加工③激光加工2-9 答案:①电火花成形加工②电火花穿孔加工④电火花线切割2-10 答案:①能加工任何高硬度、高韧性的导电材料②加工效率高③加工表面质量好2-11 答案:①激光打孔②激光切割③激光焊接④激光热处理2-12 答案:②脆性金属材料④脆性非金属材料3. 判断题3-1 答案:∨3-2 答案:×3-3 答案:×3-4 答案:×3-5 答案:∨3-6 答案:∨3-7 答案:×3-8 答案:∨3-9 答案:∨3-10 答案:×3-11 答案:∨3-12 答案:×3-13 答案:∨3-14 答案:×3-15 答案:∨4. 分析题4-1 答案:要点:从先进制造技术的特征看,中小企业完全能够采用先进制造技术:1)AMT是一项综合性技术,它强调计算机技术、信息技术和现代管理技术在制造中的综合应用,强调人、技术、管理的有机结合。
这种思想和原则对中小企业同样适用。
2)AMT是一项动态发展技术,它没有一个固定的模式,但有明显的需求导向特征。
一、判断题(每题10分,共50分)
题目1
未回答
满分10.00
未标记标记题目
题干
切削层为切削部分切过工件的一个循环所切除的工件材料层。
()
选择一项:
对
错
反馈
解析:切削层为切削部分切过工件的一个单程所切除的工件材料层。
正确的答案是“错”。
题目2
未回答
满分10.00
未标记标记题目
题干
背吃刀量指工件上已加工表面和待加工表面间的水平距离。
()
选择一项:
对
错
反馈
解析:背吃刀量是指工件上已加工表面和待加工表面间的垂直距离。
正确的答案是“错”。
题目3
未回答
满分10.00
未标记标记题目
题干
切削速度指切削加工时,切削刃选定点相对于工件的主运动的瞬时速度。
()
选择一项:
对
错
反馈
解析:切削速度指切削加工时,切削刃选定点相对于工件的主运动的瞬时速度。
正确的答案是“对”。
机械基础第2版习题答案第7章第七单元支承零部件练习题一、名词解释1.轴轴是支承传动件〔如齿轮、蜗杆、带轮、链轮等〕的零件。
2.曲轴曲轴是指将回转运动转变为往复直线运动〔或将往复直线运动转变为回转运动〕的轴。
3.软轴软轴是由几层紧贴在一起的钢丝构成,可将扭矩〔扭转及旋转〕灵活地传递到任意位置的轴。
4.心轴心轴是指工作时仅承受弯矩作用而不传递转矩的轴。
5.转轴转轴是指工作时既承受弯矩又承受转矩的轴。
6.传动轴传动轴是指工作时仅传递转矩而不承受弯矩的轴。
7.轴承轴承是用来支承轴或轴上回转零件的部件。
8.滑动轴承滑动轴承是工作时轴承和轴颈的支承面间形成直接或间接滑动摩擦的轴承。
9.滚动轴承滚动轴承是将运转的轴与轴座之间的滑动摩擦变为滚动摩擦,从而减少摩擦损失的一种精密的机械元件。
二、填空题1.支承零部件主要包括轴和轴承,它们是组成机器不可缺少的重要零部件。
2.轴是支承传动件的零件,轴上被支承的部位称为轴颈,轴的功用是支承回转零部件,并使回转零部件具有确定的位置,传递运动和扭矩。
3.轴承是支承轴颈的支座,轴承的功用是保持轴的旋转精度,减少轴与支承件之间的摩擦磨损。
4.轴按其形状进行分类,可分为直轴、曲轴和软轴〔或挠性轴、钢丝软轴〕三类。
5.轴的结构包括轴颈、轴头、轴身三局部。
6.根据轴承工作时摩擦性质的不同,轴承分为滑动轴承和滚动轴承两大类。
7.滑动轴承根据承受载荷方向的不同,可分为向心滑动轴承和推力滑动轴承两大类。
8.滑动轴承通常由轴承座、轴瓦〔或轴套〕、润滑装置和密封装置等组成。
9.常用的轴瓦分为整体式轴瓦和剖分式轴瓦两种结构。
10.滑动轴承的失效形式主要有磨粒磨损、刮伤、胶合〔咬粘〕、疲劳、腐蚀等。
11.滚动轴承一般由内圈、外圈、滚动体和保持架组成。
12.常见的滚动体有球、短圆柱滚子、长圆柱滚子、球面滚子、圆锥滚子、螺旋滚子、滚针等多种。
13.滚动轴承的分类方法很多,按滚动轴承所能承受的载荷方向或公称接触角进行分类,可分为向心滚动轴承和推力滚动轴承。
1、选择题:液态合金本身的流动能力,称为合金的流动性。
选项:A:对B:错答案: 【对】2、选择题:浇注温度越高充型能力越差选项:A:对B:错答案: 【错】3、选择题:铸件的实际收缩率与()有关选项:A:化学成分B:浇注温度C:铸件结构D:铸型条件答案: 【化学成分,浇注温度,铸件结构,铸型条件】4、选择题:在铸件的凝固过程中,其断面上一般存在三个区域,即固相区、凝固区和液相区。
选项:A:对B:错答案: 【对】5、选择题:缩孔是集中在铸件上部或最后凝固部位容积较小的孔洞。
选项:A:对B:错答案: 【错】1、选择题:铸铁中的碳主要是以石墨状态存在的。
选项:B:错答案: 【对】2、选择题:灰铸铁的抗拉强度低,塑性和韧性差。
选项:A:对B:错答案: 【对】3、选择题:影响铸铁石墨化的主要因素是化学成分和冷却速度。
选项:A:对B:错答案: 【对】4、选择题:黑心可锻铸铸铁的性能特征是塑性、韧性好,耐蚀性较高。
选项:A:对答案: 【对】5、选择题:影响铸铁组织和性能的因素只与化学成分有关,与冷却速度无关。
选项:A:对B:错答案: 【错】1、选择题:造型方法有手工造型、机器造型和机器造芯。
选项:A:对B:错答案: 【对】2、选择题:铸件浇注位置选择原则中铸件重要的加工面应朝上。
选项:A:对答案: 【错】3、选择题:分型面的选择中应尽量使分型面平直、数量少。
选项:A:对B:错答案: 【对】4、选择题:要求的机械加工余量的具体数值取决于合金的品种、铸造方法、铸件的大小等。
选项:A:对B:错答案: 【对】5、选择题:浇注是铸件的大平面应朝下。
选项:A:对B:错1、选择题:铸件时应尽量避免铸件起模方向存有外部侧凹,以便于起模。
选项:A:对B:错答案: 【对】2、选择题:铸件时应尽量使分型面为平面。
选项:A:对B:错答案: 【对】3、选择题:垂直分型面上的不加工表面最好有结构斜度。
选项:A:对B:错4、选择题:铸件的壁厚应防止过厚或过薄。
机械制造技术基础第7章复习思考题答案第7章复习思考题(答案)1.外圆表面常用的加工方法有哪些?外圆表面常用的加工方法有:车削、磨削、滚压、抛光、研磨等。
2.卧式车床车削加工的基本内容有哪些?卧式车床车削加工主要有内外圆柱面、内外圆锥面、内外螺纹、端面、沟槽、回转成形面以及滚花、绕弹簧等,此外,还可以进行钻孔、铰孔和镗孔等操作。
3.车床的附件有哪些?各有何用途?车床附件有:三爪自定心卡盘、四爪单动卡盘、顶尖和鸡心夹头、中心架与跟刀架、花盘等。
三爪自定心卡盘夹持工件并带动工件旋转,能自定心,校正和安装工件简单迅速,也可用工件端面较大的孔装夹。
但夹紧力小,不能装夹不规则形状和大型工件。
四爪单动卡盘夹持工件并带动工件旋转,夹紧力较大,但校正工件比较麻烦。
适用于单件或小批生产中安装较重或形状不规则的工件。
顶尖和鸡心夹头起支承和定位作用。
当车削特别长的轴类工件(L/D﹥10)时,要使用中心架或跟刀架,以防止工件的弯曲变形。
当加工的工件质量不均衡,可在花盘上加装平衡铁予以平衡,以防振动和保证安全。
4.说明磨削过程和其他金属切削过程相比有哪些特点。
磨削加工是用磨具以较高的线速度对工件表面进行切削加工的方法。
在磨削过程中,磨具以砂轮为主,砂轮的高速转动是切削中的主运动,切速很高,产生大量的切削热,瞬时磨削温度可达10000C左右,高温的磨屑在空气中氧化产生火花,使工件表面不被烧伤和产生裂纹,磨削时需要使用大量的切削液。
进给运动有工件和砂轮的直线运动来完成。
5.什么是砂轮的硬度?应如何选择?砂轮硬度是指砂轮工作时,磨粒在外力作用下脱落的难易程度。
砂轮的硬度要选择得适当,选择的原则如下:①工件材料硬,砂轮硬度应选用软一些,以便砂轮磨钝磨粒及时脱落,露出锋利的新磨粒继续正常磨削,即使砂轮及时自砺,避免磨削温度过高而烧伤工件。
②砂轮与工件接触面积和弧长较大时,砂轮硬度应选软一些,以便磨钝砂粒及时脱落,以免磨屑堵塞砂轮表面引起表面烧伤。
机械基础第7章习题答案机械基础第7章习题答案机械基础是工科学生必修的一门课程,通过学习机械基础,我们可以了解机械原理、机械设计和机械制造等方面的知识。
在学习过程中,习题是不可或缺的一部分,通过解答习题可以帮助我们巩固所学的知识。
本文将为大家提供机械基础第7章习题的答案。
1. 机械基础第7章习题1:题目:一个质量为2kg的物体以10m/s的速度水平向右运动,受到一个力为6N的水平方向的恒力作用,求物体在2s后的速度。
解答:根据牛顿第二定律,物体的加速度等于物体所受力的大小与物体质量的比值。
所以,物体的加速度为6N/2kg=3m/s²。
根据物体的初速度、加速度和时间的关系,可以得到物体的速度公式:v = u + at,其中v为物体的最终速度,u为物体的初速度,a为物体的加速度,t为时间。
代入已知条件,可以得到物体在2s后的速度:v = 10m/s + 3m/s² × 2s = 16m/s。
所以,物体在2s后的速度为16m/s。
2. 机械基础第7章习题2:题目:一个质量为5kg的物体以初速度为2m/s的速度沿着斜坡下滑,斜坡的角度为30°,斜坡上有一个与物体相反方向的摩擦力,摩擦力的大小为4N,求物体在滑行过程中的加速度。
解答:首先,将斜坡的角度转换为弧度制:30° × π/180 = π/6 rad。
根据物体在斜坡上的受力分析,可以得到物体在斜坡上的重力分力和摩擦力的合力方向与物体的加速度方向相反。
物体在斜坡上的重力分力为:mg × sin(π/6) = 5kg × 9.8m/s² × sin(π/6) ≈24.5N。
所以,物体在滑行过程中的合力为:24.5N - 4N = 20.5N。
根据牛顿第二定律,物体的加速度等于物体所受合力的大小与物体质量的比值。
所以,物体的加速度为20.5N/5kg = 4.1m/s²。
机械制造基础第七章答案
第7章练习题答案
1. 单项选择
1-1 答案:②多品种、中小批量
1-2 答案:③ 80年代末
1-3 答案:②现代高技术
1-4 答案:③ 0.1~0.01μm
1-5 答案:④金刚石
1-6 答案:④突出
1-7 答案:③制作集成电路
1-8 答案:④脉冲电源
1-9 答案:④复合加工
1-10 答案:②与焦点位置一致
1-11 答案:③在真空条件下进行
1-12 答案:①增大振动幅值
2. 多项选择
2-1 答案:①时间(T)②质量(Q)③成本(C)
2-2 答案:①质量优②效率高④消耗低2-3 答案:②数控机床(加工中心)③自动物流系统④算机控制系统
2-4 答案:①主体技术群③支撑技术群④制造技术基础设施
2-5 答案:①产品、工艺过程和工厂设计②快速原形制造③并行工程
2-6 答案:③金刚石④ CBN
2-7 答案:①高精度③高灵敏度④高稳定性
2-8 答案:①电火花加工③激光加工
2-9 答案:①电火花成形加工②电火花穿孔加工④电火花线切割
2-10 答案:①能加工任何高硬度、高韧性的导电材料②加工效率高③加工表面质
量好
2-11 答案:①激光打孔②激光切割③激光焊接④激光热处理
2-12 答案:②脆性金属材料④脆性非金属材料
3. 判断题
3-1 答案:∨
3-2 答案:×
3-3 答案:×
3-4 答案:×
3-5 答案:∨
3-6 答案:∨
3-7 答案:×
3-8 答案:∨
3-9 答案:∨
3-10 答案:×
3-11 答案:∨
3-12 答案:×
硬度和刚度均没有严格要求。
3)由于没有明显的切削力作用,一般不会产生加工硬化现象。
又由于工件加工部
位变形小,发热少,或发热仅局限于工
件表层加工部位很小的区域内,工件热
变形小,由加工产生的应力也小,易于
获得好的加工质量。
4)加工中能量易于转换和控制,有利于保证加工精度和提高加工效率。
5)非传统加工方法的材料去除速度,一般低于常规加工方法。