可控硅的测量.doc
- 格式:doc
- 大小:70.50 KB
- 文档页数:5
单向可控硅与双向可控硅结构电原理图及测试方法可控硅的检测1.单向可控硅的检测万用表选用电阻R×1档,用红黑两表笔分别测任意两引脚间正反向电阻直至找出读数为数十欧姆的一对引脚,此时黑笔接的引脚为控制极G,红笔接的引脚为阴极K,另一空脚为阳极A。
此时将黑表笔接已判断了的阳极A,红表笔仍接阴极K。
此时万用表指针应不动。
用短接线瞬间短接阳极A和控制极G,此时万用表指针应向右偏转,阻值读数为10欧姆左右。
如阳极A接黑表笔,阴极K接红表笔时,万用表指针发生偏转,说明该单向可控硅已击穿损坏。
2.双向可控硅的检测用万用表电阻R×1档,用红黑两表笔分别测任意两引脚正反向电阻,结果其中两组读数为无穷大。
若一组为数十欧姆时,该组红黑表笔所接的两引脚为第一阳极A1和控制极G,另一空脚即为第二阳极A2。
确定A、G极后,再仔细测量A1、G极间正反向电阻,读数相对较小的那次测量的黑表笔所接的引脚为第一阳极A1,红表笔所接引脚为控制极G。
将黑表笔接已确定了的第二阳极A2,红表笔接第一阳极A1,此时万用表指针应不发生偏转,阻值为无穷大。
再用短接线将A2、G极瞬间短接,给G极加上正向触发电压,A2、A1间阻值约为10欧姆左右。
随后断开A2、G极短接线,万用表读数应保持10欧姆左右。
互换红黑表笔接线,红表笔接第二阳极A2,黑表笔接第一阳极A1。
同样万用表指针应不发生偏转,阻值为无穷大。
用短接线将A2、G极间再次瞬间短接,给G极加上负向的触发电压,A1、A2间阻值也是10欧姆左右。
随后断开A2、G极间短接线,万用表读数应不变,保持10欧姆左右。
符合以上规律,说明被测双向可控硅管未损坏且三个引脚极性判断正确。
检测较大功率可控硅管是地,需要在万用表黑笔中串接一节1.5V干电池,以提高触发电压。
双向可控硅(TRIAC)在控制交流电源控制领域的运用非常广泛,如我们的日光灯调光电路、交流电机转速控制电路等都主要是利用双向可控硅可以双向触发导通的特点来控制交流供电电源的导通相位角,从而达到控制供电电流的大小[1]。
如何用万用表测试单向可控硅2008-05-10 02:45可控硅又叫晶体闸流管,在强电和弱电领域都有极为广泛的应用。
其中在弱电领域中应用的可控硅功率比较小,外形像三极管,是电子爱好者常遇到的元件之一。
正确测试可控硅是电子爱好者必须具备的基本技能。
如何来测试可控硅呢?由于万用表是电子爱好者必配工具,这里介绍如何用万用表来测试单向可控硅。
单向可控硅的测试包括两个方面:一是极性的判定;二是触发特性的测试。
一、可控硅极性的判定单向可控硅是由三个PN结的半导体材料构成,其基本结构、符号及等效电路如图1所示。
可控硅有三个电极:阳极(A)、阴极(K)和控制极(G)。
从等效电路上看,阳极(A)与控制极(G)之间是两个反极性串联的PN结,控制极(G)与阴极(K)之间是一个PN结。
根据PN结的单向导电特性,将指针式万用表选择适当的电阻档,测试极间正反向电阻(相同两极,将表笔交换测出的两个电阻值),对于正常的可控硅,G、K之间的正反向电阻相差很大;G、K分别与A之间的正反向电阻相差很小,其阻值都很大。
这种测试结果是唯一的,根据这种唯一性就可判定出可控硅的极性。
用万用表R×1K档测量可控硅极间的正反向电阻,选出正反向电阻相差很大的两个极,其中在所测阻值较小的那次测量中,黑表笔所接为控制极(G),红表笔所接的为阴极(K),剩下的一极就为阳极(A)。
通过判定可控硅的极性同时也可定性判定出可控硅的好坏。
如果在测试中任何两极间的正反向电阻都相差很小,其阻值都很大,说明G、K之间存在开路故障;如果有两极间的正反向电阻都很小,并且趋近于零,则可控硅内部存在极间短路故障。
二、单向可控硅触发特性测试单向可控硅与二极管的相同之处在于都具有单向导电性,不同之处是可控硅的导通还要受控制极电压控制。
也就是说使可控硅导通必须具备两个条件:阳极(A)与阴极(K)之间应加正向电压,控制极(G)与阴极(K)之间也应加正向电压。
当可控硅导通以后,控制极就失去作用。
可控硅的测量方法
可控硅(也称为晶闸管)是一种常见的电子器件,广泛应用于电力电子控制和调节领域。
为了确保可控硅的正常工作,需要准确测量其关键参数。
下面将介绍几种可控硅的测量方法。
1. 电流测量:可控硅的最重要参数之一是最大额定电流。
为了测量可控硅的电流,可以使用电流表或电流传感器。
通过将电流表或电流传感器与可控硅并联,可以直接测量通过可控硅的电流。
2. 电压测量:另一个重要参数是最大额定电压。
为了测量可控硅的电压,可以使用电压表或电压传感器。
通过将电压表或电压传感器与可控硅串联,可以直接测量可控硅的电压。
3. 触发电流测量:可控硅的触发电流是指使其从关断状态转换为导通状态所需的最小电流。
为了测量可控硅的触发电流,可以使用特定的触发电流测量电路。
该电路通过向可控硅施加一个小电流,并测量通过可控硅的电流来确定触发电流的大小。
4. 触发电压测量:可控硅的触发电压是指使其从关断状态转换为导通状态所需的最小电压。
为了测量可控硅的触发电压,可以使用触发电压测量电路。
该电路通过向可控硅施加一个小电流,并测量通过可控硅的电压来确定触发电压的大小。
5. 温度测量:可控硅在工作过程中会产生一定的发热量,因此温度测量是必要的。
可以使用温度传感器来测量可控硅的温度。
将温度传感器与可控硅连接,并通过读取传感器输出来确定可控硅的温度。
上述方法是常用的可控硅测量方法,可以帮助工程师评估可控硅的性能和健康状态。
通过准确测量可控硅的参数,可以确保其在电力电子应用中的可靠性和稳定性。
可控硅的测量方法可控硅(SCR)国际通用名称为Thyyistoy,中文简称晶闸管。
它能在高电压、大电流条件下工作,具有耐压高、容量大、体积小等优点,它是大功率开关型半导体器件,广泛应用在电力、电子线路中。
可控硅分单向可控硅、双向可控硅。
单向可控硅有阳极A、阴极K、控制极G三个引出脚。
双向可控硅有第一阳极A1(T1),第二阳极A2(T2)、控制极G三个引出脚。
只有当单向可控硅阳极A与阴极K之间加有正向电压,同时控制极G与阴极间加上所需的正向触发电压时,方可被触发导通。
此时A、K间呈低阻导通状态,阳极A与阴极K间压降约1V。
单向可控硅导通后,控制器G即使失去触发电压,只要阳极A和阴极K之间仍保持正向电压,单向可控硅继续处于低阻导通状态。
只有把阳极A电压拆除或阳极A、阴极K间电压极性发生改变(交流过零)时,单向可控硅才由低阻导通状态转换为高阻截止状态。
单向可控硅一旦截止,即使阳极A和阴极K间又重新加上正向电压,仍需在控制极G和阴极K间有重新加上正向触发电压方可导通。
单向可控硅的导通与截止状态相当于开关的闭合与断开状态,用它可制成无触点开关。
双向可控硅第一阳极A1与第二阳极A2间,无论所加电压极性是正向还是反向,只要控制极G和第一阳极A1间加有正负极性不同的触发电压,就可触发导通呈低阻状态。
此时A1、A2间压降也约为1V。
双向可控硅一旦导通,即使失去触发电压,也能继续保持导通状态。
只有当第一阳极A1、第二阳极A2电流减小,小于维持电流或A1、A2间当电压极性改变且没有触发电压时,双向可控硅才截断,此时只有重新加触发电压方可导通。
晶闸管管脚的判别可用下述方法:先用万用表R*1K挡测量三脚之间的阻值,阻值小的两脚分别为控制极和阴极,所剩的一脚为阳极。
再将万用表置于R*10K挡,用手指捏住阳极和另一脚,且不让两脚接触,黑表笔接阳极,红表笔接剩下的一脚,如表针向右摆动,说明红表笔所接为阴极,不摆动则为控制极。
三、单向可控硅的检测万用表选电阻R*1Ω挡,用红、黑两表笔分别测任意两引脚间正反向电阻直至找出读数为数十欧姆的一对引脚,此时黑表笔的引脚为控制极G,红表笔的引脚为阴极K,另一空脚为阳极A。
可控硅好坏如何测量 Pleasure Group Office【T985AB-B866SYT-B182C-BS682T-STT18】一、可控硅的特性可控硅分单向可控硅、双向可控硅。
单向可控硅有阳极A、阴极K、控制极G三个引出脚。
双向可控硅有第一阳极A1(T1),第二阳极A2(T2)、控制极G三个引出脚。
只有当单向可控硅阳极A与阴极K之间加有正向电压,同时控制极G与阴极间加上所需的正向触发电压时,方可被触发导通。
此时A、K间呈低阻导通状态,阳极 A与阴极K间压降约1V。
单向可控硅导通后,控制器G即使失去触发电压,只要阳极A和阴极K之间仍保持正向电压,单向可控硅继续处于低阻导通状态。
只有把阳极A电压拆除或阳极A、阴极K间电压极性发生改变(交流过零)时,单向可控硅才由低阻导通状态转换为高阻截止状态。
单向可控硅一旦截止,即使阳极A和阴极K间又重新加上正向电压,仍需在控制极G 和阴极K间有重新加上正向触发电压方可导通。
单向可控硅的导通与截止状态相当于开关的闭合与断开状态,用它可制成无触点开关。
双向可控硅第一阳极A1与第二阳极A2间,无论所加电压极性是正向还是反向,只要控制极G和第一阳极 A1间加有正负极性不同的触发电压,就可触发导通呈低阻状态。
此时A1、A2间压降也约为1V。
双向可控硅一旦导通,即使失去触发电压,也能继续保持导通状态。
只有当第一阳极A1、第二阳极A2电流减小,小于维持电流或A1、A2间当电压极性改变且没有触发电压时,双向可控硅才截断,此时只有重新加触发电压方可导通。
二、可控硅的管脚判别晶闸管管脚的判别可用下述方法:先用万用表R*1K挡测量三脚之间的阻值,阻值小的两脚分别为控制极和阴极,所剩的一脚为阳极。
再将万用表置于R*10K挡,用手指捏住阳极和另一脚,且不让两脚接触,黑表笔接阳极,红表笔接剩下的一脚,如表针向右摆动,说明红表笔所接为阴极,不摆动则为控制极。
三、单向可控硅的检测万用表选电阻R*1Ω挡,用红、黑两表笔分别测任意两引脚间正反向电阻直至找出读数为数十欧姆的一对引脚,此时黑表笔的引脚为控制极G,红表笔的引脚为阴极K,另一空脚为阳极A。
可控硅万用表测量方法
一。
可控硅这玩意儿,在电路里可重要啦!要想搞清楚它好不好使,万用表就派上大用场了。
1.1 先来说说测量阳极和阴极之间的正反向电阻。
这一步就像给可控硅来个“全身检查”。
把万用表调到电阻档,红表笔接阳极,黑表笔接阴极。
正常情况下,正向电阻应该比较小,反向电阻那得是大大的。
要是正反电阻都很小或者都很大,那这可控硅多半是有问题咯。
1.2 接下来测控制极和阴极之间的电阻。
还是电阻档,这时候红表笔接控制极,黑表笔接阴极。
一般来说,电阻值应该在几十到几百欧姆之间。
要是电阻值特别小或者特别大,那可能就有毛病啦。
二。
测量完电阻,咱们再看看怎么测导通情况。
2.1 把万用表打到导通档,先短接一下表笔,让表归零。
然后红表笔接阳极,黑表笔接阴极,这时候可控硅应该是不通的。
2.2 接下来,用一根导线把阳极和控制极短接一下。
这时候如果万用表响了,那就说明可控硅导通啦,是好的。
2.3 还有一招,就是给可控硅加上正向电压,然后用万用表测量电压。
如果电压正常,那可控硅也没啥问题。
三。
最后再啰嗦几句。
3.1 测量的时候,手可别抖,要稳稳地拿着表笔,不然测出来的数据可不准。
3.2 要是对测量结果拿不准,多测几次,千万别嫌麻烦。
测量可控硅得细心、耐心,这样才能把问题找出来,让电路顺顺利利地工作。
记住这些方法,以后碰到可控硅的测量,就不会抓瞎啦!。
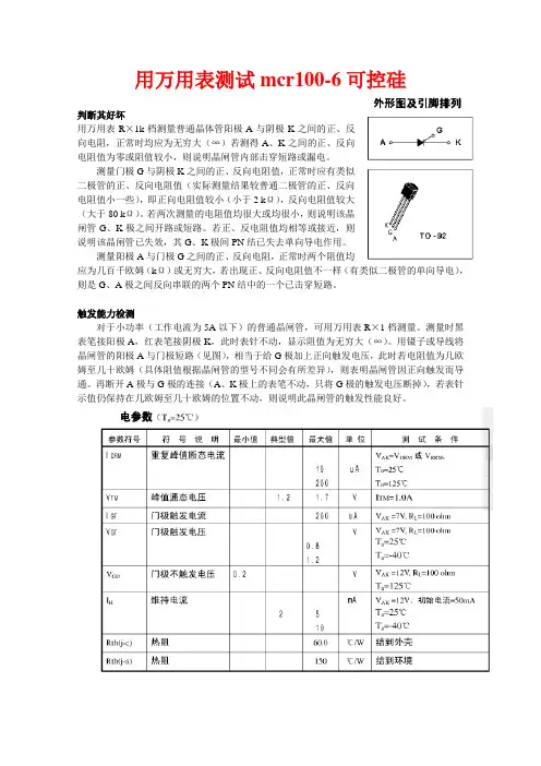
用万用表测试mcr100-6可控硅
判断其好坏
用万用表R×1k档测量普通晶体管阳极A与阴极K之间的正、反
向电阻,正常时均应为无穷大(∞)若测得A、K之间的正、反向
电阻值为零或阻值较小,则说明晶闸管内部击穿短路或漏电。
测量门极G与阴极K之间的正、反向电阻值,正常时应有类似
二极管的正、反向电阻值(实际测量结果较普通二极管的正、反向
电阻值小一些),即正向电阻值较小(小于2 kΩ),反向电阻值较大
(大于80 kΩ)。
若两次测量的电阻值均很大或均很小,则说明该晶
闸管G、K极之间开路或短路。
若正、反电阻值均相等或接近,则
说明该晶闸管已失效,其G、K极间PN结已失去单向导电作用。
测量阳极A与门极G之间的正、反向电阻,正常时两个阻值均
应为几百千欧姆(kΩ)或无穷大,若出现正、反向电阻值不一样(有类似二极管的单向导电),则是G、A极之间反向串联的两个PN结中的一个已击穿短路。
触发能力检测
对于小功率(工作电流为5A以下)的普通晶闸管,可用万用表R×1档测量。
测量时黑表笔接阳极A,红表笔接阴极K,此时表针不动,显示阻值为无穷大(∞)。
用镊子或导线将晶闸管的阳极A与门极短路(见图),相当于给G极加上正向触发电压,此时若电阻值为几欧姆至几十欧姆(具体阻值根据晶闸管的型号不同会有所差异),则表明晶闸管因正向触发而导通。
再断开A极与G极的连接(A、K极上的表笔不动,只将G极的触发电压断掉),若表针示值仍保持在几欧姆至几十欧姆的位置不动,则说明此晶闸管的触发性能良好。
可控硅BTA12600B的好坏测量怎么测??
可控硅检测法
用万用表即可判断双向可控硅的
好坏,但具体参数测不出来。
用
万用表测量的方法如下.
T2极的确定:用万用表R*1档或
R*100档,分别测量各管脚的反
向电阻,其中若测得两管脚的正
反向电阻都很小(约100欧姆左
右),即为T1和G极,而剩下
的一脚为T2极。
T1和G极的区分:将这两极其中任意一极假设为T1极而另一极假设为G极,万用表设置为R*1档,用两表笔(不分正负极)分别接触已确定的T2极和假设的T1极,并将接触T1的表笔同时接触假设的G极,在保证不断开假设的T1极的情况下,断开假设的G极,万用表仍显示导通状态.将表笔对换,用同样的方法进行测量,如果万用表仍然显示同样的结果,那么所假设的T1极和G极是正确的.如果在保证不断开假设的T1极的情况下,断开假设的G极,万用表显示断开状态,说明假设的T1和G极相反了,从新假设再进行测量,结果一定
正确。
如果测量不出上述结果,说明该双向可控硅是坏的。
这种方法虽然不能测出具体参数,但判断是否可用还是可行的。
单/双向可控硅的检测方法用万用表即可判断双向可控硅的好坏,但具体参数测不出来。
用万用表测量的方法如下。
T2极的确定:用万用表R*1档或R*100档,分别测量各管脚的反向电阻,其中若测得两管脚的正反向电阻都很小(约100欧姆左右),即为T1和G极,而剩下的一脚为T2极。
T1和G极的区分:将这两极其中任意一极假设为T1极而另一极假设为G极,万用表设置为R*1档,用两表笔(不分正负极)分别接触已确定的T2极和假设的T1极,并将接触T1的表笔同时接触假设的G极,在保证不断开假设的T1极的情况下,断开假设的G极,万用表仍显示导通状态。
将表笔对换,用同样的方法进行测量,如果万用表仍然显示同样的结果,那么所假设的T1极和G极是正确的。
如果在保证不断开假设的T1极的情况下,断开假设的G极,万用表显示断开状态,说明假设的T1和G极相反了,从新假设再进行测量,结果一定正确。
如果测量不出上述结果,说明该双向可控硅是坏的。
这种方法虽然不能测出具体参数,但判断是否可用还是可行的。
1.硅分单向可控硅、双向可控硅。
单向可控硅有阳极A、阴极K、控制极G三个引出脚。
双向可控硅有第一阳极A1(T1),第二阳极A 2(T2)、控制极G三个引出脚。
只有当单向可控硅阳极A与阴极K之间加有正向电压,同时控制极G与阴极K间加上所需的正向触发电压时,方可被触发导通。
此时A、K间呈低阻导通状态,阳极A与阴极K间压降约1V。
单向可控硅导通后,控制器G即使失去触发电压,只要阳极A和阴极K之间仍保持正向电压,单向可控硅继续处于低阻导通状态。
只有把阳极A电压拆除或阳极A、阴极K间电压极性发生改变(交流过零)时,单向可控硅才由低阻导通状态转换为高阻截止状态。
单向可控硅一旦截止,即使阳极A和阴极K间又重新加上正向电压,仍需在控制极G和阴极K间有重新加上正向触发电压方可导通。
单向可控硅的导通与截止状态相当于开关的闭合与断开状态,用它可制成无触点开关。
双向可控硅第一阳极A1与第二阳极A2间,无论所加电压极性是正向还是反向,只要控制极G和第一阳极A1间加有正负极性不同的触发电压,就可触发导通呈低阻状态。
可控硅测量方法一、可控硅的基本概念及工作原理可控硅(SCR)是一种半导体器件,也称为晶闸管。
它由四个PN结组成,具有三个电极:阳极、阴极和门极。
在正向偏置下,只有一个PN 结被击穿,形成通道;而在反向偏置下,所有PN结都被截止。
当给门极施加一个正脉冲信号时,通道就会打开,在阳极和阴极之间形成一个电流通路。
二、可控硅测量方法1. 静态特性测量静态特性是指在固定的电压和温度条件下,测量SCR的电流-电压关系曲线。
这种测试需要使用直流电源和数字万用表等仪器。
首先将SCR 放入测试夹具中,并连接到直流电源上。
然后逐步增加阳极到阴极的电压,并记录相应的电流值。
最后将数据绘制成I-V曲线图。
2. 动态特性测量动态特性是指在变化的负载条件下,测量SCR的响应速度和稳定性。
这种测试需要使用脉冲发生器和示波器等仪器。
首先将SCR放入测试夹具中,并连接到脉冲发生器和示波器上。
然后在脉冲发生器中设置一个正脉冲信号,测量SCR的响应时间和保持电流。
最后将数据绘制成响应时间和保持电流的曲线图。
3. 热特性测量热特性是指在不同温度条件下,测量SCR的电流-电压关系曲线。
这种测试需要使用恒流源和数字万用表等仪器。
首先将SCR放入测试夹具中,并连接到恒流源和数字万用表上。
然后逐步增加阳极到阴极的电压,并记录相应的电流值。
最后将数据绘制成I-V曲线图。
4. 参数测量参数测量是指在实际应用中,测量SCR的关键参数,如触发电压、保持电流、耐压能力等。
这种测试需要使用特定的测试仪器和设备,例如触发电路测试仪、保持电流测试仪、耐压试验仪等。
三、可控硅测量方法注意事项1. 测试环境要求:可控硅测试需要在恒定的温度和湿度条件下进行,以确保测试结果准确可靠。
2. 测试前准备:在进行任何类型的可控硅测量之前,必须先检查测试设备和测试夹具是否正常工作,并确保测试仪器的精度和准确性。
3. 测试过程中的注意事项:在进行可控硅测量时,应特别注意防止静电干扰和过电流等问题。
可控硅的检测方法可控硅(SCR)的检测方法可以根据不同的应用场景和目标参数进行选择和设计。
下面我将介绍几种常见的可控硅检测方法。
1. 直流参数检测:可控硅通常应用于直流应用中,因此直流参数的检测是一种常见的方法。
直流参数检测主要包括静态特性和动态特性两方面。
静态特性检测主要包括元件的电压电流特性和阻抗特性。
可以通过连接合适的电压源和电流源,分别测量可控硅的电压和电流特性,并根据测量结果绘制出特性曲线。
阻抗特性可以通过测量电压和电流的相位差来得到。
动态特性检测主要包括可控硅的关断时间和导通时间等参数的测量。
可以通过输入一个方波信号来观察可控硅的导通和关断的时间,从而得到可控硅的动态特性。
2. 交流参数检测:有些应用场景下,可控硅用于控制交流电路中的功率。
这时候可以采用交流参数检测的方法来测试可控硅的性能。
交流参数检测主要包括可控硅的整流效率、导通角和关断角等参数的测量。
可以采用有源功率因数表等仪器,通过测量可控硅工作时的功率和电流,计算得到可控硅的整流效率。
导通角和关断角可以通过在可控硅上施加一个交流电压,然后测量可控硅导通和关断的时间来获得。
3. 温度检测:可控硅通常工作在高功率环境下,因此温度的检测非常重要。
过高的温度可能导致可控硅的性能下降或损坏。
温度检测可以采用非接触式温度传感器或接触式温度传感器。
非接触式温度传感器可以通过红外线或激光等方式测量可控硅的表面温度。
接触式温度传感器可以通过与可控硅直接接触来测量温度。
4. 故障检测:可控硅的故障检测主要包括断线、短路和漏电等问题的检测。
断线和短路的检测可以通过测量可控硅的电阻来得到。
电阻值过大或过小都可能意味着有问题。
漏电的检测可以通过测量输入和输出之间的电压差来得到。
如果有电压差存在,则说明可能存在漏电问题。
总结起来,可控硅的检测方法主要包括直流参数检测、交流参数检测、温度检测和故障检测等。
根据不同的应用场景和目标参数,可以选择适合的检测方法来评估可控硅的性能和可靠性。
97a6可控硅测量方法摘要:一、可控硅概述二、可控硅测量方法1.静态参数测量2.动态特性测量3.温度特性测量4.故障诊断与保护三、测量注意事项四、应用案例解析正文:一、可控硅概述可控硅(Silicon Controlled Rectifier,简称SCR)是一种四层三端的半导体器件,具有电压控制的开关特性。
它主要用于交流电路中的整流、交直流转换、逆变等,是电力电子设备的核心元件。
可控硅的开通需要在一定的电压条件下,这个电压称为触发电压。
可控硅的开通和关断是通过控制触发电路的延时来实现的。
二、可控硅测量方法1.静态参数测量静态参数测量主要包括可控硅的额定电压、额定电流、通态电阻、漏电流等。
测量方法如下:a.接通电路,使可控硅工作在静态状态下;b.使用万用表或示波器测量相关参数。
2.动态特性测量动态特性测量主要包括可控硅的开通、关断时间,以及电压、电流之间的相位差。
测量方法如下:a.接通电路,使可控硅工作在动态状态下;b.使用示波器、信号发生器等仪器测量相关参数。
3.温度特性测量温度特性测量主要是检测可控硅在不同温度下的性能变化。
测量方法如下:a.将可控硅放置在不同的温度环境中;b.使用万用表或示波器测量相关参数;c.分析数据,得出温度与性能之间的关系。
4.故障诊断与保护a.观察可控硅表面是否有损伤、变色等现象;b.检测可控硅的静态和动态参数,判断是否存在异常;c.如有异常,采取相应的保护措施,如降额使用、更换可控硅等。
三、测量注意事项1.在测量过程中,确保可控硅工作在正常状态下;2.测量仪器应具有良好的准确度和稳定性;3.注意测量环境的温度、湿度等因素,以免影响测量结果;4.测量结束后,对可控硅进行绝缘处理,防止意外损坏。
四、应用案例解析本文暂不详细介绍应用案例,后续将针对具体应用场景,如电源系统、电机控制等领域,进行分析与解析。
总结:可控硅测量方法涵盖了静态参数、动态特性、温度特性和故障诊断等方面。
单向可控硅与双向可控硅结构电原理图及测试方法可控硅的检测1.单向可控硅的检测万用表选用电阻R×1档,用红黑两表笔分别测任意两引脚间正反向电阻直至找出读数为数十欧姆的一对引脚,此时黑笔接的引脚为控制极G,红笔接的引脚为阴极K,另一空脚为阳极A。
此时将黑表笔接已判断了的阳极A,红表笔仍接阴极K。
此时万用表指针应不动。
用短接线瞬间短接阳极A和控制极G,此时万用表指针应向右偏转,阻值读数为10欧姆左右。
如阳极A接黑表笔,阴极K接红表笔时,万用表指针发生偏转,说明该单向可控硅已击穿损坏。
2.双向可控硅的检测用万用表电阻R×1档,用红黑两表笔分别测任意两引脚正反向电阻,结果其中两组读数为无穷大。
若一组为数十欧姆时,该组红黑表笔所接的两引脚为第一阳极A1和控制极G,另一空脚即为第二阳极A2。
确定A、G极后,再仔细测量A1、G极间正反向电阻,读数相对较小的那次测量的黑表笔所接的引脚为第一阳极A1,红表笔所接引脚为控制极G。
将黑表笔接已确定了的第二阳极A2,红表笔接第一阳极A1,此时万用表指针应不发生偏转,阻值为无穷大。
再用短接线将A2、G极瞬间短接,给G极加上正向触发电压,A2、A1间阻值约为10欧姆左右。
随后断开A2、G极短接线,万用表读数应保持10欧姆左右。
互换红黑表笔接线,红表笔接第二阳极A2,黑表笔接第一阳极A1。
同样万用表指针应不发生偏转,阻值为无穷大。
用短接线将A2、G极间再次瞬间短接,给G极加上负向的触发电压,A1、A2间阻值也是10欧姆左右。
随后断开A2、G极间短接线,万用表读数应不变,保持10欧姆左右。
符合以上规律,说明被测双向可控硅管未损坏且三个引脚极性判断正确。
检测较大功率可控硅管是地,需要在万用表黑笔中串接一节1.5V干电池,以提高触发电压。
双向可控硅(TRIAC)在控制交流电源控制领域的运用非常广泛,如我们的日光灯调光电路、交流电机转速控制电路等都主要是利用双向可控硅可以双向触发导通的特点来控制交流供电电源的导通相位角,从而达到控制供电电流的大小[1]。
单向可控硅的测试可控硅的意思:可控的硅整流器,其整流输出电压是受控的,常与移相或过零触发电路配合,应用于交、直流调压电路。
可控硅是在晶体管基础上发展起来的一种集成式半导体器件。
单向可控硅的等效原理及测量电路见下图1:AKGP N P NKGGKGA图1 可控硅器件等效及测量电路单向可控硅为具有三个PN 结的四层结构,由最外层的P 层、N 层引出两个电极——阳极A 和阴极K ,由中间的P 层引出控制极G 。
电路符号好像为一只二极管,但好多一个引出电极——控制极或触发极G 。
SCR 或MCR 为英文缩写名称。
从控制原理上可等效为一只PNP 三极管与一只NPN 三极管的连接电路,两管的基极电流和集电极电流互为通路,具有强烈的正反反馈作用。
一旦从G 、K 回路输入NPN 管子的基极电流,由于正反馈作用,两管将迅即进入饱合导通状态。
可控硅导通之后,它的导通状态完全依靠管子本身的正反馈作用来维持,即使控制电流(电压)消失,可控硅仍处于导通状态。
控制信号U GK 的作用仅仅是触发可控硅使其导通,导通之后,控制信号便失去控制作用。
单向可控硅的导通需要两个条件: 1)、A 、K 之间加正向电压;2)、G 、K 之间输入一个正向触发电流信号,无论是直流或脉冲信号。
若欲使可控硅关断,也有两个关断条件: 1)、使正向导通电流值小于其工作维持电流值; 2)、使A 、K 之间电压反向。
可见,可控硅器件若用于直流电路,一旦为触发信号开通,并保持一定幅度的流通电流的话,则可控硅会一直保持开通状态。
除非将电源开断一次,才能使其关断。
若用于交流电路,则在其承受正向电压期间,若接受一个触发信号,则一直保持导通,直到电压过零点到来,因无流通电流而自行关断。
在承受反向电压期间,即使送入触发信号,可控硅也因A 、K 间电压反向,而保持于截止状态。
可控硅器件因工艺上的离散性,其触发电压、触发电流值与导通压降,很难有统一的标准。
可控硅器件控制本质上如同三极管一样,为电流控制器件。
单/双向可控硅的检测方法用万用表即可判断双向可控硅的好坏,但具体参数测不出来。
用万用表测量的方法如下。
T2极的确定:用万用表R*1档或R*100档,分别测量各管脚的反向电阻,其中若测得两管脚的正反向电阻都很小(约100欧姆左右),即为T1和G极,而剩下的一脚为T2极。
T1和G极的区分:将这两极其中任意一极假设为T1极而另一极假设为G极,万用表设置为R*1档,用两表笔(不分正负极)分别接触已确定的T2极和假设的T1极,并将接触T1的表笔同时接触假设的G极,在保证不断开假设的T1极的情况下,断开假设的G极,万用表仍显示导通状态。
将表笔对换,用同样的方法进行测量,如果万用表仍然显示同样的结果,那么所假设的T1极和G极是正确的。
如果在保证不断开假设的T1极的情况下,断开假设的G极,万用表显示断开状态,说明假设的T1和G极相反了,从新假设再进行测量,结果一定正确。
如果测量不出上述结果,说明该双向可控硅是坏的。
这种方法虽然不能测出具体参数,但判断是否可用还是可行的。
1.硅分单向可控硅、双向可控硅。
单向可控硅有阳极A、阴极K、控制极G三个引出脚。
双向可控硅有第一阳极A1(T1),第二阳极A2 (T2)、控制极G三个引出脚。
只有当单向可控硅阳极A与阴极K之间加有正向电压,同时控制极G与阴极间加上所需的正向触发电压时,方可被触发导通。
此时A、K间呈低阻导通状态,阳极A与阴极K间压降约1V。
单向可控硅导通后,控制器G即使失去触发电压,只要阳极A和阴极K之间仍保持正向电压,单向可控硅继续处于低阻导通状态。
只有把阳极A电压拆除或阳极A、阴极K间电压极性发生改变(交流过零)时,单向可控硅才由低阻导通状态转换为高阻截止状态。
单向可控硅一旦截止,即使阳极A和阴极K 间又重新加上正向电压,仍需在控制极G和阴极K间有重新加上正向触发电压方可导通。
单向可控硅的导通与截止状态相当于开关的闭合与断开状态,用它可制成无触点开关。
双向可控硅第一阳极A1与第二阳极A2间,无论所加电压极性是正向还是反向,只要控制极G和第一阳极A1间加有正负极性不同的触发电压,就可触发导通呈低阻状态。
可控硅的测量方法一、概述一种以硅单晶为基本材料的P1N1P2N2四层三端器件,创制于1957年,由于它特性类似于真空闸流管,所以国际上通称为硅晶体闸流管,简称晶闸管T。
又由于晶闸管最初应用于可控整流方面所以又称为硅可控整流元件,简称为可控硅SCR。
在性能上,可控硅不仅具有单向导电性,而且还具有比硅整流元件(谷称“死硅”)更为可贵的可控性。
它只有导通和关断两种状态。
可控硅能以毫安级电流控制大功率的机电设备,如果超过此频率,因元件开关损髦显著增加,允许通过的平均电流相降低,此时,标称电流应降级使用。
可控硅的优点很多,例如:以小功率控制大功率,功率放大倍数高达几十万倍;反应极快,在微秒级内开通、关断;无触点运行,无火花、无噪音;效率高,成本低等等。
可控硅的弱点:静态及动态的过载能力较差;容易受干扰而误导通。
可控硅从外形上分类主要有:螺栓形、平板形和平底形。
二、可控硅元件的结构和型号1、结构不管可控硅的外形如何,它们的管芯都是由P型硅和N型硅组成的四层P1N1P2N2结构。
见图1。
它有三个PN结(J1、J2、J3),从J1结构的P1层引出阳极A,从N2层引出阴级K,从P2层引出控制极G,所以它是一种四层三端的半导体器件图1、可控硅结构示意图和符号图2、型号目前国产可控硅的型号有部颁新、旧标准两种,新型号将逐步取代旧型号。
表一 KP型可控硅新旧标准主要特性参数对照表KP型可控硅的电流电压级别见表二表二、KP型可控硅电流电压级别示例:(1)KP5-10表示通态平均电流5安,正向重复峰值电压1000伏的普通反向阻断型可控硅元件。
(2)KP500-12D表示通态平均电流500安,正、反向重复峰值电压1200伏,通态平均电压0.7伏的业通反向阻断型可控硅元件。
(3)3CT5/600表示通态平均电流5安,正、反向重复峰值电压600伏的旧型号普通可控硅元件。
三、可控硅元件的工作原理及基本特性1、工作原理可控硅是P1N1P2N2四层三端结构元件,共有三个PN结,分析原理时,可以把它看作由一个PNP管和一个NPN管所组成,其等效图解如图2所示图2、可控硅等效图解图当阳极A加上正向电压时,BG1和BG2管均处于放大状态。
一、概述
一种以硅单晶为基本材料的P1N1P2N2四层三端器件,创制于1957年,由于它特性类似于真空闸流管,所以国际上通称为硅晶体闸流管,简称晶闸管T。
又由于晶闸管最初应用于可控整流方面所以又称为硅可控整流元件,简称为可控硅SCR。
在性能上,可控硅不仅具有单向导电性,而且还具有比硅整流元件(谷称“死硅”)更为可贵的可控性。
它只有导通和关断两种状态。
可控硅能以毫安级电流控制大功率的机电设备,如果超过此频率,因元件开关损髦显著增加,允许通过的平均电流相降低,此时,标称电流应降级使用。
可控硅的优点很多,例如:以小功率控制大功率,功率放大倍数高达几十万倍;反应极快,在微秒级内开通、关断;无触点运行,无火花、无噪音;效率高,成本低等等。
可控硅的弱点:静态及动态的过载能力较差;容易受干扰而误导通。
可控硅从外形上分类主要有:螺栓形、平板形和平底形。
二、可控硅元件的结构和型号
1、结构
不管可控硅的外形如何,它们的管芯都是由P型硅和N型硅组成的四层
P1N1P2N2结构。
见图1。
它有三个PN结(J1、J2、J3),从J1结构的P1层引出阳极A,从N2层引出阴级K,从P2层引出控制极G,所以它是一种四层三端的半导体器件
图1、可控硅结构示意图和符号图
2、型号
目前国产可控硅的型号有部颁新、旧标准两种,新型号将逐步取代旧型号。
表一 KP型可控硅新旧标准主要特性参数对照表
参数部颁新标准(JB1144-75)部颁旧标准(JB1144-71)
序号KP型右控硅整流元件3CT系列可控硅整流元件
1额定通态平均电流(IT(AV))额定正向平均值电流(IF)
2断态重复峰值电压(UDRM)正向阻断峰值电压(UPF)
3反向重复峰值电压(URRM)反向峰值电压(VPR)
4断态重复平均电流(IDR(AV))正向平均漏电流(I)
5反向重复平均电流(IRR(AV))反向平均漏电电流(IRL)
6通态平均电压(UT(AV))最大正向平均电压降(VF)
7门极触发电流(IGT)控制极触发电流(Ig)
8门极触发电压(UGT)控制极触发电压(Vg)
9断态电压临界上升率(du/dt)极限正向电压上升率(dV/dt)10维持电流(IH)维持电流(IH)
11额定结温(TjM)额定工作结温(Tj)
KP型可控硅的电流电压级别见表二
表二、KP型可控硅电流电压级别
额定通态平均
电流IT (AV)(A)1,5,10,20,30,50,100,200,300,400,500,600,700,800,100
正反向重复
峰值电压UDRM,URRM
(×100)(V)1~10,12,14,16,18,20,22,24,26,,28,30
通态平均
电压
UT(AV)(V)
A B C D E F G H I
≤0.40.4~
0.5
0.5~
0.6
0.6~
0.7
0.7~
0.8
0.8~
0.9
0.9~
1.0
1.0~
1.1
1.1~
1,2
示例:
(1)KP5-10表示通态平均电流5安,正向重复峰值电压1000伏的普通反向阻断型可控硅元件。
(2)KP500-12D表示通态平均电流500安,正、反向重复峰值电压1200伏,通态平均电压0.7伏的业通反向阻断型可控硅元件。
(3)3CT5/600表示通态平均电流5安,正、反向重复峰值电压600伏的旧型号普通可控硅元件。
三、可控硅元件的工作原理及基本特性
1、工作原理
可控硅是P1N1P2N2四层三端结构元件,共有三个PN结,分析原理时,可以把它看作由一个PNP管和一个NPN管所组成,其等效图解如图2所示
图2、可控硅等效图解图
当阳极A加上正向电压时,BG1和BG2管均处于放大状态。
此时,如果从控制极G输入一个正向触发信号,BG2便有基流ib2流过,经BG2放大,其集电极电流ic2=β2ib2。
因为BG2的集电极直接与BG1的基极相连,所以ib1=ic2。
此时,电流ic2再经BG1放大,于是BG1的集电极电流
ic1=β1ib1=β1β2ib2。
这个电流又流回到BG2的基极,表成正反馈,使ib2不断增大,如此正向馈循环的结果,两个管子的电流剧增,可控硅使饱和导通。
由于BG1和BG2所构成的正反馈作用,所以一旦可控硅导通后,即使控制极G 的电流消失了,可控硅仍然能够维持导通状态,由于触发信号只起触发作用,没有关断功能,所以这种可控硅是不可关断的。
由于可控硅只有导通和关断两种工作状态,所以它具有开关特性,这种特性需要一定的条件才能转化,此条件见表三
表三、可控硅导通和关断条件
状态条件说明
从关断到导通1、阳极电位高于是阴极电位
2、控制极有足够的正向电压和电流
两者缺一不可
维持导通1、阳极电位高于阴极电位
2、阳极电流大于维持电流
两者缺一不可
从导通到关断1、阳极电位低于阴极电位
2、阳极电流小于维持电流
任一条件即可
2、基本伏安特性
可控硅的基本伏安特性见图3
图3、可控硅基本伏安特性
(1)反向特性 当控制极开路,阳极加上反向电压时(见图4),J2结正偏,但J1、J2结反偏。
此时只能流过很小的反向饱和电流,当电压进一步提高到J1结的雪崩击穿电压后,接差J3结也击穿,电流迅速增加,图3的特性开始弯曲,如特性OR 段所示,弯曲处的电压URO 叫“反向转折电压”。
此时,可控硅会发生永久性反向击穿。
(2)正向特性 当控制极开路,阳极上加上正向电压时(见图5),J1、J3结正偏,但J2结反偏,这与普通PN 结的反向特性相似,也只能流过很小电流,这叫正向阻断状态,当电压增加,图3的特性发生了弯曲,如特性OA 段所示,弯曲处的是UBO 叫:正向转折电压
图4、阳极加反向电压
图5、阳极加正向电压 由于电压升高到J2结的雪崩击穿电压后,J2结发生雪崩倍增效应,在结区产生大量的电子和空穴,电子时入N1区,空穴时入P2区。
进入N1区的电子与由P1区通过J1结注入N1区的空穴复合,同样,进入P2区的空穴与由N2区通过J3结注入P2区的电子复合,雪崩击穿,进入N1区的电子与进入P2区的空穴各自不能全部复合掉,这样,在N1区就有电子积累,在P2区就有空穴积累,结果使P2区的电位升高,N1区的电位下降,J2结变成正偏,只要电流稍增加,电压便迅速下降,出现所谓负阻特性,见图3的虚线AB 段。
这时J1、J2、J3三个结均处于正偏,可控硅便进入正向导电状态---通态,此时,它的特性与普通的PN 结正向特性相似,见图3中的BC 段
3、触发导通
在控制极G 上加入正向电压时(见图6)因J3正偏,P2区的空穴时入N2区,N2区的电子进入P2区,形成触发电流IGT 。
在可控硅的内部正反馈作用(见图
2)的基础上,加上IGT 的作用,使可控硅提前导通,导致图3的伏安特性OA 段左移,IGT 越大,特性左移越快。
图6、阳极和控制极均加正向电压
怎样用万用表测量可控硅的各电极
1.单向可控硅的检测
万用表选用电阻R×1档,用红黑两表笔分别测任意两引脚间正反向电阻直至找出读数为数十欧姆的一对引脚,此时黑笔接的引脚为控制极G,红笔接的引脚为阴极K,另一空脚为阳极A。
此时将黑表笔接已判断了的阳极A,红表笔仍接阴极K。
此时万用表指针应不动。
用短接线瞬间短接阳极A和控制极G,此时万用表指针应向右偏转,阻值读数为10欧姆左右。
如阳极A接黑表笔,阴极K接红表笔时,万用表指针发生偏转,说明该单向可控硅已击穿损坏。
2.双向可控硅的检测
用万用表电阻R×1档,用红黑两表笔分别测任意两引脚正反向电阻,结果其中两组读数为无穷大。
若一组为数十欧姆时,该组红黑表笔所接的两引脚为第一阳极A1和控制极G,另一空脚即为第二阳极A2。
确定A、G极后,再仔细测量A1、G极间正反向电阻,读数相对较小的那次测量的黑表笔所接的引脚为第一阳极A1,红表笔所接引脚为控制极G。
将黑表笔接已确定了的第二阳极A2,红表笔接第一阳极A1,此时万用表指针应不发生偏转,阻值为无穷大。
再用短接线将A2、G极瞬间短接,给G极加上正向触发电压,A2、A1间阻值约为10欧姆左右。
随后断开A2、G极短接线,万用表读数应保持10欧姆左右。
互换红黑表笔接线,红表笔接第二阳极A2,黑表笔接第一阳极A1。
同样万用表指针应不发生偏转,阻值为无穷大。
用短接线将A2、G极间再次瞬间短接,给G极加上负向的触发电压,A1、A2间阻值也是10欧姆左右。
随后断开A2、G极间短接线,万用表读数应不变,保持10欧姆左右。
符合以上规律,说明被测双向可控硅管未损坏且三个引脚极性判断正确。
检测较大功率可控硅管,需要在万用表黑笔中串接一节1.5V干电池,以提高触发电压。