植筋工程隐蔽验收记录
- 格式:doc
- 大小:22.00 KB
- 文档页数:2
工程施工中哪些项目要做隐蔽验收记录目录一、地基与基础分部需要做的隐蔽资料二、主体结构分部需要做的隐蔽资料二、主体结构分部需要做的隐蔽资料四、建筑屋面分部需要做的隐蔽资料五、建筑给水、排水及采暖分部需要做的隐蔽资料六、建筑电气分部需要做的隐蔽资料一、地基与基础分部需要做的隐蔽资料1、桩基钻孔桩,人工挖孔桩,钢筋笼就位前,做钢筋笼隐蔽,内容包含数量、规格、型号、主筋间距、长度、钢筋连接情况符合设计要求。
2、混凝土基础混凝土浇筑前,做钢筋隐蔽,内容包括钢筋数量、规格、型号、主筋间距、钢筋连接情况符合设计要求。
3、地下防水铺贴完毕,进入防水层保护层工序前,做防水隐蔽,内容包含卷材防水层及细部做法。
4、钢结构施焊完毕,做钢结构隐蔽,内容包含焊接工艺、焊缝、外观质量;防腐结束,做防腐隐蔽,隐蔽内容包含防腐使用材料、遍数、厚度符合设计要求。
5、土方回填土方回填前,做混凝土隐蔽,内容包含混凝土标号,基底清理、标高情况。
二、主体结构分部需要做的隐蔽资料1、混凝土结构砼浇灌前,做钢筋隐蔽,隐蔽内容包括钢筋数量、型号、规格、连接情况应符合设计要求。
2、砌体结构植筋完成后,做植筋隐蔽,隐蔽内容包括钢筋型号、试验情况、扩孔清洁情况。
3、钢结构施焊完毕,做钢结构隐蔽,内容包含焊接工艺、焊缝、外观质量;防腐结束,做防腐隐蔽,隐蔽内容包含防腐使用材料、遍数、厚度符合设计要求。
三、建筑装饰装修分部需要做的隐蔽资料1、抹灰加强措施布设完毕,隐蔽工序前,做抹灰网格布隐蔽,隐蔽内容包括加强措施布设及与基体搭接宽度。
2、门窗塑钢窗安装完毕,边框封闭前,做门窗隐蔽,隐蔽内容包括安装位置、连接方式、填嵌密封处理应符合设计要求,以及固定片或膨胀螺栓数量、位置。
3、吊顶。
平顶山市工程质量监督站监制工程名称分部工程砌体工程分项工程名称填充墙砌体植筋工程交底内容:2.3 钢筋处理,将锚固范围的尘土清理干净,用锤子进行变形(除去锈蚀层后适当用锤敲成扁状增加钢筋粘结性能)2.4 按照植筋胶说明书要求调制结构胶,专用器具放,配制一次使用完。
2.5 采用专用的打胶工具灌胶,打胶前进行二次清孔,将打胶管放入孔底,旋转退出,胶不少于满孔2/3,剂量多少以植筋时后胶微有溢出为准。
2.6 罐胶完成后迅速植入钢筋,钢筋采用边螺旋边插入的方式至孔底,钢筋的弯头朝向不能错。
构造柱上下错开接茬植筋完成后,不用在搭接(一根钢筋仅一个搭接头),钢筋校正后绑扎箍筋即可。
2.7 钢筋定位及保养钢筋在植入过程中位置有所偏转,胶液也会有所流淌,批量植筋后应检查,将流淌的胶重新填回(仅仅植筋孔附近且不污染的),对偏转的钢筋进行复位。
2.8 钢筋情况,200×200构造柱钢筋采用4C10,100×300构造柱钢筋2C10,锚拉筋2A6贯通设置。
大于200的墙,每宽多120mm,多加一道锚拉筋。
水平系梁墙宽×150,采用4C12。
洞口压顶墙宽≤250时,2C6,300时采用3C6,压顶厚100mm,植筋距压顶25mm,压顶进砌体墙150mm,窗台压顶首层顶层通长设置,过梁深入墙每侧300mm。
过梁配筋表:技术负责人交底人接受人平顶山市工程质量监督站监制工程名称分部工程砌体工程分项工程名称填充墙砌体植筋工程交底内容:钢筋搭接50d且不小于400mm,门洞口、门口混凝土剁、窗剁等部分单独下料。
电梯井圈梁配筋墙宽×300,4C12。
小于等于200混凝土垛配筋电梯井道圈梁构造四、质量标准1、钢筋品种、强度等级必须符合设计要求;2、植筋胶强度必须满足验收要求;3、钻孔的直径和深度符合要求,深度的允许偏差为+20mm,-0mm,垂直允许偏差为5°,钻孔应避免受力钢筋,对于废孔,应采用植筋胶或者等强度的树脂水泥砂浆填实。
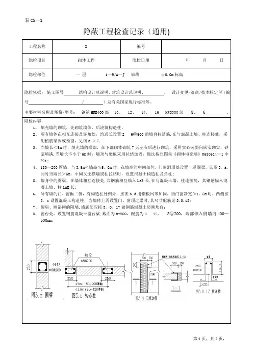
表C5-1隐蔽工程检查记录(通用)第1页,共2页,表C5-1(续)隐蔽工程检查记录(通用)工程名称 X 编号隐检项目 砌体工程隐检日期年 月日隐检部位一 层 1-9/A-J 轴线 ±0、0m 标高隐检依据: 施工图号 结构设计总说明、建筑设计总说明、 , 设计变更/洽商/技术核定(编bian 号 / )及有关国家现行标准等。
主要材料名称及规格/型号: 钢筋HRB400级10、12、14、16 HPB300级8、6 。
隐检内容:1、 填充墙得砌筑,先砌筑墙体,后浇筑构造柱。
2、 所有墙体在相互连接及转角处,均通长设置26500得墙身拉结筋,在与混凝土墙、柱连接处,采用植筋锚固或预留,见图3、0、7;3、 当墙长<5m 时,填充墙得顶部,在下部砌体砌筑7天左右后进行砌筑,采用实心砖斜向嵌实砌实,砂浆填满,当墙长不小于5m 时,墙顶与梁板采用拉结加固,做法按照图集《砌体填充墙》06SG614-1中P21; 4、 180-200厚墙,当3、5m <墙高≤5、0m 时,在墙高得中间部位、门窗洞顶处设置一道圈梁,见图3、a,同时当墙长>5m ,中间又无横墙或柱拉结时,设置混凝土构造柱及角柱;5、 墙身中得圈梁、在墙体相互连接处,其钢筋相互锚入La E长,在与混凝土墙、柱连接处,其钢筋锚入混凝土墙、柱LaE 长;6、 所有墙得门、窗框二侧,有构造柱处例外,按图3、d 用钢板网等加固,当门窗净宽≥1、5m 时,两侧按3、c 设置混凝土构造柱,当墙体上需设置门、窗顶过梁时,其尺寸配筋见3、0、13; 7、 厨房、厕浴间得隔墙,墙底部应按3、0、17做钢筋混凝土防潮坎台; 8、 窗台处,设置钢筋混凝土窗台梁,截面为b*200,配筋为412、8200,端部伸入侧墙内400-500m m。
安阳市建筑工程质量监督站监制第2页,共2页,表C 5-1隐蔽工程检查记录(通用)复查结论: 复查人: 复查日期 年 月 日 隐检依据: 施工图号 结构设计总说明、建筑设计总说明、 , 设计变更/洽商/技术核定单(b ia n号 / )及有关国家现行标准等。
植筋工程质量验收标准1)植筋分项工程质量验收①植筋分项工程检验批划分本工程中植筋工作量较小且集中在同一区域,可按划分为一个检验批。
②植筋分项工程的检验批质量验收植筋分项工程各检验批验收时由监理工程师(建设单位项目技术负责人)组织项目专业质量检查员等依据《建筑结构加固工程施工质量验收规程(送审稿)》中有关要求进行施工质量验收。
③植筋分项工程质量验收植筋分项工程各检验批合格质量应符合以下规定:a.主控项目和一般项目的质量经抽样检验合格;b.具有完整的施工操作依据、质量检查记录。
2)植筋分项工程材料质量验收标准(1)主控项目①植筋用胶粘剂进场时,应对其品种、型号、级别、包装和出厂日期等进行检查,并应按《(GB50367-2013)混凝土结构加固设计规范》中的方法进行钢—混凝土粘结正粘接强度及钢套筒粘结抗剪强度复试检验,质量检验结论符合《(GB50367-2013)混凝土结构加固设计规范》“A级胶”性能指标规定。
胶粘剂进场应具有产品合格证、包装、标志、出厂检测报告和进场复试报告。
严禁使用过期胶粘剂、无合格证书的胶粘剂及包装破损或无出厂包装的胶粘剂。
②植筋用胶粘剂的填料应在厂家制胶生产时添加,严禁在施工现场掺入。
③植筋用钢筋应为热轧带肋钢筋,其性能和质量应符合设计要求和《(GB14499)钢筋混凝土用热轧钢筋》的规定。
④当胶粘剂或钢筋的品种、型号、级别或规格需作变更时,应出具设计变更通知书。
(2)一般项目植筋用钢筋应平直、无损伤,表面不得有裂纹、油污和锈斑。
3)植筋分项工程界面处理质量验收标准(1)主控项目①植筋孔洞钻好后应先用毛刷清孔;再用洁净无油的压缩空气或手动吹气筒(皮老虎)清除孔内粉尘,如此反复处理不应少于3次,直至无粉尘碎屑为止。
必要时尚应用于净棉纱、毛刷蘸少量工业丙酮擦净孔壁。
②植筋孔壁的干燥程度应符合胶粘剂产品使用说明书的要求。
③植筋孔应完整,不得有裂缝和其它局部损伤。
(2)一般项目①植入前再次复查钢筋锈蚀情况,若有新锈,应用砂纸擦拭处理。
表C5—1隐蔽工程检查记录(通用)第1页,共2页,工程名称X编号隐检项目 砌体工程隐检日期年 月 日隐检部位一 层 1—9/A —J 轴线 ±0.0m 标高隐检依据: 施工图号 结构设计总说明、建筑设计总说明、 , 设计变更/洽商/技术核定单(编bi 号 / )及有关国家现行标准等。
主要材料名称及规格/型号: 钢筋HRB400级10、12、14、16 HPB300级8、6 。
隐检内容:1、 填充墙的砌筑,先砌筑墙体,后浇筑构造柱。
2、 所有墙体在相互连接及转角处,均通长设置26@500的墙身拉结筋,在与混凝土墙、柱连接处,采用植筋锚固或预留,见图3.0.7;3、 当墙长<5m 时,填充墙的顶部,在下部砌体砌筑7天左右后进行砌筑,采用实心砖斜向嵌实砌实,砂浆填满,当墙长不小于5m 时,墙顶与梁板采用拉结加固,做法按照图集《砌体填充墙》06SG614—1中P21;4、 180—200厚墙,当3.5m <墙高≤5。
0m 时,在墙高的中间部位、门窗洞顶处设置一道圈梁,见图3。
a ,同时当墙长>5m ,中间又无横墙或柱拉结时,设置混凝土构造柱及角柱;5、 墙身中的圈梁、在墙体相互连接处,其钢筋相互锚入LaE 长,在与混凝土墙、柱连接处,其钢筋锚入混凝土墙、柱LaE 长;6、 所有墙的门、窗框二侧,有构造柱处例外,按图3.d 用钢板网等加固,当门窗净宽≥1。
5m 时,两侧按3。
c 设置混凝土构造柱,当墙体上需设置门、窗顶过梁时,其尺寸配筋见3.0.13; 7、 厨房、厕浴间的隔墙,墙底部应按3。
0。
17做钢筋混凝土防潮坎台; 8、 窗台处,设置钢筋混凝土窗台梁,截面为b*200,配筋为412、8@200,端部伸入侧墙内400—500mm.表C5-1(续)隐蔽工程检查记录(通用)安阳市建筑工程质量监督站监制第2页,共2页,检查结论:□同意隐蔽 □不同意隐蔽,修改后复查复查结论:复查人: 复查日期 年 月 日签 字 栏施工单位(章)河南省第二建设集团有限公司专业技术负责人专业质检员 专业工长监理或建设单位(章)河南卓越工程管理有限公司 专业工程师表C5—1隐蔽工程检查记录(通用)第1页,共2页,工程名称X 编号隐检项目 砌体工程隐检日期年 月 日隐检部位一 层 9—16/A —J 轴线 ±0.0m 标高隐检依据: 施工图号 结构设计总说明、建筑设计总说明、 , 设计变更/洽商/技术核定单(编bi 号 / )及有关国家现行标准等. 主要材料名称及规格/型号: 钢筋HRB400级10、12、14、16 HPB300级8、6 。
隐蔽工程检查记录
表C5-1
资料编号02-03-C6-01工程名称3001号住宅等51项(3012、3013、3015-3020、3036、3037栋)
隐检项目门窗洞口塞口隐检日期2017-10-10
隐检部位3013#门窗洞口
隐检依据:
施工图图号建施 06 ,设计变更/洽商(编号 016 )及有关国家现行
标准等。
主要材料名称及规格/型号:膨胀玻化微珠轻质砂浆
隐检内容:
1、二次砌筑混凝土空心砌块墙体转角处、端部、纵横墙交叉处、门口两侧均设置芯柱钢筋,钢筋与主体结构连接采用植筋锚固,锚固长度大于等于10d,已进行植筋锚固拉拔试验;
2、五层、六层植筋完毕,报请验收。
隐检内容已经完成,请予以检查。
申报人:
检查意见:
同意隐蔽,同意进行下道工序施工。
检查结论:□同意隐蔽□不同意隐蔽,修改后进行复查
复查结论:
复查人:复查日期:
签字栏
施工单位山东勇进集团有限公司
专业技术负责人专业质检员专业工长建设(监理)单位北京中联环建设工程管理有限公司专业工程师
本表由施工单位填写。
提高二次结构植筋质量一次验收合格率江苏省苏中建设集团股份有限公司沈阳第七质量管理小组江苏省苏中建设集团股份有限公司JIANGSU SUZHONG CONSTRUCTION GROUP STOCKS CO.,LTD目录一、工程概况....................................................................................................... - 2 -二、小组简介....................................................................................................... - 2 -三、选择课题....................................................................................................... - 2 -四、现状调查....................................................................................................... - 3 -五、设定目标....................................................................................................... - 5 -六、原因分析....................................................................................................... - 6 -七、要因确认....................................................................................................... - 7 -八、制定对策..................................................................................................... - 13 -九、对策实施..................................................................................................... - 14 -十、效果检查..................................................................................................... - 15 - 十一、巩固措施................................................................................................. - 19 - 十二、总结及今后打算..................................................................................... - 20 -提高二次结构植筋质量一次验收合格率江苏省苏中建设集团股份有限公司沈阳第七质量管理小组一、工程概况沈阳颐和盛京世家项目由沈阳颐和城地产开发有限公司开发,项目位于沈阳市浑南区沈抚新城伯官大街。
建筑结构加固工程隐蔽检查与记录的要求在建筑结构加固工程施工中,要求建设各方依据建筑法规、规范、标准对施工全过程进行质量控制,将质量检查数据记录在案,包括施工记录,最终形成加固工程竣工资料。
施工记录是在施工过程中形成,为确保建筑过程质量、安全的各种检查记录的统称,隐蔽工程检查记录是施工记录的重要内容。
隐蔽工程是指上道工序被下道工序所掩盖,经掩盖后,其自身的施工质量无法再进行检查的工程。
隐蔽工程检查记录是对隐蔽工程进行检查,并通过规范规定的表格形式将隐检项目的检查内容、质量情况、检查意见、复查意见等予以记录。
“隐蔽工程检查记录”在北京市地方标准《建筑工程资料管理规程》(D BJ01-51-2003)中,序列为“表C5-1”。
建筑结构加固工程隐蔽检查与记录主要依据《建筑工程施工质量验收统一标准》(GB50300-2001)和《建筑结构加固工程施工质量验收规范》(报批稿)。
建筑结构加固工程隐蔽工程质量是加固行业极其重要的检查内容,有所忽略或失实,将造成难以弥补的损失。
注意到《建筑结构加固工程施工质量验收规范》(报批稿)多次提示,在现实中,不法承包商无所不用其极——“盗用其它品牌标志”、“设计、施工单位错用术语”、“甚至48K的碳纤维冒充12K”等等,这类措辞的频度、力度、具体性、贬义性等是在建筑规范中所仅见。
建筑结构加固工程隐蔽检查与记录所反映的工程客观内容就是对这一现象的有效制约和控制。
现场工程技术人员要尽职尽责做好的工作就是认真解读规范、理解规范,表格填写做到规范化,完整无缺、内容翔实、用词简洁,使填写的表格确实能真实地反映隐蔽工程的实际情况。
2.建筑结构加固工程隐蔽检查的程序在完成隐蔽工程作业之后,由专业工长或质检员填写“隐蔽工程检查记录”,由项目部技术负责人组织施工单位、监理单位参加,共同进行隐蔽工程验收,验收之后,由监理工程师签署检查意见与检查结论。
若隐蔽工程验收存在问题,必须按照检查意见予以整改,整改后进行复查,并将复查意见及结论予以记录。
植筋工程隐蔽验收记录隐蔽验收是指在施工过程中,针对一些施工工序或者构件的内部结构,无法直接观察到,但对工程质量和安全至关重要的部分进行检查、测试和验证的程序。
在植筋工程中,隐蔽验收是非常重要的一环,对植筋的质量和安全起着关键作用。
下面是一份植筋工程隐蔽验收记录。
1.工程概况项目名称:建筑施工工程工程位置:地验收日期:XXXX年XX月XX日2.验收人员主任:副主任:工程师:监理人员:施工单位:3.验收内容(1)植筋质量控制:-验收植筋坐标、槽口、孔深、间距是否符合设计要求;-植筋混凝土使用材料是否符合规定;-植筋工具是否符合要求;-植筋工程施工工艺是否符合规范要求。
(2)植筋过程记录:-验收植筋设备的使用记录;-验收植筋员操作规范记录;-验收植筋孔的粗糙度记录;-验收植筋偏斜度记录。
4.验收步骤(1)核对文件:核对植筋工程的设计文件、施工图纸和施工规范等是否齐全、准确。
(2)检查植筋孔位置:检查植筋孔位置是否准确、平直,植筋孔的数量和间距是否符合设计要求。
(3)检查植筋孔深度:使用钢尺和钢直尺测量植筋孔的深度,检查是否符合设计要求。
(4)检查植筋质量:通过视觉检查和手摸植筋的质量,检查植筋孔内的杂质和泥沙,以及植筋是否完全填满。
(5)检查植筋张拉力:利用植筋拉力仪器对植筋进行张拉测试,检查植筋的张拉力是否达到设计要求。
(6)检查植筋器具:检查植筋员使用的植筋工具和设备是否完好、合格。
(7)检查植筋记录:检查植筋工程的记录,包括植筋孔的位置、深度、张拉力、操作记录等是否完备、准确。
(8)抽检植筋孔:随机抽取一部分植筋孔进行质量检查,包括孔内杂质、孔深、植筋质量等。
(9)验收结论:根据以上检查结果和标准,判定植筋工程是否合格。
5.验收结论(1)合格:(2)不合格:(3)返工:(4)其他情况:6.整改要求(1)不合格项及整改要求:列出具体的不合格项,要求施工单位进行整改措施,并提出整改时限。
(2)返工要求:如有返工要求,要求施工单位重新完成植筋工程,并列出返工时限。
第1页,共2页,工程名称X 编号隐检项目 砌体工程隐检日期年 月 日隐检部位一 层 1-9/A-J 轴线 ±0.0m 标高隐检依据: 施工图号 结构设计总说明、建筑设计总说明、 , 设计变更/洽商/技术核定单(编bian 号 / )及有关国家现行标准等。
主要材料名称及规格/型号: 钢筋HRB400级 10、 12、 14、 16 HPB300级 8、 6 。
隐检内容:1、 填充墙的砌筑,先砌筑墙体,后浇筑构造柱。
2、 所有墙体在相互连接及转角处,均通长设置2 6@500的墙身拉结筋,在与混凝土墙、柱连接处,采用植筋锚固或预留,见图3.0.7;3、 当墙长<5m 时,填充墙的顶部,在下部砌体砌筑7天左右后进行砌筑,采用实心砖斜向嵌实砌实,砂浆填满,当墙长不小于5m 时,墙顶与梁板采用拉结加固,做法按照图集《砌体填充墙》06SG614-1中P21;4、 180-200厚墙,当3.5m <墙高≤5.0m 时,在墙高的中间部位、门窗洞顶处设置一道圈梁,见图3.a ,同时当墙长>5m ,中间又无横墙或柱拉结时,设置混凝土构造柱及角柱;5、 墙身中的圈梁、在墙体相互连接处,其钢筋相互锚入LaE 长,在与混凝土墙、柱连接处,其钢筋锚入混凝土墙、柱LaE 长;6、 所有墙的门、窗框二侧,有构造柱处例外,按图3.d 用钢板网等加固,当门窗净宽≥1.5m 时,两侧按3.c 设置混凝土构造柱,当墙体上需设置门、窗顶过梁时,其尺寸配筋见3.0.13; 7、 厨房、厕浴间的隔墙,墙底部应按3.0.17做钢筋混凝土防潮坎台;8、 窗台处,设置钢筋混凝土窗台梁,截面为b*200,配筋为4 12、 8@200,端部伸入侧墙内400-500mm 。
安阳市建筑工程质量监督站监制第2页,共2页,检查结论:□同意隐蔽 □不同意隐蔽,修改后复查复查结论:复查人: 复查日期 年 月 日专业技术负责人专业质检员 专业工长施工单位(章)河南省第二建设集团有限公司签 字 栏监理或建设单位(章) 河南卓越工程管理有限公司 专业工程师第1页,共2页,工程名称X 编号隐检项目 砌体工程隐检日期年 月 日隐检部位一 层 9-16/A-J 轴线 ±0.0m 标高隐检依据: 施工图号 结构设计总说明、建筑设计总说明、 , 设计变更/洽商/技术核定单(编bian 号 / )及有关国家现行标准等。
隐蔽工程验收记录-二次结构、植筋、钢丝网-标准化文件发布号:(9456-EUATWK-MWUB-WUNN-INNUL-DDQTY-KII隐蔽工程验收记录鲁JJ—037工程名称烟台工程技术职业学院老校区地块改造B宗地文体综合训练馆C及地下车库隐检项目二次结构隐检日期年月日隐检部位地下二层植筋、圈梁、过梁、构造柱钢筋隐检依据:施工图图号建施-05 ,设计变更/洽商(编号 )及有关国家现行标准等。
主要材料名称及规格、型号:拉结筋HRB400Φ6;构造柱: HRB400 Φ 6、 12;圈梁:HRB400Φ6、 12、 14 ;过梁:HRB400Φ8、10、14、16隐检内容:填充墙沿剪力墙、柱全高每隔500mm设2Φ6拉结筋,且全长贯通拉结筋深入墙内的长度不应小于墙长的1/5,且不小于700mm构造柱构造示意图构造柱:填充墙长度大于层高2倍或大于5米时设置构造柱;宽度大于米门窗、洞口两侧加构造柱;所有外维护墙在挑梁端部墙转角及每隔间距大于3米设构造柱,当墙长大于5米每3米加一构造柱,截面尺寸为墙厚×墙厚,纵筋4Φ12,箍筋Φ6@250,上下端楼层处40Omm 高度范围内,箍筋间距加密到@100。
圈梁:当砌体填充墙高度大于4m时应设钢筋混凝土圈梁。
内墙门窗洞上设一道,兼作过梁,内墙圈梁宽度同墙厚,高度120mm。
外墙窗及窗顶处各设一道,外墙圈梁宽度见建筑墙身剖面图,高度180mm,圈梁宽度b≤240mm时,配筋上下各2Φ12,Φ6@200箍;b>240mm 时,配筋上下各2Φ14,Φ6@200,圈梁兼作过梁,应在洞口上方按过梁要求确定截面并另加钢筋,所有悬臂墙上应加一道混凝土圈梁。
过梁:具体构造详见下图检查验收意见:施工单位项目(专业)技术负责人监理工程师(建设单位项目专业负责人)山东省建设工程质量监督总站监制隐蔽工程验收记录鲁JJ—037工程名称烟台工程技术职业学院老校区地块改造B宗地文体综合训练馆C及地下车库隐检项目二次结构隐检日期年月日隐检部位地下一层植筋、圈梁、过梁、构造柱钢筋隐检依据:施工图图号建施-6 ,设计变更/洽商(编号 )及有关国家现行标准等。
工程名称施工单位主要材料规格及试验编号C6-01砌筑隐蔽工程检查验收记录玫瑰湾三期G1#楼黑龙江太安建筑安装工程有限公司验收时间验收部位1、隐蔽依据2、隐蔽范围:地下室填充墙砌筑3、隐蔽内容:一、砌筑材料及砂浆配合比:1、地下室填充墙砌筑采用轻集料混凝土小型空心砌块,2014年10月5日G-1B、J-1、地下车库J-2及图纸会审记录390X 190 X 190; 390 X 90X 190;砌块进场时有出厂合格证,标准要求,并经复试合格。
2、轻集料混凝土空心砌块用M5水泥砂浆砌筑,配合比为1:水泥:215 (kg);中砂:1420 (kg)。
二、墙体拉结筋设置:填充墙与混凝土墙、柱连接处设拉结筋,锚入混凝土柱或墙内300mm沿填充墙全长贯通,选用编号地下室填充墙砌筑填充墙厚分别为200mm和100mm砌块的主要规格为: 龄期不少于28天,各种性能指标均满足相应6.60 : 1.40,每立方米砂浆材料用量:P.C 32.5拉结筋2$ 6@500沿混凝土墙或柱全高设置, QX-2型建筑结构植筋专用胶植筋。
三、卫生间墙下做法:卫生间墙下做高出建筑地面200mm与墙同宽的C25素混凝土梁,在楼板上每间距300mm植2$ 6的钢筋,高出楼板200mm保证梁与地面可靠拉结。
四、洞口过梁做法:非承重隔墙上洞口按跨度设过梁,过梁支座长度不小于尺寸及配筋见下表:200,混凝土强度等级C25,具体、-一___b二増毎肚LI-©1o©和肚id二l J0ItsO21H1400Ti>C218W;ibO211<T)、—』门、窗安装配块做法:窗口及门口两侧均在安装固定拉片相应位置砌筑预制的寸与轻集料混凝土小型空心砌块尺寸相匹配,以满足门、窗的安装要求。
六、加强措施:填充墙顶面与上部结构接触留一定空隙,待墙体沉实内填水泥砂浆灌实后上墙。
隔墙砌在楼板上时,在墙下板内下部附加2望14纵筋,伸入两端墙梁支座。