12864液晶模块 资料 很详细的哦
- 格式:pdf
- 大小:1.89 MB
- 文档页数:23
12864液晶中文资料JHD529m12008-08-11 21:42一、 概述二、 带中文字库的128X64是一种具有4位/8位并行、2线或3线串行多种接口方式,内部含有国标一级、二级简体中文字库的点阵图形液晶显示模块;其显示分辨率为128×64, 内置8192个16*16点汉字,和128个16*8点ASCII字符集.利用该模块灵活的接口方式和简单、方便的操作指令,可构成全中文人机交互图形界面。
可以显示8×4行16×16点阵的汉字. 也可完成图形显示.低电压低功耗是其又一显著特点。
由该模块构成的液晶显示方案与同类型的图形点阵液晶显示模块相比,不论硬件电路结构或显示程序都要简洁得多,且该模块的价格也略低于相同点阵的图形液晶模块。
三、 基本特性:(1)、低电源电压(VDD:+3.0--+5.5V)(2)、显示分辨率:128×64点 (3)、内置汉字字库,提供8192个16×16点阵汉字(简繁体可选) (4)、内置 128个16×8点阵字符 (5)、2MHZ 时钟频率 (6)、显示方式:STN、半透、正显(7)、驱动方式:1/32DUTY,1/5BIAS (8)、视角方向:6点 (9)、背光方式:侧部高亮白色LED,功耗仅为普通LED 的1/5—1/10 (10)、通讯方式:串行、并口可选 (11)、内置DC-DC 转换电路,无需外加负压 (12)、无需片选信号,简化软件设计(13)、工作温度: 0℃ - +55℃ ,存储温度: -20℃ - +60℃模块接口说明:*注释1:如在实际应用中仅使用串口通讯模式,可将PSB 接固定低电平,也可以将模块上的J8和“GND”用焊锡短接。
*注释2:模块内部接有上电复位电路,因此在不需要经常复位的场合可将该端悬空。
*注释3:如背光和模块共用一个电源,可以将模块上的JA、JK 用焊锡短接。
2.2并行接口管脚号 管脚名称 电平 管脚功能描述1 VSS 0V 电源地2 VCC 3.0+5V 电源正3 V0 - 对比度(亮度)调整4 RS(CS) H/L RS=“H”,表示DB7——DB0为显示数据 RS=“L”,表示DB7——DB0为显示指令数据5 R/W(SID) H/L R/W=“H”,E=“H”,数据被读到DB7——DB0R/W=“L”,E=“H→L”, DB7——DB0的数据被写到IR 或DR6 E(SCLK) H/L 使能信号7 DB0 H/L 三态数据线8 DB1 H/L 三态数据线9 DB2 H/L 三态数据线10 DB3 H/L 三态数据线11 DB4 H/L 三态数据线12 DB5 H/L 三态数据线13 DB6 H/L 三态数据线14 DB7 H/L 三态数据线 w w w .p i c 16.c o m -y e g u o h u a15 PSB H/L H:8位或4位并口方式,L:串口方式(见注释1)16 NC - 空脚17 /RESET H/L 复位端,低电平有效(见注释2)18 VOUT - LCD 驱动电压输出端19 A VDD 背光源正端(+5V)(见注释3)20 K VSS 背光源负端(见注释3)*注释1:如在实际应用中仅使用并口通讯模式,可将PSB 接固定高电平,也可以将模块上的J8和“VCC”用焊锡短接。
12864液晶中文资料一、概述12864液晶是一种常用的显示器件,广泛应用于各种电子设备中。
本文将详细介绍12864液晶的基本原理、技术参数、接口定义以及使用方法。
二、基本原理12864液晶采用液晶材料的光电效应,通过控制液晶份子的罗列状态来实现图象的显示。
其基本原理如下:1. 液晶份子的罗列:液晶份子在电场作用下,可以呈现不同的罗列状态,包括平行罗列、垂直罗列和斜向罗列等。
2. 光的偏振特性:液晶份子的罗列状态会改变光的偏振方向,从而影响光的透射和反射。
3. 电场控制:通过施加电场,可以改变液晶份子的罗列状态,从而控制光的透射和反射,实现图象的显示。
三、技术参数12864液晶的技术参数如下:1. 分辨率:128x64像素,即共有128列和64行像素点。
2. 视角:可视角度为大约160度,支持广泛的观看角度。
3. 对照度:对照度高,图象显示清晰,可适应不同环境的显示需求。
4. 亮度:亮度可调节,适应不同环境的亮度要求。
5. 响应时间:响应速度快,显示图象刷新迅速。
四、接口定义12864液晶的接口定义如下:1. 电源接口:包括电源正负极连接口,用于提供电源给液晶显示模块。
2. 数据接口:包括数据引脚和控制引脚,用于传输图象数据和控制信号。
3. 背光接口:用于连接背光灯,提供背光照明。
五、使用方法12864液晶的使用方法如下:1. 连接电源:将电源正负极连接到液晶模块的电源接口,确保电源供应正常。
2. 连接数据接口:将数据引脚和控制引脚连接到控制器或者微处理器的相应引脚。
3. 连接背光:将背光接口连接到背光灯,确保背光灯正常工作。
4. 编写代码:使用相应的编程语言,编写控制12864液晶显示的代码,包括图象数据传输和控制信号发送等。
5. 调试测试:将控制器或者微处理器与12864液晶连接后,进行调试测试,确保图象能够正常显示。
六、应用领域12864液晶广泛应用于各种电子设备中,包括但不限于以下领域:1. 仪器仪表:用于显示各种仪器仪表的测量结果、参数和状态信息。
12864中文字库液晶模块使用说明书第 1 页共16 页一、12864液晶显示模块概述1. 12864液晶显示模块是128×64点阵的汉字图形型液晶显示模块,可显示汉字及图形,内置国标GB2312码简体中文字库(16X16点阵)、128个字符(8X16点阵)及64X256点阵显示RAM(GDRAM)。
可与CPU 直接接口,提供两种界面来连接微处理机:8-位并行及串行两种连接方式。
具有多种功能:光标显示、画面移位、睡眠模式等。
2. 外观尺寸:93×70mm(4X8C), 84×44mm(2X8C),110×65mm(2x8 C _2), 116×39mm(2X10),180×65mm(4X16A)3. 视域尺寸:73×39mm(4X8C), 78×25mm(2x8 C _2), 70×20mm(2X8C),85×20mm(2X10), 132×39mm(4X16A),补充说明:外观尺寸可根据用户的要求进行适度调整。
二、模块引脚说明1)表—1:(128X32)、(160X32)模块引脚说明引脚名称 方向 说明 引脚名称方向 说明1 VSS - GND(0V) 11 DB4 I/O 数据42 VDD - Supply Voltage For Logic (+5v) 12 DB5 I/O 数据53 VO - Supply Voltage For LCD (悬空)13 DB6 I/O 数据64 RS(CS) H/L H: Data L: Instruction Code 14 DB7 I/O 数据75 R/W(STD) H/L H: Read L: Write15 PSB H/L 16032此脚为:RESET脚 6 E(SCLK) H,H/L Enable Signal7 DB0 I/O 数据0 16 /RST H/L 16032此脚为空8 DB1 I/O 数据1 17 LEDK - 16032此脚为A9 DB2 I/O 数据2 18 LEDA - 16032此脚为K10 DB3 I/O 数据3 注:以上K为负,A为正4)表—4:(256X64)引脚说明引脚名称 方向 说明引脚名称 方向 说明 1 FG - FRAME GROUND 11 DB0 I/O 数据0 2 VSS - GND(0V)12 DB1 I/O 数据1 3 VDD - Supply Voltage For Logic (+5v) 13 DB2 I/O 数据2 4 NC - 空脚14 DB3 I/O 数据3 5 R/W H/L H: Read L: Write 15 DB4 I/O 数据4 6 E1 H,H/L Enable Signal1 16 DB5 I/O 数据5 7 E2 H,H/L Enable Signal217 DB6 I/O 数据6 8 RS H/L H: Data L: Instruction Code 18 DB7 I/O 数据7 9 NC - 空脚19 NC - 空脚 10 /RST H/L Reset Signal 低电平有效 20 NC - 空脚注 K背光源负极(LED-OV)A背光源正极(LED+5V)三、12864液晶硬件接口1、逻辑工作电压(VDD):4.5~5.5V2、电源地(GND):0V3、LCD 驱动电压(V0):0~-10V4、工作温度(Ta):0~55℃(常温) / -20~70℃(宽温) 保存温度(Tstg):-10~65℃(常温)5、电气特性见附图1 外部连接图(参考附图2)模块有并行和串行两种连接方法(时序如下): 1、8位并行连接时序图MPU 写资料到模块RSR/WEMPU从模块读出资料RSR/WE2、串行连接时序图CS C LS T3、AC电气特性(TA=25℃ VCC=5V)condition Min. Typ. Max. UnitSYMBOL Characteristics Testfrequency Rf=39KΩ480 540 600 KHz Fosc OSCTIME UNIT PARAMETER SYMBOL MESUREFOR WRITE MODE(WRITING DATA FROM MPU TO ST7920)System cycle time TC 13,000 nsAddress setup time TAS 1,500 nsAddress hold time TAH 1,500 nsData setup time TDSW 1,000 nsData hold time TH 20 nsEnable pulsewidth TPW 1,500 nsEnable rise/fall time TR,TF 25 nsFOR READ MODE(READING DATA FROM ST7920 TO MPU)System cycle time TC 13,000 nsAddress setup time TAS 1,500 nsAddress hold time TAH 1,500 nsData setup time TDDR 1,000 nsData hold time TH 20 ns Enable pulsewidth TPW 1,500 ns Enable rise/fall time TR,TF 25 ns四、用户指令集指令表—2:(RE=1:扩充指令集)指令码指令RS RW DB7 DB6 DB5DB4 DB3 DB2DB1DB0说明执行时间(540KHZ )待命模式 0 0 0 0 0 0 0 0 0 1将DDRAM 填满“20H ”,并且设定DDRAM 的地址计数器(AC )到“00H ” 72us卷动地址或IRAM 地址选择 0 0 0 0 0 0 0 0 1 SR SR=1:允许输入垂直卷动地址 SR=0:允许输入IRAM 地址72us反白选择 0 0 0 0 0 0 0 1 R1 R0选择4行中的任一行作反白显示,并可决定反白与否 72us 睡眠模式0 0 0 0 0 0 1 SL X XSL=1:脱离睡眠模式 SL=0:进入睡眠模式72us扩充功能设定0 0 0 0 1 1 X1REG 0RE=1:扩充指令集动作RE=0:基本指令集动作G=1 :绘图显示ONG=0 :绘图显示OFF72us设定IRAM地址或卷动地址0 0 0 1 AC5AC4 AC3 AC2AC1AC0SR=1:AC5—AC0为垂直卷动地址SR=0:AC3—AC0为ICON IRAM地址72us设定绘图RAM地址0 0 1 AC6 AC5AC4 AC3 AC2AC1AC0设定CGRAM地址到地址计数器(AC)72us备注:1、当模块在接受指令前,微处理顺必须先确认模块内部处于非忙碌状态,即读取BF标志时BF需为0,方可接受新的指令;如果在送出一个指令前并不检查BF标志,那么在前一个指令和这个指令中间必须延迟一段较长的时间,即是等待前一个指令确实执行完成,指令执行的时间请参考指令表中的个别指令说明。
12864LCD液晶显示屏中文资料一、概述二、带中文字库的128X64是一种具有4位/8位并行、2线或3线串行多种接口方式,内部含有国标一级、二级简体中文字库的点阵图形液晶显示模块;其显示分辨率为128×64, 内置8192个16*16点汉字,和128个16*8点ASCII字符集.利用该模块灵活的接口方式和简单、方便的操作指令,可构成全中文人机交互图形界面。
可以显示8×4行16×16点阵的汉字. 也可完成图形显示.低电压低功耗是其又一显著特点。
由该模块构成的液晶显示方案与同类型的图形点阵液晶显示模块相比,不论硬件电路结构或显示程序都要简洁得多,且该模块的价格也略低于相同点阵的图形液晶模块。
三、基本特性:(1)、低电源电压(VDD:+3.0--+5.5V)(2)、显示分辨率:128×64点(3)、内置汉字字库,提供8192个16×16点阵汉字(简繁体可选) (4)、内置 128个16×8点阵字符(5)、2MHZ时钟频率(6)、显示方式:STN、半透、正显(7)、驱动方式:1/32DUTY,1/5BIAS (8)、视角方向:6点(9)、背光方式:侧部高亮白色LED,功耗仅为普通LED的1/5—1/10 (10)、通讯方式:串行、并口可选(11)、内置DC-DC转换电路,无需外加负压(12)、无需片选信号,简化软件设计(13)、工作温度: 0℃ - +55℃ ,存储温度: -20℃ - +60℃模块接口说明:*注释1:如在实际应用中仅使用串口通讯模式,可将PSB接固定低电平,也可以将模块上的J8和“GND”用焊锡短接。
*注释2:模块内部接有上电复位电路,因此在不需要经常复位的场合可将该端悬空。
*注释3:如背光和模块共用一个电源,可以将模块上的JA、JK用焊锡短接。
2.2并行接口的J8和“VCC”用焊锡短接。
*注释2:模块内部接有上电复位电路,因此在不需要经常复位的场合可将该端悬空。
12864LCD液晶显示屏一、概述二、带中文字库的128X64是一种具有4位/8位并行、2线或3线串行多种接口方式,内部含有国标一级、二级简体中文字库的点阵图形液晶显示模块;其显示分辨率为128×64, 内置8192个16*16点汉字,和128个16*8点ASCII字符集.利用该模块灵活的接口方式和简单、方便的操作指令,可构成全中文人机交互图形界面。
可以显示8×4行16×16点阵的汉字. 也可完成图形显示.低电压低功耗是其又一显著特点。
由该模块构成的液晶显示方案与同类型的图形点阵液晶显示模块相比,不论硬件电路结构或显示程序都要简洁得多,且该模块的价格也略低于相同点阵的图形液晶模块。
三、基本特性:(1)、低电源电压(VDD:+3.0--+5.5V)(2)、显示分辨率:128×64点(3)、内置汉字字库,提供8192个16×16点阵汉字(简繁体可选) (4)、内置 128个16×8点阵字符(5)、2MHZ时钟频率(6)、显示方式:STN、半透、正显(7)、驱动方式:1/32DUTY,1/5BIAS (8)、视角方向:6点(9)、背光方式:侧部高亮白色LED,功耗仅为普通LED的1/5—1/10 (10)、通讯方式:串行、并口可选(11)、内置DC-DC转换电路,无需外加负压(12)、无需片选信号,简化软件设计(13)、工作温度: 0℃ - +55℃ ,存储温度: -20℃ - +60℃模块接口说明:*注释1:如在实际应用中仅使用串口通讯模式,可将PSB接固定低电平,也可以将模块上的J8和“GND”用焊锡短接。
*注释2:模块内部接有上电复位电路,因此在不需要经常复位的场合可将该端悬空。
*注释3:如背光和模块共用一个电源,可以将模块上的JA、JK用焊锡短接。
2.2并行接口管脚名称电平管脚功能描述管脚号1 VSS 0V 电源地2 VCC 3.0+5V 电源正3 V0 - 对比度(亮度)调整RS=“H”,表示DB7——DB0为4 RS(CS)H/L显示数据RS=“L”,表示DB7——DB0为显示指令数据5 R/W(SID) H/L R/W=“H”,E=“H”,数据被读到DB7——DB0R/W=“L”,E=“H→L”,DB7——DB0的数据被写到IR 或DR6 E(SCLK) H/L 使能信号7 DB0 H/L 三态数据线8 DB1 H/L 三态数据线9 DB2 H/L 三态数据线10 DB3 H/L 三态数据线11 DB4 H/L 三态数据线12 DB5 H/L 三态数据线13 DB6 H/L 三态数据线14 DB7 H/L 三态数据线15 PSB H/LH:8位或4位并口方式,L:串口方式(见注释1)16 NC - 空脚17 /RESET H/L 复位端,低电平有效(见注释2)18 VOUT - LCD驱动电压输出端19 A VDD 背光源正端(+5V)(见注释3)20 K VSS 背光源负端(见注释3)*注释1:如在实际应用中仅使用并口通讯模式,可将PSB接固定高电平,也可以将模块上的J8和“VCC”用焊锡短接。
12864液晶名称含义12864是128*64点阵液晶模块的点阵数简称,业界约定俗成的简称。
基本参数液晶屏类型 STN FSTN模块显示效果:黄绿底黑字蓝底白字白底黑字视角6点钟12点钟驱动方式 1/64 DUTY 1/9 BIAS背光LED白色LED黄绿色控制器KS0108或兼容ST7920 T6963C数据总线 8 位并口/6800 方式串口温度特性工作温度:-20℃~+70℃ 储藏温度:-30℃~+80℃点阵格式 128 x 64基本用途:该点阵的屏显成本相对较低,适用于各类仪器,小型设备的显示领域。
基本用途:该点阵的屏显成本相对较低,适用于各类仪器,小型设备的显示领域。
液晶模组使用注意事项1 当您在你的产品设计中使用本液晶模组,注意液晶的视角与你的产品用途相一致。
2 液晶屏是玻璃为基础的,跌落或与硬物撞击会引起液晶屏破裂或粉碎。
尤其是边角处。
3 尽管在液晶表面的偏振片有抑制反光的表层,应当小心不要划伤表面,一般推荐在液晶表面采用透明塑胶材料的保护屏。
4 如果液晶模组储藏在低于规定的温度以下,液晶材料会凝结而性能恶化。
如果液晶模组储藏在高于规定的温度以上,液晶材料的分子排列方向会转变为液态,可能无法恢复到原来的状态。
超出温度和湿度范围,会引起偏振片剥落或起泡。
因此,液晶模组应储藏在规定的温度范围。
5 如液晶表面遇口水或滴水,应立即擦除,避免长时间过后引起色彩变化或留下污点。
水蒸气会引起ITO电极腐蚀。
6 如果需要清洁液晶屏表面,应该用棉或软布轻快地擦拭,仍不能清除时,呵气之后再擦拭。
7 液晶模组的驱动应遵照规定的额定指标,避免故障及永久损坏。
对液晶材料施加直流电压,会引起液晶材料迅速恶化,应该确保提供交流波形的M信号的连续应用。
特别是,在电源开关时应遵照供电顺序,避免驱动锁存及直流直接加至液晶屏。
8 机械注意事项:a) 液晶模组是在高精度下调试安装的。
避免外力撞击,不要对其改变或修改。
b) 不要篡改金属框的任何突出部分。
12864液晶中文资料一、液晶显示模块概述JM12864M-2汉字图形点阵液晶显示模块,可显示汉字及图形,内置8192个中文汉字(16X16点阵)、128个字符(8X16点阵)及64X256点阵显示RAM(GDRAM)。
主要技术参数和显示特性:电源:VDD 3.3V~+5V(内置升压电路,无需负压);显示内容:128列× 64行显示颜色:黄绿显示角度:6:00钟直视LCD类型:STN与MCU接口:8位或4位并行/3位串行配置LED背光多种软件功能:光标显示、画面移位、自定义字符、睡眠模式等二、外形尺寸外观尺寸:93×70×12.5mm 视域尺寸:73×39mm外形尺寸图外形尺寸脚说明128X64HZ 引脚说明逻辑工作电压(VDD):4.5~5.5V电源地(GND):0V工作温度(Ta):-10℃~60℃(常温) / -20℃~70℃(宽温)三、接口时序模块有并行和串行两种连接方法(时序如下):8位并行连接时序图MPU写资料到模块MPU从模块读出资料2、串行连接时序图串行数据传送共分三个字节完成:第一字节:串口控制—格式11111ABCA为数据传送方向控制:H表示数据从LCD到MCU,L表示数据从MCU到LCDB为数据类型选择:H表示数据是显示数据,L表示数据是控制指令C固定为0第二字节:(并行)8位数据的高4位—格式DDDD0000第三字节:(并行)8位数据的低4位—格式0000DDDD串行接口时序参数:(测试条件:T=25℃VDD=4.5V)四、用户指令集1、指令表1:(RE=0:基本指令集)指令表—2:(RE=1:扩充指令集)备注:1、当模块在接受指令前,微处理顺必须先确认模块内部处于非忙碌状态,即读取BF标志时BF需为0,方可接受新的指令;如果在送出一个指令前并不检查BF标志,那么在前一个指令和这个指令中间必须延迟一段较长的时间,即是等待前一个指令确实执行完成,指令执行的时间请参考指令表中的个别指令说明。
技术QQ:1035715441非常感谢您使用我们的产品,我们竭诚为您提供服务J12864中文字库注释:(1)模组背部自带3*3 10K硬封可调电位器VR1,可以调到理想对比度(默认5V出厂已经调试好,也可自行再次调节,电位器为微调,请尽量小心调试)(2)LED背光极性可调,JP4为液晶背光正负反接处(3)模组自带原装三星正品防静电电容,抗干扰性更强C6 C7 C8(4)串并口可通过两种方式调节1种PSB接口控制2 种JP2短路到P为并口短路到S为串口(5)自改3.3V可通过JP3调节,默认接+级为5V,接-为3.3V,然后C4 C5加极性电容即可型号为106A或者104A,背光电阻33欧改成3.3欧技术QQ:1035715441一、液晶显示模块概述J12864中文汉字图形点阵液晶显示模块,可显示汉字及图形,内置8192个中文汉字(16X16点阵)、128个字符(8X16点阵)及64X256点阵显示RAM(GDRAM)。
主要技术参数和显示特性:电源:VDD 3.3V~+5V(内置升压电路,无需负压);显示内容:128列× 64行显示颜色:黄绿/蓝屏显示角度:6:00钟直视LCD类型:STN与MCU接口:8位或4位并行/3位串行配置LED背光多种软件功能:光标显示、画面移位、自定义字符、睡眠模式等二、外形尺寸外观尺寸:93×70×12.5mm 视域尺寸:73×39mm外形尺寸图外形尺寸技术QQ:1035715441ITEM NOMINAL DIMEN UNIT模块体积93×70×12.5 mm视域73.0×39.0 mm行列点阵数128×64 dots点距离0.52×0.52 mm点大小0.48×0.48 mm二、模块引脚说明128X64HZ 引脚说明引脚号引脚名称方向功能说明1 GND - 模块的电源地2 VCC - 模块的电源正端3 V0 - LCD驱动电压输入端4 RS(CS)H/L 数据选择信号/并行的指令;串行的片选信号5 R/W(SID)H/L 并行的读写选择信号;串行的数据口6 E(CLK)H/L 并行的使能信号;串行的同步时钟7 DB0 H/L 数据08 DB1 H/L 数据19 DB2 H/L 数据210 DB3 H/L 数据311 DB4 H/L 数据412 DB5 H/L 数据513 DB6 H/L 数据614 DB7 H/L 数据715 PSB H/L 并/串行接口选择:H-并行;L-串行16 NC 空脚17 /RST H/L 复位低电平有效18 VOUT 倍压输出脚(VDD=+3.3V有效)19 LED_A (LED+5V)背光源正极20 LED_K (LED-OV)背光源负极逻辑工作电压(VDD):4.5~5.5V电源地(GND):0V工作温度(Ta):-10℃~60℃(常温) / -20℃~70℃(宽温)技术QQ:1035715441三、接口时序模块有并行和串行两种连接方法(时序如下):8位并行连接时序图MPU写资料到模块MPU从模块读出资料2、串行连接时序图技术QQ:1035715441串行数据传送共分三个字节完成:第一字节:串口控制—格式11111ABCA为数据传送方向控制:H表示数据从LCD到MCU,L表示数据从MCU到LCDB为数据类型选择:H表示数据是显示数据,L表示数据是控制指令C固定为0第二字节:(并行)8位数据的高4位—格式DDDD0000第三字节:(并行)8位数据的低4位—格式0000DDDD串行接口时序参数:(测试条件:T=25℃VDD=4.5V)技术QQ :1035715441四、用户指令集 1、指令表1:(RE=0:基本指令集)指令码指令R SR W DB 7DB 6DB 5DB 4DB 3DB 2DB 1DB 0说明执行时间(540KHZ ) 清除显示0 0 0 0 0 0 0 0 0 1将DDRAM 填满“20H ”,并且设定DDRAM 的地址计数器(AC )到“00H ”4.6ms地址归位0 0 0 0 0 0 0 0 1 X设定DDRAM 的地址计数器(AC )到“00H ”,并且将游标移到开头原点位置;这个指令并不改变DDRAM 的内容 4.6ms进入点设定 00 0 0 0 0 0 1 I/D S指定在资料的读取与写入时,设定游标移动方向及指定显示的移位72us 显示状态 开/关 0 0 0 0 0 0 1 D C B D=1:整体显示ON C=1:游标ON B=1:游标位置ON72us游标或01S/R/XX设定游标的移动与显示的移位72us技术QQ:1035715441显示移位控制C L 控制位元;这个指令并不改变DDRAM的内容功能设定0 0 0 0 1 DL XREX XDL=1 (必须设为1)RE=1:扩充指令集动作RE=0:基本指令集动作72us设定CGRA M地址0 0 0 1AC5AC4AC3AC2AC1AC设定CGRAM地址到地址计数器(AC)72us设定DDRA M地址0 0 1AC6AC5AC4AC3AC2AC1AC设定DDRAM地址到地址计数器(AC)72us读取忙碌标志(BF)和地址0 1 BFAC6AC5AC4AC3AC2AC1AC读取忙碌标志(BF)可以确认内部动作是否完成,同时可以读出地址计数器(AC)的值0us写资料到RAM 1 0 D7 D6 D5 D4 D3 D2 D1 D0写入资料到内部的RAM(DDRAM/CGRAM/IRAM/GDRAM)72us读出RAM 的值1 1 D7 D6 D5 D4 D3 D2 D1 D0从内部RAM读取资料(DDRAM/CGRAM/IRAM/GDRAM)72us指令表—2:(RE=1:扩充指令集)指令码指令RS RWDB7DB6DB5DB4DB3DB2DB1DB说明执行时间(540KHZ)待命模式0 0 0 0 0 0 0 0 0 1将DDRAM填满“20H”,并且设定DDRAM的地址计数器(AC)到“00H”72us卷动地址或IRAM地址选择0 0 0 0 0 0 0 0 1 SRSR=1:允许输入垂直卷动地址SR=0:允许输入IRAM地址72us反白选择0 0 0 0 0 0 0 1 R1 R0选择4行中的任一行作反白显示,并可决定反白与否72us技术QQ:1035715441睡眠模式0 0 0 0 0 0 1 SL X XSL=1:脱离睡眠模式SL=0:进入睡眠模式72us扩充功能设定0 0 0 0 1 1 X1REG 0RE=1:扩充指令集动作RE=0:基本指令集动作G=1 :绘图显示ONG=0 :绘图显示OFF72us设定IRAM地址或卷动地址0 0 0 1AC5AC4AC3AC2AC1AC0SR=1:AC5—AC0为垂直卷动地址SR=0:AC3—AC0为ICON IRAM地址72us设定绘图RAM 地址0 0 1AC6AC5AC4AC3AC2AC1AC0设定CGRAM地址到地址计数器(AC)72us备注:1、当模块在接受指令前,微处理顺必须先确认模块内部处于非忙碌状态,即读取BF标志时BF需为0,方可接受新的指令;如果在送出一个指令前并不检查BF标志,那么在前一个指令和这个指令中间必须延迟一段较长的时间,即是等待前一个指令确实执行完成,指令执行的时间请参考指令表中的个别指令说明。
LCD12864液晶模块12864LCD显示块是所说的点阵液晶显示模块,就是由128*64个液晶显示点组成的一个128列*64行的阵列,所以也就叫成了12864。
每个显示点都对应着有一位二进制数,0表示灭,1表示亮。
存储这些点阵信息的RAM被称为显示数据存储器。
如果要显示某个图形或汉字就是将相应的点阵信息写入到对应的存储单元中。
图形或汉字的点阵信息是由自己设计,这时候问题的关键是显示点在液晶屏上的位置与其在存储器中的地址之间的关系。
带中文字库的TS128X64(图2-6)是一种具有4位/8位并行、2线或3线串行多种接口方式,引脚功能见图表2-2,显示分辨率为128×64, 内置8192个16*16点汉字,和128个16*8点ASCII字符集.利用该模块灵活的接口方式和简单、方便的操作指令,可构成全中文人机交互图形界面。
可以显示8×4行16×16点阵的汉字、也可完成图形显示、低电压低功耗是其又一显著特点。
由该模块构成的液晶显示方案与同类型的图形点阵液晶显示模块相比,不论硬件电路结构或显示程序都要简洁得多,且该模块的价格也略低于相同点阵的图形液晶模块。
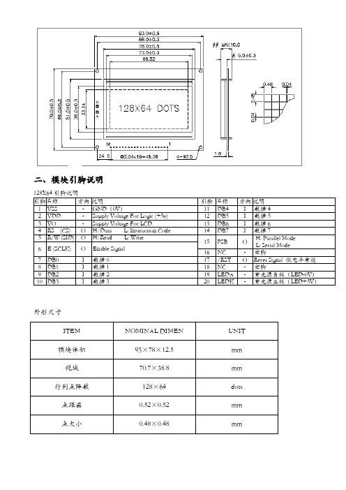
图2-6 TS12864液晶实物图编号名称引脚说明编号名称引脚说明1 VSS 电源地11 DB4 三态数据线2 VDD 电源正极12 DB5 三态数据线3 V0 对比度调整13 DB6 三态数据线4 RS(CS) 显示数据14 DB7 三态数据线5 R/W 读/写选择端(H/L)15 PSB 传输方式6 E 使能信号16 NC 悬空7 DB0 三态数据线17 RESET 复位端,低电平有效8 DB1 三态数据线18 VOUT 驱动电压输出端9 DB2 三态数据线19 A 背光源正极10 DB3 三态数据线20 K 背光源负极源地、电源正极及对比度调整。
二、模块引脚说明引脚名称方向说明引脚名称方向说明1 VSS - GND(0V)11 DB4 I 数据42 VDD - Supply Voltage For Logic (+5v) 12 DB5 I 数据53 VO - Supply Voltage For LCD 13 DB6 I 数据64 RS (CS) O H: Data L: Instruction Code 14 DB7 I 数据75 R/W (SID) O H: Read L: Write 15 PSB O H: Parallel ModeL: Serial Mode6 E (SCLK) O Enable Signal 16 NC - 空脚7 DB0 I 数据0 17 /RST O Reset Signal 低电平有效8 DB1 I 数据1 18 NC - 空脚9 DB2 I 数据2 19 LEDA - 背光源负极(LED-0V)10 DB3 I 数据3 20 LEDK - 背光源正极(LED+5V)外形尺寸ITEM NOMINAL DIMEN UNIT模块体积93×78×12.5 mm视域70.7×38.8 mm行列点阵数128×64 dots点距离0.52×0.52 mm点大小0.48×0.48 mm三、液晶硬件接口1、逻辑工作电压(VDD):4.5~5.5V2、电源地(GND):0V3、工作温度(Ta):0~60℃(常温) / -20~75℃(宽温)4、电气特性见附图1 外部连接图(参考附图2)模块有并行和串行两种连接方法(时序如下):1、8位并行连接时序图MPU写资料到模块V V I H1 I L1R SR/WED B0-D B7A SA HA HP WD S WH RCTTTTTTTTV a l i dd a t aMPU从模块读出资料R SR/WED B0-2、串行连接时序图四、用户指令集1、指令表1:(RE=0:基本指令集)HS12864-12串口接线方式:备注:1、当模块在接受指令前,微处理顺必须先确认模块内部处于非忙碌状态,即读取BF标志时BF需为0,方可接受新的指令;如果在送出一个指令前并不检查BF标志,那么在前一个指令和这个指令中间必须延迟一段较长的时间,即是等待前一个指令确实执行完成,指令执行的时间请参考指令表中的个别指令说明。
大学生创新项目-实验模块使用说明12864液晶模块一、 模块功能说明12864液晶显示模块是128*64点阵的汉字图形液晶显示模块,可显示汉字及图形、也可与外部CPU 直接接口,连接方式有串行和并行两种。
具有多种功能:光标显示、画面移位、睡眠模式等。
二、模块电路图及分析P I O 2_61X T A L O U T 7V D D I O 8P I O 0_2/S S E L /C T 16B 0_C A P 010P I O 2_711P I O 2_812P I O 1_8/C T 16B 1_C A P 09V S S I O 5P I O 0_1/C L K O U T /C T 32B 0_M A T 2/U S B _F T O G G L E 4R E S E T /P I O 0_03P I O 2_0/D T R 2X T A L I N 6U S B _D M 19U S B _D P 20PI O 2_521P I O 0_6/U S B C O N N E C T /S C K 22P I O 0_7/C T S 23P I O 0_924P I O 2_1025P I O 2_2/D C D26P I O 0_8/M I S O /C T 16B 0_M A T 027P I O 0_9/M O S I /C T 16B 0_M A T 1/S W O28P I O 0_10/S W C L K /P I O 0_10/S C K /C T 16B 0_M A T 229P I O 1_10/A D 6/C T 16B 1_M A T 130P I O 2_11/S C K31P I O 0_11/T D I /A D 0/C T 32B 0_M A T 332P I O 1_0/T M S /A D 1/C T 32B 1_C A P 033P I O 1_1/T D O /A D 2/C T 32B 1_M A T 034P I O 1_2/T R S T /A D 3/C T 32B 1_M A T 135P I O 3_036P I O 3_137P I O 2_3/R I 38P I O 1_3/S W D I O /A D 4/C T 32B 1_M A T 239P I O 1_4/A D 5/C T 32B 1_M A T 3/W A K E U P40V S S 41P I O 1_11/A D 742P I O 3_243V D D 3V 344P I O 1_5/R T S /C T 32B 0_C A P 045P I O 1_6/R X D /C T 32B 0_M A T 046P I O 1_7/T X D /C T 32B 0_M A T 147P I O 3_348P I O 0_3/U S B _V B U S 14P I O 2_1/D S R 13P I O 0_4/S C L 15PIO 0_5/S DA16P I O 1_9/C T 16B 1_M A T O17P I O 2_418L P C 1343JP12 HEADERVSS 112864VDD 2LEDK 20VO 3LEDA 19RS/CS 4NC 18R/W 5/RST 17E 6NC 16DB07PSB15DB18DB714DB29DB613DB310DB512DB411JP?12 HEADERJP?POT2+3.3V+3.3V CCAP+3.3VC CAP +3.3VY?CRYSTAL C?CAPC?CAPC?CAPC?CAPMR 1RESE 2WP 3VSS 4SDA5SCL 6RESE 7VCC 8CAT1025+3.3VR?RES2R?RES2R?RES2S?SW-PBREST REST见附件图。
12864点阵LCD液晶屏带中文字库详细介绍一、概述二、带中文字库的128X64是一种具有4位/8位并行、2线或3线串行多种接口方式,内部含有国标一级、二级简体中文字库的点阵图形液晶显示模块;其显示分辨率为128×64, 内置8192个16*16点汉字,和1 28个16*8点ASCII字符集.利用该模块灵活的接口方式和简单、方便的操作指令,可构成全中文人机交互图形界面。
可以显示8×4行16×16点阵的汉字. 也可完成图形显示.低电压低功耗是其又一显著特点。
由该模块构成的液晶显示方案与同类型的图形点阵液晶显示模块相比,不论硬件电路结构或显示程序都要简洁得多,且该模块的价格也略低于相同点阵的图形液晶模块。
三、基本特性:(1)、低电源电压(VDD:+3.0--+5.5V)(2)、显示分辨率:128×64点(3)、内置汉字字库,提供8 192个16×16点阵汉字(简繁体可选) (4)、内置 128个16×8点阵字符(5)、2MHZ时钟频率(6)、显示方式:STN、半透、正显(7)、驱动方式:1/32DUTY,1/5BIAS (8)、视角方向:6点(9)、背光方式:侧部高亮白色LED,功耗仅为普通LED的1/5—1/10 (10)、通讯方式:串行、并口可选(1 1)、内置DC-DC转换电路,无需外加负压(12)、无需片选信号,简化软件设计(13)、工作温度: 0℃ - +55℃ ,存储温度: -20℃ - +60℃模块接口说明:*注释1:如在实际应用中仅使用串口通讯模式,可将PSB接固定低电平,也可以将模块上的J8和“GND”用焊锡短接。
*注释2:模块内部接有上电复位电路,因此在不需要经常复位的场合可将该端悬空。
*注释3:如背光和模块共用一个电源,可以将模块上的JA、JK用焊锡短接。
2.2并行接口管脚号管脚名称电平管脚功能描述1 VSS 0V 电源地2 VCC 3.0+5V 电源正3 V0 - 对比度(亮度)调整RS=“H”,表示DB7——DB0为显示数据4RS(CS)H/LRS=“L”,表示DB7——DB0为显示指令数据R/W=“H”,E=“H”,数据被读到DB7——DB05R/W(SID) H/LR/W=“L”,E=“H→L”, DB7——DB0的数据被写到IR或DR6 E(SCLK) H/L 使能信号7 DB0 H/L 三态数据线8 DB1 H/L 三态数据线9 DB2 H/L 三态数据线10 DB3 H/L 三态数据线11 DB4 H/L 三态数据线12 DB5 H/L 三态数据线13 DB6 H/L 三态数据线14 DB7 H/L 三态数据线15 PSB H/L H:8位或4位并口方式,L:串口方式(见注释1)16 NC - 空脚17 /RESET H/L 复位端,低电平有效(见注释2)18 VOUT - LCD驱动电压输出端19 A VDD 背光源正端(+5V)(见注释3)20 K VSS 背光源负端(见注释3)*注释1:如在实际应用中仅使用并口通讯模式,可将PSB接固定高电平,也可以将模块上的J8和“VCC”用焊锡短接。
设计1):LCD液晶显示模块显示图形和汉字设计一、概述TG12864B 是一种图形点阵液晶显示器,它主要由行驱动器/列驱动器及128× 64全点阵液晶显示器组成。
可完成图形显示,也可以8× 4个( 16× 16 点阵)汉字。
主要技术参数和性能:1. 电源: VDD: +2.7~ +5V; 模块内自带-10V 负压,用于LCD 的驱动电压。
2. 显示内容: 128(列)× 64(行)点3. 全屏幕点阵4. 七种指令5. 与CPU接口采用8位数据总线并行输入输出和8条控制线6. 占空比1/647. 工作温度: -10℃ ~+60℃,储存温度: -20℃ ~+70℃ , 可选择宽温: -20℃~+70℃(工作温度);二、外形尺寸图三、模块主要硬件构成说明IC3 为行驱动器, IC1, IC 为列驱动器。
IC1, IC2, IC3 含有如下主要功能器件。
了解如下器件有利于对LCD模块之编程。
1. 指令寄存器( IR)IR 是用来寄存指令码,与数据寄存器寄存数据相对应。
当D/I=1 时,在E 信号下降沿的作用下,指令码写入IR。
2. 数据寄存器DR是用来寄存数据的,与指令寄存器寄存指令相对应。
当D/I=1 时,在E 信号的下降沿的作用下,图形显示数据写入DR,或在E信号高电平作用下由DR 读到DB7~DB0 数据总线。
DR 和DDRAM 之间的数据传输是模块内部自动执行的。
3. 忙标志:BFBF 标志提供内部工作情况。
BF=1 表示模块在进行内部操作,此时模块不接受外部指令和数据。
BF=0 时,模块为准备状态,随时可接受外部指令和数据。
利用STATUS READ指令,可以将BF 读到DB7 总线,从而检验模块之工作状态。
4. 显示控制触发器DFF此触发器是用于模块屏幕显示开和关的控制。
DFF=1 为开显示( DISPLAY ON), DDRAM 的内容就显示在屏幕上, DDF=0 为关显示( DISPLAY OFF)。
12864中文资料12864中文资料一、OCM12864液晶显示模块概述OCM12864液晶显示模块是128×64点阵型液晶显示模块,可显示各种字符及图形,可与CPU直接接口,具有8位标准数据总线、6条控制线及电源线。
采用KS0107控制IC。
二、最大工作范围1、逻辑工作电压(Vcc):4.5~5.5V2、电源地(GND):0V3、LCD驱动电压(Vee):0~-10V4、输入电压:Vee~Vdd5、工作温度(Ta):0~55℃(常温) / -20~70℃(宽温)6、保存温度(Tstg):-10~65℃三、电气特性(测试条件Ta=25,Vdd=5.0 /-0.25V)1、输入高电平(Vih):3.5Vmin2、输入低电平(Vil):0.55Vmax3、输出高电平(Voh):3.75Vmin4、输出低电平(Vol):1.0Vmax5、工作电流:2.0mAmax四、接口说明12864-1,12864-2接口说明表1 VSS 0V 逻辑电源地。
2 VDD 5.0V 逻辑电源正。
3 V0 LCD驱动电压,应用时在VEE与V0之间加一2K可调电阻。
4 D/I H/L 数据\指令选择:高电平:数据D0-D7将送入显示RAM;低电平:数据D0-D7将送入指令寄存器执行。
5 R/W H/L 读\写选择:高电平:读数据;低电平:写数据。
6 E H.H/L 读写使能,高电平有效,下降沿锁定数据。
7 DB0 H/L 数据输入输出引脚。
8 DB1 H/L 数据输入输出引脚。
9 DB2 H/L 数据输入输出引脚。
10 DB3 H/L 数据输入输出引脚。
11 DB4 H/L 数据输入输出引脚。
12 DB5 H/L 数据输入输出引脚。
13 DB6 H/L 数据输入输出引脚。
14 DB7 H/L 数据输入输出引脚。
15 CS1 H/L 片选择信号,低电平时选择前64列。
16 CS2 H 片选择信号,低电平时选择后64列。