《建筑构造统一做法》
- 格式:pdf
- 大小:256.92 KB
- 文档页数:19
《建筑构造可靠度设计统一原则》(GB50068-2023)学习要点及理解一、序言中有关修订内容旳阐明(相对原《建筑构造统一原则》(GBJ68-84))1、原则旳合用范围:鉴于《建筑地基基础设计规范》、《建筑抗震设计规范》在构造可靠度设计措施上有一定特殊性,从原原则规定旳“应遵守”本原则,改为“宜遵守”本原则;条]2、根据《工程构造可靠度设计统一原则》(GB50153-92)旳规定,增长了有关设计工作状况旳规定,并明确了设计状况与极限状态旳关系;条、条]3、借鉴最新国际原则JSO2394:1998《构造可靠度总原则》,给出了不同样类型建筑构造旳设计使用年限;条]4、在承载能力极限状态旳设计体现式中,对于荷载效应旳基本组合,增长了永久荷载效应为主时起控制作用旳组合式;条(7.0.2-2)式]5、对楼面活荷载、风荷载、雪荷载原则值旳取值原则和构造构件旳可靠指标以及构造重要性系数等作了调整;条、条、条]6、初次对构造构件正常使用旳可靠度做出了规定,这将增进房屋使用性能旳改善和可靠度设计措施旳发展;条]7、取消了原原则旳附件。
[原原则有五个附件:附件一荷载旳记录特性、代表值及其效应组合;附件二构造抗力旳记录特性;附件三构造可靠度旳计算措施;附件四极限状态设计体现式及其分项系数确实定;附件五构造材料旳质量规定及质量控制。
此五个附件对对旳理解本原则仍具有重要作用,有精力旳专业技术骨干,尤其是技术把关人应当一读。
]二、原则旳主线可靠度设计原则(建筑构造在规定旳设计使用年限内应具有(影响建筑构造可靠性旳多种原因都是随机原因,只能用概率来度量。
以极限状态为目旳旳设计措施为公认旳合理旳设计措施)变通为多系数体现式(这是为广大设计人员所熟悉和乐于接受旳形式。
使概率极限状态设计措施具有实用性。
)三、条文理解1、总则(原文略)[明确规定《建筑构造荷载规范》、《钢构造设计规范》、《薄壁型钢构造设计规范》、《混凝土构造设计规范》、《砌体设计规范》、《木构造设计规范》等六本规范应遵守本原则旳规定。
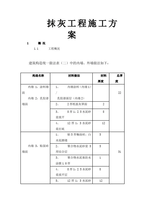
抹灰工程施工方案1概况1.1工程概况建筑构造统一做法表(二)中的内墙、外墙做法如下:1.2施工条件结构工程经相关部门质量验收合格,并弹好+50cm或+100cm水平线。
抹灰用水泥砂浆均在现场搅拌。
抹灰施工用水及养护用水从现场临水布置图上就近支管上接管。
外墙抹灰用脚手架:使用外脚手架,操作层满铺脚手板,下兜水平大眼安全网,操作层上步也满铺脚手板。
内墙抹灰用脚手架:双排脚手架,操作面满铺脚手板,周边搭设安全防护,架子离开墙面200mm~250mm。
墙体(蒸压加气混凝土砌块、剪力墙)表面的灰尘、污垢和油渍等清除干净,并洒水润湿。
蒸压加气混凝土砌块墙提前两天浇水湿润,每天两遍以上;混凝土墙体抹灰前一天浇水湿润,抹灰时再用毛刷淋水或喷水湿润(视天气情况现场控制)。
对于墙体表面的油渍(主要指混凝土墙),采用10%火碱水除去油垢后,再用水将碱液冲洗干净并晾干。
混凝土墙体表面凸出部分剔平;蜂窝、麻面、疏松部分等剔除到实处后,用1:2.5水泥砂浆分层补平。
外露钢筋头和铅丝头等清除掉。
墙体浇水湿润后,用扫帚在混凝土墙面甩108胶素水泥浆一道(掺水重5%的胶料),甩点要均匀,终凝后浇水养护,直到水泥砂浆疙瘩全部粘满砼光面上,并有较高强度(用手掰不动)为止。
内墙两种材料的墙体(剪力墙、圈梁、过梁等与蒸压加气砼砌块墙体)相接处基体表面的抹灰前,先铺钉300宽的钢丝网,剪力墙上采用粘钉,蒸压加气砼砌块墙体采用水泥钉,须绷紧牢固,钢丝网与各基体的搭接宽度各为150mm。
对于由于水电管线安装所切的槽,须用1:3水泥砂浆填补切槽,切槽处要加钉300宽钢丝网。
抹灰前,检查门窗框位置是否正确,与墙体连接是否牢固。
连接处缝隙用1:3水泥砂浆分层嵌塞密实。
抹灰前检查基体表面的平整,并在大角的两面弹出抹灰层的控制线,作为打底的依据。
1.3样板先行为了明确和统一各施工项目的质量标准和装修做法,同时也是为了观察施工班组是否有实力按要求完成施工任务,在各施工项目大面积展开之前,必须先做样板。
本文由zwei1224贡献doc文档可能在WAP端浏览体验不佳。
建议您优先选择TXT,或下载源文件到本机查看。
一、道路做法路 1:广场砖车行路面(515 厚)(适用于车行道,消防环路) 1、铺广场砖,水泥沙浆勾缝 2、撒素水泥面,洒适量清水 3、25 厚 1:3 干硬性水泥结合层 4、180 厚 C25 混凝土(分块捣制,随打随抹平,每 6 米设缝,热沥青浇缝) 5、300 厚级配砂垫层碾实 6、路基碾压密实≧98% 路 2:绿地(适用于室外绿地) 1、50 厚成品草皮 2、200 厚植被土 3、素土夯实压实系数≧94% 路 3:绿地式停车场(320 厚)(适用于停车场) 1、砌块缝隙中填植被土种植草皮 2、铺砌 100 厚 C25 混凝土预制块 3、C20 细石砼边砌边填 4、200 厚级配砂垫层碾实 5、路基碾压密实≧98%二、地面做法地 1:混凝土地面(180 厚)地 2:大理石(花岗石)地面(200 厚) 1、铺 20 厚大理石(花岗石),稀水泥浆擦缝 2、撒素水泥面,洒适量清水 3、30 厚 1:4 干硬性水泥砂浆结合层 4、刷素水泥浆一道 5、10 厚聚合物水泥防水砂浆 6、100 厚 C15 素砼垫层 7、素土夯实压实系数≧0.94(石材安装前应做防碱背涂处理)地 3:混凝土地面(320 厚)(适用于停车库) 1、120 厚 C20 混凝土随打随抹平,上撒 1:1 水泥砂浆压实赶光,(每 6 米分格浇注)(面涂固化剂或环氧树脂) 2、200 厚级配砂石垫层碾实 3、素土夯实压实系数≧94%三、楼面做法楼 1:细石混凝土楼面(40 厚)适用于受机械冲击磨损的楼面) 1、40 厚 C20 细石砼随打随抹平 2、素水泥浆结合层一道 3、结构楼板楼 2:地砖楼面(30 厚) 1、8~10 厚铺地砖楼面,干水泥擦缝2、撒素水泥面,洒适量清水3、20 厚 1:4 干硬性水泥砂浆结合层4、刷素水泥浆一道5、结构楼板楼 3:地砖防水楼面(60 厚)(适用于厨,厕等用水房间) 1、8~10 厚铺防滑地砖楼面,干水泥擦缝 2、撒素水泥面,洒适量清水 3、20 厚 1:4 干硬性水泥砂浆结合层 4、刷素水泥一道 5、1.0 厚聚合物水泥基防水涂膜6、1:2.5 水泥砂浆找坡最低处15 厚(1:2.4 细石砼向地漏找坡最低处 30 厚,适量大面积卫生间)7、刷氯丁胶稀释液一道8、1:2.5 水泥砂浆表面平整、补缺、四周抹小八字角9、结构楼板楼 4:大理石(花岗石)楼面(50 厚) 1、铺 20 厚大理石(花岗石)稀水泥浆擦缝 2、撒素水泥面,洒适量清水 3、30 厚 1:4 干硬性水泥砂浆结合层 4、刷素水泥浆一道 5、结构楼板(石材安装前做防碱背涂处理)楼 5:下部为架空层的楼面(外保温) 1、20 厚 1:2.5 水泥砂浆找平 2、钢筋砼楼板 3、15 厚 1:2.5 水泥砂浆找平层 4、80 厚聚苯板加压粘牢,板面清理平整 5、1.5 厚聚合物抹面胶浆粘贴耐碱玻璃纤维网布满贴,于加强的部位 6、3~5 厚聚合物抹面胶浆粘贴耐碱玻璃纤维网布满贴,并用抹刀将耐碱玻璃纤维网布压入抹面胶浆 7、基层整修平整,刮腻子找平 8、乳胶漆面层四、外墙做法凡外墙不同材料交界处均应在找平层中附加300 宽金属网(K、D 值以墙体为砂加气砼砌块墙时计算)(非承重砌块抹面砂浆应用专用配套砂浆)外 1、聚苯板保温外墙面(外墙外保温) 1、15 厚 1:2.5 水泥砂浆(200 厚钢筋混凝土墙)或专用配套砂浆(200 厚加气混凝土墙)将墙体基层找平 2、10 厚胶粘剂刮于板背面 3、80 厚聚苯板加压粘牢,板面清理平整 4、1.5 厚聚合物抹面胶浆粘贴耐碱玻璃纤维网布满贴于加强的部位 5、3~5 厚聚合物抹面胶浆粘贴耐碱玻璃纤维网布满贴,并用抹刀将耐碱玻璃纤维网布压入抹面胶浆中6、基层整修平整,刮腻子7、喷涂氟碳漆类涂料8、详图构造见 88J2-9 外 2:干挂大理石墙面(适用于较高标准的永久性建筑) 1、15 厚 1:2.5 水泥砂浆(200 厚钢筋混凝土墙)或专用配套砂浆(200 厚加气混凝土墙)将墙体基层找平 2、预制铁件红丹打底防锈 3、10 厚胶粘剂刮于板背面 4、80 厚聚苯板加压粘牢,板面清理平整 5、胶粉颗粒嵌缝 6、1.5 厚聚合物抹面胶浆粘贴耐碱玻璃纤维布满贴,于加强的部位 7、3~5 厚聚合物抹面胶浆粘贴耐碱玻璃纤维网布满贴,并用抹刀将耐碱玻璃纤维网布压入抹面胶浆中 8、钢架及配件与预埋铁件焊接 9、干挂 25 厚大理石(花岗石),耐候胶嵌缝五、内墙做法内 1:乳胶漆墙面(25 厚) 1、乳胶漆面层 2、墙面满刮腻子找平 3、8 厚 1:2.5 水泥砂浆找平层 4、12 厚 1:3 水泥砂浆打底内 2、贴面砖防水墙面(30 厚)(适用于卫生间、公共厨房) 1、贴 5 厚釉面砖,白水泥擦缝 2、聚合物水泥砂浆 5 厚结合层 3、聚合物水泥基防水涂膜 1.0 厚 4、8 厚 1:2.5 水泥砂浆找平层 5、12 厚 1:3 水泥砂浆打底内 3:湿挂大理石(花岗石)墙面(50 厚) 1、稀水泥浆擦缝 2、由板背面预留穿孔穿 18#铜丝与双向钢筋网固定,安装 25 厚花岗石(大理石)板 3、钢筋缝隙用 1:2.5 水泥砂浆边挂边填实 4、电焊φ6 双向钢筋网,间距按板材尺寸,并与预埋钢筋焊接 5、钻孔预埋φ6 钢筋长 150,双向间距按板材尺寸六、顶棚做法棚 1:乳胶漆顶棚(15 厚) 1、刷乳胶漆三道 2、满刮腻子找平 3、5 厚 1:2.5 水泥砂浆罩面 4、5 厚 1:3 水泥砂浆打底5、刷素水泥浆一道(内掺水重 5%的 108 胶)棚 2:轻钢龙骨石膏板吊顶 1、刷涂料(乳胶漆) 2、棚面刮腻子找平 3、9 厚纸面石膏板自攻螺丝拧牢 4、轻钢龙骨(上人吊顶须验算龙骨断面) 5、φ8 钢筋吊顶,双向吊点中距 900,与角钢焊接6、φ12 膨胀螺丝栓固定 36×4 角钢长 40 棚 3:轻钢龙骨铝扣板吊顶 1、挂 0.8~1 厚铝板 2、轻钢龙骨(上人吊顶须验算龙骨断面) 3、φ8 钢筋吊顶,双向吊点中距 900,与角钢焊接 4、φ12 膨胀螺丝栓固定 36×4 角钢长 40七、屋面做法屋 1:Ⅱ级防水(15 年)有隔热层上人平屋面(倒置式) 1、卧铺 10 厚缸地砖面层,干水泥扫缝,每 3M×6M 留 10 宽缝,填 1:3 石灰砂浆;其结合层为 1:3 干硬性水泥砂浆 25 厚 2、40 厚 C25 配筋细石砼(掺减水剂双向配φ4@150,每 6 米设缝,密封胶嵌缝)3、65 厚挤塑泡沫保温隔热板 4、3+3 厚双层 SBS 改性沥青卷材 5、基层处理机:氯丁胶稀释液 6、20 厚 1:3 水泥砂浆找平层,砂浆中掺聚丙烯或锦纶-6 纤维 7、屋面板结构找坡(或 1:8 水泥膨胀珍珠岩建筑找坡,最薄处 30 厚)注:防水材料均应采用不含焦油型屋2:有隔热层不上人平屋面(倒置式) 1、卧铺 10 厚缸地砖面层,干水泥扫缝 2、20 厚 1:2.5 水泥砂浆保护层 3、65 厚挤塑泡沫保温隔热板 4、3+3 厚双层 SBS 改性沥青卷材 5、基础处理剂:氯丁胶稀释液 6、1:3 水泥砂浆找坡找平层(最薄处 15 厚)注:防水材料均应采用不含焦油型屋 4:飘板(适用于室外飘板、钢筋混凝土雨篷) 1、8 厚聚合物水泥砂浆(压入一层耐碱玻璃纤维格布) 2、板上、下、侧面均采用聚合物砂浆粘贴 30 厚挤塑聚苯板【参《建筑构造通用图集》(墙身-外墙外保温)88J2-9 第 18 页】八、踢脚做法踢 1、瓷砖踢脚(100 高) 1、贴 8~10 厚专用瓷砖踢脚板,白水泥擦缝 2、水泥胶结合层3、12 厚 1:2.5 水泥砂浆找平层4、刷素水泥浆一道踢 2、大理石(花岗石)踢脚(100 高) 1、稀水泥浆擦缝 2、安装 20 厚大理石(花岗石)板 3、20 厚 1:2 水泥砂浆灌缝 4、刷素水泥浆一道九、散水做法散 1、水泥砂浆散水(散水宽 800) 1、1:2.5 水泥砂浆 15 厚抹平 2、40 厚 C15 混凝土,与墙体连接处,转折处及每 6 米设缝,密封胶嵌缝 3、100 厚 C10 素砼垫层 4、素土夯实,向外找坡 4%十、坡道台阶做法坡 1、水泥防滑坡道(台阶) 1、20 厚 1:2 水泥砂浆抹面,15 宽金刚砂防滑条,中距 80,凸出坡面 2、100 厚 C25 混凝土,每 6 米设缝,密封胶嵌缝 3、200 厚级配砂石垫层 4、素土碾压密实坡 2:广场砖、地砖、大理石、花岗石坡道(台阶),水泥砂浆勾缝或水泥浆擦缝 1、铺广场砖(或地砖、大理石、花岗石) 2、撒素水泥面,洒适量清水 3、30 厚 1:4 干硬性水泥砂浆结合层(转弯处由外径向内径找坡) 4、素水泥浆结合层一遍 5、100 厚 C15 砼 6、300 厚三七灰土 7、素土夯实(坡度按单项工程设计)坡 3:广场砖、地砖、大理石、花岗石坡道(台阶),水泥砂浆勾缝或水泥浆擦缝 1、铺广场砖(或地砖、大理石、花岗石) 2、撒素水泥面,洒适量清水 3、30 厚 1:4 干硬性水泥砂浆结合层(转弯处由外径向内径找坡) 4、结构板坡 4:混凝土坡道 1、50 厚 C20 细石砼面层,表面压出防滑条(转弯处由外径向内径找坡) 2、结构板十一、十一、地下室做法地防 1:结构自防水+涂料防水(外防水)墙身防水:(外防外涂)(总厚度 92+砼墙厚)2、钢筋砼结构自防水,抗渗顶级 P8,砼厚度≧4003、刷基层处理剂一道4、涂刷 BJ707 防水层六道5、50 厚聚苯板保护层,用聚醋酸乙烯胶粘剂点粘6、回填土分层夯实地板防水:(外防外涂)(总厚度 184+底板厚) 1、2、钢筋砼结构自防水,抗湿等级 P8,砼厚度≧300 3、40 厚 C20 细石砼保护层 4、铺塑料反射膜 5、1.5 厚高分子卷材 6、刷基层处理剂一道7、100 厚 C15 砼垫层,原浆压平8、素土夯实,压实系数≧0.94 注:防水材料均应采用不含焦油型顶板:(临时部分)(总厚度 300+砂垫层+底板厚) 1、铺广场砖,水泥砂浆勾缝 2、撒素水泥面,洒适量清水 3、25 厚 1:3 干硬性水泥砂浆结合层 4、180 厚C25 混凝土(分块捣制,随打随抹平,每 6 米设缝,热沥青浇缝) 5、级配砂垫层碾实(厚度计算依据室内设计标高) 6、65 厚聚苯板(容重为 25kg/m3 ) 7、大于 1mm 厚高分子带胎基防水材料防水层 8、粘结剂涂刷9、钢筋砼结构层注:防水材料应采用不含焦油型十二、十二、水池做法地板及内侧壁(总厚度:55+池壁(底板)厚)内侧壁 1、水泥素浆贴白色瓷砖,瓷砖缝隙涂 901 防藻、防霉涂料 2、10 厚聚合物水泥砂浆防水层 3、20 厚聚合物水泥砂浆防水层 4、钢筋砼池壁(底板)自防水,抗渗等级 P8 壁厚详结施图外侧壁外侧壁 1、防霉乳胶漆面层 2、墙面满刮腻子找平 3、8 厚 1:2.5 水泥砂浆打底 4、12 厚 1:3 水泥砂浆打底5、钢筋砼池壁自防水,抗渗等级 P8,壁厚详结施图顶板面(总厚度:42+砼板厚) 1、20 厚1:2 水泥砂浆随手抹光 2、2 厚聚氨酯防水涂料(非焦油型) 3、20 厚 1:2 水泥砂浆找平 4、钢筋砼板十三、十三、油漆漆 1:金属面调和漆 1、除锈 2、防锈漆或富锌漆一道 3、刮腻子、磨光 4、调和漆二道十四、饰面层二次装修定的毛坯地面、十四、饰面层二次装修定的毛坯地面、楼面及内墙面做法毛坯楼 1:(20 厚) 1、钢筋砼楼板、原浆搓麻毛坯楼 2:(防水),41 厚) 1、20 厚 1:2 水泥砂浆找平 2、BJ707 六道 3、刷氯丁胶稀释液一道 4、20 厚 1:2 水泥砂浆找平找坡层(最薄处 20 厚) 5、钢筋砼楼板毛坯楼 3:(防水) 1、50 厚 C15 素砼 2、1:6 水泥膨胀珍珠岩填充找坡层,坡度为 2%披向地漏 3、铺塑料反射膜 4、BJ707 六道 5、刷氯丁胶稀释液一道 6、20 厚 1:2 水泥砂浆找平 7、钢筋砼楼板毛坯墙 1:(20 厚) 1、8 厚 1:2 水泥砂浆抹光 2、12 厚 1:2.5 水泥砂浆打底找平 3、墙体毛坯墙 2:(防水,21 厚) 1、1:2 水泥砂浆 1800 以下压平,以上搓麻(卫生间 1800mm 一下做 BJ707 三道,表面喷砂) 2、墙体毛坯棚 1: 1、刷素水泥浆一道(内掺水重 5%的 108 胶) 2、钢筋砼楼板毛坯棚 2: 1、白色乳胶漆二道(不得抹灰) 2、1:2 水泥砂浆修补平整光滑 3、钢筋砼楼板装修做法表:商业、 SOHO 房间、毛坯楼 1 地下一层商业部分、其它卫生间毛坯楼 2 楼梯间毛坯楼 1 地下楼梯间楼地面踏步贴防滑条踏步水泥砂浆压光加 A8 钢筋护爪 (3A6 埋爪),水泥砂浆踢脚线。
高层住宅统一构造做法一、地下室部分(一)地下室底板:(从上至下)1、150厚C25混凝土随捣随抹光,内配双层双向钢筋网φ6@200;2、三彩布隔离层;3、最薄处100厚碎石(10~30mm)1%找坡,坡向设置的排水明沟,排水明沟坡向集水井;4、沿排水沟边设100(宽)X100(高)、C20素混凝土坎,予埋φ20@2000 PVC塑料排水管(L=150、壁厚=2.5);5、自防水钢筋混凝土底板(抗渗等级按设计要求);6、低压配电室等设备用房面层铺贴防滑地砖。
(二)地下室外墙外侧:(从外至内)1、回填土;2、25厚发泡聚苯乙烯板(密度:32kg)保护层;3、1.5+1厚911防水涂膜,中间加玻纤布作胎体;4、刷冷底子油;5、自防水钢筋混凝土外墙(抗渗等级按设计要求)。
(三)地下室外墙内侧:(从外至里)1、白色ICI外墙涂料;2、5厚1:2.5水泥砂浆罩面(0.9kg杜拉纤维/m3水泥砂浆);3、15厚1:2.5水泥砂浆打底;4、自防水钢筋混凝土外墙(抗渗等级按设计要求)。
(四)地下室内墙、柱:(从外至里)1、白色优质内墙乳胶漆;2、满刮双飞粉内墙腻子;3、5厚1:2.5水泥砂浆罩面(0.9kg杜拉纤维/m3水泥砂浆);4、15厚1:2.5水泥砂浆打底;5、钢筋混凝土墙、柱。
(五)地下室顶棚:地下室天棚为混凝土结构板,不抹灰。
(六)地下室板顶:(从上至下)1、面层(视环境设计定);2、40厚C20细石混凝土,内配筋Ø6@200双向,设间距≤6000分格缝(钢筋必须断开),缝宽10 mm,缝内嵌弹性密封材料;3、25厚挤塑聚苯乙烯泡沫塑料板保温层(容重:32kg/m3)(只在商场及居委会上空做保温层,其它部位不做);4、体积比1:8陶粒混凝土找坡2%并压平,最薄处20厚(视现场情况设排气孔);1、2厚911聚氨脂防水涂膜,中间加玻纤布作胎体;1.5厚911防水涂料在山墙四周、水沟、屋面管道周围涂刷加强层,宽度至少250,卷起至少250(至完成面);2、自防水钢筋混凝土板原浆压光(防水等级设计院确定)。
建筑构造统一做法表内墙分类基本特征和做法对于住宅户内除厨房、卫生间以外的所有厅室,以及公建内除卫生间、设备用房(管井)以外的所有房间,我们采用15mm厚1:1:4白灰膏混合砂浆找平,然后再用白色腻子刮平的方法。
对于住宅套内的与砌体处于同一墙面的钢筋混凝土剪力墙及砌体墙面,我们也采用同样的方法。
对于住宅户内除厨房、卫生间以外的所有厅室,但不与砌体处于同一墙面的钢筋混凝土剪力墙面,我们采用基层处理,粉刷石膏找平,然后再用白色腻子两遍刮平的方法。
对于公建内除卫生间、设备用房(管井)以外的所有房间,但不与砌体处于同一墙面的钢筋混凝土剪力墙,我们同样采用这种方法。
对于住宅厨房和卫生间,以及公建卫生间,我们采用不同的方法。
对于内墙1混合砂浆墙面,我们首先进行基层处理,粉刷石膏找平,然后再用白色腻子两遍刮平的方法。
对于内墙1A钢筋混凝土基层,我们只需要使用腻子刮平的方法。
对于内墙2水泥砂浆墙面和防水水泥砂浆墙面,我们分别采用毛面交工和涂料完成面交工的方法。
对于内墙3和内墙4,我们采用乳胶漆墙面和混合砂浆基层的方法,但在涂料方面略有不同。
对于内墙5和内墙5A,我们采用水泥砂浆墙面和涂料面层的方法,但在基层处理和涂料方面略有不同。
对于内墙6防水水泥砂浆墙面和内墙7保温内隔墙,我们分别采用涂料完成面交工和乳胶漆面层的方法。
最后,对于用于热力小室、地下水泵房、报警阀室、热交换站、水箱间等的内墙5,我们采用墙体基层,20mm厚1:2.5水泥砂浆掺入水泥用量3%的硅质密实剂,分3次抹灰,收水时压实,水泥应采用不低于32.5级的硅酸盐水泥或普通硅酸盐水泥的方法,然后再喷、刷浅色耐擦洗内墙涂料。
对于设备用房(变配电间等)、电梯机房、地下车库、设备管道间、地下室楼梯间、消防控制室等无水房间的内墙5和钢筋混凝土剪力墙、钢筋混凝土柱,我们同样采用不与砌体处于同一墙面的钢筋混凝土剪力墙、钢筋混凝土柱的方法。
对于住宅楼梯间、公共走廊、电梯厅中不需要做内隔墙保温的墙面,我们不做任何处理。
结构设计1 基本规定1.1 结构安全等级《建筑结构设计统一标准》 GBJ68__841.0.5建筑结构设计时,应根据结构破坏可能产生的后果(危及人的生命、造成经济损失、产生社会影响等)的严重性,采用不同的安全等级。
建筑结构安全等级的划分应符合表1.0.5的要求。
建筑结构的安全等级表1. 0. 5注:①对于特殊的建筑物,其安全等级根据具体情况另行确定;②当按抗震要求设计时,建筑结构的安全等级应符合《建筑抗震设计规范》的规定。
1.2 结构荷载和组合《建筑结构荷载规范》GBJ9-872.2.1建筑结构设计应根据使用过程中在结构上可能同时出现的荷载,按承载能力极限状态和正常使用极限状态分别进行荷载效应组合,并取各自的最不利组合进行设计。
2.2.2对于承载能力极限状态,应采用荷载效应的基本组合和偶然组合进行设计,并采用下列设计表达式:γ0S≤R (2.2.2)式中γ0__结构重要性系数,对安全等级为一级、二级和三级的结构构件,可分别取1.1、1.0和0.9;结构构件的安全等级,应按有关建筑结构设计规范的规定确定;S__荷载效应组合的设计值;R__结构构件抗力的设计值,应按有关建筑结构设计规范的规定确定。
2.2.5对于正常使用权限状态,应根据不同的设计要求,分别采用荷载的短期效应组合和长期效应组合进行设计。
2.2.6荷载分项系数,应按下列规定采用:一、永久荷载的分项系数:当其效应对结构不利时,取1.2;当其效应对结构有利时,取1.0。
二、可变荷载的分项系数:一般情况下取1.4;对楼面结构,当活荷载标准值不小于4kN/m时,取1.3。
注:验算倾覆和滑移时,对抗倾覆和滑移有利的永久荷载,其分项系数可取 0.9;对某些特殊情况,应按有关建筑结构设计规范的规定确定。
2.2.7在一般情况下,当有风荷载参与组合时,荷载组合值系数取0.6;当没有风荷载参与组合时,荷载组合值系数取1.0。
对于一般排架、框架结构,当有两个或两个以上的可变荷载参与组合且其中包括风荷载时,荷载组合系数取0.85;在其他情况下荷载组合系数均取1.0。
建筑构造统一做法表在建筑领域,为了确保建筑物的质量和安全性,需要在设计和施工过程中采用统一的做法。
本文将为您提供一份建筑构造统一做法表,旨在提高建筑项目的效率和标准化水平。
地基基础建设1.地基处理方式:根据工程地质勘察结果确定地基处理方式,包括开挖、回填、压实、沉降预测等。
2.基础施工技术:使用标准的混凝土浇筑技术,确保基础的强度和耐久性。
3.地下室防水:采用防水材料和防水技术,确保地下室不受潮湿影响。
结构建设1.结构材料:采用合格的混凝土、钢筋和木材等材料,确保结构的稳固和安全性。
2.结构设计:根据相关规范和标准,对建筑结构进行设计,确保结构的稳定和耐用性。
3.结构施工技术:进行标准的结构建设过程,包括混凝土浇筑、钢筋绑扎等。
电气建设1.电气设计:按照建筑电气设计规范,对建筑电气进行规划和布局。
2.电气安装:采用合格的电线、电缆和电气设备,确保电气设备的安全和可靠性。
3.电气维护:定期检查和维护建筑电气设备,确保其运行正常,预防隐患的出现。
空调建设1.空调设计:根据建筑内部面积和环境要求,进行合理的空调系统设计。
2.空调设备:使用符合国家标准和规范的空调设备,确保其效率和安全性。
3.空调维护:定期对空调进行检查和维护,保证其运行顺畅,保持室内空气质量。
建筑安全1.消防系统:使用符合国家标准和规范的消防设备和器材,进行消防系统设计和安装。
2.防火措施:按照相关规定和标准,进行防火设计和建设工作。
3.安全监管:配备专业人员进行建筑安全管理工作,加强安全监督。
总结本文提供了一份建筑构造统一做法表,包括地基基础建设、结构建设、电气建设、空调建设和建筑安全等方面,旨在帮助设计师、施工人员和管理人员提高建筑项目的效率和标准化水平,确保建筑物的质量和安全性。
注意:此文档仅供参考,具体建设过程应根据相关法律法规和规范执行。
总则1、制目的:为保证xx产品品质,统一规范建筑构造做法。
2、适用范围:适用于地产公司下属各房产公司的住宅项目。
3、编制依据在国家相应规范及标准的基础之上,结合xx地产住宅项目开发的实践经验编制。
4、说明4.1公共部分装修仅限于构造层次,其效果由设计确定;4.2营销中心、物业管理用房、社康中心、公共卫生间等由精装修设计确定装修做法。
4.3地下室底板的防水做法及二次构造做法,新开项目应在项目启动会或预备会的时候确定;地下室底板的防水做法及二次构造做法已开项目应由房产项目部牵头,联合集团研发中心、设计中心、采购中心、成本中心召开专题研讨会确定;4.4外墙节能做法,是否施工附加保温层,由区域房产公司总经理室根据当地政策确定。
外墙若需施工保温层,原则上按图纸节能设计施工(图纸节能设计已经按既满足规范要求也达到成本最优的角度考虑)。
4.5若有公共厨房,楼地面应考虑附加防水层。
4.6首层室内外交接处:遇水外填充墙底部浇筑混凝土反坎,且一次成型,反坎高度超过室外种植完成面或铺装完成面250mm;室外防水材料施工上反高度要求超出室外种植面、装饰面250mm;4.7楼层的阳台、露台以及屋面等部位在室内外交接处:遇水外填充墙底部浇筑混凝土反坎,且一次成型,反坎高度不低于室外完成面200mm;露台室外防水材料施工上反高度要求超出室外完成面200mm;目录1楼地面 (1)1.1楼面 (1)1.1.1楼面1(混凝土楼面) (1)1.1.2楼面2(有防水层) (1)1.1.3楼面3(局部有防水层) (1)1.1.4楼面4(水泥砂浆楼面) (1)1.1.5楼面5(地下室顶板) (1)1.1.6楼面6(水泥砂浆+灰色地坪漆) (2)1.2地面 (2)1.2.1地面1(细石混凝土地面) (2)1.2.1.1底板有滤水层 (2)1.2.2地面2(地坪漆+绝缘胶垫) (2)1.2.3地面3(细石混凝土+蓝色地坪漆) (2)1.2.4地面4(防静电地板) (3)1.2.5地面5(砂浆地面) (3)1.2.6地面6(混凝土地面) (3)1.3楼地面 (4)1.3.1细石混凝土楼地面(原浆压光) (4)2墙面 (4)2.1内墙面 (4)2.1.1内墙1(水泥砂浆墙面) (4)2.1.2内墙2(防水墙面) (4)2.1.3内墙3(大白浆墙面) (4)2.1.4内墙4(内墙乳胶漆墙面) (5)2.1.5内墙5(内墙乳胶漆/1米以下同地坪漆) (5)2.1.6外墙6(水泥腻子墙面) (5)(1)墙体; (5)2.2外墙面 (6)2.2.1外墙1(面砖外墙面) (6)2.2.2外墙2(涂料外墙面) (6)2.2.3外墙3(湿贴石材外墙面) (6)2.2.4外墙4(干挂石材外墙面) (7)2.2.5外墙6(防水外墙面) (7)2.2.6外墙7(水泥砂浆墙面) (7)3天棚装饰 (7)3.1顶棚1(内墙腻子顶棚) (7)3.2顶棚2(二次装饰部位) (8)3.3顶棚3(外墙乳胶漆顶棚) (8)3.4顶棚4(内墙乳胶漆顶棚) (8)4屋面工程 (8)4.1平屋面 (8)4.1.1平屋面1(上人屋面) (8)4.1.2平屋面2(上人屋面) (9)4.1.3平屋面3(不上人屋面) (9)4.1.4平屋面4(不上人屋面) (9)4.2坡屋面 (9)4.2.1坡屋面1(湿贴法) (9)4.2.2屋面装饰斜檐(湿贴法) (10)5零星工程(水池、烟道等) (10)5.1水池(仅限于钢筋混凝土水池的底面及四周墙面) (10)5.1.1消防水池 (10)5.2烟道 (10)5.2.1室内烟道 (10)5.3踢脚线做法 (11)6.节能做法(外墙、屋面等) (11)7.屋面天沟(外天沟等) (11)1楼地面1.1楼面1.1.1楼面1(混凝土楼面)(应用范围:客厅、餐厅、过道、卧室、书房、水井、电井等楼面)(2)钢筋混凝土结构楼板原浆收平拉细毛面,(其中水井、电井原浆压光);(1)钢筋砼结构楼板;1.1.2楼面2(有防水层)(应用范围:卫生间)(3)1.2厚JS聚合物水泥防水涂料,遇墙翻起高度高于楼面标高250;(2)最薄处20厚1:2.5水泥砂浆找平找坡,阴角做R=50小圆角;(1)钢筋砼结构楼板;1.1.3楼面3(局部有防水层)(应用范围:阳台、厨房、入户花园)(2)管道、烟道根部等节点处300mm范围内做附加防水处理,厨房烟道处上返300mm高(1.2厚JS聚合物水泥防水涂料),其余部位不做防水层;(1)结构楼板,原浆收平拉细毛面;1.1.4楼面4(水泥砂浆楼面)(应用范围:消防楼梯踏步/休息平台)(2)30厚1:2水泥砂浆找平压光,做100mm高水泥腻子踢脚线;(1)钢筋混凝土结构板;1.1.5楼面5(地下室顶板)(应用范围:地下室顶板)(4)饰面层或园林等(按设计要求);(3)40厚C20细石混凝土(内配双向Ф4@200钢筋网片,设间距≤6000的分隔缝,缝宽15,钢筋在缝内断开,缝内嵌聚氨酯胶);(2)3厚聚合物改性沥青聚酯胎防水卷材(①架空层区域结构楼板面高于室外完成面标高的则不做防水层;架空层区域有种植和水景的部位必须做防水;②套管、伸缩缝等关键节点要求按设计图纸、相关图集实施);(1)抗渗钢筋砼结构顶板原浆抹光(抗渗等级按结构图纸设计要求);1.1.6楼面6(水泥砂浆+灰色地坪漆)(应用范围:电梯机房。
《建筑构造统一做法》一览道路做法:一、路3:广场砖车行路面(515厚)(适用于车行道,消防环路)1、铺广场砖,水泥砂浆勾缝。
2、撒素水泥面,洒适量清水。
3、25厚1:3干硬性水泥砂浆结合层。
4、180厚C25混泥土(分块捣制,随打随抹平,每6米设缝,缝宽20~30,热沥青浇缝)。
5、300厚级配沙垫层碾实。
6、路基碾压密实≥93%。
二、路4:混泥土整体路面(320厚)(适用于小区车行道)1、120厚C25混泥土面层(分块捣制密实,随打随抹平,每6米设缝,缝宽20~30,热沥青浇缝)。
2、200厚级配沙垫层碾实。
3、路基碾压密实≥93%。
三、路13:嵌草砖停车场(300厚)。
1、砖孔及砖缝处填种植土内掺草籽。
2、80厚预制嵌草水泥砖。
3、细石砼边砌边填。
4、200厚级配沙垫层碾实。
5、路基碾压密实≥93%。
地面做法:一、地2:混泥土地面(320厚)(适用于停车库)1、60厚C20混泥土随打随抹平,上撒1:1水泥砂浆压实赶光,(每6米分格浇注)。
(面涂固化剂或环氧树脂)2、200厚级配沙垫层碾实。
3、素土夯实压实系数≥93%。
二、地4:水泥砂浆地面(180厚)1、20厚1:2水泥砂浆抹面压实赶光。
2、刷素水泥浆一道。
3、10厚聚合物水泥防水砂浆。
4、100厚C15素砼垫层。
5、素土夯实压实系数≥93%。
三、地6:地砖地面(180厚)1、8~10厚铺地砖地面,干水泥擦缝。
2、撒素水泥面,洒适量清水。
3、20厚1:4干硬性水泥砂浆结合层。
4、刷素水泥浆一道。
5、10厚聚合物水泥防水砂浆。
6、100厚C15素砼垫层。
7、素土夯实压实系数≥93%。
楼面做法:一、楼2:水泥砂浆楼面(20厚)(楼梯间)1、20厚1:2水泥砂浆抹面压实赶光。
2、刷素水泥浆一道。
3、结构楼板。
二、楼4:地砖楼面(30厚)(电梯间)1、8~10厚铺地砖楼面,干水泥擦缝。
2、撒素水泥面,洒适量清水。
3、20厚1:4干硬性水泥砂浆结合层。
建筑结构设计所需基本条件一、熟悉建筑结构设计所需规范、规程和标准1.在进行建筑结构设计时,应掌握和了解的规范规程和标准有混凝土结构设计规范(GB50010-2010)建筑抗震设计规范(GB50011-2010)建筑地基基础设计规范(GB50007-2011)建筑结构荷载规范(GB50009-2012)砌体结构设计规范(GB50003-2011)高层建筑混凝土结构技术规程(JGJ 3-2010)钢结构设计规范(GB50017-2011)建筑结构可靠度设计统一标准(GB50068-2001)建筑结构制图标准(GB/T50105-2010)建筑结构设计术语和符号标准(GB50083-)二、熟读建筑条件图,了解各专业条件结构设计需参考的图形与专业条件:1.总平面图。
了解该项目在总平面图上的位置,在进行基础设计时,可以从勘察报告中确定该项目的地质条件,正确进行基础设计和计算。
2.每一层的建筑平面图。
了解建筑平面尺寸,确定结构建模所需网格尺寸和轴线编号,结合建筑剖面确定结构标准层数。
3.建筑立面图。
了解建筑物得里面复杂性和悬挑构件的尺寸与层高,在三维分析时,以确定建筑物的复杂性参数。
4.建筑剖面图。
了解建筑物的层高,结合建筑平面确定结构建模时的标准层数。
5.建筑总说明。
了解建筑材料,确定结构建模时所需的楼面荷载和梁上荷载。
6.建筑节点详图。
了解建筑做法,确定结构类型和计算条件。
7.了解给排水专业设计条件。
确定楼面、墙面、基础所需预留、预埋条件及相应的补强措施。
8.了解暖通空调专业设计条件。
确定楼面、墙面、基础等部位设计时所需预留、预埋条件和悬挂荷载以及相应的补强措施。
9.了解电气专业设计条件。
确定电气专业的预留、预埋条件及楼板、墙板厚度是否满足预留、预埋后的构造要求。
三、结构设计应具备的条件1.设计依据及设计要求a.自然条件。
包括风荷载、雪荷载、工程所在地区的地震基本烈度、工程地质和水文地质情况,其中着重对场地地质条件(如软弱地基、膨胀土、滑坡、溶洞、冻土、抗震的不利地段等)分别予以说明。