各隐蔽工程验收单精编版
- 格式:doc
- 大小:99.00 KB
- 文档页数:8
上海市建筑工程安全质量监督总站制
学习-----好资料
建筑B-16
隐蔽工程验收单
建筑B-16 隐蔽工程验收单
建筑B-16 隐蔽工程验收单
建筑B-16 隐蔽工程验收单
建筑B-16
隐蔽工程验收单
屋面分部工程,涂膜防水层分项工程,屋面隔离层(冷底子
油)检验批涂刷隐蔽验收
1、材料质量;
2、配合比;
3、冷底子油涂刷均匀程度;
建筑B-16 隐蔽工程验收单
建筑B-16
隐蔽工程验收单
屋面分部工程,刚性保护层分项工程,屋面刚性防水层、油
膏嵌缝(40厚C25细石混凝土屋面1-39轴±4双向配筋防水
层)检验批隐蔽验收
1、混凝土混合比;
2、配筋;
3、表面平整度;
建筑B-16 隐蔽工程验收单
建筑B-16 隐蔽工程验收单。
工程名称分项工程名称隐蔽工程项目施工标准名称及代号隐蔽工程部位施工单位自查结论监理单位查收结论地面砖隐蔽工程查收记录编号:001地面、地砖施工单位地砖、粘合层项目经理《装饰装饰工程质量查收规施工图纸名称及范》( GB50210-2001)编号质量要求施工单位自查记录监理单位查收记录面层所用的板块的品种、质合格量一定切合设计要求。
面层与下一层的联合(粘结)合格应坚固,无空鼓。
面砖面层的表面应干净、图案清楚,色彩一致,接缝平合格整,深浅一致,周边顺直。
板块无裂纹、掉角和缺楞等面层毗邻处的镶边用料及尺寸应切合设计要求,边角整合格齐,圆滑。
踢脚线表面应干净、高度一致、联合坚固、出墙厚度一合格致。
项目经理:年代日专业监理工程师:年代日分项工程名称施工单位隐蔽工程项目项目经理施工标准名称《装饰装饰工程质量查收规施工图纸名称及及代号范》( GB50210-2001)编号质量要求施工单位自查记录监理单位查收记录敷设用的管材管件切合合同合格及规范要求。
管材固定靠谱接头办理切合合格规范要求。
线缆的品种、规格、型号符隐蔽工程部位合会同及规范的要求。
敷设合格方式正确。
各样检测达到查收规范要合格求。
施工单位自查结论项目经理:年代日监理单位查收结论专业监理工程师:年代日分项工程名称施工单位隐蔽工程项目项目经理施工标准名称《装饰装饰工程质量查收规施工图纸名称及及代号范》( GB50210-2001)编号质量要求施工单位自查记录监理单位查收记录木龙骨的焚烧性能等级应符合格合设计要求。
饰面板安装工程的预埋件(或后置埋件)、连结件的数量、规格、地点、连结方法合格和防腐办理一定切合设计要求。
隐蔽工程部位木龙骨骨架安装坚固,表面合格应平坦、干净,无缺损施工单位自查结论项目经理:年代日监理单位查收结论专业监理工程师:年代日洗手间防水隐蔽工程查收记录编号: 004 工程名称分项工程名称施工单位隐蔽工程项目项目经理施工标准名称《装饰装饰工程质量查收规施工图纸名称及及代号范》( GB50210-2001)编号质量要求施工单位自查记录监理单位查收记录防水层的资料,其材质一定切合设计要乞降国产业品标合格准的规定。
隐蔽工程验收记录表(全套范例)苏州轨道交通工程承包单位:XXX合同号:苏轨(2012)合计施字I-02号监理单位:XXX编号:地面砖面层隐蔽工程验收记录工程名称XXX气象台迁建工程2#附属用房地面砖面层工程地面砖工程经理***分项工程名称隐蔽工程工程施工标准名称及代号专业工长施工单位施工图纸名称及编号XXX监理(建设)单位验收记录装饰装修工程质量验收规范GB-2001质量要求面层所用的板块的品种、质量必须符合设计要求。
面层与下一层的联合(粘结)应牢固,无空鼓。
砖面层的表面应洁净、图案清晰,色泽一致,接缝平整,深浅一致,周边顺直。
板块无裂纹、掉角和缺楞等缺陷。
面层邻接处的镶边用料及尺寸应符合设计要求,边角整齐、光滑。
踢脚线表面应洁净、高度一致、结合牢固、出墙厚度一致。
楼梯踏步和台阶板块的缝隙宽度应一致、齿角整齐;楼层梯段相邻踏步高度差不应大于10mm;防滑条顺直。
面层外表的坡度应符合设计请求,不倒泛水、无积水;与地漏、管道结合处应严密牢固,无渗漏。
施工单位自查记录符合设计要求符合要求符合请求隐蔽工程部位:符合设计请求符合要求符合要求符合设计请求施工单位自查结论经检查,本分项工程符合设计及国家相关规定要求。
施工单位工程技术负责人:年月日监理(建设)单位验收结论监理工程师(建设单位工程负责人):年月日注:如需绘制图纸的附本记录后。
苏州轨道交通工程承包单位:XXX合同号:苏轨(2012)合计施字I-02号矚慫润厲钐瘗睞枥庑赖。
监理单位:XXX编号:饰面板安装隐蔽工程验收记录工程名称XXX气象台迁建工程2#隶属用房饰面板工程墙面木骨架、基层板制作安装工程司理***分项工程名称专业工长隐蔽工程工程施工标准名称及代号施工单位浙江***建设监理(建设)单位验收记录装饰装修工程质量验收尺度GB-2001质量要求施工图纸名称及编号施工单位自查记录接纳的优质烘干木材作木龙木龙骨的燃烧性能等级应符合设计要求。
骨(断面规格40*40,网络间距200*200施防火涂料3遍),其燃烧机能等均符合设计要求。
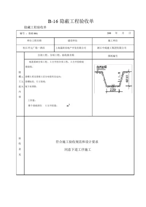
B-16 隐蔽工程验收单隐藏工程验收单编号:基础 001单位工程名称建设单位松江开元广场—酒店上海晟阳房地产开发有限公司分部工程、分项工程、验收批名称地基基础分部工程、土方开挖分项工程,土方开挖检验批验收。
隐藏1、基槽土质及基壁土层分布情形及走向;工2、基槽标高、尺寸放坡;程3、地下水排除。
内容工作量:整个基础部位土方开挖量:m3200年月日施工单位浙江中成建工集团有限公司图纸编号验收意见符合施工验收规范和设计要求同意下道工序施工施工单位签章监理单位签章建设单位签章建筑B-16隐藏工程验收单编号:基础002 200年月日单位工程名称建设单位施工单位松江开元广场—酒店上海晟阳房地产开发有限公司浙江中成建工集团有限公司分部工程、分项工程、验收批名称图纸编号基础分部工程,暗浜砂垫层隐藏验收隐藏1、砂垫层标高、厚度;工2、砂垫层几何尺寸;程3、砂垫层密实度;内4、砂的品种、质量。
容工作量:图示暗浜部位砂垫层:m3验收意见符合施工验收规范和设计要求同意下道工序施工施工单位监理单位建设单位签章签章签章建筑 B-16隐藏工程验收单编号:基础 003200年月日单位工程名称建设单位施工单位松江开元广场—酒店上海晟阳房地产开发有限公司浙江中成建工集团有限公司隐分部工程、分项工程、验收批名称图纸编号藏地基基础分部工程、混凝土分项工程,基础C15素混凝工土垫层检验批隐藏验收。
程内1、垫层标高、厚度;容2、垫层几何尺寸;3、垫层混凝土强度等级;4、垫层表面平坦度工作量:整个基础部位C15 素混凝土:m3验收意见符合施工验收规范和设计要求同意下道工序施工施工单位监理单位建设单位签章签章签章建筑 B-16隐藏工程验收单编号:基础 004200年月日单位工程名称建设单位施工单位松江开元广场—酒店上海晟阳房地产开发有限公司浙江中成建工集团有限公司分部工程、分项工程、验收批名称图纸编号基础分部工程、钢筋混凝土桩顶钢筋接入基础承台,接桩隐藏验收。
隐蔽工程验收表1. 项目概述本隐蔽工程验收表适用于进行隐蔽工程的验收过程,用于评估隐蔽工程的质量和完成情况。
隐蔽工程是指在建筑等工程施工过程中,对于不能轻易被观察到的构件、设备或系统的安装、布置、隐藏、覆盖等工作。
本验收表将会对隐蔽工程的基本要求进行核对和记录。
2. 验收项目以下是进行隐蔽工程验收的项目列表:1.墙体隐蔽工程2.地板隐蔽工程3.天花板隐蔽工程4.墙面装饰隐蔽工程5.天花板装饰隐蔽工程6.电气设备隐蔽工程7.水暖设备隐蔽工程8.通风设备隐蔽工程9.其他隐蔽工程(请注明)3. 验收标准•按照设计图纸和技术规范进行施工•施工过程符合相关法律法规要求•施工过程中没有影响其他施工作业的危险操作•施工过程中没有损坏其他装修部分或设备4. 验收内容4.1 墙体隐蔽工程•墙体保温层是否按照要求进行安装•墙体是否没有渗漏现象•墙体表面是否平整、垂直并无明显缺陷4.2 地板隐蔽工程•地面是否平整,无明显凹凸不平•地板是否没有开裂、空鼓等现象•地板铺贴是否符合设计要求4.3 天花板隐蔽工程•天花板保温层是否按照要求进行安装•天花板是否没有渗漏现象•天花板表面是否平整、垂直并无明显缺陷4.4 墙面装饰隐蔽工程•墙面装饰材料是否安装稳固,无松动现象•墙面装饰是否无明显裂缝、开裂等缺陷•墙面装饰是否符合设计要求4.5 天花板装饰隐蔽工程•天花板装饰材料是否安装稳固,无松动现象•天花板装饰是否无明显裂缝、开裂等缺陷•天花板装饰是否符合设计要求4.6 电气设备隐蔽工程•电气设备是否安装正确,符合国家标准和设计要求•电气设备是否接地良好,安全可靠•电气设备是否符合相关法律法规要求4.7 水暖设备隐蔽工程•水暖设备是否安装正确,符合国家标准和设计要求•水暖设备是否无渗漏现象•水暖设备是否符合相关法律法规要求4.8 通风设备隐蔽工程•通风设备是否安装正确,符合国家标准和设计要求•通风设备是否正常运转,能够满足设计要求•通风设备是否符合相关法律法规要求4.9 其他隐蔽工程请在下方填写其他隐蔽工程的验收内容。
地面砖面层隐蔽工程验收记录工程名称宁波***气象局气象台迁建工程*2#附属用房项目经理***分项工程名称地面砖面层工程专业工长隐蔽工程项目地面砖施工单位浙江***建设有限公司施工标准名称及代号装饰装修工程质量验收规范GB50210-2001施工图纸名称及编号隐蔽工程部位:质量要求施工单位自查记录监理(建设)单位验收记录面层所用的板块的品种、质量必须符合设计要求。
符合设计要求面层与下一层的结合(粘结)应牢固,无空鼓。
符合要求砖面层的表面应洁净、图案清晰,色泽一致,接缝平整,深浅一致,周边顺直。
板块无裂纹、掉角和缺楞等缺陷。
符合要求面层邻接处的镶边用料及尺寸应符合设计要求,边角整齐、光滑。
符合设计要求踢脚线表面应洁净、高度一致、结合牢固、出墙厚度一致。
符合要求楼梯踏步和台阶板块的缝隙宽度应一致、齿角整齐;楼层梯段相邻踏步高度差不应大于10mm;防滑条顺直。
符合要求面层表面的坡度应符合设计要求,不倒泛水、无积水;与地漏、管道结合处应严密牢固,无渗漏。
符合设计要求施工单位自查结论经检查,本分项工程符合设计及国家相关规定要求。
施工单位项目技术负责人:年月日监理(建设)单位验收结论监理工程师(建设单位项目负责人):年月日注:如需绘制图纸的附本记录后。
饰面板安装隐蔽工程验收记录工程名称宁波***气象局气象台迁建工程*2#附属用房项目经理***分项工程名称饰面板工程专业工长隐蔽工程项目墙面木骨架、基层板制作安装施工单位浙江***建设有限公司施工标准名称及代号装饰装修工程质量验收规范GB50210-2001施工图纸名称及编号隐蔽工程部位:质量要求施工单位自查记录监理(建设)单位验收记录木龙骨的燃烧性能等级应符合设计要求。
采用的优质烘干木材作木龙骨(断面规格40*40,网络间距200*200施防火涂料3遍),其燃烧性能等均符合设计要求。
饰面板安装工程的预埋件(或后置埋件)、连接件的数量、规格、位置、连接方法和防腐处理必须符合设计要求。
地面砖隐蔽工程验收记录
编号:001
施工单位
自査结论
项目经理:
监理单位
验收结论
专业监理工程师:
管线敷电隐蔽工程验收记录
饰面工程隐蔽工程验收记录
编号:003
卫生间防水隐蔽工程验收记录
編号: 004
工程需称
分项工程名称施工单位
隐蔽工程项目项目经理
施工标准名称《装饰装修工程质量验收规施工图纸需称及
及代号范》(GB50210・2001)编号
质量要求施工单位自査记录监理单位验收记录
隐蔽工程部位防水层的材料,其材质必须
符合设讣要求和国家产品标
在水泥类找平层上铺设防水
层时,英表而应坚固、洁净、
干燥。
铺设前应涂刷基层处
理剂。
基层处理剂应采用同
类涂料的底子汕。
铺设防水层时,在靠近增面
处应高出而层高度符合设讣
要求。
阴阳角应增加铺涂附
加防水隔离层。
防水层与下一层粘结牢固,
不得有空鼓:防水涂层应平
整均匀无脱皮起壳裂缝鼓泡
等缺陷
防水材料铺设后,必须蒂水
试验。
蓄水深度应为
20-30mm.24h内无渗漏为合
格,并做记录。
合格
合格
合格
合格
合格
施工单位
自査结论
项目经理:
监理单位
验收结论
专业监理工程师:
门套制隹及安餐隐蔽工程验收记录
轻钢龙骨吊顶隐蔽工程验收记录
编号:006
施工单位监理单位
隐蔽工程部位
自査结论
验收结论
普通抹灰基星隐蔽工程验收记录
编号: 007。