填挖交界路基施工技术交底书
- 格式:doc
- 大小:1.79 MB
- 文档页数:16
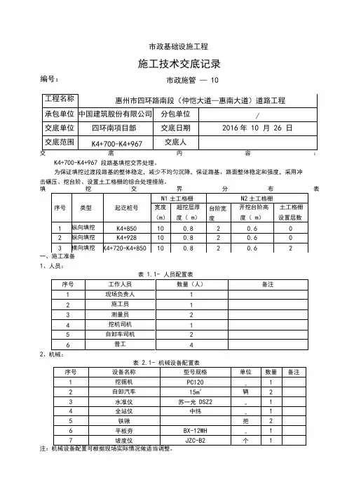
市政基础设施工程施工技术交底记录市政施管 — 10K4+700-K4+967 段路基填挖交界处理。
为保证填挖过渡段路基的整体稳定,减少不均匀沉降,保证路基、路面整体稳定和强度,采用冲 击碾压、挖台阶、设置土工格栅的综合处理措施。
填表一、施工准备1、人员:表 1.1- 人员配置表2、机械:表 2.1- 机械设备配置表编号:3、材料:①土工格栅:采用单向聚乙烯土工格栅,主受力方向应与路基变形趋势的方向一致,极限延伸率≤ 13%时,抗拉强度≥ 100KN/m;②级配碎石:级配良好,含有适量石屑,碾压后能形成密实骨架结构。
二、施工安排由于施工便道及刷坡土方运输影响,填挖交界处理需分先后顺序进行:第一步:完成K4+928 处台阶开挖,包括顺延的下级台阶,并进行人工修整;第二步:结合刷坡,对K4+850 处台阶进行开挖,防止超挖,采取人工修整;第三步:严格按照工艺流程,对这两处的纵向填挖交界同步进行处理;第四步:结合横向填挖交界处理工艺及刷坡进度,进行K4+720-K4+850 段横向填挖交界处理。
三、施工工艺流程高程复核桩位复核人工修整台回填碾压铺设土工格栅与土工格栅层数同步回填碾压回填碎石碾压填挖交界流程图本段填挖交界过渡段施工,采用机械与人工协同作业。
具体如下:第一步:测量放线,确定K4+850和K4+928处超挖层底部开挖位置及高程;第二步:使用小型挖掘机对K4+850 和K4+928处超挖层进行开挖,采取人工修整,同时保证平台向内形成4%斜坡;第三步:超挖层开挖完成后,接着开挖宽度为2m,高度0.4m 的开挖台阶,根据实际纵向高差,确定需要开挖的台阶层数,不设N2 土工格栅;第四步:从纵向地面坡脚外8m至坡顶交界处,用高性能压路机在平台处和路基顶面下20cm处各冲压3 遍;第五步:铺设土工格栅,用U形钉固定好,按工艺回填,选择合适机械碾压至压实度满足要求;第六步:回填碎石并碾压;第七步:按照以上步骤,结合横向填挖交界处理工艺,进行K4+720-K4+850 段横向填挖交界处理,包括2 层N2 土工格栅。
填挖交界处处理技术交底
注意填、挖交界处的拼接,碾压要做到密实无拼痕。
(5)地面坡率陡于1:2.5时,填挖交界处上下路床底面分别设置一层双向土工格栅,长10m,沿纵向填挖交界处大致对称布置,格栅横向宽度需达到路基设计边坡线;地面坡率陡于1:5时,原地面应挖台阶,台阶宽度不小于2m,台阶面应设4%的反坡。
(6)路基超挖宽度一般为10m,超挖后回填非粘性土。
如挖方为岩石路基,则不进行超挖。
(7)填方段纵向10m范围内填料材质与一般填筑段相同,但其压实度不小于96%,每填高3m用液压式压路机(18t以上)补压一次。
对纵向填挖交界分布比较密集的路段,全路段路床底面采用冲击式压路机补压一次(20遍)。
(8)地下水发育处,沿填挖交界处设置碎石盲沟,把地下水引出路基,以保证路基强度与稳定。
交底人签字:
日期:
接受人(全员)签字:
注:本交底一式三份,班组、交底人、资料保管员各一份。
路基挖方、填筑施工技术交底(上交)背景路基挖方、填筑施工是道路工程建设的重要环节之一,施工质量的高低直接影响公路使用的安全和舒适度。
为了保证工程施工质量,需要在施工前进行技术交底,明确施工流程、质量要求和安全措施。
技术交底内容一、施工流程1.现场勘察:对勘察结果进行审查,确认路基设计和施工标准,确定勘察范围,并进行标记。
2.现场清理:对确定路基的范围进行清理,把不符合要求的物块及杂物清除。
3.示范挖方:在挖方面积大的路段,先进行示范挖方,调整机具操作方法及挖方参数,便于后续作业的顺利开展。
4.挖方开挖:以设计标高为参考,进行路基削坡及挖方开挖。
注意挖掘深度,保证路基坡度和路面标高的接合。
5.开挖验收:每次开挖20毫米进行一次验收,确保开挖深度的正确性,避免因误差导致挖掘过深,引起路基坍塌或沉降等不良后果。
6.均匀调整:在开挖结束后,采用推土机、压路机等机械进行均匀调整,以减少路基坑差强度差的情况。
7.支方固结:对于土质较松软的路段,进行支方固结,保证路基的稳定性。
8.填筑压实:按照设计标高,从路基周围或临时堆场运来填料,进行填筑压实。
注意填筑压实的均匀性和标高的准确性。
9.压实验收:对于填筑压实不够的路段,使用压路机进行二次压实,以保证路基的稳定性和坚实性。
二、质量要求1.确保施工过程中,土方开挖范围内不得留有地渣、植物、废石料等杂物。
2.保证路基的坡度、标高等规格的准确度,以确保路面的平整度和车辆行驶的稳定性。
3.确保填筑土料的质量符合设计要求,防止因杂质、过于松散或过于坚实等因素影响路基的稳定性。
4.对于路段较差,需进行支方固结,在填筑压实前,必须确保路基的稳定性。
三、安全措施1.在挖方施工中,要避免使用抱闸机、斗齿等锯齿断裂机具,以免对路基造成不必要的破坏。
2.在挖方和填筑压实作业中,要加强对操作人员的安全教育和管理,严格遵守安全操作规程,防止事故的发生。
3.确定施工现场内、路肩等区域范围,并张贴安全提示标识,以引起工人们不断关注安全。
施工技术交底
交底内容
交底内容三、基底处理
交底内容
交底内容
2)路基填料其粒径大小应符合下表的要求。
交底内容
大广高速公路至松原查干湖机 场连接线工程项目经理部 交底项目 路基工程
交底日期 交底内容 10 .在回填压实施工中,压路机到达不到的地方,使用小型平板振动夯或冲击夯夯
六.施工工艺流程:(见下图)
七、安全、文明措施:
1、建立健全安全生产制度,从制度上规范施工。
2、建立持证上岗制:进入现场安全员、质检员、试验员等管理人员和特殊工种操
作人员必须持证上岗,进入现场施工人员必须头戴安全帽。
交底单位
交底接受单位 不
合格
不
合
格
装运土方
碾压
下一层填土施工
本交底一式3份,交底人自留备案一份,项目部现场技术员留一份,施工队负责人留一份。
道随集团工程有限公司准兴高速AZ-2合同段项目经理部A5-A6工区
特殊路基技术交底
1、路基填挖交接处
为了减少挖填交界和半挖半填路基的纵向、横向不均匀沉降,在交接处挖台阶,台阶宽度2m。
2、土工格栅
在路基填挖交界或半挖半填处设置土工格栅。
同时为保证路基稳定,在路基填挖交界和半挖半填处设置土工格栅。
铺设时,其纵向与路基填挖交界线垂直,应有效地固定在原状土中。
注意格栅间联结与拉直平顺,铺设时人工拉直格栅,使其平顺均匀,防止扭曲、皱折、重叠。
在铺完格栅后,及时填筑填料。
每层填筑按“先两边,后中间”的顺序对称进行,严禁先填中部。
卸料时,卸在已摊铺完毕的土面上,严禁直接卸在土工格栅上,卸土高度不大于1m。
严禁一切施工车辆、机械直接在铺好的土工格栅上行驶。
每层土工格栅铺设完成后,需留影像资料交由工程部存档。
3、附件:《特殊路基设计图三》、《特殊路基设计图四》、《特殊路基设计图五》、《特殊路基设计图十》。
路基施工技术交底书路基施工技术交底书单位:XXX工程名称:XXX、二工区,二连浩特至广州国家高速公路,安化(梅城)至邵阳公路编号:日期2012年3月7日至:一工区、二工区交底内容:为确保工程保质保量按期完成,切实落实项目部施工技术交底工作以及避免劳务队盲目施工,造成工程返工及出现问题相互推诿现象,特下发关于路基施工方面的技术交底。
一、填方路基施工方法1、场地清理1)在施工前,清除路基用地范围内的树木、灌木丛等,并将垃圾、有机物残渣及地面以下至少100-300mm内的草皮、农作物的根系和表土予以清除。
清理完后,用50t振动压路机配合三轮压路机进行填前碾压,使其密实度达到规定要求。
2)挖除路基用地范围内的树根,并将路基用地范围内的坑穴填平夯实。
2、路基取土方案路基填土采用沿线集中取土方案,取土路段经项目部试验室现场取样,经试验合格的土质方可用于路堤填筑地段,现场采用大功率挖掘机挖土装车,15t自卸汽车运输。
3、填方地段路基施工要求1)确定压实设备的类型、最佳组合方式、碾压遍数、碾压速度及工序组织。
2)确定填土的松铺厚度、最佳含水量等。
3)试验结果经监理工程师审批后,即可作为该种填料施工控制的依据。
4)当填方材料的类型发生变化时,进行现场重新压实试验。
5)基底的压实符合要求后,测量高程并绘制工程断面图,上报监理工程师核准。
依据地形和原有的排水系统设置排水设施,以防止对路基的侵蚀。
在防护工程未完工前,该排水设施保持有效。
6)填方路基按平行线分层控制填土高程。
以试验段的施工方案严格控制作业流程和工艺,每侧超出路堤设计宽度50cm,以保证修整后的边坡有足够的压实度,不同土质的土不得混填,每种填料层总厚度不得小于50cm,分层的松铺厚度不得大于30cm,不小于8cm。
7)路堤填土高度小于80cm时,所有树墩、树根和其他有机质必须清除到路床顶面标高以下1米。
编制者:审核者:接收单位:接收负责人:经过清理后,路基表面需要翻松30cm,然后碾压到压实度达到96%以上。
路基填筑施工技术交底一、前言路基填筑施工是道路建设中非常重要的一部分,其影响着道路的稳定性、渗透性和承载能力。
为了保证路基填筑工作的质量和安全,现就路基填筑施工技术交底进行说明。
二、施工前准备1.检查现场环境,如土层、沉降等情况;2.检查施工机具及设备是否符合标准,安全可靠;3.对于特殊情况或突发事件进行紧急预案。
三、施工流程1. 路基开挖1.按照设计要求,进行路基开挖;2.清理固定式土工格栅,以保证排水畅通;3.根据设计要求,逐层进行夯实。
2. 围堰施工1.根据设计要求安装围堰;2.检查围堰是否牢固,不得开裂或有漏水现象。
3. 安排石方、碎石填筑1.在不同的路段,根据设计要求安置不同尺寸、不同种类的石材;2.每层填筑后,进行振动压实;3.注意安排路基成型,以确保道路平整。
4. 熟土、压实1.按照设计要求,铺设熟土;2.用振动式压路机压实土面;3.按层逐渐加压,以保证路面整齐。
四、安全操作1.操作人员应全程佩戴安全帽,手套,安全鞋;2.操作前,应清理工作区域;3.操作完毕后,关机、锁车,防范盗窃。
五、施工质量控制1.进行密实度测试,保证每一层填筑的密实度符合要求;2.定期检测路面平整度,根据测试结果做出调整;3.规范化管理,严格按照施工标准操作。
六、施工注意事项1.对于现场的任何事故,应及时报告上级领导和安全质量部门;2.进行工作时,应按照工作指导书进行操作;3.注意防范天气对施工的影响。
七、路基填筑施工是道路建设中至关重要的一环,需要严格按照标准、流程进行操作,注意安全操作,严格质量控制,确保道路工程质量,并减轻使用费用及环保负担。
路基施工技术交底1、施工方法本段路基的换填工程采用挖掘机、装载机联合作业并人工配合自卸车运输施工的方法。
根据施工图纸由测量队准确测量线路中桩及路基坡脚线位置、标高并用白灰明显标记清楚。
利用挖掘机、装载机及自卸车配合,对红线范围内的土方进行挖掘、运输、填筑、振实等作业。
2、换填材料1)填方材料应符合设计要求,取自路基范围内,不得从外部引入。
2)填方材料应符合设计要求,应按照设计要求进行挑选,如有问题应及时更换。
3)填方材料应清洗干净,去除杂质,严禁填入含有大块石头、树根、垃圾等杂质的土方。
3、施工要求1)施工前应进行路基检查,如有问题应及时处理。
2)挖方、填方、振实等作业应进行分段施工,每段施工前应进行检查,确保施工质量。
3)振实作业应按照设计要求进行,振实层数应符合设计要求,振实机械应经过检修,并进行调试。
4)填方后,应进行压实作业,压实层数应符合设计要求,压实机械应经过检修,并进行调试。
5)施工过程中应及时检查填方高度、坡度、横坡等,确保符合设计要求。
6)施工过程中应注意安全,防止事故发生。
4、验收要求1)施工完成后,应进行验收,验收合格后方可进行下一步施工。
2)验收时应检查填方高度、坡度、横坡等是否符合设计要求,填方材料是否符合要求,振实、压实是否达到要求。
3)验收合格后,应进行填方完成验收记录,并进行存档。
三、总结本次路基施工技术交底,重点介绍了路基清表和换填的施工要点和控制要求。
施工过程中应注意安全,严格按照设计要求进行施工,确保施工质量。
验收合格后,应进行记录并进行存档,为后续施工提供重要依据。
1.根据土质情况和换土深度,软弱土地基应按设计范围全部或分段清除,整平底部,然后按照路堤填料、压实标准和工艺进行回填。
2.根据现场实际情况,可以采用推土机辅以人工进行施工。
填深度内表层的软弱土层,再由人工将软土挖除到达设计标高,自卸汽车运输换填料,后倾法卸料,推土机摊铺,平地机平整,压路机碾压,分层填筑,直至达到设计标高。
路基填方安全技术交底一、道路路基填方施工安全技术要求:1.用斧头、镐头清理树根、杂草时,斧头、镐头前不许站人。
2.处理墓穴、枯井底部时,首先要排除周围的危情,采取必要的安全措施,然后分层填筑。
3.填方施工时,每侧均应宽于该层填筑坡脚50厘米,以保证压路机碾压时足够的安全距离。
4.机械填土方时,应设置明显的分层和路边桩的标志,防止机械停止施工时闪空。
5.人工配合机械控制分层摊铺时,人工找平必须和机械保持一定的安全距离。
6.施工现场必须设立专人指挥,保证人工和机械安全施工。
7.用电夯夯实时,接夯软线必须绝缘良好,启动、控制开关必须灵敏安全,工作中不允许夯在电线上,防止发生触电事故。
8.机械压实时,施工人员应站在压实作业面以外;碾压施工要修整和检查作业面时,机械应停止工作。
二、道路基层施工安全技术要求:1•化石灰,筛石灰时均应站在上风头,工人应穿工作服,戴上口罩、手套、护目镜、防护帽和鞋盖等,防止石灰腐蚀皮肤。
2.在区民去周围筛选石灰前应用芦席或篷布将区域进行围挡隔离。
3.装运土石灰粉时,装车要、轻、稳、防止飞扬;运送路上必须盖上篷布或塑料布,防止污染环境。
4.机械拌合灰土时,现场必须有专人指挥,防止发生人员伤亡事故。
5.现场运料不能装载过满,以防沿路抛洒伤人。
6.摊铺平整时,施工人员必须穿高腰鞋袜,防止石灰烧伤皮肤。
7.对碾压成活的路段上限止车辆行驶时,应用木档维护或挂牌挡车,严禁跑到车前去挡车,以免发生事故。
8.装卸路沿石必须事先检查有无裂缝,防止抬运中突然断裂伤人。
9.施工结束,必须清理现场,多余的材料,不准乱堆乱放在人行道上,影响行人安全。