施工现场质量管理检查记录表模板
- 格式:doc
- 大小:23.00 KB
- 文档页数:1
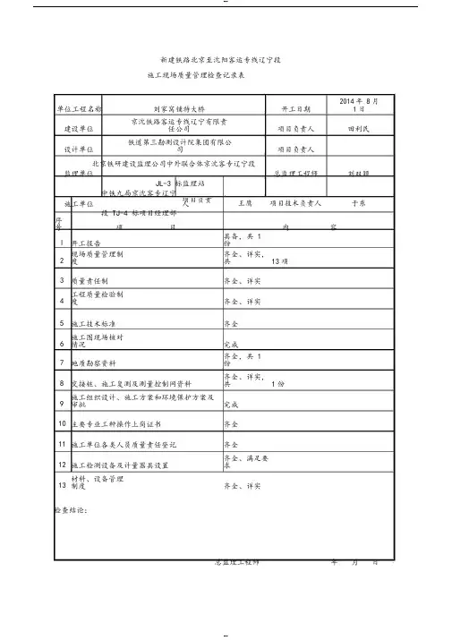
新建铁路北京至沈阳客运专线辽宁段施工现场质量管理检查记录表单位工程名称刘家窝铺特大桥开工日期2014年 8月 1日建设单位京沈铁路客运专线辽宁有限责任公司项目负责人田利民设计单位铁道第三勘测设计院集团有限公司项目负责人北京铁研建设监理公司中外联合体京沈客专辽宁段总监理工程师刘双颖监理单位JL-3 标监理站中铁九局京沈客专辽宁王鹰项目技术负责人于东施工单位项目负责人段 TJ-4 标项目经理部序号项目内容l开工报告具备,共 1份2现场质量管理制度齐全、详实,共13项3质量责任制齐全、详实4工程质量检验制度齐全、详实5施工技术标准齐全6施工图现场核对情况完成7地质勘察资料齐全,共 1份8交接桩、施工复测及测量控制网资料齐全、详实,共1份9施工组织设计、施工方案和环境保护方案及审批完成10主要专业工种操作上岗证书齐全11施工单位各类人员质量责任登记齐全12施工检测设备及计量器具设置齐全、满足要求13材料、设备管理制度齐全、详实检查结论:总监理工程师年月日施工现场质量管理检查记录表单位工程名称打草沟隧道开工日期2014年9月15日建设单位京沈铁路客运专线辽宁有限责任公司项目负责人田利民设计单位铁道第三勘测设计院集团有限公司项目负责人北京铁研建设监理公司中外联合体京沈客专辽宁段总监理工程师刘双颖监理单位JL-3 标监理站中铁九局京沈客专辽宁王鹰项目技术负责人于东施工单位项目负责人段 TJ-4标项目经理部序号项目内容l开工报告具备,共 1份2现场质量管理制度齐全、详实,共13项3质量责任制齐全、详实4工程质量检验制度齐全、详实5施工技术标准齐全6施工图现场核对情况完成7设计文件齐全,共 1份8交接桩及施工复测资料齐全、详实,共1份9施工组织设计及审批手续完成9.1环境保护方案及审批手续完成9.2安全专项方案及审批手续完成9.3监控测量实施细则及审批手续完成9.4超前地质预报实施细则及审批手续完成10主要专业工种操作上岗证书齐全11管理层、技术层、作业层人员质量责任登记表齐全12施工检测设备及计量器具设置齐全、满足要求13材料、设备管理制度齐全、详实14教育培训制度和考核上岗制度完成15现场标准化作业管理制度和实施细则完成检查结论:总监理工程师年月日施工现场质量管理检查记录表单位工程名称路基开工日期2014年9月15日建设单位京沈铁路客运专线辽宁有限责任公司项目负责人田利民设计单位铁道第三勘测设计院集团有限公司项目负责人北京铁研建设监理公司中外联合体京沈客专辽宁段总监理工程师刘双颖监理单位JL-3 标监理站中铁九局京沈客专辽宁王鹰项目技术负责人于东施工单位项目负责人段 TJ-4 标项目经理部序号项目内容l开工报告具备,共 1份2现场质量管理制度齐全、详实,共13项3质量责任制齐全、详实4工程质量检验制度齐全、详实5施工技术标准齐全6施工图现场核对情况完成7地质勘察资料齐全,共 1份8交接桩、施工复测及测量控制网资料齐全、详实,共1份9施工组织设计、施工方案和环境保护方案及审批完成10主要专业工种操作上岗证书齐全11管理层、技术层、作业层人员质量责任登记表齐全12施工检测设备及计量器具设置齐全、满足要求13材料、设备管理制度齐全、详实检查结论:总监理工程师年月日施工现场质量管理检查记录表单位工程名称涵洞开工日期2014年9月15日建设单位京沈铁路客运专线辽宁有限责任公司项目负责人田利民设计单位铁道第三勘测设计院集团有限公司项目负责人北京铁研建设监理公司中外联合体京沈客专辽宁段总监理工程师刘双颖监理单位JL-3 标监理站中铁九局京沈客专辽宁王鹰项目技术负责人于东施工单位项目负责人段 TJ-4 标项目经理部序号项目内容l开工报告具备,共 1份2现场质量管理制度齐全、详实,共13项3质量责任制齐全、详实4工程质量检验制度齐全、详实5施工技术标准齐全6施工图现场核对情况完成7地质勘察资料齐全,共 1份8交接桩、施工复测及测量控制网资料齐全、详实,共1份9施工组织设计、施工方案和环境保护方案及审批完成10主要专业工种操作上岗证书齐全11施工单位各类人员质量责任登记齐全12施工检测设备及计量器具设置齐全、满足要求13材料、设备管理制度齐全、详实检查结论:总监理工程师年月日。
施工现场质量管理检查记录表单位工程名称 刘家窝铺特大桥开工日期 2014年 8月1日 建设单位 京沈铁路客运专线辽宁有限责任公司 项目负责人 田利民设计单位 铁道第三勘测设计院集团有限公司项目负责人北京铁研建设监理公司中外联合体京沈客专辽宁段总监理工程师 刘双颖监理单位 JL-3 标监理站 中铁九局京沈客专辽宁王鹰 项目技术负责人 于东 施工单位 项目负责人段 TJ-4 标项目经理部 序号 项 目 内 容 l 开工报告 具备,共 1份 2 现场质量管理制度 齐全、详实,共 13项 3 质量责任制齐全、详实 4 工程质量检验制度 齐全、详实 5 施工技术标准齐全 6 施工图现场核对情况 完成 7 地质勘察资料齐全,共 1份8 交接桩、施工复测及测量控制网资料 齐全、详实,共 1份 9 施工组织设计、施工方案和环境保护方案及审批完成 10 主要专业工种操作上岗证书 齐全 11 施工单位各类人员质量责任登记 齐全12 施工检测设备及计量器具设置齐全、满足要求13 材料、设备管理制度 齐全、详实检查结论:总监理工程师 年 月 日施工现场质量管理检查记录表单位工程名称 打草沟隧道开工日期 2014年9月15日 建设单位 京沈铁路客运专线辽宁有限责任公司 项目负责人 田利民设计单位 铁道第三勘测设计院集团有限公司项目负责人北京铁研建设监理公司中外联合体京沈客专辽宁段总监理工程师 刘双颖监理单位 JL-3 标监理站 中铁九局京沈客专辽宁王鹰 项目技术负责人 于东 施工单位 项目负责人段TJ-4 标项目经理部 序号 项 目 内 容 l 开工报告 具备,共 1份 2 现场质量管理制度 齐全、详实,共 13项 3 质量责任制 齐全、详实 4 工程质量检验制度 齐全、详实 5 施工技术标准 齐全6 施工图现场核对情况 完成7 设计文件齐全,共 1份8 交接桩及施工复测资料 齐全、详实,共 1份 9 施工组织设计及审批手续 完成 9.1 环境保护方案及审批手续 完成 9.2 安全专项方案及审批手续 完成 9.3 监控测量实施细则及审批手续 完成 9.4 超前地质预报实施细则及审批手续 完成 10 主要专业工种操作上岗证书齐全11 管理层、技术层、作业层人员质量责任登记表齐全12 施工检测设备及计量器具设置 齐全、满足要求13 材料、设备管理制度齐全、详实 14 教育培训制度和考核上岗制度完成 15 现场标准化作业管理制度和实施细则 完成检查结论:总监理工程师 年 月 日施工现场质量管理检查记录表单位工程名称 路基开工日期 2014年9月15日 建设单位 京沈铁路客运专线辽宁有限责任公司 项目负责人 田利民设计单位 铁道第三勘测设计院集团有限公司项目负责人北京铁研建设监理公司中外联合体京沈客专辽宁段总监理工程师 刘双颖监理单位 JL-3 标监理站 中铁九局京沈客专辽宁王鹰 项目技术负责人 于东 施工单位 项目负责人段 TJ-4 标项目经理部 序号 项 目 内 容 l 开工报告 具备,共 1份 2 现场质量管理制度 齐全、详实,共 13项 3 质量责任制齐全、详实 4 工程质量检验制度 齐全、详实 5 施工技术标准齐全 6 施工图现场核对情况 完成 7 地质勘察资料齐全,共 1份8 交接桩、施工复测及测量控制网资料 齐全、详实,共 1份 9 施工组织设计、施工方案和环境保护方案及审批完成 10 主要专业工种操作上岗证书齐全 11 管理层、技术层、作业层人员质量责任登记表齐全12 施工检测设备及计量器具设置齐全、满足要求13 材料、设备管理制度 齐全、详实检查结论:总监理工程师 年 月 日施工现场质量管理检查记录表单位工程名称 涵洞开工日期 2014年9月15日 建设单位 京沈铁路客运专线辽宁有限责任公司 项目负责人 田利民设计单位 铁道第三勘测设计院集团有限公司项目负责人北京铁研建设监理公司中外联合体京沈客专辽宁段总监理工程师 刘双颖监理单位 JL-3 标监理站 中铁九局京沈客专辽宁王鹰 项目技术负责人 于东 施工单位 项目负责人段 TJ-4 标项目经理部 序号 项 目 内 容 l 开工报告 具备,共 1份 2 现场质量管理制度 齐全、详实,共 13项 3 质量责任制齐全、详实 4 工程质量检验制度 齐全、详实 5 施工技术标准齐全 6 施工图现场核对情况 完成 7 地质勘察资料齐全,共 1份8 交接桩、施工复测及测量控制网资料 齐全、详实,共 1份 9 施工组织设计、施工方案和环境保护方案及审批完成 10 主要专业工种操作上岗证书 齐全 11 施工单位各类人员质量责任登记 齐全12 施工检测设备及计量器具设置齐全、满足要求13 材料、设备管理制度 齐全、详实检查结论:总监理工程师年 月 日。
施工现场检查记录表施工现场检查记录表公司内部编号:GOOD-TMMT-MMUT-UUPTY-UUYY-DTTI工程质量、安全、环保检查记录表工程名称:开工日期:竣工日期:项目技术施工单位:建设单位:负责人:设计单位:监理单位:序号检查项目检查内容和方法检查记录整改建议1 审批手续是否齐全。
是否有开工报告,审批手续是否齐全。
2 施工组织安排是否合理、可行。
是否编制质量、安全、环保措施,并有针对性。
3 现场组织机构是否按公司(分公司)下达的文件要求设置。
是否设立专门的质量、安全机构。
4 人员资质项目经理是否具有建造师执业资格证书和三类人员证书,是否满足投标承诺。
专职质量、安全管理人员是否具有相应证书。
关键工序、特种作业人员是否持证上岗。
是否建立项目部人员台账。
5 业主或监理单位安、质、环要求业主或监理是否对本项目有安、质、环要求。
是否进行了安排部署并按要求回复。
6 法律法规及其他要求(安、质、环)是否进行识别获取适用本项目的法律法规及其他要求(安、质、环)。
是否检索到常用技术标准/规范。
是否向员工、相关方传递相关要求。
7 施工图纸是否有图纸会审记录及设计回复资料。
是否进行施工复测,相关记录是否齐全。
8 设计变更手续是否齐全;是否发生未批准先施工现象。
9 质量自控体系质量自控体系是否健全、质量职责是否明确。
质量方针、目标的建立是否满足业主/上级主管部门的要求,相关文件中质量方针、目标描述是否一致。
质量目标是否分解(可测量),是否落实到人;实现情况是否定期检查。
是否建立和检索到以下质量管理制度:罗列。
是否制定质量保证措施。
是否编制创优规划,规划是否有利于质量目标实现。
10 质量问题(事故)处理有无来自业主、监理有关质量问题通知单。
11 安全环保自控体系12 安全、环境管理制度13 安全、环境保证措施施工现场检查记录表公司内部编号:GOOD-TMMT-MMUT-UUPTY-UUYY-DTTI工程质量、安全、环保检查记录表工程名称:开工日期:竣工日期:项目技术施工单位:建设单位:负责人:设计单位:监理单位:序号检查项目检查内容和方法检查记录整改建议1 审批手续检查是否齐全,是否有开工报告,审批手续是否齐全。
建筑工程施工现场质量检查记录表1. 引言建筑工程施工现场质量检查是确保建筑项目按照规定标准进行施工的重要环节。
本文档旨在记录建筑工程施工现场质量检查的过程和结果,以便对施工质量进行评估和改进。
2. 施工现场信息•工程名称:__________________•工程地点:__________________•施工单位:__________________•施工单位负责人:__________________•检查日期:__________________3. 检查内容3.1 施工单位管理•是否按照施工组织设计进行施工?•施工人员的资质是否符合要求?•施工现场是否设置了必要的警示标志和安全防护设施?3.2 施工材料•是否按照设计要求采用了符合标准的材料?•材料的运输、储存和使用是否安全可靠?•材料检验报告是否完整并符合要求?3.3 施工工艺•施工现场是否按照建筑工程质量验收规范进行施工?•施工工艺是否符合设计要求?•施工过程中是否采用了合理的施工方法和技术措施?3.4 施工质量•工程结构、设备、管道等是否满足设计要求?•施工过程中是否进行了必要的检测和试验?•施工质量是否受到相关质量管理体系的监控和追踪?4. 检查结果根据对施工现场进行的质量检查,结合相关标准和要求,得出如下检查结果:•[ ] 合格•[ ] 不合格如下是具体的检查结果:4.1 施工单位管理•施工单位按照施工组织设计进行施工,符合要求。
•施工人员的资质符合要求。
•施工现场设置了必要的警示标志和安全防护设施。
4.2 施工材料•施工单位采用了符合标准的材料。
•材料的运输、储存和使用安全可靠。
•材料检验报告完整并符合要求。
4.3 施工工艺•施工现场按照建筑工程质量验收规范进行施工。
•施工工艺符合设计要求。
•施工过程中采用了合理的施工方法和技术措施。
4.4 施工质量•工程结构、设备、管道等满足设计要求。
•施工过程中进行了必要的检测和试验。
•施工质量受到相关质量管理体系的监控和追踪。