沥青路面设计(模板)
- 格式:pdf
- 大小:463.46 KB
- 文档页数:15
2.2沥青混凝土路面计算书2.2.1交通量分析该路面设计年限为15年,交通量年平均增长率为5%,车道系数为0.7,初始日交通量为25350辆/日交通量计算表表2标准轴载作用次数计算表则使用年限内标准轴载作用次数为:157[(10.05)1]36554840.7 2.8110()0.05e N +-⨯=⨯⨯=⨯次;15'7[(10.05)1]36547520.7 2.4310()0.05eN +-⨯=⨯⨯=⨯次。
2.2.2确定路基干湿类型选用沥青混凝土面层时,面层类型系数s A 取1.0,路线经过的地区属于2VI 区,土质为砾石类土含有少量的粘土,地下水埋深3.0~4。
5m,平均填土高度1。
5m ,路面底距地下水位的高度H 为4。
5~6.0m.由JTG-D50表F.0.1查得2VI 区,由于H 大于1H ,因此路面属于干燥路基。
由任务书查得土基的回弹模量055.530E MP MP =>,故土基可不进行特殊处理。
根据当地经验和实验结果,初步拟定路面结构层及力学计算参数如下表: 表3 面层各结构层数据计算表2.2。
3 按弯沉指标计算水泥稳定砂砾层厚度h 3b sc edA A A N l 2.0600-=()()0.27600 2.8110 1.0 1.0 1.019.20.01dl mm -=⨯⨯⨯⨯⨯=e N -—设计年限内一个车道上累计轴次,取e N =72.6310⨯(辆/车道)。
c A -—公路等级系数,一级公路取1.0(见课本163页系数取值).b A —-基层类型基础,半刚性基层、底基层总厚度大于等于20cm 时取1。
0。
s A —-面层类型系数,沥青混凝土面层取1。
0. 综合修正系数F =0.380.361.63()()2000s o l EPδ⨯ (路基路面书公式8—22)0.380.3619.255.51.630.548200010.650.7F ⎛⎫⎛⎫=⨯⨯= ⎪⎪⨯⎝⎭⎝⎭将六层体系简化成上层为细粒式沥青混凝土,中层为中粒式沥青混凝土以及下 层为土基组成的三层体系。
沥青路面方案投标书模板
投标单位名称:
投标单位地址:
联系人:
联系电话:
Email:
尊敬的评标委员会:
本公司自愿向贵单位提交沥青路面方案投标书,希望能有机会为贵单位提供优质的服务。
我们在此向贵单位说明我们的方案,以期得到贵单位的青睐。
一、项目背景
(在此部分介绍沥青路面项目的背景信息,包括项目所在地、项目规模、主要目标等)
二、项目要求
(在此部分详细阐述贵单位对沥青路面方案的具体要求,包括技术指标、质量标准、时间计划等)
三、投标单位资质与经验
(在此部分介绍投标单位的资质及相关经验,说明为何投标单位最适合完成此项目)
四、沥青路面方案
(在此部分详细描述投标单位提出的沥青路面方案,包括方案设计、技术方案、施工方法等)
五、价格报价
(在此部分给出投标单位的价格报价,具体明细项目及费用,以便
贵单位核对)
诚挚邀请贵单位对本次投标书进行评估,我们将尽最大努力提供满
足贵单位要求的沥青路面方案。
如有任何疑问或需要进一步了解,我
们乐意随时回答。
为充分展示我们对此项目的重视以及对贵单位的承诺,我们附上以
下文件:
1. 公司资质证书
2. 近期成功完成的类似项目案例
请评标委员会成员会在规定时间内对我们的投标书进行评估,并通
知我们评选结果。
期待与贵单位合作,共同完成这一重要项目。
谢谢您的关注与支持!
此致,
投标单位签名
日期。
如不慎侵犯了你的权益.请联系我们告知!沥青路面施工检测用表日照市农村公路改造工程领导小组办公室监制日照市农村公路改造工程沥青路面检验汇总表承包单位:检验人: 监理: 年月日日照市农村公路改造工程沥青路面回弹弯沉值测定记录表承包单位:检测使用汽车型号轮胎气压(Mpa)检测人: 记录人: 监理: 年月日承包单位:监理单位:日照市农村公路改造工程沥青面层压实度检验记录(核子仪法)承包单位:承包单位:监理单位:日照市农村公路改造工程沥青路面纵断面高程检验表承包单位:监理单位:自检说明:监理评语:如不慎侵犯了你的权益.请联系我们告知!承包单位:日照市农村公路改造工程监理单位:沥青路面宽度及中心线检验表如不慎侵犯了你的权益.请联系我们告知!承包单位:自检说明:监理评语:监理单位:检验如不慎侵犯了你的权益.请联系我们告知!承包单位:监理单位:日照市农村公路改造工程沥青路面横坡度检验表如不慎侵犯了你的权益.请联系我们告知!监理单位:如不慎侵犯了你的权益.请联系我们告知!承包单位:监理单位:日照市农村公路改造工程沥青面层平整度检验表自检说明监理评语承包单位:日照市农村公路改造工程监理单位:沥青面层厚度检验表检验方法:日照市农村公路改造工程沥青物性试验表(1)承包单位:监理单位:沥青针入度试验记录沥青软化点试验记录日照市农村公路改造工程沥青物性试验表(2) 承包单位:监理单位:沥青延度试验记录沥青加热损失记录沥青混合料中沥青含量试验记录表沥青混合料生产检验结果报告表承包单位:监理单位:如不慎侵犯了你的权益.请联系我们告知!试验人如不慎侵犯了你的权益.请联系我们告知!(本资料素材和资料部分来自网络,仅供参考。
请预览后才下载,期待您的好评与关注!)。
第一章编制依据本着对本工程质量的高度责任感和对甲方的高度负责,我们以严谨的科学态度向业主提供优质服务,保证本工程合格、高效按期完成施工任务。
严格按施工验收规范及有关标准进行编制,我们将充分发挥项目部多年的施工管理经验和施工技术条件,以及管理优势,严密组织施工。
1 工程施工图纸及施工合同2国家规范《公路沥青路面施工技术规范》(JTGF40—2004)《公路路面基层施工技术规范》(JTG034—2000)《公路土工试验规程》(JTGE40—2007)《公路工程沥青及沥青混合料试验规程》(JTJ052—2000)《公路工程水泥混凝土试验规程》(JTGF30—2003)3 施工规范《公路工程施工监理规范》(JTJ077—95)《公路路基路面现场测试规程》(JTJ059—95)《水泥混凝土路面施工及验收规范》(GBJ97—87)《公路沥青路面施工技术规范》JTGF40—2004《公路交通安全设施设计技术规范》(JTG D81—2006)4 主要技术标准《公路工程技术标准》(JTGB01—2003)《公路工程质量检验评定标准》(JTGF80/1—2004)5主要法规《中华人民共和国建筑法》《中华人民共和国合同法》《中华人民共和国计量法》《中华人民共和国环境保护法》《交通部优质产品评选办法》(1990年交通部发布)第二章工程概况一工程设计技术特征工程名称:公园南路改造工程工程地址:矿区法院~平安大道建设单位:大同煤矿集团公路路政管理处设计单位:大同煤矿集团设计研究有限责任公司施工单位:大同煤矿集团宏远工程建设有限责任公司;监理单位:大同煤炭建设监理有限责任公司质量监督单位:煤炭工业大同矿区建设工程质量监督站。
2 主要技术参数线路总长:2080m,其中桥长68米,路面纵横坡度同原路面。
道路类别及等级:二级城市主干路;道路红线宽度:60m路面类型:沥青混凝土柔性路面设计标准:本工程道路只在原路线上进行罩面修复,平纵线形均未改变,积水处局部调坡沥青混凝土路面结构达到临界状态设计年限:12年细料式沥青混凝土骨料最大粒径为13、15㎜,中粒式沥青混凝土骨料最大粒径为20、25㎜沥青混凝土面层应保证平整、密实、坚固。
一、编制说明1. 编制依据1.1 《公路沥青路面施工技术规范》(JTGF40-2004)1.2 《公路路面基层施工技术细则》(JTG/TF20-2015) 1.3 《沥青混凝土路面施工技术规范》(CJJ1-2008)1.4 《工程初步设计》文件1.5 工程初步设计交通厅、发改委审查意见2. 编制原则2.1 以施工质量为中心,确保工程质量达到规范要求。
2.2 精心组织、科学管理,提高施工效率。
2.3 强化机械管理,提高施工设备利用率。
2.4 做好防安全、环保措施,确保施工安全与环境保护。
二、工程概况1. 工程简介1.1 项目名称:[项目名称]1.2 项目地点:[项目地点]1.3 路线全长:[路线全长]公里1.4 路基宽度:[路基宽度]米1.5 设计速度:[设计速度]公里/小时1.6 路面结构:[路面结构]2. 工程特点2.1 施工工期紧张,要求高效率施工。
2.2 施工场地受限,需合理安排施工顺序。
2.3 施工过程中,需确保工程质量与安全。
三、施工方法和措施1. 试验段施工1.1 试验段长度:[试验段长度]米1.2 试验段路面结构:[试验段路面结构]1.3 试验段施工方法:[试验段施工方法]2. 施工放样2.1 按设计图纸进行施工放样。
2.2 放样精度要求:[放样精度要求]3. 拌料3.1 拌合设备:[拌合设备]3.2 拌合工艺:[拌合工艺]3.3 拌合时间:[拌合时间]4. 摊铺集料4.1 摊铺设备:[摊铺设备]4.2 摊铺工艺:[摊铺工艺]4.3 摊铺速度:[摊铺速度]5. 碾压5.1 碾压设备:[碾压设备]5.2 碾压工艺:[碾压工艺]5.3 碾压遍数:[碾压遍数]6. 接缝和检查井处的处理6.1 接缝处理:[接缝处理]6.2 检查井处理:[检查井处理]7. 收尾、交验7.1 完成施工后,对路面进行清理、平整。
7.2 组织验收,确保工程质量。
四、质量保证体系及质量保证措施1. 质量目标1.1 路面平整度:[路面平整度]1.2 路面抗滑性能:[路面抗滑性能]1.3 路面厚度:[路面厚度]2. 质量保证体系2.1 成立质量保证小组,负责质量管理工作。
沥青道路施工方案一、沥青表面处治层施工(一)沥青处治路面分为二层,下层采用层铺法,厚50mm;上层采用热拌沥青混合摊铺,厚度50mm。
(二)沥青表面处治层(层铺法)。
(1)沥青表面处治沥青用量按下表进行选定。
但各层用量根据施工气温、基层等情况,在总用量不变的的原则下酌情调整。
(2)施工工序及要求①施工程序采用先油后料层铺法沥青表面处治施工。
二层式沥青表面处治路面施工程序:备料→清扫基层、放样→浇洒透层沥青→洒布第一层沥青→撒铺第一层矿料→碾压→洒布第二层沥青→撒铺第二层矿料→碾压→碾压→初期养护.错误!在表面处治施工前,将路面基层清扫干净,使基层矿料大部分外露,并保持干燥。
对坑槽、不平整的路段先进行修补和整平,若基层整体强度不足,先进行补强处理。
错误!浇洒透层沥青。
基层施工结束表面稍干后紧接浇洒透层沥青。
透层沥青采用沥青洒布车进行喷洒。
在浇洒透层沥青时要注意如下事项:a。
浇洒透层前,路面要清洁干净,对路缘石及构造物作适当防护,以防污染;b.透层沥青洒布后以不至流淌为准,渗透入基层一定深度,不得在表面形成油膜;c.遇大风或即将降雨时,停止浇洒透层沥青;d.气温低于10℃时,不能进行浇洒透层沥青施工;e.按设计的沥青用量一次洒均匀,当有遗漏时,用人工补洒;f.浇洒透层沥青后,严禁车辆、行人通过。
错误!洒布第一次沥青.在透层沥青充分渗透后,即可洒布第一次沥青。
沥青的浇洒温度根据施工气温及沥青标号选择,石油沥青洒布温度在130℃~170℃,在洒布过程中,如发现洒布数量不足,有空白,缺边等要立即补洒,有积聚现象要刮除.错误!洒布沥青的长度与矿料铺相配合,避免沥青洒布后等待较长时间才铺撒矿料。
在每段接茬处,用铁板或建筑纸横铺在本段起洒点前及终点后,宽度为1.0~1。
5m.如需分两幅洒布时,保证接茬搭接良好,纵向搭接宽度为10~15cm.洒布第二次、第三次沥青,错开搭接缝。
错误!铺撒第一次矿料。
洒布第一次沥青后(不必等完全洒完),立即铺洒第一次矿料。
控制编号:TJSZ—512—02报告编号:2005—LQ0662-01委托协议编号:2005—LQ0662报告总页数:11白集高速一合同(一分部)AC—25型沥青混合料目标配合比设计报告(GTM配合比设计方法)委托单位:二连至河口国道主干线白集段高速公路第一合同段中铁十六局项目部天津市市政工程质量检测中心站报告日期:2005年07月18日报告批准:报告审核:负责人及报告编写:参加人员:注意事项:1.本报告无质检报告专用章无效。
2.报告涂改作废。
3.本报告结果只对来样负责。
地址:天津市河西区平山道39号邮编:300074 电话:(022)233511201. 任务来源受白集高速公路第一合同段中铁十六局项目部委托,进行白集高速一合同(一分部)底面层AC-25型沥青混合料目标配合比设计。
2. 依据主要技术规范、试验规程JTG F40-2004《公路沥青路面施工技术规范》JTJ052—2000《公路工程沥青及沥青混合料试验规程》JTJ058—2000《公路工程集料试验规程》3. 原材料性质分析白集高速沥青路面底面层采用AC-25型沥青混合料。
各原材料产地为:内蒙福斗碎石厂产粗、细集料,石灰岩矿粉及生石灰;沥青为秦皇岛中油石化有限公司沥青厂提供的金鹿牌石油沥青。
试验样品由委托方提供。
3.1 沥青对石油沥青按JTG F40-2004《公路沥青路面施工技术规范》要求进行了规定项目的试验检测。
试验检测结果见表1。
检测结果表明该样品符合90号A级沥青技术要求。
表1 90号沥青检测结果3.2 矿料沥青混合料中的矿料包括粗集料、细集料及矿粉和生石灰。
3.2.1 粗集料粗集料规格为20mm~30mm、10mm~20mm、5mm~10mm、3mm~5mm,试验项目及试验结果见表2。
试验结果表明,粗集料各项指标符合JTG F40—2004《公路沥青路面施工技术规范》关于高速公路及一级公路沥青混合料用粗集料的技术要求。
表2粗集料技术性质3.2.2 细集料细集料采用机制砂,试验项目及试验结果见表3。
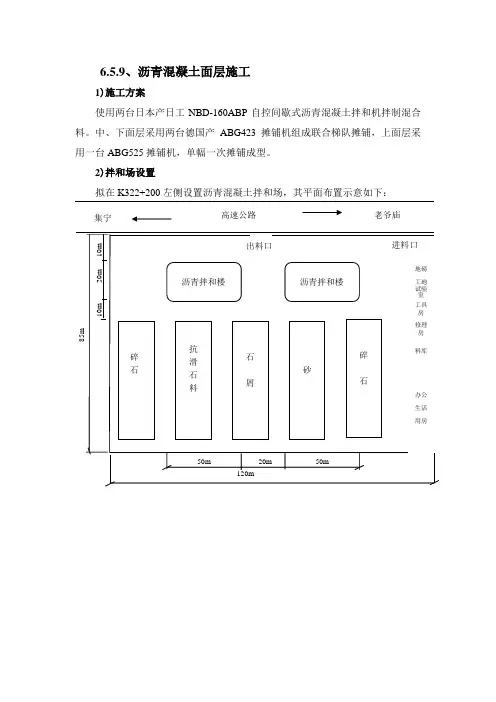
6.5.9、沥青混凝土面层施工1)施工方案使用两台日本产日工NBD-160ABP 自控间歇式沥青混凝土拌和机拌制混合料。
中、下面层采用两台德国产ABG423摊铺机组成联合梯队摊铺,上面层采用一台ABG525摊铺机,单幅一次摊铺成型。
2)拌和场设置拟在K322+200左侧设置沥青混凝土拌和场,其平面布置示意如下:集宁老爷庙高速公路3) 施工工艺流程 (1)拌和工艺流程(2)摊铺工艺流程4)热拌沥青混凝土混合料组成设计在混凝土各层施工前至少28天,将拟用的各种集料、填料及沥青,委托具有CMA 资质且经监理工程师确认的合格试验室,按《公路工程沥青及沥青混合料试验规程》(JTJ052-2000)进行原材料设计试验和混和料组成设计。
混合料组成设计分三个阶段。
(1)目标配合比设计阶段:用工程实际使用的材料计算各种材料的用量比例,配合成符合规范规定的矿料级配进行马歇尔试验,确定最佳沥青用量。
以此矿料级配及沥青用量作为目标配合比,供拌和机确定各冷料仓的供料比例、进料速度及试拌使用。
(2)生产配合比阶段:从二次筛分的各热料仓里的材料取样进行筛分,确定各热料仓材料比例,供控制室使用。
同时反复调整冷料仓进料比例以达到供料平衡,并取目标配合比设计的最佳沥青用量、最佳沥青用量的±0.3%等三个沥青用量进行马歇尔试验,确定生产配合比的最佳沥青用量。
(3)生产配合比验证阶段:搅拌设备根据试验室提供的生产配合比,设定自动计量的数据进行试拌,铺筑试验段,并用试拌混合料及在施工现场钻取芯样进行马歇尔试验,由此确定生产用的标准配合比。
标准配合比作为生产控制和质量检验的标准。
标准配合比的矿料级配至少包括0.075mm、2.36 mm、4.75mm三档的筛孔,通过率接近规范要求级配的中值。
5)主要施工工序控制(1)试验段铺筑一段100~200米的沥青混凝土试验路段,用以验证混合料的稳定性以及拌和、摊铺、压实设备的效率、施工方法和施工组织的适应性,确定沥青混凝土的压实方法。
控制编号:TJSZ—512—02报告编号:2005—LQ0662-04委托协议编号:2005—LQ0662报告总页数:12白集高速一合同(二分部)AC—20型沥青混合料目标配合比设计报告(GTM配合比设计方法)委托单位:二连至河口国道主干线白集段高速公路第一合同段中铁十六局项目部天津市市政工程质量检测中心站报告日期:2005年07月08日报告批准:报告审核:负责人及报告编写:参加人员:注意事项:1.本报告无质检报告专用章无效。
2.报告涂改作废。
3.本报告结果只对来样负责。
地址:天津市河西区平山道39号邮编:300074 电话:(022)233511201. 任务来源受白集高速公路第一合同段中铁十六局项目部委托,进行白集高速一合同二分部中面层AC-20型沥青混合料目标配合比设计。
2. 依据主要技术规范、试验规程JTG F40-2004《公路沥青路面施工技术规范》JTJ052—2000《公路工程沥青及沥青混合料试验规程》JTJ058—2000《公路工程集料试验规程》3. 原材料性质分析白集高速沥青路面中面层采用AC-20型沥青混合料。
各原材料产地为:内蒙振兴碎石场产粗、细集料,石灰岩矿粉及生石灰。
沥青为秦皇岛中油石化有限公司沥青厂提供的金鹿牌石油沥青。
试验样品由委托方提供。
3.1 沥青对石油沥青按JTG F40-2004《公路沥青路面施工技术规范》要求进行了规定项目的试验检测。
试验检测结果见表1。
检测结果表明该样品符合90号A级沥青技术要求3.2 矿料沥青混合料中的矿料包括粗集料、细集料及矿粉和生石灰。
3.2.1 粗集料粗集料规格为10mm~20mm、5mm~10mm、3mm~5mm,试验项目及试验结果见表2。
试验结果表明,粗集料各项指标符合JTG F40—2004《公路沥青路面施工技术规范》关于高速公路及一级公路沥青混合料用粗集料的技术要求。
3.2.2 细集料细集料采用0mm~3mm细集料,试验项目及试验结果见表3。
新建路面结构设计指标与要求一、沥青路面结构设计指标沥青路面结构设计应满足结构整体刚度、沥青层或半刚性基层抗疲劳开裂和沥青层抗变形的要求。
应根据道路等级选择路表弯沉值、沥青层层底拉应变、半刚性材料基层层底拉应力和沥青层剪应力作为沥青路面结构设计指标,并应符合下列规定:1 快速路、主干路和次干路采用路表弯沉值、沥青层层底拉应变、半刚性材料基层层底拉应力、沥青层剪应力为设计指标。
2 支路可仅采用路表弯沉值为设计指标.3 可靠度系数可根据当地相关研究成果选择;当无资料时可按下表取用可靠度系数二、沥青路面结构设计的各项设计指标应符合下列规定:1 轮隙中心处路表计算的弯沉值应小于或等于道路表面的设计弯沉值,应满足下式要求:γa l s≤l d式中:γa——沥青路面可靠度系数;l s ——轮隙中心处路表计算的弯沉值(0.01mm);l d——路表的设计弯沉值(0。
01mm);2 柔性基层沥青层层底计算的最大拉应变应小于或等于材料的容许拉应变,应满足下式要求:γaεt≤[εR ]式中:εt——沥青层层底计算的最大拉应变;[εR ] ——沥青层材料的容许拉应变.3 半刚性材料基层层底计算的最大拉应力应小于或等于材料的容许抗拉强度,应满足下式要求:γa σm ≤[σR ]式中: σm -—半刚性材料基层层底计算的最大拉应力(MPa );[σR ]—-路面结构层半刚性材料的容许抗拉强度(MPa )。
4 沥青面层计算的最大剪应力应小于或等于材料的容许抗剪强度,应满足下式要求:γa τm ≤[τR ]式中: τm —-沥青面层计算的最大剪应力(MPa );[τR ]-—沥青面层的容许抗剪强度(MPa )。
三、 沥青路面表面设计弯沉值应根据道路等级、设计基准期内累计当量轴次、面层和基层类型按下式计算确定:l d =600 N e —0。
2A c A s A b式中 : A c ——道路等级系数,快速路、主干路为1.0,次干路为1。
第1篇一、前言沥青模板施工是道路、桥梁等工程中常用的一种施工方法,其主要作用是保证沥青混凝土路面平整、均匀,提高路面的使用寿命和行车舒适性。
本方案旨在为沥青模板施工提供一套科学、合理、高效的施工流程,以确保施工质量,降低成本,提高施工效率。
二、施工准备1. 技术准备- 施工前,需对施工图纸进行详细审查,明确设计要求和技术规范。
- 组织施工人员进行技术交底,确保施工人员掌握施工工艺和质量标准。
- 编制施工组织设计,明确施工进度、质量、安全、环保等方面的要求。
2. 材料准备- 沥青混凝土:选用符合国家标准的沥青混凝土,确保其质量稳定。
- 模板材料:选用强度高、刚度好、易于安装和拆卸的模板材料,如钢模板、木模板等。
- 钢筋:选用符合设计要求的钢筋,确保钢筋的直径、间距和锚固长度符合规范要求。
- 连接件:选用质量合格的连接件,如螺栓、螺母等。
3. 设备准备- 混凝土搅拌车:用于运输沥青混凝土。
- 摊铺机:用于摊铺沥青混凝土。
- 振捣器:用于振捣沥青混凝土,确保密实度。
- 平地机:用于平整沥青混凝土面层。
- 测量仪器:如水准仪、经纬仪等,用于控制施工精度。
三、施工工艺1. 模板安装- 根据设计图纸,确定模板的安装位置和尺寸。
- 使用经纬仪和水准仪进行放样,确保模板位置准确。
- 安装模板,模板应平整、垂直,连接牢固。
- 检查模板的水平和垂直度,确保符合设计要求。
2. 钢筋施工- 根据设计图纸,确定钢筋的布置方式和间距。
- 使用钢筋加工设备,将钢筋加工成所需形状和尺寸。
- 安装钢筋,确保钢筋的位置准确,连接牢固。
- 进行钢筋保护层厚度控制,确保符合规范要求。
3. 沥青混凝土施工- 搅拌沥青混凝土,确保其均匀性和稳定性。
- 使用混凝土搅拌车将沥青混凝土运输到施工现场。
- 使用摊铺机进行沥青混凝土的摊铺,确保摊铺均匀。
- 使用振捣器进行振捣,确保沥青混凝土密实。
- 使用平地机进行平整,确保路面平整度。
4. 接缝处理- 沥青混凝土摊铺完成后,进行接缝处理,包括横向接缝和纵向接缝。
沥青路面设计施工方案模板一、工程概况本工程为某市区主要道路的沥青路面改造工程,全长XX公里,宽XX米,设计时速为XX公里/小时。
工程所在地气候类型为XX,年平均降雨量为XX毫米,年平均气温为XX℃。
工程旨在提升道路通行能力,改善市民出行体验,同时确保工程在环保、安全、质量、进度等方面达到预定目标。
二、施工准备工作现场勘查:对施工路段进行详细勘查,了解地质、地形、排水等条件。
图纸会审:与设计单位沟通,确认施工图纸及技术要求。
施工组织设计:编制详细的施工组织设计,明确各分项工程的施工顺序、方法、工艺等。
临时设施建设:搭建临时施工用电、用水、办公等设施。
三、材料选择与试验沥青材料:选用符合规范要求的优质沥青,进行必要的性能试验。
集料:选择符合规范要求的石料,进行筛分、压碎值等试验。
填料:选用符合要求的矿粉,进行细度、含水量等试验。
其他材料:如水泥、石灰等,也需按规范要求进行检验。
四、机械设备与人员配置机械设备:配置沥青摊铺机、压路机、装载机、自卸车等必要的施工机械。
人员配置:组建专业的施工队伍,包括项目经理、技术负责人、安全员、质检员等关键岗位人员。
五、施工方法与工艺基层处理:清理基层表面,修补损坏部位,确保基层平整、干燥、无油污。
沥青混合料拌合:按设计要求进行沥青混合料的拌合,确保拌合均匀、温度适宜。
沥青混合料运输:使用专用运输车将沥青混合料运输至施工现场,确保运输过程中温度损失不超过规定值。
摊铺与压实:采用沥青摊铺机进行摊铺,随后用压路机进行初压、复压、终压,确保路面平整、密实。
接缝处理:对纵横接缝进行特殊处理,确保接缝处平整、无跳车现象。
六、质量控制与检测原材料质量控制:对进场的原材料进行严格检验,确保符合规范要求。
过程质量控制:对施工过程中的各道工序进行严格把关,确保施工质量符合设计要求。
成品质量检测:对完成的沥青路面进行平整度、压实度、厚度、摩擦系数等检测,确保各项指标合格。
七、安全与环保措施安全措施:设立安全警示标志,配备专职安全员,定期进行安全检查,确保施工现场安全无事故。
一、工程概况1. 工程名称:[工程名称]2. 工程地点:[工程地点]3. 施工单位:[施工单位]4. 施工时间:[施工时间]5. 施工内容:沥青路面铺设二、施工安全注意事项1. 人员安全(1)进入施工现场人员必须正确佩戴安全帽,系好下颚带,锁好带扣。
(2)施工现场禁止吸烟、饮酒,禁止穿拖鞋、高跟鞋等不安全鞋具。
(3)施工现场禁止在电缆沟、检查井等危险地方休息。
(4)施工现场的各种安全防护设施、安全标志等,未经领导及安全员批准严禁随意拆除和挪动。
2. 物料安全(1)原材料运输过程中,应确保运输车辆安全可靠,遵守交通规则,避免发生交通事故。
(2)沥青混合料运输过程中,应保持车辆密封,防止沥青泄漏。
(3)施工现场物料堆放整齐,不得占用消防通道、安全通道。
3. 施工机械安全(1)施工机械操作人员必须经过专业培训,取得操作资格证书。
(2)机械设备在作业前应进行安全检查,确保设备完好。
(3)机械设备操作过程中,注意机械运行状态,防止机械故障。
4. 施工环境安全(1)施工现场应保持良好的通风,确保空气质量。
(2)施工现场应有足够的照明,夜间施工时,路口附近应设置警示标志、反光标志,灯光必须明亮。
(3)施工现场应设立安全警示标志,提醒施工人员注意安全。
三、施工技术交底1. 原材料控制(1)沥青、矿料、矿粉等原材料应符合国家相关标准。
(2)原材料进场前,应进行取样检验,确保质量合格。
2. 配合比设计(1)根据设计要求,确定沥青混合料配合比。
(2)配合比设计应充分考虑原材料性能、施工工艺、气候条件等因素。
3. 摊铺前准备(1)施工现场应平整、坚实,确保摊铺质量。
(2)摊铺前,对基层进行检查,确保基层质量合格。
(3)摊铺机、压路机等设备应进行调试,确保设备运行正常。
4. 生产阶段各环节控制(1)沥青混合料拌制过程中,严格控制各种材料和沥青混合料的加热温度,确保沥青混合料质量。
(2)摊铺过程中,注意与周边压路机和运料车保持距离,确保施工安全。
我国高速公路沥青面层的合理厚度应在12~18 cm(看交通量,实际采用的有很多更厚的,从工程实践的体会中了解到,16cm厚的面层仍感觉有点薄,18cm可能会较合适。
)目前我国高速公路沥青面层的厚度差异很大,薄的仅10cm左右,厚的20cm左右,最厚达32cm。
壳牌沥青路面设计方法在概括各国的观点和使用经验时指出,水泥底基层上沥青路面面层厚度取决于答应产生裂缝的程度,常变化在15~25cm之间。
采用沥青路面时,二级公路采用的沥青混凝土层厚度应不小于7cm,三级公路采用的沥青混合料层厚度应不小于3cm,并应根据道路交通量的大小等因素进行合理沥青层厚度的选择。
采用水泥砼路面时,二级公路板厚应不小于22cm,三级公路板厚一般不小于20cm,四级公路路面宽度为3.5米时板厚不得小于16cm,路面宽度大于3。
5米时板厚不得小于18cm。
新建、改建(路面)的农村公路,路面基层应采用水泥稳定碎石、二灰碎石等半刚性材料,其厚度不应小于16cm。
新建的农村公路路面底基层应采用水泥稳定粒料(土)、石灰粉煤灰稳定土、石灰稳定粒料(土)、石灰工业废渣、填隙碎石等或其它适宜的当地材料铺筑。
三级公路:基层:水稳砂砾,厚度20厘米;面层:沥青碎石+沥青混凝土,厚度10厘米。
三级公路为10年沥青贯入式适用于二、三级公路,也可作为沥青混凝土面层的联结层。
沥青表面处治:沥青表面处治可改善路面行车条件,承担行车磨耗及大气作用,延长路面使用年限。
所铺筑的沥青路面,其厚度可大于3厘米.在计算路面厚度时,其强度一般不计。
沥青表面处治,一般用于三级公路,也可用作沥青路面的磨耗层、防滑层.我们此次调查的路段有:广州—佛山高速公路、广州-深圳高速公路、广州—花都高速公路和深圳深南大道一级公路.名称路段面层联结层基层广深4cm沥青混凝土磨耗层10cm沥青碎石23cm水泥碎石上基层8cm沥青混凝土上面层25cm级配碎石底基层10cm沥青碎石下面层广佛4cm沥青混凝土上面层6cm沥青碎石25cm6%水泥石屑上基层5cm沥青下面层25~28cm4%水泥土(石粉砂砾)底基层广花3cm沥青混凝土上面层20cm6%水泥稳定碎石上基层,30cm4%水泥稳定碎石、石粉底基层4cm沥青混凝土下面层深南5cm沥青混凝土上面层40cm6%水泥石屑上基层8cm沥青贯入下面层15cm4%水泥石屑底基层从表中的路面结构来看,广深高速公路是最厚的,包括联结层其面层厚度为32cm,路面总厚为100~110cm,这个结构是当时外商出于商业目的,自己定的,不是从技术角度考虑的,所以受到了专家的批评,被认为是不合理不经济的结构,尤其不适用于高温多雨的广东地区深南大道是1990年建成通车的汽一级专用路,沥青面层13cm厚,沥青下面层是8cm的沥青贯入式,从使用情况来看,这段路结构较合理杭甬高速公路的情况,这条路始建于1992年,完工于1995年,路面结构为:计划后续3~4cm 细粒式沥青混凝土中粒式沥青混凝土4~6cm沥青碎石5~8cm二灰碎石或水泥稳定碎石28~34cm级配碎石20cm杭甬路所经地带的软土深度在全国是最严重的,深达60m,含水量70~80%,沉降量达到填一半陷一半,全线145km,有94.5km为软土,占杭甬路总长的65。
一、工程名称:[填写工程名称]二、施工单位:[填写施工单位名称]三、施工部位:[填写施工部位]四、施工日期:[填写施工日期]五、交底人:[填写交底人姓名及职务]六、接受人:[填写接受人姓名及职务]七、交底内容:1. 安全帽与个人防护- 施工人员必须佩戴符合国家标准的安全帽,并确保下颚带系紧,帽扣锁好。
- 佩戴防护眼镜、手套等个人防护用品,防止沥青溅入眼睛或皮肤。
2. 施工现场安全- 施工现场禁止吸烟,禁止酒后作业,禁止穿拖鞋、高跟鞋等不安全鞋具。
- 禁止在电缆沟、检查井等危险区域休息,确保施工环境安全。
3. 安全防护设施- 施工现场的各种安全防护设施、安全标志等,未经领导及安全员批准,严禁随意拆除和挪动。
- 确保安全通道畅通无阻,必要时设置临时围栏或警示标志。
4. 新进人员培训- 新进场的作业人员必须首先参加入场三级安全教育培训,考试合格后方可上岗。
- 未经教育培训或考试不合格者,不得上岗作业。
5. 沥青操作人员要求- 沥青操作人员均应进行体检,凡患有结膜炎、皮肤病及对沥青过敏反应者,不宜从事沥青作业。
- 从事沥青作业人员,皮肤外露部分均须涂抹防护药膏。
6. 交通安全- 施工区段应进行封闭,严禁非施工车辆入内。
- 交通繁忙的路口应设立警示标志,并设专人指挥。
- 夜间施工,路口附近应设置警示灯或反光标志,灯光必须明亮,照明须设专人管理。
7. 摊铺机械操作- 摊铺过程中应与摊铺机械配合良好,注意与周边压路机和运料车保持安全距离。
- 严禁机械操作人员酒后或疲劳驾驶。
8. 施工环境控制- 沥青加热及混合料拌制,宜设在人员较少、场地空旷的地段。
- 产量较大的拌和设备,有条件的应增设防尘设施。
9. 搬运与储存- 块状沥青搬运一般宜在夜间和阴天进行,尤应避免炎热季节。
- 搬运时,宜采用小型机械装卸,不宜直接装运。
- 液态沥青宜采用液态沥青车运送,确保运输过程中的安全。
八、注意事项:- 施工过程中,严格按照施工规范和操作规程进行作业。