提案改善制度(最实用)
- 格式:docx
- 大小:29.23 KB
- 文档页数:4
1.总则1.1 制定目的为激发员工潜能,踊跃提供有利于经营进之意见,提高经营绩效,特制定本规章。
1.2 合用范围本公司员工对公司经营管理、技术工艺、品质改善等各方面之改善建议,均合用本规章。
权责单位(1) 管理工程部负责本规章制定、修改、废止之起草工作;(2) 总经理负责本规章制定、修改、废止之核准。
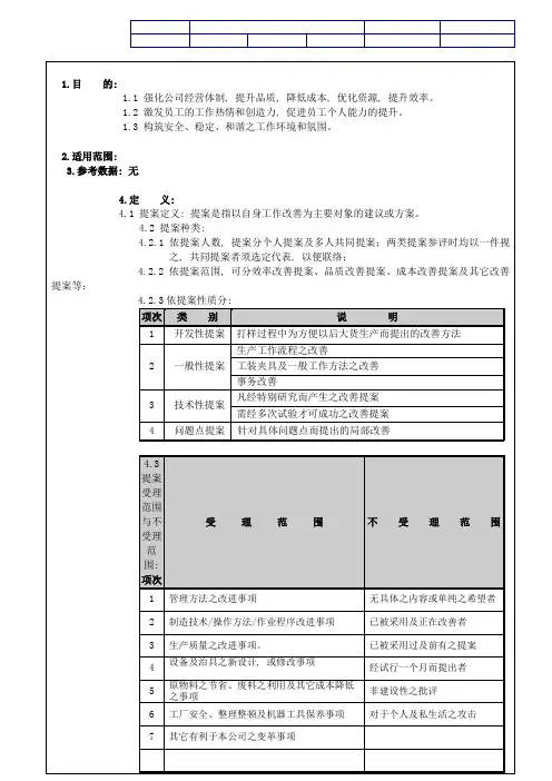
2. 改善提案推行办法改善提案认定2.1.1 提案范畴本公司员工提出之建议,凡属下列内容之一者,均属于改善提案:(1) 管理方法、制度之改进。
(2) 创造技术、制度之改进。
(3) 品质改进。
(4) 设备设计更新,功能改进,操作改善。
(5) 产品设计之改善,包装或者外观之改进。
(6) 原材料之节省,废料之利用及其他成本降低之改进。
(7) 工业安全,整理整顿,设备保养等之改善。
(8) 其他有利于公司之建议。
2.1.2 非提案范畴提案内容如属下列内容之一者,概不予受理:(1) 无具体之内容或者单纯之希翼者。
(2) 公知之事实及正在改善者。
(3) 已被采用过及已有他人先提出之提案。
(4) 经试行一个月从而提出者(但其效果显着确有重大之贡献者,得予追认)。
(5) 业务上被指令改善者或者已由上级指示他人进行而提出者。
(6) 非建设性之批评。
(7) 对于个人及私生活之攻击。
改善提案推行组织办法2.2.1 推行组织(1) 本公司成立改善提案推行委员会,委员会设主任委员一位,下设审查小组、改善小组、推行小组。
(2) 审查小组由审查委员若干名组成,推行小线由推行委员若干名组成,改善小组由干事若干名组成。
2.2.2 主任委员由总经理担任,其职掌为:(1) 改善提案推行制度之核准。
(2) 改善提案实施经费之核准。
(3) 改善提案评审,奖励之核准。
2.2.3 审查委员由各部门主管(全部或者部份)担任,其职掌为:(1) 改善提案之复审,评分及等级审议。
(2) 改善提案制度修订研讨。
(3) 提案施行成果之检查,确认。
2.2.4 推行委员由各部门主管指定人员担任,其职掌为:(1) 本部门改善提案活动之宣导、启示。
创意提案改善制度随着社会不断发展,各行各业都面临着旧有制度以及方法的瓶颈。
在此背景下,如何提出有创意的改善制度方案,便成了每个行业不得不面对的问题。
在企业管理方面,考虑提高员工的工作效率和士气,降低企业成本,促进企业可持续发展,以下是我对企业制度进行改善的创意方案。
一、改善绩效考核制度当前大部分企业的绩效考核制度都是以完成工作任务和工作区间来考核员工,但是这样的制度很难激发员工的工作积极性和创新意识。
因此,我们可以尝试改进绩效考核制度的方式:将员工的收益与企业收益挂钩。
具体做法是,对于那些提出了好的创意、创造力、主动性以及为企业带来切实效益的员工,公司可以将一定比例的利润分享给这些员工,以鼓励员工积极进取。
同时,公司也需要加强风险评估和管理,确保分享利润不会影响公司的正常运营。
二、开展技能培训和经验分享在企业中,我们经常面临着一个问题:员工缺乏相关的技能和经验。
这会导致员工无法胜任更高级别的工作,企业也难以提高效率和降低成本。
因此,企业可以通过开展技能提升和经验分享活动来帮助员工提高专业技能和经验,以提高员工的竞争力和工作能力。
同时,经验分享活动可以鼓励员工之间交流,共同解决问题,提高企业的整体效益。
三、推广弹性工作制度在现代工作环境中,很多人都拥有更加宽裕的生活、家庭和个人计划。
因此,企业可以考虑推广弹性工作制度,旨在满足员工的弹性工作需求,提高员工的工作热情和生产力。
在弹性工作制度中,员工可以根据自己的意愿和情况,选择适合自己的工作时间和地点,以提高工作的适应性和生产力。
四、提高工作环境和福利待遇员工既然是企业的重要资源,就需要消除任何可能使其失去信心,降低工作热情的因素。
因此,企业可以通过改善工作环境和福利待遇来提升员工的满意度和归属感,并激发员工的工作热情和创造力。
比如,提供舒适的工作场所和必要的设施、加强职业培训、完善健康体检、优化薪酬福利等等。
以上是我对企业制度改善的创意方案。
通过改善企业制度,可以激发员工的潜力,提高企业的效率和竞争力,这对于企业来说是至关重要的。
一、目的:1.1鼓励员工工作中多思考,提高改善与创新的精神;1.2激励员工提出建设性意见,以利公司发展;1.3评测员工的能力,发掘潜在人才,使之对公司有更大贡献;1.4改善员工士气,消除员工的不平与不满;1.5增进管理者与员工之间的交流,使上情可以下达,下情可以上达;1.6鼓励员工推进参与公司经营政策,增进归属感。
二、定义:2.1提案改善制度简称提案制度,也称为合理化建议制度,又叫提案奖励制度。
2.2所有员工在工作过程中发现:在管理程序、工作方法、设备、工艺、设计、品质等方面可以进行更好的改善意见或方案;并且这种改善会给公司带来直接或间接效益;公司选择优良有效的提案加以实施,同时给与适当的奖励,这种系统的处理员工提案的方法称为提案改善制度。
三、适用范围:3.1适用于全体员工;3.2适用于公司全面运作:如全厂卫生与健康、5S管理、安全管理、质量改进、管理程序、工作方法、设备、工艺、产品设计、品质等方面所有可更好改善和优化的地方。
四、提案程序:4.1首先提案人先向各部门主管/经理处领取申请提案表,填好相关内容后交由各部门主管审核,后由各部门统一交至提案委员会进行审议;4.2提案委员会由各部门主管/经理组成,由公司副总经理任委员会委员长。
(成员有人力资源部,资材部,财务部,业务部,生产部,PMC部);4.3人事行政部每月30日前回收各部门的《提案改善申请表》,并在《提案改善统计表》中记录。
提案委员会收到相关提案,一周内必须对提案进行审议;4.4凡通过初次审议的提案都将获得相应的奖励;4.5通过初审的提案根据提案内容将有一个月至三个月的效果确认期。
五、奖励办法:5.1凡通过初审的每份提案奖励50元人民币;5.2通过效果确认期的相关提案提案委员会将根据其所产生的效果进行分析,评定。
根据不同等级奖励金额500-3000元;5.3部份提案无需通过效果确认期的(如可立即改进或有显著效果的),也可根据不同等级奖励金额500-3000元;5.4公司将对年度提案中的有重大改进项目或对成本节约有突出贡献的相关提案有给予额外的重大奖励。
改善提案管理制度提案管理制度的改善随着企业的发展壮大,提案管理制度在企业管理中起到了重要的作用。
提案管理制度能够帮助企业更好地激励员工的创新和改进能力,提升企业的竞争力。
然而,许多企业在实施提案管理制度的过程中面临一些挑战和问题。
为了提高提案管理制度的有效性和效率,有必要对其进行适当的改善。
本文将从以下几个方面提出改善提案管理制度的建议。
一、制定明确的提案管理流程一个明确的提案管理流程是提高提案管理制度有效性的关键。
在制定提案管理流程时,应该明确提案的提交、审批、评估和实施的过程。
在提案提交阶段,应该规定提案的提交格式和要求,明确提案的主题和目标。
在提案审批阶段,应该设定明确的审批流程和标准,确保提案经过合理的审批程序。
在提案评估阶段,应该建立科学的评估体系,根据提案的重要性和可行性进行评估,确定是否采纳。
在提案实施阶段,应该制定具体的实施计划和措施,追踪和监管提案的实施情况。
通过制定明确的提案管理流程,可以更好地规范提案管理活动,提高提案管理的效果。
二、提供必要的培训和支持提案管理需要员工具备一定的知识和技能,才能够顺利地参与到提案管理中。
因此,企业应该为员工提供必要的培训和支持。
培训内容可以包括提案管理的基本知识和技能,提案评估的方法和技巧,以及提案实施的相关技术和工具的应用。
培训可以通过培训班、讲座、研讨会等形式进行。
同时,企业还可以建立专门的提案管理团队,为员工提供专业的咨询和支持。
通过提供必要的培训和支持,可以提高员工的提案管理能力,增强员工的参与意识和创新能力。
三、建立激励机制激励机制是提高提案管理积极性和效果的重要手段。
企业可以通过建立激励机制,对员工的提案活动给予积极的肯定和奖励,激发员工的创新和改进能力。
激励机制可以包括提案奖金、提案成果展示、提案先进个人表彰等形式。
此外,企业还可以将提案管理作为员工绩效考核的重要指标,将提案管理能力和绩效挂钩,进一步激励员工参与提案管理活动。
提案改善制度题目:提案改善制度-最实用的改进方法引言:制度是一个组织机构或社会体系中的重要基石。
良好的制度可以保持组织的正常运转,提升效率,减少不必要的摩擦。
然而,现实中的制度往往存在一些弊端,这些弊端可能限制组织的发展,浪费资源,影响员工的积极性。
因此,本提案旨在提出一些最实用的改进方法,以优化制度,提升组织的整体效益。
提案一:制度流程优化在进行任何变革之前,需要从制度流程入手,确保流程清晰,合理并高效。
通过对各个流程节点的分析,可以确定是否有重复、冗余的环节。
通过简化流程,优化各个环节,可以减少资源浪费,提升工作效率。
此外,还可以引入数字化和自动化工具,以进一步减少人工操作,提高准确性和效率。
提案二:信息共享与沟通机制的改进良好的信息共享和沟通机制是有效制度的重要组成部分。
当前的复杂组织结构和跨部门合作使信息传递和沟通变得更加复杂。
为了解决这个问题,建议采用以下措施:1.培养积极主动的沟通文化:鼓励员工提出问题、分享想法和经验,加强团队之间及部门之间的合作和沟通。
2.利用现代信息技术:建立内部社交平台、在线协作工具等,以便员工之间、团队之间和整个组织之间更方便快捷地分享信息和沟通。
3.组织跨部门会议:定期组织跨部门会议,让各个部门了解彼此的业务,增进相互了解、合作和协调。
提案三:激励机制的改进激励机制是激发员工积极性和创造力的重要手段。
当前的激励机制可能存在一些问题,例如只注重绩效评估和物质激励,而忽视了员工的个人成长和发展。
改进激励机制的方式包括:1.开拓晋升通道:建立多元化的晋升通道,不仅关注员工的绩效,还注重员工的专业能力和个人发展。
通过提供培训和发展机会,激励员工学习新知识和技能,提升自身竞争力。
2.引入多样化的奖励和激励方式:除了物质奖励外,还可以考虑提供更多的非物质奖励,如表彰、荣誉、学习机会等。
根据员工的个人需求和特点,制定个性化的激励方案。
提案四:反馈与改进机制的建立建立完善的反馈和改进机制是改善制度的关键。
公司提案改善管理制度尊敬的领导:我是公司的一名员工,很荣幸能够有机会向您提出一些改善管理制度的建议。
我认为,不断地完善公司的管理制度,可以提高企业的竞争力和经济实力,同时也能够激发员工的工作热情,增强企业的凝聚力。
基于此,我建议我们在以下几方面进行改善:一、加强信息沟通公司应该建立一个更加完善的沟通机制,以便更好地传递信息、分享经验和交流想法。
为此,我建议公司可以通过以下方式进行改善:1、定期开展员工交流会公司可以定期组织员工交流会,让员工有机会互相沟通、交流工作中遇到的问题和经验,并在此基础上共同寻找解决问题的策略。
2、完善内部通讯渠道公司应该建立更好的内部沟通渠道,让员工能够随时随地获取确切的信息,以此来推进公司的发展。
这里建议可以采用多种形式,如电子邮件、内部网站等。
二、加强考核机制公司应该建立一个更加公正、科学、合理的考核机制,以鼓励员工积极工作、提高绩效,促进整个企业的发展。
这里建议可以采用以下方式来改善:1、建立科学的绩效考核系统公司应该制定出一个能够准确反映员工工作绩效的考核体系,并建立合理的绩效评估标准,以及相应的奖励和惩罚机制,从而激发员工的工作热情。
2、提高管理层的专业水平公司应该通过培训和学习,提高管理层的专业素质和管理能力,让他们能够更好地掌握和应用现代管理理论和实践,从而提高整个企业的管理水平和竞争力。
三、加强员工培训公司应该加强对员工的培训和发展,提高员工的职业素质,让他们更好地适应市场的需求。
这里建议可以采用以下方式来改善:1、制定相关培训计划公司应该制定相应的培训计划,根据员工不同的岗位和职业需求,为他们提供正确的培训和发展方向。
2、建立培训评估体系公司应该建立一个科学、合理的培训评估体系,以便能够及时发现员工的不足和提高点,从而在有效的时间内进行针对性的培训。
以综上所述,我认为通过提高信息沟通、建立公正的考核机制和加强员工培训等方式,可以有效改善公司的管理制度,提高企业的竞争力和市场地位,同时也可以激发员工的工作热情,增强企业的凝聚力。
改善提案管理制度范本提案管理制度的改善范本一、背景介绍随着企业竞争的日益激烈,提案管理制度的优化变得至关重要。
一套高效的提案管理制度能够帮助企业更好地规划和管理资源,提高决策效率,推动企业持续发展。
然而,目前许多企业的提案管理制度仍存在一些问题,亟需进行改进。
本文将就提案管理制度的改善进行深入探讨,并提出一份适用的改善范本。
二、问题分析1. 缺乏明确的提案分类和评审标准:当前很多企业在提案的分类和评审标准上存在混乱和不统一的情况。
这导致提案的质量无法得到有效保障,进而影响了提案的决策效果。
2. 流程冗长繁琐:许多企业的提案管理流程过于复杂,需要经过多个环节和岗位的审批,导致决策时间过长,无法及时响应市场需求。
3. 缺乏有效的沟通和协作机制:在提案管理过程中,不同部门之间缺乏有效的沟通和协作,造成资源的浪费和效率的低下。
三、改善提案管理制度的范本为了解决上述问题,我们可以采取以下措施:1. 确定明确的提案分类和评审标准:制定一套明确的提案分类和评审标准,根据提案的性质和内容将其分为市场推广、产品研发、运营管理等不同类别,并根据不同类别的要求确定评审标准,以保证提案的质量和决策的科学性。
2. 简化提案流程:将提案流程进行精简,减少冗余环节和审批岗位,提高决策效率。
可以借鉴快速决策的原则,将决策权限下放到更低的层级,让更多的人参与到提案决策中来。
3. 建立跨部门协作机制:建立跨部门的沟通和协作机制,打破各部门之间的壁垒,加强信息共享和合作,提高资源的利用效率。
可以通过定期举行跨部门会议或组织专门的协作小组来推动沟通和协作。
4. 引入信息化支持系统:利用信息化技术建立提案管理系统,实现对提案的全程跟踪和监控。
通过系统的支持,可以更好地管理提案的状态、进展和结果,并为决策提供科学依据。
5. 加强培训和宣传:针对提案管理制度的改进,开展相应的培训和宣传活动,让员工充分了解和掌握新的制度要求。
同时,组织相关的经验交流和案例分析,提高员工的提案能力和意识。
提案改善流程(最实用)提案改善流程 (最实用)背景在不断变化的市场中,提案改善是企业成功发展所必须的一项工作。
然而,许多公司在处理提案过程中遇到了困难和瓶颈,导致效率低下和结果不尽如人意。
因此,经过认真研究和分析,我们提出了以下改善流程,旨在提高提案效率和质量。
流程概述以下是改善提案流程的一些建议:1. 明确目标:在开始提案流程之前,明确目标是非常重要的。
明确目标将为提案的发展提供明确的方向。
明确目标:在开始提案流程之前,明确目标是非常重要的。
明确目标将为提案的发展提供明确的方向。
2. 团队合作:提案改善是一个团队工作。
通过有效的团队合作,不同角色和专业背景的人员可以带来各自独特的见解和想法,从而提高提案质量。
团队合作:提案改善是一个团队工作。
通过有效的团队合作,不同角色和专业背景的人员可以带来各自独特的见解和想法,从而提高提案质量。
3. 市场调研:在制定提案之前,进行充分的市场调研是必要的。
了解竞争对手的策略和市场趋势可以帮助我们在提案中体现差异化和创新性。
市场调研:在制定提案之前,进行充分的市场调研是必要的。
了解竞争对手的策略和市场趋势可以帮助我们在提案中体现差异化和创新性。
4. 数据分析:提案过程中的数据分析对于支持决策和提供有力证据非常重要。
通过收集、整理和分析数据,我们可以更好地评估提案的效果和可行性。
数据分析:提案过程中的数据分析对于支持决策和提供有力证据非常重要。
通过收集、整理和分析数据,我们可以更好地评估提案的效果和可行性。
5. 创意生成:创意是成功提案的关键。
为了生成创意,我们可以组织头脑风暴会议、设立创新奖励机制和鼓励员工分享他们的想法。
创意生成:创意是成功提案的关键。
为了生成创意,我们可以组织头脑风暴会议、设立创新奖励机制和鼓励员工分享他们的想法。
6. 提案评审:在提案流程的最后阶段,进行提案评审是至关重要的。
通过评审,我们可以识别问题、提出改进建议,并最终选择出最有潜力的提案。
提案改善政策(最实用)
概述
本文档旨在提供一些建议,以改善现有的政策。
这些建议旨在简单实用,不涉及法律复杂性,并旨在提高政策的有效性和实施效果。
建议一:简化流程
政策实施中的冗长流程可能导致低效率和延误。
为了改进政策的实施,建议简化流程。
这包括移除不必要的审批环节,减少冗余的文件和表格,以及优化流程以提高效率。
建议二:增加透明度
政策的透明度对公众信任的建立至关重要。
建议政府在政策实施过程中增加透明度。
这可以通过在政府网站上提供相关信息和指导文件,公开政策制定和实施的过程,以及在政策评估和监督方面更开放地与公众交流来实现。
建议三:加强培训和意识宣传
为了确保政策得到有效实施,政府应加强培训和意识宣传工作。
这可以包括开展培训课程和研讨会,向政策相关人员提供必要的培
训和指导,以确保他们理解并能够正确执行政策。
此外,通过广告、宣传和媒体渠道,向公众传达政策内容和目标,以增加社会各界对
政策的理解和支持。
建议四:开展定期评估
政策的定期评估是确保政策持续有效的重要手段。
建议政府设
立定期评估机制,定期对政策的实施效果进行评估和审查。
通过评
估结果,政府可以及时发现政策存在的问题和不足,并采取相应措
施进行改进。
结论
通过简化流程、增加透明度、加强培训和意识宣传以及开展定
期评估,政府可以改进政策的实施和效果。
这些建议旨在提供一些
简单实用的策略,以推动政策的成功实施和持续改善。
提案管理制度会议提案改善方案1. 概述公司的成功离不开员工的智慧和贡献,而员工的智慧和贡献需要通过提案的形式进行表达和实现。
因此,建立和完善一个先进的提案管理制度,对于提高公司的创新能力和发展水平具有至关重要的意义。
然而,当前公司的提案管理制度存在一些问题,例如缺乏透明公正性、审批过程繁琐、落实不彻底等。
为了解决这些问题,公司组织了一次会议,讨论提案管理制度的改善方案。
下面给出了一些具有实效性的改善方案,旨在提高提案管理制度的透明度、公正性、审批效率和落实度。
2. 改善方案2.1 提高透明度和公正性提案的透明度和公正性是企业提案管理制度的基本要求。
公司应该清晰地制定提案的收集、审批和公布流程,并严格执行。
具体改善措施包括:1.向所有员工宣传企业提案管理制度和流程,并教育员工如何提高提案的质量和效率。
提高员工的认知程度。
2.统一提案表格和提交渠道,规范提案内容和格式。
提案的审核与公示应该公正祥详,通过介绍提案评审流程,筛选规则,以及公示标准等,管控提案评审工作的公正。
2.2 提高审批效率提案管理制度要达到“以时间换效益”的最大化,就要优化审批流程。
具体的改善措施包括:1.设定提案审核的标准以及员工提案审核的人数和职位等,工作的经手人应该负责制定审核标准。
2.建立专门的提案审核机构,有严格的审核人员、评审初始设定的成员组成的评审团。
评审团应该严格按照审核标准进行评审。
3.采用信息化技术,建立在线提案管理系统,使员工能够方便地提交提案,并且能随时追踪提案的审核进度。
在线审核记录将可用于数据挖掘,更深入地分析员工投入。
2.3 提高落实度提案管理制度不仅在提案的阶段要做好管理,还需在提案的落实方面得到有效的推动。
具体的改善措施包括:1.在提案的评审流程中,加入落实计划审核环节,规定了提案执行的各类要求,明确落实的时间和责任人。
2.建立专门的跟踪落实机构,对于提案的执行情况进行跟踪评价,对提案执行情况进行监控,制定发现和整改计划,对比新的数据和老数据,解调所有未完成的事项和正在处理的事项。
东莞市******科技有限公司提案改善管理制度一、改善的定义改善就是对工作场所的所存在的问题点进行改良和优化,以提高效率、质量及降低成本的活动。
二、改善的目的为了激发全体员工的工作士气,促进全员参与改善,提高改善意识,积累并推广群体的智慧,不断提出对工作的改善建议与方法,从而达到提高产品质量、降低成本、提高管理水平等三、目标1.生产现场合理化、标准化2.消除现场存在的“七大浪费”3.降低员工的劳动强度,提高工作效率4降低成本、提高生产质量和生产率5.使员工养成良好的生活、工作习惯6.提高现场人员改善的积极性四、改善的范围1.提升5S水平2.完善生产管理制度(包括生产流程和认识制度)3.改善生产方法、体改生产能力4.工装工具的设计与改良5.提高工装工具和设备的利用率6.降低生产成本或日常运营成本7.提高产品的生产质量8.有利于生产的平衡率9.降低工作所需时间,或简化了工作程序,提高了工作效率,或提高了工作质量10.其他对生产现场有溢出的方面1.仅提出缺点或问题,但缺少具体的改善思路或改善方法2.已被采用过或前已有的重复建议3.与曾被提出或被采纳的建议内容相同者4.针对个人及私生活的5.由上级指定其为业务、管理、技术的改进或工作方法、程序、报表的改善或简化等工作而获得改进者6. 其他对公司没有利益或无实现可能性的建议7. 对于公司各项保密制度所规定内容六、提案提交、评审及相关激励1.改善提案填写规范(1)提案者须使用统一的《优秀提案报告书》填写(2)提案者须写明提案者姓名、班组、员工编号、提案日期、提案类别及团队分工(单人完成的可不写)(3)主要改善内容、改善前后的数据量化(4)改善前现状,及改善方案、改善后所达到的效果(必要时配以图表、照片、样品或文字)2.改善提案提交流程(1)班组改善担当负责收集整合提案并和班长进行初步评审是否周优推荐,对提交内容不符合改善提案受理范围的,各班组自觉留存并对当事人讲清缘由(但不得打击提出者的积极性,建议班组进行鼓励性奖励)(2)各担当及班长初步评审后交与本工段主管,由主管对提案做出评价及签字确认后交与IE组(3)IE组担当将根据各班组提交的提案记录在周例会提案板块统计表格中,在每周一例会资料中发送统计表格及驳回台账等相关信息供班组核对具体提案提报流程如下:3.改善提案评审流程(1)IE组担当将对每周提交的周优提案现场确认(确认改善价值与实施情况),对驳回提案通知本人并在无疑问的情况下向提案人解释清楚,IE组担当将把驳回提案制作台账并汇总到周例会资料(2)对于周优秀中可推广性的提案制作周优展示,并在班组改善看板统一悬挂(3)被推荐为月度优秀的提案,该提案提出者须填写《月度优秀板提案》由主管签字后交与IE组,IE组将在每月月末由统一评选(评选成员由课长、各工段主管、IE组担当等组成)4.激励积分(1)为了便于IE组更准确的统计出当月每人的积分情况,IE组将在每月25号左右截止当月的统计,25号后提交的将统一统计在下个月里(2)奖品兑换流程每月5号左右IE组将奖品兑换表发与各班长邮箱及共分享平台中,各班组人员可根据各自积分自行选择需兑换物品并提报IE组。
员工提案改善管理制度由于市场竞争的日益激烈,企业管理制度也需要不断优化和完善,以适应不断变化的外部环境。
作为企业的一员,员工也应该积极参与到管理制度的改善中来,提出自己的意见和建议,共同推动企业发展。
本文将提出一些员工提案,希望能够引起企业管理层的重视,并对管理制度进行改善。
1. 提案一:建立员工意见建议箱建立员工意见建议箱,让员工可以随时向管理层提出自己的意见和建议。
通过员工意见建议箱,可以有效地收集员工的想法和看法,提高员工的参与度和归属感。
管理层可以定期查看员工意见建议箱,及时处理并采纳有效建议,以改善管理制度。
2. 提案二:加强内部沟通和协作加强内部沟通和协作,建立一个良好的团队合作氛围。
管理层应该定期组织内部会议,与员工进行沟通交流,共同探讨问题并解决困难。
同时,建立跨部门协作机制,加强团队之间的合作,提高工作效率和质量。
3. 提案三:提升员工培训和发展机会提升员工培训和发展机会,让员工可以不断学习和提升自己的技能。
管理层应该制定员工培训计划,为员工提供各种培训机会,帮助他们提升专业素养和职业能力。
同时,建立员工职业发展通道,提供晋升和发展的机会,以激励员工持续提升。
4. 提案四:建立绩效考核和激励机制建立绩效考核和激励机制,激励员工积极工作和发挥潜力。
管理层应该建立科学的绩效考核体系,对员工的工作表现进行评估,并根据评估结果提供相应的奖励和激励措施。
同时,建立员工奖励制度,鼓励员工创新和表现,提升工作积极性和效率。
5. 提案五:加强员工福利和关怀加强员工福利和关怀,提升员工的生活质量和工作满意度。
管理层应该关注员工的身心健康,建立健康管理制度,为员工提供健康体检和保健服务。
同时,建立员工关怀机制,关注员工的生活和工作需求,提供必要的帮助和支持。
总结:员工是企业的重要资产,他们的积极参与和投入对企业的发展至关重要。
因此,管理层应该充分重视员工提案,听取员工的意见和建议,共同努力改善管理制度,促进企业的可持续发展。
提案改善模式(最实用)1. 引言本文档旨在提出一种实用的提案改善模式,以帮助组织和个人更有效地提出和实施改善提案。
通过采用这种模式,可以确保提案的可行性和实施效果,从而推动组织的发展和个人的成长。
2. 提案改善模式概述提案改善模式是一个系统性的方法,用于制定和执行改善提案。
它包含以下几个关键步骤:2.1 问题识别在制定改善提案之前,首先需要识别问题的存在。
通过调查研究或与相关人员进行讨论,可以确定当前存在的问题和改善的潜在机会。
2.2 目标设定确立明确的改善目标是成功实施提案的关键。
在该步骤中,需要清楚地定义改善的预期结果,并与相关利益相关者达成共识。
2.3 解决方案设计在设计解决方案时,需要综合考虑多种因素,如资源可用性、可行性和可持续性。
解决方案应该能够解决问题并实现设定的目标。
2.4 实施与监控实施改善提案需要一定的计划和资源。
同时,还需要建立监控机制,以评估改善效果并进行必要的调整和优化。
2.5 反馈与总结一旦改善提案实施,就需要收集反馈并进行总结。
通过评估改善的成果和教训,可以为今后的改善提案提供宝贵的经验和教训。
3. 实施建议以下是一些在使用提案改善模式时的实施建议:- 集思广益:充分利用团队和利益相关者的智慧和建议,以获得更全面的解决方案。
- 清晰沟通:确保提案的目标和改善方案被清晰地传达给所有相关人员,以获得共识和支持。
- 简化流程:尽量避免过于复杂和繁琐的流程,以便更高效地实施改善提案。
- 持续优化:在实施过程中持续监控和评估改善的效果,及时调整和优化方案。
4. 结论通过采用提案改善模式,组织和个人可以更系统和有效地制定和实施改善提案。
这种模式可以帮助解决问题并实现设定的目标,从而促进组织的发展和个人的成长。
将这种模式应用于实际操作中,可以为改善提案的成功实施提供重要的指导。
> 注意:本文档所提供的建议仅供参考,具体实施应根据实际情况进行调整和定制。
改善提案管理制度引言:在现代组织中,创新和改进是保持竞争优势的关键。
而提案作为一种重要的改善工具,对于组织的发展起到了关键作用。
然而,传统的提案管理制度往往存在一系列问题,如流程繁琐、效率低下等。
因此,改善提案管理制度成为了组织不可回避的任务。
本文将就如何改善提案管理制度进行深入探讨。
一、优化提案提交流程提案提交流程是整个提案管理制度的核心,一个简化高效的流程将能够极大地提升提案管理的效率。
首先,应该明确规定提案的提交渠道,可以通过在线系统或者直接提交给相关部门。
其次,应该建立评审委员会,对提案进行初步筛选,确保提案的质量和可行性。
最后,将通过初步筛选的提案进行细致的评审,并确定具体的实施计划。
二、加强提案评审机制提案评审是保证提案质量的关键环节,应该建立科学严谨的评审机制。
首先,评审委员会应该由相关部门的专家和领导组成,确保评审的权威性和专业性。
其次,应该制定明确的评审标准,并在评审时进行量化评价,以确保评审公正与规范。
最后,应该建立提案评审结果反馈机制,将评审结果及时反馈给提案提交人,促进提案改进和进一步优化。
三、加强提案管理与实施跟踪提案的管理和实施跟踪是提案管理制度的关键环节,对于提案的有效实施起到了至关重要的作用。
首先,应该建立提案管理数据库,对已通过评审的提案进行集中管理,便于随时查阅和跟踪。
其次,应该建立提案实施的责任制,明确责任人和时限,并进行定期的跟踪检查,确保提案得到有效执行。
最后,应该及时总结提案实施的结果,并通过内部通报等方式进行宣传,以鼓励更多员工积极提交提案。
四、建立绩效考核机制为了激励员工积极参与提案管理活动,应该建立相应的绩效考核机制。
可以设立提案贡献奖励制度,对提案质量和实施成效优秀的员工给予奖励,并将其纳入绩效考核体系。
同时,应该建立提案贡献的评价标准,以量化提案贡献,确保公正性和客观性。
五、加强提案管理的信息化建设信息化建设是提升提案管理效率的重要手段。
应该建立健全的提案管理信息系统,将提案管理流程和信息进行有机整合,实现提案的在线提交、评审、跟踪等功能。
改善提案制度改善提案制度提案制度是现代企业中常见的一种内部管理机制,它能够促进员工积极参与企业管理和决策,发挥他们的智慧和创造力,对企业的进步和发展起到重要作用。
然而,由于一些制度设计不合理和管理不到位等原因,现有的提案制度在一些企业中存在一些问题。
为了改善提案制度,我给出以下几点建议。
首先,需要加强对提案制度的宣传和培训。
很多员工对提案制度的了解和参与度不高,甚至存在误解和抵触情绪。
因此,企业应该加强对提案制度的宣传,让员工了解其意义和目的,激发他们的积极性和创造力。
同时,企业还应该组织培训班或讲座,培养员工的提案技巧和意识,提高他们的参与度和贡献度。
其次,需要改善提案的评审程序。
现有的一些企业在提案的评审过程中存在一些问题,导致员工的积极性受到打击。
一方面,有些企业的评审过程繁琐,需要经过多个层级的审批和拖延,使得员工对提案的提交和落地产生怀疑。
另一方面,有些企业的评审标准不明确或过于严苛,对员工的创意和建议缺乏足够的尊重和认可。
因此,我建议企业优化提案的评审程序,简化流程,提高效率。
同时,企业应该制定明确的评审标准,公正、公平地对待每一个提案,给予员工足够的肯定和激励。
再次,需要建立提案报酬机制。
很多企业的提案制度忽视了员工的物质激励,导致员工对提案参与的兴趣和热情降低。
为了鼓励员工积极参与提案活动,我建议企业建立提案报酬机制。
可以通过给予提案者一定的奖励或提成,体现对他们的认可和鼓励。
同时,还可以设立提案竞赛,设置丰厚的奖金和奖品,激发员工的创造力和竞争意识。
最后,需要加强提案的跟踪和落地。
很多企业的提案制度只注重提案的收集和初步评审,缺乏对提案的后续跟踪和实施。
这就使得很多优秀的提案无法得到有效的执行和推广,最终落地效果不佳。
因此,企业应该加强对提案的跟踪和落地工作。
可以设立专门的团队或部门负责提案的执行和监督,确保每个提案都能够得到有效地实施和落地。
综上所述,改善提案制度是企业优化管理的重要内容。
提案改善管理制度
1 目的
为了促进员工发挥自己的聪明才智和潜力,集结个人与团队的智慧和经验,谋求生产、技术、管理、流程的改善,提高产品品质和工作效率,降低成本,增进公司经营、激励员工士气的目的,鼓励全员参与持续改善活动,特制定本制度。
2 适用范围
适用于公司经理以下职位的人员,只要提交的提案通过审核并实施有效,即可依照制度进行奖励。
3 受理内容
3.1 可受理内容
凡对公司管理改善、运营有益的改善意见、发明或构想,均可作为提案内容,但必须自己主动改善,即:主动“改”方法“善”结果,内容如下:
●操作方法的改善;作业程序或动作程序的改进;
●设备布置和工治具自动化、省人化创新性的改善;
●质量的改善及技术创新;
●不良品、废品回收利用的改善;
●成本的降低,原料的利用和节省;
●物料搬运的改善及包装物改善;
●工作环境或布局的改善;
●意外事件的防止、安全措施的改善;
●个人工作业务的改善;
●其他有助于公司发展和提升积极性的改善。
3.2 不可受理内容
对公司管理改善、运营无益的改善意见、发明或构想,不属于受理范围,内容如下:
●非建设性批评及政治问题;
●纯属个人想象、空洞,既无经济效益,也无管理效益;
●只反映状况和问题,自己无具体可行改善内容(可向上级咨询或讨论后再提案);
●已经被采用或以前已经提出的雷同提案;
●个人工资或人事调动问题;
●改正错误,未达到标准要求的而提出的改善;
●对他人及私生活有攻击倾向的提案。
3.3 其他要求
●参加形式不限,可以个人、小组、跨部门组合等形式;
●同一内容的改善以先提交为先;
●本改善提案办法的解释权归公司,若与其他项目发生利益冲突时,请以项目为准,
无需重复提出。
4 管理流程
提案人发现改善点后,可触发提案,分为《提案卡》和《提案改善报告》,一线作业员工先写纸质版草稿或口述,可由组长或主管代填《提案卡》,其它人员需填写《提案改善报告》。
4.1 提出
●提案卡:提案人按格式填写,内容包括提案人、部门、提案名称、日期、现状描述、
改善对策;
●提案改善报告:提案人按格式填写,包括提案人、提案名称、日期、参与人员、改
善性质、现状描述、改善对策。
4.2 部门初审
4.2.1 提案卡
部门经理对提案进行初审,初审内容如下:
1)采用评价:对于采用的提案,进行详尽描述;
2)不采用理由:对于不采用的提案,需给予说明;
3)形成《提案改善报告》:若是,将此方案交由组长或工程师按《提案改善报告》流
程开展,若否,无需开展,并给予说明;
4)提案奖金:通过的提案卡给予50元/张,不通过的为0元;
5)积分:通过的积5分,不通过的积1分。
4.2.2 提案改善报告
部门经理对提案进行初审,流程如下:
1)部门经理对提案进行初步了解后作出判断:
●不通过的退提案人,并作解释和说明,内部进行表扬和鼓励;
●通过的告知提案人,可开展下一步工作。
2)提案人填写实施效果和效益评估的详细资料,可在附件中贴上图纸、图片等资料;
3)提案人将报告提交给部门经理进行初审,通过的在初审栏中进行详尽描述,不通过
的退回。
4.3 评审
1)供应链办公室收到部门经理初审通过的报告,组织小组开展提案评审:
●《提案卡》:在评审栏中写明结果,并签字确认,不通过的退回;
●《提案改善报告》:组织评审小组,包括质量、工程、制造、IE、专案改善经
理、供应链总监等成员,对实施效果、预期效益进行评估,通过的进行下一步,
不通过的退回。
2)按成本法或评分法对预期效益进行核定,并签字确认:
●成本法:能使用货币表示的效益,如降本、效率提升、自动化、省人化;
●评分法:不能使用货币表示的效益,如修改制度、改变布局、安全措施等。
●若两种方法均可使用,优先使用成本法核定效益。
3)将评审通过的提案在供应链群进行发布、宣传,鼓励更多的人员提出更加优秀的提
案。
4.4 实际效益评估
提案者根据“效果评定依据”中结算时间确认实际改善效益,如评定为三等奖,按成本法需要6个月,开始实施时间为2017年3月15日,实际效益评估时间为2017年9月14日。
4.5 终审
1)收到提案人的报告,由原小组成员再次评审,对“等级、积分、奖金”差异部分进
行重新调整,通过的在评审栏签字,奖金与当月工资一起发放,不通过的退回;
2)将此报告发布,并存档,相关信息登记至《提案改善汇总表》。
5 评定方法和依据
5.1 评定方法:
5.2 效果评价依据。