挡土墙计算(仰斜式)
- 格式:xls
- 大小:787.00 KB
- 文档页数:2
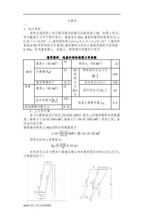
计算书一、1、设计资料西安至咸阳的二级公路设置仰斜重力式路肩挡土墙,如图1所示,有关截面尺寸列于图中其中,墙高H=4.90m,墙面和墙背的坡度均为1:0.25(α=14.04°);基底倾斜度tan α0=1:1.5(α0=11.31°)墙身和基础由M5砂浆砌筑片石MU30;墙背填料为砂性土基础顶面距天然地面0.93m 。
有关墙背填土、地基土、砌体物力参数列于表中墙背填料、地基和砌体物理力学参数2、土力学计算按《公路路基设计规范JTG D30-2004》规定q 车辆荷载附加荷载强度,墙高小于2m 取20KN/m 2,墙高大于10m 取10KN/m 2,两者之间,直线法内差计算。
墙高墙身高度4.90m 的附加荷载强度为q=20-(20−10)(10−2)(4.9−2)=16.38 KN/m 2 则等代均布土层厚度为: h 0=q γ=16.3818=0.91(m)采用库伦土压力理论计算墙后填土和车辆荷载引起的主动土压力,计算图式如下:填料 重度γ(KN/m 3) 18砌体a γ(KN/m 3) 22 内摩擦角φ°35M5浆砌片石MU30砌体容许压应力为[]a σ600 墙背摩擦角δ φ/2 容许剪应力[τ] 100 地基重度γ(KN/m 3)21容许拉应力[wl σ]60容许承载力[]0σ450地基土摩擦系数μh0.8基地摩擦系数为μ 0.45可确定边界系数(破裂面交会于荷载中部)为:A 0=12(a +H +2h 0)(a +H )=12(4.90+2×0.91)×4.90=16.46 B 0=12ab +(b +d )h 0−12H (H +2a +2h 0)tan α=−12×4.90×(4.90+2×0.91)×(−0.25)=4.17 其中:a=0,d=0,b=0破裂面倾角为:tan θ=−tan ψ+√(cot φ+tan ψ)(tan ψ+B 0/A 0)=−tan38.48°+√(cot35°+tan38.46°)(tan38.46°+4.17/16.46)=0.7291 θ=36.10°其中:ψ=φ+α+δ= 35°-14.04°+17.5°=38.46° 主动土压力系数为: K =cos (θ+φ)sin (θ+ψ)(tan θ+tan α)=cos (36.10°+35°)sin (36.10°+38.46°)(tan36.10°−0.25)=0.161作为于墙背的主动土压力为:E a = 12γKH (H +2h 0)=12×19×0.161×6.30×(6.3+2×0.77)=75.55(kN)土压力水平分力和竖直分力分别为:E x =E a cos (α+δ)=75.55× cos (−14.04°+17.5°)=75.41(kN )E y =E a sin (α+δ)=75.55× sin (−14.04°+17.5°)=4.56(kN )水平土压力作用点至墙趾的力臂:Z x =H (H+3h 0)3(H+2h 0)=6.3(6.3+3×0.77)3(6.3+2×0.77)=2.31(m )Z y =B 4− Z x tan α=1.52-2.31×(−0.25)=2.10(m)3.挡土墙自重及力臂计算将挡土墙分为三部分,如图虚线所示,截面各部分对应的墙体重力及墙趾(O 1)G 1=γK B 1H 1=23×1.3×5.5=164.45(kN )Z 1=0.3+0.5×0.25+5.5×0.25+1.32=1.76(m)G 2=23×1.6×0.5=18.4(kN )Z 2=0.5×0.252+1.62=1.76(m ) G 3=23×1.6×0.3×0.5=18.4(kN )Z 3=2/3(1.6+1.52)=2.08(m)墙体总重及墙趾(O 1)的力臂:G= G 1+ G 2+ G 3=164.45+18.40+5.52=188.37(kN) Z G =( G 1Z 1+ G 2Z 2+ G 3Z 3)/G=(164.45×1.76+18.4×0.86+5.52×2.08)/188.37=1.68(m) 4.抗滑稳定性验算⑴沿基地平面滑动的稳定性验算 ① 抗滑稳定方案滑动稳定应满足下式要求:[1.1G+γQ1(E y +E x tan α0)]μ+(1.1G+γQ1E y )tan α0-+γQ1E x >0 由于土压力的作用效应增大对挡土墙结构起不利左右,故γQ1=1.4,则有:[1.1×188.37+1.4×(4.56+75.41×0.2)]×0.4+ (1.1×188.37+1.4×4.56) ×0.2-1.4×75.41=32.30(kN)>0②抗滑稳定系数∑N= G + E y = 188.37+4.56 = 192.93(kN ) K C =(∑N+E x tan α0)μE x−∑N tan α0=(192.93+75.41×0.2)×0.475.41−792.93×0.2=2.26>1.3抗滑稳定性满足要求⑵沿过墙踵水平面滑动的稳定性验算(图3—30) 计入倾斜基底与水平滑动面之间的土楔的重力∆G : ∆G =12×1.52×0.30×21=4.79(kN) ①滑动稳定方程(1.1G+γQ1E y )μn −γQ1E x =[1.1×(188.37+4.79)+1.4×4.56]×0.8−1.4×75.41=69.51(kN)>0⑴②抗滑稳定系数 K C =(∑N+∆G )μn E x =(192.93+4.79)×0.875.41=2.10>1.3沿过墙踵水平面的抗滑稳定性满足要求。
重力式挡土墙验算[执行标准:公路]计算项目:仰斜式路堑墙挡土墙承载力250高7米计算时间:2013-11-06 22:11:15 星期三------------------------------------------------------------------------ 原始条件:墙身尺寸:墙身高: 7.000(m)墙顶宽: 2.000(m)面坡倾斜坡度: 1:0.350背坡倾斜坡度: 1:-0.200采用1个扩展墙址台阶:墙趾台阶b1: 0.300(m)墙趾台阶h1: 0.600(m)墙趾台阶与墙面坡坡度相同墙底倾斜坡率: 0.200:1物理参数:圬工砌体容重: 24.000(kN/m3)圬工之间摩擦系数: 0.400地基土摩擦系数: 0.500墙身砌体容许压应力: 6800.000(kPa)墙身砌体容许弯曲拉应力: 430.000(kPa)墙身砌体容许剪应力: 850.000(kPa)材料抗压强度设计值: 7.820(MPa)系数醩: 0.0020挡土墙类型: 一般挡土墙墙后填土内摩擦角: 35.000(度)墙后填土粘聚力: 0.000(kPa)墙后填土容重: 19.000(kN/m3)墙背与墙后填土摩擦角: 17.500(度)地基土容重: 18.000(kN/m3)修正后地基承载力特征值: 250.000(kPa)地基承载力特征值提高系数:墙趾值提高系数: 1.200墙踵值提高系数: 1.300平均值提高系数: 1.000墙底摩擦系数: 0.500地基土类型: 土质地基地基土内摩擦角: 30.000(度)土压力计算方法: 库仑坡线土柱:坡面线段数: 2折线序号水平投影长(m) 竖向投影长(m) 换算土柱数1 1.000 0.000 02 1.000 1.000 0坡面起始距离: 0.000(m)地面横坡角度: 75.000(度)填土对横坡面的摩擦角: 17.500(度)墙顶标高: 0.000(m)挡墙分段长度: 10.000(m)===================================================================== 第 1 种情况: 组合1=============================================组合系数: 1.0001. 挡土墙结构重力分项系数 = 1.000 √2. 墙顶上的有效永久荷载分项系数 = 1.000 √3. 墙顶与第二破裂面间有效荷载分项系数 = 1.000 √4. 填土侧压力分项系数 = 1.000 √5. 车辆荷载引起的土侧压力分项系数 = 1.000 √=============================================[土压力计算] 计算高度为 7.644(m)处的库仑主动土压力无荷载时的破裂角 = 15.000(度)按实际墙背计算得到:第1破裂角: 15.000(度)Ea=50.892(kN) Ex=50.595(kN) Ey=5.488(kN) 作用点高度 Zy=2.548(m) 墙身截面积 = 18.934(m2) 重量 = 454.418 (kN)(一) 滑动稳定性验算基底摩擦系数 = 0.500采用倾斜基底增强抗滑动稳定性,计算过程如下:基底倾斜角度 = 11.310 (度)Wn = 445.594(kN) En = 15.304(kN) Wt = 89.119(kN) Et = 48.537(kN) 滑移力= -40.582(kN) 抗滑力= 230.449(kN)滑移力为负值,不计算抗滑移稳定安全系数!滑动稳定方程验算:滑动稳定方程满足: 方程值 = 308.207(kN) > 0.0地基土层水平向: 滑移力= 50.595(kN) 抗滑力= 239.291(kN)地基土层水平向: 滑移验算满足: Kc2 = 4.730 > 1.300(二) 倾覆稳定性验算相对于墙趾点,墙身重力的力臂 Zw = 2.667 (m)相对于墙趾点,Ey的力臂 Zx = 3.731 (m)相对于墙趾点,Ex的力臂 Zy = 1.904 (m)验算挡土墙绕墙趾的倾覆稳定性倾覆力矩= 96.326(kN-m) 抗倾覆力矩= 1232.461(kN-m)倾覆验算满足: K0 = 12.795 > 1.500倾覆稳定方程验算:倾覆稳定方程满足: 方程值 = 893.738(kN-m) > 0.0(三) 地基应力及偏心距验算基础类型为天然地基,验算墙底偏心距及压应力取倾斜基底的倾斜宽度验算地基承载力和偏心距作用于基础底的总竖向力 = 460.897(kN) 作用于墙趾下点的总弯矩=1136.135(kN-m) 基础底面宽度 B = 3.285 (m) 偏心距 e = -0.823(m)基础底面合力作用点距离基础趾点的距离 Zn = 2.465(m)基底压应力: 趾部=0.000 踵部=374.762(kPa)地基平均承载力验算满足: 压应力=140.306 <= 250.000(kPa)(四) 基础强度验算基础为天然地基,不作强度验算(五) 墙底截面强度验算验算截面以上,墙身截面积 = 17.855(m2) 重量 = 428.520 (kN)相对于验算截面外边缘,墙身重力的力臂 Zw = 2.696 (m)相对于验算截面外边缘,Ey的力臂 Zx = 3.731 (m)相对于验算截面外边缘,Ex的力臂 Zy = 1.904 (m)[容许应力法]:法向应力检算:作用于验算截面的总竖向力 = 434.008(kN) 作用于墙趾下点的总弯矩=1079.408(kN-m) 相对于验算截面外边缘,合力作用力臂 Zn = 2.487(m)截面宽度 B = 3.350 (m) 偏心距 e1 = -0.812(m)截面上偏心距验算满足: e1= -0.812 <= 0.250*3.350 = 0.837(m)截面上压应力: 面坡=-58.877 背坡=317.986(kPa)压应力验算满足: 计算值= 317.986 <= 6800.000(kPa)拉应力验算满足: 计算值= 58.877 <= 430.000(kPa)切向应力检算:剪应力验算满足: 计算值= -36.719 <= 850.000(kPa)[极限状态法]:重要性系数0 = 1.000验算截面上的轴向力组合设计值Nd = 434.008(kN)轴心力偏心影响系数醟= 0.585挡墙构件的计算截面每沿米面积A = 3.350(m2)材料抗压强度设计值fcd = 7820.000(kPa)偏心受压构件在弯曲平面内的纵向弯曲系数豮= 0.981计算强度时:强度验算满足: 计算值= 434.008 <= 15316.554(kN)计算稳定时:稳定验算满足: 计算值= 434.008 <= 15029.180(kN)(六) 台顶截面强度验算[土压力计算] 计算高度为 6.400(m)处的库仑主动土压力无荷载时的破裂角 = 15.000(度)按实际墙背计算得到:第1破裂角: 15.000(度)Ea=35.673(kN) Ex=35.465(kN) Ey=3.847(kN) 作用点高度 Zy=2.133(m)[强度验算]验算截面以上,墙身截面积 = 15.872(m2) 重量 = 380.928 (kN)相对于验算截面外边缘,墙身重力的力臂 Zw = 2.303 (m)相对于验算截面外边缘,Ey的力臂 Zx = 3.387 (m)相对于验算截面外边缘,Ex的力臂 Zy = 2.133 (m)[容许应力法]:法向应力检算:作用于验算截面的总竖向力 = 384.775(kN) 作用于墙趾下点的总弯矩=814.731(kN-m) 相对于验算截面外边缘,合力作用力臂 Zn = 2.117(m)截面宽度 B = 2.960 (m) 偏心距 e1 = -0.637(m)截面上偏心距验算满足: e1= -0.637 <= 0.250*2.960 = 0.740(m)截面上压应力: 面坡=-37.967 背坡=297.950(kPa)压应力验算满足: 计算值= 297.950 <= 6800.000(kPa)拉应力验算满足: 计算值= 37.967 <= 430.000(kPa)切向应力检算:剪应力验算满足: 计算值= -40.015 <= 850.000(kPa)[极限状态法]:重要性系数0 = 1.000验算截面上的轴向力组合设计值Nd = 384.775(kN)轴心力偏心影响系数醟= 0.642挡墙构件的计算截面每沿米面积A = 2.960(m2)材料抗压强度设计值fcd = 7820.000(kPa)偏心受压构件在弯曲平面内的纵向弯曲系数豮= 0.980计算强度时:强度验算满足: 计算值= 384.775 <= 14853.828(kN)计算稳定时:稳定验算满足: 计算值= 384.775 <= 14563.261(kN)===================================================================== 第 2 种情况: 组合2=============================================组合系数: 1.0001. 挡土墙结构重力分项系数 = 1.000 √2. 墙顶上的有效永久荷载分项系数 = 1.000 √3. 墙顶与第二破裂面间有效荷载分项系数 = 1.000 √4. 填土侧压力分项系数 = 1.000 √5. 车辆荷载引起的土侧压力分项系数 = 1.000 √=============================================[土压力计算] 计算高度为 7.644(m)处的库仑主动土压力无荷载时的破裂角 = 15.000(度)按实际墙背计算得到:第1破裂角: 15.000(度)Ea=50.892(kN) Ex=50.595(kN) Ey=5.488(kN) 作用点高度 Zy=2.548(m) 墙身截面积 = 18.934(m2) 重量 = 454.418 (kN)(一) 滑动稳定性验算基底摩擦系数 = 0.500采用倾斜基底增强抗滑动稳定性,计算过程如下:基底倾斜角度 = 11.310 (度)Wn = 445.594(kN) En = 15.304(kN) Wt = 89.119(kN) Et = 48.537(kN) 滑移力= -40.582(kN) 抗滑力= 230.449(kN)滑移力为负值,不计算抗滑移稳定安全系数!滑动稳定方程验算:滑动稳定方程满足: 方程值 = 308.207(kN) > 0.0地基土层水平向: 滑移力= 50.595(kN) 抗滑力= 239.291(kN)地基土层水平向: 滑移验算满足: Kc2 = 4.730 > 1.300(二) 倾覆稳定性验算相对于墙趾点,墙身重力的力臂 Zw = 2.667 (m)相对于墙趾点,Ey的力臂 Zx = 3.731 (m)相对于墙趾点,Ex的力臂 Zy = 1.904 (m)验算挡土墙绕墙趾的倾覆稳定性倾覆力矩= 96.326(kN-m) 抗倾覆力矩= 1232.461(kN-m)倾覆验算满足: K0 = 12.795 > 1.500倾覆稳定方程验算:倾覆稳定方程满足: 方程值 = 893.738(kN-m) > 0.0(三) 地基应力及偏心距验算基础类型为天然地基,验算墙底偏心距及压应力取倾斜基底的倾斜宽度验算地基承载力和偏心距作用于基础底的总竖向力 = 460.897(kN) 作用于墙趾下点的总弯矩=1136.135(kN-m) 基础底面宽度 B = 3.285 (m) 偏心距 e = -0.823(m)基础底面合力作用点距离基础趾点的距离 Zn = 2.465(m)基底压应力: 趾部=0.000 踵部=374.762(kPa)地基平均承载力验算满足: 压应力=140.306 <= 250.000(kPa)(四) 基础强度验算基础为天然地基,不作强度验算(五) 墙底截面强度验算验算截面以上,墙身截面积 = 17.855(m2) 重量 = 428.520 (kN)相对于验算截面外边缘,墙身重力的力臂 Zw = 2.696 (m)相对于验算截面外边缘,Ey的力臂 Zx = 3.731 (m)相对于验算截面外边缘,Ex的力臂 Zy = 1.904 (m)[容许应力法]:法向应力检算:作用于验算截面的总竖向力 = 434.008(kN) 作用于墙趾下点的总弯矩=1079.408(kN-m) 相对于验算截面外边缘,合力作用力臂 Zn = 2.487(m)截面宽度 B = 3.350 (m) 偏心距 e1 = -0.812(m)截面上偏心距验算满足: e1= -0.812 <= 0.250*3.350 = 0.837(m)截面上压应力: 面坡=-58.877 背坡=317.986(kPa)压应力验算满足: 计算值= 317.986 <= 6800.000(kPa)拉应力验算满足: 计算值= 58.877 <= 430.000(kPa)切向应力检算:剪应力验算满足: 计算值= -36.719 <= 850.000(kPa)[极限状态法]:重要性系数0 = 1.000验算截面上的轴向力组合设计值Nd = 434.008(kN)轴心力偏心影响系数醟= 0.585挡墙构件的计算截面每沿米面积A = 3.350(m2)材料抗压强度设计值fcd = 7820.000(kPa)偏心受压构件在弯曲平面内的纵向弯曲系数豮= 0.981计算强度时:强度验算满足: 计算值= 434.008 <= 15316.554(kN)计算稳定时:稳定验算满足: 计算值= 434.008 <= 15029.180(kN)(六) 台顶截面强度验算[土压力计算] 计算高度为 6.400(m)处的库仑主动土压力无荷载时的破裂角 = 15.000(度)按实际墙背计算得到:第1破裂角: 15.000(度)Ea=35.673(kN) Ex=35.465(kN) Ey=3.847(kN) 作用点高度 Zy=2.133(m)[强度验算]验算截面以上,墙身截面积 = 15.872(m2) 重量 = 380.928 (kN)相对于验算截面外边缘,墙身重力的力臂 Zw = 2.303 (m)相对于验算截面外边缘,Ey的力臂 Zx = 3.387 (m)相对于验算截面外边缘,Ex的力臂 Zy = 2.133 (m)[容许应力法]:法向应力检算:作用于验算截面的总竖向力 = 384.775(kN) 作用于墙趾下点的总弯矩=814.731(kN-m) 相对于验算截面外边缘,合力作用力臂 Zn = 2.117(m)截面宽度 B = 2.960 (m) 偏心距 e1 = -0.637(m)截面上偏心距验算满足: e1= -0.637 <= 0.250*2.960 = 0.740(m)截面上压应力: 面坡=-37.967 背坡=297.950(kPa)压应力验算满足: 计算值= 297.950 <= 6800.000(kPa)拉应力验算满足: 计算值= 37.967 <= 430.000(kPa)切向应力检算:剪应力验算满足: 计算值= -40.015 <= 850.000(kPa)[极限状态法]:重要性系数0 = 1.000验算截面上的轴向力组合设计值Nd = 384.775(kN)轴心力偏心影响系数醟= 0.642挡墙构件的计算截面每沿米面积A = 2.960(m2)材料抗压强度设计值fcd = 7820.000(kPa)偏心受压构件在弯曲平面内的纵向弯曲系数豮= 0.980计算强度时:强度验算满足: 计算值= 384.775 <= 14853.828(kN)计算稳定时:稳定验算满足: 计算值= 384.775 <= 14563.261(kN)===================================================================== 第 3 种情况: 组合3=============================================组合系数: 1.0001. 挡土墙结构重力分项系数 = 1.000 √2. 墙顶上的有效永久荷载分项系数 = 1.000 √3. 墙顶与第二破裂面间有效荷载分项系数 = 1.000 √4. 填土侧压力分项系数 = 1.000 √5. 车辆荷载引起的土侧压力分项系数 = 1.000 √=============================================[土压力计算] 计算高度为 7.644(m)处的库仑主动土压力无荷载时的破裂角 = 15.000(度)按实际墙背计算得到:第1破裂角: 15.000(度)Ea=50.892(kN) Ex=50.595(kN) Ey=5.488(kN) 作用点高度 Zy=2.548(m) 墙身截面积 = 18.934(m2) 重量 = 454.418 (kN)(一) 滑动稳定性验算基底摩擦系数 = 0.500采用倾斜基底增强抗滑动稳定性,计算过程如下:基底倾斜角度 = 11.310 (度)Wn = 445.594(kN) En = 15.304(kN) Wt = 89.119(kN) Et = 48.537(kN) 滑移力= -40.582(kN) 抗滑力= 230.449(kN)滑移力为负值,不计算抗滑移稳定安全系数!滑动稳定方程验算:滑动稳定方程满足: 方程值 = 308.207(kN) > 0.0地基土层水平向: 滑移力= 50.595(kN) 抗滑力= 239.291(kN)地基土层水平向: 滑移验算满足: Kc2 = 4.730 > 1.300(二) 倾覆稳定性验算相对于墙趾点,墙身重力的力臂 Zw = 2.667 (m)相对于墙趾点,Ey的力臂 Zx = 3.731 (m)相对于墙趾点,Ex的力臂 Zy = 1.904 (m)验算挡土墙绕墙趾的倾覆稳定性倾覆力矩= 96.326(kN-m) 抗倾覆力矩= 1232.461(kN-m)倾覆验算满足: K0 = 12.795 > 1.500倾覆稳定方程验算:倾覆稳定方程满足: 方程值 = 893.738(kN-m) > 0.0(三) 地基应力及偏心距验算基础类型为天然地基,验算墙底偏心距及压应力取倾斜基底的倾斜宽度验算地基承载力和偏心距作用于基础底的总竖向力 = 460.897(kN) 作用于墙趾下点的总弯矩=1136.135(kN-m) 基础底面宽度 B = 3.285 (m) 偏心距 e = -0.823(m)基础底面合力作用点距离基础趾点的距离 Zn = 2.465(m)基底压应力: 趾部=0.000 踵部=374.762(kPa)地基平均承载力验算满足: 压应力=140.306 <= 250.000(kPa)(四) 基础强度验算基础为天然地基,不作强度验算(五) 墙底截面强度验算验算截面以上,墙身截面积 = 17.855(m2) 重量 = 428.520 (kN)相对于验算截面外边缘,墙身重力的力臂 Zw = 2.696 (m)相对于验算截面外边缘,Ey的力臂 Zx = 3.731 (m)相对于验算截面外边缘,Ex的力臂 Zy = 1.904 (m)[容许应力法]:法向应力检算:作用于验算截面的总竖向力 = 434.008(kN) 作用于墙趾下点的总弯矩=1079.408(kN-m) 相对于验算截面外边缘,合力作用力臂 Zn = 2.487(m)截面宽度 B = 3.350 (m) 偏心距 e1 = -0.812(m)截面上偏心距验算满足: e1= -0.812 <= 0.250*3.350 = 0.837(m)截面上压应力: 面坡=-58.877 背坡=317.986(kPa)压应力验算满足: 计算值= 317.986 <= 6800.000(kPa)拉应力验算满足: 计算值= 58.877 <= 430.000(kPa)切向应力检算:剪应力验算满足: 计算值= -36.719 <= 850.000(kPa)[极限状态法]:重要性系数0 = 1.000验算截面上的轴向力组合设计值Nd = 434.008(kN)轴心力偏心影响系数醟= 0.585挡墙构件的计算截面每沿米面积A = 3.350(m2)材料抗压强度设计值fcd = 7820.000(kPa)偏心受压构件在弯曲平面内的纵向弯曲系数豮= 0.981计算强度时:强度验算满足: 计算值= 434.008 <= 15316.554(kN)计算稳定时:稳定验算满足: 计算值= 434.008 <= 15029.180(kN)(六) 台顶截面强度验算[土压力计算] 计算高度为 6.400(m)处的库仑主动土压力无荷载时的破裂角 = 15.000(度)按实际墙背计算得到:第1破裂角: 15.000(度)Ea=35.673(kN) Ex=35.465(kN) Ey=3.847(kN) 作用点高度 Zy=2.133(m)[强度验算]验算截面以上,墙身截面积 = 15.872(m2) 重量 = 380.928 (kN)相对于验算截面外边缘,墙身重力的力臂 Zw = 2.303 (m)相对于验算截面外边缘,Ey的力臂 Zx = 3.387 (m)相对于验算截面外边缘,Ex的力臂 Zy = 2.133 (m)[容许应力法]:法向应力检算:作用于验算截面的总竖向力 = 384.775(kN) 作用于墙趾下点的总弯矩=814.731(kN-m) 相对于验算截面外边缘,合力作用力臂 Zn = 2.117(m)截面宽度 B = 2.960 (m) 偏心距 e1 = -0.637(m)截面上偏心距验算满足: e1= -0.637 <= 0.250*2.960 = 0.740(m)截面上压应力: 面坡=-37.967 背坡=297.950(kPa)压应力验算满足: 计算值= 297.950 <= 6800.000(kPa)拉应力验算满足: 计算值= 37.967 <= 430.000(kPa)切向应力检算:剪应力验算满足: 计算值= -40.015 <= 850.000(kPa)[极限状态法]:重要性系数0 = 1.000验算截面上的轴向力组合设计值Nd = 384.775(kN)轴心力偏心影响系数醟= 0.642挡墙构件的计算截面每沿米面积A = 2.960(m2)材料抗压强度设计值fcd = 7820.000(kPa)偏心受压构件在弯曲平面内的纵向弯曲系数豮= 0.980计算强度时:强度验算满足: 计算值= 384.775 <= 14853.828(kN)计算稳定时:稳定验算满足: 计算值= 384.775 <= 14563.261(kN)================================================= 各组合最不利结果=================================================(一) 滑移验算安全系数最不利为:组合3(组合3)抗滑力 = 230.449(kN),滑移力 = -40.582(kN)。
重力式挡土墙验算[执行标准:公路]计算项目:仰斜式路堑墙挡土墙承载力250高5米计算时间:2013-11-06 22:09:18 星期三------------------------------------------------------------------------ 原始条件:墙身尺寸:墙身高: 5.000(m)墙顶宽: 1.900(m)面坡倾斜坡度: 1:0.350背坡倾斜坡度: 1:-0.200采用1个扩展墙址台阶:墙趾台阶b1: 0.300(m)墙趾台阶h1: 0.600(m)墙趾台阶面坡坡度为: 1:0.000墙底倾斜坡率: 0.200:1物理参数:圬工砌体容重: 24.000(kN/m3)圬工之间摩擦系数: 0.400地基土摩擦系数: 0.500墙身砌体容许压应力: 6800.000(kPa)墙身砌体容许弯曲拉应力: 430.000(kPa)墙身砌体容许剪应力: 850.000(kPa)材料抗压强度设计值: 7.820(MPa)系数醩: 0.0020挡土墙类型: 一般挡土墙墙后填土内摩擦角: 35.000(度)墙后填土粘聚力: 0.000(kPa)墙后填土容重: 19.000(kN/m3)墙背与墙后填土摩擦角: 17.500(度)地基土容重: 18.000(kN/m3)修正后地基承载力特征值: 250.000(kPa)地基承载力特征值提高系数:墙趾值提高系数: 1.200墙踵值提高系数: 1.300平均值提高系数: 1.000墙底摩擦系数: 0.500地基土类型: 土质地基地基土内摩擦角: 30.000(度)土压力计算方法: 库仑坡线土柱:坡面线段数: 2折线序号水平投影长(m) 竖向投影长(m) 换算土柱数1 1.000 0.000 02 1.000 1.000 0坡面起始距离: 0.000(m)地面横坡角度: 75.000(度)填土对横坡面的摩擦角: 17.500(度)墙顶标高: 0.000(m)挡墙分段长度: 10.000(m)===================================================================== 第 1 种情况: 组合1=============================================组合系数: 1.0001. 挡土墙结构重力分项系数 = 1.000 √2. 墙顶上的有效永久荷载分项系数 = 1.000 √3. 墙顶与第二破裂面间有效荷载分项系数 = 1.000 √4. 填土侧压力分项系数 = 1.000 √5. 车辆荷载引起的土侧压力分项系数 = 1.000 √=============================================[土压力计算] 计算高度为 5.527(m)处的库仑主动土压力无荷载时的破裂角 = 15.000(度)按实际墙背计算得到:第1破裂角: 15.000(度)Ea=26.604(kN) Ex=26.449(kN) Ey=2.869(kN) 作用点高度 Zy=1.842(m) 墙身截面积 = 12.214(m2) 重量 = 293.133 (kN)(一) 滑动稳定性验算基底摩擦系数 = 0.500采用倾斜基底增强抗滑动稳定性,计算过程如下:基底倾斜角度 = 11.310 (度)Wn = 287.441(kN) En = 8.000(kN) Wt = 57.488(kN) Et = 25.373(kN) 滑移力= -32.115(kN) 抗滑力= 147.720(kN)滑移力为负值,不计算抗滑移稳定安全系数!滑动稳定方程验算:滑动稳定方程满足: 方程值 = 203.917(kN) > 0.0地基土层水平向: 滑移力= 26.449(kN) 抗滑力= 154.248(kN)地基土层水平向: 滑移验算满足: Kc2 = 5.832 > 1.300(二) 倾覆稳定性验算相对于墙趾点,墙身重力的力臂 Zw = 2.030 (m)相对于墙趾点,Ey的力臂 Zx = 3.003 (m)相对于墙趾点,Ex的力臂 Zy = 1.315 (m)验算挡土墙绕墙趾的倾覆稳定性倾覆力矩= 34.791(kN-m) 抗倾覆力矩= 603.624(kN-m)倾覆验算满足: K0 = 17.350 > 1.500倾覆稳定方程验算:倾覆稳定方程满足: 方程值 = 449.831(kN-m) > 0.0(三) 地基应力及偏心距验算基础类型为天然地基,验算墙底偏心距及压应力取倾斜基底的倾斜宽度验算地基承载力和偏心距作用于基础底的总竖向力 = 295.441(kN) 作用于墙趾下点的总弯矩=568.833(kN-m) 基础底面宽度 B = 2.687 (m) 偏心距 e = -0.582(m)基础底面合力作用点距离基础趾点的距离 Zn = 1.925(m)基底压应力: 趾部=0.000 踵部=258.675(kPa)墙趾处地基承载力验算满足: 压应力=0.000 <= 300.000(kPa)墙踵处地基承载力验算满足: 压应力=258.675 <= 325.000(kPa)地基平均承载力验算满足: 压应力=109.960 <= 250.000(kPa)(四) 基础强度验算基础为天然地基,不作强度验算(五) 墙底截面强度验算验算截面以上,墙身截面积 = 11.492(m2) 重量 = 275.808 (kN)相对于验算截面外边缘,墙身重力的力臂 Zw = 2.045 (m)相对于验算截面外边缘,Ey的力臂 Zx = 3.003 (m)相对于验算截面外边缘,Ex的力臂 Zy = 1.315 (m)[容许应力法]:法向应力检算:作用于验算截面的总竖向力 = 278.677(kN) 作用于墙趾下点的总弯矩=537.794(kN-m) 相对于验算截面外边缘,合力作用力臂 Zn = 1.930(m)截面宽度 B = 2.740 (m) 偏心距 e1 = -0.560(m)截面上偏心距验算满足: e1= -0.560 <= 0.250*2.740 = 0.685(m)截面上压应力: 面坡=-22.973 背坡=226.386(kPa)压应力验算满足: 计算值= 226.386 <= 6800.000(kPa)拉应力验算满足: 计算值= 22.973 <= 430.000(kPa)切向应力检算:剪应力验算满足: 计算值= -31.030 <= 850.000(kPa)[极限状态法]:重要性系数0 = 1.000验算截面上的轴向力组合设计值Nd = 278.677(kN)轴心力偏心影响系数醟= 0.666挡墙构件的计算截面每沿米面积A = 2.740(m2)材料抗压强度设计值fcd = 7820.000(kPa)偏心受压构件在弯曲平面内的纵向弯曲系数豮= 0.992计算强度时:强度验算满足: 计算值= 278.677 <= 14264.672(kN)计算稳定时:稳定验算满足: 计算值= 278.677 <= 14152.738(kN)(六) 台顶截面强度验算[土压力计算] 计算高度为 4.400(m)处的库仑主动土压力无荷载时的破裂角 = 15.000(度)按实际墙背计算得到:第1破裂角: 15.000(度)Ea=16.861(kN) Ex=16.763(kN) Ey=1.818(kN) 作用点高度 Zy=1.467(m)[强度验算]验算截面以上,墙身截面积 = 9.812(m2) 重量 = 235.488 (kN)相对于验算截面外边缘,墙身重力的力臂 Zw = 1.855 (m)相对于验算截面外边缘,Ey的力臂 Zx = 2.853 (m)相对于验算截面外边缘,Ex的力臂 Zy = 1.467 (m)[容许应力法]:法向应力检算:作用于验算截面的总竖向力 = 237.306(kN) 作用于墙趾下点的总弯矩=417.469(kN-m) 相对于验算截面外边缘,合力作用力臂 Zn = 1.759(m)截面宽度 B = 2.560 (m) 偏心距 e1 = -0.479(m)截面上偏心距验算满足: e1= -0.479 <= 0.250*2.560 = 0.640(m)截面上压应力: 面坡=-11.414 背坡=196.809(kPa)压应力验算满足: 计算值= 196.809 <= 6800.000(kPa)拉应力验算满足: 计算值= 11.414 <= 430.000(kPa)切向应力检算:剪应力验算满足: 计算值= -30.531 <= 850.000(kPa)[极限状态法]:重要性系数0 = 1.000验算截面上的轴向力组合设计值Nd = 237.306(kN)轴心力偏心影响系数醟= 0.704挡墙构件的计算截面每沿米面积A = 2.560(m2)材料抗压强度设计值fcd = 7820.000(kPa)偏心受压构件在弯曲平面内的纵向弯曲系数豮= 0.995计算强度时:强度验算满足: 计算值= 237.306 <= 14087.893(kN)计算稳定时:稳定验算满足: 计算值= 237.306 <= 14022.071(kN)===================================================================== 第 2 种情况: 组合2=============================================组合系数: 1.0001. 挡土墙结构重力分项系数 = 1.000 √2. 墙顶上的有效永久荷载分项系数 = 1.000 √3. 墙顶与第二破裂面间有效荷载分项系数 = 1.000 √4. 填土侧压力分项系数 = 1.000 √5. 车辆荷载引起的土侧压力分项系数 = 1.000 √=============================================[土压力计算] 计算高度为 5.527(m)处的库仑主动土压力无荷载时的破裂角 = 15.000(度)按实际墙背计算得到:第1破裂角: 15.000(度)Ea=26.604(kN) Ex=26.449(kN) Ey=2.869(kN) 作用点高度 Zy=1.842(m) 墙身截面积 = 12.214(m2) 重量 = 293.133 (kN)(一) 滑动稳定性验算基底摩擦系数 = 0.500采用倾斜基底增强抗滑动稳定性,计算过程如下:基底倾斜角度 = 11.310 (度)Wn = 287.441(kN) En = 8.000(kN) Wt = 57.488(kN) Et = 25.373(kN) 滑移力= -32.115(kN) 抗滑力= 147.720(kN)滑移力为负值,不计算抗滑移稳定安全系数!滑动稳定方程验算:滑动稳定方程满足: 方程值 = 203.917(kN) > 0.0地基土层水平向: 滑移力= 26.449(kN) 抗滑力= 154.248(kN)地基土层水平向: 滑移验算满足: Kc2 = 5.832 > 1.300(二) 倾覆稳定性验算相对于墙趾点,墙身重力的力臂 Zw = 2.030 (m)相对于墙趾点,Ey的力臂 Zx = 3.003 (m)相对于墙趾点,Ex的力臂 Zy = 1.315 (m)验算挡土墙绕墙趾的倾覆稳定性倾覆力矩= 34.791(kN-m) 抗倾覆力矩= 603.624(kN-m)倾覆验算满足: K0 = 17.350 > 1.500倾覆稳定方程验算:倾覆稳定方程满足: 方程值 = 449.831(kN-m) > 0.0(三) 地基应力及偏心距验算基础类型为天然地基,验算墙底偏心距及压应力取倾斜基底的倾斜宽度验算地基承载力和偏心距作用于基础底的总竖向力 = 295.441(kN) 作用于墙趾下点的总弯矩=568.833(kN-m) 基础底面宽度 B = 2.687 (m) 偏心距 e = -0.582(m)基础底面合力作用点距离基础趾点的距离 Zn = 1.925(m)基底压应力: 趾部=0.000 踵部=258.675(kPa)墙趾处地基承载力验算满足: 压应力=0.000 <= 300.000(kPa)墙踵处地基承载力验算满足: 压应力=258.675 <= 325.000(kPa)地基平均承载力验算满足: 压应力=109.960 <= 250.000(kPa)(四) 基础强度验算基础为天然地基,不作强度验算(五) 墙底截面强度验算验算截面以上,墙身截面积 = 11.492(m2) 重量 = 275.808 (kN)相对于验算截面外边缘,墙身重力的力臂 Zw = 2.045 (m)相对于验算截面外边缘,Ey的力臂 Zx = 3.003 (m)相对于验算截面外边缘,Ex的力臂 Zy = 1.315 (m)[容许应力法]:法向应力检算:作用于验算截面的总竖向力 = 278.677(kN) 作用于墙趾下点的总弯矩=537.794(kN-m) 相对于验算截面外边缘,合力作用力臂 Zn = 1.930(m)截面宽度 B = 2.740 (m) 偏心距 e1 = -0.560(m)截面上偏心距验算满足: e1= -0.560 <= 0.250*2.740 = 0.685(m)截面上压应力: 面坡=-22.973 背坡=226.386(kPa)拉应力验算满足: 计算值= 22.973 <= 430.000(kPa)切向应力检算:剪应力验算满足: 计算值= -31.030 <= 850.000(kPa)[极限状态法]:重要性系数0 = 1.000验算截面上的轴向力组合设计值Nd = 278.677(kN)轴心力偏心影响系数醟= 0.666挡墙构件的计算截面每沿米面积A = 2.740(m2)材料抗压强度设计值fcd = 7820.000(kPa)偏心受压构件在弯曲平面内的纵向弯曲系数豮= 0.992计算强度时:强度验算满足: 计算值= 278.677 <= 14264.672(kN)计算稳定时:稳定验算满足: 计算值= 278.677 <= 14152.738(kN)(六) 台顶截面强度验算[土压力计算] 计算高度为 4.400(m)处的库仑主动土压力无荷载时的破裂角 = 15.000(度)按实际墙背计算得到:第1破裂角: 15.000(度)Ea=16.861(kN) Ex=16.763(kN) Ey=1.818(kN) 作用点高度 Zy=1.467(m)[强度验算]验算截面以上,墙身截面积 = 9.812(m2) 重量 = 235.488 (kN)相对于验算截面外边缘,墙身重力的力臂 Zw = 1.855 (m)相对于验算截面外边缘,Ey的力臂 Zx = 2.853 (m)相对于验算截面外边缘,Ex的力臂 Zy = 1.467 (m)[容许应力法]:法向应力检算:作用于验算截面的总竖向力 = 237.306(kN) 作用于墙趾下点的总弯矩=417.469(kN-m) 相对于验算截面外边缘,合力作用力臂 Zn = 1.759(m)截面宽度 B = 2.560 (m) 偏心距 e1 = -0.479(m)截面上偏心距验算满足: e1= -0.479 <= 0.250*2.560 = 0.640(m)截面上压应力: 面坡=-11.414 背坡=196.809(kPa)压应力验算满足: 计算值= 196.809 <= 6800.000(kPa)切向应力检算:剪应力验算满足: 计算值= -30.531 <= 850.000(kPa)[极限状态法]:重要性系数0 = 1.000验算截面上的轴向力组合设计值Nd = 237.306(kN)轴心力偏心影响系数醟= 0.704挡墙构件的计算截面每沿米面积A = 2.560(m2)材料抗压强度设计值fcd = 7820.000(kPa)偏心受压构件在弯曲平面内的纵向弯曲系数豮= 0.995计算强度时:强度验算满足: 计算值= 237.306 <= 14087.893(kN)计算稳定时:稳定验算满足: 计算值= 237.306 <= 14022.071(kN)===================================================================== 第 3 种情况: 组合3=============================================组合系数: 1.0001. 挡土墙结构重力分项系数 = 1.000 √2. 墙顶上的有效永久荷载分项系数 = 1.000 √3. 墙顶与第二破裂面间有效荷载分项系数 = 1.000 √4. 填土侧压力分项系数 = 1.000 √5. 车辆荷载引起的土侧压力分项系数 = 1.000 √=============================================[土压力计算] 计算高度为 5.527(m)处的库仑主动土压力无荷载时的破裂角 = 15.000(度)按实际墙背计算得到:第1破裂角: 15.000(度)Ea=26.604(kN) Ex=26.449(kN) Ey=2.869(kN) 作用点高度 Zy=1.842(m) 墙身截面积 = 12.214(m2) 重量 = 293.133 (kN)(一) 滑动稳定性验算基底摩擦系数 = 0.500采用倾斜基底增强抗滑动稳定性,计算过程如下:基底倾斜角度 = 11.310 (度)Wn = 287.441(kN) En = 8.000(kN) Wt = 57.488(kN) Et = 25.373(kN) 滑移力= -32.115(kN) 抗滑力= 147.720(kN)滑移力为负值,不计算抗滑移稳定安全系数!滑动稳定方程验算:滑动稳定方程满足: 方程值 = 203.917(kN) > 0.0地基土层水平向: 滑移力= 26.449(kN) 抗滑力= 154.248(kN)地基土层水平向: 滑移验算满足: Kc2 = 5.832 > 1.300(二) 倾覆稳定性验算相对于墙趾点,墙身重力的力臂 Zw = 2.030 (m)相对于墙趾点,Ey的力臂 Zx = 3.003 (m)相对于墙趾点,Ex的力臂 Zy = 1.315 (m)验算挡土墙绕墙趾的倾覆稳定性倾覆力矩= 34.791(kN-m) 抗倾覆力矩= 603.624(kN-m)倾覆验算满足: K0 = 17.350 > 1.500倾覆稳定方程验算:倾覆稳定方程满足: 方程值 = 449.831(kN-m) > 0.0(三) 地基应力及偏心距验算基础类型为天然地基,验算墙底偏心距及压应力取倾斜基底的倾斜宽度验算地基承载力和偏心距作用于基础底的总竖向力 = 295.441(kN) 作用于墙趾下点的总弯矩=568.833(kN-m) 基础底面宽度 B = 2.687 (m) 偏心距 e = -0.582(m)基础底面合力作用点距离基础趾点的距离 Zn = 1.925(m)基底压应力: 趾部=0.000 踵部=258.675(kPa)墙趾处地基承载力验算满足: 压应力=0.000 <= 300.000(kPa)墙踵处地基承载力验算满足: 压应力=258.675 <= 325.000(kPa)地基平均承载力验算满足: 压应力=109.960 <= 250.000(kPa)(四) 基础强度验算基础为天然地基,不作强度验算(五) 墙底截面强度验算验算截面以上,墙身截面积 = 11.492(m2) 重量 = 275.808 (kN)相对于验算截面外边缘,墙身重力的力臂 Zw = 2.045 (m)相对于验算截面外边缘,Ey的力臂 Zx = 3.003 (m)相对于验算截面外边缘,Ex的力臂 Zy = 1.315 (m)[容许应力法]:法向应力检算:作用于验算截面的总竖向力 = 278.677(kN) 作用于墙趾下点的总弯矩=537.794(kN-m) 相对于验算截面外边缘,合力作用力臂 Zn = 1.930(m)截面宽度 B = 2.740 (m) 偏心距 e1 = -0.560(m)截面上偏心距验算满足: e1= -0.560 <= 0.250*2.740 = 0.685(m)截面上压应力: 面坡=-22.973 背坡=226.386(kPa)压应力验算满足: 计算值= 226.386 <= 6800.000(kPa)拉应力验算满足: 计算值= 22.973 <= 430.000(kPa)切向应力检算:剪应力验算满足: 计算值= -31.030 <= 850.000(kPa)[极限状态法]:重要性系数0 = 1.000验算截面上的轴向力组合设计值Nd = 278.677(kN)轴心力偏心影响系数醟= 0.666挡墙构件的计算截面每沿米面积A = 2.740(m2)材料抗压强度设计值fcd = 7820.000(kPa)偏心受压构件在弯曲平面内的纵向弯曲系数豮= 0.992计算强度时:强度验算满足: 计算值= 278.677 <= 14264.672(kN)计算稳定时:稳定验算满足: 计算值= 278.677 <= 14152.738(kN)(六) 台顶截面强度验算[土压力计算] 计算高度为 4.400(m)处的库仑主动土压力无荷载时的破裂角 = 15.000(度)按实际墙背计算得到:第1破裂角: 15.000(度)Ea=16.861(kN) Ex=16.763(kN) Ey=1.818(kN) 作用点高度 Zy=1.467(m)[强度验算]验算截面以上,墙身截面积 = 9.812(m2) 重量 = 235.488 (kN)相对于验算截面外边缘,墙身重力的力臂 Zw = 1.855 (m)相对于验算截面外边缘,Ey的力臂 Zx = 2.853 (m)相对于验算截面外边缘,Ex的力臂 Zy = 1.467 (m)[容许应力法]:法向应力检算:作用于验算截面的总竖向力 = 237.306(kN) 作用于墙趾下点的总弯矩=417.469(kN-m) 相对于验算截面外边缘,合力作用力臂 Zn = 1.759(m)截面宽度 B = 2.560 (m) 偏心距 e1 = -0.479(m)截面上偏心距验算满足: e1= -0.479 <= 0.250*2.560 = 0.640(m)截面上压应力: 面坡=-11.414 背坡=196.809(kPa)压应力验算满足: 计算值= 196.809 <= 6800.000(kPa)拉应力验算满足: 计算值= 11.414 <= 430.000(kPa)切向应力检算:剪应力验算满足: 计算值= -30.531 <= 850.000(kPa)[极限状态法]:重要性系数0 = 1.000验算截面上的轴向力组合设计值Nd = 237.306(kN)轴心力偏心影响系数醟= 0.704挡墙构件的计算截面每沿米面积A = 2.560(m2)材料抗压强度设计值fcd = 7820.000(kPa)偏心受压构件在弯曲平面内的纵向弯曲系数豮= 0.995计算强度时:强度验算满足: 计算值= 237.306 <= 14087.893(kN)计算稳定时:稳定验算满足: 计算值= 237.306 <= 14022.071(kN)================================================= 各组合最不利结果=================================================(一) 滑移验算安全系数最不利为:组合3(组合3)抗滑力 = 147.720(kN),滑移力 = -32.115(kN)。
重力式挡土墙验算[执行标准:公路]计算项目:重力式挡土墙 2计算时间:2012-03-23 16:06:43 星期五------------------------------------------------------------------------ 原始条件:墙身尺寸:墙身高: 4.440(m)墙顶宽: 1.010(m)面坡倾斜坡度: 1:0.250背坡倾斜坡度: 1:-0.250采用1个扩展墙址台阶:墙趾台阶b1: 0.250(m)墙趾台阶h1: 0.500(m)墙趾台阶面坡坡度为: 1:0.000墙底倾斜坡率: 0.200:1物理参数:圬工砌体容重: 23.000(kN/m3)圬工之间摩擦系数: 0.400地基土摩擦系数: 0.250墙身砌体容许压应力: 1000.000(kPa)墙身砌体容许弯曲拉应力: 140.000(kPa)墙身砌体容许剪应力: 90.000(kPa)材料抗压极限强度: 3.000(MPa)材料抗力分项系数: 2.310系数αs: 0.0020挡土墙类型: 一般挡土墙墙后填土内摩擦角: -80.000(度)墙后填土粘聚力: 0.000(kPa)墙后填土容重: 19.000(kN/m3)墙背与墙后填土摩擦角: 17.500(度)地基土容重: 18.000(kN/m3)修正后地基承载力特征值: 500.000(kPa)地基承载力特征值提高系数:墙趾值提高系数: 1.200墙踵值提高系数: 1.300平均值提高系数: 1.000墙底摩擦系数: 0.250地基土类型: 土质地基地基土内摩擦角: 30.000(度)土压力计算方法: 库仑坡线土柱:坡面线段数: 1折线序号水平投影长(m) 竖向投影长(m) 换算土柱数1 4.530 0.000 1第1个: 定位距离0.000(m) 公路-II级作用于墙上的附加集中荷载数: 2 (作用点坐标相对于墙左上角点)荷载号 X Y P 作用角是否为被动土压力(m) (m) (kN/m) (度)1 3.270 0.000 300.000 270.000 ㄨ2 -1.235 -4.440 0.000 0.000 √坡面起始距离: 0.000(m)地面横坡角度: 30.000(度)填土对横坡面的摩擦角: 35.000(度)墙顶标高: 0.000(m)挡墙分段长度: 10.000(m)=====================================================================第 1 种情况: 组合1=============================================组合系数: 1.0001. 挡土墙结构重力分项系数 = 1.000 √2. 墙顶上的有效永久荷载分项系数 = 1.000 √3. 墙顶与第二破裂面间有效荷载分项系数 = 1.000 √4. 填土侧压力分项系数 = 1.000 √5. 车辆荷载引起的土侧压力分项系数 = 1.000 √6. 附加集中力分项系数 = 1.000 √7. 附加集中力分项系数 = 1.000 √=============================================[土压力计算] 计算高度为 4.656(m)处的库仑主动土压力无荷载时的破裂角 = 14.036(度)公路-II级路基面总宽= 4.530(m), 路肩宽=0.000(m) 安全距离=0.500(m)单车车辆外侧车轮中心到车辆边缘距离= 0.350(m), 车与车之间距离=0.600(m)经计算得,路面上横向可排列此种车辆 2列布置宽度= 0.000(m)布置宽度范围内车轮及轮重列表:第1列车:中点距全部破裂体轮号路边距离(m) 轮宽(m) 轮压(kN) 上轮压(kN)01 0.500 0.300 15.000 0.00002 2.300 0.300 15.000 0.00003 0.500 0.600 60.000 0.00004 2.300 0.600 60.000 0.00005 0.500 0.600 60.000 0.00006 2.300 0.600 60.000 0.00007 0.500 0.600 70.000 0.00008 2.300 0.600 70.000 0.00009 0.500 0.600 70.000 0.00010 2.300 0.600 70.000 0.000布置宽度B0=0.000(m) 分布长度L0=15.688(m) 荷载值SG=0.000(kN)换算土柱高度 h0 = 0.000(m)按实际墙背计算得到:第1破裂角: 14.036(度)Ea=0.000(kN) Ex=0.000(kN) Ey=0.000(kN) 作用点高度 Zy=0.000(m) 墙身截面积 = 4.701(m2) 重量 = 108.119 (kN)(一) 滑动稳定性验算基底摩擦系数 = 0.250采用倾斜基底增强抗滑动稳定性,计算过程如下:基底倾斜角度 = 11.310 (度)Wn = 400.194(kN) En = -0.000(kN) Wt = 80.039(kN) Et = -0.000(kN) 滑移力= -80.039(kN) 抗滑力= 100.048(kN)滑移力为负值,不计算抗滑移稳定安全系数!滑动稳定方程验算:滑动稳定方程满足: 方程值 = 188.519(kN) > 0.0地基土层水平向: 滑移力= -0.000(kN) 抗滑力= 102.556(kN)地基土层水平向: 滑移验算满足: Kc2 = 10255563.000 > 1.300(二) 倾覆稳定性验算相对于墙趾点,墙身重力的力臂 Zw = 1.152 (m)相对于墙趾点,Ey的力臂 Zx = 1.081 (m)相对于墙趾点,Ex的力臂 Zy = -0.216 (m)验算挡土墙绕墙趾的倾覆稳定性倾覆力矩= 0.000(kN-m) 抗倾覆力矩= 1476.016(kN-m)倾覆验算满足: K0 = 147601648.000 > 1.500倾覆稳定方程验算:倾覆稳定方程满足: 方程值 = 1451.113(kN-m) > 0.0(三) 地基应力及偏心距验算基础类型为天然地基,验算墙底偏心距及压应力取倾斜基底的倾斜宽度验算地基承载力和偏心距作用于基础底的总竖向力 = 400.194(kN) 作用于墙趾下点的总弯矩=1476.016(kN-m) 基础底面宽度 B = 1.102 (m) 偏心距 e = -3.137(m)基础底面合力作用点距离基础趾点的距离 Zn = 3.688(m)严重不合理:合力作用点超出基础范围,所得地基应力将没有意义!基底压应力: 趾部=0.000 踵部=-103.174(kPa)作用于基底的合力偏心距验算不满足: e=-3.137 > 0.167*1.102 = 0.184(m)墙趾处地基承载力验算满足: 压应力=0.000 <= 600.000(kPa)墙踵处地基承载力验算满足: 压应力=-103.174 <= 650.000(kPa)地基平均承载力验算满足: 压应力=363.034 <= 500.000(kPa)(四) 基础强度验算基础为天然地基,不作强度验算(五) 墙底截面强度验算验算截面以上,墙身截面积 = 4.578(m2) 重量 = 105.297 (kN)相对于验算截面外边缘,墙身重力的力臂 Zw = 1.163 (m)相对于验算截面外边缘,Ey的力臂 Zx = 1.081 (m)相对于验算截面外边缘,Ex的力臂 Zy = -0.216 (m)[容许应力法]:法向应力检算:作用于验算截面的总竖向力 = 405.297(kN) 作用于墙趾下点的总弯矩=1473.932(kN-m) 相对于验算截面外边缘,合力作用力臂 Zn = 3.637(m)截面宽度 B = 1.135 (m) 偏心距 e1 = -3.069(m)截面上偏心距验算不满足: e1= -3.069 > 0.250*1.135 = 0.284(m)截面上压应力: 面坡=-5436.583 背坡=6150.764(kPa)压应力验算不满足: 计算值= 6150.764 > 1000.000(kPa)拉应力验算不满足: 计算值= 5436.583 > 140.000(kPa)切向应力检算:剪应力验算满足: 计算值= -142.836 <= 90.000(kPa)[极限状态法]:重要性系数γ0 = 1.000验算截面上的轴向力组合设计值Nd = 405.297(kN)轴心力偏心影响系数αk = -8246.795挡墙构件的计算截面每沿米面积A = 1.135(m2)材料抗压极限强度Ra = 3000.000(kPa)圬工构件或材料的抗力分项系数γ f = 2.310偏心受压构件在弯曲平面内的纵向弯曲系数Ψk = 0.101不合理:轴心力偏心影响系数αk<0,所得结果将没有意义!计算强度时:强度验算不满足: 计算值= 405.297 > -12155990.000(kN)计算稳定时:稳定验算不满足: 计算值= 405.297 > -1227087.125(kN)(六) 台顶截面强度验算[土压力计算] 计算高度为 3.940(m)处的库仑主动土压力无荷载时的破裂角 = 14.036(度)公路-II级路基面总宽= 4.530(m), 路肩宽=0.000(m) 安全距离=0.500(m)单车车辆外侧车轮中心到车辆边缘距离= 0.350(m), 车与车之间距离=0.600(m)经计算得,路面上横向可排列此种车辆 2列布置宽度= 0.000(m)布置宽度范围内车轮及轮重列表:第1列车:中点距全部破裂体轮号路边距离(m) 轮宽(m) 轮压(kN) 上轮压(kN)01 0.500 0.300 15.000 0.00002 2.300 0.300 15.000 0.00003 0.500 0.600 60.000 0.00004 2.300 0.600 60.000 0.00005 0.500 0.600 60.000 0.00006 2.300 0.600 60.000 0.00007 0.500 0.600 70.000 0.00008 2.300 0.600 70.000 0.00009 0.500 0.600 70.000 0.00010 2.300 0.600 70.000 0.000布置宽度B0=0.000(m) 分布长度L0=15.275(m) 荷载值SG=0.000(kN)换算土柱高度 h0 = 0.000(m)按实际墙背计算得到:第1破裂角: 14.036(度)Ea=0.000(kN) Ex=0.000(kN) Ey=0.000(kN) 作用点高度 Zy=0.000(m)[强度验算]验算截面以上,墙身截面积 = 3.979(m2) 重量 = 91.526 (kN)相对于验算截面外边缘,墙身重力的力臂 Zw = 0.998 (m)相对于验算截面外边缘,Ey的力臂 Zx = 1.010 (m)相对于验算截面外边缘,Ex的力臂 Zy = 0.000 (m)[容许应力法]:法向应力检算:作用于验算截面的总竖向力 = 391.526(kN) 作用于墙趾下点的总弯矩=1367.797(kN-m) 相对于验算截面外边缘,合力作用力臂 Zn = 3.494(m)截面宽度 B = 1.010 (m) 偏心距 e1 = -2.989(m)截面上偏心距验算不满足: e1= -2.989 > 0.250*1.010 = 0.252(m)截面上压应力: 面坡=-6494.480 背坡=7269.780(kPa)压应力验算不满足: 计算值= 7269.780 > 1000.000(kPa)拉应力验算不满足: 计算值= 6494.480 > 140.000(kPa)切向应力检算:剪应力验算满足: 计算值= -155.060 <= 90.000(kPa)[极限状态法]:重要性系数γ0 = 1.000验算截面上的轴向力组合设计值Nd = 391.526(kN)轴心力偏心影响系数αk = -14181.996挡墙构件的计算截面每沿米面积A = 1.010(m2)材料抗压极限强度Ra = 3000.000(kPa)圬工构件或材料的抗力分项系数γ f = 2.310偏心受压构件在弯曲平面内的纵向弯曲系数Ψk = 0.086不合理:轴心力偏心影响系数αk<0,所得结果将没有意义!计算强度时:强度验算不满足: 计算值= 391.526 > -18602358.000(kN)计算稳定时:稳定验算不满足: 计算值= 391.526 > -1607627.375(kN)===================================================================== 第 2 种情况: 组合2=============================================组合系数: 1.0001. 挡土墙结构重力分项系数 = 1.000 √2. 墙顶上的有效永久荷载分项系数 = 1.000 √3. 墙顶与第二破裂面间有效荷载分项系数 = 1.000 √4. 填土侧压力分项系数 = 1.000 √5. 车辆荷载引起的土侧压力分项系数 = 1.000 √6. 附加集中力分项系数 = 1.000 √7. 附加集中力分项系数 = 1.000 √=============================================[土压力计算] 计算高度为 4.656(m)处的库仑主动土压力无荷载时的破裂角 = 14.036(度)公路-II级路基面总宽= 4.530(m), 路肩宽=0.000(m) 安全距离=0.500(m)单车车辆外侧车轮中心到车辆边缘距离= 0.350(m), 车与车之间距离=0.600(m)经计算得,路面上横向可排列此种车辆 2列布置宽度= 0.000(m)布置宽度范围内车轮及轮重列表:第1列车:中点距全部破裂体轮号路边距离(m) 轮宽(m) 轮压(kN) 上轮压(kN)01 0.500 0.300 15.000 0.00002 2.300 0.300 15.000 0.00003 0.500 0.600 60.000 0.00004 2.300 0.600 60.000 0.00005 0.500 0.600 60.000 0.00006 2.300 0.600 60.000 0.00007 0.500 0.600 70.000 0.00008 2.300 0.600 70.000 0.00009 0.500 0.600 70.000 0.00010 2.300 0.600 70.000 0.000布置宽度B0=0.000(m) 分布长度L0=15.688(m) 荷载值SG=0.000(kN)换算土柱高度 h0 = 0.000(m)按实际墙背计算得到:第1破裂角: 14.036(度)Ea=0.000(kN) Ex=0.000(kN) Ey=0.000(kN) 作用点高度 Zy=0.000(m) 墙身截面积 = 4.701(m2) 重量 = 108.119 (kN)(一) 滑动稳定性验算基底摩擦系数 = 0.250采用倾斜基底增强抗滑动稳定性,计算过程如下:基底倾斜角度 = 11.310 (度)Wn = 400.194(kN) En = -0.000(kN) Wt = 80.039(kN) Et = -0.000(kN) 滑移力= -80.039(kN) 抗滑力= 100.048(kN)滑移力为负值,不计算抗滑移稳定安全系数!滑动稳定方程验算:滑动稳定方程满足: 方程值 = 188.519(kN) > 0.0地基土层水平向: 滑移力= -0.000(kN) 抗滑力= 102.556(kN)地基土层水平向: 滑移验算满足: Kc2 = 10255563.000 > 1.300(二) 倾覆稳定性验算相对于墙趾点,墙身重力的力臂 Zw = 1.152 (m)相对于墙趾点,Ey的力臂 Zx = 1.081 (m)相对于墙趾点,Ex的力臂 Zy = -0.216 (m)验算挡土墙绕墙趾的倾覆稳定性倾覆力矩= 0.000(kN-m) 抗倾覆力矩= 1476.016(kN-m)倾覆验算满足: K0 = 147601648.000 > 1.500倾覆稳定方程验算:倾覆稳定方程满足: 方程值 = 1451.113(kN-m) > 0.0(三) 地基应力及偏心距验算基础类型为天然地基,验算墙底偏心距及压应力取倾斜基底的倾斜宽度验算地基承载力和偏心距作用于基础底的总竖向力 = 400.194(kN) 作用于墙趾下点的总弯矩=1476.016(kN-m) 基础底面宽度 B = 1.102 (m) 偏心距 e = -3.137(m)基础底面合力作用点距离基础趾点的距离 Zn = 3.688(m)严重不合理:合力作用点超出基础范围,所得地基应力将没有意义!基底压应力: 趾部=0.000 踵部=-103.174(kPa)作用于基底的合力偏心距验算不满足: e=-3.137 > 0.167*1.102 = 0.184(m)墙趾处地基承载力验算满足: 压应力=0.000 <= 600.000(kPa)墙踵处地基承载力验算满足: 压应力=-103.174 <= 650.000(kPa)地基平均承载力验算满足: 压应力=363.034 <= 500.000(kPa)(四) 基础强度验算基础为天然地基,不作强度验算(五) 墙底截面强度验算验算截面以上,墙身截面积 = 4.578(m2) 重量 = 105.297 (kN)相对于验算截面外边缘,墙身重力的力臂 Zw = 1.163 (m)相对于验算截面外边缘,Ey的力臂 Zx = 1.081 (m)相对于验算截面外边缘,Ex的力臂 Zy = -0.216 (m)[容许应力法]:法向应力检算:作用于验算截面的总竖向力 = 405.297(kN) 作用于墙趾下点的总弯矩=1473.932(kN-m) 相对于验算截面外边缘,合力作用力臂 Zn = 3.637(m)截面宽度 B = 1.135 (m) 偏心距 e1 = -3.069(m)截面上偏心距验算不满足: e1= -3.069 > 0.250*1.135 = 0.284(m)截面上压应力: 面坡=-5436.583 背坡=6150.764(kPa)压应力验算不满足: 计算值= 6150.764 > 1000.000(kPa)拉应力验算不满足: 计算值= 5436.583 > 140.000(kPa)切向应力检算:剪应力验算满足: 计算值= -142.836 <= 90.000(kPa)[极限状态法]:重要性系数γ0 = 1.000验算截面上的轴向力组合设计值Nd = 405.297(kN)轴心力偏心影响系数αk = -8246.795挡墙构件的计算截面每沿米面积A = 1.135(m2)材料抗压极限强度Ra = 3000.000(kPa)圬工构件或材料的抗力分项系数γ f = 2.310偏心受压构件在弯曲平面内的纵向弯曲系数Ψk = 0.101不合理:轴心力偏心影响系数αk<0,所得结果将没有意义!计算强度时:强度验算不满足: 计算值= 405.297 > -12155990.000(kN)计算稳定时:稳定验算不满足: 计算值= 405.297 > -1227087.125(kN)(六) 台顶截面强度验算[土压力计算] 计算高度为 3.940(m)处的库仑主动土压力无荷载时的破裂角 = 14.036(度)公路-II级路基面总宽= 4.530(m), 路肩宽=0.000(m) 安全距离=0.500(m)单车车辆外侧车轮中心到车辆边缘距离= 0.350(m), 车与车之间距离=0.600(m)经计算得,路面上横向可排列此种车辆 2列布置宽度= 0.000(m)布置宽度范围内车轮及轮重列表:第1列车:中点距全部破裂体轮号路边距离(m) 轮宽(m) 轮压(kN) 上轮压(kN)01 0.500 0.300 15.000 0.00002 2.300 0.300 15.000 0.00003 0.500 0.600 60.000 0.00004 2.300 0.600 60.000 0.00005 0.500 0.600 60.000 0.00006 2.300 0.600 60.000 0.00007 0.500 0.600 70.000 0.00008 2.300 0.600 70.000 0.00009 0.500 0.600 70.000 0.00010 2.300 0.600 70.000 0.000布置宽度B0=0.000(m) 分布长度L0=15.275(m) 荷载值SG=0.000(kN)换算土柱高度 h0 = 0.000(m)按实际墙背计算得到:第1破裂角: 14.036(度)Ea=0.000(kN) Ex=0.000(kN) Ey=0.000(kN) 作用点高度 Zy=0.000(m)[强度验算]验算截面以上,墙身截面积 = 3.979(m2) 重量 = 91.526 (kN)相对于验算截面外边缘,墙身重力的力臂 Zw = 0.998 (m)相对于验算截面外边缘,Ey的力臂 Zx = 1.010 (m)相对于验算截面外边缘,Ex的力臂 Zy = 0.000 (m)[容许应力法]:法向应力检算:作用于验算截面的总竖向力 = 391.526(kN) 作用于墙趾下点的总弯矩=1367.797(kN-m) 相对于验算截面外边缘,合力作用力臂 Zn = 3.494(m)截面宽度 B = 1.010 (m) 偏心距 e1 = -2.989(m)截面上偏心距验算不满足: e1= -2.989 > 0.250*1.010 = 0.252(m)截面上压应力: 面坡=-6494.480 背坡=7269.780(kPa)压应力验算不满足: 计算值= 7269.780 > 1000.000(kPa)拉应力验算不满足: 计算值= 6494.480 > 140.000(kPa)切向应力检算:剪应力验算满足: 计算值= -155.060 <= 90.000(kPa)[极限状态法]:重要性系数γ0 = 1.000验算截面上的轴向力组合设计值Nd = 391.526(kN)轴心力偏心影响系数αk = -14181.996挡墙构件的计算截面每沿米面积A = 1.010(m2)材料抗压极限强度Ra = 3000.000(kPa)圬工构件或材料的抗力分项系数γ f = 2.310偏心受压构件在弯曲平面内的纵向弯曲系数Ψk = 0.086不合理:轴心力偏心影响系数αk<0,所得结果将没有意义!计算强度时:强度验算不满足: 计算值= 391.526 > -18602358.000(kN)计算稳定时:稳定验算不满足: 计算值= 391.526 > -1607627.375(kN)=====================================================================第 3 种情况: 组合3=============================================组合系数: 1.0001. 挡土墙结构重力分项系数 = 1.000 √2. 墙顶上的有效永久荷载分项系数 = 1.000 √3. 墙顶与第二破裂面间有效荷载分项系数 = 1.000 √4. 填土侧压力分项系数 = 1.000 √5. 车辆荷载引起的土侧压力分项系数 = 1.000 √6. 附加集中力分项系数 = 1.000 √7. 附加集中力分项系数 = 1.000 √=============================================[土压力计算] 计算高度为 4.656(m)处的库仑主动土压力无荷载时的破裂角 = 14.036(度)公路-II级路基面总宽= 4.530(m), 路肩宽=0.000(m) 安全距离=0.500(m)单车车辆外侧车轮中心到车辆边缘距离= 0.350(m), 车与车之间距离=0.600(m)经计算得,路面上横向可排列此种车辆 2列布置宽度= 0.000(m)布置宽度范围内车轮及轮重列表:第1列车:中点距全部破裂体轮号路边距离(m) 轮宽(m) 轮压(kN) 上轮压(kN)01 0.500 0.300 15.000 0.00002 2.300 0.300 15.000 0.00003 0.500 0.600 60.000 0.00004 2.300 0.600 60.000 0.00005 0.500 0.600 60.000 0.00006 2.300 0.600 60.000 0.00007 0.500 0.600 70.000 0.00008 2.300 0.600 70.000 0.00009 0.500 0.600 70.000 0.00010 2.300 0.600 70.000 0.000布置宽度B0=0.000(m) 分布长度L0=15.688(m) 荷载值SG=0.000(kN)换算土柱高度 h0 = 0.000(m)按实际墙背计算得到:第1破裂角: 14.036(度)Ea=0.000(kN) Ex=0.000(kN) Ey=0.000(kN) 作用点高度 Zy=0.000(m) 墙身截面积 = 4.701(m2) 重量 = 108.119 (kN)(一) 滑动稳定性验算基底摩擦系数 = 0.250采用倾斜基底增强抗滑动稳定性,计算过程如下:基底倾斜角度 = 11.310 (度)Wn = 400.194(kN) En = -0.000(kN) Wt = 80.039(kN) Et = -0.000(kN) 滑移力= -80.039(kN) 抗滑力= 100.048(kN)滑移力为负值,不计算抗滑移稳定安全系数!滑动稳定方程验算:滑动稳定方程满足: 方程值 = 188.519(kN) > 0.0地基土层水平向: 滑移力= -0.000(kN) 抗滑力= 102.556(kN)地基土层水平向: 滑移验算满足: Kc2 = 10255563.000 > 1.300(二) 倾覆稳定性验算相对于墙趾点,墙身重力的力臂 Zw = 1.152 (m)相对于墙趾点,Ey的力臂 Zx = 1.081 (m)相对于墙趾点,Ex的力臂 Zy = -0.216 (m)验算挡土墙绕墙趾的倾覆稳定性倾覆力矩= 0.000(kN-m) 抗倾覆力矩= 1476.016(kN-m)倾覆验算满足: K0 = 147601648.000 > 1.500倾覆稳定方程验算:倾覆稳定方程满足: 方程值 = 1451.113(kN-m) > 0.0(三) 地基应力及偏心距验算基础类型为天然地基,验算墙底偏心距及压应力取倾斜基底的倾斜宽度验算地基承载力和偏心距作用于基础底的总竖向力 = 400.194(kN) 作用于墙趾下点的总弯矩=1476.016(kN-m) 基础底面宽度 B = 1.102 (m) 偏心距 e = -3.137(m)基础底面合力作用点距离基础趾点的距离 Zn = 3.688(m)严重不合理:合力作用点超出基础范围,所得地基应力将没有意义!基底压应力: 趾部=0.000 踵部=-103.174(kPa)作用于基底的合力偏心距验算不满足: e=-3.137 > 0.167*1.102 = 0.184(m)墙趾处地基承载力验算满足: 压应力=0.000 <= 600.000(kPa)墙踵处地基承载力验算满足: 压应力=-103.174 <= 650.000(kPa)地基平均承载力验算满足: 压应力=363.034 <= 500.000(kPa)(四) 基础强度验算基础为天然地基,不作强度验算(五) 墙底截面强度验算验算截面以上,墙身截面积 = 4.578(m2) 重量 = 105.297 (kN)相对于验算截面外边缘,墙身重力的力臂 Zw = 1.163 (m)相对于验算截面外边缘,Ey的力臂 Zx = 1.081 (m)相对于验算截面外边缘,Ex的力臂 Zy = -0.216 (m)[容许应力法]:法向应力检算:作用于验算截面的总竖向力 = 405.297(kN) 作用于墙趾下点的总弯矩=1473.932(kN-m) 相对于验算截面外边缘,合力作用力臂 Zn = 3.637(m)截面宽度 B = 1.135 (m) 偏心距 e1 = -3.069(m)截面上偏心距验算不满足: e1= -3.069 > 0.250*1.135 = 0.284(m)截面上压应力: 面坡=-5436.583 背坡=6150.764(kPa)压应力验算不满足: 计算值= 6150.764 > 1000.000(kPa)拉应力验算不满足: 计算值= 5436.583 > 140.000(kPa)切向应力检算:剪应力验算满足: 计算值= -142.836 <= 90.000(kPa)[极限状态法]:重要性系数γ0 = 1.000验算截面上的轴向力组合设计值Nd = 405.297(kN)轴心力偏心影响系数αk = -8246.795挡墙构件的计算截面每沿米面积A = 1.135(m2)材料抗压极限强度Ra = 3000.000(kPa)圬工构件或材料的抗力分项系数γ f = 2.310偏心受压构件在弯曲平面内的纵向弯曲系数Ψk = 0.101不合理:轴心力偏心影响系数αk<0,所得结果将没有意义!计算强度时:强度验算不满足: 计算值= 405.297 > -12155990.000(kN)计算稳定时:稳定验算不满足: 计算值= 405.297 > -1227087.125(kN)(六) 台顶截面强度验算[土压力计算] 计算高度为 3.940(m)处的库仑主动土压力无荷载时的破裂角 = 14.036(度)公路-II级路基面总宽= 4.530(m), 路肩宽=0.000(m) 安全距离=0.500(m)单车车辆外侧车轮中心到车辆边缘距离= 0.350(m), 车与车之间距离=0.600(m)经计算得,路面上横向可排列此种车辆 2列布置宽度= 0.000(m)布置宽度范围内车轮及轮重列表:第1列车:中点距全部破裂体轮号路边距离(m) 轮宽(m) 轮压(kN) 上轮压(kN)01 0.500 0.300 15.000 0.00002 2.300 0.300 15.000 0.00003 0.500 0.600 60.000 0.00004 2.300 0.600 60.000 0.00005 0.500 0.600 60.000 0.00006 2.300 0.600 60.000 0.00007 0.500 0.600 70.000 0.00008 2.300 0.600 70.000 0.00009 0.500 0.600 70.000 0.00010 2.300 0.600 70.000 0.000布置宽度B0=0.000(m) 分布长度L0=15.275(m) 荷载值SG=0.000(kN)换算土柱高度 h0 = 0.000(m)按实际墙背计算得到:第1破裂角: 14.036(度)Ea=0.000(kN) Ex=0.000(kN) Ey=0.000(kN) 作用点高度 Zy=0.000(m)[强度验算]验算截面以上,墙身截面积 = 3.979(m2) 重量 = 91.526 (kN)相对于验算截面外边缘,墙身重力的力臂 Zw = 0.998 (m)相对于验算截面外边缘,Ey的力臂 Zx = 1.010 (m)相对于验算截面外边缘,Ex的力臂 Zy = 0.000 (m)[容许应力法]:法向应力检算:作用于验算截面的总竖向力 = 391.526(kN) 作用于墙趾下点的总弯矩=1367.797(kN-m) 相对于验算截面外边缘,合力作用力臂 Zn = 3.494(m)截面宽度 B = 1.010 (m) 偏心距 e1 = -2.989(m)截面上偏心距验算不满足: e1= -2.989 > 0.250*1.010 = 0.252(m)截面上压应力: 面坡=-6494.480 背坡=7269.780(kPa)压应力验算不满足: 计算值= 7269.780 > 1000.000(kPa)拉应力验算不满足: 计算值= 6494.480 > 140.000(kPa)切向应力检算:剪应力验算满足: 计算值= -155.060 <= 90.000(kPa)[极限状态法]:重要性系数γ0 = 1.000验算截面上的轴向力组合设计值Nd = 391.526(kN)轴心力偏心影响系数αk = -14181.996挡墙构件的计算截面每沿米面积A = 1.010(m2)材料抗压极限强度Ra = 3000.000(kPa)圬工构件或材料的抗力分项系数γ f = 2.310偏心受压构件在弯曲平面内的纵向弯曲系数Ψk = 0.086不合理:轴心力偏心影响系数αk<0,所得结果将没有意义!计算强度时:强度验算不满足: 计算值= 391.526 > -18602358.000(kN)计算稳定时:稳定验算不满足: 计算值= 391.526 > -1607627.375(kN)=================================================各组合最不利结果=================================================(一) 滑移验算安全系数最不利为:组合3(组合3)抗滑力 = 100.048(kN),滑移力 = -80.039(kN)。
注:本文档为手算计算书文档,包含公式、计算过程在内,可供老师教学,可供学生学习。
下载本文档后请在作者个人中心中下载对(若还需要相关cad图纸或者有相关意见及建议,应Excel计算过程。
请私信作者!)团队成果,侵权必究!(温馨提示,本文档没有计算功能,请在作者个人中心中下载对应的Excel计算表格,填入基本参数后,Excel表格会计算出各分项结果,并显示计算过程!)1、挡土墙计算1.设计资料本次设计挡土墙为重力式挡土墙,选择常见的仰斜式路肩墙进行计算,如图所示,有关截面尺寸有待验算。
其中本次设计最不利位置为桩号K1+570左侧,挡土墙高度9.5米,拟定验算此处墙高,即H=9.5m。
拟定墙面和墙背坡度均为1:0.25;基底倾斜度=1:5;基底与地基土摩擦系数=0.5。
墙身砌体容重值为20.0kN/m3。
墙后填料容重值为18.3kN/m3;内摩擦角38º,墙背摩擦角19.2º。
有关墙背填料、地基土和砌体物理力学参数列于下表。
墙背填料、地基和砌体物理力学参数2.初步拟定断面尺寸断面尺寸数据表断面尺寸/mH0.344 9.5 9.156 1.83.破裂棱体位置确定(1)破裂夹角计算设计假设破裂面交于荷载范围内,则:由,因为注:1.当为路肩挡土墙时,式中a=b=0。
2.对于俯斜墙背,取正值;垂直墙背,取;仰斜墙背,取负值。
3.当荷载沿路肩边缘布置时,。
根据挡土墙破裂面位于荷载内部时破裂角的公式如下:(2)验算破裂面是否落在荷载的范围破裂棱体长度计算:车辆荷载的分布宽度计算:因为<,所以破裂面交于荷载范围内,符合拟定假设。
并列车辆数,双车道,单车道;后轮轮距,取;相邻两车辆后轮的中心间距,取;轮胎着地宽度,取。
4.荷载当量土柱高度计算设计墙高9.5m,按墙高计算附加荷载强度,按照线性内插法进行计算,求得附加荷载强度为:,求土柱高度:荷载强度q墙高H/m q/kPa 墙高H/m q/kPa20 105.土压力计算根据挡土墙破裂面交于荷载内部的土压力计算如下:()()()()()()注:、,墙背主动土压力的水平与垂直分力;6.土压力作用点的位置代表土压力作用点至墙踵的垂直距离。
重力式挡土墙验算[执行标准:公路]计算项目:仰斜式路堑墙挡土墙承载力250高3米计算时间:2014-11-05 12:51:47 星期三------------------------------------------------------------------------ 原始条件:墙身尺寸:墙身高: 3.000(m)墙顶宽: 1.100(m)面坡倾斜坡度: 1:0.350背坡倾斜坡度: 1:-0.200采用1个扩展墙址台阶:墙趾台阶b1: 0.300(m)墙趾台阶h1: 0.600(m)墙趾台阶面坡坡度为: 1:0.000墙底倾斜坡率: 0.200:1物理参数:圬工砌体容重: 24.000(kN/m3)圬工之间摩擦系数: 0.400地基土摩擦系数: 0.450墙身砌体容许压应力: 6800.000(kPa)墙身砌体容许弯曲拉应力: 430.000(kPa)墙身砌体容许剪应力: 850.000(kPa)材料抗压强度设计值: 7.820(MPa)系数αs: 0.0020挡土墙类型: 一般挡土墙墙后填土内摩擦角: 35.000(度)墙后填土粘聚力: 0.000(kPa)墙后填土容重: 19.000(kN/m3)墙背与墙后填土摩擦角: 17.500(度)地基土容重: 18.000(kN/m3)修正后地基承载力特征值: 250.000(kPa)地基承载力特征值提高系数:墙趾值提高系数: 1.200墙踵值提高系数: 1.300平均值提高系数: 1.000墙底摩擦系数: 0.500地基土类型: 土质地基地基土内摩擦角: 30.000(度)土压力计算方法: 库仑坡线土柱:坡面线段数: 2折线序号水平投影长(m) 竖向投影长(m) 换算土柱数1 1.000 0.000 02 1.000 1.000 0坡面起始距离: 0.000(m)地面横坡角度: 70.000(度)填土对横坡面的摩擦角: 17.500(度)墙顶标高: 0.000(m)挡墙分段长度: 10.000(m)===================================================================== 第 1 种情况: 组合1=============================================组合系数: 1.0001. 挡土墙结构重力分项系数 = 1.000 √2. 墙顶上的有效永久荷载分项系数 = 1.000 √3. 墙顶与第二破裂面间有效荷载分项系数 = 1.000 √4. 填土侧压力分项系数 = 1.000 √5. 车辆荷载引起的土侧压力分项系数 = 1.000 √=============================================[土压力计算] 计算高度为 3.315(m)处的库仑主动土压力无荷载时的破裂角 = 20.000(度)按实际墙背计算得到:第1破裂角: 20.000(度)Ea=19.676(kN) Ex=19.561(kN) Ey=2.122(kN) 作用点高度 Zy=1.105(m) 墙身截面积 = 4.351(m2) 重量 = 104.415 (kN)(一) 滑动稳定性验算基底摩擦系数 = 0.500采用倾斜基底增强抗滑动稳定性,计算过程如下:基底倾斜角度 = 11.310 (度)Wn = 102.387(kN) En = 5.917(kN) Wt = 20.477(kN) Et = 18.765(kN) 滑移力= -1.712(kN) 抗滑力= 54.152(kN)滑移力为负值,不计算抗滑移稳定安全系数!滑动稳定方程验算:滑动稳定方程满足: 方程值 = 64.279(kN) > 0.0地基土层水平向: 滑移力= 19.561(kN) 抗滑力= 49.956(kN)地基土层水平向: 滑移验算满足: Kc2 = 2.554 > 1.300(二) 倾覆稳定性验算相对于墙趾点,墙身重力的力臂 Zw = 1.212 (m)相对于墙趾点,Ey的力臂 Zx = 1.798 (m)相对于墙趾点,Ex的力臂 Zy = 0.790 (m)验算挡土墙绕墙趾的倾覆稳定性倾覆力矩= 15.448(kN-m) 抗倾覆力矩= 130.416(kN-m)倾覆验算满足: K0 = 8.442 > 1.500倾覆稳定方程验算:倾覆稳定方程满足: 方程值 = 89.648(kN-m) > 0.0(三) 地基应力及偏心距验算基础类型为天然地基,验算墙底偏心距及压应力取倾斜基底的倾斜宽度验算地基承载力和偏心距作用于基础底的总竖向力 = 108.304(kN) 作用于墙趾下点的总弯矩=114.968(kN-m) 基础底面宽度 B = 1.608 (m) 偏心距 e = -0.257(m)基础底面合力作用点距离基础趾点的距离 Zn = 1.062(m)基底压应力: 趾部=2.656 踵部=132.038(kPa)最大应力与最小应力之比 = 132.038 / 2.656 = 49.716作用于基底的合力偏心距验算满足: e=-0.257 <= 0.167*1.608 = 0.268(m)墙趾处地基承载力验算满足: 压应力=2.656 <= 300.000(kPa)墙踵处地基承载力验算满足: 压应力=132.038 <= 325.000(kPa)地基平均承载力验算满足: 压应力=67.347 <= 250.000(kPa)(四) 基础强度验算基础为天然地基,不作强度验算(五) 墙底截面强度验算验算截面以上,墙身截面积 = 4.092(m2) 重量 = 98.208 (kN)相对于验算截面外边缘,墙身重力的力臂 Zw = 1.221 (m)相对于验算截面外边缘,Ey的力臂 Zx = 1.798 (m)相对于验算截面外边缘,Ex的力臂 Zy = 0.790 (m)[容许应力法]:法向应力检算:作用于验算截面的总竖向力 = 100.330(kN) 作用于墙趾下点的总弯矩=108.312(kN-m) 相对于验算截面外边缘,合力作用力臂 Zn = 1.080(m)截面宽度 B = 1.640 (m) 偏心距 e1 = -0.260(m)截面上偏心距验算满足: e1= -0.260 <= 0.250*1.640 = 0.410(m)截面上压应力: 面坡=3.082 背坡=119.272(kPa)压应力验算满足: 计算值= 119.272 <= 6800.000(kPa)切向应力检算:剪应力验算满足: 计算值= -12.543 <= 850.000(kPa)[极限状态法]:重要性系数γ0 = 1.000验算截面上的轴向力组合设计值Nd = 100.330(kN)轴心力偏心影响系数αk = 0.769挡墙构件的计算截面每沿米面积A = 1.640(m2)材料抗压强度设计值fcd = 7820.000(kPa)偏心受压构件在弯曲平面内的纵向弯曲系数Ψk = 0.993计算强度时:强度验算满足: 计算值= 100.330 <= 9859.697(kN)计算稳定时:稳定验算满足: 计算值= 100.330 <= 9793.592(kN)(六) 台顶截面强度验算[土压力计算] 计算高度为 2.400(m)处的库仑主动土压力无荷载时的破裂角 = 20.000(度)按实际墙背计算得到:第1破裂角: 20.000(度)Ea=10.311(kN) Ex=10.251(kN) Ey=1.112(kN) 作用点高度 Zy=0.800(m)[强度验算]验算截面以上,墙身截面积 = 3.072(m2) 重量 = 73.728 (kN)相对于验算截面外边缘,墙身重力的力臂 Zw = 1.045 (m)相对于验算截面外边缘,Ey的力臂 Zx = 1.620 (m)相对于验算截面外边缘,Ex的力臂 Zy = 0.800 (m)[容许应力法]:法向应力检算:作用于验算截面的总竖向力 = 74.840(kN) 作用于墙趾下点的总弯矩=70.612(kN-m) 相对于验算截面外边缘,合力作用力臂 Zn = 0.944(m)截面宽度 B = 1.460 (m) 偏心距 e1 = -0.214(m)截面上偏心距验算满足: e1= -0.214 <= 0.250*1.460 = 0.365(m)截面上压应力: 面坡=6.283 背坡=96.237(kPa)压应力验算满足: 计算值= 96.237 <= 6800.000(kPa)切向应力检算:剪应力验算满足: 计算值= -13.483 <= 850.000(kPa)[极限状态法]:重要性系数γ0 = 1.000验算截面上的轴向力组合设计值Nd = 74.840(kN)轴心力偏心影响系数αk = 0.796挡墙构件的计算截面每沿米面积A = 1.460(m2)材料抗压强度设计值fcd = 7820.000(kPa)偏心受压构件在弯曲平面内的纵向弯曲系数Ψk = 0.997计算强度时:强度验算满足: 计算值= 74.840 <= 9085.141(kN)计算稳定时:稳定验算满足: 计算值= 74.840 <= 9062.134(kN)===================================================================== 第 2 种情况: 组合2=============================================组合系数: 1.0001. 挡土墙结构重力分项系数 = 1.000 √2. 墙顶上的有效永久荷载分项系数 = 1.000 √3. 墙顶与第二破裂面间有效荷载分项系数 = 1.000 √4. 填土侧压力分项系数 = 1.000 √5. 车辆荷载引起的土侧压力分项系数 = 1.000 √=============================================[土压力计算] 计算高度为 3.315(m)处的库仑主动土压力无荷载时的破裂角 = 20.000(度)按实际墙背计算得到:第1破裂角: 20.000(度)Ea=19.676(kN) Ex=19.561(kN) Ey=2.122(kN) 作用点高度 Zy=1.105(m) 墙身截面积 = 4.351(m2) 重量 = 104.415 (kN)(一) 滑动稳定性验算基底摩擦系数 = 0.500采用倾斜基底增强抗滑动稳定性,计算过程如下:基底倾斜角度 = 11.310 (度)Wn = 102.387(kN) En = 5.917(kN) Wt = 20.477(kN) Et = 18.765(kN) 滑移力= -1.712(kN) 抗滑力= 54.152(kN)滑移力为负值,不计算抗滑移稳定安全系数!滑动稳定方程验算:滑动稳定方程满足: 方程值 = 64.279(kN) > 0.0地基土层水平向: 滑移力= 19.561(kN) 抗滑力= 49.956(kN)地基土层水平向: 滑移验算满足: Kc2 = 2.554 > 1.300(二) 倾覆稳定性验算相对于墙趾点,墙身重力的力臂 Zw = 1.212 (m)相对于墙趾点,Ey的力臂 Zx = 1.798 (m)相对于墙趾点,Ex的力臂 Zy = 0.790 (m)验算挡土墙绕墙趾的倾覆稳定性倾覆力矩= 15.448(kN-m) 抗倾覆力矩= 130.416(kN-m)倾覆验算满足: K0 = 8.442 > 1.500倾覆稳定方程验算:倾覆稳定方程满足: 方程值 = 89.648(kN-m) > 0.0(三) 地基应力及偏心距验算基础类型为天然地基,验算墙底偏心距及压应力取倾斜基底的倾斜宽度验算地基承载力和偏心距作用于基础底的总竖向力 = 108.304(kN) 作用于墙趾下点的总弯矩=114.968(kN-m) 基础底面宽度 B = 1.608 (m) 偏心距 e = -0.257(m)基础底面合力作用点距离基础趾点的距离 Zn = 1.062(m)基底压应力: 趾部=2.656 踵部=132.038(kPa)最大应力与最小应力之比 = 132.038 / 2.656 = 49.716作用于基底的合力偏心距验算满足: e=-0.257 <= 0.167*1.608 = 0.268(m)墙趾处地基承载力验算满足: 压应力=2.656 <= 300.000(kPa)墙踵处地基承载力验算满足: 压应力=132.038 <= 325.000(kPa)地基平均承载力验算满足: 压应力=67.347 <= 250.000(kPa)(四) 基础强度验算基础为天然地基,不作强度验算(五) 墙底截面强度验算验算截面以上,墙身截面积 = 4.092(m2) 重量 = 98.208 (kN)相对于验算截面外边缘,墙身重力的力臂 Zw = 1.221 (m)相对于验算截面外边缘,Ey的力臂 Zx = 1.798 (m)相对于验算截面外边缘,Ex的力臂 Zy = 0.790 (m)[容许应力法]:法向应力检算:作用于验算截面的总竖向力 = 100.330(kN) 作用于墙趾下点的总弯矩=108.312(kN-m) 相对于验算截面外边缘,合力作用力臂 Zn = 1.080(m)截面宽度 B = 1.640 (m) 偏心距 e1 = -0.260(m)截面上偏心距验算满足: e1= -0.260 <= 0.250*1.640 = 0.410(m)截面上压应力: 面坡=3.082 背坡=119.272(kPa)压应力验算满足: 计算值= 119.272 <= 6800.000(kPa)切向应力检算:剪应力验算满足: 计算值= -12.543 <= 850.000(kPa)[极限状态法]:重要性系数γ0 = 1.000验算截面上的轴向力组合设计值Nd = 100.330(kN)轴心力偏心影响系数αk = 0.769挡墙构件的计算截面每沿米面积A = 1.640(m2)材料抗压强度设计值fcd = 7820.000(kPa)偏心受压构件在弯曲平面内的纵向弯曲系数Ψk = 0.993计算强度时:强度验算满足: 计算值= 100.330 <= 9859.697(kN)计算稳定时:稳定验算满足: 计算值= 100.330 <= 9793.592(kN)(六) 台顶截面强度验算[土压力计算] 计算高度为 2.400(m)处的库仑主动土压力无荷载时的破裂角 = 20.000(度)按实际墙背计算得到:第1破裂角: 20.000(度)Ea=10.311(kN) Ex=10.251(kN) Ey=1.112(kN) 作用点高度 Zy=0.800(m)[强度验算]验算截面以上,墙身截面积 = 3.072(m2) 重量 = 73.728 (kN)相对于验算截面外边缘,墙身重力的力臂 Zw = 1.045 (m)相对于验算截面外边缘,Ey的力臂 Zx = 1.620 (m)相对于验算截面外边缘,Ex的力臂 Zy = 0.800 (m)[容许应力法]:法向应力检算:作用于验算截面的总竖向力 = 74.840(kN) 作用于墙趾下点的总弯矩=70.612(kN-m) 相对于验算截面外边缘,合力作用力臂 Zn = 0.944(m)截面宽度 B = 1.460 (m) 偏心距 e1 = -0.214(m)截面上偏心距验算满足: e1= -0.214 <= 0.250*1.460 = 0.365(m)截面上压应力: 面坡=6.283 背坡=96.237(kPa)压应力验算满足: 计算值= 96.237 <= 6800.000(kPa)切向应力检算:剪应力验算满足: 计算值= -13.483 <= 850.000(kPa)[极限状态法]:重要性系数γ0 = 1.000验算截面上的轴向力组合设计值Nd = 74.840(kN)轴心力偏心影响系数αk = 0.796挡墙构件的计算截面每沿米面积A = 1.460(m2)材料抗压强度设计值fcd = 7820.000(kPa)偏心受压构件在弯曲平面内的纵向弯曲系数Ψk = 0.997计算强度时:强度验算满足: 计算值= 74.840 <= 9085.141(kN)计算稳定时:稳定验算满足: 计算值= 74.840 <= 9062.134(kN)===================================================================== 第 3 种情况: 组合3=============================================组合系数: 1.0001. 挡土墙结构重力分项系数 = 1.000 √2. 墙顶上的有效永久荷载分项系数 = 1.000 √3. 墙顶与第二破裂面间有效荷载分项系数 = 1.000 √4. 填土侧压力分项系数 = 1.000 √5. 车辆荷载引起的土侧压力分项系数 = 1.000 √=============================================[土压力计算] 计算高度为 3.315(m)处的库仑主动土压力无荷载时的破裂角 = 20.000(度)按实际墙背计算得到:第1破裂角: 20.000(度)Ea=19.676(kN) Ex=19.561(kN) Ey=2.122(kN) 作用点高度 Zy=1.105(m) 墙身截面积 = 4.351(m2) 重量 = 104.415 (kN)(一) 滑动稳定性验算基底摩擦系数 = 0.500采用倾斜基底增强抗滑动稳定性,计算过程如下:基底倾斜角度 = 11.310 (度)Wn = 102.387(kN) En = 5.917(kN) Wt = 20.477(kN) Et = 18.765(kN) 滑移力= -1.712(kN) 抗滑力= 54.152(kN)滑移力为负值,不计算抗滑移稳定安全系数!滑动稳定方程验算:滑动稳定方程满足: 方程值 = 64.279(kN) > 0.0地基土层水平向: 滑移力= 19.561(kN) 抗滑力= 49.956(kN)地基土层水平向: 滑移验算满足: Kc2 = 2.554 > 1.300(二) 倾覆稳定性验算相对于墙趾点,墙身重力的力臂 Zw = 1.212 (m)相对于墙趾点,Ey的力臂 Zx = 1.798 (m)相对于墙趾点,Ex的力臂 Zy = 0.790 (m)验算挡土墙绕墙趾的倾覆稳定性倾覆力矩= 15.448(kN-m) 抗倾覆力矩= 130.416(kN-m)倾覆验算满足: K0 = 8.442 > 1.500倾覆稳定方程验算:倾覆稳定方程满足: 方程值 = 89.648(kN-m) > 0.0(三) 地基应力及偏心距验算基础类型为天然地基,验算墙底偏心距及压应力取倾斜基底的倾斜宽度验算地基承载力和偏心距作用于基础底的总竖向力 = 108.304(kN) 作用于墙趾下点的总弯矩=114.968(kN-m) 基础底面宽度 B = 1.608 (m) 偏心距 e = -0.257(m)基础底面合力作用点距离基础趾点的距离 Zn = 1.062(m)基底压应力: 趾部=2.656 踵部=132.038(kPa)最大应力与最小应力之比 = 132.038 / 2.656 = 49.716作用于基底的合力偏心距验算满足: e=-0.257 <= 0.167*1.608 = 0.268(m)墙趾处地基承载力验算满足: 压应力=2.656 <= 300.000(kPa)墙踵处地基承载力验算满足: 压应力=132.038 <= 325.000(kPa)地基平均承载力验算满足: 压应力=67.347 <= 250.000(kPa)(四) 基础强度验算基础为天然地基,不作强度验算(五) 墙底截面强度验算验算截面以上,墙身截面积 = 4.092(m2) 重量 = 98.208 (kN)相对于验算截面外边缘,墙身重力的力臂 Zw = 1.221 (m)相对于验算截面外边缘,Ey的力臂 Zx = 1.798 (m)相对于验算截面外边缘,Ex的力臂 Zy = 0.790 (m)[容许应力法]:法向应力检算:作用于验算截面的总竖向力 = 100.330(kN) 作用于墙趾下点的总弯矩=108.312(kN-m) 相对于验算截面外边缘,合力作用力臂 Zn = 1.080(m)截面宽度 B = 1.640 (m) 偏心距 e1 = -0.260(m)截面上偏心距验算满足: e1= -0.260 <= 0.250*1.640 = 0.410(m)截面上压应力: 面坡=3.082 背坡=119.272(kPa)压应力验算满足: 计算值= 119.272 <= 6800.000(kPa)切向应力检算:剪应力验算满足: 计算值= -12.543 <= 850.000(kPa)[极限状态法]:重要性系数γ0 = 1.000验算截面上的轴向力组合设计值Nd = 100.330(kN)轴心力偏心影响系数αk = 0.769挡墙构件的计算截面每沿米面积A = 1.640(m2)材料抗压强度设计值fcd = 7820.000(kPa)偏心受压构件在弯曲平面内的纵向弯曲系数Ψk = 0.993计算强度时:强度验算满足: 计算值= 100.330 <= 9859.697(kN)计算稳定时:稳定验算满足: 计算值= 100.330 <= 9793.592(kN)(六) 台顶截面强度验算[土压力计算] 计算高度为 2.400(m)处的库仑主动土压力无荷载时的破裂角 = 20.000(度)按实际墙背计算得到:第1破裂角: 20.000(度)Ea=10.311(kN) Ex=10.251(kN) Ey=1.112(kN) 作用点高度 Zy=0.800(m)[强度验算]验算截面以上,墙身截面积 = 3.072(m2) 重量 = 73.728 (kN)相对于验算截面外边缘,墙身重力的力臂 Zw = 1.045 (m)相对于验算截面外边缘,Ey的力臂 Zx = 1.620 (m)相对于验算截面外边缘,Ex的力臂 Zy = 0.800 (m)[容许应力法]:法向应力检算:作用于验算截面的总竖向力 = 74.840(kN) 作用于墙趾下点的总弯矩=70.612(kN-m) 相对于验算截面外边缘,合力作用力臂 Zn = 0.944(m)截面宽度 B = 1.460 (m) 偏心距 e1 = -0.214(m)截面上偏心距验算满足: e1= -0.214 <= 0.250*1.460 = 0.365(m)截面上压应力: 面坡=6.283 背坡=96.237(kPa)压应力验算满足: 计算值= 96.237 <= 6800.000(kPa)切向应力检算:剪应力验算满足: 计算值= -13.483 <= 850.000(kPa)[极限状态法]:重要性系数γ0 = 1.000验算截面上的轴向力组合设计值Nd = 74.840(kN)轴心力偏心影响系数αk = 0.796挡墙构件的计算截面每沿米面积A = 1.460(m2)材料抗压强度设计值fcd = 7820.000(kPa)偏心受压构件在弯曲平面内的纵向弯曲系数Ψk = 0.997计算强度时:强度验算满足: 计算值= 74.840 <= 9085.141(kN)计算稳定时:稳定验算满足: 计算值= 74.840 <= 9062.134(kN)================================================= 各组合最不利结果=================================================(一) 滑移验算安全系数最不利为:组合3(组合3)抗滑力 = 54.152(kN),滑移力 = -1.712(kN)。
第一部分 重力式挡土墙设计1.绘制等高线地形图1.1.根据课程设计任务书中表1,可用插值法计算整点高程及其与已知高程点的水平距离,计算说明如下:设高程点A 的高程为a ,高程点B 的高程为b (b>a ),A 与B 的水平距离为l ,不妨设A 、B 之间有一整数高程点C (高程值为c ),AB 为直线段,可知BC距离0l :0b cl l b a-=- 根据上述原理可以得出K58+70~K58+130横断面上各主要高程整点,计算列表如下:1.2.绘制1:1000等高线地形图由以上表格数据绘制等高线地形图,依据下面原则:1.相同高程的点以光滑曲线相连接2.不同等高线不能相交3.不同等高线之间不能存在越界的高程点等高线地形图如下。
2.路肩挡土墙设计 2.1挡土墙的纵向布局从路线横断面图中可得到挡土墙墙趾与地面线的相关数据:由以上数据可以将挡土墙墙趾边线纵断面标识于上图中,按各自断面为自然分段点,将全程分为6段,分段长度10m ,相邻段设置宽度为3cm 的伸缩缝,并且布置10c m ×10cm 泄水孔,上下左右交错。
各段地面纵坡分别为:56.6%、14%、16.5%、20%、18%、12%,均大于5%,为减少开挖,故各分段挡土墙应该沿纵向做成台阶。
各台阶状挡土墙的高度、长度和最小入土深度(即基础的埋入深度)如下表所示:(见图三)2.2.挡土墙横断面设计采用最危险截面设计断面主要尺寸,最危险截面即墙身高度最大处,即图三的1-1横断面,在高度确定为7.5m 的前提下,衡重式挡土墙上、下墙高度之比通常为2:3,故设计高度123, 4.5H m H m ==,衡重台宽10.91d m =,上墙墙背倾斜角为120α=,下墙墙背倾斜角23α=,墙面坡1:0.05。
(n=0.05)2.2.1设计车辆荷载换算汽车-15级换算土柱的长度0 5.5b m =,()072.724.20.5772h H a γ=++⎡⎤⎣⎦=()72.720.4518.6 4.20.5777.520m ==+⨯+⨯⎡⎤⎣⎦2.2.2.上墙土压力计算1.计算破裂角,判别是否出现第二破裂面。
(一)基本资料挡土墙基本资料墙身及基础填料及地基挡土墙类型 仰斜式路肩墙 填料种类重度 砂类土 19墙高H(m) 5.00 填料内摩擦角 35 墙面坡度 1:0.25 填料与墙背摩擦角 墙背坡度 1:0.25 基础顶面埋深(m) 0.80砌筑材料M5浆砌MU5片石 地基土类别重度 密实砂类土 21砌筑材料的重度 23地基土承载力特征值 400基地坡度 0.20 基地与地基土摩擦系数 0.40圬工砌体间的摩擦系数 0.70地基土摩擦系数 0.80公路等级及荷载强度 片石砂浆砌体强度设计值 公路等级 一级 抗压 0.71 汽车荷载标准 公路-Ⅰ级 轴心抗拉 0.048 墙顶护栏荷载强度7.00弯曲抗拉 0.072 直接抗剪 0.120建挡土墙的截面尺寸见图1,按本细则的规定对其进行验算,如下:图1 挡墙横断面尺寸布置及挡墙型式示意图1m ),如图2所示,将挡土墙截面划分为三部分,截面各部分对应的墙体重量为: 截面各部分的重心至墙趾( )的距离: 单位墙长的自重重力为: 全截面重心至墙趾的距离:按本细则表4.2.5的规定,当墙身高度为5m 时,附加荷载标准值: 换算等代均布土层厚度为: 因基础埋置较浅,不计墙前被动土压力。
当采用库仑土压力理论计算墙后填土和车辆荷载引起的主动土压力时候,计算图式如图3所示:按本细则附录A.0.3条所列土压力计算公式,计算结果如下:因d=0,故墙顶至后踵点后踵点土压力为:单位墙长(1m)上土压力的水平分量:单位墙长(1m)上土压力的竖直分量:土压力水平分量的作用点至墙趾的距离:土压力竖直分量的作用点至墙趾的距离:基础最小深(算至墙趾点):,符合基础最小埋深的规定;但,所以修正后的地基承载力特征值等于地基承载力特征值。
按本细则表5.2.8的规定,当采用荷载组合H时,地基承载力特征值提高系数K=1.0,故 =1.0 400=400(kPa)验算地基承载力时,计入作用在挡土墙顶面的护栏荷载强度与车辆附加荷载标准值,基底应力计算的力系图可参见图4按本细则5.2.1条的规定:在地基承载力计算中,基础的作用效应取正常使用极限状态下作用效应标准组合。
仰斜式挡土墙体积计算公式
仰斜式挡土墙是一种用于抵抗土体压力的结构,常用于土方工程中。
其体积计算可以通过以下公式进行:
V = A ×L
其中,V表示挡土墙的体积,A表示挡土墙的截面面积,L表示挡土墙的长度。
对于仰斜式挡土墙,其截面面积可以分为两部分计算:底部截面面积和顶部截面面积。
底部截面面积可以通过以下公式计算:
A1 = h1 ×b1
其中,h1表示挡土墙底部的高度,b1表示挡土墙底部的宽度。
顶部截面面积可以通过以下公式计算:
A2 = h2 ×b2
其中,h2表示挡土墙顶部的高度,b2表示挡土墙顶部的宽度。
将底部截面面积和顶部截面面积相加,即可得到挡土墙的总截面面积:A = A1 + A2
最后,将总截面面积与挡土墙的长度相乘,即可得到挡土墙的体积:V = A ×L
通过以上公式和参数的输入,你可以计算出仰斜式挡土墙的体积。
请注意,这个公式只适用于简单形状的仰斜式挡土墙,对于复杂形状的挡土墙,需要进行其他的计算方法。
合同号:合同段监理单位:
编 号:
JL-2020-02-
起始桩号终点桩号长度L(m)
底宽B'(m)墙趾高h(m)
墙面高H(m)
墙总高H'(m)
外墙坡率n1内墙坡率n2基底坡率n3
圬工面积工程量K1+110.00
K1+120.00
10
3.175
0.7
7
8.335
0.25
0.15
0.2
19.053
190.526
总工程量=
sum:(各段工
程量)=190.526m³
承包人:
监理工程
师:
详细计算式:
底宽B'=((B+b)+(n1-n2)*(H+h))/(1+n2*n3)
墙总高H'=H+h+n3*((B+b)+(n1-n2)*(H+h))/(1+n2*n3)
圬工面积=(B+b)*(H+h)-b*H+0.5*(n1-n2)*(H+h)*(H+h)+n3/2*((B+b)+(n1-n2)*(H+h))*((B+b)+(n1-n2)*(H+h))/(1+n2*n3)
计量单位:
m 3
工程计量数量:
计算简图(尺寸、土石方应标明标高)、算式、说明等
顶宽B(m)
墙趾宽b(m)
1.9
0.6
计 量 项 目计 量 单 位
计 量 数 量
设 计 数 量
砌体挡土墙
m
3
起 始 桩 号K1+110~K1+120
部 位图 号S3-38中间交工证书号工程检验认可证
书编号xxxxxxxxxxx工程
中 间 计 量 表
承包单位:
支付项目清单编号209-1-a 项 目 名 称宁陕县庙坪至双河公路工程5标段。
仰斜式挡土墙专项施工方案编制单位:编制人:审核人:编制日期:2017年月日目录第一节编制依据3第二节编制原则3第三节工程概述33.1主要技术标准33.2工程概况、主要工程项目及数量43.3工程特点43.3工程难点5第四节施工总体安排54.1施工准备工作54.2施工顺序及工期安排6第五节主要分部分项工程施工工艺及施工方法8 5.1施工工艺流程85.2施工方法85.3施工要点135.4施工注意事项13第六节质量保证体系及保证措施146.1质量保证体系146.2质量保证措施15第七节安全施工保证措施167.1危险源的识别和控制措施,详见附表1。
167.2基础开挖施工安全保证措施16 7.3脚手架搭设安全保证措施17 7.4混凝土浇筑安全保证措施17 7.5临时用电作业安全保证措施17 7.6高温作业安全保证措施18第八节环境保证措施18第九节文明施工保证措施19第一节编制依据1、本工程设计单位出具的《设计图纸》;2、相关规范;3、本工程施工现场实际情况及我公司以往施工经验。
第二节编制原则1、本方案适用于红卫路社区微型消防站建设工程仰斜式挡土墙施工,内容主要有测量放线、修整现状边坡和基槽开挖、基础浇筑、砼墙身浇筑、墙背回填等。
2、坚持实事求是,注重调查研究,合理安排工期,周密组织劳动力,采取有效方法科学组织施工,确保安全、合格工程。
3、实施“项目法管理”的原则,建立质量保证体系,加强质量管理,降低工程成本,提高经济效益。
4、现场实行规范管理,标准化作业,严格遵守《环境保护法》及水土保持等有关要求,保护生态环境,维持生态平衡。
第三节工程概述3.1 主要技术标准主要技术标准参数见下表:表1:挡土墙技术标准主要设计参数:1.荷载: q=城-A级;2.挡土墙基底摩擦系数: f=0.40;3.墙背填料计算内摩擦角:δ=35°;4.填料容重:γ=20KN/m3;5.墙身容重:γ=23KN/m3;6.挡土墙稳定系数:抗滑动稳定系数Kc≥1.3;抗倾覆稳定系数K0≥1.6;3.2 工程概况、主要工程项目及数量本仰斜式挡土墙适用于红卫路社区微型消防站建设工程边坡挡护,总长度140m。
重力式挡土墙验算[执行标准:公路]计算项目:仰斜式路肩墙承载力400kpa高7米计算时间:2013-11-06 23:55:29 星期三------------------------------------------------------------------------ 原始条件:墙身尺寸:墙身高: 7.000(m)墙顶宽: 1.700(m)面坡倾斜坡度: 1:0.250背坡倾斜坡度: 1:-0.250采用1个扩展墙址台阶:墙趾台阶b1: 0.350(m)墙趾台阶h1: 0.700(m)墙趾台阶与墙面坡坡度相同墙底倾斜坡率: 0.100:1物理参数:圬工砌体容重: 24.000(kN/m3)圬工之间摩擦系数: 0.400地基土摩擦系数: 0.450墙身砌体容许压应力: 6800.000(kPa)墙身砌体容许弯曲拉应力: 430.000(kPa)墙身砌体容许剪应力: 850.000(kPa)材料抗压强度设计值: 7.820(MPa)系数αs: 0.0020挡土墙类型: 一般挡土墙墙后填土内摩擦角: 35.000(度)墙后填土粘聚力: 0.000(kPa)墙后填土容重: 21.000(kN/m3)墙背与墙后填土摩擦角: 17.500(度)地基土容重: 22.000(kN/m3)修正后地基承载力特征值: 400.000(kPa)地基承载力特征值提高系数:墙趾值提高系数: 1.200墙踵值提高系数: 1.300平均值提高系数: 1.000墙底摩擦系数: 0.400地基土类型: 土质地基地基土内摩擦角: 30.000(度)土压力计算方法: 库仑坡线土柱:坡面线段数: 1折线序号水平投影长(m) 竖向投影长(m) 换算土柱数1 4.000 0.080 1第1个: 距离0.000(m),宽度4.001(m),高度0.655(m) 2004路基规范挡土墙车辆荷载坡面起始距离: 0.000(m)地面横坡角度: 20.000(度)填土对横坡面的摩擦角: 17.500(度)墙顶标高: 0.000(m)挡墙分段长度: 10.000(m)=====================================================================第 1 种情况: 组合1=============================================组合系数: 1.0001. 挡土墙结构重力分项系数 = 1.000 √2. 墙顶上的有效永久荷载分项系数 = 1.000 √3. 墙顶与第二破裂面间有效荷载分项系数 = 1.000 √4. 填土侧压力分项系数 = 1.000 √5. 车辆荷载引起的土侧压力分项系数 = 1.000 √=============================================[土压力计算] 计算高度为 7.200(m)处的库仑主动土压力无荷载时的破裂角 = 36.231(度)按实际墙背计算得到:第1破裂角: 36.231(度)Ea=104.692(kN) Ex=104.501(kN) Ey=6.325(kN) 作用点高度 Zy=2.583(m) 墙身截面积 = 12.350(m2) 重量 = 296.400 (kN)(一) 滑动稳定性验算基底摩擦系数 = 0.400采用倾斜基底增强抗滑动稳定性,计算过程如下:基底倾斜角度 = 5.711 (度)Wn = 294.929(kN) En = 16.692(kN) Wt = 29.493(kN) Et = 103.353(kN) 滑移力= 73.860(kN) 抗滑力= 124.648(kN)滑移验算满足: Kc = 1.688 > 1.300滑动稳定方程验算:滑动稳定方程满足: 方程值 = 65.862(kN) > 0.0地基土层水平向: 滑移力= 104.501(kN) 抗滑力= 138.206(kN)地基土层水平向: 滑移验算满足: Kc2 = 1.323 > 1.300(二) 倾覆稳定性验算相对于墙趾点,墙身重力的力臂 Zw = 2.027 (m)相对于墙趾点,Ey的力臂 Zx = 2.646 (m)相对于墙趾点,Ex的力臂 Zy = 2.383 (m)验算挡土墙绕墙趾的倾覆稳定性倾覆力矩= 249.041(kN-m) 抗倾覆力矩= 617.541(kN-m)倾覆验算满足: K0 = 2.480 > 1.500倾覆稳定方程验算:倾覆稳定方程满足: 方程值 = 248.339(kN-m) > 0.0(三) 地基应力及偏心距验算基础类型为天然地基,验算墙底偏心距及压应力取倾斜基底的倾斜宽度验算地基承载力和偏心距作用于基础底的总竖向力 = 311.621(kN) 作用于墙趾下点的总弯矩=368.500(kN-m) 基础底面宽度 B = 2.010 (m) 偏心距 e = -0.178(m)基础底面合力作用点距离基础趾点的距离 Zn = 1.183(m)基底压应力: 趾部=72.872 踵部=237.203(kPa)最大应力与最小应力之比 = 237.203 / 72.872 = 3.255作用于基底的合力偏心距验算满足: e=-0.178 <= 0.167*2.010 = 0.335(m)墙趾处地基承载力验算满足: 压应力=72.872 <= 480.000(kPa)墙踵处地基承载力验算满足: 压应力=237.203 <= 520.000(kPa)地基平均承载力验算满足: 压应力=155.037 <= 400.000(kPa)(四) 基础强度验算基础为天然地基,不作强度验算(五) 墙底截面强度验算验算截面以上,墙身截面积 = 12.145(m2) 重量 = 291.480 (kN)相对于验算截面外边缘,墙身重力的力臂 Zw = 2.038 (m)相对于验算截面外边缘,Ey的力臂 Zx = 2.646 (m)相对于验算截面外边缘,Ex的力臂 Zy = 2.383 (m)[容许应力法]:法向应力检算:作用于验算截面的总竖向力 = 297.805(kN) 作用于墙趾下点的总弯矩=361.858(kN-m) 相对于验算截面外边缘,合力作用力臂 Zn = 1.215(m)截面宽度 B = 2.050 (m) 偏心距 e1 = -0.190(m)截面上偏心距验算满足: e1= -0.190 <= 0.250*2.050 = 0.513(m)截面上压应力: 面坡=64.451 背坡=226.091(kPa)压应力验算满足: 计算值= 226.091 <= 6800.000(kPa)切向应力检算:剪应力验算满足: 计算值= -7.132 <= 850.000(kPa)[极限状态法]:重要性系数γ0 = 1.000验算截面上的轴向力组合设计值Nd = 297.805(kN)轴心力偏心影响系数αk = 0.906挡墙构件的计算截面每沿米面积A = 2.050(m2)材料抗压强度设计值fcd = 7820.000(kPa)偏心受压构件在弯曲平面内的纵向弯曲系数Ψk = 0.944计算强度时:强度验算满足: 计算值= 297.805 <= 14531.723(kN)计算稳定时:稳定验算满足: 计算值= 297.805 <= 13715.681(kN)(六) 台顶截面强度验算[土压力计算] 计算高度为 6.300(m)处的库仑主动土压力无荷载时的破裂角 = 36.231(度)按实际墙背计算得到:第1破裂角: 36.231(度)Ea=81.925(kN) Ex=81.775(kN) Ey=4.950(kN) 作用点高度 Zy=2.279(m)[强度验算]验算截面以上,墙身截面积 = 10.710(m2) 重量 = 257.040 (kN)相对于验算截面外边缘,墙身重力的力臂 Zw = 1.638 (m)相对于验算截面外边缘,Ey的力臂 Zx = 2.270 (m)相对于验算截面外边缘,Ex的力臂 Zy = 2.279 (m)[容许应力法]:法向应力检算:作用于验算截面的总竖向力 = 261.990(kN) 作用于墙趾下点的总弯矩=245.753(kN-m) 相对于验算截面外边缘,合力作用力臂 Zn = 0.938(m)截面宽度 B = 1.700 (m) 偏心距 e1 = -0.088(m)截面上偏心距验算满足: e1= -0.088 <= 0.250*1.700 = 0.425(m)截面上压应力: 面坡=106.232 背坡=201.991(kPa)压应力验算满足: 计算值= 201.991 <= 6800.000(kPa)切向应力检算:剪应力验算满足: 计算值= -13.542 <= 850.000(kPa)[极限状态法]:重要性系数γ0 = 1.000验算截面上的轴向力组合设计值Nd = 261.990(kN)轴心力偏心影响系数αk = 0.969挡墙构件的计算截面每沿米面积A = 1.700(m2)材料抗压强度设计值fcd = 7820.000(kPa)偏心受压构件在弯曲平面内的纵向弯曲系数Ψk = 0.936计算强度时:强度验算满足: 计算值= 261.990 <= 12879.609(kN)计算稳定时:稳定验算满足: 计算值= 261.990 <= 12057.263(kN)=====================================================================第 2 种情况: 组合2=============================================组合系数: 1.0001. 挡土墙结构重力分项系数 = 1.000 √2. 墙顶上的有效永久荷载分项系数 = 1.000 √3. 墙顶与第二破裂面间有效荷载分项系数 = 1.000 √4. 填土侧压力分项系数 = 1.000 √5. 车辆荷载引起的土侧压力分项系数 = 1.000 √=============================================[土压力计算] 计算高度为 7.200(m)处的库仑主动土压力无荷载时的破裂角 = 36.231(度)按实际墙背计算得到:第1破裂角: 36.231(度)Ea=104.692(kN) Ex=104.501(kN) Ey=6.325(kN) 作用点高度 Zy=2.583(m) 墙身截面积 = 12.350(m2) 重量 = 296.400 (kN)(一) 滑动稳定性验算基底摩擦系数 = 0.400采用倾斜基底增强抗滑动稳定性,计算过程如下:基底倾斜角度 = 5.711 (度)Wn = 294.929(kN) En = 16.692(kN) Wt = 29.493(kN) Et = 103.353(kN) 滑移力= 73.860(kN) 抗滑力= 124.648(kN)滑移验算满足: Kc = 1.688 > 1.300滑动稳定方程验算:滑动稳定方程满足: 方程值 = 65.862(kN) > 0.0地基土层水平向: 滑移力= 104.501(kN) 抗滑力= 138.206(kN)地基土层水平向: 滑移验算满足: Kc2 = 1.323 > 1.300(二) 倾覆稳定性验算相对于墙趾点,墙身重力的力臂 Zw = 2.027 (m)相对于墙趾点,Ey的力臂 Zx = 2.646 (m)相对于墙趾点,Ex的力臂 Zy = 2.383 (m)验算挡土墙绕墙趾的倾覆稳定性倾覆力矩= 249.041(kN-m) 抗倾覆力矩= 617.541(kN-m)倾覆验算满足: K0 = 2.480 > 1.500倾覆稳定方程验算:倾覆稳定方程满足: 方程值 = 248.339(kN-m) > 0.0(三) 地基应力及偏心距验算基础类型为天然地基,验算墙底偏心距及压应力取倾斜基底的倾斜宽度验算地基承载力和偏心距作用于基础底的总竖向力 = 311.621(kN) 作用于墙趾下点的总弯矩=368.500(kN-m) 基础底面宽度 B = 2.010 (m) 偏心距 e = -0.178(m)基础底面合力作用点距离基础趾点的距离 Zn = 1.183(m)基底压应力: 趾部=72.872 踵部=237.203(kPa)最大应力与最小应力之比 = 237.203 / 72.872 = 3.255作用于基底的合力偏心距验算满足: e=-0.178 <= 0.167*2.010 = 0.335(m)墙趾处地基承载力验算满足: 压应力=72.872 <= 480.000(kPa)墙踵处地基承载力验算满足: 压应力=237.203 <= 520.000(kPa)地基平均承载力验算满足: 压应力=155.037 <= 400.000(kPa)(四) 基础强度验算基础为天然地基,不作强度验算(五) 墙底截面强度验算验算截面以上,墙身截面积 = 12.145(m2) 重量 = 291.480 (kN)相对于验算截面外边缘,墙身重力的力臂 Zw = 2.038 (m)相对于验算截面外边缘,Ey的力臂 Zx = 2.646 (m)相对于验算截面外边缘,Ex的力臂 Zy = 2.383 (m)[容许应力法]:法向应力检算:作用于验算截面的总竖向力 = 297.805(kN) 作用于墙趾下点的总弯矩=361.858(kN-m) 相对于验算截面外边缘,合力作用力臂 Zn = 1.215(m)截面宽度 B = 2.050 (m) 偏心距 e1 = -0.190(m)截面上偏心距验算满足: e1= -0.190 <= 0.250*2.050 = 0.513(m)截面上压应力: 面坡=64.451 背坡=226.091(kPa)压应力验算满足: 计算值= 226.091 <= 6800.000(kPa)切向应力检算:剪应力验算满足: 计算值= -7.132 <= 850.000(kPa)[极限状态法]:重要性系数γ0 = 1.000验算截面上的轴向力组合设计值Nd = 297.805(kN)轴心力偏心影响系数αk = 0.906挡墙构件的计算截面每沿米面积A = 2.050(m2)材料抗压强度设计值fcd = 7820.000(kPa)偏心受压构件在弯曲平面内的纵向弯曲系数Ψk = 0.944计算强度时:强度验算满足: 计算值= 297.805 <= 14531.723(kN)计算稳定时:稳定验算满足: 计算值= 297.805 <= 13715.681(kN)(六) 台顶截面强度验算[土压力计算] 计算高度为 6.300(m)处的库仑主动土压力无荷载时的破裂角 = 36.231(度)按实际墙背计算得到:第1破裂角: 36.231(度)Ea=81.925(kN) Ex=81.775(kN) Ey=4.950(kN) 作用点高度 Zy=2.279(m)[强度验算]验算截面以上,墙身截面积 = 10.710(m2) 重量 = 257.040 (kN)相对于验算截面外边缘,墙身重力的力臂 Zw = 1.638 (m)相对于验算截面外边缘,Ey的力臂 Zx = 2.270 (m)相对于验算截面外边缘,Ex的力臂 Zy = 2.279 (m)[容许应力法]:法向应力检算:作用于验算截面的总竖向力 = 261.990(kN) 作用于墙趾下点的总弯矩=245.753(kN-m) 相对于验算截面外边缘,合力作用力臂 Zn = 0.938(m)截面宽度 B = 1.700 (m) 偏心距 e1 = -0.088(m)截面上偏心距验算满足: e1= -0.088 <= 0.250*1.700 = 0.425(m)截面上压应力: 面坡=106.232 背坡=201.991(kPa)压应力验算满足: 计算值= 201.991 <= 6800.000(kPa)切向应力检算:剪应力验算满足: 计算值= -13.542 <= 850.000(kPa)[极限状态法]:重要性系数γ0 = 1.000验算截面上的轴向力组合设计值Nd = 261.990(kN)轴心力偏心影响系数αk = 0.969挡墙构件的计算截面每沿米面积A = 1.700(m2)材料抗压强度设计值fcd = 7820.000(kPa)偏心受压构件在弯曲平面内的纵向弯曲系数Ψk = 0.936计算强度时:强度验算满足: 计算值= 261.990 <= 12879.609(kN)计算稳定时:稳定验算满足: 计算值= 261.990 <= 12057.263(kN)=====================================================================第 3 种情况: 组合3=============================================组合系数: 1.0001. 挡土墙结构重力分项系数 = 1.000 √2. 墙顶上的有效永久荷载分项系数 = 1.000 √3. 墙顶与第二破裂面间有效荷载分项系数 = 1.000 √4. 填土侧压力分项系数 = 1.000 √5. 车辆荷载引起的土侧压力分项系数 = 1.000 √=============================================[土压力计算] 计算高度为 7.200(m)处的库仑主动土压力无荷载时的破裂角 = 36.231(度)按实际墙背计算得到:第1破裂角: 36.231(度)Ea=104.692(kN) Ex=104.501(kN) Ey=6.325(kN) 作用点高度 Zy=2.583(m) 墙身截面积 = 12.350(m2) 重量 = 296.400 (kN)(一) 滑动稳定性验算基底摩擦系数 = 0.400采用倾斜基底增强抗滑动稳定性,计算过程如下:基底倾斜角度 = 5.711 (度)Wn = 294.929(kN) En = 16.692(kN) Wt = 29.493(kN) Et = 103.353(kN) 滑移力= 73.860(kN) 抗滑力= 124.648(kN)滑移验算满足: Kc = 1.688 > 1.300滑动稳定方程验算:滑动稳定方程满足: 方程值 = 65.862(kN) > 0.0地基土层水平向: 滑移力= 104.501(kN) 抗滑力= 138.206(kN)地基土层水平向: 滑移验算满足: Kc2 = 1.323 > 1.300(二) 倾覆稳定性验算相对于墙趾点,墙身重力的力臂 Zw = 2.027 (m)相对于墙趾点,Ey的力臂 Zx = 2.646 (m)相对于墙趾点,Ex的力臂 Zy = 2.383 (m)验算挡土墙绕墙趾的倾覆稳定性倾覆力矩= 249.041(kN-m) 抗倾覆力矩= 617.541(kN-m)倾覆验算满足: K0 = 2.480 > 1.500倾覆稳定方程验算:倾覆稳定方程满足: 方程值 = 248.339(kN-m) > 0.0(三) 地基应力及偏心距验算基础类型为天然地基,验算墙底偏心距及压应力取倾斜基底的倾斜宽度验算地基承载力和偏心距作用于基础底的总竖向力 = 311.621(kN) 作用于墙趾下点的总弯矩=368.500(kN-m) 基础底面宽度 B = 2.010 (m) 偏心距 e = -0.178(m)基础底面合力作用点距离基础趾点的距离 Zn = 1.183(m)基底压应力: 趾部=72.872 踵部=237.203(kPa)最大应力与最小应力之比 = 237.203 / 72.872 = 3.255作用于基底的合力偏心距验算满足: e=-0.178 <= 0.167*2.010 = 0.335(m)墙趾处地基承载力验算满足: 压应力=72.872 <= 480.000(kPa)墙踵处地基承载力验算满足: 压应力=237.203 <= 520.000(kPa)地基平均承载力验算满足: 压应力=155.037 <= 400.000(kPa)(四) 基础强度验算基础为天然地基,不作强度验算(五) 墙底截面强度验算验算截面以上,墙身截面积 = 12.145(m2) 重量 = 291.480 (kN)相对于验算截面外边缘,墙身重力的力臂 Zw = 2.038 (m)相对于验算截面外边缘,Ey的力臂 Zx = 2.646 (m)相对于验算截面外边缘,Ex的力臂 Zy = 2.383 (m)[容许应力法]:法向应力检算:作用于验算截面的总竖向力 = 297.805(kN) 作用于墙趾下点的总弯矩=361.858(kN-m) 相对于验算截面外边缘,合力作用力臂 Zn = 1.215(m)截面宽度 B = 2.050 (m) 偏心距 e1 = -0.190(m)截面上偏心距验算满足: e1= -0.190 <= 0.250*2.050 = 0.513(m)截面上压应力: 面坡=64.451 背坡=226.091(kPa)压应力验算满足: 计算值= 226.091 <= 6800.000(kPa)切向应力检算:剪应力验算满足: 计算值= -7.132 <= 850.000(kPa)[极限状态法]:重要性系数γ0 = 1.000验算截面上的轴向力组合设计值Nd = 297.805(kN)轴心力偏心影响系数αk = 0.906挡墙构件的计算截面每沿米面积A = 2.050(m2)材料抗压强度设计值fcd = 7820.000(kPa)偏心受压构件在弯曲平面内的纵向弯曲系数Ψk = 0.944计算强度时:强度验算满足: 计算值= 297.805 <= 14531.723(kN)计算稳定时:稳定验算满足: 计算值= 297.805 <= 13715.681(kN)(六) 台顶截面强度验算[土压力计算] 计算高度为 6.300(m)处的库仑主动土压力无荷载时的破裂角 = 36.231(度)按实际墙背计算得到:第1破裂角: 36.231(度)Ea=81.925(kN) Ex=81.775(kN) Ey=4.950(kN) 作用点高度 Zy=2.279(m)[强度验算]验算截面以上,墙身截面积 = 10.710(m2) 重量 = 257.040 (kN)相对于验算截面外边缘,墙身重力的力臂 Zw = 1.638 (m)相对于验算截面外边缘,Ey的力臂 Zx = 2.270 (m)相对于验算截面外边缘,Ex的力臂 Zy = 2.279 (m)[容许应力法]:法向应力检算:作用于验算截面的总竖向力 = 261.990(kN) 作用于墙趾下点的总弯矩=245.753(kN-m) 相对于验算截面外边缘,合力作用力臂 Zn = 0.938(m)截面宽度 B = 1.700 (m) 偏心距 e1 = -0.088(m)截面上偏心距验算满足: e1= -0.088 <= 0.250*1.700 = 0.425(m)截面上压应力: 面坡=106.232 背坡=201.991(kPa)压应力验算满足: 计算值= 201.991 <= 6800.000(kPa)切向应力检算:剪应力验算满足: 计算值= -13.542 <= 850.000(kPa)[极限状态法]:重要性系数γ0 = 1.000验算截面上的轴向力组合设计值Nd = 261.990(kN)轴心力偏心影响系数αk = 0.969挡墙构件的计算截面每沿米面积A = 1.700(m2)材料抗压强度设计值fcd = 7820.000(kPa)偏心受压构件在弯曲平面内的纵向弯曲系数Ψk = 0.936计算强度时:强度验算满足: 计算值= 261.990 <= 12879.609(kN)计算稳定时:稳定验算满足: 计算值= 261.990 <= 12057.263(kN)=================================================各组合最不利结果=================================================(一) 滑移验算安全系数最不利为:组合1(组合1)抗滑力 = 124.648(kN),滑移力 = 73.860(kN)。
仰斜式挡土墙验算[执行标准:公路]计算项目:仰斜式挡土墙计算时间:2015-04-28------------------------------------------------------------------------原始条件:墙身尺寸:墙身高: 8.00(m)墙顶宽: 1.50(m)面坡倾斜坡度: 1:0.250背坡倾斜坡度: 1:-0.250采用1个扩展墙址台阶:墙趾台阶b1: 0.250(m)墙趾台阶h1: 0.500(m)墙趾台阶面坡坡度为: 1:0.000墙底倾斜坡率: 0.200:1物理参数:圬工砌体容重: 23.000(kN/m3)圬工之间摩擦系数: 0.400地基土摩擦系数: 0.250墙身砌体容许压应力: 1000.000(kPa)墙身砌体容许弯曲拉应力: 140.000(kPa)墙身砌体容许剪应力: 90.000(kPa)材料抗压极限强度: 3.000(MPa)材料抗力分项系数: 2.310系数αs: 0.0020挡土墙类型: 一般挡土墙墙后填土内摩擦角: -80.000(度)墙后填土粘聚力: 0.000(kPa)墙后填土容重: 19.000(kN/m3)墙背与墙后填土摩擦角: 17.500(度)地基土容重: 18.000(kN/m3)修正后地基承载力特征值: 500.000(kPa)地基承载力特征值提高系数:墙趾值提高系数: 1.200墙踵值提高系数: 1.300平均值提高系数: 1.000墙底摩擦系数: 0.250地基土类型: 土质地基地基土内摩擦角: 30.000(度)土压力计算方法: 库仑坡线土柱:坡面线段数: 1折线序号水平投影长(m) 竖向投影长(m) 换算土柱数1 4.530 0.000 1第1个: 定位距离0.000(m) 公路-II级作用于墙上的附加集中荷载数: 2 (作用点坐标相对于墙左上角点) 荷载号 X Y P 作用角是否为被动土压力(m) (m) (kN/m) (度)1 3.270 0.000 300.000 270.000 ㄨ2 -1.235 -4.440 0.000 0.000 √坡面起始距离: 0.000(m)地面横坡角度: 30.000(度)填土对横坡面的摩擦角: 35.000(度)墙顶标高: 0.000(m)挡墙分段长度: 10.000(m)============================================================= ========第 1 种情况: 组合1=============================================组合系数: 1.0001. 挡土墙结构重力分项系数 = 1.000 √2. 墙顶上的有效永久荷载分项系数 = 1.000 √3. 墙顶与第二破裂面间有效荷载分项系数 = 1.000 √4. 填土侧压力分项系数 = 1.000 √5. 车辆荷载引起的土侧压力分项系数 = 1.000 √6. 附加集中力分项系数 = 1.000 √7. 附加集中力分项系数 = 1.000 √=============================================[土压力计算] 计算高度为 4.656(m)处的库仑主动土压力无荷载时的破裂角 = 14.036(度)公路-II级路基面总宽= 4.530(m), 路肩宽=0.000(m) 安全距离=0.500(m)单车车辆外侧车轮中心到车辆边缘距离= 0.350(m), 车与车之间距离=0.600(m)经计算得,路面上横向可排列此种车辆 2列布置宽度= 0.000(m)布置宽度范围内车轮及轮重列表:第1列车:中点距全部破裂体轮号路边距离(m) 轮宽(m) 轮压(kN) 上轮压(kN) 01 0.500 0.300 15.0000.00002 2.300 0.300 15.0000.00003 0.500 0.600 60.000 0.00004 2.300 0.600 60.000 0.00005 0.500 0.600 60.000 0.00006 2.300 0.600 60.000 0.00007 0.500 0.600 70.000 0.00008 2.300 0.600 70.000 0.00009 0.500 0.600 70.000 0.00010 2.300 0.600 70.000 0.000布置宽度B0=0.000(m) 分布长度L0=15.688(m) 荷载值SG=0.000(kN)换算土柱高度 h0 = 0.000(m)按实际墙背计算得到:第1破裂角: 14.036(度)Ea=0.000(kN) Ex=0.000(kN) Ey=0.000(kN) 作用点高度Zy=0.000(m)墙身截面积 = 4.701(m2) 重量 = 108.119 (kN)(一) 滑动稳定性验算基底摩擦系数 = 0.250采用倾斜基底增强抗滑动稳定性,计算过程如下:基底倾斜角度 = 11.310 (度)Wn = 400.194(kN) En = -0.000(kN) Wt = 80.039(kN) Et = -0.000(kN)滑移力= -80.039(kN) 抗滑力= 100.048(kN)滑移力为负值,不计算抗滑移稳定安全系数!滑动稳定方程验算:滑动稳定方程满足: 方程值 = 188.519(kN) > 0.0地基土层水平向: 滑移力= -0.000(kN) 抗滑力= 102.556(kN)地基土层水平向: 滑移验算满足: Kc2 = 10255563.000 > 1.300(二) 倾覆稳定性验算相对于墙趾点,墙身重力的力臂 Zw = 1.152 (m)相对于墙趾点,Ey的力臂 Zx = 1.081 (m)相对于墙趾点,Ex的力臂 Zy = -0.216 (m)验算挡土墙绕墙趾的倾覆稳定性倾覆力矩= 0.000(kN-m) 抗倾覆力矩= 1476.016(kN-m)倾覆验算满足: K0 = 147601648.000 > 1.500倾覆稳定方程验算:倾覆稳定方程满足: 方程值 = 1451.113(kN-m) > 0.0(三) 地基应力及偏心距验算基础类型为天然地基,验算墙底偏心距及压应力取倾斜基底的倾斜宽度验算地基承载力和偏心距作用于基础底的总竖向力 = 400.194(kN) 作用于墙趾下点的总弯矩=1476.016(kN-m)基础底面宽度 B = 1.102 (m) 偏心距 e = -3.137(m)基础底面合力作用点距离基础趾点的距离 Zn = 3.688(m)严重不合理:合力作用点超出基础范围,所得地基应力将没有意义!基底压应力: 趾部=0.000 踵部=-103.174(kPa)作用于基底的合力偏心距验算不满足: e=-3.137 > 0.167*1.102 = 0.184(m)墙趾处地基承载力验算满足: 压应力=0.000 <= 600.000(kPa)墙踵处地基承载力验算满足: 压应力=-103.174 <= 650.000(kPa) 地基平均承载力验算满足: 压应力=363.034 <= 500.000(kPa)(四) 基础强度验算基础为天然地基,不作强度验算(五) 墙底截面强度验算验算截面以上,墙身截面积 = 4.578(m2) 重量 = 105.297 (kN) 相对于验算截面外边缘,墙身重力的力臂 Zw = 1.163 (m)相对于验算截面外边缘,Ey的力臂 Zx = 1.081 (m)相对于验算截面外边缘,Ex的力臂 Zy = -0.216 (m)[容许应力法]:法向应力检算:作用于验算截面的总竖向力 = 405.297(kN) 作用于墙趾下点的总弯矩=1473.932(kN-m)相对于验算截面外边缘,合力作用力臂 Zn = 3.637(m)截面宽度 B = 1.135 (m) 偏心距 e1 = -3.069(m)截面上偏心距验算不满足: e1= -3.069 > 0.250*1.135 =0.284(m)截面上压应力: 面坡=-5436.583 背坡=6150.764(kPa)压应力验算不满足: 计算值= 6150.764 > 1000.000(kPa)拉应力验算不满足: 计算值= 5436.583 > 140.000(kPa) 切向应力检算:剪应力验算满足: 计算值= -142.836 <= 90.000(kPa)[极限状态法]:重要性系数γ0 = 1.000验算截面上的轴向力组合设计值Nd = 405.297(kN)轴心力偏心影响系数αk = -8246.795挡墙构件的计算截面每沿米面积A = 1.135(m2)材料抗压极限强度Ra = 3000.000(kPa)圬工构件或材料的抗力分项系数γf = 2.310偏心受压构件在弯曲平面内的纵向弯曲系数Ψk = 0.101不合理:轴心力偏心影响系数αk<0,所得结果将没有意义!计算强度时:强度验算不满足: 计算值= 405.297 > -12155990.000(kN)计算稳定时:稳定验算不满足: 计算值= 405.297 > -1227087.125(kN)(六) 台顶截面强度验算[土压力计算] 计算高度为 3.940(m)处的库仑主动土压力无荷载时的破裂角 = 14.036(度)公路-II级路基面总宽= 4.530(m), 路肩宽=0.000(m) 安全距离=0.500(m)单车车辆外侧车轮中心到车辆边缘距离= 0.350(m), 车与车之间距离=0.600(m)经计算得,路面上横向可排列此种车辆 2列布置宽度= 0.000(m)布置宽度范围内车轮及轮重列表:第1列车:中点距全部破裂体轮号路边距离(m) 轮宽(m) 轮压(kN) 上轮压(kN)01 0.500 0.300 15.0000.00002 2.300 0.300 15.0000.00003 0.500 0.600 60.0000.00004 2.300 0.600 60.0000.00005 0.500 0.600 60.0000.00006 2.300 0.600 60.0000.00007 0.500 0.600 70.0000.00008 2.300 0.600 70.0000.00009 0.500 0.600 70.0000.00010 2.300 0.600 70.0000.000布置宽度B0=0.000(m) 分布长度L0=15.275(m) 荷载值SG=0.000(kN)换算土柱高度 h0 = 0.000(m)按实际墙背计算得到:第1破裂角: 14.036(度)Ea=0.000(kN) Ex=0.000(kN) Ey=0.000(kN) 作用点高度Zy=0.000(m)[强度验算]验算截面以上,墙身截面积 = 3.979(m2) 重量 = 91.526 (kN) 相对于验算截面外边缘,墙身重力的力臂 Zw = 0.998 (m)相对于验算截面外边缘,Ey的力臂 Zx = 1.010 (m)相对于验算截面外边缘,Ex的力臂 Zy = 0.000 (m)[容许应力法]:法向应力检算:作用于验算截面的总竖向力 = 391.526(kN) 作用于墙趾下点的总弯矩=1367.797(kN-m)相对于验算截面外边缘,合力作用力臂 Zn = 3.494(m)截面宽度 B = 1.010 (m) 偏心距 e1 = -2.989(m)截面上偏心距验算不满足: e1= -2.989 > 0.250*1.010 =0.252(m)截面上压应力: 面坡=-6494.480 背坡=7269.780(kPa)压应力验算不满足: 计算值= 7269.780 > 1000.000(kPa)拉应力验算不满足: 计算值= 6494.480 > 140.000(kPa) 切向应力检算:剪应力验算满足: 计算值= -155.060 <= 90.000(kPa)[极限状态法]:重要性系数γ0 = 1.000验算截面上的轴向力组合设计值Nd = 391.526(kN)轴心力偏心影响系数αk = -14181.996挡墙构件的计算截面每沿米面积A = 1.010(m2)材料抗压极限强度Ra = 3000.000(kPa)圬工构件或材料的抗力分项系数γf = 2.310偏心受压构件在弯曲平面内的纵向弯曲系数Ψk = 0.086不合理:轴心力偏心影响系数αk<0,所得结果将没有意义!计算强度时:强度验算不满足: 计算值= 391.526 > -18602358.000(kN)计算稳定时:稳定验算不满足: 计算值= 391.526 > -1607627.375(kN)============================================================= ========第 2 种情况: 组合2=============================================组合系数: 1.0001. 挡土墙结构重力分项系数 = 1.000 √2. 墙顶上的有效永久荷载分项系数 = 1.000 √3. 墙顶与第二破裂面间有效荷载分项系数 = 1.000 √4. 填土侧压力分项系数 = 1.000 √5. 车辆荷载引起的土侧压力分项系数 = 1.000 √6. 附加集中力分项系数 = 1.000 √7. 附加集中力分项系数 = 1.000 √=============================================[土压力计算] 计算高度为 4.656(m)处的库仑主动土压力无荷载时的破裂角 = 14.036(度)公路-II级路基面总宽= 4.530(m), 路肩宽=0.000(m) 安全距离=0.500(m)单车车辆外侧车轮中心到车辆边缘距离= 0.350(m), 车与车之间距离=0.600(m)经计算得,路面上横向可排列此种车辆 2列布置宽度= 0.000(m)布置宽度范围内车轮及轮重列表:第1列车:中点距全部破裂体轮号路边距离(m) 轮宽(m) 轮压(kN) 上轮压(kN) 01 0.500 0.300 15.0000.00002 2.300 0.300 15.0000.00003 0.500 0.600 60.000 0.00004 2.300 0.600 60.000 0.00005 0.500 0.600 60.000 0.00006 2.300 0.600 60.000 0.00007 0.500 0.600 70.000 0.00008 2.300 0.600 70.000 0.00009 0.500 0.600 70.000 0.00010 2.300 0.600 70.000 0.000布置宽度B0=0.000(m) 分布长度L0=15.688(m) 荷载值SG=0.000(kN)换算土柱高度 h0 = 0.000(m)按实际墙背计算得到:第1破裂角: 14.036(度)Ea=0.000(kN) Ex=0.000(kN) Ey=0.000(kN) 作用点高度Zy=0.000(m)墙身截面积 = 4.701(m2) 重量 = 108.119 (kN)(一) 滑动稳定性验算基底摩擦系数 = 0.250采用倾斜基底增强抗滑动稳定性,计算过程如下:基底倾斜角度 = 11.310 (度)Wn = 400.194(kN) En = -0.000(kN) Wt = 80.039(kN) Et = -0.000(kN)滑移力= -80.039(kN) 抗滑力= 100.048(kN)滑移力为负值,不计算抗滑移稳定安全系数!滑动稳定方程验算:滑动稳定方程满足: 方程值 = 188.519(kN) > 0.0地基土层水平向: 滑移力= -0.000(kN) 抗滑力= 102.556(kN)地基土层水平向: 滑移验算满足: Kc2 = 10255563.000 > 1.300(二) 倾覆稳定性验算相对于墙趾点,墙身重力的力臂 Zw = 1.152 (m)相对于墙趾点,Ey的力臂 Zx = 1.081 (m)相对于墙趾点,Ex的力臂 Zy = -0.216 (m)验算挡土墙绕墙趾的倾覆稳定性倾覆力矩= 0.000(kN-m) 抗倾覆力矩= 1476.016(kN-m)倾覆验算满足: K0 = 147601648.000 > 1.500倾覆稳定方程验算:倾覆稳定方程满足: 方程值 = 1451.113(kN-m) > 0.0(三) 地基应力及偏心距验算基础类型为天然地基,验算墙底偏心距及压应力取倾斜基底的倾斜宽度验算地基承载力和偏心距作用于基础底的总竖向力 = 400.194(kN) 作用于墙趾下点的总弯矩=1476.016(kN-m)基础底面宽度 B = 1.102 (m) 偏心距 e = -3.137(m)基础底面合力作用点距离基础趾点的距离 Zn = 3.688(m)严重不合理:合力作用点超出基础范围,所得地基应力将没有意义!基底压应力: 趾部=0.000 踵部=-103.174(kPa)作用于基底的合力偏心距验算不满足: e=-3.137 > 0.167*1.102 = 0.184(m)墙趾处地基承载力验算满足: 压应力=0.000 <= 600.000(kPa)墙踵处地基承载力验算满足: 压应力=-103.174 <= 650.000(kPa) 地基平均承载力验算满足: 压应力=363.034 <= 500.000(kPa)(四) 基础强度验算基础为天然地基,不作强度验算(五) 墙底截面强度验算验算截面以上,墙身截面积 = 4.578(m2) 重量 = 105.297 (kN) 相对于验算截面外边缘,墙身重力的力臂 Zw = 1.163 (m)相对于验算截面外边缘,Ey的力臂 Zx = 1.081 (m)相对于验算截面外边缘,Ex的力臂 Zy = -0.216 (m)[容许应力法]:法向应力检算:作用于验算截面的总竖向力 = 405.297(kN) 作用于墙趾下点的总弯矩=1473.932(kN-m)相对于验算截面外边缘,合力作用力臂 Zn = 3.637(m)截面宽度 B = 1.135 (m) 偏心距 e1 = -3.069(m)截面上偏心距验算不满足: e1= -3.069 > 0.250*1.135 =0.284(m)截面上压应力: 面坡=-5436.583 背坡=6150.764(kPa)压应力验算不满足: 计算值= 6150.764 > 1000.000(kPa)拉应力验算不满足: 计算值= 5436.583 > 140.000(kPa) 切向应力检算:剪应力验算满足: 计算值= -142.836 <= 90.000(kPa)[极限状态法]:重要性系数γ0 = 1.000验算截面上的轴向力组合设计值Nd = 405.297(kN)轴心力偏心影响系数αk = -8246.795挡墙构件的计算截面每沿米面积A = 1.135(m2)材料抗压极限强度Ra = 3000.000(kPa)圬工构件或材料的抗力分项系数γf = 2.310偏心受压构件在弯曲平面内的纵向弯曲系数Ψk = 0.101不合理:轴心力偏心影响系数αk<0,所得结果将没有意义!计算强度时:强度验算不满足: 计算值= 405.297 > -12155990.000(kN)计算稳定时:稳定验算不满足: 计算值= 405.297 > -1227087.125(kN)(六) 台顶截面强度验算[土压力计算] 计算高度为 3.940(m)处的库仑主动土压力无荷载时的破裂角 = 14.036(度)公路-II级路基面总宽= 4.530(m), 路肩宽=0.000(m) 安全距离=0.500(m)单车车辆外侧车轮中心到车辆边缘距离= 0.350(m), 车与车之间距离=0.600(m)经计算得,路面上横向可排列此种车辆 2列布置宽度= 0.000(m)布置宽度范围内车轮及轮重列表:第1列车:中点距全部破裂体轮号路边距离(m) 轮宽(m) 轮压(kN) 上轮压(kN)01 0.500 0.300 15.0000.00002 2.300 0.300 15.0000.00003 0.500 0.600 60.0000.00004 2.300 0.600 60.0000.00005 0.500 0.600 60.0000.00006 2.300 0.600 60.0000.00007 0.500 0.600 70.0000.00008 2.300 0.600 70.0000.00009 0.500 0.600 70.0000.00010 2.300 0.600 70.0000.000布置宽度B0=0.000(m) 分布长度L0=15.275(m) 荷载值SG=0.000(kN)换算土柱高度 h0 = 0.000(m)按实际墙背计算得到:第1破裂角: 14.036(度)Ea=0.000(kN) Ex=0.000(kN) Ey=0.000(kN) 作用点高度Zy=0.000(m)[强度验算]验算截面以上,墙身截面积 = 3.979(m2) 重量 = 91.526 (kN) 相对于验算截面外边缘,墙身重力的力臂 Zw = 0.998 (m)相对于验算截面外边缘,Ey的力臂 Zx = 1.010 (m)相对于验算截面外边缘,Ex的力臂 Zy = 0.000 (m)[容许应力法]:法向应力检算:作用于验算截面的总竖向力 = 391.526(kN) 作用于墙趾下点的总弯矩=1367.797(kN-m)相对于验算截面外边缘,合力作用力臂 Zn = 3.494(m)截面宽度 B = 1.010 (m) 偏心距 e1 = -2.989(m)截面上偏心距验算不满足: e1= -2.989 > 0.250*1.010 =0.252(m)截面上压应力: 面坡=-6494.480 背坡=7269.780(kPa)压应力验算不满足: 计算值= 7269.780 > 1000.000(kPa)拉应力验算不满足: 计算值= 6494.480 > 140.000(kPa) 切向应力检算:剪应力验算满足: 计算值= -155.060 <= 90.000(kPa)[极限状态法]:重要性系数γ0 = 1.000验算截面上的轴向力组合设计值Nd = 391.526(kN)轴心力偏心影响系数αk = -14181.996挡墙构件的计算截面每沿米面积A = 1.010(m2)材料抗压极限强度Ra = 3000.000(kPa)圬工构件或材料的抗力分项系数γf = 2.310偏心受压构件在弯曲平面内的纵向弯曲系数Ψk = 0.086不合理:轴心力偏心影响系数αk<0,所得结果将没有意义!计算强度时:强度验算不满足: 计算值= 391.526 > -18602358.000(kN)计算稳定时:稳定验算不满足: 计算值= 391.526 > -1607627.375(kN)============================================================= ========第 3 种情况: 组合3=============================================组合系数: 1.0001. 挡土墙结构重力分项系数 = 1.000 √2. 墙顶上的有效永久荷载分项系数 = 1.000 √3. 墙顶与第二破裂面间有效荷载分项系数 = 1.000 √4. 填土侧压力分项系数 = 1.000 √5. 车辆荷载引起的土侧压力分项系数 = 1.000 √6. 附加集中力分项系数 = 1.000 √7. 附加集中力分项系数 = 1.000 √=============================================[土压力计算] 计算高度为 4.656(m)处的库仑主动土压力无荷载时的破裂角 = 14.036(度)公路-II级路基面总宽= 4.530(m), 路肩宽=0.000(m) 安全距离=0.500(m)单车车辆外侧车轮中心到车辆边缘距离= 0.350(m), 车与车之间距离=0.600(m)经计算得,路面上横向可排列此种车辆 2列布置宽度= 0.000(m)布置宽度范围内车轮及轮重列表:第1列车:中点距全部破裂体轮号路边距离(m) 轮宽(m) 轮压(kN) 上轮压(kN) 01 0.500 0.300 15.0000.00002 2.300 0.300 15.0000.00003 0.500 0.600 60.000 0.00004 2.300 0.600 60.000 0.00005 0.500 0.600 60.000 0.00006 2.300 0.600 60.000 0.00007 0.500 0.600 70.000 0.00008 2.300 0.600 70.000 0.00009 0.500 0.600 70.000 0.00010 2.300 0.600 70.000 0.000布置宽度B0=0.000(m) 分布长度L0=15.688(m) 荷载值SG=0.000(kN)换算土柱高度 h0 = 0.000(m)按实际墙背计算得到:第1破裂角: 14.036(度)Ea=0.000(kN) Ex=0.000(kN) Ey=0.000(kN) 作用点高度Zy=0.000(m)墙身截面积 = 4.701(m2) 重量 = 108.119 (kN)(一) 滑动稳定性验算基底摩擦系数 = 0.250采用倾斜基底增强抗滑动稳定性,计算过程如下:基底倾斜角度 = 11.310 (度)Wn = 400.194(kN) En = -0.000(kN) Wt = 80.039(kN) Et = -0.000(kN)滑移力= -80.039(kN) 抗滑力= 100.048(kN)滑移力为负值,不计算抗滑移稳定安全系数!滑动稳定方程验算:滑动稳定方程满足: 方程值 = 188.519(kN) > 0.0地基土层水平向: 滑移力= -0.000(kN) 抗滑力= 102.556(kN)地基土层水平向: 滑移验算满足: Kc2 = 10255563.000 > 1.300(二) 倾覆稳定性验算相对于墙趾点,墙身重力的力臂 Zw = 1.152 (m)相对于墙趾点,Ey的力臂 Zx = 1.081 (m)相对于墙趾点,Ex的力臂 Zy = -0.216 (m)验算挡土墙绕墙趾的倾覆稳定性倾覆力矩= 0.000(kN-m) 抗倾覆力矩= 1476.016(kN-m)倾覆验算满足: K0 = 147601648.000 > 1.500倾覆稳定方程验算:倾覆稳定方程满足: 方程值 = 1451.113(kN-m) > 0.0(三) 地基应力及偏心距验算基础类型为天然地基,验算墙底偏心距及压应力取倾斜基底的倾斜宽度验算地基承载力和偏心距作用于基础底的总竖向力 = 400.194(kN) 作用于墙趾下点的总弯矩=1476.016(kN-m)基础底面宽度 B = 1.102 (m) 偏心距 e = -3.137(m)基础底面合力作用点距离基础趾点的距离 Zn = 3.688(m)严重不合理:合力作用点超出基础范围,所得地基应力将没有意义!基底压应力: 趾部=0.000 踵部=-103.174(kPa)作用于基底的合力偏心距验算不满足: e=-3.137 > 0.167*1.102 = 0.184(m)墙趾处地基承载力验算满足: 压应力=0.000 <= 600.000(kPa)墙踵处地基承载力验算满足: 压应力=-103.174 <= 650.000(kPa) 地基平均承载力验算满足: 压应力=363.034 <= 500.000(kPa)(四) 基础强度验算基础为天然地基,不作强度验算(五) 墙底截面强度验算验算截面以上,墙身截面积 = 4.578(m2) 重量 = 105.297 (kN) 相对于验算截面外边缘,墙身重力的力臂 Zw = 1.163 (m)相对于验算截面外边缘,Ey的力臂 Zx = 1.081 (m)相对于验算截面外边缘,Ex的力臂 Zy = -0.216 (m)[容许应力法]:法向应力检算:作用于验算截面的总竖向力 = 405.297(kN) 作用于墙趾下点的总弯矩=1473.932(kN-m)相对于验算截面外边缘,合力作用力臂 Zn = 3.637(m)截面宽度 B = 1.135 (m) 偏心距 e1 = -3.069(m)截面上偏心距验算不满足: e1= -3.069 > 0.250*1.135 =0.284(m)截面上压应力: 面坡=-5436.583 背坡=6150.764(kPa)压应力验算不满足: 计算值= 6150.764 > 1000.000(kPa)拉应力验算不满足: 计算值= 5436.583 > 140.000(kPa) 切向应力检算:剪应力验算满足: 计算值= -142.836 <= 90.000(kPa)[极限状态法]:重要性系数γ0 = 1.000验算截面上的轴向力组合设计值Nd = 405.297(kN)轴心力偏心影响系数αk = -8246.795挡墙构件的计算截面每沿米面积A = 1.135(m2)材料抗压极限强度Ra = 3000.000(kPa)圬工构件或材料的抗力分项系数γf = 2.310偏心受压构件在弯曲平面内的纵向弯曲系数Ψk = 0.101不合理:轴心力偏心影响系数αk<0,所得结果将没有意义!计算强度时:强度验算不满足: 计算值= 405.297 > -12155990.000(kN)计算稳定时:稳定验算不满足: 计算值= 405.297 > -1227087.125(kN)(六) 台顶截面强度验算[土压力计算] 计算高度为 3.940(m)处的库仑主动土压力无荷载时的破裂角 = 14.036(度)公路-II级路基面总宽= 4.530(m), 路肩宽=0.000(m) 安全距离=0.500(m)单车车辆外侧车轮中心到车辆边缘距离= 0.350(m), 车与车之间距离=0.600(m)经计算得,路面上横向可排列此种车辆 2列布置宽度= 0.000(m)布置宽度范围内车轮及轮重列表:第1列车:中点距全部破裂体轮号路边距离(m) 轮宽(m) 轮压(kN) 上轮压(kN)01 0.500 0.300 15.0000.00002 2.300 0.300 15.0000.00003 0.500 0.600 60.0000.00004 2.300 0.600 60.0000.00005 0.500 0.600 60.0000.00006 2.300 0.600 60.0000.00007 0.500 0.600 70.0000.00008 2.300 0.600 70.0000.00009 0.500 0.600 70.0000.00010 2.300 0.600 70.0000.000布置宽度B0=0.000(m) 分布长度L0=15.275(m) 荷载值SG=0.000(kN)换算土柱高度 h0 = 0.000(m)按实际墙背计算得到:第1破裂角: 14.036(度)Ea=0.000(kN) Ex=0.000(kN) Ey=0.000(kN) 作用点高度Zy=0.000(m)[强度验算]验算截面以上,墙身截面积 = 3.979(m2) 重量 = 91.526 (kN) 相对于验算截面外边缘,墙身重力的力臂 Zw = 0.998 (m)相对于验算截面外边缘,Ey的力臂 Zx = 1.010 (m)相对于验算截面外边缘,Ex的力臂 Zy = 0.000 (m)[容许应力法]:法向应力检算:作用于验算截面的总竖向力 = 391.526(kN) 作用于墙趾下点的总弯矩=1367.797(kN-m)相对于验算截面外边缘,合力作用力臂 Zn = 3.494(m)截面宽度 B = 1.010 (m) 偏心距 e1 = -2.989(m)截面上偏心距验算不满足: e1= -2.989 > 0.250*1.010 =0.252(m)截面上压应力: 面坡=-6494.480 背坡=7269.780(kPa)压应力验算不满足: 计算值= 7269.780 > 1000.000(kPa)拉应力验算不满足: 计算值= 6494.480 > 140.000(kPa) 切向应力检算:剪应力验算满足: 计算值= -155.060 <= 90.000(kPa)[极限状态法]:重要性系数γ0 = 1.000验算截面上的轴向力组合设计值Nd = 391.526(kN)轴心力偏心影响系数αk = -14181.996挡墙构件的计算截面每沿米面积A = 1.010(m2)材料抗压极限强度Ra = 3000.000(kPa)圬工构件或材料的抗力分项系数γf = 2.310偏心受压构件在弯曲平面内的纵向弯曲系数Ψk = 0.086不合理:轴心力偏心影响系数αk<0,所得结果将没有意义!计算强度时:强度验算不满足: 计算值= 391.526 > -18602358.000(kN)计算稳定时:稳定验算不满足: 计算值= 391.526 > -1607627.375(kN)================================================= 各组合最不利结果=================================================(一) 滑移验算安全系数最不利为:组合3(组合3)抗滑力 = 100.048(kN),滑移力 = -80.039(kN)。
重力式挡土墙验算[执行标准:公路]计算项目:仰斜式路堑挡土墙承载力500kpa高3米计算时间:2013-11-10 12:16:03 星期日------------------------------------------------------------------------ 原始条件:墙身尺寸:墙身高: 3.000(m)墙顶宽: 0.500(m)面坡倾斜坡度: 1:0.250背坡倾斜坡度: 1:-0.250采用1个扩展墙址台阶:墙趾台阶b1: 0.300(m)墙趾台阶h1: 0.500(m)墙趾台阶面坡坡度为: 1:0.000墙底倾斜坡率: 0.200:1物理参数:圬工砌体容重: 24.000(kN/m3)圬工之间摩擦系数: 0.400地基土摩擦系数: 0.450墙身砌体容许压应力: 6800.000(kPa)墙身砌体容许弯曲拉应力: 430.000(kPa)墙身砌体容许剪应力: 850.000(kPa)材料抗压强度设计值: 7.820(MPa)系数醩: 0.0020挡土墙类型: 一般挡土墙墙后填土内摩擦角: 35.000(度)墙后填土粘聚力: 0.000(kPa)墙后填土容重: 19.000(kN/m3)墙背与墙后填土摩擦角: 17.500(度)地基土容重: 18.000(kN/m3)修正后地基承载力特征值: 500.000(kPa)地基承载力特征值提高系数:墙趾值提高系数: 1.200墙踵值提高系数: 1.300平均值提高系数: 1.000墙底摩擦系数: 0.500地基土类型: 土质地基地基土内摩擦角: 30.000(度)土压力计算方法: 库仑坡线土柱:坡面线段数: 2折线序号水平投影长(m) 竖向投影长(m) 换算土柱数1 1.000 0.000 02 5.000 5.000 0坡面起始距离: 0.000(m)地面横坡角度: 60.000(度)填土对横坡面的摩擦角: 35.000(度)墙顶标高: 0.000(m)挡墙分段长度: 10.000(m)===================================================================== 第 1 种情况: 组合1=============================================组合系数: 1.0001. 挡土墙结构重力分项系数 = 1.000 √2. 墙顶上的有效永久荷载分项系数 = 1.000 √3. 墙顶与第二破裂面间有效荷载分项系数 = 1.000 √4. 填土侧压力分项系数 = 1.000 √5. 车辆荷载引起的土侧压力分项系数 = 1.000 √=============================================[土压力计算] 计算高度为 3.129(m)处的库仑主动土压力无荷载时的破裂角 = 30.000(度)按实际墙背计算得到:第1破裂角: 30.000(度)Ea=13.835(kN) Ex=13.810(kN) Ey=0.836(kN) 作用点高度 Zy=1.042(m) 墙身截面积 = 1.662(m2) 重量 = 39.891 (kN)(一) 滑动稳定性验算基底摩擦系数 = 0.500采用倾斜基底增强抗滑动稳定性,计算过程如下:基底倾斜角度 = 11.310 (度)Wn = 39.117(kN) En = 3.528(kN) Wt = 7.823(kN) Et = 13.378(kN) 滑移力= 5.555(kN) 抗滑力= 21.322(kN)滑移验算满足: Kc = 3.839 > 1.300滑动稳定方程验算:滑动稳定方程满足: 方程值 = 18.872(kN) > 0.0地基土层水平向: 滑移力= 13.810(kN) 抗滑力= 18.662(kN)地基土层水平向: 滑移验算满足: Kc2 = 1.351 > 1.300(二) 倾覆稳定性验算相对于墙趾点,墙身重力的力臂 Zw = 0.742 (m)相对于墙趾点,Ey的力臂 Zx = 0.903 (m)相对于墙趾点,Ex的力臂 Zy = 0.914 (m)验算挡土墙绕墙趾的倾覆稳定性倾覆力矩= 12.620(kN-m) 抗倾覆力矩= 30.359(kN-m)倾覆验算满足: K0 = 2.406 > 1.500倾覆稳定方程验算:倾覆稳定方程满足: 方程值 = 11.818(kN-m) > 0.0(三) 地基应力及偏心距验算基础类型为天然地基,验算墙底偏心距及压应力取倾斜基底的倾斜宽度验算地基承载力和偏心距作用于基础底的总竖向力 = 42.645(kN) 作用于墙趾下点的总弯矩=17.739(kN-m)基础底面宽度 B = 0.656 (m) 偏心距 e = -0.088(m)基础底面合力作用点距离基础趾点的距离 Zn = 0.416(m)基底压应力: 趾部=12.561 踵部=117.535(kPa)最大应力与最小应力之比 = 117.535 / 12.561 = 9.357作用于基底的合力偏心距验算满足: e=-0.088 <= 0.167*0.656 = 0.109(m)墙趾处地基承载力验算满足: 压应力=12.561 <= 600.000(kPa)墙踵处地基承载力验算满足: 压应力=117.535 <= 650.000(kPa)地基平均承载力验算满足: 压应力=65.048 <= 500.000(kPa)(四) 基础强度验算基础为天然地基,不作强度验算(五) 墙底截面强度验算验算截面以上,墙身截面积 = 1.619(m2) 重量 = 38.850 (kN)相对于验算截面外边缘,墙身重力的力臂 Zw = 0.750 (m)相对于验算截面外边缘,Ey的力臂 Zx = 0.903 (m)相对于验算截面外边缘,Ex的力臂 Zy = 0.914 (m)[容许应力法]:法向应力检算:作用于验算截面的总竖向力 = 39.686(kN) 作用于墙趾下点的总弯矩=17.281(kN-m) 相对于验算截面外边缘,合力作用力臂 Zn = 0.435(m)截面宽度 B = 0.675 (m) 偏心距 e1 = -0.098(m)截面上偏心距验算满足: e1= -0.098 <= 0.250*0.675 = 0.169(m)截面上压应力: 面坡=7.607 背坡=109.981(kPa)压应力验算满足: 计算值= 109.981 <= 6800.000(kPa)切向应力检算:剪应力验算满足: 计算值= -3.058 <= 850.000(kPa)[极限状态法]:重要性系数40 = 1.000验算截面上的轴向力组合设计值Nd = 39.686(kN)轴心力偏心影响系数醟= 0.798挡墙构件的计算截面每沿米面积A = 0.675(m2)材料抗压强度设计值fcd = 7820.000(kPa)偏心受压构件在弯曲平面内的纵向弯曲系数豮= 0.877计算强度时:强度验算满足: 计算值= 39.686 <= 4213.614(kN)计算稳定时:稳定验算满足: 计算值= 39.686 <= 3696.282(kN)(六) 台顶截面强度验算[土压力计算] 计算高度为 2.500(m)处的库仑主动土压力无荷载时的破裂角 = 30.000(度)按实际墙背计算得到:第1破裂角: 30.000(度)Ea=8.831(kN) Ex=8.815(kN) Ey=0.534(kN) 作用点高度 Zy=0.833(m)[强度验算]验算截面以上,墙身截面积 = 1.250(m2) 重量 = 30.000 (kN)相对于验算截面外边缘,墙身重力的力臂 Zw = 0.563 (m)相对于验算截面外边缘,Ey的力臂 Zx = 0.708 (m)相对于验算截面外边缘,Ex的力臂 Zy = 0.833 (m)[容许应力法]:法向应力检算:作用于验算截面的总竖向力 = 30.534(kN) 作用于墙趾下点的总弯矩=9.907(kN-m) 相对于验算截面外边缘,合力作用力臂 Zn = 0.324(m)截面宽度 B = 0.500 (m) 偏心距 e1 = -0.074(m)截面上偏心距验算满足: e1= -0.074 <= 0.250*0.500 = 0.125(m)截面上压应力: 面坡=6.490 背坡=115.644(kPa)压应力验算满足: 计算值= 115.644 <= 6800.000(kPa)切向应力检算:剪应力验算满足: 计算值= -6.798 <= 850.000(kPa)[极限状态法]:重要性系数50 = 1.000验算截面上的轴向力组合设计值Nd = 30.534(kN)轴心力偏心影响系数醟= 0.790挡墙构件的计算截面每沿米面积A = 0.500(m2)材料抗压强度设计值fcd = 7820.000(kPa)偏心受压构件在弯曲平面内的纵向弯曲系数豮= 0.841计算强度时:强度验算满足: 计算值= 30.534 <= 3087.665(kN)计算稳定时:稳定验算满足: 计算值= 30.534 <= 2595.330(kN)===================================================================== 第 2 种情况: 组合2=============================================组合系数: 1.0001. 挡土墙结构重力分项系数 = 1.000 √2. 墙顶上的有效永久荷载分项系数 = 1.000 √3. 墙顶与第二破裂面间有效荷载分项系数 = 1.000 √4. 填土侧压力分项系数 = 1.000 √5. 车辆荷载引起的土侧压力分项系数 = 1.000 √=============================================[土压力计算] 计算高度为 3.129(m)处的库仑主动土压力无荷载时的破裂角 = 30.000(度)按实际墙背计算得到:第1破裂角: 30.000(度)Ea=13.835(kN) Ex=13.810(kN) Ey=0.836(kN) 作用点高度 Zy=1.042(m) 墙身截面积 = 1.662(m2) 重量 = 39.891 (kN)(一) 滑动稳定性验算基底摩擦系数 = 0.500采用倾斜基底增强抗滑动稳定性,计算过程如下:基底倾斜角度 = 11.310 (度)Wn = 39.117(kN) En = 3.528(kN) Wt = 7.823(kN) Et = 13.378(kN) 滑移力= 5.555(kN) 抗滑力= 21.322(kN)滑移验算满足: Kc = 3.839 > 1.300滑动稳定方程验算:滑动稳定方程满足: 方程值 = 18.872(kN) > 0.0地基土层水平向: 滑移力= 13.810(kN) 抗滑力= 18.662(kN)地基土层水平向: 滑移验算满足: Kc2 = 1.351 > 1.300(二) 倾覆稳定性验算相对于墙趾点,墙身重力的力臂 Zw = 0.742 (m)相对于墙趾点,Ey的力臂 Zx = 0.903 (m)相对于墙趾点,Ex的力臂 Zy = 0.914 (m)验算挡土墙绕墙趾的倾覆稳定性倾覆力矩= 12.620(kN-m) 抗倾覆力矩= 30.359(kN-m)倾覆验算满足: K0 = 2.406 > 1.500倾覆稳定方程验算:倾覆稳定方程满足: 方程值 = 11.818(kN-m) > 0.0(三) 地基应力及偏心距验算基础类型为天然地基,验算墙底偏心距及压应力取倾斜基底的倾斜宽度验算地基承载力和偏心距作用于基础底的总竖向力 = 42.645(kN) 作用于墙趾下点的总弯矩=17.739(kN-m)基础底面宽度 B = 0.656 (m) 偏心距 e = -0.088(m)基础底面合力作用点距离基础趾点的距离 Zn = 0.416(m)基底压应力: 趾部=12.561 踵部=117.535(kPa)最大应力与最小应力之比 = 117.535 / 12.561 = 9.357作用于基底的合力偏心距验算满足: e=-0.088 <= 0.167*0.656 = 0.109(m)墙趾处地基承载力验算满足: 压应力=12.561 <= 600.000(kPa)墙踵处地基承载力验算满足: 压应力=117.535 <= 650.000(kPa)地基平均承载力验算满足: 压应力=65.048 <= 500.000(kPa)(四) 基础强度验算基础为天然地基,不作强度验算(五) 墙底截面强度验算验算截面以上,墙身截面积 = 1.619(m2) 重量 = 38.850 (kN)相对于验算截面外边缘,墙身重力的力臂 Zw = 0.750 (m)相对于验算截面外边缘,Ey的力臂 Zx = 0.903 (m)相对于验算截面外边缘,Ex的力臂 Zy = 0.914 (m)[容许应力法]:法向应力检算:作用于验算截面的总竖向力 = 39.686(kN) 作用于墙趾下点的总弯矩=17.281(kN-m) 相对于验算截面外边缘,合力作用力臂 Zn = 0.435(m)截面宽度 B = 0.675 (m) 偏心距 e1 = -0.098(m)截面上偏心距验算满足: e1= -0.098 <= 0.250*0.675 = 0.169(m)截面上压应力: 面坡=7.607 背坡=109.981(kPa)压应力验算满足: 计算值= 109.981 <= 6800.000(kPa)切向应力检算:剪应力验算满足: 计算值= -3.058 <= 850.000(kPa)[极限状态法]:重要性系数70 = 1.000验算截面上的轴向力组合设计值Nd = 39.686(kN)轴心力偏心影响系数醟= 0.798挡墙构件的计算截面每沿米面积A = 0.675(m2)材料抗压强度设计值fcd = 7820.000(kPa)偏心受压构件在弯曲平面内的纵向弯曲系数豮= 0.877计算强度时:强度验算满足: 计算值= 39.686 <= 4213.614(kN)计算稳定时:稳定验算满足: 计算值= 39.686 <= 3696.282(kN)(六) 台顶截面强度验算[土压力计算] 计算高度为 2.500(m)处的库仑主动土压力无荷载时的破裂角 = 30.000(度)按实际墙背计算得到:第1破裂角: 30.000(度)Ea=8.831(kN) Ex=8.815(kN) Ey=0.534(kN) 作用点高度 Zy=0.833(m)[强度验算]验算截面以上,墙身截面积 = 1.250(m2) 重量 = 30.000 (kN)相对于验算截面外边缘,墙身重力的力臂 Zw = 0.563 (m)相对于验算截面外边缘,Ey的力臂 Zx = 0.708 (m)相对于验算截面外边缘,Ex的力臂 Zy = 0.833 (m)[容许应力法]:法向应力检算:作用于验算截面的总竖向力 = 30.534(kN) 作用于墙趾下点的总弯矩=9.907(kN-m) 相对于验算截面外边缘,合力作用力臂 Zn = 0.324(m)截面宽度 B = 0.500 (m) 偏心距 e1 = -0.074(m)截面上偏心距验算满足: e1= -0.074 <= 0.250*0.500 = 0.125(m)截面上压应力: 面坡=6.490 背坡=115.644(kPa)压应力验算满足: 计算值= 115.644 <= 6800.000(kPa)切向应力检算:剪应力验算满足: 计算值= -6.798 <= 850.000(kPa)[极限状态法]:重要性系数80 = 1.000验算截面上的轴向力组合设计值Nd = 30.534(kN)轴心力偏心影响系数醟= 0.790挡墙构件的计算截面每沿米面积A = 0.500(m2)材料抗压强度设计值fcd = 7820.000(kPa)偏心受压构件在弯曲平面内的纵向弯曲系数豮= 0.841计算强度时:强度验算满足: 计算值= 30.534 <= 3087.665(kN)计算稳定时:稳定验算满足: 计算值= 30.534 <= 2595.330(kN)===================================================================== 第 3 种情况: 组合3=============================================组合系数: 1.0001. 挡土墙结构重力分项系数 = 1.000 √2. 墙顶上的有效永久荷载分项系数 = 1.000 √3. 墙顶与第二破裂面间有效荷载分项系数 = 1.000 √4. 填土侧压力分项系数 = 1.000 √5. 车辆荷载引起的土侧压力分项系数 = 1.000 √=============================================[土压力计算] 计算高度为 3.129(m)处的库仑主动土压力无荷载时的破裂角 = 30.000(度)按实际墙背计算得到:第1破裂角: 30.000(度)Ea=13.835(kN) Ex=13.810(kN) Ey=0.836(kN) 作用点高度 Zy=1.042(m) 墙身截面积 = 1.662(m2) 重量 = 39.891 (kN)(一) 滑动稳定性验算基底摩擦系数 = 0.500采用倾斜基底增强抗滑动稳定性,计算过程如下:基底倾斜角度 = 11.310 (度)Wn = 39.117(kN) En = 3.528(kN) Wt = 7.823(kN) Et = 13.378(kN) 滑移力= 5.555(kN) 抗滑力= 21.322(kN)滑移验算满足: Kc = 3.839 > 1.300滑动稳定方程验算:滑动稳定方程满足: 方程值 = 18.872(kN) > 0.0地基土层水平向: 滑移力= 13.810(kN) 抗滑力= 18.662(kN)地基土层水平向: 滑移验算满足: Kc2 = 1.351 > 1.300(二) 倾覆稳定性验算相对于墙趾点,墙身重力的力臂 Zw = 0.742 (m)相对于墙趾点,Ey的力臂 Zx = 0.903 (m)相对于墙趾点,Ex的力臂 Zy = 0.914 (m)验算挡土墙绕墙趾的倾覆稳定性倾覆力矩= 12.620(kN-m) 抗倾覆力矩= 30.359(kN-m)倾覆验算满足: K0 = 2.406 > 1.500倾覆稳定方程验算:倾覆稳定方程满足: 方程值 = 11.818(kN-m) > 0.0(三) 地基应力及偏心距验算基础类型为天然地基,验算墙底偏心距及压应力取倾斜基底的倾斜宽度验算地基承载力和偏心距作用于基础底的总竖向力 = 42.645(kN) 作用于墙趾下点的总弯矩=17.739(kN-m)基础底面宽度 B = 0.656 (m) 偏心距 e = -0.088(m)基础底面合力作用点距离基础趾点的距离 Zn = 0.416(m)基底压应力: 趾部=12.561 踵部=117.535(kPa)最大应力与最小应力之比 = 117.535 / 12.561 = 9.357作用于基底的合力偏心距验算满足: e=-0.088 <= 0.167*0.656 = 0.109(m)墙趾处地基承载力验算满足: 压应力=12.561 <= 600.000(kPa)墙踵处地基承载力验算满足: 压应力=117.535 <= 650.000(kPa)地基平均承载力验算满足: 压应力=65.048 <= 500.000(kPa)(四) 基础强度验算基础为天然地基,不作强度验算(五) 墙底截面强度验算验算截面以上,墙身截面积 = 1.619(m2) 重量 = 38.850 (kN)相对于验算截面外边缘,墙身重力的力臂 Zw = 0.750 (m)相对于验算截面外边缘,Ey的力臂 Zx = 0.903 (m)相对于验算截面外边缘,Ex的力臂 Zy = 0.914 (m)[容许应力法]:法向应力检算:作用于验算截面的总竖向力 = 39.686(kN) 作用于墙趾下点的总弯矩=17.281(kN-m) 相对于验算截面外边缘,合力作用力臂 Zn = 0.435(m)截面宽度 B = 0.675 (m) 偏心距 e1 = -0.098(m)截面上偏心距验算满足: e1= -0.098 <= 0.250*0.675 = 0.169(m)截面上压应力: 面坡=7.607 背坡=109.981(kPa)压应力验算满足: 计算值= 109.981 <= 6800.000(kPa)切向应力检算:剪应力验算满足: 计算值= -3.058 <= 850.000(kPa)[极限状态法]:重要性系数100 = 1.000验算截面上的轴向力组合设计值Nd = 39.686(kN)轴心力偏心影响系数醟= 0.798挡墙构件的计算截面每沿米面积A = 0.675(m2)材料抗压强度设计值fcd = 7820.000(kPa)偏心受压构件在弯曲平面内的纵向弯曲系数豮= 0.877计算强度时:强度验算满足: 计算值= 39.686 <= 4213.614(kN)计算稳定时:稳定验算满足: 计算值= 39.686 <= 3696.282(kN)(六) 台顶截面强度验算[土压力计算] 计算高度为 2.500(m)处的库仑主动土压力无荷载时的破裂角 = 30.000(度)按实际墙背计算得到:第1破裂角: 30.000(度)Ea=8.831(kN) Ex=8.815(kN) Ey=0.534(kN) 作用点高度 Zy=0.833(m)[强度验算]验算截面以上,墙身截面积 = 1.250(m2) 重量 = 30.000 (kN)相对于验算截面外边缘,墙身重力的力臂 Zw = 0.563 (m)相对于验算截面外边缘,Ey的力臂 Zx = 0.708 (m)相对于验算截面外边缘,Ex的力臂 Zy = 0.833 (m)[容许应力法]:法向应力检算:作用于验算截面的总竖向力 = 30.534(kN) 作用于墙趾下点的总弯矩=9.907(kN-m) 相对于验算截面外边缘,合力作用力臂 Zn = 0.324(m)截面宽度 B = 0.500 (m) 偏心距 e1 = -0.074(m)截面上偏心距验算满足: e1= -0.074 <= 0.250*0.500 = 0.125(m)截面上压应力: 面坡=6.490 背坡=115.644(kPa)压应力验算满足: 计算值= 115.644 <= 6800.000(kPa)切向应力检算:剪应力验算满足: 计算值= -6.798 <= 850.000(kPa)[极限状态法]:重要性系数100 = 1.000验算截面上的轴向力组合设计值Nd = 30.534(kN)轴心力偏心影响系数醟= 0.790挡墙构件的计算截面每沿米面积A = 0.500(m2)材料抗压强度设计值fcd = 7820.000(kPa)偏心受压构件在弯曲平面内的纵向弯曲系数豮= 0.841计算强度时:强度验算满足: 计算值= 30.534 <= 3087.665(kN)计算稳定时:稳定验算满足: 计算值= 30.534 <= 2595.330(kN)=================================================各组合最不利结果=================================================(一) 滑移验算安全系数最不利为:组合1(组合1)抗滑力 = 21.322(kN),滑移力 = 5.555(kN)。