复合地基承载力计算示例
- 格式:doc
- 大小:55.51 KB
- 文档页数:2
复合地基承载力计算公式地基承载力是指地基在承受上部结构荷载时所能承受的最大力量。
复合地基是指由多种不同材料组成的地基,常见的复合地基包括砂土加固、灌注桩、石油骨料混凝土等。
为了准确计算复合地基的承载力,我们需要使用复合地基承载力计算公式。
复合地基承载力计算公式主要包括两个部分:砂土层承载力计算和复合地基的有效深度计算。
我们来看砂土层承载力计算。
砂土层承载力是指砂土地基在承受荷载时所能承受的最大力量。
常见的砂土层承载力计算公式为:q = cNc + γDfNq + 0.5γBNγ其中,q为砂土层的承载力,c为砂土的凝聚力,Nc为凝聚力影响系数,γ为砂土的重度,Df为地基的直径,Nq为摩擦力影响系数,B为地基的宽度,Nγ为重度影响系数。
接下来,我们来计算复合地基的有效深度。
复合地基的有效深度是指复合地基中有效承载力形成的深度。
一般来说,复合地基的有效深度可以通过以下公式计算:He = H - ΔH其中,He为复合地基的有效深度,H为地基的总深度,ΔH为复合地基加固层的厚度。
通过计算复合地基的有效深度,可以更准确地评估地基的承载力。
复合地基承载力计算公式包括砂土层承载力计算和复合地基的有效深度计算。
通过这些公式,我们可以准确计算复合地基的承载力,为工程设计提供依据。
当然,在实际计算中,我们还需要考虑地基的实际情况、土壤参数的测定和修正等因素,以得到更准确的结果。
需要注意的是,复合地基承载力计算公式只是一种理论模型,实际工程中还需要进行现场勘测和试验,结合工程经验和实际情况进行合理修正。
同时,地基承载力的计算也需要考虑其他因素,如地震荷载、水文条件等,以确保工程的安全可靠。
复合地基承载力计算公式是计算复合地基承载力的重要工具,能够为工程设计提供依据。
在实际应用中,我们需要综合考虑地基的实际情况和工程要求,灵活运用公式进行计算,并结合现场勘测和试验结果进行修正,以确保工程的安全可靠性。
1、0.4(米)2、0.4(米)3、0.85(米)4、0.85(米)5、0.08695、0.08696、579.5kN式中: R a1αP1=1u p1=1.256A P1=0.1256A P2=0.1256q p1=500Σq si l i =411.47、512.1kPa式中:f spk复合地基承载力特征值(kPa)β=0.9f sk =175λ1=0.85n=3三、设计说明1、经计算,处理后地基承载力特征值取fspk=512.1kPa,此值仅供参考。
地基处理施工完成后,甲方应委托具有复合地基检测资质单位进行现场复合地基载荷试验确定其值。
2、施工图见复合地基处桩布置图3、不大于30mm。
4、 CFG桩的桩长500桩顶标高为米,对应的高程为5、灰土桩的桩长桩顶标高为米,对应的高程为面积置换率 m 1=A P1/2s 1s 2=面积置换率 m 2=A P2/2s 1s 2=s 2=XX市XX小区X#住宅楼多桩型复合地基计算文件二、计算过程选取桩1(CFG桩)直径 d 1=选取桩2(灰土挤密桩)直径 d 2=采取矩形布桩桩距 s 1=一、设计依据《建筑地基处理技术规范》JGJ79-2012 《湿陷性黄土地区建筑规范》GB50025-2004 《xxxx 岩土工程勘察报告(详勘阶段)》2014.06R a1=u p1Σq si l i +αp1qp1A p1=(i表示第1层至第n层)仅由散体材料桩处理的复合地基桩土应力比桩1单桩竖向承载力特征值(kN)桩1桩端端阻力发挥系数桩1的周长(m)桩1的截面积(m 2)桩2的截面积(m 2)桩1端端阻力特征值(kPa)i表示第1层土至第n层土f spk =m 1λ1R a1/A p1+β[1-m 1+m 2(n-1)]f sk =桩间土承载力发挥系数桩1单桩承载力发挥系数桩顶和基础之间设置300mm厚褥垫层,褥垫层采用级配砂石,碎石最大粒径7.9.7-1 7.9.7-1 7.1.5-3。
---------------------------------------------------------------------- 计算项目: 地基处理计算 1---------------------------------------------------------------------- [ 计算简图 ]---------------------------------------------------------------------- [ 计算条件 ]---------------------------------------------------------------------- [ 基本参数 ]地基处理方法:水泥土搅拌桩法[ 基础参数 ]基础类型:条形基础基础埋深: 0.500(m)基础宽度: 28.000(m)基础覆土容重: 20.000(kN/m3)竖向荷载: 40.0(kN)[ 土层参数 ]土层层数: 7地下水埋深: 1.000(m)压缩层深度: 20.400(m)沉降经验系数: 1.000地基承载力修正公式:承载力修正基准深度d0: 0.500(m)序号土类型土层厚容重饱和容重压缩模量承载力鏱鏳(m) (kN/m^3) (kN/m^3) (MPa) (kPa)1 粘性土 2.800 17.9 18.6 4.290 90.0 0.000 1.0002 淤泥质土 4.200 17.3 17.8 3.550 65.0 0.000 1.0003 粉土 2.500 17.9 18.7 5.930 110.0 0.000 1.0004 淤泥质土 3.700 17.3 17.8 3.550 65.0 0.000 1.0005 粉土 2.800 17.9 18.7 5.930 110.0 0.000 1.0006 淤泥质土 3.000 17.5 18.2 4.650 70.0 0.000 1.0007 粉砂 20.000 18.1 18.7 8.140 130.0 0.000 1.000***鏱-- 基础宽度地基承载力修正系数***鏳-- 基础深度地基承载力修正系数[ 水泥土搅拌桩参数 ]桩布置形式:正三角形桩间距: 1.500(m)桩直径: 500(mm)桩长: 12.000(m)承载力计算公式:单桩承载力特征值: 198.490(kN)桩间土承载力折减系数: 0.300垫层厚度: 0(mm)垫层超出桩外侧的距离: 0(mm)基础边缘外桩的排数(横向): 1基础边缘外桩的排数(竖向): 1[ 处理土层参数 ]土层天然土层f f提高系数k 桩间土fsk 天然土层Es 复合地基Es 天然土层复合地基è1 90.0 1.100 99.0 4.290 3.979 0.0 0.02 65.0 1.100 71.5 3.550 3.313 0.0 0.03 110.0 1.100 121.0 5.930 5.453 10.9 10.94 65.0 1.100 71.5 3.550 3.313 19.8 18.1***f -- 表示原始土层承载力特征值(kPa)***fsk -- 表示桩间土承载力特征值(kPa)***Es -- 表示压缩模量(MPa)***-- 表示压力扩散角(度)*** 承载力提高系数和复合地基压力扩散角为交互参数;*** 天然土层的承载力、压缩模量为土层参数,列在这里便于对比;*** 天然土层的压力扩散角、桩间土fsk和复合地基压缩模量为计算中间结果。
CFG复合地基计算(G1)一、基本资料CFG复合地基承载力特征值f spk= 480kPa二、计算参数桩径d=0.40m桩身面积A p=πd²/4=3.14×0.42/4=0.1256m2桩身周长u=πd=3.14×0.4=1.26m桩中心距(正三角形布置) s=1.50m桩分担的处理地基面积的等效系数n1=1.05桩分担处理地基面积的等效圆直径d e=n1×s=1.05×1.5=1.575面积置换率计m=d²/d e² =0.42/1.5752=0.0645单桩承载力发挥系数λ=0.85桩间土承载力发挥系数β=0.90桩间土天然地基承载力特征值f sk=180kpa三、CFG复合地基下土层承载力验算天然地基承载力特征值f ak=180KPa,考虑深宽修正后,其承载力fa的计算:f a=f ak+ηb×γ×(b-3)+ηd×γm×(d-0.5);γ=9kN/m3γm=9.0kN/m3ηb=0.3 ηd=1.5基础埋深d取3m(考虑地下室);基础宽度取6mf a=180+0.3×9×(6-3)+1.5×9×(3-0.5)=221.85kPafa=221.85kPa<fspk=500kPa,天然地基承载力不满足设计要求,需要CFG复合地基处理。
四、CFG单桩承载力特征值1. 按复合地基目标承载力特征值推算的CFG单桩承载力特征值因f spk=λ×m×R a/A p+β×(1-m) ×f sk,故CFG单桩承载力特征值R a=(f spk-β×(1-m)f sk) ×A p/(λ×m)R a= (480-0.9×(1-0.0645)×180) ×0.1256 /(0.85×0.0645)=752.45kNCFG单桩承载力特征值实取755kN。
土层性质参考zk75(孔口标高 2.78m ),由上至下分别为:序号土层层厚(m )桩周侧阻力特征值(kPa )地基承载力特征值(kPa )1 素填土 2.6 0 /2-1 淤泥质土夹粉砂5.2 5(估计)502-5 粉质粘土7.8 15 1503 粉质粘土6.1 20 2301、单桩竖向承载力特征值:设置桩长为空桩 1.8m ,实桩6.5m ,桩底穿透淤泥质土夹粉砂5.2m ,进入粉质粘土0.5m ;桩距为1.5*1.5m 。
由桩周土和桩端土的抗力所提供的单桩承载力:kN102.72455.014.31504.05.0152.5555.014.321)(p p n i i si pa A q l q u R ——①由桩身材料强度确定的单桩承载力kN 275.71455.014.3120025.02p cu a A f R ——②取①、②两者中较小值,R a =71.275kN ;式中cu f —与搅拌桩桩身水泥土配比相同的室内加固土试块(边长为70.7mm 的立方体,也可采用边长为50mm 的立方体)在标准养护条件下90d 龄期的立方体抗压强度平均值(kPa );—桩身强度折减系数,干法可取0.20~0.30;湿法可取0.25~0.33;p u —桩的周长(m );n —桩长范围内所划分的土层数;si q —桩周第i 层土的侧阻力特征值;i l —桩长范围内第i 层土的厚度(m );p q —桩端地基土未经修正的承载力特征值(kPa ),可按现行国家标准《建筑地基基础设计规范》GB 50007的有关规定确定;—桩端天然地基土的承载力折减系数,可取0.4~0.6,承载力高时取低值。
2、复合地基承载力特征值kPaf m A R m skp a508.6750)1055.01(8.0237.0275.711055.0)1(f spk 1055.05.1455.014.3m 22式中spk f —复合地基承载力特征值(kPa );m —面积置换率;a R —单桩竖向承载力特征值(kN );p A —桩的截面积(m 2);—桩间土承载力折减系数,宜按地区经验取值,如无经验时可取0.75~0.95,天然地基承载力较高时取大值。
桥台地基承载力复核计算,以溪桥村机耕桥为例。
一、基底应力计算:2m a x m i n6B M BG WM AG ∑∑∑∑±=±=σ式中:maxmin σ—挡土墙基底应力最大值或最小值(kPa );∑G —作用在挡土墙上全部垂直于水平面的荷载(kN );∑M —作用在挡土墙上的全部荷载对于水平面平行前墙墙面方向形心轴的的力矩之和(kN ·m );A —挡土墙基底面的面积(m 2); W —基础底面的抵抗矩,m 3,W=B 2/6;B —挡墙基底面宽度,m ,B=4.55m 。
(1)结构重力计算: V G K γ=式中:K G —结构重力标准值(kN ); γ—材料重度(kN/m ³); V —体积(m ³)(2)墙后主动土压力计算(按库伦土压力计算):a K H E 221γ=式中:Ka —库伦主动土压力系数,通过下式计算: 222)c o s ()c o s ()s i n ()s i n (1)c o s (c o s )(c o s ⎥⎦⎤⎢⎣⎡-+-+++-=βαδαβϕδϕδαααϕa K式中:α—挡土墙墙背与竖直线的夹角,墙背俯斜时取正号,仰斜时取负号; β—墙后填土面的倾角,β=0°; δ—墙背与填土面间的外摩擦角;δ=13° γ—墙后填土的容重,γ=19(kN/m ³); ψ—墙后填土的内摩擦角,ψ=26°。
(3)计算结果见下表:二、地基承载力复核根据工程地质资料可得,溪桥村机耕桥地基为砂岩,其地基承载力为500kPa,大于桥台最大基底应力393.86kPa,地基承载力满足要求。
基底应力最大值和最小值的比值为1.37小于2.0,不均匀系数满足要求。
CFG桩复合地基承载力计算
正确计算步骤
(1)确定CFG桩复合地基的设计单元,获取岩土地层的物理力学性质和桩体尺寸参数,确定桩体的设计负荷。
(2)选择合理的计算模型,根据岩土地层的物理力学性质和桩体尺寸参数、桩体的设计负荷计算桩底的应力和位移,获取夹填砂土层CFG桩的设计参数。
(3)根据岩土地层的物理力学性质和桩体尺寸参数、夹填砂土层CFG桩的设计参数得到夹填砂土层CFG桩的应力应变、位移等参数,并建立夹填砂土层CFG桩的计算模型,建立桩体的计算模型;
(4)采用相应的计算方法对夹填砂土层CFG桩的极限承载力进行计算;
(5)将计算结果与桩体的设计负荷进行比较,判断夹填砂土层CFG 桩的静力承载力是否足以满足设计要求;
(6)确定夹填砂土层CFG桩的最终有效承载力,并记录及留存;
(7)根据有效承载力,确定夹填砂土层CFG桩的弹性变形和其它指标;。
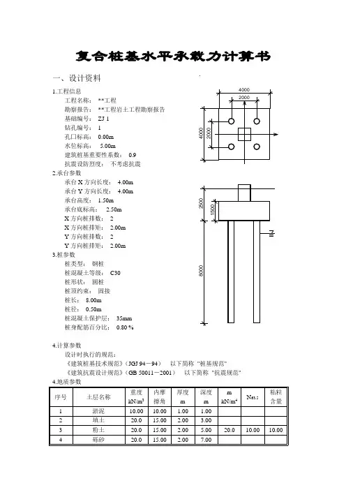
复合桩基水平承载力计算书1.工程信息工程名称:**工程勘察报告:**工程岩土工程勘察报告基础编号:ZJ-1钻孔编号:1孔囗标高:0.00m水位标高:-5.00m建筑桩基重要性系数:0.9抗震设防烈度:不考虑抗震2.承台参数承台X方向长度:4.00m承台Y方向长度:4.00m承台高度:1.50m承台底标高:-2.50mX方向桩排数:2X方向桩排矩:2.00mY方向桩排数:2Y方向桩排矩:2.00m3.桩参数桩类型:钢桩桩混凝土等级:C30桩形状:圆桩桩顶约束:固接桩长:8.00m桩径:0.50m桩混凝土保护层:35mm桩身配筋百分比:0.804.计算参数设计时执行的规范:《建筑桩基技术规范》(JGJ 94-94)以下简称"桩基规范"《建筑抗震设计规范》(GB 50011-2001)以下简称"抗震规范"表中第7列m 为地基土水平抗力系数的比例系数二、单桩水平承载力计算钢桩单桩水平承载力设计值按"桩基规范"式(5.4.2-2)估算:R h =α3 EI νxχoa上式中: R h ---- 单桩水平承载力设计值 νx ---- 桩身水平位移系数 α ---- 桩的水平变形系数α =5mb 0EI上式中: m ---- 地基土水平抗力系数的比例系数 基桩侧面主要影响深度h m =2(d +1)=2(0.50 +1)=3.00m 范围内土层数 n =3 h 1=0.50, h 2=2.00, h 3=0.50, m 1=0, m 2=20, m 3=0 m =m 1h 12+m 2(2h 1+h 2)h 2+m 3(2h 1+2h 2+h 3)h 3h m 2=0 ⨯0.50 2+20 ⨯(2⨯0.50 +2.00 )⨯2.00 +0 ⨯(2⨯0.50 +2⨯2.00 +0.50 )⨯0.50 3.00 2=13.33 MN/m 4b 0 ---- 桩身计算宽度,圆形截面,b 0= 0.9(1.5d +0.5)= 0.9(1.5⨯0.50 +0.5)=1.13m EI ---- 桩身抗弯刚度,EI=E s I 0 E s =2.00 ⨯105N/mm 2I 0 ---- 桩身换算截面惯性矩,I 0=W 0d/2W 0 ---- 桩身换算截面受拉边缘的表面模量,圆形截面 W 0为:W 0=πd 332=π⨯0.50 332=0.0123m 3I 0=W 0d/2=0.0123⨯0.500/2=0.003m 4EI =E s I 0=20.00⨯107⨯3.068⨯10-3=613592kN •m 2α = 5mb 0EI = 513.33 ⨯103⨯1.130.061⨯107 = 50.024 = 0.4760 αh = 0.4760 ⨯8.0000 = 3.8083 查"桩基规范"表5.4.2, 当桩顶固接时得νm =0.926, νx =0.940 单桩容许水平位移χoa =10mm 所以,单桩水平承载力设计值为:R h =α3 EIνxχoa=0.476 3⨯0.061 ⨯1070.94 ⨯10 ⨯10-3=704.17 kN三、群桩水平承载力计算群桩基础(不含水平力垂直于单排桩基纵向轴线和力矩较大的情况)的复合基桩水平承载力设计值应考虑由承台、桩群、土相互作用产生的群桩效应,可按下式确定: R h1=ηh R h1 ηh =ηi ηr +ηl +ηbηi =(S ad)0.015n 2+0.450.15n 1+0.10n 2+1.9ηl =m χ0a B'c h c 22n 1n 2R hηb =μP cn 1n 2R h上式中: ηh ---- 群桩效应综合系数 ηi ---- 桩的相互影响效应系数 ηr ---- 桩顶约束效应系数,按"桩基规范"表5.4.3-1取值 αh =3.81,位移控制承载力,ηr =2.06 ηl ---- 承台侧向土抗力效应系数 ηb ---- 承台底摩阻效应系数 S a /d ---- 沿水平荷载方向的距径比 S a /d =2.00 /0.50= 4.00 n 1,n 2 ---- 分别为沿水平荷载方向与垂直于水平荷载方向每排桩中的桩数 n 1=2 ,n 2=2 m ---- 承台侧面土水平抗力系数的比例系数 χ0a ---- 桩顶(承台)的水平位移容许值 χ0a =10mm B'c ---- 承台受侧向土抗一边的计算宽度 B'c =B c +1=4.00 +1=5.00 m (B c 为承台宽度) h'c ---- 承台高度 h'c =1.50 m μ ---- 承台底与基土间的摩擦系数 μ=0.25 P c ---- 承台底地基土分担竖向荷载设计值,按"桩基规范"第5.2.3条估算 P c =ηc q ck A c /γc ηc =ηc iA c i A c+ηc e A c e A cA c i 、A c e ---- 承台内区、外区的净面积, A c =A c i + A c e ,见"桩基规范"图5.2.3 A c i =(1 ⨯2.00 +0.50 )⨯(1 ⨯2.00 +0.50 )-4 ⨯π0.50 2/4=5.46 A c =4.00 ⨯4.00 -4 ⨯π0.50 2/4=15.21 A c e =A c -A c i =15.21- 5.46=9.75ηc i 、ηc e ---- 承台内区、外区土阻力群桩效应系数,根据S a /d =4.00≈4和B c /l =4.00/8.00=0.50 ,查"桩基规范"表5.2.3-2得ηc i =0.23、ηc e =0.75 ηc =ηc i A ci A c+ηc e A c e A c=0.23 ⨯5.46 15.21 +0.75 ⨯9.7515.21=0.56q ck ---- 承台底1/2承台宽度深度范围(≤5m)内地基土极限阻力标准值q ck =245.00kPaγc ---- 承台底土阻抗力分项系数,本程序一律取γc =1.70 P c =ηc q ck A c /γc =0.56 ⨯245.00 ⨯15.21 /1.70 =1231.06 kN ηi = 4.00 0.015⨯2 +0.450.15⨯2 +0.10⨯2 +1.9 =0.81ηl =13.33⨯10.00⨯5.00⨯1.5022⨯2 ⨯2 ⨯704.17=0.27ηb =0.25 ⨯1231.062 ⨯2 ⨯704.17=0.11ηh =0.81⨯2.06+0.27+0.11=2.04所以,考虑承台、桩群、土相互作用后,复合基桩的水平承载力设计为: R h1=2.04⨯704.17=1438.88kN。
1、单桩竖向承载力特征值:设置桩长为空桩1.8m ,实桩6.5m ,桩底穿透淤泥质土夹粉砂5.2m ,进入粉质粘土0.5m ;桩距为1.5*1.5m 。
由桩周土和桩端土的抗力所提供的单桩承载力:kN102.72455.014.31504.05.0152.5555.014.321=÷⨯⨯⨯+⨯+⨯⨯⨯=+=∑=)(p p ni i si p a A q l q u R α——①由桩身材料强度确定的单桩承载力kN 275.71455.014.3120025.02=÷⨯⨯⨯==p cu a A f R η——②取①、②两者中较小值,R a =71.275kN ;式中 cu f —与搅拌桩桩身水泥土配比相同的室内加固土试块(边长为70.7mm 的立方体,也可采用边长为50mm 的立方体)在标准养护条件下90d 龄期的立方体抗压强度平均值(kPa );η—桩身强度折减系数,干法可取0.20~0.30;湿法可取0.25~0.33;p u —桩的周长(m );n —桩长范围内所划分的土层数;si q —桩周第i 层土的侧阻力特征值;i l —桩长范围内第i 层土的厚度(m );p q —桩端地基土未经修正的承载力特征值(kPa ),可按现行国家标准《建筑地基基础设计规范》GB 50007的有关规定确定;α—桩端天然地基土的承载力折减系数,可取0.4~0.6,承载力高时取低值。
2、复合地基承载力特征值kPa f m A R m sk p a 508.6750)1055.01(8.0237.0275.711055.0)1(f spk =⨯-⨯+⨯=-+=β1055.05.1455.014.3m 22=÷⨯= 式中 spk f —复合地基承载力特征值(kPa );m —面积置换率;a R —单桩竖向承载力特征值(kN );p A —桩的截面积(m 2);β—桩间土承载力折减系数,宜按地区经验取值,如无经验时可取0.75~0.95,天然地基承载力较高时取大值。
CFG 桩、旋喷桩、水泥搅拌桩、粉喷桩等半刚性桩复合地基承载力计算k s paksp f m A R m f,,)1(•-•+•=β式中:k sp f ,:复合地基承载力特征值(Kpa )m :桩土面积置换率,42d A p π=:桩身的截面面积(m 2)a R :单桩竖向承载力特征值(KN ),有单桩静载试验时取极限承载力之半即a R =U R 21,无单桩静载试验时,按p p i i a q A L d R +•=∑τπ估算,p q 为桩端阻力(Kpa )d 为桩直径,i L 为第i 层土厚(m ),i τ为桩侧第i 层土的侧阻力(Kpa )β:桩间土承载力折减系数,无经验时取0.75~0.95,天然地基承载力高时取较大值 k s f ,:处理后桩间土承载力特征值,按经验取值,无经验时取天然地基承载力(Kpa )灰土桩、碎石桩、震冲碎石桩、砂桩、塑料排水板等柔性桩复合地基承载力计算[]k s k s k p k s pak sp f n m f m f m f m A R m f ,,,,,)1(1)1()1(•-+=•-+•=•-+•= n :为桩土应力比,ks k p f f n ,,=,或wed d n =,e d 为等效当量圆直径,正三角布桩D d e 05.1=、正方形布桩D d e 13.1=、矩形布桩2113.1D D d e =;w d 桩直径,粉土n =1.5~3,粘性土n =2~4,k p f ,为桩的承载力特征值,余同前。
◆复合地基弹性模量:[]S SP E n m E •-+=)1(1,S E 为桩间土的地基弹性模量◆复合地基摩阻力:[]s c n m ττ•-+=)1(1,s τ为桩间土的地基摩阻力◆桩的应力增加系数:)1(1-+=n m n c μ,桩间土应力折减系数:βμ=-+=)1(11n m s ◆塑料排水量等效圆直径πδα)(2+•=b d P ,α为渗透能力折减系数,取0.75,b 板宽,δ板厚。
CFG 桩、旋喷桩、水泥搅拌桩、粉喷桩等半刚性桩复合地基承载力计算人U=加∙* + 0∙(i 一加)∙A R式中:5:复合地基承载力特征值(KPa )加:桩土面积置换率,A =—:桩身的截面面积(m2)4&:单桩竖向承载力特征值(KN ),有单桩静载试验时取极限承载力之半即R a ^R υ, 无单桩静载试验时,按Ra=戒•工LtT i + A P q P 估算,q p 为桩端阻力(KPa ) d 为桩直径,L j 为第i 层土厚(m ), τι为桩侧第i 层土的侧阻力(KPa )0:桩间土承载力折减系数,无经验时取0.75〜0.95,天然地基承载力高时取较大值 匚:处理后桩间土承载力特征值,按经验取值,无经验时取天然地基承载力(KPa )灰土桩、碎石桩、震冲碎石桩、砂桩、塑料排水板等柔性桩复合地基承载力计算//:为桩土应力比,n =丘,或π = ≤, d e 为等效当量圆直径,正三角布桩/=1.05»、正方 Lk 血形布桩/=1.13D 、矩形布桩4 =1.13JDQ2;心桩直径,粉土 n =1.5〜3,粘性土“=2〜4, /皿为桩的承载力特征值,余同前。
♦复合地基弹性模疑:ESP = [1 + m (n -1)]∙ E s , E S 为桩间土的地基弹性模量 ♦复合地基摩阻力:r f =[l+∕π(n-l )]∙r j , %为桩间土的地基摩阻力 ♦桩的应力增加系数:μc =——-——,桩间土应力折减系数:μs =——*—— =β1 + 77/(H-I )∖ + m (n -1)♦塑料排水量等效圆直径d p =a.2ih + d∖ α为渗透能力折减系数,取0.75,方板宽,3板厚。
上图左所示,阴影部分被三角形套住的部分合汁起来为一个半圆,桩径为d,梅花桩中心距为D,则置换率m :ΓT -+ (l-m)∙∕u . =m ∙ f,k + d 一加)∙ f s ,k = [1 + W - D] ∙f s ,k1 Jld I πd 1 Zn = ⅛=TV =^ =丄% LΛ.D^囲迈 2 2 4 Tr上图右所示,若经检测复合地基承载力仍不够,需在三角形中加打一根桩予以补强时,则置换率m :1 πd 1 和23 TUl 2ZH=Λ = +-= ^ =丄⅞1、庁 n2 √3 n 2 2√32 2 4 3π♦正三角形梅花桩根数计算:上图左所示,2个边长为D 的正三角形所框住的桩截而刚好是一个整圆(即单根桩),1 .若处理而积S 范围内桩的根数为N,则按比例公式类推计•算有:2∙-∙sin60o ∙D 2:1 = S:7V,所以有:2S S SN = K 丽=E 莎"咖歹用EZ 取整函数公式有:NfT 二.正方形布桩的复合地基置换率m 值的计算上图右所示,若经检测复合地基承载力仍不够,需在正方形中加打一根桩予以补强时,则置换率m :.1 ml 2 加/2 τal 2In= ^= 4 4__=^ = £. 1A l ) D2 D )♦正方形布桩根数计算:上图左所示,1个边长为D 的正方形所框住的桩截而刚好是一个整圆(即单根桩),S若处理而积S 范围内桩数为N,则按比例有:D 21∖ = S ∙.N,用EXCel 函数取整:N = -T = INTZr三.矩形网格布桩的复合地基置换率m 值的计算≈0.9069∣- 2J 〃卜/d ID )∖D, {∖.05D)2≈((I 、2J d ' 2 "d'k0.606D yIdJ D 2∙COS 30OJ°上图左所示,阴影部分被正方形套住的部分合计起来为一个圆,桩径为d,桩中心距为D,则置换率m :.1 ΛZ ∕2ml 2A 4∙-∙—— —— 八2 加=虫=」=丄=兰• 1 AD D 2 D 24 ∖D ) ≈0∙785‰d 1.1280.d e ≈∖Λ3D,≈1.5708∣ ≤VD 1≈1.05D√∕r ≈ 0.61D0.8OZ)0.7979D•当Di=D 2=D,亦即0=60。
(8)复合地基承载力特征值的确定:第一,当压力—沉降曲线上极限荷载能确定,而其值不小于直线段比例界限的2倍时,可取比例界限;当其值小于比例界限的2倍时,可取极限荷载的一半;第二,当压力—沉降曲线是平缓的光滑曲线时,按相对变形值确定:①对砂石桩或振冲桩复合地基或强夯置换墩:当以黏性土为主的地基,可取s/b或s/d=0.015所对应的压力(b和d分别为承压板宽度和直径,当其值大于2m时,按2m计算);当以粉土或砂土为主的地基,可取s/b或s/d=0.01所对应的压力。
②对挤密桩、石灰桩或柱锤冲扩桩复合地基,可取s /b或s/d=0.012所对应的压力。
对灰土挤密桩复合地基,可取s/b或s/d=0.008所对应的压力。
③对水泥粉煤灰碎石桩或夯实水泥土桩复合地基,当以卵石、圆砾、密实粗中砂为主的地基,可取s/b或s/d=0.008所对应的压力;当以黏性土、粉土为主的地基,可取s /b或s/d=0.01所对应的压力。
④对水泥土搅拌桩或旋喷桩复合地基,可取s/b或s/d=0.006所对应的压力。
⑤对有经验的地区,也可按当地经验确定相对变形值。
按相对变形值确定的承载力特征值不应大于最大加载压力的一半。
试验点的数量不应少于3点,当满足其极差不超过平均值的30%时,可取其平均值为复合地基承载力特征值。
【例题5】某工程采用灰土挤密桩进行地基处理,在用载荷试验确定复合地基承载力特征值时,如按相对变形值确定,可采用s/b=( )所对应的压力。
A、0.006;B、0.008;C、0.01;D、0.012答案:B【例题6】在对某复合地基进行载荷试验时,测得三组试验值分别为:f1=140kpa;f2=150kpa;f3=175kpa;则该复合地基承载力特征值为:( )。
A、140 kpa;B、145 kpa;C、152 kpa;D、155 kpa;答案:D【例题7】某CFG桩工程,桩径=400mm,置换率为12.6%,试问:作单桩复合地基载荷试验时,载荷板面积约为:( )。
----------------------------------------------------------------------计算项目: 地基处理计算 1-------------------------------------------------------------------------------------------------------------------------------------------- [ 计算条件 ]---------------------------------------------------------------------- [ 基本参数 ]地基处理方法:水泥土搅拌桩法[ 基础参数 ]基础类型:矩形基础基础埋深: 1.500(m)基础宽度: 3.600(m)基础长度: 2.400(m)基础覆土容重: 20.000(kN/m3)竖向荷载: 620.0(kN)弯矩Mx: 16.0(kN.m)[ 土层参数 ]土层层数: 5地下水埋深: 50.000(m)压缩层深度: 40.000(m)沉降经验系数: 0.400地基承载力修正公式:承载力修正基准深度d0: 0.500(m)序号土类型土层厚容重饱和容重压缩模量承载力ηb ηd(m) (kN/m^3) (kN/m^3) (MPa) (kPa)1 素填土 1.200 18.0 --- 1.500 80.0 0.000 1.0002 淤泥 1.860 17.7 --- 1.800 75.0 0.000 1.0003 淤泥质土 2.300 17.0 --- 2.200 82.0 0.000 1.0004 淤泥质土 7.000 17.2 --- 4.000 160.0 0.000 1.0005 粘性土 10.000 17.7 --- 8.000 200.0 0.000 1.000***ηb -- 基础宽度地基承载力修正系数***ηd-- 基础深度地基承载力修正系数[ 水泥土搅拌桩参数 ]桩布置形式:矩形桩竖向间距: 1.500(m)桩水平间距: 1.500(m)桩直径: 600(mm)桩长: 14.500(m)承载力计算公式:单桩承载力特征值: 250.000(kN)桩间土承载力折减系数: 0.400垫层厚度: 300(mm)垫层超出桩外侧的距离: 300(mm)基础边缘外桩的排数(横向): 1基础边缘外桩的排数(竖向): 1[ 处理土层参数 ]土层天然土层f f提高系数k 桩间土fsk 天然土层Es 复合地基Es 天然土层θ 复合地基θ2 75.0 1.100 82.5 1.800 1.800 18.5 18.53 82.0 1.100 90.2 2.200 2.200 23.0 23.04 160.0 1.100 176.0 4.000 4.000 23.0 23.05 200.0 1.100 220.0 8.000 8.000 23.0 23.0***f -- 表示原始土层承载力特征值(kPa)***fsk -- 表示桩间土承载力特征值(kPa)***Es -- 表示压缩模量(MPa)***θ -- 表示压力扩散角(度)*** 承载力提高系数和复合地基压力扩散角为交互参数;*** 天然土层的承载力、压缩模量为土层参数,列在这里便于对比;*** 天然土层的压力扩散角、桩间土fsk和复合地基压缩模量为计算中间结果。
1、单桩竖向承载力特征值:
设置桩长为空桩1.8m ,实桩6.5m ,桩底穿透淤泥质土夹粉砂5.2m ,进入粉质粘土0.5m ;桩距为1.5*1.5m 。
由桩周土和桩端土的抗力所提供的单桩承载力:
kN
102.72455.014.31504.05.0152.5555.014.321=÷⨯⨯⨯+⨯+⨯⨯⨯=+=∑=)(p p n
i i si p a A q l q u R α——①
由桩身材料强度确定的单桩承载力
kN 275.71455.014.3120025.02=÷⨯⨯⨯==p cu a A f R η——②
取①、②两者中较小值,R a =71.275kN ;
式中 cu f —与搅拌桩桩身水泥土配比相同的室内加固土试块(边长为70.7mm 的立方体,也可采用边长为50mm 的立方体)在标准养护条件下90d 龄期的立方体抗压强度平均值(kPa );
η—桩身强度折减系数,干法可取0.20~0.30;湿法可取0.25~0.33;
p u —桩的周长(m );
n —桩长范围内所划分的土层数;
si q —桩周第i 层土的侧阻力特征值;
i l —桩长范围内第i 层土的厚度(m );
p q —桩端地基土未经修正的承载力特征值(kPa ),可按现行国家标准《建
筑地基基础设计规范》GB 50007的有关规定确定;
α—桩端天然地基土的承载力折减系数,可取0.4~0.6,承载力高时取低值。
2、复合地基承载力特征值
kPa f m A R m sk p a 508.6750)1055.01(8.0237.0275.711055.0)1(f spk =⨯-⨯+⨯=-+=β
1055.05.1455.014.3m 2
2=÷⨯= 式中 spk f —复合地基承载力特征值(kPa );
m —面积置换率;
a R —单桩竖向承载力特征值(kN );
p A —桩的截面积(m 2);
β—桩间土承载力折减系数,宜按地区经验取值,如无经验时可取0.75~0.95,天然地基承载力较高时取大值。
要复合地基承载力达到90KPa ,需调整搅拌桩间距,最疏为1.1m*1.1m ,计算得: kPa kPa f m A R m sk p a 9017.9150)196.01(8.0237
.0275.71196.0)1(f spk >=⨯-⨯+⨯=-+=β 196.01
.1455.014.3m 22=÷⨯=
2010-11-10。