100吨吊车参数表
- 格式:doc
- 大小:95.00 KB
- 文档页数:2
XXXQY100T汽车吊主臂起重性能表
XXXQY100T汽车吊的主臂起重性能表如下:
主臂长度为12.8米时,额定起重量为100吨,工作幅度在3米至42米范围内,平衡重为19.2吨,全伸支腿360度作业。
当主臂长度为16米时,额定起重量为40吨。
工作幅度在3米至31.4米范围内,平衡重为19.2吨,全伸支腿360度作业。
当主臂长度为20米时,额定起重量为24.9吨。
工作幅度在3米至23.4米范围内,平衡重为19.2吨,全伸支腿360度作业。
当主臂长度为24米时,额定起重量为19.6吨。
工作幅度在3米至18.5米范围内,平衡重为19.2吨,全伸支腿360度作业。
当主臂长度为28米时,额定起重量为14.5吨。
工作幅度在3米至14米范围内,平衡重为19.2吨,全伸支腿360度作业。
当主臂长度为32米时,额定起重量为10.9吨。
工作幅度在3米至11.7米范围内,平衡重为19.2吨,全伸支腿360度作业。
当主臂长度为36米时,额定起重量为8.5吨。
工作幅度在3米至9.3米范围内,平衡重为19.2吨,全伸支腿360度作业。
当主臂长度为40米时,额定起重量为6.6吨。
工作幅度在3米至7.4米范围内,平衡重为19.2吨,全伸支腿360度作业。
当主臂长度为44米时,额定起重量为5.3吨。
工作幅度在3米至5米范围内,平衡重为19.2吨,全伸支腿360度作业。
当主臂长度为49米时,额定起重量为1.5吨。
工作幅度在3米至1.9米范围内,平衡重为19.2吨,全伸支腿360度作业。
长 江 100 吨 汽 车 吊 车 额 定 起 重 量 表
4、表中额定起重量钩和吊具重量。
5、若副臂处于展开状态,使用主臂工作时,主臂允许的最大吊数重量,不仅要从额定起重量扣除吊钩、吊具自重,还要扣除2800kg 。
6、使用臂尖滑轮时的额定起重不超过6000kg 。
7、如果臂长超过表某一栏规定的数值时应把该栏数值与比它更长一级的数值相比较,按照其中较小的额定起重量进行作业。
8、副臂吊载时,若主钩仍保留在主臂头部,则副臂起吊的额定起重量中,必须减去主钩重量。
9、表中最低栏列出各种臂长时的主臂最小仰角,严禁将起重臂变幅到所对应的最小仰角以下。
说明:1、表中给定数值是在地面坚实,整机调平状态下,起重机的额定起重量。
表中工作幅度是指吊载后的实际幅度,注意副臂的工作幅度是在完全伸出主臂(45M ),并展开副臂进行作业的数值。
2、打好第五支腿时,表中数值适用于沿圆周3600作业。
3、表中粗实线以上数值由起重机强度决定,粗实线以下数值由起重机稳定性决定,臂长12.2M 时,各节臂应处于完全缩回状态。
100吨汽车吊参数以下是100吨汽车吊参数表格,其中列出了不同幅度下的工作参数。
主臂和支腿全伸时,可以进行侧方和后方的作业。
仰角为27.2度时,最大工作负荷为kg。
在不同幅度下,工作负荷和仰角都有所不同。
在3米幅度下,最大工作负荷为kg,而在54米幅度下,最大工作负荷为kg。
随着幅度的增加,最大工作负荷逐渐减小。
除了工作负荷外,仰角也是影响吊车工作的重要因素。
在27.2度的仰角下,吊车最大工作负荷为kg。
随着仰角的增加,最大工作负荷逐渐减小。
在侧方和后方作业时,支腿需要全伸。
在这种情况下,最大工作负荷为kg,仰角为27.2度。
在不同幅度下,最大工作负荷和仰角都有所不同。
总的来说,吊车的工作参数受到多种因素的影响,包括幅度、仰角和作业方向等。
在实际操作中,需要根据具体情况进行调整,以确保工作安全和效率。
无法判断文章原本的格式错误是什么,因此只能按照正常格式进行改写。
930087008000690058004900420036002900240019001600在这个列表中,数字是递减的。
最初的数字是,每个数字都比前一个数字小1000.80°78°76°74°72°70°68°66°64°62°60°58°56°54°52°50°45°40°这是一个角度的列表,从80度开始递减到40度。
倍率0°70007000680066006400600056005200480045004200390034503000270023501700115030°这个列表包含了倍率和角度。
倍率从0开始,角度从30度递减到0度。
400039003800370036003500340033003200310030002950290026002400220016001050这是一个递减的数字列表,从4000开始,每个数字比前一个数字小100.10°4000380036003400320030002900280027002600250023802250210019501800120030°这个列表包含了倍率和角度。
100T汽车吊性能表100T主要性能与参数项目数值最大额定总起重量 100000 kg基本臂最大起重力矩 3238kN.m最长主臂+副臂最大起重力矩 1127kN.m主臂最大起升高度 48m主臂+副臂最大起升高度 62.1m外形尺寸(长×宽×高) 14550×2750×3750mm主臂长 12.8-48m 副臂长 18.1m起重特性表PATED LIFTING CAPACITY TABLE 单位(UNIT):Kg说明(NOTE):●以上作业工况均为支腿全伸,不允许在不打支腿的情况下吊重。
(Above working condition is all withoutrigger fully extended,never lift a load on the wheels.)●表中粗线以上数值是由起重机的结构强度所决定的,粗线以下数值是由起重机整机稳定性所决定的。
(Capacities above the thick line in the table are based on the boom strength,the others,on stablitiy of the complete machine.)●打好第五支腿时,表中数值适用于圆周360°作业。
(With the 5th outrigger fully extended,full360rotation is available according to the values listed in the above table.)●表中所列额定起重量为最大允许值,并包括吊钩重量(100吨吊钩重815Kg,60吨吊钩重560Kg,6吨吊钩重180Kg)和其他吊具的重量。
(The rated lifting capacity listed in the table is max.allowed value,including weight of the hookblock (the hookblock weight is 815kg for 100t,560kg for 60t,180kg for 6t)and other slings.)●表中所给幅度值,是指吊载后吊钩中心到回转中心的水平距离。
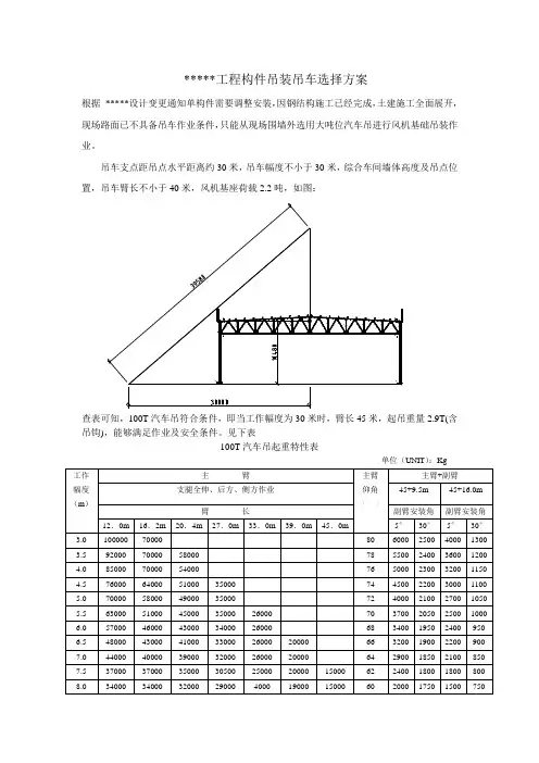
*****工程构件吊装吊车选择方案
根据*****设计变更通知单构件需要调整安装,因钢结构施工已经完成,土建施工全面展开,现场路面已不具备吊车作业条件,只能从现场围墙外选用大吨位汽车吊进行风机基础吊装作业。
吊车支点距吊点水平距离约30米,吊车幅度不小于30米,综合车间墙体高度及吊点位置,吊车臂长不小于40米,风机基座荷载2.2吨,如图:
查表可知,100T汽车吊符合条件,即当工作幅度为30米时,臂长45米,起吊重量2.9T(含吊钩),能够满足作业及安全条件。
见下表
100T汽车吊起重特性表
单位(UNIT):Kg
说明:
●以上作业工况均为支腿全伸,不允许在不打支腿的情况下吊重。
表中粗线以上数值是由起重机的结构
强度所决定的,粗线以下数值是由起重机整机稳定性所决定的。
●打好第五支腿时,表中数值适用于圆周360°作业。
●表中所列额定起重量为最大允许值,并包括吊钩重量(100吨吊钩重815Kg,60吨吊钩重560Kg,6
吨吊钩重180Kg)和其他吊具的重量。
表中所给幅度值,是指吊载后吊钩中心到回转中心的水平距离。
当实际臂长和工作幅度在两数值之间时,应按最大臂长和幅度值确定起重量。
●在副臂伸出的情况下使用主臂作业时,额定起重量不仅要扣除吊具的重量,还要扣除2250Kg。
*****工程构件吊装吊车选择方案
根据*****设计变更通知单构件需要调整安装,因钢结构施工已经完成,土建施工全面展开,现场路面已不具备吊车作业条件,只能从现场围墙外选用大吨位汽车吊进行风机基础吊装作业。
吊车支点距吊点水平距离约30米,吊车幅度不小于30米,综合车间墙体高度及吊点位置,吊车臂长不小于40米,风机基座荷载2.2吨,如图:
查表可知,100T汽车吊符合条件,即当工作幅度为30米时,臂长45米,起吊重量2.9T(含吊钩),能够满足作业及安全条件。
见下表
100T汽车吊起重特性表
单位(UNIT):Kg
说明:
●以上作业工况均为支腿全伸,不允许在不打支腿的情况下吊重。
表中粗线以上数值是由起重机的结构
强度所决定的,粗线以下数值是由起重机整机稳定性所决定的。
●打好第五支腿时,表中数值适用于圆周360°作业。
●表中所列额定起重量为最大允许值,并包括吊钩重量(100吨吊钩重815Kg,60吨吊钩重560Kg,6
吨吊钩重180Kg)和其他吊具的重量。
表中所给幅度值,是指吊载后吊钩中心到回转中心的水平距离。
当实际臂长和工作幅度在两数值之间时,应按最大臂长和幅度值确定起重量。
●在副臂伸出的情况下使用主臂作业时,额定起重量不仅要扣除吊具的重量,还要扣除2250Kg。
100吨吊车起重参数表释义:Qj----计算载荷K1-----动载荷系数(惯性载荷系数)起重机在吊装重物的运动过程中所产生的对起吊机具负载的影响而计入的系数。
一般取动载系数k1=1.1K2-----不均衡载荷系数在多分支(多台起重机、多套滑轮组等)共同抬吊一个重物时,由于起重机械之间的相互运动可能产生作用于起重机械、重物和吊索上的附加载荷,或者由于工作不同步,各分支往往不能完全按设定比例承担载荷,在起重工程中,以不均衡载荷系数计入其影响。
一般取不均衡载荷系数k2=1.1~1.25(注意:对于多台起重机共同抬吊设备,由于存在工作不同步而超载的现象,单纯考虑不均衡载荷系数是不够的,还必须根据工艺过程进行具体分析,采取相应措施)。
Q-----吊物和吊索具的载荷“我是吊司/吊车老板,我只管干活/接活,什么公式,我不懂”公式很晦涩,我们举个例子,假使1台吊车吊一个水泥块(重1t),吊索具为钢丝绳和卸扣(重量合计为0.2t),单机吊装不考虑不均衡载荷系数,即视K2为1,动载荷系数K1为1.1,那我们将这些带入公式:Qj=K1*K2*Q=1.1*1*(1+0.2)=1.32t现实中我们更多的是拿1.2t(即吊物重量和吊索具重量的和)去比对吊车的参数表,但今天小编告诉你,都错了,实际我们应该拿Qj计算载荷1.32t去比对吊车的参数表!!!很多吊司可能不以为然,动载荷和不均衡载荷看不到摸不着,但确实是实际存在的,也就是吊车承受的力量要大于吊物和吊索具的重量,至少大10%!在贴地面吊的时候确实好像影响不大,但我们回想一下,这么多年,拆塔吊、拆水泥罐、拆广告牌出过多少吊装事故,告诉你塔吊起重臂重量14吨,假使忽略吊索具重量,就按14吨去核吊车,大臂一拆吊车能不翻吗?!这个时候不考虑K1\K2能行吗!。