设备缺陷处理记录表
- 格式:xls
- 大小:10.50 KB
- 文档页数:24
设备缺陷管理办法设备缺陷管理办法一、总则为了更好地管理设备缺陷,保证设备的正常使用和运转,提升工作效率和安全性,特制定本办法。
二、管理机构设备缺陷管理机构由设备管理部门负责组成,负责设备缺陷的识别、记录、分析和解决,并定期对设备进行检修和维护。
三、设备缺陷识别1. 设备缺陷的识别可以通过定期检查、日常维护和使用中出现问题等途径进行。
2. 在设备缺陷识别过程中,应仔细记录设备的缺陷现象、出现时间、出现地点等信息,并进行详细的描述。
并及时向设备缺陷管理机构报告。
四、设备缺陷记录1. 设备缺陷管理机构应建立设备缺陷记录表,对每一次设备缺陷进行详细的记录,包括设备信息、缺陷现象、处理方式等。
2. 设备缺陷记录表应定期汇总,并进行分析和总结,以便及时发现设备缺陷的规律和原因,并根据分析结果制定相应的解决措施。
五、设备缺陷分析1. 设备缺陷管理机构应根据设备缺陷记录表的内容进行分析,找出设备缺陷的原因和解决方法,并进行分类和归档。
2. 设备缺陷分析应进行全面、深入,充分了解设备的结构、工作原理和使用规范,以便更好地解决设备缺陷问题。
六、设备缺陷解决1. 设备缺陷管理机构应根据设备缺陷分析的结果,制定相应的设备缺陷解决措施,并指定责任人负责具体实施。
2. 设备缺陷解决措施应包括维修、更换配件、升级更新等,确保设备缺陷得到有效解决,并及时跟进设备的工作情况。
七、设备检修和维护1. 设备缺陷管理机构应定期对设备进行检修和维护,包括日常维护和定期大修等。
2. 设备检修和维护的内容应根据实际情况进行,包括设备的清洗、润滑、磨损部件的更换等,以确保设备的正常运转。
八、设备缺陷培训1. 设备缺陷管理机构应定期进行设备缺陷培训,提高相关人员对设备缺陷的识别和解决能力。
2. 设备缺陷培训的内容应包括设备的结构、工作原理和使用规范、设备缺陷的识别和解决等。
并通过实际操作和案例分析,提高对设备缺陷的应对能力。
九、设备缺陷监督和考核1. 设备缺陷管理机构应定期对设备缺陷情况进行监督和考核,及时调整和完善设备缺陷管理办法。
设备缺陷登记制度样本1设备缺陷分类⑴紧急缺陷:指严重程度已使设备不能连续安全运行,随时可能导致事故发生。
此类缺陷必须尽快消除(安排临时或事故抢修)或采取必要的安全技术措施进行临时处理。
⑵重大缺陷:指缺陷比较重大,但设备仍可维持短期运行。
此类缺陷应在短期内消除,消除前应对该设备进行严密监视。
⑶一般缺陷:指缺陷范围较小,对近期安全经济运行影响不大,较容易解决,列入日常检修计划进行处理。
2管理程序⑴凡运行人员发现的缺陷,及时设法消除,消除后,记录在设备缺陷记录本上。
⑵凡运行人员发现的,若无法消除时立即上报,同时记录在设备缺陷登记本上。
⑶在消除缺陷时如需进行生产调整,及时向车间、公司生产调度汇报。
⑷记录中应注明缺陷的设备名称、部位写清楚,并写明时间,班次和发现人。
⑸运行人员应定期巡检,了解设备状况,主动消除缺陷。
检查出的缺陷上,并将查出的缺陷记入《设备缺陷登记本》。
⑹缺陷消除后,应记录消除时间、检查验收人,在缺陷登记本上详细记录。
⑺设备缺陷处理原则:基本做到小缺陷不过班,大缺陷不过天。
⑻消除缺陷时,运行人员要主动与检修人员配合,创造条件,严禁扯皮。
⑼缺陷消除后,应由班长和有关运行人员进行检查和验收(包括卫生情况),认可后,班长在检修工作票上签字。
签字后如再发现有遗留问题,由运行人员负责。
⑽在运行中能够及时发现并处理而未能得到处理的设备缺陷造成了严重后果,或发现缺陷后没有及时汇报、记录,要追究责任,严肃考核。
设备缺陷登记制度样本(2)对于保障设备质量和确保生产安全起着至关重要的作用。
它的实施可以帮助企业及时发现设备缺陷,并采取相应的措施进行修复和改进,以减少生产过程中的事故风险。
本文将探讨设备缺陷登记制度的意义、目的以及实施过程中需要注意的问题。
首先,设备缺陷登记制度的意义在于为企业提供了一个全面了解设备状况的途径。
通过对缺陷进行登记和分类,企业能够及时了解设备的运行情况、存在的问题和潜在的风险。
这样一来,企业可以有针对性地制定维修计划,避免设备故障带来的损失。
前言为适应公司现代化管理的需要,依据企业办法化工作的要求,结合“三标一体”管理体系内容,特制定本办法。
本办法代替Q/HDRD-220-10.007-2006《设备缺陷管理办法》。
本办法与Q/HDRD-220-10.007-2006《设备缺陷管理办法》相比,主要变化如下:——在“标本兼治、关口前移”缺陷管理原则的基础上,进一步明确了设备“零缺陷”的管理模式;——量化了设备“零缺陷”管理的目标;——明确了公司、部门、班组三级缺陷管理网络,以及各级人员的职责和权限;——引入“消缺及时率”概念,并以此作为衡量消缺及时性的办法;——规定了延期消缺申请的流程及要求;——细化了缺陷专题分析及缺陷月度分析的具体要求;——对考核细则进行了修改、补充,加大了对重复消缺的考核力度;——对消缺奖基数、各部门系数以及部门缺陷定额进行了修改。
本办法的附录A、附录B、附录C、附录D为规范性附录,附录E为资料性附录。
本办法由河北邯郸热电股份有限公司办法化委员会提出。
本办法由生产技术部归口管理并负责解释。
本办法起草部门:生产技术部本办法主要起草人:黎鹏本办法审核人:田桂宇、任子明本办法审定人:刘蔚彬、王江权本办法批准人:禹红杰河北邯郸热电股份有限公司国电电力发展股份有限公司邯郸热电厂设备零缺陷管理办法第一章范围本办法规定了设备缺陷的分类、各级人员的职责权限、缺陷管理要求及消缺程序,缺陷月度分析和专题分析、考核等。
本办法目的是为了提高设备健康水平,力求实现机组安全、经济、稳定运行,及时消除设备及系统存在的缺陷,规范缺陷管理流程,真实反应设备健康状态,在坚持“标本兼治、关口前移”的缺陷管理原则基础上,实现设备“零缺陷”管理。
本办法适用于河北邯郸热电股份有限公司,本办法同时适用于国电电力邯郸热电厂。
本办法不适用于技术监督范畴内的设备缺陷。
第二章规范性引用文件下列文件中的条款通过本办法的引用而成为本办法的条款。
凡是注日期的引用文件,其随后所有的修改单(不包括勘误的内容)或修订版均不适用于本办法,然而,鼓励根据本办法达成协议的各方研究是否可使用这些文件的最新版本。
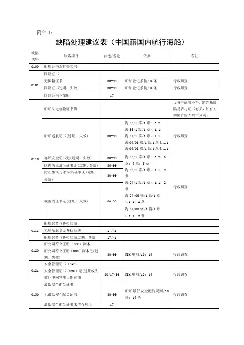
附录E:缺陷分类分级管理根据输变电设备运行管理标准中设备缺陷的分类原则,设备缺陷按其严重程度分为紧急、重大、一般。
1.一般缺陷:是指对近期安全运行影响不大的缺陷,可列入年、季检修计划或日常维护工作中去消除2.重大缺陷:是指缺陷比较严重,但设备仍可短期继续安全运行,该缺陷应在短期内消除,消除前应加强监视3.紧急缺陷; 是指严重程度以使设备不能继续安全运行,随时可能导致发生事故或危及人身安全的缺陷,必须尽快消除或采取必要的安全技术措施进行临时处理根据供电系统常用电气设备运行状况中的缺陷进行整理,对缺陷现状进行分类分级管理,并制定缺陷处理计划及措施,跟踪缺陷处理进度、完成情况,对已处理缺陷及时进行关闭,规范化管理设备缺陷,参照设备缺陷分类分级实施细则。
1 变电站设备缺陷分类标准1.1 变压器(消弧线圈、接地变、站用变、电抗器参照执行)51.2 断路器71.3 隔离开关81.4 母线101.5 防雷设备101.6 电力电缆111.7 控制电缆121.8 继电器131.9 表计141.10 电力电容器151.11 电压、电流互感器、耦合电容器、阻波器161.12 继电保护及自动装置171.13 直流设备201.14 土建部分211.15 变电其它设备222 通讯、计算机、远动、消防系统分类标准232.1 通讯232.2 计算机系统252.3 远动部分262.4 消防系统273 电力线路设备缺陷分类标准283.1 导线及架空地线283.2 绝缘子及金具293.3 杆塔313.4 横担323.5 拉线333.6 柱上开关333.7 配电变压器及令克343.8 避雷器35 3.9 接地装置35 3.10 线路电力电缆36附件1:设备缺陷记录25 附件2:线路缺陷记录261 变电站设备缺陷分类分级标准1.1变压器(消弧线圈、接地变、站用变、电抗器参照执行)1.1.1紧急缺陷1.1.1.1绝缘油不合格或呈酸性、水份严重超标、气相色谱分析重要指标超标或有明显隐患,油中烃类、氢气产气速率超过10%/月或0.25ml/h(开放式)和0.5ml/h(密封式);1.1.1.2内部有异常响声,套管严重破损、裂纹、有严重放电声,套管漏油,油位超过下限,密封失效,套管tanδ明显增长且超标,电容量与出厂值差别超出±5%;1.1.1.3引线或桩头过热发红(超过95℃);1.1.1.4电气预防性试验主要项目不合格;1.1.1.5测温装置全部损坏或失灵(220千伏及以上的油温温度计);1.1.1.6压力释放阀误动;1.1.1.7主变压器强油循环冷却器全停或失灵一半以上,影响出力或威胁安全运行;1.1.1.8潜油泵及油流继电器失灵;1.1.1.9本体漏油严重或大量喷油,油面低到—30℃油面线以下、油枕看不见油位;1.1.1.10变压器有载调压开关动作异常,极限位置不能闭锁,操作卡阻或跳档,滑档、指示动作不可靠,接触电阻不符合要求;1.1.1.11气体继电器内有气、漏油;1.1.1.12安全口隔膜或玻璃破碎1.1.1.13铁芯或外壳接地不良,接地电流不合格,串接电阻后仍不能满足运行要求,并有发展的趋势;1.1.1.14电抗器混凝土支柱有裂纹、支持瓷瓶有损伤;1.1.1.15电抗器线圈表面有树枝状放电现象。
设备缺陷管理考核办法第一章总则第一条为了进一步规范公司的机组缺陷管理,提高机组的健康水平和管理水平,特制定本奖惩实施细则。
第二条坚持以降低缺陷发生率,提高消缺及时性,坚持以奖励和考核并举的方针,实现设备由修变养。
第二章考核内容与标准第三条设备缺陷处理1、运行人员应及时检查发现并正确登录设备缺陷,在两个小时内将发现的设备缺陷输入微机,急待处理的缺陷应先联系有关维护部处理再录入FAM缺陷。
当值应发现而未及时发现(或发现后未及时、正确登录)的缺陷,一般缺陷每条考核发电部50元,重大缺陷每条考核200元。
2、缺陷登录不准确或重复,每条考核责发电部50元。
3、对影响机组安全运行和可能导致改变机组运行方式的重大缺陷,运行人员未及时通知有关部门,每次考核1000元;未立即采取防止设备损坏和故障扩大的措施,每次考核500~1000元。
4、在缺陷管理中,非法使用他人的用户名和密码故意修改,以逃避考核的,每条考核责任部门1000元。
5、设备管辖维护部接到运行人员消缺通知后,应在规定时间到现场(做到白天15分钟、夜间30 分钟)组织消缺,每迟到一次考核责任维护部200元;1小时内不到者,每次考核维护部负责人200元。
6、各维护部应合理安排夜间值班力量,夜间值班需由部门正式员工带班,按时参加每天晚7:00的值班调度会议,未安排正式员工值班或不参加值班调度会议每次考核200元。
7、各维护部应白天上班期间6小时内,夜间值班期间12小时内认领缺陷,每超1小时认领缺陷考核责任部门50元。
8、设备消缺应按照“小缺陷不过班,大缺陷不过天,重要缺陷连续干”的原则来处理。
缺陷限定消除时间为24小时。
未经批准不按期消除者,每条缺陷考核责任维护部100元,每超过8小时在原考核的基础上追加考核100元,以此类推。
9、设备消缺过程中,需相关维护部配合的工作,相关部门应积极配合,并按规定时间完成,否则每次考核配合部门100元。
系统、设备发生原因不明的缺陷,各相关部门应积极检查处理分管部分,因推诿、扯皮而影响及时消缺的,经认定后视情节考核责任人100~500元。
附录E:缺陷分类分级管理根据输变电设备运行管理标准中设备缺陷的分类原则,设备缺陷按其严重程度分为紧急、重大、一般。
1.一般缺陷:是指对近期安全运行影响不大的缺陷,可列入年、季检修计划或日常维护工作中去消除2.重大缺陷:是指缺陷比较严重,但设备仍可短期继续安全运行,该缺陷应在短期内消除,消除前应加强监视3.紧急缺陷; 是指严重程度以使设备不能继续安全运行,随时可能导致发生事故或危及人身安全的缺陷,必须尽快消除或采取必要的安全技术措施进行临时处理根据供电系统常用电气设备运行状况中的缺陷进行整理,对缺陷现状进行分类分级管理,并制定缺陷处理计划及措施,跟踪缺陷处理进度、完成情况,对已处理缺陷及时进行关闭,规X化管理设备缺陷,参照设备缺陷分类分级实施细则。
1 变电站设备缺陷分类标准1.1 变压器(消弧线圈、接地变、站用变、电抗器参照执行)21.2 断路器41.3 隔离开关51.4 母线61.5 防雷设备61.6 电力电缆71.7 控制电缆71.8 继电器81.9 表计81.10 电力电容器91.11 电压、电流互感器、耦合电容器、阻波器101.12 继电保护及自动装置111.13 直流设备121.14 土建部分131.15 变电其它设备142 通讯、计算机、远动、消防系统分类标准142.1 通讯142.2 计算机系统152.3 远动部分162.4 消防系统173 电力线路设备缺陷分类标准173.1 导线及架空地线173.2 绝缘子及金具183.3 杆塔193.4 横担203.5 拉线203.6 柱上开关213.7 配电变压器及令克213.8 避雷器223.9 接地装置223.10 线路电力电缆23附件1:设备缺陷记录25 附件2:线路缺陷记录26 1 变电站设备缺陷分类分级标准1.1变压器(消弧线圈、接地变、站用变、电抗器参照执行)1.1.1紧急缺陷1.1.1.1绝缘油不合格或呈酸性、水份严重超标、气相色谱分析重要指标超标或有明显隐患,油中烃类、氢气产气速率超过10%/月或0.25ml/h(开放式)和0.5ml/h(密封式);1.1.1.2内部有异常响声,套管严重破损、裂纹、有严重放电声,套管漏油,油位超过下限,密封失效,套管tanδ明显增长且超标,电容量与出厂值差别超出±5%;1.1.1.3引线或桩头过热发红(超过95℃);1.1.1.4电气预防性试验主要项目不合格;1.1.1.5测温装置全部损坏或失灵(220千伏及以上的油温温度计);1.1.1.6压力释放阀误动;1.1.1.7主变压器强油循环冷却器全停或失灵一半以上,影响出力或威胁安全运行;1.1.1.8潜油泵及油流继电器失灵;1.1.1.9本体漏油严重或大量喷油,油面低到—30℃油面线以下、油枕看不见油位;1.1.1.10变压器有载调压开关动作异常,极限位置不能闭锁,操作卡阻或跳档,滑档、指示动作不可靠,接触电阻不符合要求;1.1.1.11气体继电器内有气、漏油;1.1.1.12安全口隔膜或玻璃破碎1.1.1.13铁芯或外壳接地不良,接地电流不合格,串接电阻后仍不能满足运行要求,并有发展的趋势;1.1.1.14电抗器混凝土支柱有裂纹、支持瓷瓶有损伤;1.1.1.15电抗器线圈表面有树枝状放电现象。
设备缺陷记录填写说明1.变电设备包括:110kV变电站内设备以及35kV(10kV)电缆、集电线路、箱变、逆变器、汇流箱、光伏板、组窜至汇流箱电缆。
2.变电设备缺陷的分类及上报1)变电一类设备缺陷(重大缺陷)包括以下方面:造成升压站部分或全部停运的缺陷;造成集电线路停运的缺陷;因线路故障造成升压站停运的缺陷和光伏电站内其他严重威胁人身、设备安全,必须立即处理的缺陷。
发现此类缺陷应立即报告当班值长。
2)变电二类设备缺陷(较大缺陷)包括以下方面:集电线路发生的缺陷需停电处理但可以安排在光伏较弱或计划检修处理的缺陷;升压站发生的缺陷需停电处理但可以安排在升压站计划检修处理的缺陷;送出线路发生的缺陷需停电处理但可以安排在线路计划检修处理的缺陷和光伏电站内其他威胁人身、设备安全,必须立即处理,但不影响发电出力的缺陷。
发现此类缺陷应立即报告当班值长。
3)变电三类设备缺陷(一般缺陷):是指变电站内的设备出现异常,对安全、经济、稳定运行产生影响,但未构成一、二类设备缺陷的缺陷。
发现此类缺陷应立即报告当班值长。
3.光伏电站得到变电设备各类缺陷报告后,应记入“设备缺陷记录本”,写明部位、程度及有关数据。
4.维护单位在试验中发现的缺陷,也应通知运维人员,由运维人员登记缺陷。
5.设备缺陷的主要来源1)运维人员在巡视、检查过程中所发现的缺陷,或设备运行中自动装置报出的缺陷。
2)维护人员在定期检查、大修、小修或临修过程中发现的缺陷及异常。
3)电气预防性试验、交接试验中所发现的缺陷及异常。
4)其他监督人员、专业专职人员等在检查和维修工作中发现的缺陷及异常。
6.处理后的缺陷,应经当班值长验收并签名。
确认缺陷消除后,工作负责人在“设备缺陷记录”•缺陷处理情况栏内注明处理意见并签名,运维人员在缺陷处理情况及消除时间栏加盖“已消除”章。
设备缺陷记录光伏电站年月。
缺陷设备运行工作程序
一、在每日的巡视中,将有缺陷的设备设施记录于《缺陷设备设施登记表》中。
二、对一般的轻微的影响不大的缺陷设备应立即更换,并做好记录存档。
三、对一般的轻微的影响面宽的缺陷应尽量的将维修时间安排在下班后或住户休息后进行,在此之前应将需更换的材料全部准备好,并将维修时间通告所有商家/业主,维修完毕后做好维修记录并存档。
四、对缺陷已很严重的设备设施应立即口头通知工程维修主管和所有商家/住户,同时立即着手进行维修,并以书面形式将通知张贴于通告栏,维修完毕后做好维修记录并存档。
五、对暂时无法维修而缺陷已很严重的设备设施,应立即上报公司,同时将停止使用的原因及恢复使用时间公告于告示栏,并在限期内维修完毕。
六、对需进行外委修理的设备设施,应上报公司与管理,并限期维修完毕。
缺陷设备登记表。