当归生产工艺规程
- 格式:doc
- 大小:124.00 KB
- 文档页数:11
一、名称二、规格三、生产工艺流程图及质控要点四、炮制方法五、炮制工艺的操作要求和工艺技术参数六、物料、中间产品、成品的质量标准及贮存注意事项七、包装规格八、物料平衡的计算方法九、主要生产设备一览表及其生产能力当归炮制生产工艺规程一. 名称中文名当归汉语拼音 Danggui拉丁名 RADIX ANGELICAE SINENSIS二、规格薄片 1-2mm三、生产工艺流程图及质控要点3.1 生产工艺流程图拣去杂质,去掉非药用部分片厚1-2mm 稍润四、炮制方法:当归除去杂质,洗净,稍润,切薄片,低温干燥。
五、炮制生产操作过程及工艺技术参数5.1 领料按批生产指令制作领料单,按“领发料标准操作规程”到原药材库领取当归原料,领料员、药材库保管员根据领料单的数量领发料,及时填写出库记录和领料记录。
工艺要点:核对品名、批号、数量、检验合格报告单,合格证、物料放行许可证、称量核对。
5.2 净选按“净选岗位标准操作规程”将要挑拣的当归原药材置于挑选工作台上进行净选,除去非药用部分,并将药材按大小分档。
生产结束及时填写生产记录,经QA检查合格后与下一步工序交接。
按本岗位“清场标准操作规程”进行清场操作,填写清场记录,并经QA检查签字。
工艺要点①检查净选的中药材,并称量、记录;②净选操作必须按要求分别采用拣选,清除杂质,除去非药用部分,使药材符合净选质量标准要求;③拣选药材应设工作台,工作台表面应平整,不易产生脱落物;⑤净选后药材装合适容器,每件容器均应附有标志,注明药材名称、编号、炮制批号、数量、生产日期、操作者等;⑥经质量检验合格后交下工序。
⑦净度要符合中药材炮制品质量标准5.3 洗润5.3.1 洗药将净选后的药材,按清洗岗位标准操作规程进行清洗操作”,用清水将药材附着的泥土或不洁物洗净。
结束后将洗净的药材经QA检查合格后,转入下道工序。
清洗结束后,及时填写生产记录,与下一步工序交接。
按本岗位清场操作规程进行清场操作,填写清场记录,经QA检查后在清场记录及清场合格证上签字。
当归(酒制)生产工艺规程文件编号:LT0101500山西振东道地药材部门:生产部题目:当归(酒制)生产工艺规程第1 页共7 页起草人:日期:审核人:日期:批准人:日期:生效日期:颁发部门:分发部门:变更记载:修订号:修订日期:批准日期:变更原因及目的:1.产品概述1.1 别名:全当归。
1.2 规格:当归(酒制),Y015。
1.3 特点:1.3.1 性状:本品为圆形.椭圆形或不规则薄片,切面深黄色或浅棕黄色,略有焦斑。
香气浓郁,并略有酒香气。
1.3.2 性味与归经:甘.辛.温。
归肝.心.脾经。
1.3.3 功能与主治:活血通经,用于经闭痛经,风湿痹痛,跌打损伤。
1.3.4 用法与用量:6~12g。
2. 依据《中华人民共和国药典》xx 版一部和《山西中药炮制规范》1984 版。
3. 批量:18kg/批。
4. 工艺流程工艺参数人工操作,去除药材须根.杂质.泥沙常温润药润药X 档,厚度1~2mm切制药材净制文件编号:LT0101500部门:生产部题目:当归(酒制)生产工艺规程第2 页共7 页质量监控点工艺控制项目控制区5 炮制工艺操作要求5.1 炮制工艺过程及条件5.1.1 领料根据生产指令,开具限额领料单,领取当归药材,双人核对品名.批号.产地.数量无误后领回车间,放置在拣选间。
5.1.2 净选5.1.2.1 确保生产场所清洁,符合生产要求。
5.1.2.2 检查所用工具到位。
5.1.2.3 执行“净选岗位标准操作规程” ,将药材放在不锈钢拣选台上,去除药材中的杂质.泥沙及非药用部位,并按大小分级。
5.1.2.4 净选结束,将可用药材和选出的杂质分别进行称量,计算。
合格品转入下道工序,杂质按《废料管理制度》进行处理。
5.1.3 清洗5.1.3.1 将拣选后的药材核对无误后,放入 XY-720 型洗药机中。
5.1.3.2 执行“清洗岗位标准操作规程”和《XY-720 型洗药机标准操作规程》,调整洗药机转速至9转/分,放水量1-7 吨,具体用水量及清洗时间根据药材清洗效果确定。
当归生产工艺规程目的建立当归生产工艺规程,使其生产操作规范化、标准化,符合本公司生产实际和GMP 的管理要求,保证生产出的产品质量均一、稳定。
范围当归生产的全过程。
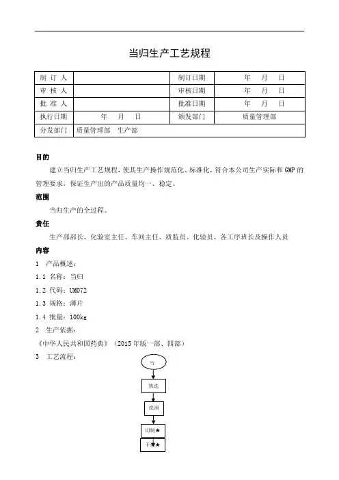
责任生产部部长、化验室主任、车间主任、质监员、化验员、各工序班长及操作人员 内容1 产品概述: 1.1 名称:当归 1.2 代码:UM072 1.3 规格:薄片 1.4 批量:100kg 2 生产依据:《中华人民共和国药典》(2015年版一部、四部) 3 工艺流程:4 炮制工艺 4.1 拣选:A 幢:除去杂质;杂质和非药用部位不得过3.0%。
B 幢:除去杂质;杂质和非药用部位不得过3.0%。
4.2 洗润:A 幢:先将药材在洗药池洗净,取出。
置润药池间隔0.5小时喷淋清水,润至切开中间无干心。
未润透率不得过3.0%,伤水率不得过2.0%。
B 幢:先将药材在不锈钢洗净,取出。
置润药池间隔0.5小时喷淋清水,润至切开中间无干心。
未润透率不得过3.0%,伤水率不得过2.0%。
4.3 切制:A 幢:1按WS ·EM ·027-01《BP-120型平板式刨片机操作规程》开启设备,切片,厚度不得过2mm ; 2“异型片”的监控在按规定调节好平板式刨片机后,切制岗位操作工先选取约0.5kg 药材试切,由质量监督员QA 挑出厚度不在范围内的异型片,称定重量,计算异型片率。
异型片率(%)=[异型片重/样品重]×100%(标准规定:异型片率不得过10.0%) 在正式切制过程中,质量监督员QA 随时观察切制片形、片厚等,并对切制情况进行评价,一旦发现切制异常,立即停机。
B 幢:1按WS ·EM ·027-01《BP-120型平板式刨片机操作规程》开启设备,切片,厚度不得过2mm ; 2“异型片”的监控在按规定调节好平板式刨片机后,切制岗位操作工先选取约0.5kg 药材试切,由质量监督员QA 挑出厚度不在范围内的异型片,称定重量,计算异型片率。
目录2、生产工艺流程4、质量监控:见“SCGL518001 酒当归生产关键工序质量监控要点”。
5、原辅料、中间产品、成品质量标准5.1 当归原料质量标准:见“ZLJS100101 原药材质量标准”。
5.2 酒当归中间产品质量标准:见“ZLJS400101 饮片中间产品质量标准”。
5.3 酒当归成品质量标准:见“ZLJS500101 饮片成品质量标准”。
6、包材质量标准和文字说明6.1 包材质量标准:见“ZLJS300101~ZLJS300601包装材料质量标准”6.2 包装说明文字:品名:酒当归规格:产地:重量:产品批号:生产日期:贮藏:置干燥处生产企业:7、生产区的工艺卫生要求7.1 生产区卫生要求:执行“CSGL001401一般生产区环境卫生管理规程”, 7.2 生产区清洁工作要求:执行“CSSOP000301一般生产区厂房清洁规程”, 7.3 生产区人员卫生要求:执行“SCGL000101一般生产区个人卫生规程”, 7.4 生产区工作服管理要求:执行“SCGL005701一般生产区工作服管理规程”9、技术经济指标核算9.2包装材料物料平衡使用量+残损量+剩余量塑料袋物料平衡= ×100%(99.0-101.0%) 本批领用量使用数+残损数+剩余数标签物料平衡= ×100%(99.0-101.0%) 本批领用数10、技术安全及劳动保护10.1 员工转岗或新工上岗前均要进行安全操作培训,熟悉本岗位的操作要点、质控要点及注意事项。
10.2 严格按工艺规程和岗位标准操作程序操作,切忌擅改工艺和岗位操作方法,工作应严肃认真。
10.3 电机设备严禁用水直接冲洗,清洁时亦不可用湿布擦拭。
在确保一切准备工作就绪后方可开机,以防轧手等事故发生。
10.4 设备定期保养,严格按设备维护保养管理制度操作使用。
10.5 拣选、切药、干燥、筛分等产尘、产湿岗位应有除尘排湿装置。
11、劳动组织和岗位定员11.1 劳动组织11.1.1 由生产制造部下达生产指令,车间依此组织生产。
当归炮制工艺规程目录1. 【目的】 (3)2. 【适用范围】 (3)3. 【引用标准】 (3)4. 【职责】 (3)5. 【产品概述】 (3)5.1. 原料 (3)5.2. 饮片 (3)6. 【工艺流程图】 (4)7. 【操作过程及工艺条件】 (5)7.1. 净制 (5)7.2. 洗润 (5)7.3. 切制 (5)7.4. 干燥 (5)7.5. 酒炙 (5)7.6. 包装 (6)8. 【工艺卫生】 (6)9. 【质量监控】 (6)10. 【质量标准】 (7)11. 【技术安全、工业卫生及劳动保护】 (7)12. 【操作工时与生产周期】 (8)13. 【劳动组合与岗位定员】 (8)13.1. 劳动组合 (8)13.2. 岗位定员 (8)14. 【主要设备一览表】 (8)15. 【物料消耗定额和技术经济指标】 (9)16. 【物料平衡】 (9)1.【目的】本工艺规程规定了当归炮制全过程的工艺技术、质量、物耗、安全、工艺卫生、环境保护等内容,使本产品的生产和质量管理、质量监控都有据可依。
2.【适用范围】本工艺规程适用于当归炮制的全过程,是各部门共同遵循的技术准则。
3.【引用标准】《中华人民共和国药典》2020年版一部139页《药品生产质量管理规范》2010年版及其附录4.【职责】生产部:负责起草本规程,并按本规程的要求执行。
质量部:负责审核本规程,并监督检查本规程的执行情况。
5.【产品概述】5.1.原料5.1.1.原料名称:当归5.1.2.汉语拼音:Dangui5.1.3.原料编码:Y01016010100005.1.4.原料来源:本品为伞形科植物当归Angelica sinensis(Oliv.)Diels的干燥根。
秋末采挖,除去须根和泥沙,待水分稍蒸发后,捆成小把,上棚,用烟火慢慢熏干。
5.1.5.性状:本品略呈圆柱形,下部有支根3~5条或更多,长15~25cm。
表面浅棕色至棕褐色,具纵皱纹和横长皮孔样突起。
一、名称二、规格三、生产工艺流程图及质控要点四、炮制方法五、炮制工艺的操作要求和工艺技术参数六、物料、中间产品、成品的质量标准及贮存注意事项七、包装规格八、物料平衡的计算方法九、主要生产设备一览表及其生产能力当归炮制生产工艺规程一. 名称中文名当归汉语拼音 Danggui拉丁名 RADIX ANGELICAE SINENSIS二、规格薄片 1-2mm三、生产工艺流程图及质控要点3.1 生产工艺流程图稍润3.2 质控要点四、炮制方法:当归除去杂质,洗净,稍润,切薄片,低温干燥。
五、炮制生产操作过程及工艺技术参数5.1 领料按批生产指令制作领料单,按“领发料标准操作规程”到原药材库领取当归原料,领料员、药材库保管员根据领料单的数量领发料,及时填写出库记录和领料记录。
工艺要点:核对品名、批号、数量、检验合格报告单,合格证、物料放行许可证、称量核对。
5.2 净选按“净选岗位标准操作规程”将要挑拣的当归原药材置于挑选工作台上进行净选,除去非药用部分,并将药材按大小分档。
生产结束及时填写生产记录,经QA检查合格后与下一步工序交接。
按本岗位“清场标准操作规程”进行清场操作,填写清场记录,并经QA检查签字。
工艺要点①检查净选的中药材,并称量、记录;②净选操作必须按要求分别采用拣选,清除杂质,除去非药用部分,使药材符合净选质量标准要求;③拣选药材应设工作台,工作台表面应平整,不易产生脱落物;⑤净选后药材装合适容器,每件容器均应附有标志,注明药材名称、编号、炮制批号、数量、生产日期、操作者等;⑥经质量检验合格后交下工序。
⑦净度要符合中药材炮制品质量标准5.3 洗润5.3.1 洗药将净选后的药材,按清洗岗位标准操作规程进行清洗操作”,用清水将药材附着的泥土或不洁物洗净。
结束后将洗净的药材经QA检查合格后,转入下道工序。
清洗结束后,及时填写生产记录,与下一步工序交接。
按本岗位清场操作规程进行清场操作,填写清场记录,经QA检查后在清场记录及清场合格证上签字。
目录2、生产工艺流程4、质量监控:见“SCGL546401 当归粉生产关键工序质量监控要点”。
5、原辅料、半成品、成品质量标准5.1 当归原料质量标准:见“ZLJS100101 原药材质量标准”。
5.2 当归粉中间产品质量标准:见“ZLJS400101 饮片中间产品质量标准”。
5.3 当归粉成品质量标准:见“ZLJS500101 饮片成品质量标准”。
6、包材质量标准和文字说明6.1 包材质量标准:见“ZLJS300101~ZLJS300601包装材料质量标准”6.2 包装说明文字:品名:当归粉规格:产地:重量:产品批号:生产日期:贮藏:置干燥处生产企业:7、生产区的工艺卫生要求7.1 生产区卫生要求:执行“CSGL001401 一般生产区环境卫生管理规程”,“SCGL005801 洁净区环境卫生管理规程”;7.2 生产区清洁工作要求:执行“CSSOP000301 一般生产区厂房清洁规程”,“SCGL006001 洁净区厂房清洁消毒管理规程”;7.3 生产区人员卫生要求:执行“SCGL000101 一般生产区个人卫生规程”,“SCGL000201 洁净区个人卫生管理规程”;7.4 生产区工作服管理要求:执行“SCGL005701 一般生产区工作服管理规程”,“SCGL006601 洁净区工作服管理规程”。
9、技术经济指标核算9.1 各工序收率及物料平衡9.2包装材料物料平衡使用量+残损量+剩余量塑料袋物料平衡= ×100% (99.0-101.0%) 本批领用量使用数+残损数+剩余数标签物料平衡= ×100%(99.0-101.0%) 本批领用数10、技术安全及劳动保护10.1 员工转岗或新工上岗前均要进行安全操作培训,熟悉本岗位的操作要点、质控要点及注意事项。
10.2 严格按工艺规程和岗位标准操作程序操作,切忌擅改工艺和岗位操作方法,工作应严肃认真。
10.3 电机设备严禁用水直接冲洗,清洁时亦不可用湿布擦拭。
当归药物成分及提取工艺分析
当归,又称为女药王,是一种常见的中药材,具有滋补血液、调经止痛、养颜润肤等功效。
当归的主要成分是挥发油、川芎色素、硷基多糖等。
其中,挥发油是当归的主要有效成分之一,主要由烯醇、醛、酮等化合物组成。
川芎色素则是当归的颜色来源,具有保护心血管、抗氧化等作用。
硷基多糖则是一种水溶性多糖,对免疫调节、抗肿瘤等具有重要作用。
当归药材的提取工艺主要包括水提取、醇提取等方法。
水提取是一种简便易行的提取方法,但存在着提取率低、成分复杂等缺点。
而醇提取则可提高提取率、分离纯化目标成分,但耗费的成本较高。
在水提取工艺中,水对当归药材进行煎煮,通过对水温、时间等条件的调节,使当归中的有效成分得到充分溶解和释放。
此外,还可采用辅助加热、加压等方式,进一步提高提取率和纯度。
水提取的主要优点是设备简单、能够保留部分水溶性成分;主要缺点是提取率低、溶剂泡腐等。
在醇提取工艺中,常用的有乙醇、丙酮等有机溶剂。
醇提取工艺通常采用冷浸、加热浸提等方式。
其中,冷浸提取工艺运用温度控制使当归药材与酒精等溶剂混合,再在恒温条件下进行连续浸提;加热浸提工艺则采用高温将溶剂蒸发,凝结提取的目标成分。
总之,当归药物成分及提取工艺对于当归的临床应用具有重要意义。
在临床应用时,可以根据患者的病情、身体情况、用药目的等综合考虑,选取适合的提取工艺和配方,以提高药物的疗效和安全性。
1 验证目的:为评价当归生产工艺规程的可行性和重现性,以及生产系统要素和生产过程中可能影响产品质量的各种生产工艺变化因素,特根据GMP要求制定本验证方案,对其整个生产过程进行验证,以确认在正常的生产条件下,按当归生产工艺规程确实能生产出质量合格、均一、稳定的符合预定规格及质量标准的当归。
2 验证的内容及步骤: 2.1 工艺流程图:2.22.2.1 QA 依据《批生产前准备操作规程》对生产人员、生产指令、记录、操作文件、操作间状态、卫生状态、设备状态、物料以及生产用具进行检查确认,确认无误后方可实施生产。
2.2.2 确认主要设备应都已通过验证。
主要设备见下表:2.2.3 确认所执行的标准及操作规程:2.2.4 确认所用原辅料及其检验情况:2.3 验证步骤:2.3.1 拣选:2.3.1.1 工艺要求:品种与指令相符,除去杂质、非药用部位,拣选后杂质含量≤2%。
2.3.1.2 验证要求:QA在拣选后药材中在不同部位取样5份进行杂质检查,杂质含量≤2%。
2.3.1.3 生产记录:操作人:复核人: QA:2.3.1.4 拣选验证原始记录:品名:当归批号:生产日期:年月日检查人:复核人:结论:日期:年月日品名:当归批号:生产日期:年月日检查人:复核人:结论:日期:年月日品名:当归批号:生产日期:年月日检查人:复核人:结论:日期:年月日2.3.1.5 项目结论:2.3.2 洗润:2.3.2.1 工艺要求:当归表面干净,无泥沙;润透,切开中间无干心。
2.3.2.2 验证要求:QA在润制后药材中在不同部位取样5份进行外观检查,当归要完全润透,切开中间无干心。
2.3.2.3 生产记录:操作人:复核人: QA: 2.3.2.4 润药验证原始记录:检查人:复核人:结论:日期:年月日2.3.2.5 项目结论:2.3.3 切制:2.3.3.1 工艺要求:切片,切制厚度为1~2mm,<1mm及>2mm不得超过25%。
1、目的、范围及责任1.1、目的:建立当归饮片生产工艺规程,使其生产操作规范化、标准化,符合本公司生产实际和GMP 的管理要求,保证生产出的产品质量均一、稳定。
1.2、适用范围:本工艺规程适用于当归炮制的全过程,是各部门共同遵循的技术准则。
1.3、责任:生产车间按该工艺规程组织生产和按该规程编制标准操作程序,生产部、质量管理部负责监督该规程的实施。
2、产品概述2.1药品名称品名:当归汉语拼音:Danggui2.2药材来源本品为伞形科植物当归Angelica sinensis (Oliv.)Diels.的干燥根。
秋末采挖,除去须根和泥沙,待水分稍蒸发后,捆成小把,上棚,用烟火慢慢熏干。
2.3功能主治:补血活血,调经止痛,润肠通便。
用于血虚萎黄,眩晕心悸,月经不调,经闭痛经,虚寒腹痛,风湿痹痛,跌扑损伤,痈疽疮疡,肠燥便秘。
酒当归活血通经。
用于经闭痛经,风湿痹痛,跌扑损伤。
2.4性味与归经:甘、辛,温。
归肝、心、脾经。
2.5性状:本品呈类圆形、椭圆形或不规则薄片。
外表皮黄棕色至棕褐色。
切面黄白色或淡棕黄色,平坦,有裂隙,中伺有浅棕色的形成层环,并有多数棕色的油点,香气浓郁,味甘、辛、微苦。
2.6商品名:当归2.7 等级/规格:统2.8 包装规格:聚乙烯袋装,250g/ 500g/袋。
2.9 复验期:暂定12个月。
2.10贮藏:置阴凉干燥处,防潮,防蛀。
3、法定制法和依据3.1法定制法:除去杂质,洗净,润透,切薄片,低温干燥。
3.2依据:《中国药典》2015年版。
3.3批量:30kg3.4所用的原辅料清单和处方量:5、生产操作过程5.1领料车间领料人根据生产指令开具领料单,经车间主任审批签字后,领料人凭领料单去仓库领料,领料时应同发料人一起复核所领物料的品名、批号、数量、质量,然后双方在领料单上签字。
外包装应无破损、受潮、水渍、霉变、鼠咬等现象,如不符合质量要求可拒绝领料,并向有关质量人员反映,待解决后领取。
1目的:规定了当归配方颗粒提取物生产工艺及原辅料、提取物质量标准等。
2范围:适用当归配方颗粒提取物生产工艺执行。
3职责:车间主管、工艺监督员、岗位操作工、质量监督员。
4 内容:4.1 引用标准和文件《中华人民共和国药典》(2020年版)《药品生产质量管理规范》(2010年修订)《当归配方颗粒提取物质量标准》(企业标准)4.2 产品基本信息4.3处方:《中药提取物质量标准》(企业标准)加水煎煮二次,合并煎液,滤过,滤液浓缩成清膏,加辅料适量,混匀,干燥,粉碎,混匀,分装,即得。
4.4 批量:每料250kg,每批8料,合计2000kg药材。
4.5 工艺流程图当归配方颗粒提取物生产工艺流程图入 库 级洁净区表示工序 表表示物料非洁净区 * 表示关键表示检验4.6详细的生产步骤和工艺参数说明4.6.1 生产前检查在每个工序开始前,按生产前准备工作程序进行相关项目检查。
4.6.2称量配料投料规格:符合《中华人民共和国药典》(2020年版)标准项下规定的净饮片。
4.6.3提取取投料品种的净饮片,投入到多功能提取罐中,提取两次,第一次加8倍量水,浸润1.5小时,加热至沸腾后煎煮1.5小时,煎煮完成后,过120目筛网过滤放出药液;第二次加6 倍量水,加热至沸腾后煎煮1小时,煎煮完成后,过120目筛网过滤放出药液,滤液转移至贮液罐,静置1-2小时。
4.6.4浓缩药液过200-300目滤布,取过滤后药液于浓缩器中,蒸汽压力控制在0.04~0.1Mpa,真空度控制在-0.08~-0.04Mpa,浓缩温度控制在65~70℃,浓缩至相对密度为1.08~1.10 g/ml(60℃)的流浸膏;200-300目滤过,放入洁净桶中。
4.6.5干燥上述合格的浸膏用喷雾干燥法干燥,喷雾干燥前根据投料药材总量,折算单位浸膏量所需加的辅料量(加入辅料量=投料药材总量×17%),将辅料加入浸膏中,搅拌均匀。
进风温度控制在:198~202℃,出风温度控制在97~102℃,进行喷雾干燥。
道地药材栽培及产地加工技术规范岷县当归1范围本标准规定了岷县当归道地药材栽培及产地加工技术的术语和定义、道地产区生态环境、选地、整地、育苗移栽、田间管理、采收、产地加工、包装、贮藏等技术要求。
本标准适用于甘肃岷县及邻近地区当归药材的栽培生产和产地加工。
2规范性引用文件下列文件所包含的条款,通过在本标准中引用而构成为本标准的条款。
凡注日期的引用文件,仅注日期的版本适用于本文件。
凡是不注日期的引用文件,其最新版本(包括所有的修改单)适用于本文件。
《中华人民共和国药典》2015年版一部3术语和定义3.1当归(Danggui)伞形科植物当归Angelica sinensis(Oliv.)diels.的根采收后经过洗净、除杂、干燥的加工品。
3.2岷县当归(Minxian Danggui)产于甘肃岷县及邻近地区的当归道地中药材。
3.3道地药材(Daodi herb)经过中医临床长期应用优选出来的,产在特定地域,与其他地区所产同种中药材相比,品质和疗效更好,且质量稳定,具有较高知名度的中药材。
4道地产区生态环境4.1海拔当归大田栽培适宜海拔在2000~2500m,育苗基地适宜在2500~2700m。
4.2年平均气温在年平均气温4.5~5.7℃的山区。
4.3降雨量适宜年平均降雨量570~650mm。
4.4土壤育苗地适宜选择土层深厚、肥沃疏松、富含腐殖质的砂壤土,pH值近中性。
移栽地适合选择质地为中壤土或沙壤土的黑土或灰褐土,pH值中性至弱碱性。
4.5地形地势苗地要求阴凉潮湿,日照时间短,以5°~25°背风向阳坡地为佳。
移栽地坡度一般小于15º。
5选地整地5.1选地5.1.1产地环境要求岷县当归道地中药材传统采用高山育苗、低山移栽的栽培方式。
岷归育苗地通常选择海拔高度2500 ~2700m生地、轮歇地,尤以土层深厚、肥沃的生荒地为宜。
当归大田栽培前茬以麦类作物为好,轮作周期要求三年以上。
当归的采收及加工
本品为伞形科植物当归的干燥根。
⑴产地:主产于甘肃岷县、武都、漳县、成县、文县等地,云南、四川、陕西、湖北等省亦产。
主为栽培。
⑵产地加工:秋末采挖,除去须根及泥沙,待水分稍蒸发后,捆成小把,上棚,用烟火慢慢熏干。
⑶性状:略呈圆柱形,下部有支根3-5条或更多,长15-25厘米。
表面黄棕色至棕褐色,具纵皱纹及横长皮孔。
根头(归头)直径1.5-4厘米,具环纹,上端圆钝,有紫色或黄绿色的茎及叶鞘的残基;主根(归身)表面凹凸不平;支根(归尾)直径0.3-1厘米,上粗下细,多扭曲,有少数须根痕。
质柔韧,断面黄白色或淡黄棕色,皮部厚,有裂隙及多数棕色点状分泌腔,木部色较淡,形成层环黄棕色。
有浓郁的香气,味甘、辛、微苦。
以主根粗长、油润、外皮色黄棕、断面色黄白、气味浓郁者为佳。
柴性大、干枯无油或断面呈绿褐色者不可供药用。
当归药物成分及提取工艺分析当归,又称女药王,是一种被广泛应用于中医药领域的植物药材,具有调理经血、活血止痛等广泛的药用价值。
当归中的药物成分被广泛研究和应用,其中包括活血化瘀的化学成分,具有很高的药用价值。
在当归的提取过程中,采用不同的方法可以得到不同的药用成分,提取工艺不仅影响药物的质量,还会影响到药物的药效。
在此,本文将对当归药物成分及提取工艺进行分析。
一、当归药物成分分析1.1 当归的化学成分当归含有多种活血化瘀的化学成分,主要包括挥发油、羟基香豆素类、多糖类等。
挥发油是当归的主要有效成分,包括引起当归特有气味的精油和不挥发性油脂两部分。
精油中的主要成分为极性化合物,如猴头果醇、丁香烯酚、丁二醇等。
不挥发性油脂中则富含脂肪酸、甾醇和生物碱。
羟基香豆素是当归中的一类重要活性成分,具有抗血小板聚集、调节血液凝血等活性。
多糖类是当归中的另一类重要成分,其具有提高机体免疫力、抗氧化、抗肿瘤等作用。
1.2 当归的药理作用当归具有活血祛瘀、调经止痛、养血补血等药理作用。
其主要活性成分挥发油、羟基香豆素和多糖类通过改善微循环、调节凝血功能以及抗氧化等作用,起到活血化瘀、调节经血的作用。
当归还具有调节免疫功能、抗菌消炎等作用,有助于提高机体免疫力,预防和治疗感染性疾病。
当归被广泛用于调理妇女月经不调、痛经、产后血瘀等症状,对于提高机体免疫力、预防心脑血管疾病也具有一定的作用。
二、当归的提取工艺分析2.1 当归的提取方法常见的当归提取方法包括水提取、醇提取和超临界流体提取等。
水提取是指将干燥的当归粉末与水进行浸提,再用蒸发浓缩或冷冻干燥等方法得到当归提取物。
醇提取则是将当归与乙醇或丙醇等有机溶剂进行浸提,再用蒸发浓缩得到当归提取物。
超临界流体提取是指在超临界状态下利用二氧化碳等超临界流体对当归进行提取,然后通过降压或升温使提取物恢复常态。
2.2 当归提取工艺参数不同的当归提取方法需要合理选取提取工艺参数,包括提取剂种类、提取剂浓度、提取温度、提取时间等。
中药饮片生产质量管理标准文件
文件编号:SC/JB/GY/01600
当归炮制
生产工艺规程
颁发日期年月日生效日期年月日
吉林省泽康药业有限公司
当归炮制生产工艺规程
目录
一、名称
二、规格
三、生产工艺流程图及质控要点
四、炮制方法
五、炮制工艺的操作要求和工艺技术参数
六、物料、中间产品、成品的质量标准及贮存注意事项
七、包装规格
八、物料平衡的计算方法
九、主要生产设备一览表及其生产能力
当归炮制生产工艺规程
一. 名称
中文名当归
汉语拼音 Danggui
拉丁名 RADIX ANGELICAE SINENSIS
二、规格
薄片 1-2mm
三、生产工艺流程图及质控要点
3.1 生产工艺流程图
拣去杂质,去掉非药用部分片厚1-2mm
稍润
水份应不超过10%
3.2 质控要点
四、炮制方法:
当归除去杂质,洗净,稍润,切薄片,低温干燥。
五、炮制生产操作过程及工艺技术参数
5.1 领料
按批生产指令制作领料单,按“领发料标准操作规程”到原药材库领取当归原料,领料员、药材库保管员根据领料单的数量领发料,及时填写出库记录和领料记录。
工艺要点:
核对品名、批号、数量、检验合格报告单,合格证、物料放行许可证、称量核对。
5.2 净选
按“净选岗位标准操作规程”将要挑拣的当归原药材置于挑选工作台上进行净选,除去非药用部分,并将药材按大小分档。
生产结束及时填写生产记录,经QA检查合格后与下一步工序交接。
按本岗位“清场标准操作规程”进行清场操作,填写清场记录,并经QA检查签字。
工艺要点
①检查净选的中药材,并称量、记录;
②净选操作必须按要求分别采用拣选,清除杂质,除去非药用部分,使药材符合净选质量标准要求;
③拣选药材应设工作台,工作台表面应平整,不易产生脱落物;
⑤净选后药材装合适容器,每件容器均应附有标志,注明药材名称、编号、炮制批号、数量、生产日期、操作者等;
⑥经质量检验合格后交下工序。
⑦净度要符合中药材炮制品质量标准
5.3 洗润
5.3.1 洗药
将净选后的药材,按清洗岗位标准操作规程进行清洗操作”,用清水将药材附着的泥土或不洁物洗净。
结束后将洗净的药材经QA检查合格后,转入下道工序。
清洗结束后,及时填写生产记录,与下一步工序交接。
按本岗位清场操作规程进行清场操作,填写清场记录,经QA检查后在清场记录及清场合格证上签字。
工艺要点:
①清洗药材用水应符合国家饮用水标准;
②清洗厂房内应有良好的排水系统,地面不积水,易清洗,耐腐蚀;
③洗涤药材的设备或设施内表面应平整、光洁、易清洗、耐腐蚀,不与药材发生化学变化或吸附药材;
④药材洗涤应使用流动水,用过的水不得用于洗涤其他药材,不同的药材不宜在一起洗涤;
⑤洗涤时应注意掌握时间,勿使药材在水中浸泡过久,以免损失药效。
⑥洗涤后的药材应及时转下道工序进行炮制
5.3.2 浸润
将洗净的原药材置于润药池内,稍润30分钟,即可转入下道工序。
操作结束后,及时填写生产记录,与下一步工序交接。
按本岗位清场操作规程进行清场操作,填写清场记录,经QA检查后合格后在清场记录清场合格证上签字。
工艺要点:
①需浸润的药材按其大小、粗细、软硬程度,浸润方法,并根据操作时间的季
节、气候条件,严格掌握在工艺参数范围内;
②控制好浸润药材的用水量及时间,做到药透水尽,不得出现药材伤水腐败、霉变、产生异味等变质现象;
③浸润药材符合切制要求后应及时切制;
5.4 切片
将浸润软硬适中的当归药材,按切制岗位标准操作规程、高速截断切药机标准操作规程进行切片操作。
将当归切制成1-2mm的片,结束后将切制好的当归,经QA 检查合格后,及时转入干燥岗位进行干燥处理。
操作结束后,及时填写生产记录。
按本岗位清场操作规程进行清场操作,填写清场记录,经QA检查合格后在清场记录上签字。
工艺要点:
①根据不同药材及性能按工艺要求将药材切成片、段等,并符合炮制品标准
②切制后药材装合适容器,每件容器均应附有标志,注明名称、规格、批号、数量、切制日期、操作者等,经检查合格后及时交下工序。
5.5 干燥
按“干燥岗位标准操作规程”、“三层网带式烘干机标准操作规程”,将已切制进行干燥,所得净药材饮片盛于洁净容器内,挂上标签,及时转入下道工序。
操作结束后,按“三层网带式烘干机清洁操作规程”进行清洁操作,填写生产设备清洁记录,并经QA检查合格签字。
及时填写生产记录、入站单,并与下工序进行交接。
按本岗位“清场标准操作规程”进行清场操作,填写清场记录,经QA检查合格后在清场记录上签字。
工艺要点:
①根据药材性质和工艺要求选用不同的干燥方法,但不得露天干燥;
②干燥温度不超过60℃,药材厚度为1.5-2cm, 并要定期检查厚度是否适应干燥需要,干燥至水分小于10%。
③干燥设备及工艺的技术参数应经验证确认;
④干燥后的药材应装入洁净容器,每件容器均应附有标志,注明中间产品名称、编号、生产批号、数量、规格、日期、操作者等。
⑤净药材饮片经质量检验合格后交下工序。
⑥本步所得中间产品质量要符合中药材炮制品质量标准
5.6 分装
生产操作前,进行清场检查。
按批包装指令从中转站领取经检验合格饮片,从包材仓库领取内包装材料及标签,根据产品包装规格要求,确定每袋装量1kg、2kg、5kg及装量差异范围。
根据每袋重量,调节好称量器具的装量,按照“分装岗位标准操作规程”进行分装操作,在分装过程中,每隔30分钟抽一次装量,严格控制装量差异,并详细记录抽查结果,确保每袋装量在控制范围内。
分装后饮片放入专用容器内,作好标识,挂待验品状态标志牌,填写请验单,进行待包品检验。
同步填写原始生产记录,按本岗位清场标准操作规程清场,填写清场记录,并经QA验收签字。
工艺要求:
①分装规格:每袋装1kg、2kg、5kg。
操作中随时注意检查装量是否准确,要求每隔30分钟,必须检查一次装量,装量不得少于标示量。
②包装前检查包装材料有无破损,内部是否清洁、干燥,必要时要采用适当的方法进行清洁或消毒。
③包装前要对包装材料及标签的文字和图案进行核对,如发现问题要及时向领导汇报。
④生产结束任务后,应将所使用的设备,工具、中间产品、成品、内包装材料等作好记录,严格执行交接班手续。
⑤本步所得产品质量要符合要求。
5.7 外包装
按照批包装指令,车间领料员填写领料单,经车间主任签字后,领取标签、包装材料。
标签要计数发放,并复核,仓库管理人员和车间领料员分别在领料单上签字。
包材先暂存在包装车间的包材暂存间内,挂状态标志牌。
包装程序:
打印批号(标签)→贴标签→入库待验→贴合格证
按照“包装岗位标准操作规程”进行操作,在包装岗位打印批号,每批包装结束后及时运至成品仓库规定位置,待验,挂待验标志牌。
本批包装完成后,剩余的包装材料及时清理退库,并填写退库记录。
盖有本批批号及有残次的标签等,退库后由仓库保管员在QA人员监督下销毁,并填写标签退
库销毁单。
标签的领用数等于实用数、退库数及销毁之和。
同步填写生产记录、并控制产品在规定收率范围。
经检验合格的成品,由公司质量部门对批生产记录、批检验记录、现场监控记录及各种记录凭证进行审核,合格后,填写成品审核放行单,发放检验合格证及成品放行报告书至物料管理部,仓库管理员把待验标志牌换成合格标志牌,填入库单入成品分类帐,并贴上产品合格证,方可放行销售。
工艺要点:
①包装车间要确保批包装指令与包材上文字标志和待包装产品一致。
包装车间在同一包装间内不能同时包装不同批号中药饮片,更不能包装两个或几个不同的品种。
防止混淆。
②如遇有产品零头,需要合袋时,严格按照“成品零头管理规程”进行操作。
③包装规格:1袋×1kg、1袋×2kg、1袋×5kg
④包装产品收率和包材回收率规定如下:
包装产品收率:98%
标签回收率:100%
六、原辅材料、包装材料、中间产品、成品质量标准和检验方法及贮存注意事项
6.1 原辅材料、包装材料、中间产品、成品质量标准
6.2原辅料、包装材料、中间产品、成品检验方法
6.3原辅料、包装材料、中间产品、成品的贮存注意事项参见其质量标准项下的具体规定
七、包装规格:1袋×1kg、1袋×2kg、1袋×5kg
八、物料平衡的计算方法
产品每个批次,每个关键工序生产结束都必须计算收率,进行物料平衡是避免或及时发现差错与混药的有效措施。
8.1 收率:
8.2 物料平衡的计算及平衡限度
GMP生产管理(8)文件编号:SC/JB/GY/01600
8.3.1 凡平衡限度在合格范围内,经质量管理部门检查并在物料周转单上签字
后方可“流转”。
8.3.2 凡平衡限度高于或低于合格范围内,应立即贴待查标志,不能递交下工
序,并由发现人填写偏差处理单,经车间管理人员质量管理部门按“偏差处理管理规程”进行调查,采取处理措施,直至调查确认不影响产品最终质量的情况下,方可放行。
九、主要生产设备一览表及其生产能力
第10 页共10 页。