模糊控制详细讲解实例之欧阳歌谷创作
- 格式:doc
- 大小:80.01 KB
- 文档页数:14
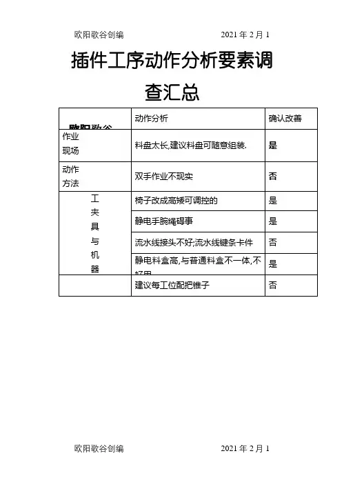
欧阳歌谷创编 2021年2月1 插件工序动作分析要素调
查汇总
欧阳歌谷创编 2021年2月1
汇总动作改善提案问题分析
欧阳歌谷创编 2021年2月1
一、料盘改成随意组装可减少作业空间的占用并减小动作距离
二、椅子改成高矮可调控可减轻身体疲劳
欧阳歌谷创编 2021年2月1
三、防静电手腕改成无绳可便于元器件的取放
说Array明:
由于
插件
动作改善提案最终并未能根据改善建议进行改善(经评审,椅子改成高矮可调暂不实施;可组装料
盘与无绳防静电手腕正在联系中),所以无改善后的分析及具体改进的经济性分析。
并插件动作改
善提案动作要素不能量化,所以无法形成图示。
欧阳歌谷创编 2021年2月1。
题目欧阳歌谷(2021.02.01)摘要1问题的重述基于移动互联网的自助式劳务众包平台,为企业提供各种商业检查和信息搜集,相比传统的市场调查方式可以大大节省调查成本,而且有效地保证了调查数据真实性,缩短了调查的周期。
对于整个过程当中,任务的定价问题成为了核心关键。
当定价过高时,商家所付出的代价太大;当定价过低时,会员拒接此类任务,最终导致商品检查(任务)失败。
请讨论以下问题:问题一根据对所给的附件一已结束项目任务数据的研究,研究(找出)项目任务的定价规律,同时分析部分任务未完成的原因。
问题二根据问题一的情况为附件一中的项目设计一个新的任务定价方案,并且与原方案进行比较。
问题三考虑到实际情况中,绝大多数用户会争相竞争选择位置比较集中的多个任务,因此,商家(平台)考虑将这些任务联合在一起打包发布。
基于这种条件,对问题二的定价模型进行相应的修改并且分析此类情形对最终任务的完成情况有什么影响。
问题四根据前三问分析所建立出来的定价模型给出附件三中新项目的任务定价方案,并且评价该方案的实施效果。
2问题分析“拍照赚钱”的任务实际上就是通过劳务众包的方式进行工作,所谓众包就是将原本由企业内部员工完成的任务,以开放的形式外包给未知的且数量庞大的群体来完成。
在本题所涉及到的自助式劳务众包平台,企业将所需搜集的信息通过APP这个平台,展现在大众面前,大众根据自身情况来对一系列任务进行选择性的完成,最终得到相应的奖金。
问题一中对于任务悬赏金额量的确定是由一系列因素决定的,包括任务发布者所期望得到的作品数量、同期不同发布商所给的悬赏金、任务的难易程度、任务的期限等,对于问题一我们可以将这些因素都考虑进去,挖掘出各因素对于定价的影响规律,最终确定项目任务的定价规律,在综合分析实际情况和用户的信誉程度影响,来归纳出任务未完成的原因。
问题二中对于任务未完成情况的再分析,在问题一建立的模型的基础上,再考虑任务量,交通便利性等因素,将这些因素考虑进去之后,充分考虑任务点周围会员的信誉值情况,讨论任务未完成跟低信誉会员之间有什么关系,建立新的任务定价模型再给出新的任务定价方案,最后结合计算机对任务进行模拟仿真,得到在新任务定价条件下的各区域任务完成率和总完成率,将这个指标与之前的指标进行比较,可判断新任务定价方案是否优于模型一。
深入浅出REST欧阳歌谷(2021.02.01)作者Stefan Tilkov译者苑永凯发布于2007年12月25日下午10时10分不知你是否意识到,围绕着什么才是实现异构的应用到应用通信的“正确”方式,一场争论正进行的如火如荼:虽然当前主流的方式明显地集中在基于SOAP、WSDL和WS-*规范的Web Services领域,但也有少数人用细小但洪亮的声音主张说:更好的方式是REST,表述性状态转移(Representational State Transfer)的简称。
在本文中,我不会涉及争论的话题,而是尝试对REST和Restful HTTP 应用集成做实用性的介绍。
以我的经验,有些话题一旦触及就会引来众多的讨论,当涉及到这方面话题的时候,我会深入详细地阐述。
REST关键原则大部分对REST的介绍是以其正式的定义和背景作为开场的。
但这儿且先按下不表,我先提出一个简单扼要的定义:REST定义了应该如何正确地使用(这和大多数人的实际使用方式有很大不同)Web标准,例如HTTP和URI。
如果你在设计应用程序时能坚持REST原则,那就预示着你将会得到一个使用了优质Web架构(这将让你受益)的系统。
总之,五条关键原则列举如下:•为所有“事物”定义ID•将所有事物链接在一起•使用标准方法•资源多重表述•无状态通信下面让我们进一步审视这些原则。
为所有“事物”定义ID在这里我使用了“事物”来代替更正式准确的术语“资源”,因为一条如此简单的原则,不应该被淹没在术语当中。
思考一下人们构建的系统,通常会找到一系列值得被标识的关键抽象。
每个事物都应该是可标识的,都应该拥有一个明显的ID——在Web中,代表ID 的统一概念是:URI。
URI构成了一个全局命名空间,使用URI 标识你的关键资源意味着它们获得了一个唯一、全局的ID。
对事物使用一致的命名规则(naming scheme)最主要的好处就是你不需要提出自己的规则——而是依靠某个已被定义,在全球范围中几乎完美运行,并且能被绝大多数人所理解的规则。
目录欧阳歌谷(2021.02.01)一、负荷预测技术发展情况 0二、算法实现 (2)三、编程代码 (5)四、算例测试 (6)五、心得体会 (9)六、参考文献 (10)一、负荷预测技术发展情况为电力负荷预测制定一个精确的模型对一个公用事业公司的运作和规划是必不可少的。
负荷预测也可帮助电力事业来作出重大的决定,包括关于购买和发电,负荷开关,及基础设施的发展。
短期负荷预测是随着电力系统EMS的逐步发展而发展起来的,现已经成为EMS必不可少的一部分和为确保电力系统安全经济运行所必需的手段之一。
随着电力市场的建立和发展,对短期负荷预测提出了更高的要求,短期负荷预测不再仅仅是EMS的关键部分,同时也是制定电力市场交易计划的基础。
电力系统负荷预测为这一地区电力规划奠定了一定的基础,同时也为这一地区电力工业布局、能源资源平衡、电力余缺调剂,以及电网资金和人力资源的需求与平衡提供可靠的依据。
因此,电力负荷预测是一项十分重要的工作,它对于保证电力工业的健康发展,乃至对于整个国民经济的发展均有着十分重要的意义。
电力负荷预测分为经典预测方法和现代预测方法。
(1)经典预测方法1)时间序列法时间序列法是一种最为常见的短期负荷预测方法,它是针对整个观测序列呈现出的某种随机过程的特性,去建立和估计产生实际序列的随机过程的模型,然后用这些模型去进行预测。
它利用了电力负荷变动的惯性特征和时间上的延续性,通过对历史数据时间序列的分析处理,确定其基本特征和变化规律,预测未来负荷。
时间序列预测方法可分为确定型和随机性两类,确定型时间序列作为模型残差用于估计预测区间的大小。
随机型时间序列预测模型可以看作一个线性滤波器。
根据线性滤波器的特性,时间序列可划为自回归(AR)、动平均(MA)、自回归-动平均(ARMA)、累计式自回归-动平均(ARIMA)、传递函数(TF)几类模型,其负荷预测过程一般分为模型识别、模型参数估计、模型检验、负荷预测、精度检验预测值修正5个阶段。
天津市天开陶普电器有限公司欧阳歌谷(2021.02.01)程序文件编号: TP/CX-□-2011编制:审核:批准:版本:B受控状态:分发号:2011年6月12日发布实施程序文件目录注:3C程序文件另成册1 目的为了确保质量管理体系所要求的文件得到有效控制,以使其适用、有效和不致被误用。
2适用范围本程序适用于与质量管理有关的文件,包括质量管理体系文件、3C技术文件和资料,以及外来文件(各类标准、软件、产品样本等)3 职责3.1质量体系文件(除技术文件和资料外)由办公室负责管理。
3.2技术文件和资料由技检部负责管理3.3各部门的文件,由各部门自行负责管理。
同时,各部门应作好公司或部门所发文件的管理工作。
3.4技检部负责外来文件的统一收发控制。
4 工作程序4.1文件和资料的分类a、质量手册(包括方针、目标)b、程序文件c、管理性文件(如管理制度)d、技术文件(如检验规程、技术标准、工艺规程等)e、外来文件(如国家标准、行业标准、客户图纸、强制认证产品有关文件等)f、记录4.2文件编制和审批任何文件的编制都必须具备可靠性依据,并且保证依据的持续性和可查性。
4.2.1质量手册由总经理授权管理者代表组织有关部门人员编写,经评审后由总经理批准发布实施。
4.2.2质量体系程序由各有关部门负责起草,由总经理批准发布。
4.2.3管理文件由办公室负责组织各相关部门起草,经审核,报总经理批准发布实施。
4.2.4技术性文件和资料由技检部门负责起草,经总经理或授权有关人员审批后发布实施。
4.2.5记录按《质量记录控制程序》执行。
4.3文件的编号4.3.1质量管理体系文件的编号方法a)质量手册:TP/ SC- 2011b)程序文件:TP/ CX - ×××-2011公司代号质量手册代号编制年份编制年份c)管理文件: TP / □-×.×.×d)程序文件相关记录的编号:TP /QR- JL-××-××-××4.4 文件发放a 、质量手册由总经理确定发放范围,由办公室发放。
英语情景教学法的应用欧阳歌谷(2021.02.01)情景教学法是在课堂上设置一些真实性和准真实性的情景来学习和使用知识, 在教学过程中,教师有目的引入和创设具有一定情感色彩的,以形象为主体具体的场景,以引起学生一定的态度体验, 从而帮助学生理解知识和技能,并使学生心理机能得到发展, 达到教学目的的一种教学方法。
捷克教育家夸美纽斯曾说:“一切知识都是从感官开始的”。
情景教学法能使学生身临其境或如临其境,给学生展示鲜明具体的形象,使学生从形象的感知达到抽象的理性思维和顿悟,从而激发学生的学习兴趣,使学习活动成为学生自觉活动。
著名教育家陶行知先生说:“教学艺术就在于设法引起学生的兴味,有了兴味就肯用全副的精力去做事体。
” 情景教学法,可激发学生的学习兴趣,英语教学中,巧用情境教学法不失为一条锦囊妙计。
正如布鲁姆所说:“成功的外语课堂教学应当在课内创设更多的情境,让学生有机会运用已学到的语言材料。
”现行的中学英语教学由于缺乏语言环境 ,课堂40分钟的利用率如何,直接影响学生语言能力的提高和智力的开发。
因此,应在初中英语的课堂教学中主动应用“情景教学法”,激发学生学习英语的兴趣,消除他们因为缺乏语言环境而产生的畏难情绪,发挥他们学习的主动性。
可以提高学生的学习积极性,增强英语课堂教学的有效性.在平时的课堂教学中,我们可以尝试采用以下几种创设情景境的教学策略:第一、运用游戏创设情景,有利于激发学生的学习兴趣游戏是人类从儿童成长为成人的过程,是极自然的事,游戏注重过程的体验,在赋予儿童娱乐体验的同时,也促进儿童认知、情感和生活技能的发展,使学生在笑声中更有效地学习,更快地吸收知识,它作为英语教学的重要辅助手段,备受学生欢迎。
因此,在英语教学中巧妙运用游戏,能有效地激发和培养学生的学习兴趣,树立学习自信心并促进学生的全面发展。
英语课堂教学中创设游戏情境能使学生达到乐、学、练的结合及思维与想像的发挥。
在适宜的情境中,用较短的时间达到最佳的效果,可以激发学习动机,发展多种能力,启发思维和想像力,对培养情感与个性都有很大的作用。
实验一处理器调度欧阳歌谷(2021.02.01)一、实验内容选择一个调度算法,实现处理器调度。
二、实验目的在采用多道程序设计的系统中,往往有若干个进程同时处于就绪状态。
当就绪状态进程个数大于处理器数时,就必须依照某种策略来决定哪些进程优先占用处理器。
本实验模拟在单处理器情况下处理器调度,帮助学生加深了解处理器调度的工作。
三、实验题目设计一个按优先数调度算法实现处理器调度的程序提示:(1)假定系统有五个进程,每一个进程用一个进程控制块PCB 来代表。
进程控制块的格式为:其中,进程名----作为进程的标识,假设五个进程的进程名分别是P1,P2,P3,P4,P5。
指针----按优先数的大小把五个进程连成队列,用指针指出下一个进程的进程控制块首地址,最后一个进程中的指针为“0”。
要求运行时间----假设进程需要运行的单位时间数。
优先数----赋予进程的优先数,调度时总是选取优先数大的进程先执行。
状态----可假设有两种状态,“就绪”状态和“结束“状态,五个进程的初始状态都为“就绪“状态,用“R”表示,当一个进程运行结束后,它的状态变为“结束”,用“E”表示。
(2)在每次运行你所设计的处理器调度程序之前,为每个进程任意确定它的“优先数”和“要求运行时间”。
(3)为了调度方便,把五个进程按给定的优先数从大到小连成队列,用一单元指出队首进程,用指针指出队列的连接情况。
例:队首标志(4)处理器调度总是选队首进程运行。
采用动态改变优先数的办法,进程每运行一次优先数就减“1”。
由于本实验是模拟处理器调度,所以,对被选中的进程并不实际的启动运行,而是执行:优先数-1要求运行时间-1来模拟进程的一次运行。
提醒注意的是:在实际的系统中,当一个进程被选中运行时,必须恢复进程的现场,它占有处理器运行,直到出现等待事件或运行结束。
在这里省去了这些工作。
(5)进程运行一次后,若要求运行时间≠0,则再将它加入队列(按优先数大小插入,且置队首标志);若要求运行时间=0,则把它的状态修改为“结束”(),且退出队列。
镜头的类别与作用欧阳歌谷(2021.02.01)发布时间:2012-02-17 浏览次数:一、镜头的类别(一)根据视觉距离的不同,有不同景别的镜头:远景、全景、中景、近景、特写、大特写等。
(二)根据摄像机镜头的运动方式不同,有不¨拍摄技巧的镜头:推、拉、摇、移、跟、升、降等。
(三)根据表现方法不同,有主观镜头和客观镜头。
(四)根据拍摄角度不同,有仰拍、平拍和俯拍的镜头。
(五)根据镜头的时间长短不同,有长镜头和短镜头。
(六)还有只拍摄自然景物的“空镜头”。
下面将分别介绍这些不同类别镜头的特征与作用。
二、景别的区分与作用在实际生活中,人们依据自己所处的位置和当时的心理需要,或远看取其势,或近看取其质,或扫视全局,或盯住一处,或看个轮廓,或明察细节。
影视艺术正是为了适应人们这种心理上、视觉上的变化特点,才产生了镜头的不同景别。
电视镜头不同景别的获得,取决于摄像机同被摄对象之间的远近,也取决于摄像机所用光学镜头的焦距。
在固定距离处,改变可变焦距摄像机的焦距,可以拍下不同景别的镜头。
景别的划分,一般地是由摄影画面表现出来的景物范围去区分,通常是以人的活动作为标准。
(一)远景远景是视距最远的景别,是摄像机摄取远距离景物和人物的一种画面。
这种画面能展示巨大的空间,表现的范围相当宽广,用来交代事物发生的地点及其周围的环境;也用来表现宽广,辽阔的场面,展示雄伟壮观的气势;也可用来描写景物,使之富有意境和诗意,从而抒发作者或人物的感情。
(二)全景表现范围比远景小,只包括所要表现的事物的全体,全貌,而不包括它周围的环境。
从人物来看,就是能清晰看到人物的全部动作。
它的作用和远景差不多,用以介绍环境,表现气氛,展示大幅度的动作,刻画人物和环境的联系。
(三)中景取景范围比全景小,表现人物膝部以上的活动。
它使用较多,因为它不远不近位置适中,非常适合观众的视觉距离,使观众既能看到环境,又能看到人的活动和人物之间的交流。
部编版二年级语文看图写话、留言条欧阳歌谷(2021.02.01)爱护花草一个阳光灿烂的早上,公园里牛伯伯弯着腰,推着除草机给小草剪头发。
王叔叔站着凳子为大树修剪枝叶。
丁叔叔手上拿着锤子为公园钉上“爱护花草”的小木牌。
小红看见草地上美丽的小花,正准备去摘的时候,丁叔叔说:“小朋友,你看,这里写着要爱护花草。
”小红的脸红了,对叔叔说:“对不起,我错了,我以后都要爱护花草。
”奶奶生病了一天,小红到医院里看望生病住院的奶奶。
她拿着一个又大又红的苹果,高兴地跑过去,把苹果送给奶奶说:“奶奶,祝你早日康复。
”奶奶高兴地用双手接着,高兴地笑了,说:“小红,苹果真香啊,你真是个好孩子!”快乐十分钟叮铃铃,下课了,操场上真热闹。
小朋友们都玩着自己喜欢的活动。
有的同学打乒乓球,旁边的同学为他们加油呢。
有的同学在踢毽子,小朋友在旁边为他们数数。
还有的同学在练习跳绳和跳大绳,他们玩得可高兴呢!叮铃铃,上课了,小朋友们渡过了快乐的十分钟。
懂事的文文晚上,妈妈做饭的时候,文文给妈妈拿酱油,妈妈开心地笑了。
爸爸下班回来了,文文帮爸爸提挂包,爸爸开心地笑了。
爷爷坐在沙发上看报纸,文文给爷爷送上老花眼镜,爷爷开心地笑了。
吃饭的时候,文文给奶奶盛上一碗热腾腾的米饭,奶奶也笑了。
大家都说文文懂事了。
帮妈妈做饭今天家里来客人了,妈妈在厨房里做菜,妈妈左手拿铲,右手拿锅,不停地炒着!那边还有香喷喷的汤呢!小红也来帮忙洗菜,只见她认真地扒开叶子,放在水里洗了好几次呢!妈妈说:“小红,你真是妈妈的好帮手!”小鸭子得救了一个阳光灿烂的早上,小象、小熊和小猴在森林里玩耍。
忽然听到有小动物喊救命的声音。
它们走过去一看,原来是小鸭子掉到一个大坑里了。
它们马上想办法,小猴拿来一根木棍,可是小鸭子没有手,怎么也拉不上来。
小熊拿来一个小桶,但是桶太小,走了好几回都没装满水。
小象说:“让我来吧!”只见它用鼻子用力地吸了一口水,往坑里一喷,坑里马上注满了水,小鸭子得救了。
1目录一、欧阳歌谷(2021.02.01)二、实验一 (1)三、实验二 (7)四、实验三 (11)五、实验四 (15)欧阳歌谷创编2021年2月11实验一定时/计数器验证实验一、实验目的熟悉定时/计数器T0的特点,学会合理选择定时方式并能根据具体情况结合软件的方式定时。
二、实验设备及器件IBM PC机一台 PROTEUS 硬件仿真软件Keil C51。
三、实验内容用AT89C51单片机的定时/计数器T0产生1s的定时时间,作为秒计数时间,当1s产生时秒计数加1;秒计数到60时,自动从0开始。
四、实验要求要求采用Proteus软件实现上述实验。
五、实验步骤1.打开Proteus ISIS编辑环境,按照表1-1所列的元件清单添加元件。
元件名称所属类所属子类AT89C51Microprocessor8051 FamilyCAP Capacitors GenericCAP-ELEC Capacitors GenericCRYSTAL Miscellaneous——RES Resistors Generic 7SEG-COM-CAT-GRN Optoelectronics7-Segment Displays PULLUP Modeling Primitives Digital[Miscellaneous]元件全部添加后,在Proteus ISIS的编辑区域中按图1-1所示的原理图连接硬件电路。
图1-1 电路原理图2.根据参考程序绘出流程图,并辅以适当的说明。
流程图如图1-2所示:图1-2 程序流程图3.打开KeilμVision4,新建Keil项目,选择AT89C51单片机作为CPU,将参考程序导入到“Source Group 1”中。
在“Options for Target”对话窗口中,选中“Output”选项卡中的“Create HEX File”选项和“Debug”选项卡中的“Use:Proteus VSM Simulator”选项。
黑客再一次推动产业进步欧阳家百(2021.03.07)在最初的时候,单反拍视频并不被大众所接受,很长一段时间里,都被冠以鸡肋的称号,直到一些人用无敌兔拍了些实验性小片儿之后,大家才渐渐的接受了这一事实,各种赞誉也就随之而来,什么梦幻镜头感啦,牛X控噪啦,革专业机的命啦之类之类,虽然它依然很难操控,但至少大家对它的画质给予了肯定的评价。
借着这股单反拍视频的春风,佳能打出了EOS MOVIE 的大旗,无敌兔在婚庆圈儿里更是火得无法无天。
·黑客再一次推动产业进步然而,人性是贪婪的。
在很多人都还沉浸在“如电影般”梦幻浅景深的视频镜头中时,也有越来越多的人,已经不满足于单反视频的质量,昨天还在说这玩意儿无敌,今天就抱怨它宽容度太低,再拽几个诸如4:2:0啦,H.264啦之类一般人不懂的词汇,把单反拍视频又狠狠的贬为垃圾,然后对着RED之流YY不已,顺带乱喷各大厂商的各种不厚道...震惊!5D3支持拍摄14bit RAW无损视频了!这时,一群玩摄影的黑客,成了推动科技发展和产业进步的源动力。
说起一代神机GH2,在圈里的人气之所以能力压5D2,就是因为它能破解出超高码率,并因此拥有挑战数万元专业机的能力,成就了一段传奇...当GH2独领风骚数年之后,近期,又一群玩摄影的黑客,再一次带来了令人震惊的好消息——5D3被破解了!5D3 14bit RAW视频实拍短片:商皛说相声(建议全屏、超清)如果说GH2单纯飙码率只能算是量变,那么这次5D3的破解,绝对是质变,因为善良的黑客同志赋予了它拍摄14bit无损视频的能力——每一帧,都是RAW!这个真心很无敌。
由于工作需要,笔者经常用单反拍摄视频,揪心于后期调整空间太小,老早就渴望拥有一台能拍无损的视频机,因此,5D3的本次破解,笔者非常感兴趣,并在第一时间尝了鲜,今天在此迫不及待的与各位同好分享。
产品:5D Mark III套机(24-105mm)佳能数码相机对比:为啥要破解这到底有多逆天·对比:为啥要破解这到底有多逆天在破解之前,我们需要先了解一下为啥要破解。
波峰焊过程中,十五种常见不良分析概要欧阳歌谷(2021.02.01)电子制造工艺技术一、焊后PCB板面残留多板子脏:1.FLUX固含量高,不挥发物太多。
2.焊接前未预热或预热温度过低(浸焊时,时间太短)。
3.走板速度太快(FLUX未能充分挥发)。
4.锡炉温度不够。
5.锡炉中杂质太多或锡的度数低。
6.加了防氧化剂或防氧化油造成的。
7.助焊剂涂布太多。
8.PCB上扦座或开放性元件太多,没有上预热。
9.元件脚和板孔不成比例(孔太大)使助焊剂上升。
10.PCB本身有预涂松香。
11.在搪锡工艺中,FLUX润湿性过强。
12.PCB工艺问题,过孔太少,造成FLUX挥发不畅。
13.手浸时PCB入锡液角度不对。
14.FLUX使用过程中,较长时间未添加稀释剂二、着火:1.助焊剂闪点太低未加阻燃剂。
2.没有风刀,造成助焊剂涂布量过多,预热时滴到加热管上。
3.风刀的角度不对(使助焊剂在PCB上涂布不均匀)。
4.PCB上胶条太多,把胶条引燃了。
5.PCB上助焊剂太多,往下滴到加热管上。
6.走板速度太快(FLUX未完全挥发,FLUX滴下)或太慢(造成板面热温度太高)。
7.预热温度太高。
8.工艺问题(PCB板材不好,发热管与PCB距离太近)。
三、腐蚀(元器件发绿,焊点发黑)1. 铜与FLUX起化学反应,形成绿色的铜的化合物。
2. 铅锡与FLUX起化学反应,形成黑色的铅锡的化合物。
3. 预热不充分(预热温度低,走板速度快)造成FLUX残留多,有害物残留太多)。
4.残留物发生吸水现象,(水溶物电导率未达标)5.用了需要清洗的FLUX,焊完后未清洗或未及时清洗。
6.FLUX活性太强。
7.电子元器件与FLUX中活性物质反应。
四、连电,漏电(绝缘性不好)1. FLUX在板上成离子残留;或FLUX残留吸水,吸水导电。
2. PCB设计不合理,布线太近等。
3. PCB阻焊膜质量不好,容易导电。
五、漏焊,虚焊,连焊1. FLUX活性不够。
2. FLUX的润湿性不够。
纵观近几年的中考情况,对文言文的考查内容主要集中在以下几方面: 1、常见文言实词的意义和文言虚词的作用。
2、顺畅朗读,断句停顿。
3、句子的翻译和理解。
4、理解文意并对文章内容进行分析和评价。
考查的选文内容也从课内向课外延伸,但材料短小,文意浅显,注重考查学生的文言迁移能力。
本文将从以上四方面谈谈应试时的注意事项及方法。
一文言字词的复习文言文的文意把握以翻译句子和理解句意为前提,而弄懂句意,正确朗读又以理解文言文的字词含义为前提。
所以我们首先要注意对古汉语中虚实词意义的理解和积累。
(一)文言实词的理解文言实词的理解,主要指一词多义,古今异义,通假字,词类活用等实词,这些词语都有内在的规律可掌握,复习时应从归纳复习并加以识记。
1 一词多义古代的词以单音节为主,一个词往往有几个义项。
许多时候,各个义项之间是有关联的。
因此我们必须掌握最基本的义项,由基本义项而展开的引申义要结合具体的语境掌握。
如:间(1)中间。
《送东阳马生序》“余则缊袍敝衣处其间。
”(2)参与。
《曹刿论战》:“肉食者谋之,又何间焉?”(3)隔开,隔绝。
《桃花源记》“遂与外人间隔”当然,会有些和基本义项相去甚远的意思,这些特殊的义项我们在复习的过程中要把它作为重点并牢牢地记住。
2 古今词义从古至今,大多数词义发生了变化,大致有以下几种情况:(1)词义扩大。
如“江”“河”在古代一般专指“长江”“黄河”,而现在成为河流的统称。
(2)词义缩小。
如“妻子”古代指“妻子”和“儿女”,现在仅指“妻子”。
(3)词义转移。
如“牺牲”,古代指祭祀用的猪牛羊等,是名词;今天转移为“为了正义事业而献身”。
这类词应将古今词意结合起来记忆,在考试时才能准确辨别。
3 通假字古今通假,就是两个字通用,两字之间只是语音相同或相近,并没有意义上的联系。
如“万钟则不辩礼义而受之”中,“辩”通“辨”。
通假字的复习没有捷径可走,主要靠平时的积累。
4 词类活用古汉语中,某些实词按照一定的语言习惯灵活运用,在词句中临时改变它原来的词性,这种现象叫词类活用。
初中语文文言文答题技巧欧阳歌谷(2021.02.01)文言文的考察在“难易程度上”应属于“易”的。
通常考察以下几方面:1.能正确地理解文言词语的含义。
2.能正确地将文言语句译成现代汉语。
3.能理解并归纳文章的主要内容。
4.能把握作者在文章中表达的思想感情,提高自己的欣赏品味。
课内部分只要有针对性的去背就行了。
课外的解题方法如下:课外文言文阅读解题四步骤中考文言文阅读必然会考到课外语言材料。
面对从未读过的语段或文章,又无工具书可查,怎么办?在解答这类题目时,很多人感到束手无策。
总结出解题四个步骤,仅供你参考。
第一步快速浏览题目课外文言文阅读试题有个特点:有的题目选项出示了文中某些关键字词的意思,有的题目则提示了文言文的主要内容。
浏览题目有助于同学们初步了解文言文的大致意思。
所以,接到课外文言文阅读文段,首先应该快速浏览文段后的题目。
第二步仔细分析标题一般而言,课外文言文阅读文段都会给出标题。
教师要指导学生留意并仔细分析文段的标题。
因为大部分标题本身就概括了文言文的主要内容。
例如,在一次测试中考了一个“楚人学舟”的课外文言文阅读文段。
这个主谓结构的标题概括了文段的主要内容,我们看了标题就知道文段的主要内容了。
总之,仔细分析文段的标题,可使我们快速理解文言文的主要内容。
第三步结合注释速读全文课外文言文阅读文段,对于一些难懂的文言字词一般都会给出注释。
这些注释有助于同学们准确理解文言文的主要内容。
所以,教师应提醒学生千万别忽略这些注释,而应结合注释速读全文。
另外需要注意的是,教师要提醒学生在阅读全文的过程中,碰到“拦路虎”千万别停下来苦苦思索,而应继续阅读。
总之,速读全文,不求完全读懂,能明白文章的大致意思就可以了。
第四步“对症下药”解答问题课外文言文阅读问题设计有三种类型,即词语解释题、句子翻译题和内容理解题。
对于不同的题目则采用不同的解题方法:(1)词语解释题。
这类题目多数是考查文言实词中一词多义的现象,而这些文言实词基本上都是同学们在课内文言文中学习过的。
《眼镜制作加工和调整》课程讲义欧阳歌谷(2021.02.01)第一章眼镜制作概论众所周知,一副合格的眼镜应满足下列条件:①能够矫正屈光不正②佩戴的舒服感要好③外观美感要好第一节眼镜制作加工过程接待顾客→验光→镜架、镜片选择→制作加工→检查调整无论哪个部门和各个工序都必须力求精确,也即要尽可能减少加工误差。
我国现在执行的标准:GB13511-1999(配装眼镜)第二节处方笺一、格式(略)二、瞳距PD—一般指远用瞳距,即眼睛视远时两眼瞳孔之间的距离,而且PD还指镜角距为12mm左右时眼镜片光学中心的距离。
1、近用瞳距:视近时的瞳孔距离,实际上是指镜角距为12mm左右时眼镜片光心距离。
2、有棱镜处方的镜片光心距:例如:R+2.00DS/1△底外,PD=62mmL+2.00DS均分法:R+2.00DS/0.5△底外L+2.00DS/0.5△底外移量:3、单眼瞳距:专家指出多数人的双眼对鼻梁中心来说是不对称的,对这种人配制双光眼镜、渐进眼镜必须测量单眼瞳距。
PD 远用右 PD 远用左PD 近用右 PD 近用左仍按前述公式计算 4、瞳距测量: ①瞳距尺: ②瞳距仪:(略) 三、镜角距:镜片后顶点到眼球角膜顶点间的距离,一般选为12mm ,近视镜片(负镜片)→镜角距增大→度数下降→须增加度数补正;远视、老花镜片(正镜片)→镜角距增大→镜角距增大→度数上升→须降低度数补正。
※上表为不同的镜角距离,达到眼睛给予同一度数的矫正效果而所需的镜片度数。
四、眼镜角度1、倾斜角:远用眼镜和一般眼镜~25°。
如果角度不正确会产生散光度(直散光)2、弯角:按成像分析,内弯较好,但影响美观,所以选180°或稍为外弯的形式,如果角度不正确也会产生散光度(倒散光)。
第三节眼镜工作者的使命正确开具处方,忠实制作眼镜,不合格的眼镜会给眼睛以棱镜度,开始眼球会产生疲劳,久而久之会引起病变,如斜位等。
第二章眼镜制作加工的方式手工、机器并用第一节手工制作方式:指不采用自动磨边机制作的方式,要求操作人员技术性高,制作时间长(工序多),精度低。
借助微视频展示微课堂欧阳歌谷(2021.02.01)一些优秀的微课我们通常会将它保存下来,我们以前大都采用记笔记的方法将他保存到纸质载体上来。
如今,随着信息技术在校园内的越来越普遍应用,我们已经可以将这些优秀的课通过视频录制的方法将它以微视频的形式记录下来。
以便能够更加直观地去学习这些优秀的微课案例。
下面我从四个方面来谈谈微视频的制作。
一、微视频制作的要求1、无知识性错误,是微视频录制的底线性要求,知识性错误包括讲解错误(不规范)或者是书写错误(不规范)。
2、视频学习需要学生观看,只有界面简洁、与学生的年龄特点和心理特点相符合的微视频,才更有利于学生学习。
3、微视频学习只是翻转课堂教学模式的一个组成部分,它并非是教学过程的全部。
制作者要抓住“知识点”这一最基础的部分,而不要试图解决学生学习的全部问题。
二、微视频制作易出现的问题1.内容过多。
有的教师在制作微视频时,将课堂上40分钟要讲解的内容压缩成15分钟内的视频讲解。
2.节奏过快。
教师急着赶进度,学生思维跟不上教师讲解的节奏,影响学习效果。
3. 太过正式。
微视频的讲解强调教师语言亲和、和蔼,是一对一辅导或者指导的风格。
4.呈现不清。
一是内容呈现不清楚,屏幕上内容过多,学生看不清楚;二是呈现的思路不清,教学步骤应一步步地呈现,而不能瞬间呈现几个步骤,造成思维的跳跃。
5.讲解不明。
一是讲述的冗余信息多,不利于学生抓住学习要点;二是录制声音过小,学生听起来费力。
6. 分散注意。
视频的制作,一切要从有利于学生知识学习的角度来考虑,避免可能分散学生注意力的因素。
三、微视频制作的原则1.知识点明确。
制作微视频时,尽可能细化各知识点,短小精悍,讲解清楚,让学生循序渐进掌握每个知识点。
2.即时反馈原则。
在学习微视频的过程中或一个微视频学完之后,要让学生完成与该知识点相关的进阶作业,监测和矫正学生学习的情况。
3. 指导而非教导。
教师在微视频中讲解学习内容时,其身份是“学生身边的指导者”,语言要生动、有亲和力。
一、速度控制算法:欧阳歌谷(2021.02.01)首先定义速度偏差-50 km/h≤e(k)≤50km/h,-20≤ec(i)=e(k)-e(k-1)≤20,阀值eswith=10km/h设计思想:油门控制采用增量式PID控制算法,刹车控制采用模糊控制算法,最后通过选择规则进行选择控制量输入。
选择规则:e(k)<0 ①e(k)>-eswith and throttlr_1≠0 选择油门控制②否则:先将油门控制量置0,再选择刹车控制0<e(k)先选择刹车控制,再选择油门控制e(k)=0 直接跳出选择刹车控制:刹车采用模糊控制算法1.确定模糊语言变量e基本论域取[-50,50],ec基本论域取[-20,20],刹车控制量输出u基本论域取[-30,30],这里我将这三个变量按照下面的公式进行离散化:其中,,n为离散度。
E、ec和u均取离散度n=3,离散化后得到三个量的语言值论域分别为:E=EC=U={-3,-2,-1,0,1,2,3}其对应语言值为{NB,NM,NS,ZO,PS,PM,PB}2.确定隶属度函数E/EC和U取相同的隶属度函数即:说明:边界选择钟形隶属度函数,中间选用三角形隶属度函数,图像略实际EC和E输入值若超出论域范围,则取相应的端点值。
3.模糊控制规则由隶属度函数可以得到语言值隶属度(通过图像直接可以看出)如下表:表1:E/EC和U语言值隶属度向量表设置模糊规则库如下表:表2:模糊规则表3.模糊推理由模糊规则表3可以知道输入E与EC和输出U的模糊关系,这里我取两个例子做模糊推理如下:if (E is NB) and (EC is NM) then (U is PB)那么他的模糊关系子矩阵为:其中,,即表1中NB对应行向量,同理可以得到, ,if (E is NVB or NB) and (EC is NVB) then (U is PVB)结果略按此法可得到27个关系子矩阵,对所有子矩阵取并集得到模糊关系矩阵如下:由R可以得到模拟量输出为:4.去模糊化由上面得到的模拟量输出为1×7的模糊向量,每一行的行元素(u(zij))对应相应的离散变量zj,则可通过加权平均法公式解模糊:从而得到实际刹车控制量的精确值u。
油门控制:油门控制采用增量式PID控制,即:只需要设置、、三个参数即可输出油门控制量。
二、程序实现及参数调节clear all%************************模糊算法%/*********隶属度向量 *****%P0=[1,0.5,0,0,0,0,0];%*********NBP1=[0,1,0.5,0,0,0,0];%*********NMP2=[0,0.5,1,0.5,0,0,0];%*********NSP3=[0,0,0.5,1,0.5,0,0];%*********ZOP4=[0,0,0,0.5,1,0.5,0];%*********PSP5=[0,0,0,0,0.5,1,0];%*********PMP6=[0,0,0,0,0,0.5,1];%*********PB%***********语言值 *****%NB=-3;NM=-2;NS=-1;ZO=0;PS=1;PM=2;PB=3;%/*********模糊规则表*****%Pg=[PB PB PM PM PS ZO ZO;PB PM PM PS ZO ZO NS;PM PM PS PS ZO NS NS;PM PS PS ZO ZO NS NM;PS PS ZO ZO ZO NS NM;PS ZO ZO ZO NS NM NB;ZO ZO ZO NS NM NM NB];%/*********根据规则表计算模糊关系矩阵*****% R1_=dikaer(xbing(P0,P1),7,P0,7);R1_=reshape(R1_,1,49);R1=dikaer(R1_,49,P6,7);R2_=dikaer(xbing(P2,P3),7,P0,7);R2_=reshape(R2_,1,49);R2=dikaer(R2_,49,P5,7);R3_=dikaer(P0,7,P1,7);R3_=reshape(R3_,1,49);R3=dikaer(R2_,49,P6,7);R4_=dikaer(xbing(P1,P2),7,P1,7); R4_=reshape(R4_,1,49);R4=dikaer(R4_,49,P5,7);R5_=dikaer(P3,7,P1,7);R5_=reshape(R5_,1,49);R5=dikaer(R5_,49,P4,7);R6_=dikaer(xbing(P0,P1),7,P2,7); R6_=reshape(R6_,1,49);R6=dikaer(R6_,49,P5,7);R7_=dikaer(xbing(P2,P3),7,P2,7); R7_=reshape(R7_,1,49);R7=dikaer(R7_,49,P4,7);R8_=dikaer(P0,7,P3,7);R8_=reshape(R8_,1,49);R8=dikaer(R8_,49,P5,7);R9_=dikaer(xbing(P1,P2),7,P3,7); R9_=reshape(R9_,1,49);R9=dikaer(R9_,49,P4,7);R10_=dikaer(P3,7,P3,7);R10_=reshape(R10_,1,49);R10=dikaer(R10_,49,P3,7);R11_=dikaer(xbing(P0,P1),7,P4,7); R11_=reshape(R11_,1,49);P45=xbing(P4,P5);R12_=dikaer(xbing(P2,P3),7,P45,7); R12_=reshape(R12_,1,49);R12=dikaer(R12_,49,P3,7);R13_=dikaer(P0,7,P5,7);R13_=reshape(R13_,1,49);R13=dikaer(R13_,49,P4,7);R14_=dikaer(P1,7,P5,7);R14_=reshape(R14_,1,49);R14=dikaer(R14_,49,P3,7);P01=xbing(P0,P1);R15_=dikaer(xbing(P01,P2),7,P6,7); R15_=reshape(R15_,1,49);R15=dikaer(R15_,49,P3,7);R16_=dikaer(P3,7,P6,7);R16_=reshape(R16_,1,49);R16=dikaer(R16_,49,P2,7);R17_=dikaer(P4,7,P0,7);R17_=reshape(R17_,1,49);R17=dikaer(R17_,49,P4,7);R18_=dikaer(xbing(P5,P6),7,P0,7); R18_=reshape(R18_,1,49);R19_=dikaer(xbing(P4,P5),7,P1,7); R19_=reshape(R19_,1,49);R19=dikaer(R19_,49,P3,7);R20_=dikaer(P6,7,xbing(P1,P2),7); R20_=reshape(R20_,1,49);R20=dikaer(R20_,49,P2,7);P23=xbing(P2,P3);R21_=dikaer(P4,7,xbing(P23,P4),7); R21_=reshape(R21_,1,49);R21=dikaer(R21_,49,P3,7);R22_=dikaer(P5,7,xbing(P23,P4),7); R22_=reshape(R22_,1,49);R22=dikaer(R22_,49,P2,7);R23_=dikaer(P6,7,xbing(P3,P4),7); R23_=reshape(R23_,1,49);R23=dikaer(R23_,49,P1,7);R24_=dikaer(P4,7,P5,7);R24_=reshape(R24_,1,49);R24=dikaer(R24_,49,P2,7);R25_=dikaer(P5,7,P5,7);R25_=reshape(R25_,1,49);R25=dikaer(R25_,49,P1,7);R26_=dikaer(P6,7,xbing(P6,P5),7);R26_=reshape(R26_,1,49);R26=dikaer(R26_,49,P0,7);R27_=dikaer(xbing(P4,P5),7,P6,7);R27_=reshape(R27_,1,49);R27=dikaer(R27_,49,P1,7);m=[R1,R2,R3,R4,R5,R6,R7,R8,R9,R10,R11,R12,R13,R14,R15,R16,R 17,R18,R19,R20,R21,R22,R23,R24,R25,R26,R27];R=bingji(m);%*************初始化参量e=0;ec=0;y_1=0;y_2=0;u=0;u_1=0;u_2=0;u_3=0;e_1=0;e_2=0; Eswith=10;throttle_1=0;brake_1=0;x=[0 0 0];ts=0.001;sys=tf(1,[1,2,1],'inputdelay',0.5);dsys=c2d(sys,ts,'zoh');[num,den]=tfdata(dsys,'v');for k=1:1:40000%****************控制系统time(k)=k*ts;if(k<25000)vd(k)=40;elsevd(k)=0;endy(k)=-den(2)*y_1-den(3)*y_2+num(2)*u_1+num(3)*u_2; e=vd(k)-y(k);ec=e-e_1;u_3=u_2;u_2=u_1;u_1=u;y_2=y_1;y_1=y(k);x(1)=e;x(2)=(e-e_1)/ts;x(3)=x(3)+e*ts;%*******************************油门PID控制kp=0.42;Ti=30;Td=0.0018;ki=kp*ts/Ti;kd=kp*Td/ts;dthrottle=kp*x(1)+kd*x(2)+ki*x(3);throttle=u_1+dthrottle;if(throttle>2000)throttle=2000;end%****************************刹车控制%/********压缩输入变量*****%E=lisan(-50,50,3,e);EC=lisan(-20,20,3,ec);%/*********计算实际输入变量隶属度向量*****% E_R(1)=lbell(E,1,4,-3);E_R(2)=trig(E,-3,-2,0);E_R(3)=trig(E,-3,-1,1);E_R(4)=trig(E,-2,0,2);E_R(5)=trig(E,-1,1,3);E_R(6)=trig(E,0,2,3);E_R(7)=rbell(E,1,4,3);EC_R(1)=lbell(EC,1,4,-3);EC_R(2)=trig(EC,-3,-2,0);EC_R(3)=trig(EC,-3,-1,1);EC_R(4)=trig(EC,-2,0,2);EC_R(5)=trig(EC,-1,1,3);EC_R(6)=trig(EC,0,2,3);EC_R(7)=rbell(EC,1,4,3);%/*********模糊推理过程*****%U_R1=dikaer(E_R,7,EC_R,7);U_R1=reshape(U_R1,1,49);U_R2=jdikaer(U_R1,49,R,7);U_R=max(U_R2);u_L=mean(U_R);%/*********去模糊化*****%brake=-flisan(-150,150,3,u_L);e_2=e_1;e_1=e;%/************************选择规则if (e<0)if ((e>-Eswith)||(throttle_1~=0))if(throttle<=throttle_1)throttle_1=throttle;u=throttle;Q(k)=u;W(k)=0;elsethrottle=0;throttle_1=throttle;u=throttle;Q(k)=u;W(k)=0;endelseif(throttle_1==0)brake_1=brake;u=brake;W(k)=u;Q(k)=0;elsethrottle=0;throttle_1=throttle; u=throttle;Q(k)=u;W(k)=0;endendelseif(e~=0)if(brake_1==0)throttle_1=throttle; u=throttle;Q(k)=u;W(k)=0;elsebrake=0;brake_1=brake;u=brake;endelseu=0;W(k)=0;Q(k)=0;endend%********************»-ͼÊä³öÁ¿¶¨ÒåM(k)=u;%******************************迟滞环节if (time(k)<=0.5)u=0;elseu=M(k-0.5/ts);endend%**********画图figure(1);plot(time,vd,'r',time,y,'k','linewidth',2);xlabel('time(s)');ylabel('vd,y');legend('ÆÚÍû','ʵ¼Ê');figure(2);plot(time,Q,'r','linewidth',2);xlabel('time(s)');ylabel('u');figure(3);plot(time,W,'r','linewidth',2);xlabel('time(s)');ylabel('u');figure(4);plot(time,N,'b');xlabel('time£¨s£©');ylabel('e');程序说明:仿真分加速和加速两个阶段,加速阶段主要应用油门控制,加速阶段主要由刹车控制。