三通或四通尺寸
- 格式:docx
- 大小:256.37 KB
- 文档页数:4
沟槽式管件的结构型式和基本尺寸要求
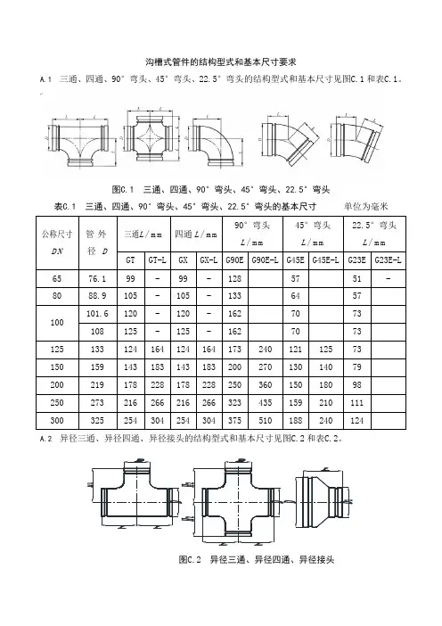
A.1 三通、四通、90°弯头、45°弯头、22.5°弯头的结构型式和基本尺寸见图C.1和表C.1。
图C.1 三通、四通、90°弯头、45°弯头、22.5°弯头表C.1 三通、四通、90°弯头、45°弯头、22.5°弯头的基本尺寸单位为毫米
A.2 异径三通、异径四通、异径接头的结构型式和基本尺寸见图C.2和表C.2。
图C.2异径三通、异径四通、异径接头
表C.2异径三通、异径四通、异径接头尺寸单位为毫米
A.3 沟槽卡压异径接头、沟槽卡压异径三通、沟槽卡压异径四通的结构型式和基本尺寸见图C.
3和表C.3。
图C.3 沟槽卡压异径三通、沟槽卡压异径四通、沟槽卡压异径接头 单位为毫米
A.4 沟槽法兰的结构型式与基本尺寸见图C.4和表C.4。
图C.4 沟槽法兰结构图
表C.4 沟槽法兰尺寸的基本尺寸单位为毫米。
管件尺寸表管件尺寸表是指用于管道连接的各种管件的规格和尺寸的汇总表,常用于管道设计、安装和维护等工作中。
管件尺寸表按照管道的直径大小、管件的种类和连接方式等进行分类,具体内容如下:一、阀门类管件尺寸表1.截止阀:DN50-400mm2.球阀:DN15-1000mm3.闸阀:DN40-600mm4.蝶阀:DN50-1200mm5.止回阀:DN15-1200mm6.隔膜阀:DN15-500mm7.电动阀门:DN15-1200mm二、管接类管件尺寸表1.弯头:R=1.5D,1D,0.75D,0.5D;DN15-1200mm2.三通(等通、异口):DN15-1200mm3.四通(等通、异口):DN50-600mm4.变径管(通径扩大或缩小):DN15-1200mm5.扩口管(口径扩大):DN15-1200mm6.缩口管(口径缩小):DN15-1200mm三、法兰类管件尺寸表1.法兰(平焊、对焊、螺纹、承插):DN15-2400mm2.法兰盲板:DN15-2400mm3.法兰套(法兰之间连接的管段):DN15-2400mm4.衬垫(用于补偿法兰之间的不平衡):DN15-2400mm四、管卡类管件尺寸表1.管卡(U型、三角型):DN15-400mm2.卡箍(橡胶、金属):DN15-400mm3.卡簧(单簧、双簧):DN15-400mm五、其他类管件尺寸表1.管塞(盲板):DN15-1200mm2.法兰喉(用于改变法兰连接的管段角度):DN15-1200mm3.管帽(用于管道的盖头和止水作用):DN15-1200mm4.接头(连接管道和设备的部件):DN15-1200mm以上是一些常见的管件尺寸表,具体尺寸和规格还需按照不同的行业、材料、压力等情况进行详细的规划和设计。
在安装和维护管道时,必须按照管件尺寸表来选择合适的管件和连接方式,以确保管道系统的正常运行和安全性。
机械三通开孔尺寸表
采用支管接头时支管最大允许直径(mm)
支管直径DN
主管直径DN
机械三通机械四通
50 25 --
65 40 32
80 40 40
100 65 50
125 80 65
150 100 80
200 125 100
250 150 100
300 200 100
机械三通,四通的安装:
1.安装机械三通,四通时,应在钢管支架接口位置开孔,开孔使用专用的钢管开孔机械和带中心距的中央钻头。
2.将开孔机底座上的V形铁骑附在管道上,调整链条长度,并用插销定位,然后紧固链条另一端的螺母,使本机牢固的定位在管道上,用与开孔大小相应(见开孔尺寸表)具有定位功能的专用空心钻头进行钻孔。
钻孔时扳动(压下)手柄,使开孔器徐徐向下,接近管子时查看位置是否正确,并适当添加润滑,冷却剂。
3.用游标卡尺检验开孔尺寸,并清理毛刺,油污,使其表面干净,光滑。
4.在密封圈的唇部和背部涂上润滑剂,放入机械三通(四通)的密封槽内。
检查密封圈与孔洞间隙必须均匀,安装于钢管孔洞上下,用力矩扳手均匀拧紧两侧螺栓。