签派放行工作规范
- 格式:doc
- 大小:70.50 KB
- 文档页数:7
公司员工外出放行制度一、目的为了加强公司员工外出管理,规范员工外出行为,保障公司利益和员工权益,根据国家法律法规和公司实际情况,制定本制度。
二、适用范围本制度适用于公司所有在职员工。
三、外出申请1. 员工因工作需要外出,应提前向直接上级提出书面申请,注明外出事由、时间、地点等信息。
2. 直接上级收到申请后,对申请进行审批,并根据实际情况决定是否同意。
同意的,应在申请上签字确认;不同意的,应说明理由。
3. 员工外出前,应将申请提交给人事行政部备案。
四、外出审批1. 员工外出期间,应遵守国家法律法规和公司规章制度,不得违反公司利益和形象。
2. 员工外出期间,如需请假,应按照公司请假制度办理。
3. 员工外出期间,如需报销费用,应按照公司报销制度办理。
五、外出归来1. 员工外出结束后,应及时向直接上级报告外出成果和收获。
2. 员工外出归来,应在第一时间内向人事行政部报告,并提交外出期间的相关资料。
六、违规处理1. 员工外出期间,如有违反国家法律法规和公司规章制度的行为,公司将依法予以处理。
2. 员工外出期间,如有损害公司利益和形象的行为,公司将根据情节严重程度,对当事人予以警告、罚款、降职、解雇等处理。
七、附则1. 本制度自发布之日起生效。
2. 本制度的解释权归公司所有。
3. 公司可根据实际情况对本制度进行修订,修订后的制度自发布之日起生效。
八、其他1. 员工外出期间,应确保手机畅通,随时响应公司的工作需求。
2. 员工外出期间,如需临时调整工作计划,应及时与直接上级沟通。
3. 员工外出期间,应注重个人安全,预防意外事故的发生。
4. 员工外出期间,如有紧急情况,应及时向公司报告,并按照公司要求处理。
放行条签批流程
放行条签审分为:货物放行,人员放行(上班时间请假,辞职人员行李放行)
一,货物放行
拥有放行权的人员名单及权限说明:
张桂全、李珊珊(可放行快递、访客、货物)
汤华云、张蓉、赵蓉蓉(快递、访客、货物、办公室人员外出、设备等所有) 蔡萍花(放行离职人员及行李);郭爱民(卖废品、碎布放行)
达田英、宋久清(此两位只限放行上班时间的自已员工的中途请假外出放行外发加工货品的放行)
签名存档:
版本号:20130912 制订:赵蓉蓉 复核:张蓉
等所有)出放行。
版本:04-00第六章 签 派6.1 运行控制东方航空公司的每一次飞行运行的签派放行都由东方航空公司授权公司的签派员和执行该次飞行任务的机长共同负责。
此规定适用于定期载客运行和补充运行的签派放行。
6.1.1 基本原则公司在实施航班的签派放行和运行监控时,必须:a) 在飞机运行的所有阶段,应优先考虑安全运行;b) 如旅客、机组、飞机的安全受到威胁或影响安全运行时,不得放行飞机从任何机场起飞;c) 飞行途中,发生严重危及安全的事件时,应立即寻找最近的合适机场着陆。
所有从事运行控制的部门,除首先必须保证运营的安全,还应保证航班的正点和乘客的舒适,并尽量使运营的总体效益达到最大。
6.1.2 运行控制责任公司建立一个由运行控制中心和分(子)公司的运行控制部组成的运行控制体系。
通过位于中华人民共和国上海虹桥国际机场的运行控制中心和位于各分(子)公司所在地的分公司运行控制部组成的运行控制体系,对飞机飞行活动实施运行控制。
公司根据运行控制职责需要在运行控制体系各组成单位内相应配备有足够数量的合格签派人员以及满足运行控制要求的设备和设施。
运行控制中心负责制定公司运行控制方面的各项政策、公司和AOC的运行控制操作程序,承担公司运行控制业务管理责任。
各分子公司运行控制部负责根据当地实际情况按照规定程序制定并实施适用于本部门的运行控制细化操作程序。
在签派放行和飞行监控的具体实施中,运行控制中心负责对纳入AOC运行的航班(包括各分公司已纳入AOC系统运行的航班)实施签派放行和版本:04-00飞行监控,负责对公司AOC系统使用的各类数据库进行维护和管理,并承担相应运行控制责任。
分(子)公司运控部根据公司《运行规范》A0015条款的授权负责对本分(子)公司所属机队执行的部分或全部航班实施签派放行和飞行监控,并承担相应运行控制责任。
各分(子)公司运行控制部同时按公司内部分工对相关运行控制工作的完成情况承担相应责任。
6.1.3 运行计划的制定全公司运行计划的制定和修改,由公司客运营销委员会和运行控制中心负责。
货物签收分派管理制度第一章总则第一条为规范公司货物签收和分派管理工作,提高管理有效性,促进公司运营效率,特制定本制度。
第二条本制度适用于公司所有部门,所有员工在货物签收和分派管理工作中应遵守本制度。
第三条公司负责人应严格执行本制度,确保货物签收和分派工作的规范和有效进行。
第二章货物签收管理第四条出货部门应在货物发出时及时通知收货部门,并提供详细的货物信息和送货时间。
第五条收货部门应在接到出货部门通知后尽快指定接收人员,并确认合同中的货物信息和数量是否符合。
第六条接收人员在接收货物时应认真核对货物信息和数量,如有异常情况应及时与出货部门联系并做好记录。
第七条如货物信息和数量与合同不符,接收人员应在货物上做好标记并及时通知出货部门,由出货部门跟进处理。
第八条货物签收人员应在签收单上签字确认并盖章,确保签收过程合法有效。
第九条接收人员应妥善保管签收单据和相关文件,确保签收记录清晰可查。
第十条货物签收人员应及时将签收记录上报给财务部门和相关部门,确保财务结算工作的顺利进行。
第三章货物分派管理第十一条货物分派由相关部门负责,可根据部门工作需求进行分派。
第十二条分派部门应在收到货物后及时确认货物信息和数量是否符合,如有异常情况应及时与出货部门联系并做好记录。
第十三条分派部门应根据工作需求,合理安排货物分派工作并及时通知接收人员接收货物。
第十四条接收人员在接收货物时应认真核对货物信息和数量,如有异常情况应及时通知分派部门,并做好记录。
第十五条分派人员应在分派单上签字确认,确保分派过程合法有效。
第十六条接收人员应妥善保管分派单据和相关文件,确保分派记录清晰可查。
第十七条分派部门应及时将分派记录上报给财务部门和相关部门,确保财务结算工作的顺利进行。
第四章监督管理第十八条公司管理部门应定期对货物签收和分派工作进行检查和评估,确保相关工作符合制度规定。
第十九条对货物签收和分派工作进行检查时应抽查货物签收记录和分派记录,核实记录的真实性和准确性。
员工放行条管理制度一、总则为了规范公司员工放行条的管理,保障公司内部安全和工作秩序,制定本制度。
二、适用范围本制度适用于公司所有员工在办公时间内离开公司办公场所的情况,需要向公司领导或管理人员申请放行条。
三、申请程序1. 员工在离开公司办公场所前,需提前向所在部门负责人或上级领导提交离开公司的理由和时间,并填写放行条申请表。
2. 放行条申请表应包括员工姓名、工号、部门、联系电话、离开时间、返回时间、理由、地点等信息,并由员工本人签字确认。
3. 部门负责人或上级领导审批通过后,将放行条交由人事部门备案并盖章确认。
4. 员工携带放行条离开公司,并在规定的离开及返回时间内须如实记录所在地点和情况。
四、特殊情况管理1. 加班情况:员工因工作需要超时加班,需填写加班放行条并经部门负责人或上级领导批准后方可加班。
2. 出差情况:员工出差需要填写出差放行条,并经相关领导批准并报人事部门备案后方可出差。
3. 外出办公情况:员工外出办公需提前向相关领导申请并填写外出放行条,经批准后方可外出办公。
五、管理办法1. 放行条使用:员工携带放行条离开公司后,须如实记录所在地点和情况,并在规定的返回时间前返回公司交还放行条。
2. 违规处理:员工擅自离开公司或违规使用放行条的,将根据公司违纪处罚规定进行相应处理,并在员工档案中做出记录。
3. 放行条存档:人事部门负责存档放行条,对员工离开公司时间和情况进行记录并定期归档,以备查询和审阅。
六、监督检查1. 部门负责人应监督员工放行条的使用情况,确保员工按照规定使用放行条,并及时通知人事部门进行备案。
2. 人事部门应定期进行放行条使用情况的检查和归档,发现问题及时进行处理和总结经验。
七、附则1. 本制度由公司人事部负责解释和变更。
2. 本制度自发布之日起开始实施。
以上就是公司员工放行条管理制度的内容,希望各员工能够严格遵守并正确使用放行条。
这不仅是对公司管理的要求,也是对员工工作安全和工作秩序的保障。
.03 签派放行规则1、签派放行权(a)每次飞行应当在起飞前得到飞行签派员的明确批准,方可实施该次飞行。
(b)对于国内运行,在原签派放行单列出的中途机场着陆并停留超过1小时;对于国际运行,在原签派放行单列出的中途机场着陆并停留超过6小时,则必须经飞行签派员重新签派,否则任何人不得从该机场继续飞行。
2、签派放行责任(a)飞行签派员应根据航班计划和有关数据信息,为两个规定地点之间的每次飞行填写签派放行单。
(b)每次飞行,机长和授权的飞行签派员必须在签派放行单上签字(授权机长独立行使放行权的情况除外)。
机长和授权的飞行签派员均认为该次飞行能安全进行时,才能在签派放行单上签字。
(c)飞行签派员在签派放行单上签字表示该次飞行的起飞、目的地和备降机场及航路的天气条件符合规定的安全运行条件,有关该次飞行的其他各项条件均符合公司安全运行标准。
对于某一次飞行,飞行签派员可以委托他人在签派放行单上签字,但不得委托他人行使其签派放行权。
(d)机长或其代理人在签派放行单上签字,表示机长胜任该次飞行,并确认该次飞行的天气、飞机和其他各项运行条件符合公司安全运行标准。
3、仪表飞行规则的签派放行飞行签派员在签派放行飞机按仪表飞行规则飞行(跨水运行除外)前,应当确认相应的天气实况报告、预报或两者的组合,表明在签派放行单中所列的每个机场的天气条件,在飞机预计到达时处于或高于经批准的最低标准,否则,不得签派放行飞机按仪表飞行规则飞行。
4、目视飞行规则的签派放行飞行签派员在签派放行飞机按目视飞行规则飞行前,应当确认可获得的天气实况报告、预报或两者的组合,表明从签派放行飞机飞行时刻起至飞机抵达签派放行单中所列各机场的时间内,整个航路的云底高度和能见度处于或高于适用的目视飞行规则最低标准,否则,不得签派放行飞机按目视飞行规则飞行。
5、跨水运行的签派放行飞行签派员在签派飞机进行含有延伸跨水运行的飞行放行前,应当确认相应的天气实况报告、预报或两者的组合,表明飞机预计到达所签派放行的目的地机场和必需的备降机场时,这些机场的天气条件等于或高于经批准的最低标准,否则,不得签派放行飞机进行含有延伸跨水运行的飞行。
签派员规章制度
《签派员规章制度》
签派员是一项非常重要的职务,他们负责调度和分配工作任务,确保工作的高效完成。
为了保证签派员的工作顺利进行,公司通常都会制定一些规章制度,以明确签派员的职责和权利,保障工作的顺利进行。
首先,签派员需要严格遵守公司的规章制度,确保工作的有序进行。
签派员在工作中需要遵守公司的相关规定,比如在调度工作时要确保公平公正,不能偏向某一个员工或部门;在处理紧急事务时需要迅速决断,确保员工和资源的合理利用等等。
其次,签派员需要具备良好的沟通能力,与各个部门和员工保持良好的沟通。
签派员需要及时了解公司的工作情况和各个部门的需求,根据实际情况合理安排工作任务和资源分配。
同时,签派员还需要与员工保持良好的沟通,确保员工能够清楚了解工作任务和工作安排,避免出现误解和冲突。
最后,签派员需要具备较强的应变能力和协调能力。
在工作中,签派员需要经常面对各种紧急情况和问题,需要能够迅速做出正确的决策,并妥善处理各种矛盾和纠纷。
签派员需要站在整个公司的利益出发,能够很好地协调各个部门之间的关系,确保工作顺利进行。
总之,签派员规章制度的建立对于公司的运营和管理具有非常重要的作用。
签派员需要严格遵守公司的规章制度,具备良好
的沟通能力和协调能力,确保工作的有序进行。
只有如此,公司的工作才能得到高效的推进,实现良好的运营效果。
门卫放行规章制度模板范文第一条为了保障单位安全和正常秩序,维护单位正常生产和办公秩序,制定本规章。
第二条本规章所称门卫是指单位门口进行放行控制的工作人员,门卫是单位的第一道门面,起到监控出入人员和车辆的作用。
第三条门卫负责对单位内外人员和车辆进行放行控制,保障单位安全。
第四条门卫应当认真履行职责,服从领导,积极配合单位安全管理工作。
第五条门卫在执行放行任务时,应当遵循如下原则:1. 严格执行单位规章制度,按照相关规定对人员和车辆进行放行控制;2. 保持警惕,确保放行人员和车辆的真实身份和合法性;3. 保护单位安全,对有威胁性的人员和车辆进行拦截和报告;4. 保持礼貌,对待出入人员和车辆,做到热情、有序、规范。
第六条门卫在执行放行任务时,应当遵守如下规定:1. 定时巡查,查看单位内外环境是否正常,是否有异常情况;2. 与上班门卫进行交接,交待当日情况和需要注意的事项;3. 仔细核对出入人员和车辆的证件和信息,确保真实有效;4. 做好放行记录,填写出入单据,并交由相关部门进行归档;5. 如有异常情况,及时向上级报告,并协助处理。
第七条门卫应当保持良好的工作状态和心态,严禁疲劳驾驶和情绪波动,确保能够专注工作,不因个人原因影响放行工作。
第八条门卫应当参加单位对其进行的培训和考核,不定期进行放行技能培训和知识更新,提高自身素质和工作水平。
第九条门卫应当加强对出入人员和车辆的管控和检查,对有异常情况的及时向上级报告,并按照相关规定处理。
第十条门卫应当保护单位的利益和安全,对违反规定的行为和错误放行的行为,承担相应责任。
第十一条门卫应当爱岗敬业,努力工作,服从领导,为单位的正常生产和办公创造一个安全有序的环境。
第十二条门卫应当遵守单位的各项规章制度,不得擅自放行,不得私自变通,如有违反,将受到相应处理。
第十三条本规章自颁布之日起实行,如有需要修改,应当经相关部门和领导批准后执行。
制定单位:XXX公司日期:XXXX年XX月XX日。
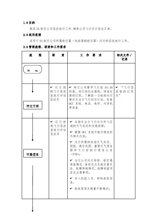
物品放行工作规范
1.目的
保障公司财产的安全,控制公司财产的流失。
2.适用范围
用于公司行政部对公司人员携带物品进出的管理过程。
3.工作规范
3.1文件概要
3.1.1为了有效控制公司财产安全,公司任何员工从公司总部携物品外出,须有公司
行政部签发的物品放行单。
3.1.2公司员工携物品外出时,须主动向值班防损员出示物品放行单,配合防损员核
对所携物品,若故意刁难或不接受检查,将视情节轻重按违纪给予处罚。
3.1.3任何人不能利用任何借口逃避检查,更不能利用职务之便,违规携物品出公司。
3.1.4值班防损员应认真文明检查,核对携带外出的物品,做好登记台帐,检查员不
得优亲厚友、徇私舞弊。
3.1.5车辆外出,其派车单不包括车上所载物品的放行。
3.1.6物品放行单经申请人填写后,须经部门经理审核同意,行政部审批。
3.1.7本文件通过申请放行、审核、审批、签名确认等方面阐述了对物品放行制度的
管理。
3.2工作流程、工作要求和相关文件记录
直接责任人:●配合人:▲涉及人:△。
第一章总则第一条为加强公司员工外出管理,确保公司财产和员工人身安全,提高工作效率,特制定本制度。
第二条本制度适用于公司全体员工。
第三条员工外出放行管理应遵循以下原则:(一)合法合规:员工外出放行必须符合国家法律法规和公司相关规定;(二)安全第一:确保员工外出期间的人身和财产安全;(三)高效便捷:简化外出审批流程,提高工作效率;(四)责任明确:明确各部门、各级人员在外出放行管理中的职责。
第二章外出申请与审批第四条员工因公外出需填写《员工外出申请表》,详细说明外出事由、时间、地点、预计返回时间等。
第五条《员工外出申请表》需经以下审批流程:(一)员工所在部门负责人审批;(二)人力资源部审批;(三)总经理审批。
第六条特殊情况或紧急事项,员工可先口头请示部门负责人,事后补办书面申请。
第七条出差员工需填写《出差申请表》,经部门负责人、人力资源部、总经理审批后,方可外出。
第三章外出放行管理第八条员工外出放行需遵守以下规定:(一)员工外出前,需将《员工外出申请表》或《出差申请表》交至人力资源部备案;(二)员工外出期间,应遵守国家法律法规和公司规定,不得从事与工作无关的活动;(三)员工外出期间,如遇特殊情况需改变行程或延长在外时间,应及时向部门负责人报告,并经审批后调整;(四)员工外出期间,如遇紧急情况需返岗,应立即向部门负责人报告,并办理返岗手续。
第九条员工外出放行,人力资源部应做好以下工作:(一)核实员工外出申请的真实性;(二)监督员工外出期间的行为;(三)收集员工外出反馈,对存在问题及时整改。
第四章返岗管理第十条员工外出返回后,需填写《员工外出登记表》,详细记录外出期间的工作情况。
第十一条人力资源部对《员工外出登记表》进行审核,确保员工外出期间的工作成果。
第五章考核与处罚第十二条员工外出放行管理纳入公司绩效考核体系,对表现优秀的员工给予表彰和奖励。
第十三条员工在外出期间违反国家法律法规、公司规定或造成不良影响的,将按照公司相关规定进行处罚。
成品批准放行的操作规程操作规程:成品批准放行一、目的成品批准放行的操作规程旨在确保成品质量符合要求,确保成品安全可靠,确保成品符合相关法律法规和客户要求。
二、适用范围该操作规程适用于所有需要进行成品批准放行的情况,包括成品生产、加工、包装等环节。
三、责任和权限1. 质量控制部门负责制定和维护成品批准放行的操作规程。
2. 生产部门负责生产过程的质量控制。
3. 质量控制部门有权对成品进行质量检验并决定是否批准放行。
四、程序与要求1. 生产过程质量控制(1) 生产部门必须按照设定的质量标准和作业规范进行生产过程的控制,确保过程符合要求。
(2) 生产部门必须对每个生产批次进行必要的记录,并保留相关数据和样品供质量控制部门进行检验。
2. 质量检验(1) 质量控制部门根据产品特性和客户要求设定相应的质量检验项目和标准。
(2) 质量检验包括外观检验、尺寸检验、性能检验等,必要时还需进行化验和检测。
(3) 质量控制部门必须记录质量检验结果,并将其与产品标准进行对比分析。
3. 批准放行(1) 质量控制部门根据质量检验结果,结合产品标准和客户要求,判断成品是否符合要求。
(2) 如果成品达到了质量标准和客户要求,质量控制部门可以批准放行。
(3) 如果成品未达到质量标准和客户要求,质量控制部门必须拒绝放行,并采取相应的纠正措施。
4. 放行记录与追溯(1) 质量控制部门必须记录所有批准放行的成品信息,包括生产批次、质量检验结果、放行人员等。
(2) 存储成品的相关信息和样品,以便进行追溯和调查。
五、培训与改进1. 质量控制部门必须确保成品批准放行的操作规程已经有效传达给相关人员,并进行培训。
2. 监督和改进:质量控制部门需要定期对成品批准放行过程进行监督,发现问题及时提出改进措施并执行。
六、风险评估与管理1. 在制定成品批准放行的操作规程时,必须考虑可能存在的风险,并制定相应的预防和纠正措施。
2. 对于特殊产品或特殊情况,应进行风险评估并采取额外的控制措施。
关于签批资产物品放行权限
通知
致各部门:
为加强公司和个人财物的管理,使物品出入管理有所依循,切实保障公司利益和员工个人切身利益,特将物品放行批准权限重申如下:
一、员工私人物品放行权限必须由部门主管以上人员签字,防损员复核确认
后放行。
二、各部门固定资产在1000元以下的及因工作需要(如店务部携带的施工、
维修器材等)外出的,可由部门经理签字,防损岗位查核属实后方可放行。
三、除上述情况外,必须先由所属部门经理签字,再经审计部领导审批,防
损岗位查核属实后方可放行。
四、经权限人签批的放行条,员工不得私自更改、删除、添加等相关内容。
五、需放行部门主管签名确认,再由防损岗位查核货物与放行条是否相符,查
核无误后予以放行,并将放行单据建档存储。
六、员工如有模仿权责部门领导的签名或签章,属不诚实行为,经调查属实
的视为自动解除劳动合同,直接按辞退处理。
七、为便于防损岗位对放行物品的稽核查验,确认单据的签名的真实性,特
附部门放行签字权限负责人签名认证表格一份,供防损岗位认证核实,并存入我部备案。
防损部
2010年5月21日。
第一章总则第一条为规范公司人员外出行为,确保公司资产安全,维护公司形象,提高工作效率,特制定本制度。
第二条本制度适用于公司全体员工,包括正式员工、临时工、实习生等。
第三条公司人员外出应遵循安全、合规、高效的原则,严格执行本制度的相关规定。
第二章外出申请与审批第四条公司人员因工作需要外出,必须填写《员工外出申请单》,详细说明外出事由、时间、地点、交通工具等。
第五条外出申请单经部门负责人审批后,报公司分管领导批准。
第六条以下情况可免于审批:1. 短时间内多次往返同一地点的;2. 因突发事件需立即外出处理的;3. 经公司领导批准的其他情况。
第七条外出申请单批准后,员工应将申请单交至行政人事部备案。
第三章外出管理第八条外出人员应遵守以下规定:1. 严格按照批准的时间、地点、交通工具外出;2. 外出期间,保持通讯畅通,确保能够及时联系;3. 未经批准,不得改变外出事由、时间、地点;4. 外出期间,注意个人安全,遵守当地法律法规;5. 外出期间,不得泄露公司机密信息。
第九条外出人员返回后,应及时向部门负责人汇报外出情况,并将《员工外出申请单》交回行政人事部。
第四章违规处理第十条违反本制度规定的外出行为,公司将视情节轻重给予以下处理:1. 警告、通报批评;2. 暂停外出资格;3. 降职、辞退等。
第十一条对违反本制度规定的外出行为,涉及违法犯罪的,将依法追究其法律责任。
第五章附则第十二条本制度由公司行政人事部负责解释。
第十三条本制度自发布之日起施行。
注:本制度旨在规范公司人员外出行为,具体实施过程中可根据实际情况进行调整。