基础工程课程设计(1)
- 格式:doc
- 大小:624.50 KB
- 文档页数:11
《基础工程》课程设计目录设计原始资料 (2)第一章桥台及基础构造和拟定的尺寸 (2)第二章荷载计算 (3)第三章工况分析 (9)第四章地基承载力验算 (10)第五章基底偏心距验算 (13)第六章基础稳定性验算 (13)第七章沉降计算 (15)设计原始资料某桥上部构造采用装配式钢筋混凝土T形梁。
标准跨径24.0m,计算跨径23.6m。
板式橡胶支座,桥面宽度为7m+2×1.0m,双车道,参照《公路桥涵地基与基础设计规范》(JTG3363—2019)进行设计计算。
设计荷载为公路—II级,人群荷载为3.0kN/m2。
材料:台帽、耳墙及截面a-a 以上均用C20混凝土,γ1=25.00kN/m3;台身(自截面a-a 以下)用M7.5浆砌片,块石(面墙用块石,其他用片石,石料强度不小于MU30),γ2=23.00kN/m3;基础用C15素混凝土浇筑,γ3=24.0 kN/m3;台后及溜坡填土γ4=17.00kN/m3;填土的内摩擦角φ=35°,黏聚力c= 0.0。
水文、地质资料:设计洪水位高程离基底的距离为6.5m(a-a截面处)。
地基土的物理、力学性质指标见下表。
第一章桥台及基础构造和拟定的尺寸桥台及基础和拟定的尺寸如图所示,基础分两层,每层厚度为0.50m,襟边和台阶宽度相等,取0.4m。
基础用C15混凝土,混凝土的刚性角αmax=40°。
现基础扩散角α为α=tan−10.81.0=38.66°<αmax=40°满足要求。
桥台及基础构造和拟定的尺寸(尺寸单位cm高程单位m)第二章荷载计算(一)上部结构恒载反力及桥台台身、基础上土重计算(二)土压力计算土压力按台背竖直,ε=0;台后填土为水平,β=0;填土内摩擦角φ=35°,台背(圬工)与填土间外摩擦角按δ=12φ=17.5°计算。
1. 台后填土表面无活载时土压力计算台后填土自重所引起的主动土压力按库仑土压力公式计算:E a =12γ4H 2BK a 式中,γ4=17.00kN/m 3;B 取桥台宽度7.70m;自基底至填土表面的距离H=10.00m ;K a =cos 2(φ−ε)cos 2εcos (δ+ε)(1+√sin (φ+δ)sin (φ−β)cos (δ+ε)cos (ε−β))2=2cos 17.5°(1+√sin 52.5°sin 35°cos 17.5°)2=0.246故 E a =12×17.00×102×7.7×0.246=1610.07(kN) 其水平方向的分力E ax =E a cos (δ+ε)=1610.07×cos 17.5°=1535.55(kN)在竖直方向的分力E ay =E a sin (δ+ε)=1610.07×sin 17.5°=484.16(kN)离基础底面的距离e y =13×10=3.33(m)对基底形心轴的弯矩为M ex =−1535.55×3.33=−5113.38(kN ∙m)作用点离基底的距离e x =2.15−0.4=1.75(m)对基底形心轴的弯矩为M ey =484.16×1.75=847.28(kN ∙m)2. 台后填土表面有汽车荷载时桥台土压力计算采用车辆荷载,车辆荷载换算的等代均布土层厚度为h =∑G Bl 0γ4式中:l 0——破坏棱体长度,l 0=H(tan ε+cot α); H ——桥台高度;ε——台背与竖直线夹角,对于台背为竖直时,ε=0;α——破坏棱体滑动面与水平面夹角。
基础工程课程设计设计一、教学目标本课程的教学目标是使学生掌握基础工程的基本概念、原理和设计方法,培养学生解决实际工程问题的能力。
具体目标如下:1.知识目标:学生能够理解基础工程的基本概念、原理和设计方法,掌握不同类型基础的设计和计算,了解基础工程的施工技术和质量控制。
2.技能目标:学生能够运用基础工程的知识解决实际工程问题,具备基础工程设计和施工的基本能力。
3.情感态度价值观目标:培养学生对基础工程的兴趣和热情,增强学生对工程事业的的责任感和使命感。
二、教学内容本课程的教学内容主要包括基础工程的基本概念、原理和设计方法,不同类型基础的设计和计算,基础工程的施工技术和质量控制。
具体安排如下:1.第一章:基础工程概述,介绍基础工程的基本概念、类型和设计原则。
2.第二章:基础工程的基本原理,讲解基础工程的受力分析、承载力和稳定性。
3.第三章:基础工程的设计方法,介绍不同类型基础的设计方法和计算公式。
4.第四章:基础工程的施工技术,讲解基础工程的施工流程、技术和质量控制。
5.第五章:基础工程的案例分析,分析实际工程中的基础工程设计和施工问题,培养学生解决实际工程问题的能力。
三、教学方法本课程采用多种教学方法,包括讲授法、讨论法、案例分析法和实验法等,以激发学生的学习兴趣和主动性。
1.讲授法:通过讲解基础工程的基本概念、原理和设计方法,使学生掌握基础知识。
2.讨论法:学生进行分组讨论,培养学生解决实际工程问题的能力。
3.案例分析法:分析实际工程中的基础工程设计和施工问题,使学生能够将理论知识应用于实际工程。
4.实验法:安排基础工程的实验课程,使学生了解基础工程的施工技术和质量控制。
四、教学资源本课程的教学资源包括教材、参考书、多媒体资料和实验设备等。
1.教材:选用权威的基础工程教材,为学生提供全面、系统的知识体系。
2.参考书:提供相关领域的参考书籍,丰富学生的知识面。
3.多媒体资料:制作精美的PPT、视频等多媒体资料,提高学生的学习兴趣。
《基础工程课程设计》教学大纲(Course Design of Foundation Engineering )总学时数:1周学分数:1适用专业:土木工程(本科)一、课程设计的性质、目的和任务基础工程课程设计是学生在完成《地基与基础》课程学习后,所必须进行的重要实践性教学环节。
通过本次设计,培养学生综合运用基础设计理论和知识的能力,并具有独立分析及解决一般基础设计问题的能力,达到对学生综合能力培养目标的要求。
二、课程设计的基本要求基础工程课程设计必须强调理论与实践相结合,尽可能地联系工程实际。
其教学基本要求如下:(1)学生在教师的指导下,独立按时完成基础工程课程设计任务书所规定的全部内容和工作量。
(2)学生应完成满足工程设计要求的图件,其中施工图应布图合理、尺寸齐全、注文工整和线条清晰,符合国家制图标准及有关设计规范要求,并能正确表达设计意图。
(3)课程设计计算书一般不应少于1万字,要求计算正确、文理通顺、书写工整、装订整齐。
(4)通过课程设计要求能进一步训练和提高学生的理论分析、工程设计、工程制图的能力。
(5)通过课程设计要求使学生对基础工程的设计内容和过程有较全面的了解和掌握,使学生能熟悉有关基础工程方面的设计规范、规程、手册和工具书。
(6)通过课程设计要求能进一步培养学生严谨、勤奋、求实和创新的学风,增强学生的事业心和责任感。
三、课程设计各教学环节要求(1)选题应符合《地基与基础》课程培养目标和教学要求,同时也要面向经济建设,结合实际科研任务。
(2)课程任务书应包括设计题目、工程地点和规模、设计内容和要求以及工程技术条件等。
(3)课程指导书应包括拟定工程的方案、选型、布置、计算原则、绘图方法、进度安排及参考文献。
(4)成绩评定采用五级制。
四、课程设计与其它课程的联系先修课程:土力学,地基与基础,混凝土结构基本原理,工程制图五、教学参考书1.华南理工大学、浙江大学、湖南大学编.基础工程.中国建筑工业出版社,2003.2.王成华主编.基础工程学.天津:天津大学出版社,2002。
基础工程课程设计一、教学目标本节课的教学目标是让学生掌握基础工程的基本概念、设计和施工方法。
具体来说,知识目标包括了解基础工程的基本概念、设计和施工方法;技能目标包括能够运用基础工程的知识解决实际问题;情感态度价值观目标包括培养学生对基础工程学科的兴趣和热情。
二、教学内容本节课的教学内容主要包括基础工程的基本概念、设计和施工方法。
具体来说,我们将讲解基础工程的定义、分类和功能,以及基础工程的设计原则和施工方法。
此外,我们还将通过案例分析,让学生了解基础工程在实际工程中的应用。
三、教学方法为了激发学生的学习兴趣和主动性,我们将采用多种教学方法。
包括讲授法、案例分析法和实验法。
在讲授法中,我们将通过生动的讲解和实例,让学生了解基础工程的基本概念和设计原则。
在案例分析法中,我们将引导学生分析实际工程中的基础工程问题,培养学生的解决问题的能力。
在实验法中,我们将学生进行基础工程的实验,让学生亲身体验基础工程的施工方法。
四、教学资源为了支持教学内容和教学方法的实施,我们将选择和准备适当的教学资源。
教材将是主要的教学资源,我们将选用权威的基础工程教材,确保学生能够获得准确的知识。
此外,我们还将准备相关的参考书籍、多媒体资料和实验设备,以丰富学生的学习体验。
五、教学评估本节课的教学评估将采用多元化的评估方式,以全面客观地评价学生的学习成果。
评估方式包括平时表现、作业和考试。
平时表现将根据学生在课堂上的参与度、提问和回答问题的表现进行评估。
作业将根据学生的完成质量和创新性进行评估。
考试将采用选择题和问答题的形式,测试学生对基础工程的基本概念、设计和施工方法的理解和应用能力。
六、教学安排本节课的教学安排将紧凑合理,确保在有限的时间内完成教学任务。
教学进度将按照教材的章节进行安排,每个章节安排相应的教学时间。
教学时间将根据学生的实际情况和需要进行调整,以确保教学内容能够适应学生的学习节奏和兴趣爱好。
教学地点将选择适合教学的环境,如教室或实验室,以便学生能够更好地进行学习和实践。
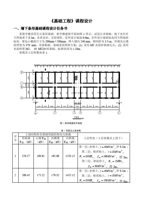
《基础工程》课程设计一、墙下条形基础课程设计任务书某教学楼采用毛石条形基础,教学楼建筑平面如图1所示,试设计该基础。
地下水位在天然地表下8.5m,水质良好,无侵蚀性。
室外设计地面-0.6m,室外设计地面标高同天然地面标高。
梁L-1截面尺寸为200mm×500mm,伸入墙内240 mm,梁间距为3.3 m,外墙及山墙的厚度为370 mm,双面粉刷。
基础采用两种方案:(1) 采用M5水泥砂浆砌毛石;(2) 采用水泥砂浆M5,砌MU10砖基础。
标准冻深为1.20m。
荷载及土层参数如表1。
图1 教学楼建筑平面图表1 荷载及土层参数设计内容⑴荷载计算(包括选计算单元、确定其宽度)。
⑵确定基础埋置深度。
⑶确定地基承载力特征值。
⑷确定基础的宽度和剖面尺寸。
⑸软弱下卧层强度验算。
二、柱下钢筋混凝土独立基础设计任务书某教学楼为四层钢筋混凝土框架结构,采用柱下独立基础,柱网布置如图2所示,试设计该基础。
该地区地势平坦,无相邻建筑物,经地质勘察:持力层为粘性土,土的天然重度为18 kN/m3,地基承载力特征值f ak=230kN/m2,地下水位在-7.5m处,无侵蚀性,标准冻深为1.0m(根据地区而定)。
荷载参数表如表2。
传来轴心荷载为680kN,弯矩值为80kN·m,水平荷载为10kN。
表2 柱下独立基础荷载参数表组号柱截面尺寸上部结构传下来的荷载标准值轴力kN 弯矩kN.m 剪力KN1 350mm×500mm 680 80 102 300mm×450mm 678 89 123 400mm×500mm 658 88 114 350mm×550mm 655 75 155 350mm×500mm 687 78 146 300mm×450mm 654 89 137 400mm×500mm 638 88 158 350mm×550mm 689 80 169 350mm×500mm 656 83 1210 300mm×450mm 632 84 11设计内容:(1)确定基础埋置深度(2)确定地基承载力特征值(3)确定基础的底面尺寸(4)确定基础的高度(5)基础底板配筋计算(6)绘制施工图(基础的平面布置图及基础配筋图)三、桩基础设计任务书:某多层建筑一框架结构,柱所采用的混凝土等级为C30,建筑场地位于市区,地势平坦。
°基础工程课程设计三:设计内容:(1) 确定桩型,桩长根据地质资料,以黄褐色粘土为桩尖持力层,钢筋混凝土预制桩Φ500mm ,承台埋深1.8m.,初步将桩打入第五层黄褐黏土下3.2m ,桩长为19.5m (1) 确定单桩或基桩竖向承载力 查《建筑地基基础设计规范》(GBJ 7-89)得: 土层液性指数Ic 预制桩侧阻力特征值 Q sia (kPa)桩在该土层伸入长度 L n (m) 灰色粘土 0.7 25.4 8.5 灰黄色粘土 0.5 31 4 黄色粉质粘土 0.35 35.2 3.6 黄褐色粘土0.25383.2预制桩桩端端阻力特征值:L=20m,Ic=0.25 q pk =2500kPa中柱:柱截面面积2220.04m d A P ==π柱截面周长m d U 57.1==π is i a pp pa l qu A q R ∑+=51.142325002.0)2.3386.32.354315.84.25(57.1=⨯+⨯+⨯+⨯+⨯⨯=R边柱:柱截面面积2220.04m d A P ==π柱截面周长m d U 57.1==πi sia p p pa l q u A q R ∑+=51.142325002.0)2.3386.32.354315.84.25(57.1=⨯+⨯+⨯+⨯+⨯⨯=R 角柱:柱截面面积2220.04m d A P ==π柱截面周长m d U 57.1==π is i a pp pa l qu A q R ∑+=51.142325002.0)2.3386.32.354315.84.25(57.1=⨯+⨯+⨯+⨯+⨯⨯=R(3)确定桩数、承台尺寸及建筑物的桩基础平面布置 ①、桩数n中柱: 86.351.142350001.11.1=÷⨯=≥R Fn 取4根 边柱:25.351.142342001.11.1=÷⨯=≥R Fn 取4根角柱:96.151.142325301.11.1=÷⨯=≥RFn 取2根②、柱距a S柱距a S 大小直接影响群桩的群桩效应,根据规范规定,2~5.1)4~3(==d S a (m)取2m ,边距取0.5m杂填土 316m kN=γ灰色黏土 39.17m kN=γ 7.0=l I 50.0=eo 12=ϕ kPa c 15= kPa f ak 110=32.18m kN =γMPa E S 0.4=50.0=l I 70.0=e o 16=ϕkPa c 25=kPa f ak 170=黄色粉质黏土30.18m kN =γ MPa E s 0.5= 35.0=l I 70.0=e kPa f ak 200=黄褐色黏土35.18mkN=γo 18=ϕ kPa c 35=MPa E S 0.6= kPa f ak 220=③、桩布置形式采用正方形布置,承台尺寸如图示:中柱:边柱:角柱:④、桩数验算 承台及上覆土重中柱:kN G 36033202=⨯⨯⨯=477.351.1423)3605000(≤=÷+=+RGF 边柱:kNG 36033202=⨯⨯⨯=420.351.1423)3604200(≤=÷+=+RGF 角柱:kNG 24032220=⨯⨯⨯=295.151.1423)2402530(≤=÷+=+RGF(5)桩基验算①、桩基竖向承载力验算 中柱:F=5000kN M=240kN.m H=50kN 荷载作用。
基础工程课程设计一、课程目标知识目标:1. 让学生理解基础工程的基本概念,掌握其分类和功能。
2. 使学生掌握基础工程的施工方法,了解各种施工工艺的优缺点。
3. 帮助学生了解基础工程在土木工程中的重要性,认识到基础工程对整个工程质量的影响。
技能目标:1. 培养学生运用基础工程知识解决实际问题的能力。
2. 提高学生分析基础工程案例的能力,学会从多角度评价工程方案的合理性。
3. 培养学生团队合作能力,通过小组讨论、汇报等形式,提高沟通与表达能力。
情感态度价值观目标:1. 培养学生热爱工程专业,增强对基础工程学科的兴趣。
2. 培养学生具备良好的职业道德,强调工程质量和安全意识。
3. 增强学生的环保意识,使其在工程实践中注重环境保护。
课程性质:本课程为基础工程学科的入门课程,旨在让学生了解基础工程的基本概念、分类、功能及施工方法,培养学生解决实际问题的能力。
学生特点:学生为初中年级,具备一定的物理和数学知识,对工程学科有一定的好奇心,但缺乏实际操作经验。
教学要求:注重理论与实践相结合,通过案例分析和课堂讨论,提高学生的实际操作能力和解决问题的能力。
同时,注重培养学生的职业道德和环保意识,使他们在未来的工程实践中能够为我国的基础工程建设做出贡献。
在教学过程中,将目标分解为具体的学习成果,以便进行后续的教学设计和评估。
二、教学内容1. 基础工程概念与分类:讲解基础工程的基本概念、功能及分类,包括浅基础、深基础、桩基础等。
教材章节:第一章 基础工程概述2. 基础工程施工方法:介绍基础工程的常用施工方法,如挖掘、浇筑、打桩等,分析各种施工方法的优缺点。
教材章节:第二章 基础工程施工技术3. 基础工程案例分析:分析典型的基础工程案例,使学生了解基础工程在实际工程中的应用。
教材章节:第三章 基础工程案例解析4. 基础工程质量管理:讲解基础工程质量控制措施,培养学生的工程质量意识。
教材章节:第四章 基础工程质量控制5. 基础工程环境保护:介绍基础工程中的环保措施,提高学生的环保意识。
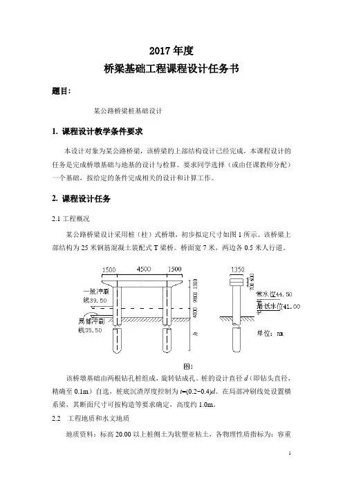
2017年度桥梁基础工程课程设计任务书题目:某公路桥梁桩基础设计1. 课程设计教学条件要求本设计对象为某公路桥梁,该桥梁的上部结构设计已经完成,本课程设计的任务是完成桥墩基础与地基的设计与检算。
要求同学选择(或由任课教师分配)一个基础,按给定的条件完成相关的设计和计算工作。
2. 课程设计任务2.1工程概况某公路桥梁设计采用桩(柱)式桥墩,初步拟定尺寸如图1所示。
该桥梁上部结构为25米钢筋混凝土装配式T梁桥。
桥面宽7米,两边各0.5米人行道。
该桥墩基础由两根钻孔桩组成,旋转钻成孔。
桩的设计直径d(即钻头直径,精确至0.1m)自选,桩底沉渣厚度控制为t=(0.2~0.4)d。
在局部冲刷线处设置横系梁,其断面尺寸可按构造等要求确定,高度约1.0m。
2.2 工程地质和水文地质地质资料:标高20.00以上桩侧土为软塑亚粘土,各物理性质指标为:容重γ =18.5kN/m3,土粒比重G s=2.70,天然含水量w=21%,液限w L=22.7%,塑限w p=16.3%;标高20.00以下桩侧及桩底均为硬塑性亚粘土,其物理性质指标为:容重γ =19.5kN/m3,土粒比重G s=2.70,天然含水量w=17.8%,液限w L=22.7%,塑限w p=16.3%。
2.3 设计荷载(1)一跨上部结构自重G1=2000×(L/20)1.2 kN(取整),其中L为跨径;(2)盖梁自重G2=350kN;(3)局部冲刷线以上桩重应分别考虑最低水位及常水位;汽车荷载应考虑最不利荷载组合(双孔和单孔布载);人群荷载尚应考虑最不利情况;荷载布载长度为梁长(L-0.1)m。
(4)设计汽车荷载为公路—Ⅱ级,汽车可能产生的横向偏心距为0.55m,单。
)=5kN;图22.4 材料桩身混凝土强度等级拟采用C25,混凝土弹性模量E h=2.85×104MPa,可选择的钢筋有HPB235和HRB335。
2.5 具体任务要求如下:(1)确定桩的长度,进行单桩承载力验算。
目录第1章概述 (1)1.1 设计任务 (1)1.2 设计资料 (1)1.2.1工程概况 (1)1.2.2工程地质勘查资料 (2)1.2.3荷载设计 (7)第二章方案设计 (7)2.1 基础类型的选择 (7)2.2 持力层的选择 (8)第3章浅基础技术设计 (9)3.1 基础尺寸的确定 (9)3.2 基础高度的确定 (11)3.3 抗弯钢筋的配置 (13)3.4 施工方法简介 (15)第4章桩基础技术设计 (16)4.1 桩基的类型选择 (16)4.2单桩竖向极限承载力和桩数的确定 (16)4.3基桩竖向承载力设计值 (18)4.4基桩竖向抗压承载力验算 (19)4.5承台抗冲切合抗剪切验算 (20)4.6承台受弯计算 (24)4.7承台配筋计算 (25)4.8桩基施工方法 (27)附图 (27)第1章概述1.1 设计任务本设计对象为某机械厂的装配车间。
厂房基础顶面以上部分的建筑和结构设计工作已经完成。
本课程设计的任务是完成柱下基础与地基的设计与检算。
要求同学选择(或由指导教师分配)一个基础,按给定的条件完成相关的设计和计算工作,具体要求如下:1.设计计算:(1)综合分析设计资料,对三种常用的房屋基础类型(无筋扩展基础、钢筋混凝土扩展基础和桩基础)的技术合理性进行比较(限于课时,本次课程设计不考虑造价因素),选择较为合理的基础方案。
确定所选柱下基础的类型,平面尺寸及埋深;(2)完成该基础(包括地基)的计算,要求分别采用扩展基础和桩基础共两种方案完成设计计算;(3)初步决定修筑基础的施工方案。
2.图纸:每种设计方案,都必须绘出如下图纸:(1)基础总平面布置图(假定所有基础均与自己设计的基础相同);(2)基础结构图(应包含图纸说明和工程数量表),包括平面图、立面图及剖面图(三者均需给出),同时在剖面图中,必须给出基础底面的位置(表示出埋深)。
因此,每种设计方案需要上交总平面布置图(占1 张图纸)和基础结构图(含平面图、立面图及剖面图,占1 张图纸)共2 张图纸,两套方案共需上交4 张图纸(浅基础2 张、桩基础2张)。
《基础工程》课程设计设计说明书一、设计资料1、地质及水文(1)河床土质:从地面(河床)至标高32.5m为软塑粘土,以下为密实粗砂,深度达30米。
(2)水文:地面(河床)标高为40.5m,一般冲刷线标高为38.5m,最大冲刷线为35.2m,常水位42.5m。
2、土质指标表1 土质指标规范规定:钻(挖)孔灌注的摩擦桩中心距不得小于2.5倍成孔直径,所以取:承台尺寸:7.0m×5.0m×2.0m。
(1)拟定采用四根桩,设计直径为1.0m。
(2)桩身及承台混凝土用20号,其受压弹性模量E h =2.6×104Mpa。
(3)平面布置图如下图1所示:图1 平面布置图4、荷载情况(1)上部为等跨25m的预应力梁桥,混凝土桥墩,承台顶面上纵桥向荷载为:恒载及一孔活载时:∑N=6103.4KN∑H=310.25KN(制动力及风力)∑M=4123.6KN(竖直力偏心、制动力、风力等引起的弯矩)恒载及二孔活载时∑N=6503.24KN(2)桩(直径 1.0m )自重每延米为 78.11154)0.1(2=⨯⨯=πq KN/m (已扣除浮力)(3) 故,作用在承台底面中心的荷载力为:∑N=6103.4+(7.0×5.0×2.0×25)=7853.4 KN∑H=310.25KN∑M=4123.6+310.25×2.0=4744.1KN •M恒载及二孔活载时:∑N=6503.24+(7.0×5.0×2.0×25)=8253.24KN (4)则拟定桩基础采用冲抓钻孔灌注桩基础,为摩擦桩。
二、 单桩容许承载力的确定根据《公路桥涵地基与基础设计规范》中确定单桩容许承载力的经验公式初步反算桩的长度,设该桩埋入最大冲刷线以下深度为h ,一般冲刷线以下深度为h 3,则:N h =[P]=21U ∑i i l τ +λm 0 A{[σ0]+K 2γ2(h 3-3)}当两跨活载时:N h =424.8253 + (38.5-35.2) ×11.78 +21×11.78h (kN) =2102.18 + 5.89h (kN)计算[P]时取以下数据:桩的设计桩径为1.0m ,冲抓锥成孔直径为1.15m ,U=π×1.15=3.61m ,A=π×1.02/4=0.785㎡ , λ=0.70 , m 0=0.8 , K 2=6.0 ,[σ0]=550kpaΥ2=7.2812)]5.322.35([12)5.325.40(-+⨯--+⨯-h h=hh++3.5126.63 (kN/㎡) (已扣除浮力)τ1=30kpa , τ2=110kpa[P]=21×3.61×[2.7×30 + (h-2.7)×110] + 0.7×0.8×0.785×{550 + 6.0×hh++3.5126.63(h+3.3-3)} = N h = 2102.18 + 5.89h所以,则解一元二次方程得:h=9.99m现取 h=10m ,桩底标高为25.20m ,桩的轴向承载力符合要求。
基础工程课程设计课程一、教学目标本课程旨在通过学习基础工程课程设计,使学生掌握基础工程的基本概念、原理和方法,培养学生解决实际工程问题的能力。
具体目标如下:1.知识目标:–了解基础工程的基本概念、分类和特点;–掌握不同类型基础的设计原理和方法;–熟悉基础工程的施工技术和质量控制要点。
2.技能目标:–能够运用所学知识分析和解决实际工程问题;–具备基础工程设计和施工的基本能力;–能够正确使用相关软件和工具进行基础工程设计。
3.情感态度价值观目标:–培养学生的工程意识和社会责任感;–增强学生对基础工程学科的兴趣和自信心;–培养学生团队合作和沟通的能力。
二、教学内容本课程的教学内容主要包括以下几个部分:1.基础工程概述:介绍基础工程的基本概念、分类和特点,分析基础工程在建筑工程中的重要性。
2.基础设计原理:讲解不同类型基础的设计原理和方法,包括浅基础和深基础的设计计算,以及地基处理技术。
3.基础施工技术:介绍基础工程的施工技术和质量控制要点,分析施工过程中可能遇到的问题及解决方法。
4.基础工程案例分析:通过实际案例分析,使学生了解基础工程在实际工程中的应用和重要性。
5.基础工程软件应用:教授如何使用相关软件和工具进行基础工程设计,提高学生的实际操作能力。
三、教学方法为了提高学生的学习兴趣和主动性,本课程将采用多种教学方法,包括:1.讲授法:通过讲解基础工程的基本概念、原理和方法,使学生掌握基础知识。
2.讨论法:通过分组讨论和课堂讨论,引导学生主动思考和分析实际工程问题。
3.案例分析法:通过分析实际工程案例,使学生了解基础工程在实际工程中的应用。
4.实验法:安排实地考察和实验,使学生了解基础工程的施工技术和质量控制要点。
5.软件应用演示:通过演示和实操,使学生掌握基础工程设计软件的使用方法。
四、教学资源为了支持教学内容和教学方法的实施,本课程将采用以下教学资源:1.教材:选用权威、实用的基础工程教材,作为学生学习的主要参考资料。
基础工程课程设计(1) 柱下独立基础设计姓名:学号:班级:指导教师:设计条件:1、某框架结构建筑物设计安全等级为乙级,柱网尺寸为6.5m ×6.5m ,柱截面尺寸为400mm ×400mm 。
经过上部结构验算,作用于基础顶面的荷载效应准永久组合及标准组合分别为F=2520kN ;F k =2800kN ,M k =80kN.m(逆时针),H k =50kN(←),荷载效应基本组合由永久荷载控制。
2、天然土层分布①0~0.8m ,填土,γ=17kN/m 3;②0.8~2.0m ,粉质粘土,γ=18kN/m 3,I L =0.82,Es=3.3MPa ,f ak =185kPa ;③2.0~6.0m ,粉土(粘粒含量为8%),γ=19kN/m 3, Es=5.5MPa ,f ak =300kPa ; 地下水位在地面下6.0m 处。
④6.0~10.0m ,粘土,γsat =19kN/m 3,0e =0.83,L I =0.81, Es=6.0MPa ,f ak =280kPa ; ⑤10.0~12.0m 为淤泥质粘土,饱和容重sat γ=17.4kN/m 3, f ak =146kPa ,压缩模量s E =1.5MPa 。
⑥12.0m 以下为密实粘性土,γsat =20kN/m 3,0e =0.65,L I =0.5, Es=30MPa ,f ak =430kPa 。
要求:设计该柱下基础(提示:按照讲述的基础设计步骤进行,注意需要验算地基变形!)一.选择基础类型及材料选择柱下独立基础,基础采用C20混凝土,HPB235级钢筋,预估基础高度0.95m。
二.选择持力层(确定基础埋深)选择③号土层为持力层,基础进入持力层0.5m。
基础埋深为2+0.5=2.5m。
三.确定地基承载力特征值f a’ρc=8%,查表2-15得,ηb=0.5,ηd=2.0。
基底以上土的加权平均重度为:γm=17×0.8+18×1.2+19×0.52.5=17.88kN/m3持力层承载力特征值为:f a’=f ak+ηd γm(d−0.5)=300+2×17.88×(2.5−0.5)=371.52kPa四.确定基础底面尺寸取柱底荷载标准值:F k=2800kN,M k=80kN.m,H k=50kN。
《基础工程》课程设计一、课程目标知识目标:1. 学生能够理解基础工程的基本概念,掌握其重要性和应用范围。
2. 学生能够掌握基础的工程材料和结构设计原理,并能够应用于解决实际问题。
3. 学生能够了解基础的施工工艺和工程管理方法,理解工程实施的流程和规范。
技能目标:1. 学生能够运用基础工程的知识,进行简单的工程设计和计算。
2. 学生能够通过实际案例分析,提高问题解决和决策制定的能力。
3. 学生能够运用工程图纸和施工图纸,进行基础的工程测量和施工操作。
情感态度价值观目标:1. 培养学生对基础工程学科的兴趣,激发学习的主动性和积极性。
2. 培养学生的团队合作意识,提高沟通与协作能力,培养解决工程问题的合作精神。
3. 培养学生具备质量意识、安全意识和环保意识,认识到工程对社会和环境的影响。
分析课程性质、学生特点和教学要求:本课程为基础工程学科的基础课程,旨在培养学生对工程实践的认识和理解。
学生处于年级阶段,具备一定的物理和数学基础,但实践经验不足。
因此,课程目标注重理论与实践相结合,提升学生的实际操作能力和问题解决能力。
教学要求注重启发式教学,激发学生思维,培养其创新能力和综合运用知识的能力。
二、教学内容1. 基础工程概述- 工程基本概念- 基础工程的重要性- 基础工程的分类及应用2. 工程材料- 常见工程材料的特点及用途- 材料的选择与合理应用3. 结构设计原理- 结构设计的基本原则- 常见结构类型及受力分析- 结构稳定性与强度计算4. 施工工艺与工程管理- 基础工程施工工艺流程- 工程项目管理的概念与方法- 工程质量、安全与环保管理5. 实践案例分析- 常见基础工程案例解析- 问题分析与解决方案设计- 案例讨论与经验总结教学大纲安排与进度:第一周:基础工程概述第二周:工程材料第三周:结构设计原理(一)第四周:结构设计原理(二)第五周:施工工艺与工程管理第六周:实践案例分析(一)第七周:实践案例分析(二)第八周:复习与总结教学内容与教材关联性:本教学内容紧密结合教材,按照教材章节顺序进行组织,确保学生能够系统地学习基础工程知识,同时注重实践案例分析,提高学生的实际操作能力。
《基础工程》课程设计任务书(一)上部结构资料某框架结构柱网图如下,柱截面为400*400mm 2,F1=724kN ,F2=1424kN ,F3=2024kN 。
(二)地质资料经探测,地层岩性及土的物理力学性质如下表。
地下水埋深为5m ,无腐蚀性。
F2F1F2F3钢筋混凝土柱下独立基础1、选择持力层设基础埋深d=2.5m ,这时地基持力层为粉土2、计算地基承载力特征值,并修正根据标贯击数N=12查表得:kPa f ak 156)140180(10151012140=-⨯--+=因为埋深d=2m>0.5m ,故还需对ak f 进行修正设基础底面宽度不大于3m 。
查表得修正系数ηb =0.5,ηd =2.0 则修正后的地基承载力特征值为f a =f ak + ηd γm (d-0.5)=156+2×20.2×(2.5-0.5)=236.8kPa3、计算基础所需底面尺寸基础埋深d=2m ,分析该框架结构柱网布置图可知,柱子受三种不同荷载,把受荷载为724KN 的基础作第一类基础,受荷载为1424KN 的基础为第二类基础,受荷载为2024KN 的基础为第三类基础 (1)、第一类基础,其轴心荷载F1=724KN ,则有:m d f F b G a 69.15.2208.23674.072411=⨯-⨯=-≥γ取1b =1.7m ,因b <3m ,不必进行承载力宽度修正(2)、第二类基础,其轴心荷载为F2=1424KN ,则有:m d f F b G a 38.25.2208.23674.0142422=⨯-⨯=-≥γ取2b =2.4m ,因b <3m ,不必进行承载力宽度修正(3)、第三类基础,其轴心荷载为2024KN ,则有:m d f F b G a 83.25.2208.23674.0202433=⨯-⨯=-≥γ取3b =2.9m ,因b<3m ,不必进行承载力宽度修正4、验算软弱层强度和沉降量(1)持力层承载力验算1)第一类基础kPa f a 8.236=基底处总竖向力:KNG F k k 26.6805.2207.174.07242=⨯⨯+⨯=+基基底平均压力:kPa f kPa A G F P a k k k 8.23638.2357.126.6802=<==+=(可以) 2)、第二类基础kPa f a 8.236=基底处总竖向力:KN G F k k 76.13415.2204.274.014242=⨯⨯+⨯=+ 基基底平均压力:kPa f kPa A G F P a k k k 8.23694.2324.276.13412=<==+=(可以)3)、第三类基础kPa f a 8.236=基底处总竖向力:KN G F k k 26.19185.2209.274.020242=⨯⨯+⨯=+ 基基底平均压力:kPa f kPa A G F P a k k k 8.23609.2289.226.19182=<==+=(可以)(2)软弱下卧层承载力验算1)第一类基础由43.16.5/8/21==s s E E 50.047.17.1/5.2/>==b z 查表得︒=47.21θ393.0tan =θ,下卧层顶面处的附加应力:kPa z b z l P lb cd k 78.39)393.05.227.1()5.22.2038.235(7.1)tan 2)(tan 2()(22z =⨯⨯+⨯-⨯=++-=θθσσ 下卧层顶面处的自重应力:kPa cz 1015.22.205.22.20=⨯+⨯=σ 下卧层承载力特征值:m KN zd czm /2.20=+=σγkPa f az 06.240)5.05(2.204.18.112=-⨯⨯+=验算:az z cz f kPa <=+=+78.14010178.39σσ(可以) 经验算,基础底面尺寸及埋深满足要求2)第二类基础由43.16.5/8/21==s s E E 50.004.14.2/5.2/>==b z 查表得︒=04.21θ385.0tan =θ,下卧层顶面处的附加应力:kPa z b z l P lb cd k 18.56)385.05.224.2()5.22.2094.232(4.2)tan 2)(tan 2()(22z =⨯⨯+⨯-⨯=++-=θθσσ 下卧层顶面处的自重应力:kPa cz 1015.22.205.22.20=⨯+⨯=σ 下卧层承载力特征值:mKN zd czm /2.20=+=σγkPa f az 06.240)5.05(2.204.18.112=-⨯⨯+=验算:az z cz f kPa <=+=+18.15710118.56σσ(可以) 经验算,基础底面尺寸及埋深满足要求 3)第三类基础由43.16.5/8/21==s s E E 50.086.09.2/5.2/>==b z 查表得︒=86.20θ381.0tan =θ,下卧层顶面处的附加应力:kPa z b z l P lb cd k 69.64)381.05.229.2()5.22.2009.228(9.2)tan 2)(tan 2()(22z =⨯⨯+⨯-⨯=++-=θθσσ 下卧层顶面处的自重应力:kPa cz 1015.22.205.22.20=⨯+⨯=σ 下卧层承载力特征值:m KN zd czm /2.20=+=σγkPa f az 06.240)5.05(2.204.18.112=-⨯⨯+=验算:az z cz f kPa <=+=+69.16510169.64σσ(可以)经验算,基础底面尺寸及埋深满足要求(3)、验算沉降量分析柱网布置图可得,只须验算四个基础的沉降量即可,分别设为a 、b 、c 、d ,如下图所示:1)、计算基础a 的沉降kN mm l E r a aa/0544.088.07.184.011202=⨯⨯-=-=ωμδkN mm r E ab /00557.06814.34.011202=⨯⨯-=-=πμδkN mm r E ad/00557.06814.34.011202=⨯⨯-=-=πμδ mmF F F s ad ab aa a 25.55142400557.0142400557.07240544.0221=⨯+⨯+⨯=⋅+⋅+⋅=δδδ 2)、计算基础b 的沉降kN mm l E r b bb /0385.088.04.284.011202=⨯⨯-=-=ωμδkN mm r E ba /00557.06814.34.011202=⨯⨯-=-=πμδkN mm r E bc /00557.06814.34.011202=⨯⨯-=-=πμδkN mm r E be /00557.06814.34.011202=⨯⨯-=-=πμδmmF F F F s be bc ab bb b 06.78142400557.020*******.072400557.014240385.02312=⨯+⨯+⨯+⨯=⋅+⋅+⋅+⋅=δδδδ 3)、计算基础c 的沉降kN mm l E r c cc /0319.088.09.284.011202=⨯⨯-=-=ωμδkN mm r E cb /00557.06814.34.011202=⨯⨯-=-=πμδkN mm r E ch /00557.06814.34.011202=⨯⨯-=-=πμδkN mm r E cf /00557.06814.34.011202=⨯⨯-=-=πμδkNmm r E cd /00557.06814.34.011202=⨯⨯-=-=πμδmmF F F F F s cd cf ch cb cc c 55.99142400557.0142400557.020*******.0142400557.020240319.022323=⨯+⨯+⨯+⨯+⨯=⋅+⋅+⋅+⋅+⋅=δδδδδ 4)、计算基础d 的沉降kN mm l E r b dd/0385.088.04.284.011202=⨯⨯-=-=ωμδ kN mm r E dg/00557.06814.34.011202=⨯⨯-=-=πμδ kN mm r E dc /00557.06814.34.011202=⨯⨯-=-=πμδkN mm r E da /00557.06814.34.011202=⨯⨯-=-=πμδmmF F F F s da dc dg dd d 23.7472400557.020*******.072400557.014240385.01312=⨯+⨯+⨯+⨯=⋅+⋅+⋅+⋅=δδδδ 5)、a 、b 两基础的沉降差mm s s a b ab 81.2225.5506.78=-=-=∆根据框架结构相邻柱基沉降差允许值可知:[∆]=mm l 12002.0=。
第 1 章柱下独立基础设计. ......................................1.1 设计资料................................1.1.1 地形..................................1.1.2 工程地质条件 ..............................岩土设计技术参数. ..........................................................水文地质条件. .............................................................上部结构资料. .............................................................上部结构荷载作用. ..........................................................1.2 独立基础设计. .........................................................1.2.1 选择基础材料 ..............................选择基础埋深. .............................................................求地基承载力特征值. ......................................................1.2.4 初步选择基底尺寸 .............................1.2.5 验算持力层地基承载力 ...........................1.2.6 计算基底净反力 ...............................1.2.7 基础底板厚度的确定 ............................1.2.8 变阶处抗冲切验算 .............................1.2.9 配筋计算 ................................基础配筋大样图. ...........................................................i.2.ii确定⑧、①两轴柱子基础地面尺寸.........................1.2.12 ⑧、©两轴持力层承载力验算 (14)1.2.13 设计图纸 (15)第 2 章预制桩基设计................2.1 设计资料. ..............................................................2.1.1 设计荷载 ................................2.1.1 地层条件及其参数如下..........................2.1.2 水文地质条件 ............................2.1.3 场地条件 ..............................2.1.4 上部结构资料 ............................2.1.5 材料....................................2.2 预制桩基的设计.............................2.2.1 单桩竖向极限承载力标准值 .......................2.2.2 基桩竖向承载力特征值 .........................2.2.3 桩基竖向承载力的验算 .........................2.3 承台设计. ............................................................2.3.1 承台内力计算...............................2.3.2 承台厚度及受冲切承载力验算.........................2.3.3 承台受弯承载力计算.............................2.3.4 承台构造设计...............................2.4 桩身结构设计...............................2.5 桩身构造设计...............................2.6 吊装验算. ............................................................2.7估算⑧、©轴线柱下桩数 ............................2.7.1 桩数估算 ...............................2.7.2 承台平面尺寸确定: ...........................2.8 设计图纸. .............................................................第 3 章重力式路堤墙设计..............3.1 设计资料.................................3.1.1 地形....................................3.1.2 地层条件及其参数 ...........................3.1.3 墙身及墙后填料材料参数 .........................3.1.4 荷载参数 ...............................3.1.5 水文地质条件 .............................3.3 主动土压力计算.............................3.3.1 求破裂角.................................3.3.2 求主动土压力系数:.............................3.4 设计挡土墙截面.............................3.4.1 计算墙身重及其力臂 ...........................3.4.2 滑动稳定性验算 .............................3.4.3 倾覆稳定性验算:.............................3.4.4 基底应力验算: ..............................3.4.5 截面应力验算: .............................. 参考文献. ............................................................第一章柱下独立基础设计1.1设计资料1.1.1地形拟建场地平整1.1.2工程地质条件自上而下土层依次如下:①号土层:杂填土,层厚约0.5m,含部分建筑垃圾。
基础工程课程设计本课程设计是基于“基础工程实验”,基础工程实验的目的是使我们能够更好地了解和熟悉基础工程的建设。
一、实验前的准备工作1.明白实验目的:通过实验深入了解基础工程的建设,掌握它的基本原理;2.选择合适的实验材料和场所:仔细检查基础工程的材料,尤其是实验所需的工具和材料,确认无误后再开始实验;3.按照正确流程制定实验方案:应确保实验步骤清晰、实验设备与实验材料符合要求;4.安全防范措施:在实验之前应预选安全设施,如安全面罩,并及时做好各项安全防护措施。
二、实验过程1.开展实验前的准备:先将基础构造物料安放到给定的位置,按照实验要求组装各部件;2.按照要求安装仪器、装置和传感器,使其与实验物位接触良好,拾取并记录相关的初始状态参数;3.按照实验设定的条件和参数进行实验,要注意实验操作人员的安全;4.在实验过程中,要随时检查实验参数,并对发现的异常情况及时作出反应;5.确认实验参数正常后,停止实验,拾取并记录停止实验时的各项状态参数。
三、实验的解释及总结1.解释实验结果:仔细分析、研究实验结果,正确解释实验结果;2.做出言明:从实验结果出发,做出合理的言明,引发更大深度思考;3.确定结论:结合实验结果及其解释,确定实验结论;4.对实验结果进行总结,归纳总结,提出改进意见。
四、实验后的技能锻炼1.实验后进行技能锻炼:通过技能锻炼来提升实验掌握程度;2.实验复现:进行实验复现,运用实验数据及安放位置进行模拟实验;3.考虑疑难问题:思考实验中可能遇到的或在复现中发现的问题,及时思考解决方案;4.创新实验:设计新的实验,基于新的实验条件设定,进行实验模拟等。
以上就是本次基础工程实验的详细课程设置,希望能够有助于大家更好地理解基础工程的知识,为技能提升打下坚实的基础。
目 录一、已知技术参数和条件 ................................... 1 1.1、地质与水文资料 ................................... 1 1.2、桩、墩尺寸与材料 ................................. 1 1.3、荷载情况 ......................................... 1 二、任务和要求 ........................................... 2 三、计算 ................................................. 3 3.1、桩长的计算 ....................................... 3 3.2、桩的内力计算 ..................................... 4 3.2.1确定桩的计算宽度b1 ........................... 4 3.2.2计算桩的变形系数 ............................ 4 3.2.3计算墩柱顶外力i i i M Q P 、、及局部冲刷线处桩上外力00M Q P 、、 (4)3.2.5局部冲刷线以下深度z 处横向土抗力zx P 计算 ....... 6 3.2.6桩身配筋计算及桩身材料截面强度验算 ............ 7 3.2.7柱顶纵向水平位移计算 ......................... 9 四、参考资料和现有基础条件(包括实验室、主要仪器设备等) 10 致谢 . (10)一、已知技术参数和条件1.1、地质与水文资料地基土为密实细砂夹砾石,地基土水平向抗力系数的比例系数;地基土的桩侧摩阻力标准值(土层单一,故桩侧摩阻力标准值用表示);地基土内摩擦角,粘聚力;地基土容许承载力基本容许值;土重度(已考虑浮力);一般冲刷线高程为335.34m,常水位高程为339.00m,局部冲刷线高程为330.66m。
1.2、桩、墩尺寸与材料墩帽顶高程为346.88m,桩顶高程为339.00,墩柱顶高程为345.31m。
墩柱直径1.50m,桩直径1.70m。
桩身混凝土用C20,其受压弹性模量。
1.3、荷载情况桥墩为单排双柱式,桥面宽7m,设计荷载公路—Ⅱ级,人行荷载3KN/m2,两侧人行道各宽1.5m。
上部为30m预应力钢筋混凝土梁,每一根柱承受的荷载:两跨恒载反力N1=1341KN;盖梁自重反力N2=283KN;系梁自重反力N3=76.40KN;一根墩柱(直径1.5m)自重=279.00KN。
局部冲刷线以上桩(直径1.7m)自重每延米(已扣除浮力)。
局部冲刷线以下桩重(直径1.7m)等于桩身自重与置换土重每延米的差值(已扣除浮力)。
两跨汽车荷载反力N5=800.60KN(已计入冲击系数的影响);一跨汽车荷载反力=400.30KN(已计入冲击系数的影响);车辆荷载反力已按偏心受压原理考虑横向分布的分配影响。
两跨人群荷载反力=270.00KN;一跨人群荷载反力=135.00KN。
在顺桥向引起的弯距M=120.09KN·m;在顺桥向引起的弯距M=40.50KN·m;制动力H=30.00KN(已按墩台及支座刚度进行分配)。
纵向风力:盖梁部分W1=3.00KN,对桩顶力臂7.06m;墩身部分W2=2.70KN,对桩顶力臂3.15m;桩基础要用冲抓锥钻孔灌注桩基础,为摩擦桩。
二、任务和要求设计满足要求的桩基础,并形成图纸(基桩构造及钢筋图(横截面,立面))与计算文件。
计算文件包括以下内容:1.据单桩容许承载力拟定桩长2.桩结构分析(1)计算桩顶受力(2)计算沿桩长度方向弯矩,水平压应力,并画出相应分布图(3)桩顶纵向水平位移验算3. 桩身截面配筋并绘出基桩构造及钢筋图(横截面,立面),进行桩截面强度校核4. 按地基土的支承力确定和验算单桩轴向承载力三、计算3.1、桩长的计算由于地基土层单一,用《公路桥涵地基与基础设计规范》(JTG D63-2007)确定单桩轴向受压承载力允许值经验公式初步反算桩长,该桩埋入局部冲刷线以下深度为h ,一般冲刷线以下深度为h3,则[])}3(]{[u 2132200n1a h -++==∑=h k f m A l q R N a p i i ik γλ根据《公路桥涵地基与基础设计规范》(JTG D63-2007)第1.0.8条,地基进行竖向承载力验算时,传至基底的作用效应应按正常使用极限状态的短期效应组合采用,且可变作用的频遇值系数均取1.0。
当两跨活载时,桩底所承受的竖向荷载最大,则75'04321h 0.10.1)0.1N N hq q l N N N N N ⨯+⨯++++++⨯=(h h 26.798.33332700.16.8000.1]26.705.34)66.330339(2794.762831341[0.1+=⨯+⨯+⨯+⨯-++++⨯=计算[Ra]时取以下数据:桩的设计桩径 1.70m ,桩的周长)(m 34.57.1u =⨯=π,)(22p m 27.247.1=⨯=πA ,7.0=λ,8.0m 0=,4k 2=,kpa f a 400][0=,32/m 8.11KN =λ(已扣除浮力),kpa 70q k =,所以得h26.798.3333)]368.4h 8.114400[7.08.027.2h 7034.521[Ra]h +==-+⨯⨯+⨯⨯⨯+⨯⨯⨯=N ()(m 23.11h =∴现取h=12m ,桩底高程为318.66m ,桩周长为20.34m ,上式计算中4.68为一般冲刷线到局部冲刷线的距离。
由上式计算可知,h=12m 时,KN 98.3333N 3572.09KN [Ra]h =>=,桩的轴向受压承载力符合要求。
3.2、桩的内力计算3.2.1确定桩的计算宽度b1)(43.2)17.1(9.00.1)1(b 1m d kk f =+⨯⨯=+=3.2.2计算桩的变形系数α)(1-5751m 311.041.01055.28.043.210000mb =⨯⨯⨯⨯==EI α 其中 I E EI I c 448.0m 41.07.1049087.0==⨯=;桩的换算深度5.2732.312311.0h >=⨯==-h α,所以按弹性桩计算。
3.2.3计算墩柱顶外力i i i M Q P 、、及局部冲刷线处桩上外力00M Q P 、、墩柱顶的外力计算按一跨活载计算。
根据《公路桥涵地基与基础设计规范》(JTG D63-2007)第1.0.5条,按承载能力极限状态要求,结构构件自身承载力应采用基本组合验算。
根据《公路桥涵设计通用规范》(JTG D60-2004)第4.1.6条,恒载分项系数取1.2,汽车荷载、人群荷载及制动力作用的分项系数均取1.4,风荷载分项系数取1.1;当除汽车荷载(含汽车冲击力)外尚有一种可变作用参与组合时,其组合系数取0.6。
{})()()()()()()(m 77.22931.6-06.731.15.404.131.345-88.346304.16.009.1204.171.3131.1304.17.042.26601354.18.03.4004.128313412.1i i i ⋅=⨯⨯+⨯++⨯⨯+⨯==⨯+⨯⨯==⨯⨯+⨯++⨯=KN M KN Q KN P换算到局部冲刷线处:{})()()()()()()(m 86.66149.117.24.1531.15.404.166.330-88.346304.16.009.1204.179.33]31.1304.1[7.067.3427]34.805.342794.76[2.142.2660000⋅=⨯+⨯⨯+⨯++⨯⨯+⨯==⨯+⨯⨯==⨯++⨯+=KN M KN Q KN P 3.2.4局部冲刷线以下深度z 处桩截面的弯矩Mz 及桩身最大弯矩M max 计算局部冲刷线以下深度z 处桩截面的弯矩M z 计算M M M M M M B A B A B M A Q M 86.66165.10886.661311.079.3300z +=+=+=α无量纲系数M M B A 、由附表3、附表7分别查的,M z 计算列表如下,其结果以图表示。
桩身最大弯矩m ax M 及最大弯矩位置计算 由0z =Q 得:092.679.3386.661311.00=⨯==Q M C Q α由092.6=Q C 及732.3h =—,查附表13得:481.0Z max =M —,故)(m 55.1311.0481.0Z max ==M由481.0Z max =M —及732.3h =—,查附表13得:053.1=M K 。
)m (94.69686.661053.10max ⋅=⨯==KN M K M M3.2.5局部冲刷线以下深度z 处横向土抗力zx P 计算XX XX X X B Z A Z B Z A Z B Z M A Z Q P ------+=⨯+⨯=+=344.26323.443.286.661311.043.279.33311.0b b 2121zx αα无量纲系数X X B A 、由附表1,、附表5分别查的,zx P 计算列表如下,其结果以图表示。
pzx 计算列表 表3-2-4-1 Z -=αz z A xB xαQ 0/b 1·Z -A x α2M 0/b 1·Z -B x p zx (kpa)0.00 2.49600 1.63159 0.00 0.00 0.00 0.2 0.64 2.14430 1.30075 1.85 6.85 8.70 0.4 1.29 1.82740 1.00979 3.16 10.64 13.80 0.6 1.93 1.52550 0.75824 3.96 11.99 15.94 0.8 2.57 1.24464 0.54496 4.30 11.49 15.79 1 3.22 0.98937 0.36812 4.28 9.70 13.97 1.2 3.86 0.76271 0.22517 3.96 7.12 11.07 1.4 4.50 0.56618 0.1131 3.43 4.17 7.60 1.8 5.79 0.26212 -0.03292 2.04 -1.56 0.48 2.2 7.07 0.06360 -0.10009 0.60 -5.80 -5.20 2.6 8.36 -0.05501 -0.11731 -0.62 -8.04 -8.65 3 9.65 -0.12322 -0.10826 -1.60 -8.56 -10.15 3.511.25-0.17527 -0.08343-2.67-7.69-10.363.2.6桩身配筋计算及桩身材料截面强度验算由上可知,最大弯矩发生在局部冲刷线以下z=1.55m 处,该处m94.696j ⋅=KN M计算轴向力jN 时,根据《公路桥涵设计通用规范》(JTG D60-2004)第4.1.6条,恒载分项系数取1.2,汽车荷载分项系数取1.4,人群荷载分项系数取1.4;人群荷载组合系数取0.8,则)(KN z uq N k 54.309362.711)55.17034.52163.2274(2.11354.18.03.4004.1]2155.126.7)66.330339(05.342794.762831341[2.1j =+⨯⨯⨯-⨯=⨯⨯+⨯+-⨯+-⨯++++⨯=①纵向钢筋的面积桩内竖向钢筋按含筋率0.2%配置:)(24-2g m 104.45%2.07.14⨯=⨯⨯=πA 现选用12根Φ22的HRB335级钢筋:)(24-g m 104.45⨯=A ,MPa f sd 280=' 桩采用C20混凝土,MPa f d 2.9c = ②计算偏心距增大系数η 因为长细比:5.1786.47425.01234.8/0>=+=+=AI h l i l p所以偏心距增大系数:2100)(/e 140011ζζηhl h p +=其中:423.1576.017.134.20615.1/225.01400111103.101.015.1576.07.22.07.12)(615.1765.085.0225.054.309394.696222010max max 0=⨯⨯⨯⨯+=∴=>=-==+====+=+====)(。