地表水分类
- 格式:doc
- 大小:12.65 KB
- 文档页数:2
地表水水质分类及标准地表水是指地球表面上的江河湖泊、水库、运河等自然水体和人工水体。
地表水的水质直接关系到人类的生活和健康,因此对地表水的水质进行分类和标准的制定具有重要意义。
首先,地表水的水质可以根据其污染程度进行分类。
根据我国《地表水环境质量标准》(GB 3838-2002)的相关规定,地表水的水质可以分为Ⅰ类、Ⅱ类、Ⅲ类、Ⅳ类和Ⅴ类五个等级。
其中,Ⅰ类水质是指水质优良,可以直接供人口饮用,并且适用于水产养殖和游泳等活动;Ⅱ类水质是指水质良好,可以供人口饮用,但不适宜直接供生活用水;Ⅲ类水质是指水质一般,可以适用于工农业用水和游泳等活动;Ⅳ类水质是指水质较差,适用于农业用水和景观水域;Ⅴ类水质是指水质恶劣,只适用于农业用水和风景区水域。
其次,地表水的水质标准是根据水体的用途和保护目标来制定的。
不同的水体用途对水质的要求也不同。
比如,饮用水的水质要求最高,其次是工业用水、农业用水和景观水域的水质要求。
因此,地表水的水质标准需要根据不同的用途来制定,以确保水质符合相应的要求。
在实际应用中,地表水的水质分类和标准的制定需要考虑到地区的自然环境、人口密度、工业发展水平等因素。
不同地区的地表水水质存在差异,因此需要根据实际情况来确定相应的水质分类和标准。
同时,地表水的水质也会受到人类活动的影响,比如工业废水、农业排放、城市污水等都会对地表水的水质产生影响,因此需要采取相应的措施来保护地表水的水质。
总的来说,地表水的水质分类及标准是保障人类生活和健康的重要保障。
通过科学合理地对地表水的水质进行分类和标准的制定,可以有效地保护地表水资源,促进可持续发展,实现水资源的合理利用和保护。
希望本文对地表水水质分类及标准有所帮助,也希望大家能够共同关注并保护地表水资源,共同建设美丽的家园。
地表五类水标准的指标地表五类水是指地表水资源(例如河流、湖泊、沼泽和水库)分类管理的标准之一。
根据地表五类水管理条例,地表水资源可以分为五类:1.一类水:保护区内的天然水体,或者其他指定的水体。
这类水需要特殊保护,不能进行开发利用。
2.二类水:用于人类生活、工业生产和农业生产的水体,或者其他指定的水体。
这类水的质量要求较高,需要实施严格的污染防治措施。
3.三类水:用于人类生活、工业生产和农业生产的水体,或者其他指定的水体。
这类水的质量要求一般,需要实施一定的污染防治措施。
4.四类水:可以承受较大的污染,用于农田灌溉、工业冷却、景观绿化等目的的水体,或者其他指定的水体。
5.五类水:可以承受较大的污染,用于排放工业废水、生活污水和农田灌溉等目的的水体,或者其他指定的水体。
除了分类之外,地表五类水还有一些其他的指标,如水质标准、保护范围、管理方式等。
水质标准是指对地表五类水的质量进行评价的标准。
根据不同的类别,地表五类水的水质标准也有所不同。
例如,一类水的水质标准要求比较严格,而五类水的水质标准则相对宽松。
保护范围是指对地表五类水进行保护的范围。
一般来说,一类水和二类水的保护范围要比其他类别的范围更大。
管理方式是指对地表五类水进行管理的方式。
通常情况下,一类水和二类水的管理方式要比其他类别的方式更加严格。
总的来说,地表五类水是一种用于保护地表水资源的分类管理标准,它规定了地表水资源的分类、水质标准、保护范围和管理方式。
这些指标都有助于保护地表水资源,并且为使用地表水资源提供了一个明确的框架。
地表水四类水体标准标准地表水是指地球表面上的河流、湖泊、水库、运河等自然水体以及地下水直接涌出的泉水。
地表水主要用于生活、农业、工业、环境等方面,是人类生存和发展的重要资源。
为了保护地表水资源,各国都制定了相应的水质标准,对地表水进行分类管理。
我国《地表水环境质量标准》(GB 3838-2002)将地表水分为四类,分别是Ⅰ类、Ⅱ类、Ⅲ类和Ⅳ类。
下面将详细介绍地表水四类水体标准。
Ⅰ类水体是指水质较好的地表水,主要用于集中式生活饮用水源地的保护和农业、渔业等方面。
Ⅰ类水体的水质要求严格,主要指标包括溶解氧、化学需氧量、氨氮、总磷、PH值、五日生化需氧量等。
其中,溶解氧是评价水体富氧程度的重要指标,化学需氧量和五日生化需氧量则是评价水体有机污染程度的重要指标。
此外,氨氮和总磷是评价水体营养状况的重要指标。
Ⅰ类水体的水质要求高,水质清澈透明,无色无味,适宜饮用。
Ⅱ类水体是指水质较好的地表水,主要用于一般工业用水和人体非直接接触的娱乐用水。
Ⅱ类水体的水质要求次于Ⅰ类水体,但仍然要求水质清澈透明,无色无味,适宜饮用。
主要指标同样包括溶解氧、化学需氧量、氨氮、总磷、PH值、五日生化需氧量等。
此外,Ⅱ类水体还要求水中无蓝藻毒素和无臭味、异味。
Ⅲ类水体是指水质较差的地表水,主要用于工业循环冷却水和一般景观要求的水域。
Ⅲ类水体的水质要求较低,水中可存在一定浓度的污染物,但不影响水域景观的观赏价值。
主要指标同样包括溶解氧、化学需氧量、氨氮、总磷、PH值、五日生化需氧量等。
此外,Ⅲ类水体还要求水中无蓝藻毒素和无明显异味。
Ⅳ类水体是指水质较差的地表水,主要用于农业灌溉和工业生产用水。
Ⅳ类水体的水质要求最低,水中可存在一定浓度的污染物,但不影响农作物的生长和工业生产的需求。
主要指标同样包括溶解氧、化学需氧量、氨氮、总磷、PH值、五日生化需氧量等。
此外,Ⅳ类水体还要求水中无毒性物质和无明显异味。
综上所述,地表水四类水体标准对地表水的水质进行了严格的分类管理,保护了地表水资源,保障了人类的生活和发展需要。
地表水分类
地表水是地球上形成的最重要、最可见的自然资源,它构成了我们自然环境和人类生活的重要组成部分,也构成了地球生态系统的重要基础资源。
随着经济的发展和人口的增加,越来越多的地表水被人类用作工业或生活用水,从而导致地表水规模和结构的变化,以及生态环境的破坏,出现了一些水资源的病变现象,从而严重影响到我们的生活质量。
因此,对地表水的分类,对评价和监督起着重要的作用。
地表水的分类主要分为四类:河流水、湖泊水、湿地水和地下水,下面介绍这四类地表水的特点:
1.河流水:河流水是由雨水或雪水直接流入河道中形成的,具有流动性,流动速度不同,水位随着季节变化而变化。
2.湖泊水:湖泊水是河流流入盆地而形成的,水位比较稳定,植物类型也比较丰富。
3.湿地水:湿地水是河流流入浅洼地或湿地池塘而形成的,水位波动较小,植物较为丰富,具有显著的生态功能。
4.地下水:地下水是由降雨滞留在地下层次中形成的,没有流动性,非常重要的水源之一。
以上就是关于地表水分类的介绍,地表水分类是为了评价和保护我们的水资源所必须的。
我们应该保护我们的水资源,科学利用,合理分配,以便为下一代留下更加美丽的环境。
- 1 -。
地表水水域分类及相应的水质指标1.水域分类依据地表水水域环境功能和保护目标,按功能高低依次划分为五类:Ⅰ类主要适用于源头水、国家自然保护区;Ⅱ类主要适用于集中式生活饮用水地表水源地一级保护区、珍稀水生生物栖息地、鱼虾类产场、仔稚幼鱼的索饵场等;Ⅲ类主要适用于集中式生活饮用水地表水源地二级保护区、鱼虾类越冬场、洄游通道、水产养殖区等渔业水域及游泳区;Ⅳ类主要适用于一般工业用水区及人体非直接接触的娱乐用水区;Ⅴ类主要适用于农业用水区及一般景观要求水域。
对应地表水上述五类水域功能,将地表水环境质量标准基本项目标准值分为五类,不同功能类别分别执行相应类别的标准值。
水域功能类别高的标准值严于水域功能类别低的标准值。
同一水域兼有多类使用功能的,执行最高功能类别对应的标准值。
实现水域功能与达功能类别标准为同一含义。
2.水质标准表1地表水环境质量标准基本项目标准限值单位:mg/L表2集中式生活饮用水地表水源地补充项目标准限值单位:mg/L3.水质监测3.1本标准规定的项目标准值,要求水样采集后自然沉降30分钟,取上层非沉降部分按规定方法进行分析。
3.2地表水水质监测的采样布点、监测频率应符合国家地表水环境监测技术规范的要求。
3.3标准水质项目的分析方法应优先选用国标规定的方法,也可采用ISO方法体系等其他等效分析方法,但须进行适用性检验。
判断题:1、电缆线路不容易受大气中各种有害因素的影响、可妨碍交通和地面建设。
2、更换熔断器的熔体时,应带护目眼镜和绝缘手套,必要时还应使用绝缘夹钳。
3、电容器所安装环境应无易燃、易爆危险或强烈震动。
4、接地线应用多股软裸铜线,其截面应符合短路电流的要求,但不得小于16mm2。
5、装设接地线必须先接导体端,后接接地端,并应接触良好。
拆接地线的顺序与此相反。
6、脱离电源就是要把触电者接触的那一部分带电设备的开关、刀闸或其他断路设备断开;或设法将触电者与带电设备脱离。
7、电击的主要特征有:伤害人体内部。
地表水五类水质标准标识
地表水的五类水质标准标识是指对地表水进行分类的标准,根据水质的不同将地表水分为五个等级,分别用Ⅰ、Ⅱ、Ⅲ、Ⅳ、Ⅴ表示。
下面是各类水质标准标识的含义:
1. Ⅰ类水质:表示为优质水,主要适用于饮用水源地和保护区。
水质优良,无污染物威胁,适合直接饮用和直接接触活动。
2. Ⅱ类水质:表示为良好水质,适用于一般地表水水源地和保护区。
水质较好,仍可饮用,但有一些轻微的污染威胁。
3. Ⅲ类水质:表示为合格水质,适用于农田灌溉、工业用水和游泳等一般用水区域。
水质合格,但存在一定的污染,不适宜直接饮用。
4. Ⅳ类水质:表示为劣Ⅰ类水质,仅适用于产、冷却和工业制水。
水质相对较差,存在明显的污染威胁,不适宜用于饮用和其他直接接触活动。
5. Ⅴ类水质:表示为劣Ⅱ类水质,适用于农业用水和生态环境维护。
水质非常差,有严重的污染威胁,不适宜直接使用。
这些标识对于评估和管理地表水资源的水质提供了依据,可以指导相关部门和机构采取相应的措施保护和治理地表水资源。
水质五类标准
我国的国家水质标准采用的是分类标准(共五类):
Ⅰ类(一类地表水)主要适用于源头水、国家自然保护区;
Ⅱ类(二类地表水)主要适用于集中式生活饮用水地表水源地一级保护区、珍稀水生生物栖息地、鱼虾类产场、仔稚幼鱼的索饵场等;
Ⅲ类(三类地表水)主要适用于集中式生活饮用水地表水源地二级保护区、鱼虾类越冬场、洄游通道、水产养殖区等渔业水域及游泳区;Ⅳ类(四类地表水)主要适用于一般工业用水区及人体非直接接触的娱乐用水区;
Ⅴ类(五类地表水)主要适用于农业用水区及一般景观要求水域
扩展资料:
各类水用途规定:
Ⅰ类水质:水质良好。
地下水只需消毒处理,地表水经简易净化处理(如过滤)、消毒后即可供生活饮用者;
Ⅱ类水质:水质受轻度污染。
经常规净化处理(如絮凝、沉淀、过滤、消毒等),其水质即可供生活饮用者;
Ⅲ类水质:适用于集中式生活饮用水源地二级保护区、一般鱼类保护区及游泳区;
Ⅳ类水质:适用于一般工业保护区及人体非直接接触的娱乐用水区;Ⅴ类水质:适用于农业用水区及一般景观要求水域。
超过五类水质标准的水体基本上已无使用功能;。
地表水是人类生活不可缺少的资源,为了保护地表水质,国家制定了一二三四五类水质标准,这些标准是我们保护地表水质的重要依据。
一类水质,也称为饮用水水质标准,是指可以直接饮用的地表水质,这种水质要求最为严格,主要包括总有机碳、氨氮、总磷、细菌总数等指标。
比如,总有机碳的标准要求不得超过5毫克/升,氨氮的标准要求不得超过1毫克/升,以此类推。
二类水质,也称为流域保护水质标准,是指保护流域水环境的地表水质,主要包括总有机碳、氨氮、总磷、细菌总数等指标。
比如,总有机碳的标准要求不得超过10毫克/升,氨氮的标准要求不得超过2毫克/升,以此类推。
三类水质,也称为渔业水质标准,是指适合水生动植物生长发育的地表水质,主要包括总有机碳、氨氮、总磷、细菌总数等指标。
比如,总有机碳的标准要求不得超过15毫克/升,氨氮的标准要求不得超过3毫克/升,以此类推。
四类水质,也称为景观水质标准,是指为了保护河流湖泊的景观效果而设置的地表水质标准,主要包括总有机碳、氨氮、总磷、细菌总数等指标。
比如,总有机碳的标准要求不得超过20毫克/升,氨氮的标准要求不得超过4毫克/升,以此类推。
五类水质,也称为活动水质标准,是指可以容许人类活动的地表水质,主要包括总有机碳、氨氮、总磷、细菌总数等指标。
比如,总有机碳的标准要求不得超过25毫克/升,氨氮的标准要求不得超过5毫克/升,以此类推。
上述就是我们对地表水质的分类标准,不同类别的水质标准要求也不同,因此,我们要加强对地表水质的管理和保护,让每一份水资源都能得到有效地利用。
“水是生命之源,我们每个人都有责任保护水资源,维护水环境”。
这句话说的很对,我们每个人都应该自觉地遵守地表水质标准,保护地表水,保护我们的家园。
地表水五类标准一、水质类别地表水水质类别分为五类,分别为Ⅰ类、Ⅱ类、Ⅲ类、Ⅳ类和Ⅴ类。
这五类水质标准分别对应不同的水质要求和生态环境保护需求。
1. Ⅰ类水质:水质状况为优,符合国家饮用水源水质标准。
该类水主要用于饮用水水源地和珍稀水生生物栖息地。
2. Ⅱ类水质:水质状况为良好,符合国家自然保护区水质标准。
该类水主要用于一般工业用水、人体非直接接触的娱乐用水等。
3. Ⅲ类水质:水质状况为较好,符合国家地面水环境质量标准。
该类水主要用于农业用水、渔业用水等。
4. Ⅳ类水质:水质状况为较差,符合国家城市污水处理厂排放标准。
该类水主要用于工业废水排放和城市污水处理厂处理后的排放。
5. Ⅴ类水质:水质状况为差,不符合国家城市污水处理厂排放标准。
该类水主要用于农业灌溉和景观用水等。
二、水质指标地表水水质指标主要包括物理指标、化学指标和生物指标。
具体的指标因不同的水质类别而异,具体如下:1. 物理指标:包括色度、浑浊度、嗅味、悬浮物、总固体等。
这些指标可以反映水的外观、透明度、颜色、气味等方面的特征。
2. 化学指标:包括pH值、溶解氧、氨氮、总磷、高锰酸盐指数等。
这些指标可以反映水体的化学性质和营养盐含量。
3. 生物指标:包括细菌总数、大肠菌群、藻类等。
这些指标可以反映水体中的生物种类和数量,评估水体的生态健康状况。
三、水质监测为了保障地表水的水质安全,需要进行严格的水质监测。
水质监测是通过对水体的理化指标进行定期检测和分析,了解水体的污染状况和变化趋势,为水质管理和水资源保护提供科学依据。
四、水质管理水质管理是保障地表水水质的重要手段。
主要包括以下措施:1. 加强污染源管控,减少污水排放,降低水体污染负荷。
2. 推进水环境综合整治,改善河流湖泊等水域环境质量。
3. 实施水资源保护措施,合理开发利用水资源,维护水资源的可持续利用。
4. 建立完善的水质监测网络和管理体系,实现地表水水质的动态监测和预警。
五、水资源保护水资源保护是保障地表水水质的重要措施之一。
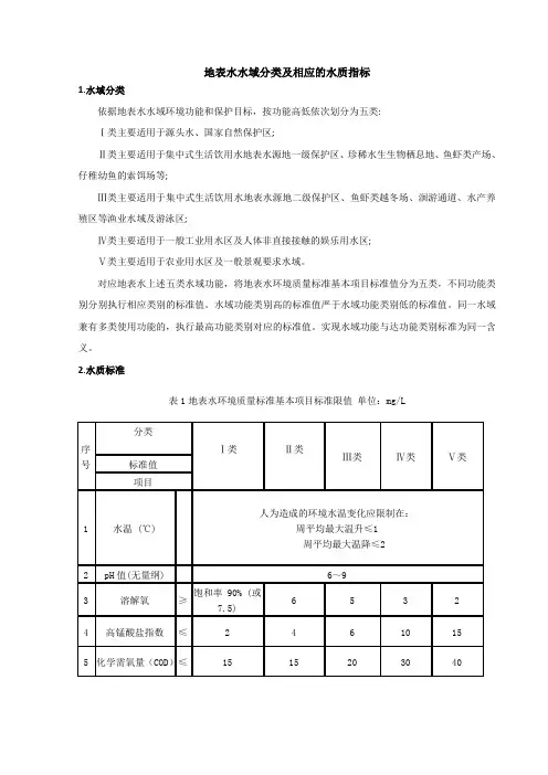
地表水水域分类及相应的水质指标
1.水域分类
依据地表水水域环境功能和保护目标,按功能高低依次划分为五类:
Ⅰ类主要适用于源头水、国家自然保护区;
Ⅱ类主要适用于集中式生活饮用水地表水源地一级保护区、珍稀水生生物栖息地、鱼虾类产场、仔稚幼鱼的索饵场等;
Ⅲ类主要适用于集中式生活饮用水地表水源地二级保护区、鱼虾类越冬场、洄游通道、水产养殖区等渔业水域及游泳区;
Ⅳ类主要适用于一般工业用水区及人体非直接接触的娱乐用水区;
Ⅴ类主要适用于农业用水区及一般景观要求水域。
对应地表水上述五类水域功能,将地表水环境质量标准基本项目标准值分为五类,不同功能类别分别执行相应类别的标准值。
水域功能类别高的标准值严于水域功能类别低的标准值。
同一水域兼有多类使用功能的,执行最高功能类别对应的标准值。
实现水域功能与达功能类别标准为同一含义。
2.水质标准
表1地表水环境质量标准基本项目标准限值单位:mg/L
表2集中式生活饮用水地表水源地补充项目标准限值单位:mg/L
3.水质监测
3.1本标准规定的项目标准值,要求水样采集后自然沉降30分钟,取上层非沉降部分按规定方法进行分析。
3.2地表水水质监测的采样布点、监测频率应符合国家地表水环境监测技术规范的要求。
3.3标准水质项目的分析方法应优先选用国标规定的方法,也可采用ISO方法体系等其他等效分析方法,但须进行适用性检验。
地表水水域分类及相应的水质指标
1.水域分类
依据地表水水域环境功能和保护目标,按功能高低依次划分为五类:
Ⅰ类主要适用于源头水、国家自然保护区;
Ⅱ类主要适用于集中式生活饮用水地表水源地一级保护区、珍稀水生生物栖息地、鱼虾类产场、仔稚幼鱼的索饵场等;
Ⅲ类主要适用于集中式生活饮用水地表水源地二级保护区、鱼虾类越冬场、洄游通道、水产养殖区等渔业水域及游泳区;
Ⅳ类主要适用于一般工业用水区及人体非直接接触的娱乐用水区;
Ⅴ类主要适用于农业用水区及一般景观要求水域。
对应地表水上述五类水域功能,将地表水环境质量标准基本项目标准值分为五类,不同功能类别分别执行相应类别的标准值。
水域功能类别高的标准值严于水域功能类别低的标准值。
同一水域兼有多类使用功能的,执行最高功能类别对应的标准值。
实现水域功能与达功能类别标准为同一含义。
2.水质标准
表1地表水环境质量标准基本项目标准限值单位:mg/L
表2集中式生活饮用水地表水源地补充项目标准限值单位:mg/L
3.水质监测
3.1本标准规定的项目标准值,要求水样采集后自然沉降30分钟,取上层非沉降部分按规定方法进行分析。
3.2地表水水质监测的采样布点、监测频率应符合国家地表水环境监测技术规范的要求。
3.3标准水质项目的分析方法应优先选用国标规定的方法,也可采用ISO方法体系等其他等效分析方法,但须进行适用性检验。
心之所向,所向披靡
我国地表水环境质量分类标准
我国地表水环境质量标准的编号为GB3838-2002,依据地表水水域环境功能和保护目标,按功能高低依次划分为五类:
Ⅰ类:主要适用于源头水、国家自然保护区。
Ⅱ类:主要适用于集中式生活饮用水地表水源地一级保护区、珍稀水生生物栖息地、鱼虾类产卵场、仔稚幼鱼的索饵场等。
Ⅲ类:主要适用于集中式生活饮用水地表水源地二级保护区、鱼虾类越冬场、洄游通道、水产养殖区等渔业水域及游泳区。
Ⅳ类:主要适用于一般工业用水区及人体非直接接触的娱乐用水区。
Ⅴ类:主要适用于农业用水区及一般景观要求水域。
地表水环境质量标准是保障人民群众饮用水安全、维护水生态环境健康的重要法规,而地表水域的分类则是地表水环境质量标准的重要内容之一。
本文将从浅入深,逐步探讨地表水域的分类及其对环境保护的意义。
一、地表水环境质量标准概述地表水环境质量标准是根据地表水的水质状况和水功能区的不同要求,制定出来的环境质量标准。
它的主要任务是评价地表水环境质量,明确地表水环境质量目标,为地表水环境管理和保护提供技术支撑和依据。
二、地表水域的分类地表水域的分类是根据地表水的水体特性、生态功能、利用方式等因素,将地表水划分为不同的类别。
根据《地表水环境质量标准》(GB 3838-2002),地表水域主要分为Ⅰ类水、Ⅱ类水、Ⅲ类水、Ⅳ类水和Ⅴ类水五大类。
其中,Ⅰ类水是指水质最好的地表水,Ⅴ类水是指水质最差的地表水。
1. Ⅰ类水Ⅰ类水是指水质优良,仅受轻微污染的地表水。
这类水体适宜于集中式饮用水源保护区、国家级风景名胜区等用途,主要应用于生活饮用水和风景游览。
2. Ⅱ类水Ⅱ类水是指水质较好,受轻度污染的地表水。
这类水体适宜于一般性景观、乡村饮用水源地等用途,主要应用于一般生活饮用水和一般景观游览。
3. Ⅲ类水Ⅲ类水是指水质为轻度污染,适宜于农田灌溉、渔业、水产养殖等用途的地表水。
Ⅲ类水也适宜于一般工业用水和水乡旅游。
4. Ⅳ类水Ⅳ类水是指水质为中度污染的地表水,适宜于工业设施冷却、城市绿化等用途。
Ⅳ类水也适宜于工业用水和一般乡村景观。
5. Ⅴ类水Ⅴ类水是指水质为重度污染的地表水,仅适宜于景观、航运、风景游览等用途,不宜作为饮用水源。
三、地表水域分类对环境保护的意义地表水域的分类在环境保护中具有重要意义。
地表水域的分类能够反映地表水的水质状况,有利于科学评价地表水环境质量,为环境管理和保护提供了科学依据。
地表水域的分类能够明确不同地表水的利用方式和限制条件,合理规划和保护水资源,保障人民饮用水安全。
地表水域的分类有利于加强对不同水体污染的监测和治理,促进水生态环境的修复和保护。
地表准四类
地表准四类是指中国国家环境保护标准中对于地表水质量的分类标准,分为I、II、III、IV四类。
其中,I类为优质地表水,适用于集中式饮用水源地;II类为良好地表水,适用于近岸海域、游泳区、市政供水水源地等;III类为轻度污染地表水,适用于一般工业用水、农业用水等;
IV类为重度污染地表水,只适用于农业排灌、工业冷却等非直接接触
人体的用途。
地表准四类的划分是根据水质指标进行的,包括化学需氧量、氨氮、
总磷、总氮、铜、锌、铅等指标。
其中,I类水质指标最为严格,要求化学需氧量、氨氮、总磷、总氮、铜、锌、铅等指标均达到国家标准
以下。
而IV类水质指标则最为宽松,允许化学需氧量、氨氮、总磷、总氮等指标超过国家标准数倍以上。
地表准四类的划分对于保护水资源、维护生态环境、促进可持续发展
具有重要意义。
通过对地表水质量的分类,可以及时发现和解决水污
染问题,保障人民饮用水安全,促进经济社会可持续发展。
然而,目前我国地表水污染问题依然严峻。
根据环保部发布的《2016
年全国地表水质量状况公报》,全国地表水质量状况总体呈现“南好
北差、东好西差”的特点,其中IV类水体比例较高。
这说明我国地表
水污染治理任务依然艰巨,需要加强水污染防治工作,加大投入力度,提高水污染治理效果。
总之,地表准四类是我国对于地表水质量的分类标准,对于保障人民
饮用水安全、维护生态环境、促进可持续发展具有重要意义。
然而,
我国地表水污染问题依然严峻,需要加强水污染防治工作,提高水污
染治理效果。
地表水质量标准的分类方法。
地表水质量标准是指用于评价地表水污染程度的标准,其分类方法可以从以下几个方面进行:
1. 污染物种类分类:根据污染物种类的不同,将地表水质量标准分为有机物类、无机物类、微生物类、营养物类、重金属类等不同类别。
2. 水体用途分类:根据地表水的不同用途进行分类,如饮用水、农业灌溉水、渔业养殖水、工业用水等,制定相应的水质标准。
3. 地域分类:根据不同的地理环境和水体特性,将地表水质量标准分为河流、湖泊、地下水等不同类型,并制定相应的监测指标和标准限值。
4. 污染控制分类:根据污染控制的需求和目标,将地表水质量标准分为防治污染、减轻污染、治理污染等不同类别,以达到不同的水环境保护目的。
总之,地表水质量标准的分类方法可以根据不同的需求和目的进行划分,以保障地表水的水质安全和环境健康。
- 1 -。
地表水分类标准
地表水分类标准通常根据不同的分类方法和指标来制定。
以下是几种常见的地表水分类标准:
1. 按照水的物理性质分类:根据地表水的pH值、硬度、溶解氧、总氮、总磷等指标进行分类。
2. 按照水的物理结构分类:根据地表水的透明度、清澈度、浑浊度等指标进行分类。
3. 按照水的来源分类:根据地表水的水源类型,如河流、湖泊、水库、地下水等进行分类。
4. 按照水的生态系统功能分类:根据地表水的生态环境功能,如渔业、农业、工业、城市用水等进行分类。
5. 按照地表水的污染程度分类:根据地表水的汞、铅、铬等重金属离子含量,以及其他污染物的浓度进行分类。
这些分类标准并不是互相独立的,而是相互关联的。
例如,某个分类标准的某个指标数值的高低,可以影响其他分类标准的分类结果。
因此,地表水分类标准的选择应该综合考虑各种因素,以便更好地满足不同的需求。
根据中国的水环境质量标准,地表水被分为三类:Ⅰ类、Ⅰ类和Ⅰ类。
每个类别都有特定的水质要求和适用范围。
Ⅰ类地表水:这是最高水质标准的类别,适用于供应人类直接饮用的水源地。
它要求水质清澈透明,无色无味,无任何有害物质,微生物数量极低。
此类水源通常位于自然保护区、野生动物保护区等环境优良的地区。
Ⅰ类地表水:这是适用于一般工业用水和生活饮用水的类别。
水质要求相对较高,要求水体中各项指标均在一定范围内,如溶解氧、氨氮、总磷、总氮、重金属等物质的含量都有一定的限制。
Ⅰ类地表水主要用于工业生产和农村生活用水。
Ⅰ类地表水:这是适用于农业灌溉、景观水体和一般环境用水的类别。
虽然水质要求相对较低,但仍然需要保证水体中的主要指标不超过国家规定的限值。
Ⅰ类地表水通常用于农田灌溉、公园湖泊、人工水体等非直接人类饮用的场所。
需要注意的是,这只是中国的水环境质量标准,其他国家或地区可能有不同的分类和标准。
此外,地表水质量还受到许多其他因素的影响,如水源保护、污染物排放管控等。
地表水分类
地表水是地球上存在的重要资源,它占人类可用水的99.9%,
而淡水占全球水资源的68%。
为了管理和维护地表水,人们可以采
用地表水的分类方法来识别和辨认各种类型的地表水、水源和水体,以及加以管理和保护。
地表水分类可以分为两类:一类是按照水资源的形态来进行分类,另一类是按照水资源的来源来进行分类。
按照水资源的形态分类,地表水可以分为流动水和停滞水,其中流动水是指流经河流的水,而停滞水是指静止不流动的水,如湖泊和池塘。
按照水资源的来源分类,地表水可以分为自然上游水和人类活动引起的污染水。
自然上游水是指从天然界不同形态的上游水体(如河流,湖泊,矿泉水和潮汐)中滴漏出来的水,而人类活动引起的污染水则是指河流、湖泊等受到工业污染、农业污染等因素影响而造成的污染水。
在管理和保护地表水方面,我们需要根据地表水的分类来制定特定的管理规定和措施,以有效管理和保护地表水资源。
为了管理和保护流动水资源,可以采取的措施包括:建立和完善河流和流域管理机制,在沿河城市和其他重点区域规定边坡绿化规定,减少河流上游污染,维护水域自然平衡,实行蓝色生态经济发展模式,在有益于河流保护的活动上加以加强,建立河流管理法规,以及加强河流污染源的监控等等。
另外,为了管理和保护停滞水资源,可以采取的措施包括:加强湖泊和池塘的监测,定期清理湖泊的水质,减少湖泊污染,实施水体保护区划,在湖泊周围种植淡水植物,实行湖泊污染排放标准,
以及加强湖泊污染源的监控等等。
地表水分类是一种实用性强的分类方法,它为我们管理和保护地表水提供了重要参考。
地表水分类可帮助我们更好地了解每一种特定的水资源,为制定管理规定和措施提供可靠的依据。
只有通过科学合理的分类方法,我们才能有效地管理和保护地表水资源,以满足人类日益增长的水资源需求。