深基坑支护结构的设计计算资料
- 格式:ppt
- 大小:3.72 MB
- 文档页数:8
深基坑支护结构的设计计算深基坑支护结构设计计算是指在进行深基坑施工时,为了保证基坑的稳定和安全,需要设计合理的支护结构来抵抗土压力和地下水力,并进行相应的计算与分析。
下面将从设计原则、支护结构类型、计算方法和实例分析等方面进行详细介绍。
设计原则:1.充分了解地质环境:通过钻孔、地质勘探等手段对周边地质环境进行充分了解,确定基坑边坡的稳定性和地下水情况等。
2.综合考虑安全和经济性:在满足基坑稳定要求的前提下,尽量优化支护结构的形式和尺寸,使其既能保证施工安全,又能降低成本。
3.遵循现场施工管理规范:根据施工组织方案和现场管理要求,进行支护结构设计,确保施工操作的可行性和安全性。
支护结构类型:常见的深基坑支护结构主要有以下几种类型:1.土方支撑法:包括开挖后土侧临时支护、钢支撑、混凝土支撑、钻孔锚杆支护等。
2.桩承台围护法:采用桩承台、连续墙等结构形式围护基坑。
3.地下连续墙法:采用成排的连续墙围护基坑,形成闭合空间。
4.排浆松土法:通过水平和垂直排浆井人工排除地下水,减小土体侧压力。
5.钢结构支护法:采用钢桩和钢板桩等结构形式围护基坑。
计算方法:1.土体侧压力计算:根据基坑周边土体的物理力学参数和基坑的几何形状,采用经验公式或数值模拟方法计算土体的侧压力。
2.支护结构稳定性计算:根据支护结构的形式和受力状况,进行结构的静力分析和稳定性校核,计算结构内力和变形等。
3.变形计算:根据支护结构的刚度和土体的变形特性,利用有限元分析方法或基于弹性平衡原理的计算方法,对基坑的变形进行计算。
实例分析:以一些深基坑工程为例,具体讲解支护结构设计计算的流程和方法。
1.地质环境调查:通过钻孔和地质勘探,了解地质层位、土壤性质、地下水位等信息。
2.施工组织方案:根据地质环境和工程要求,制定合理的施工组织方案,确定基坑开挖的顺序和方法。
3.土体侧压力计算:根据开挖的深度和基坑周围土体的物理力学参数,计算土体的侧压力,并确定开挖时的土压力分布。
目录............................................ 错误!未定义书签。
第一部分基坑支护设计方案说明 . (4)1 工程概况 (4)1。
1 一般概况.................................. 错误!未定义书签。
1.2 项目概况 (4)1.3 环境概况 (4)1。
4 基坑安全等级 (4)2 地质资料 (5)2.1 地形地貌 (5)2.2 工程地质 (5)2.3 水文概况 (5)2。
4 不良地质条件 (5)2.5 地质参数 (5)3 支护方案设计 (6)3。
1设计使用规范 (6)3.2设计资料依据 (6)3.3 支护方案 (6)4 基坑支护结构设计计算 (6)4。
1 计算方法 (7)4.2 计算条件 (7)4。
3 计算结果 (7)5 支护结构施工技术要求 (7)5。
1 施工流程 (7)5。
2 水泥土搅拌桩施工技术要求 (8)5.3 喷射混凝土施工技术要求 (7)5.4 土方开挖技术要求 (9)5。
5 基坑降排水 (10)6 其它注意事项 (10)7 监测要求及内容 (11)7.1 监测技术要求 (11)7.2 监测内容 (11)7.3监测要求 (12)8 质量检测 (12)9 应急措施 (12)9.1支护结构体系方面的应急处理措施 (12)9.2地下水方面的应急处理措施 (13)9。
3环境保护方面的应急处理措施 (13)9。
4应急资源 (13)10 备注 (14)第二部分基坑支护设计计算书 (15)1.AB段剖面计算 (15)2。
BC段剖面计算 (17)3。
CD段剖面计算 (19)4.DE段剖面计算 (21)5.EA段剖面计算 (23)第一部分基坑支护设计方案说明1 工程概况1.2 项目概况⑴主体建筑总用地面积约11654。
00m2左右,总建筑面积约54193.66m2左右,拟建建筑物共有5栋,地上6~34层,地下一层,结构形式为钢筋混凝土框架结构.⑵基坑规模基坑大致呈矩形。
一、工程概况本工程位于XX市XX区,项目名称为XX大厦。
大厦占地面积约为5000平方米,总建筑面积约100000平方米。
基坑开挖深度约为12米,开挖面积为15000平方米。
基坑周边环境复杂,邻近建筑物、地下管线较多,需进行深基坑支护及降水施工。
二、计算依据1. 《建筑基坑支护技术规程》(JGJ120-2012)2. 《建筑与市政降水工程技术规范》(JGJ/T111-98)3. 《建筑地基基础设计规范》(GB50007-2011)4. 《建筑抗震设计规范》(GB50011-2010)三、计算内容1. 基坑稳定性计算2. 支护结构设计计算3. 降水方案设计计算四、计算结果1. 基坑稳定性计算根据《建筑基坑支护技术规程》(JGJ120-2012)中的公式,计算得出:- 抗滑稳定系数Ks = 1.2- 抗倾覆稳定系数Kr = 1.2- 抗浮稳定系数Kf = 1.2以上计算结果表明,基坑稳定性满足规范要求。
2. 支护结构设计计算(1)排桩设计- 桩径:0.8米- 桩间距:1.5米- 桩长:12米- 桩端承载力:Qk = 500kN- 桩身抗拔承载力:Qp = 300kN根据《建筑基坑支护技术规程》(JGJ120-2012)中的公式,计算得出:- 单桩承载力:Qp = 500kN- 桩身抗拔承载力:Qp = 300kN(2)内支撑设计- 支撑形式:钢管支撑- 支撑间距:3米- 支撑截面尺寸:300×300毫米- 支撑间距:3米- 支撑轴力:N = 500kN根据《建筑基坑支护技术规程》(JGJ120-2012)中的公式,计算得出:- 单根支撑承载力:N = 500kN3. 降水方案设计计算(1)降水井设计- 井径:0.6米- 井深:12米- 井距:10米- 井数:20口根据《建筑与市政降水工程技术规范》(JGJ/T111-98)中的公式,计算得出:- 单井涌水量:Q = 30m³/d- 总涌水量:Q = 600m³/d(2)降水设备选型- 降水泵型号:DJ50-20- 降水泵流量:50m³/h- 降水泵扬程:20m五、结论根据以上计算结果,本工程深基坑支护及降水方案满足规范要求,能够确保基坑施工安全。
第三章基坑支护结构设计计算3.1土压力计算为计算简便,土压力计算采用简化的兰肯主动土压力计算公式,即采用加权平均之后的内摩擦角、粘聚力值进行计算。
3.1.1加权平均值计算各层土的物理指标如下表所示:基坑开挖的深度为16.3m ,即到粉土夹粉砂层为止。
(1)土层加权平均重度为:)/(68.1797.052.111.95.115.105.21997.09.1752.11711.98.175.15.1815.14.1905.230m KN hh iii =+++++⨯+⨯+⨯+⨯+⨯+⨯==∑∑γγ土层物理参数表土层序号及名称 土层厚度L (m ) 天然含水量W(%)液限指数IL 塑性指数Ip 天然重度粘聚力C(kpa) 内摩擦角φ(°) ①1填土 2.05 0.75 11.8 19.4 16.5 19.6 ①2黏土 1.15 36 0.68 19.5 18.5 20.5 13.1 ②1黏土 1.5 39.9 0.98 18.7 17.8 15.3 11 ②2淤泥质黏土 9.11 52.3 1.55 19.4 17 11.5 8.4 ②3淤泥质粉质黏土1.52 41.6 0.45 14.6 17.913.5 10.2 ③1粉土夹粉砂 3.28 28.9 1.16 9.3 19 11.6 20 ③2粉质黏土夹粉砂10.04 31.8 1.16 11.4 18.812.2 15.2 ④1淤泥质粉质黏土 5.3 38.2 1.28 13.4 18.213.2 12.1 ④2黏土 7.18 36.8 0.99 17.6 18.2 17.2 12.7 ⑥2粉质黏土 6.25 34.2 0.84 14.4 18.6 20.7 14.5 ⑥4粉土 2.04 25.4 0.98 9.6 19.4 12.3 26.6 ⑦1粉质黏土 2.93 27 0.56 13.6 19.6 31.218.3注:表中仅列出本车站有分布布的底层。
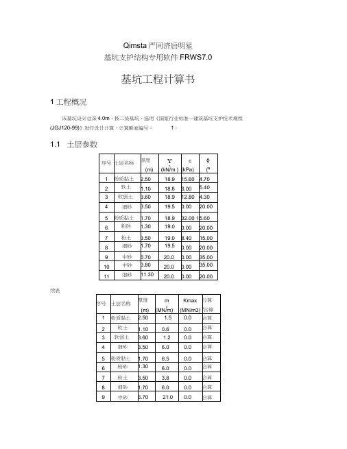
Qimsta严同济启明星基坑支护结构专用软件FRWS7.0基坑工程计算书1工程概况该基坑设计总深4.0m,按二级基坑、选用《国家行业标准一建筑基坑支护技术规程(JGJ120-99)》进行设计计算,计算断面编号:1。
1.1 土层参数续表地下水位埋深:。
1.2基坑周边荷载地面超载:O.OkPa邻近荷载:邻近荷载的作用方式:2开挖与支护设计基坑支护方案如图:细砂屮砂中砂基坑工程基坑支护方案图2.1挡墙设计•挡墙类型:钻孔灌注桩; •嵌入深度:11.0m ; •露出长度:0.000m ; •桩径:1200mm •桩间距:1500mm27.0m65.000.00软弱上细砂粉质黏七粉砂0蚀陀 V !1混凝土等级:C30;止水帷幕厚度:1.000m;止水帷幕嵌入深度:11.000m2.2工况顺序该基坑的施工工况顺序如下图所示:匸况1:开挖至400(液亦3计算原理描述3.1围护墙主动侧土压力计算3.1.1朗肯主动土压力深度z处第i层土的主动土压力强度的标准值e ak,i按下列公式计算:采用水土合算或计算点在水位以上时:益=9亠工丫沁也-2c iy[K~尺(小于0取0)K at=tgX45^-^/2)采用水土分算且计算点在水位以下时:空广[旷f ;v旳-(一也)人氏;厂工屁尸- (小于0取0)严酋(4亍—亿/2)对于矩形土压力模式,自重部分须扣除坑内土的自重(对水位以下的分算土层,扣除有效自重;坑内水位取坑底位置,天然水位在坑底以下就取天然水位)。
式中:丫j—第j层土的天然重度;丫w—水的重度,取10kN/m3;△ h j—第j层土的厚度;h wa,i —地下水位;C i、o'—第i层土的内聚力、有效内聚力;『、『’一第i层土的内摩擦角、有效内摩擦角; q—超载。
3.1.2 经验土压力心3.1.3邻近荷载的影响邻近荷载对土压力的影响有两种思路,一种是按照一定方式增加墙体范围内土体的自重,种方式为直接增加侧向土压力,如下图五种方式都可归结为这两种思路。
基坑工程计算书(复核\15米)1.内力计算主动土压力系数:Ka=tan 2(45°-ϕi/2) 被动土压力系数:Kp=tan 2(45°+ϕi/2)计算时,不考虑支护桩体与土体的摩擦作用,且不对主、被动土压力系数进行调整,仅作为安全储备处理。
计算所得土压力系数表如表2-1所示:表1-1主动土压力计算:由于分层土体前三层性能相差不大,ϕ、C 值取各层土的,按其厚度加权平均。
1) 现分三层土○1、○2、○3计算 ○1号土层为原土层1、2、3层土;1 1.30.8 1.711.511 1.511.60.8 1.7 1.5ϕ⨯+⨯+⨯==++ 130.88 1.711 1.58.13()0.8 1.7 1.5c kPa ⨯+⨯+⨯==++ ○2土层为原4号层土019.1ϕ=,241.3()c kPa =○3土层为原5号层土028ϕ=,25()c kPa =02111.6tan (45)0.6652ka =-= 020219.1tan (45)0.5072ka =-=02328tan (45)0.3612ka =-= 020111.6tan (45) 1.502kp =+=02219.1tan (45) 1.972kp =+= 020328tan (45) 2.782kp =+=○1号土层顶部1200.66528.130.04()a k e kPa =⨯-⨯=○1号土层底部()11180.8 1.7 1.520247.92()a d e ka c kPa =⨯+++-=⎡⎤⎣⎦○2土层顶部()22180.8 1.7 1.520212.17()a e ka c kPa =⨯+++-=-⎡⎤⎣⎦○2土层水位处()221842019227.1()a s e ka c kPa =⨯++⨯-=○2土层底部()()()222184201922 6.46 6.467.1 1.9729.07()a d w e ka c ka kPa γ=⨯++⨯----⎡⎤⎣⎦=+=○3土层顶部()3318420192190.420.40.40.36146.12()a e ka c kPa =⨯++⨯+⨯-⨯⨯=○3土层基坑底部()3318420192190.4 1.6518248.43()a j e ka c kPa =⨯++⨯+⨯+⨯-=被动土压力计算基坑顶部22516.67()p e c kPa ==⨯=支护桩底部32 6.9518 2.7825364.65()pd p e h kp c kPa γ=+=⨯⨯+⨯='3218 2.26 2.7825129.76()pd p e h kp c kPa γ=+=⨯⨯+⨯=设定弯矩零点以上各土层压力合力及作用点距离的计算18.31ha m = 214117.643ha m=⨯+= 32 1.26 4.31 5.153ha m =⨯+= 41 1.1415 6.4 4.69 4.293ha m =⨯+--= 51 1.65 2.26 3.0852ha m=⨯+= 61 1.65 2.26 2.813ha m =⨯+= 71 2.26 1.132ha m=⨯=814.69 2.3452ha m=⨯= 12 2.26 1.513hp m =⨯= 21 2.26 1.132hp m =⨯= 32 4.69 3.133hp m=⨯=414.69 2.342hp m=⨯= 10.0440.16(/)a E kN m =⨯= 2447.92/295.84(/)a E kN m =⨯= 3 1.2612.17/27.67(/)a E kN m =-⨯=- 4 1.148.92/2 5.08(/)a E kN m =⨯= 5 1.6546.1276.1(/)a E kN m =⨯= 6 1.65 2.31/2 1.91(/)a E kN m =⨯= 748.43 2.26/254.73(/)a E kN m =⨯= 848.43 4.69/2113.57(/)a E kN m =⨯=()1129.7616.67 2.26/2127.79(/)p E kN m =-⨯= 216.67 2.2637.67(/)p E kN m =⨯=()3 4.69364.65129.76550.82(/)2p E kN m =-⨯=4129.76 4.69608.57(/)p E kN m =⨯=本工程设计按施工顺序开挖时:1) 第一层支护开挖至第二层支护标高时: 通过计算得右图按11a k p ke e =计算基坑底面以下支护结构设定弯矩零点位置至坑底面的距离0.65c h m=111a ac p pcc T ch E h E T h h -=+∑∑解得:146.13/c T kN m=所以设计值:'111.25 1.2546.13/57.7/c c T T kN m kN m==⨯=2) 开挖至设计基坑标高时:按11a k p ke e =计算基坑底面以下支护结构设定弯矩零点位置至坑底面的距离1.60c h m=112a ac p pcc T ch E h E T h h -=+∑∑解得:2104.54/c T kN m=所以设计值:'221.25 1.25104.54/130.68/c c T T kN m kN m==⨯=2、整体稳定验算整体稳定采用瑞典分条法计算:1)按比例绘出该支护结构截面图,如图所示,垂直界面方向取1m 计算。
深基坑工程支护结构设计计算分析本文以重庆轻轨五号线巴山站基坑工程为例,对该深基坑工程的结构设计进行了研究。
通过该深基坑支护方案的设计计算分析、肋板锚杆挡墙支护方式介绍及对支护结构的内力分析,获得了一些工程经验,为当地的深基坑工程的推广和应用提供参考。
标签:深基坑工程;桩锚支护;设计计算;内力分析深基坑支护问题已经成为建筑界的热点和难点之一,我国的很多城市或地区相继发生多起深基坑事故。
造成基坑事故的原因有很多,其中基坑支护方案的设计就是其中一个重要的原因。
基坑支护设计是一个半理论半经验的设计,如何确保基坑的稳定,满足周边环境的要求,设计经济,并且在设计中考虑到尽可能多的因素,降低不可见因素的影响等等都具有着重要的现实意义。
下面,笔者以重庆轻轨五号线巴山站基坑工程为例,对该深基坑工程的结构设计进行了研究。
1.工程概况巴山站基坑位于金开大道西段,两侧有民用住宅,建筑密度较高,周边场地狭窄。
基坑起讫里程为YAK9+294.350~YAK9+564.350;基坑成矩形分布,南北方向宽23.2m,东西方向长272.0m,开挖面积达7000 ;设计±0.00标高为+307.50m,场地地面标高+306.90m~+307.30m,基坑最深开挖深度为20.24m,属于Ⅰ级基坑。
2.支护工况根据工程特点及场地条件,经过对土体位移变化、基坑稳定性、施工速度、工程造价等方面综合考虑,决定该工程采用排桩(截面:1.5m×1.8m、间距:4.0m)进行支护,加五道锚索(分别距基坑顶2.5m、5.5.0m、8.5m、11.5m、14.5m)。
肋板锚杆挡墙支护形式在本地区应用比较广泛且技术成熟,其特点是施工速度较快,支护效果好,对其他工序的干扰较少,比较经济。
其工况图如图1所示。
图1 支护工况图3.基坑支护结构计算分析3.1 土压力计算模型及系数调整土压力计算采用朗肯土压力理论,“规程”分布模式,除砂土层采用水土分算外,其余土层均采用水土合算,计算所得土压力系数表如表1所示:表1 土压力系数表土层素填土 0.552 0.743 ——粉质粘土0.507 0.712 1.973 1.404砂岩0.832 0.937 2.572 1.603粉质泥岩0.725 0.862 2.035 1.4453.2 支护结构嵌固深度及桩长的确定支护结构的嵌固深度,目前常采用极限平衡法计算确定。
吉林市中心医院深基坑支护设计 1-1剖面支护方案:排桩+锚索基本信息土层参数支锚信息土压力模型经典法土压力模型:工况信息结构计算各工况:内力位移包络图:地表沉降图:冠梁选筋结果截面计算:截面参数内力取值锚杆计算:锚杆参数锚杆自由段长度计算简图整体稳定验算计算方法:瑞典条分法应力状态:总应力法条分法中的土条宽度: 0.50m滑裂面数据整体稳定安全系数 K s = 1.578圆弧半径(m) R = 10.595圆心坐标X(m) X = -3.545圆心坐标Y(m) Y = 5.750抗倾覆稳定性验算抗倾覆安全系数:M p——被动土压力及支点力对桩底的抗倾覆弯矩, 对于内支撑支点力由内支撑抗压力决定;对于锚杆或锚索,支点力为锚杆或锚索的锚固力和抗拉力的较小值。
M a——主动土压力对桩底的倾覆弯矩。
注意:锚固力计算依据锚杆实际锚固长度计算。
工况1:注意:锚固力计算依据锚杆实际锚固长度计算。
序号支锚类型材料抗力(kN/m) 锚固力(kN/m)1 锚索 0.000 0.0002 锚索 0.000 0.0003 锚索 0.000 0.0004 锚索 0.000 0.000K s = 24.127 >= 1.200, 满足规范要求。
工况2:注意:锚固力计算依据锚杆实际锚固长度计算。
序号支锚类型材料抗力(kN/m) 锚固力(kN/m)1 锚索 144.667 75.2672 锚索 0.000 0.0003 锚索 0.000 0.0004 锚索 0.000 0.000K s = 24.909 >= 1.200, 满足规范要求。
工况3:注意:锚固力计算依据锚杆实际锚固长度计算。
序号支锚类型材料抗力(kN/m) 锚固力(kN/m)1 锚索 144.667 75.2672 锚索 0.000 0.0003 锚索 0.000 0.0004 锚索 0.000 0.000K s = 5.683 >= 1.200, 满足规范要求。
深基坑工程设计计算一.深基坑工程设计计算l基坑工程设计计算包括三个部分的内容,即稳定性验算、结构内力计算和变形计算。
l稳定性验算是指分析土体或土体与围护结构一起保持稳定性的能力,包括整体稳定性、重力式挡墙的抗倾覆稳定及抗滑移稳定、坑底抗隆起稳定和抗渗流稳定等,基坑工程设计必须同时满足这几个方面的稳定性。
l结构内力计算为结构设计提供内力值,包括弯矩、剪力等,不同体系的围护结构,其内力计算的方法是不同的;由于围护结构常常是多次超静定的,计算内力时需要对具体围护结构进行简化,不同的简化方法得到的内力不会相同,需要根据工程经验加以判断;l变形计算的目的则是为了减少对环境的影响,控制环境质量,变形计算内容包括围护结构的侧向位移、坑外地面的沉降和坑底隆起等项目。
稳定性验算l整体稳定性l边坡稳定性计算l重力式围护结构的整体稳定性计算l抗倾覆、抗滑动稳定性l抗倾覆稳定性计算l抗水平滑动稳定性计算l抗渗透破坏稳定性边坡稳定性验算假定滑动面为圆弧用条分法进行计算不考虑土条间的作用力最小安全系数为最危险滑动面重力式围护结构的整体稳定性l重力式围护结构的整体稳定性计算应考虑两种破坏模式,一种是如图所示的滑动面通过挡墙的底部;另一种考虑圆弧切墙的整体稳定性,验算时需计算切墙阻力所产生的抗滑作用,即墙的抗剪强度所产生的抗滑力矩。
l重力式围护结构可以看作是直立岸坡,滑动面通过重力式挡墙的后趾,其整体稳定性验算一般借鉴边坡稳定计算方法,当采用简单条分法时可按上面的公式验算整体稳定性。
l上海市标准《基坑工程设计规程》规定,验算切墙滑弧安全系数时,可取墙体强度指标内摩擦角为零,粘聚力c=(1/15~1/10)qu。
当水泥搅拌桩墙体的无侧限抗压强度qu>1MPa时,可不考虑切墙破坏的模式。
锚杆支护体系的整体稳定性l两种不同的假定l一种是指锚杆支护体系连同体系内的土体共同沿着土体的某一深层滑裂面向下滑动,造成整体失稳,如左图所示;对于这一种失稳破坏,可采取上述土坡整体稳定的验算方法计算,按验算结果要求锚杆长度必须超过最危险滑动面,安全系数不小于1.50;l另一种是指由于锚杆支护体系的共同作用超出了土的承载能力,从而在围护结构底部向其拉结方向形成一条深层滑裂面,造成倾覆破坏,如右图所示。
308 基础工程原理与方法第二十六章基坑支护结构的设计原理与计算方法第一节支护结构的破坏形式深基坑支护结构可分为非重力式支护结构(即柔性支护结构)和重力式支护结构(即刚性支护结构)。
非重力式支护结构包括钢板桩、钢筋混凝土板桩和钻孔灌注桩、地下连续墙等;重力式支护结构包括深层搅拌水泥土挡墙和旋喷帷幕墙等。
一、非重力式支护结构的破坏非塑力式支护结构的破坏包括强度破坏和稳定性破坏。
(一)强度破坏强度破坏包括图26所示内容。
(1)支护结构倾覆破坏。
破坏的原因是存在过大的地面荷载,或土压力过大引起拉杆断裂,或锚固部分失效,腰梁破坏等。
(2)支护结构底部向外移动。
当支护结构入土深度不够,或挖土超深、水的冲刷等都可能产生这种破坏。
(3)支护结构受弯破坏。
当选用的支护结构截面不恰当或对土压力估计不足时,容易出现这种破坏。
(二)稳定性破坏支护结构稳定性破坏包括图26-2所示内容。
(1)墙后土体整体滑动失稳。
破坏原因包括:①开挖深度很大,地基土又十分软弱;②地面大就堆载;③锚杆长度不足。
(∙M*≡β 坏第二十六章基坑支护结构的设计原理与计算方法309"r /Z τ√∕γ∕zτ√zr√ZrzzT(C)流砂或管涌图26・2非星力或支护结构的秘定性玻坏(2)坑底隆起。
当地基土软弱、挖土深度过大或地面存在超载时容易出现这种破坏。
(3)管涌或流砂。
当坑底土层为无黏性的细颗粒土,如粉土或粉细砂,且坑内外存在较大水位差时,易出现这种破坏。
二、重力式支护结构的破坏形式觅力式支护结构的破坏也包括强度破坏和稳定性破坏两个方面.强度破坏只有水泥土抗剪强度不足所产生的剪切破坏,为此需验算最大剪应力处的墙身应力。
稳定性破坏包括以下内容。
(1)倾覆破坏。
若水泥土挡墙截面、质量不够大,支护结构在土压力作用下产生整体倾覆失稳。
(2)滑移破坏。
当水泥土挡墙与土之间的抗滑力不足以抵抗墙后的推力时,会产生整体滑动破坏。
其他破坏形式,如土体整体滑动失稳、坑底隆起和管涌或流砂与非直力式支护结构相似。
深基坑支护结构的实用计算方法及其应用
一、深基坑支护结构的实用计算方法
1、土体抗压强度计算
为了保证深基坑支护结构的安全,首先必须计算出预设深基坑抗压强度,可以采用U型挖槽模型进行计算,根据给定的挖槽深度,计算出预设抗压强度,一般在挖槽深度大于3m时可采用该方法进行计算。
2、计算孔支护抗压强度
根据深基坑支护结构的构成,一般有多个孔支护围绕着挖槽,为了确保结构的安全,孔支护的抗压强度也必须计算,通常采用支护抗压强度计算函数进行计算,根据函数参数以及结构特性计算出孔支护的抗压强度,以确定具备足够的承载能力。
3、支护体系拱肋柱设计
拱肋柱是深基坑支护结构的支护元素,拱肋柱的设计必须考虑到节点处拱肋柱的结合以及与周围土体的复合效应。
通常采用有限元分析法和Bishop模型分析法,根据分析结果设计计算拱肋柱的形状及承载力。
4、支护体系网管设计
网管是深基坑支护结构的支护要素之一,为了计算出满足工程要求的支护强度,必须计算网管的力学特性,一般采用有限元分析法进行计算。
基坑支护计算书一、场地地质条件(一)、人工填土层土性为杂填土,呈灰、褐红、灰黄、灰白等杂色,结构松散,由粉土、粉质粘土、砾砂、碎石块、砖块、混凝土块及生活垃圾等组成,土质均一性较差。
N值=平均值5.4击。
(二)、粉质粘土、粘土粉质粘土、粘土呈灰、深灰、棕红、灰黄等色,软塑状,粘性好。
N值=平均4.0击,属中压缩性土。
1、中粗砂层中粗砂层呈灰白、灰黄、浅灰等色,饱和,稍密,局部含少量粘粒、砾石。
N 值=平均值13.1击。
(三)、地下水概况:无地下水二、基坑支护设计(一)、设计依据:1、辽宁金伟实业集团提供的金伟御都地质勘察报告2、《土层锚杆设计施工规范》(CECS22—90)3、《建筑基坑支护技术规范》(JGJ120—99)4、《建筑基坑支护工程技术规程》(DBJ/T15-20-97)5、《辽宁地区建筑基坑支护技术规定》(GJB02—98)1(二)、基坑支护设计按场地工程地质情况和原建筑物距离将地下人防工程成两个支护区域:1#库支护区按支护示意图经验施工。
2、3#库采用钢性自立式挡土墙支护形式:首先采用深层搅拌桩形成止水帷幕,然后垂直开挖基坑边坡,采取花管、土钉相结合的复合止水、支护结构。
1、支护区支护设计:该断面边坡支护垂直开挖深度按6米考虑。
(1)、沿基坑开挖线设置深层灌注桩φ600,400,深约9.5米左右(穿过透水层,直至不透水层),灌注桩施工采人工挖孔或机械钻孔灌注桩工艺。
(2)、桩空间400采取土钉、花管,成梅花状排列。
(3)、喷射混凝土板强度C20、厚100,钢筋网采用φ6圆钢编制,间距200×200。
(三)、边坡计算及稳定性验算:本工程采用《理正深基坑支护结构设计软件》(高级版)进行设计计算及边坡整体稳定性验算。
2、3#车库支护区计算书二外力计算1作用于桩上的土压力强度22 k=tg(45?-φ/2)=tg(45-20.10/2)=0.49 a22 k=tg(45?+φ/2)=tg(45+20.10/2)=2.05 p2桩外侧均布荷载换算填土高度Hh=q/r=20.0/18.3=1.09m桩顶以上土压力强度Pa 122 Pa=r×(h+0.25)Ka=18.3×(1.09+0.25) ×0.49=12.0KN/m 1水位土压力强度Pa 2Pa=r×(h+4.35 -3.00 )Ka 22 =18.3×(1.09+4.35 -3.00 )× 0.49=21.8KN/m开挖面土压力强度Pa 3Pa=[r×(h+4.35 -3.00 )+(r-rw)(3.00 +3.40)}Ka 3=[18.3×(1.09+4.35 -3.00 )+(18.3-10) ×(3.002 +3.40)] ×0.49=47.8KN/m三确定内支撑层数及间距按等弯距布置确定各层支撑的Φ60型灌注桩能承受的最大弯距确定板桩顶悬臂端的最大允许跨度h:3 弯曲截面系W=0.001350m,折减系数β=0.7 Z03 采用值W=βW=0.00135×0.7,0.000945m ZZ0容许抗拉强[σ]= 200000.0KPa由公式σ=M/Wz得:最大弯矩M=Wz×[σ]=189.0KN*m 01假定最上层支撑位置与水位同高,则支点处弯矩22 M'=Pa*(H-H)/2+(Pa-Pa)(H-H)/6=9.2KN*m<M=189.0KN*m 11222120故,支撑点可设置在水位下。