供应商开发与管理流程图
- 格式:doc
- 大小:36.00 KB
- 文档页数:3
供应商管理流程
供应商管理是组织或企业与供应商建立、维护和改进关系的过程。
下面是一个常见的供应商管理流程:
1. 供应商评估与筛选:确定所需的供应商特征和要求,收集和评估潜在供应商的信息,筛选出符合要求的供应商。
2. 合同签订:与选定的供应商进行合同谈判和签订,明确双方的权益和责任,确保供应商提供的产品或服务符合需求和标准。
3. 供应商绩效评估:定期对供应商进行绩效评估,包括交货质量、交货时间、售后服务等方面的考核,确保供应商的稳定性和可靠性。
4. 监控和改进:监控供应商的绩效和服务质量,及时发现问题并采取措施进行改进,确保供应链的顺畅和高效。
5. 供应商沟通和协调:与供应商保持良好的沟通和合作关系,及时反馈需求变化和问题,并共同解决和改善。
6. 风险管理:对供应商的风险进行评估和管理,预防和减少供应链中的潜在风险,保障业务的持续性和稳定性。
7. 供应商发展:与关键供应商建立长期合作关系,共同发展和进步,促进供应链的协同和创新。
8. 终止关系:根据合同约定或供应商绩效进行评估,如果供应商无法满足要求或存在重大问题,及时终止合作关系,并寻找替代供应商。
以上是供应商管理的基本流程,具体的流程可能因组织或企业的不同而有所差异。
1 目的规范确认供应商在质量、成本、交付、技术等方面能力的要求,确保供应商提供的产品能满足公司需求。
2 范围适用于为公司(集团)提供产品的潜在供应商。
3 引用标准无4 定义供应商:指提供产品或服务的组织或个人。
本作业办法所指供应商,指为外购件供应商、外协供应商二类。
潜在供应商:指有可能成为公司(集团)的合格供应商,但目前没有供货关系的供应商。
5 职责5.1 技术中心、物控中心、质量管理部(集团)负责制定本作业办法,并适时修订。
5.2 采购部负责依据本作业办法,组织相关部门对外购件潜在供应商进行考察与评估,同时由采购部负责对外购件潜在供应商交货保证、成本控制能力进行评估。
5.3 技术工艺部负责对潜在供应商的技术保证能力进行考察评估。
5.4 质量管理部(子公司)负责对潜在供应商的质量保证能力进行考察评估。
5.5 子公司采购分管领导、质量分管领导分别负责新供应商开发的审核、审批。
6 作业办法与流程6.1 选择潜在供应商的总体要求:6.1.1 供应商提供的产品与服务必须满足公司产品的技术要求、质量要求及服务要求。
6.1.2 外购件供应商质量体系条件:原则上关键件供应商需通过TS16949质量体系认证,对涉及强制性认证的产品,供应商必须通过国家强制认证;对于非关键件产品供应商需通过ISO9001(具体标准详见附件7.2)。
6.1.3 新产品的供应商确定,要求优先在原配套体系或与其它主机厂有配套关系(需提交近2年配套证明材料)中选择。
6.1.4 每种类及型号产品的正常稳定供货的合格供应商数量为2~3家,原则上不超过3家。
6.2 潜在供应商评估作业办法6.2.1 采购部根据现有体系的供货能力、实现降成本目标、新产品开发等需求,组织人员调查并收集潜在供应商基本情况,经采购部初选后填写《潜在供应商开发申请表》,报送质量管理部(子公司)、技术工艺部会签审定。
应收集信息形成表单:《质量体系认证书》、《税务登记证》、《法人代表资格证》、《营业执照》《供应商基本情况调查表》6.2.2 质量管理部(子公司)依据供应商资料评审潜在供应商在将来产品的质量保证能力及所具备的条件是否符合。
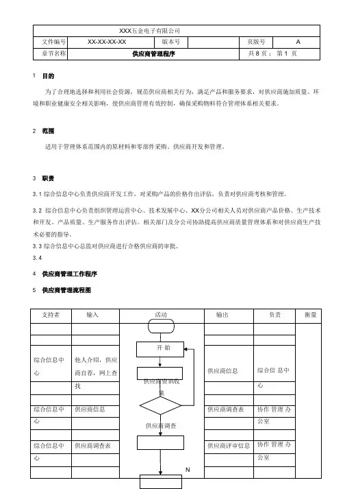
章节名称 供应商管理程序共 8 页 ; 第 1 页1 目的为了合理地选择和利用社会资源,规范供应商相关行为,满足产品和服务要求,对供应商施加质量、环境和职业健康安全相关影响,使供应商管理有效控制,确保采购物料符合管理体系相关要求。
2 范围适用于管理体系范围内的原材料和零部件采购、供应商开发和管理。
3 职责3.1 综合信息中心负责供应商开发工作,对采购产品的价格作出评估,负责对供应商考核和管理。
3.2 综合信息中心负责组织管理运营中心、技术发展中心、XX 分公司相关人员对供应商产品价格、生产技术和开发、产品质量、生产服务作出评估。
相关部门及分公司协助提高供应商质量管理体系和对供应商生产技术必要的指导。
3.3 综合信息中心总监对供应商进行合格供应商的审批。
3.44 供应商管理工作程序5 供应商管理流程图支持者 输入活动输出负责衡量开 始 供应商资讯收集供应商调查N综合信息中 心他人介绍,供应 商自荐,网上查供应商信息综合信 息中 找 心综合信息中 供应商信息 供应商调查表 协作 管理 办 心 公室综合信息中 供应商调查表 供应商评审信息 协作 管理 办 心 公室章节名称供应商管理程序共 8 页;第 3 页支持者输入活动输出负责衡量XX分公司XX分公司XX分公司XX分公司XX分公司、综合信息中心、管理运营中心、技术发展中心综合信息中心XX分公司XX分公司XX分公司综图纸、技术要求样品采购单产品供应商调查表零件检测表零件/产品检测表供应商调查表供应商调查表订单供货情况供应商业绩A供应商试样N样品检验淘汰Y小批供货N检验YN评估YN审批列入合格供应商名录下采购单样品零件检测表零件/产品检测表产品零件检测表零件/产品检测表供应商调查表供应商质量管理评估表供应商调查表合格供应商名录供应商相关合约采购单供应商管理活动供应商评审表供XX分公司XX分公司XX分公司XX分公司综合信息中心协作管理办公室协作管理办公室XX分公司XX分公司综合信息中2天2天6供应商开发工作6.1对急需向临时供应商采购的物料,由XX分公司总经理批准确定采购。
供应商管理程序编号:CG-QP-02版本:A/0起草部门:采购中心编制:审核:批准:2022年09月01日发布 2022年09月01日实施本文件适用于******集团及其下属子公司1 目的为保证公司选择、评估及控制供应商的客观性、公正性、科学性,确保外部提供的过程、产品和服务满足要求。
2 范围本程序适用于产品原辅材料的供应商、物流服务方、检定或校准机构、试验测试机构等供应商的管理。
3 定义3.1 供应商提供产品或服务的个人或组织。
供应商可能是产品/服务或信息的生产商、经销商、零售商或供应商。
4 职责4.1 采购中心负责供应商的寻找、组织评估、稽核、定期主导评审、淘汰。
负责合格供方的评价;对供方供货交期、价格、服务状况进行评价。
4.2 品质中心负责供应商质量保证能力的监督、辅导;对供方供货质量状况进评价;并根据此评价向采购中心提出暂停或解除其合格供方资格的建议。
4.3 其他中心及部门负责协助进行供应商评审、辅导、业绩统计提供及评价。
5 流程图供应商策划供应商调查N供应商评价Y供应商选择供应商绩效评定供应商连续评价供应商质量体系开发供应商质量体系审核Y合格供方撤销N资料归档6 工作程序6.1 供应商策划6.1.1 采购中心负责确定公司采购的产品,研发中心负责策划规定采购产品的技术要求,采购产品主要指用于生产和组成产品的材料,有时也包括适当的外包服务等,以下称采购材料。
6.1.2公司根据所采购材料对产品质量的影响程度,将采购的材料分为关键材料A、重要材料B、一般材料C三个级别,不同级别实行不同的控制要求。
其中关键材料如生产用原料(钣金件、塑胶外壳、电器件、机加工件等),重要材料如标准件、油漆、焊接材料、包装材料等,一般材料如包装材料、检测服务、物流服务、办公用品等。
6.1.3 根据相应的材料类别,将供应商分为A、B、C三类。
6.2 供应商调查6.2.1 由采购中心视公司实际需求寻找适合的供应商,同时收集如质量、服务、交期、价格等方面资料作为筛选的依据。
选择合适的供应商并对其进行持续监控,以确保其能为企业及时提供合格的产品与服务.同时规范新供应商的开发流程,使之有章可循
适用范围
1.新供应商的开发
2.为本企业提供产品和服务的所有供应商
目的
1.规范新供应商的开发流程,使供应商的进入受控
2.通过对供应商的规范管理,优化企业供应链,从而更好的保障供应满足生产,同时降低采购成本
3.有效防止采购腐败的滋生
权责
1.采购部供应商管理负责供应商的开发与管理
2.研发,品管,生产部负责供应商样品确认以及品质标准的制定
3.采购,研发,品管,生产部组成供应商评审小组,负责供应商的审核
4.总经理最终决定供应商的审批
控制要点
1.新供应商的选择
2.供应渠道的了解
3.评审标准的制定
标准受控文件
《供应商开发项目申请表》《供应商调查表》《供应商现场评审表》《样品评估报告》《供应商资格评审表》《供应商评审表》《合格供应商目录》《供应商资格取消表》《供应商资格重新确认表》。